Результаты расчета экономических показателей доставки груза
Министерство
образования и науки Республики Казахстан
Евразийский
Национальный Университет им. Л.Н. Гумилева
Инженерно-строительный
факультет
Кафедра
«Организация перевозок, движения и эксплуатация транспорта»
КУРСОВАЯ
РАБОТА
По
дисциплине: «Транспортная логистика»
На
тему: «Результаты расчета экономических показателей доставки груза»
Астана 2011
Содержание
Введение
Отбор
вариантов доставки груза для экономической оценки и сравнения
Состав
удельных суммарных дисконтированных затрат
Расчет
удельных эксплуатационных и капитальных затрат на доставку груза
Расчет
удельных затрат, вызванных потерями груза за время доставки
Расчет
удельных тарифных сборов и платежей, связанных с доставкой груза
Расчет
удельной стоимости массы груза за время доставки
Суммарные
удельные дисконтированные затраты
Заключение
Список
использованной литературы
Введение
С переходом на рыночные отношения, коллективные
и частные формы собственности, горизонтальные связи в хозяйственных
образованиях, принципы плановости и централизации управления вошли в
противоречие с конечными целями развития общества. Это привело к необходимости
создания новой системы управления на всех уровнях экономики. В последние годы
развивается система управления, наиболее соответствующая современным условиям
развития общества и основанная на принципах логистики.
Логистика - наука о планировании, контроле и
управлении транспортированием, складированием и другими материальными и
нематериальными операциями, совершаемыми в процессе доведения сырья и
материалов до промышленных предприятий; внутризаводской переработки сырья,
материалов, полуфабрикатов; доведения готовой продукции до потребителя в
соответствии с его требованиями а также передачи, обработки и хранения
соответствующей информации.
Целью логистики является обеспечение получения
(доставки) продукции (товара) потребителю в нужное время и место при минимально
возможных совокупных затратах трудовых, материальных, финансовых ресурсов.
Особое значение приобретает концепция логистики
в обеспечении в транспортных услугах.
Принципиальная новизна логистического подхода к
управлению транспортных предприятий состоит в том, что оно рассматривается как
внутрипроизводственная логистическая система как на макро, так и на микро
уровне.
Отбор вариантов доставки груза для
экономической оценки и сравнения
Прежде чем приступить к технико-экономическому
обоснованию эффективности предлагаемой к внедрению технологии доставки
рассматриваемого груза, необходимо определить эту технологию в комплексе с
существующими сопоставимыми вариантами. Для этого сначала изучают факторы
перевозимого груза, рынка, внешней среды и транспортно-технологические факторы
процесса доставки (рис. 1.1), которые определяют необходимые количества
сравниваемых вариантов, состав и величину транспортных расходов.
Рис. 1.1 - Классификация факторов, влияющих на
состав и величину затрат по доставке груза
Основой любого варианта доставки груза является:
транспортно-технологическая схема, которая должна определять:
Этапность доставки и способ взаимодействия между
собой поставщика груза, его потребителей и транспортных организаций;
Способ доставки груза (обычный, контейнерный,
пакетный) типы применяемых транспортных средств на магистральном транспорте и
при вывозе продукции от грузообразующих пунктов до магистрального транспорта, и
от магистрального транспорта до грузопоглощающих пунктов;
Способы производства погрузочно-разгрузочных и
складских работ на грузовых пунктах.
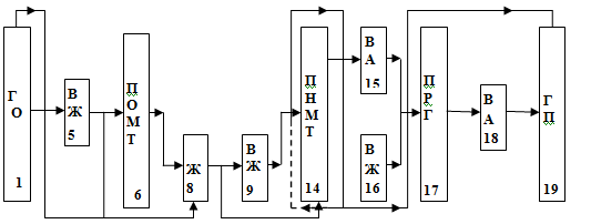
На рисунке 1.2 показан универсальный
макрологистический блок различных транспортно-технических связей, встречающихся
в практике перевозок грузов, между грузоотправителями, грузополучателями и
транспортными организациями. Из этих связей формируются этапы доставки груза,
общее количество которых может составить от трех до пятнадцати.
Конкретные варианты технологических связей
зависят от назначения груза, мощности и партийности доставок, наличия и
размещения складского хозяйства, подъездных путей и др.
После определения возможных вариантов доставки
груза производят их отбор для экономической оценки и сравнения. Один из
вариантов (обычно существующий) определяют базовым, по сравнению с которым
оценивают эффективность предлагаемых технических и технологических решений.
Таблица 1.1 - Исходные данные
|
№
п/п
|
Наименование
груза
|
Грузопоток,
тыс. т/г
|
Звено
логистической системы (ЗЛС)
|
|
|
|
1
|
5
|
6
|
8
|
9
|
14
|
15
|
16
|
17
|
18
|
19
|
|
1
|
Мука
в мешках
|
25
|
+
|
13
|
+
|
600
|
9
|
+
|
12
|
9
|
+
|
17
|
+
|
Рис. 1.2 - Макрологистический блок возможных
схем взаимодействия транспортных организаций, поставщиков и потребителей грузов
Список сокращений
ГО - грузополучатель;
ВА - вывоз груза автотранспортом;
ВЖ - вывоз груза железнодорожным транспортом;
ПОМТ - пункт отправления магистрального
транспорта;
Ж - железнодорожный магистральный транспорт;
ПНМТ - пункт назначения магистрального
транспорта;
ПРГ - пункт распределения груза;
ГП - грузополучатель.
Сравнивая варианты, должны иметь следующие
условия сопоставимости:
Идентичность исходного и завершающего этапов
доставки;
Идентичность вида и равенство объемов
поставляемого груза;
Равенство объемов грузопереработки на одних и
тех же этапах доставки.
Состав удельных суммарных дисконтированных
затрат
Перечень экономических показателей, включаемых в
состав удельных суммарных дисконтированных затрат, определяется видом и
составом технологических операций, совершаемых с грузом в процессе доставки
(табл. 3.1).
Таблица 2.1 - Полный перечень возможных
экономических показателей в составе суммарных дисконтированных затрат на
доставку груза
|
Наименование
показателя
|
Усл.обозн.
|
|
1
|
2
|
|
Удельные
эксплуатационные расходы (себестоимость доставки) В том числе: - на
подготовку груза к доставке; - на содержание транспортной тары; - на
содержание средств пакетирования; - на содержание парка контейнеров; - на
погрузочно-разгрузочные и складские работы; - на содержание складов и
складского оборудования; - на транспортные операции; - на подготовку груза к
реализации.
|
С
Сп. л Ст Сс.п Ск Сгр Сс Сгр Сп. р
|
|
Удельные
расходы, вызванные потерями груза В том числе: - при подготовке груза к
доставке; - при выполнении погрузочно-разгрузочных операций; - при хранении
груза на складах; - при выполнении транспортных операций; - на подготовку
груза к реализации.
|
П
Пп. д. Пгр Пхр Птр Пп.р.
|
|
Удельные
капиталовложения в технические средства В том числе стоимость: - оборудования
и средств механизации, используемых при подготовке грузов к доставке; -
многооборотной тары; - многооборотных средств пакетирования; - парка
контейнеров - средств механизации, используемых на погрузочно-разгрузочных и
складских работах; - складов и складского оборудования; - парка транспортных
средств; - оборудования и средств механизации на подготовку груза к
реализации.
|
К
Кп. л. К. т. Кт Кс.п Кк Кгр Кс Ктр Кп.р.
|
|
Удельная
стоимость массы груза за время доставки В том числе при нахождении: - на
складах; - на транспортных средствах.
|
М
Мс Мтр
|
|
Тарифные
услуги транспортных организаций В том числе: - за пользование универсальными
контейнерами; - за пользование средствами пакетирования груза; - за
погрузочно-разгрузочные и складские операции на местах общего пользования; -
за хранение груза на местах общего пользования; - за транспортировку груза.
|
Т
Тк Тс. п Тгр Тхр Ттр
|
|
Удельные
дисконтированные затраты на доставку груза
|
Зд
|
Расчет удельных эксплуатационных и
капитальных затрат на доставку груза
груз затрата склад тара
Удельные эксплуатационные и капитальные затраты
на подготовку груза к доставке или реализации
Подготовка груза к доставке включает комплекс
технологических операций по приведению груза в транспортабельное состояние. Это
комплектация груза, сортировка, отбраковка, обработка консервирующими
веществами, упаковка, затаривание и пакетирование. Эти операции могут иметь
место, как у грузополучателя, так и пункте концентрации погрузки.
Подготовка груза к реализации заключается в его
разукрупнении (расформирование пакетов, расфасовка), сортировке, удалении
испорченной продукции и др. эти операции могут иметь место, как у
грузополучателя, так и в пункте распределения груза.
В расходы на выполнение таких операций включают
стоимость консервирующих и упаковочных материалов, а также материалов,
используемых при затаривании и пакетировании груза. Затраты на транспортную
тару, средств пакетирования и контейнеры учитываются отдельно.
Себестоимость выполнения
технологических операций по подготовке груза к доставке или реализации на
соответствующем этапе доставки следует определять по выражению:
где
часовая тарифная ставка рабочего,
занятого на j-й технологической операции, тг/ч:
где Омес - средний месячный оклад
работника рассматриваемой категории;
Дмес - количество рабочих дней в
месяце, принимаемое 24 суток при шестидневной рабочей неделе;
Тсм - продолжительность рабочей
смены за вычетом обеденного перерыва, принимаемая 6 ч. при шестидневной рабочей
неделе.
часовая тарифная ставка оператора
при механизированной j-й операции, тг/ч:
тг/ч
количество рабочих, занятых на j-й
технологической операции,
чел
количество операторов на
механизированной j-й операции,
чел
коэффициент начислений на зарплату
обслуживающего персонала, занятого на j-й технологической операции:
где 0,25 - начисление на тарифную
ставку в фонд материального поощрения; 0,10 - то же, за работу в выходные и
праздничные дни;
,10 - то же, за оплату отпусков;
,30 - накладные расходы на прямую
заработную плату;
,39 - отчисления в государственные
внебюджетные социальные фонды от общего фонда заработной платы, которые
включают отчисления на обязательное медицинское страхование 3,6%, на социальное
страхование 5,4%, в пенсионный фонд 28,0%, в фонд занятости 2,0%.
себестоимость эксплуатации машин
j-го типа, применяемой на механизированной технологической операции, тг/ч. Расходную
ставку (себестоимость) одного часа работы различных погрузочно-разгрузочных,
затаривающих, пакетоформирующих и других машин и механизмов ем (ГОЛ), а также
вспомогательного оборудования ево определяют путем калькуляции расходов на их
амортизацию и ремонт, силовую электроэнергию или топливо, смазку, освещение
рабочей зоны:
где
отчисления на амортизацию и ремонт
машин, тг/ч:
где Цм - цена машины или механизма,
тг/ед.;
Погрузчик аккумуляторный с вилочным
захватом, грузоподъемностью 2т - 300000 тг;
Ам - норма годовых отчислений на
амортизацию, капитальный и текущий ремонт машины или механизма, %:
где
норма отчислений на амортизацию
полное восстановление машин или механизмов, %. Эта норма является величиной,
обратной сроку их службы равной 8,3 %;
то же, на капитальный ремонт равно
4,8%;
то же, на текущий ремонт равно 1,7%;
фактическая продолжительность работы
машин или механизмов за год, ч, определяемая делением годового объема
грузопереработки данной машиной на ее часовую производительность:
=2000 ч
где
годовой объем грузопереработки,
приходящийся на одну технологическую операцию, т/год;
фактическая часовая
производительность одной технологической операции, т/ч.
нормативное число часов работы машин
или механизмов за год, принимаемое в расчетах: 3000ч - на объектах ж/д
транспорта, 2000ч - на объектах автомобильного и других видов транспорта, а
также промышленных предприятий.
Железнодорожный транспорт:
Автотранспорт:
Общая норма отчислений на
амортизацию и ремонт сооружений, связанных с эксплуатацией
погрузочно-разгрузочных машин и механизмов -Асо, производственных и складских
помещений - Ап и Ас, складского оборудования -Асо не зависят от фактического
числа часов их работы за год.
Для железнодорожного транспорта нам
понадобится рельсовый путь широкой колеи, где
,
Для автотранспорта автодорога и площадка
асфальтированная, где
,
где АСО - норма годовых отчислений
на амортизацию, капитальный и текущий ремонт сооружения, %;
ез - государственная ставка налога
на землю, 150тг/м;
ЦСО - смена сооружения, связанного с
работой машины или механизма, например, подкранового пути, галереи, эстакады,
тг/ед;
Рельсовый путь широкой колеи -
стоимостью 3000 тыс. тг;
Автодорога и площадка асфальтированная
- стоимостью 1000 тыс. тг;- площадь территории, используемая под сооружение -
400м2;
Железнодорожный транспорт:
Автотранспорт:
удельные затраты на потребление
топлива или силовой электроэнергии, включая освещение рабочей зоны и смазочные
материалы:
,
где 1,1 - коэффициент, учитывающий
расходы на смазку узлов машин (механизма);
ЦТ(Э) - цена топлива тг/т (силовой
электроэнергии) тг/(кВт-ч);Т(Э) - удельный расход топлива машиной, т/ч
(суммарная мощность электродвигателей и приборов местного освещения машин,
кВт).
Железнодорожный транспорт:
Автотранспорт:
Железнодорожный транспорт:
Автотранспорт:
количество машин, механизмов или
вспомогательного оборудования, используемых на j-й технологической операции,
для автотранспорта 100 машин, для ж/д транспорта - 200 вагонов;
расходная ставка на эксплуатацию
производственного помещения, в котором выполняют j-ю технологическую операцию,
тг/ч:
где Fn - площадь производственного помещения,
занимаемая для выполнения одной технологической операции - 150 м2;
Цп - цена единицы площади производственного
помещения.ю в которой выполняют технологические операции - 20000 тг/м;
Ап - норма отчислений на амортизацию и ремонт
производственного помещения, %;
Здание складское бетонное:
норма расхода мощности освещения
производственного помещения, составляющая 8 кВт/м;
нормативная продолжительность
освещения производственных помещений в течение года, ч/год.
Так как у нас склад закрытого
хранения с окнами, его освещение зимой составляет 3200 ч/год, а летом 1000
ч/год, а всего за год 5200 ч/год;
ез - государственная ставка налога
на землю, 150 тг/м;
фактическая продолжительность
занятости производственного помещения подданной технологической операцией -
2000 ч/год;
Цосв - цена освещения - 15 тг.
производительность j-той
технологической операции - 30т/ч;
Железнодорожный транспорт:
Автомобильный транспорт
Величину удельных капитальных
вложений в средства подготовки груза к доставке или реализации определяют на
соответствующем этапе:
,
где
- цена одной машины, занятой на j-й
технологической операции - 600000 тг;
цена единицы производственного
помещения используемого на j-й технологической операции, тг/м2;
Склад железобетонный одноэтажный для
тарно-штучных грузов - 5000 тг/м2;
площадь помещения занимаемого под
j-ю технологическую операцию - 400 м2;
фактическое число часов работы машин
на j-й технологической операции - 2000 ч/год.
число машин - 70;
Удельные эксплуатационные и
капитальные затраты на содержание и приобретение транспортной тары
Удельные эксплуатационные расходы на
содержание транспортной тары определяют в зависимости от ее вида, степени
оборачиваемости и учитывают на тех этапах доставки, на которых производят
затаривание и перетаривание груза:
где, Цт - цена единицы транспортной
тары, тг;
ж/д транспорт - крытый вагон
(62-70т) - 5000 тыс. тг;
автотранспорт - автомуковоз (7-12т)
- 3500 тыс. тг;
норма отчислений на амортизацию
тары, %;
норма отчислений на текущий ремонт и
санитарную обработку тары от ее стоимости, приходящейся на один оборот - 3%;
РТ - масса груза в единице тары, т
нетто;
РТ=130 т нетто (для ж/д транспорта);
РТ=12 т нетто (для
автотранспорта);об - оборачиваемость тары раз в год;
где, ТГ - продолжительность поставок
продукции в течение года - 280 суток;
доля тары, контейнеров или средств
пакетирования, находящихся в ремонте 20%=0,2;
Тоб - продолжительность оборота
тары, контейнеров или средств пакетирования;
где
- продолжительность нахождения
тары, контейнеров или средств пакетирования в груженом и порожнем состояниях на
грузовых пунктах i-х этапов доставки (ГО, ПКП, ПОМТ, ППМТ, ПНМТ, ПРГ, ГП) - 0,3
суток;
расстояние перевозки груза между
грузовыми пунктами и магист-ральными видами транспорта на соответствующих
j-этапах доставки (вывоз груза: ВА, ВЖ), км:
ВА=18км
ВЖ=15км
средняя техническая скорость
транспортных средств при вывозе груза на j-х этапах доставки груза (ВА, ВЖ),
км/ч:
ВА=60км/ч
ВЖ=65км/ч
продолжительность простоя
транспортных средств при вывозе груза j-этапах доставки груза (ВА, ВЖ), ч:
ВА=3ч
ВЖ=5ч
расстояние перевозки груза
магистральными видами транспорта на соответствующих этапах доставки груза (А.
Ж.), км:
А=110км
Ж=150км
среднесуточный пробег магистральных
транспортных средств на k-х этапах доставки груза (А. Ж.), км/сут:
А=600км/сут
Ж=650км/сут
простой магистральных транспортных
средств под начально-конечными операциями в пунктах погрузки и выгрузки на
соответствующих этапах доставки груза (ПОМТ, ППМТ, ПНМТ), сут:
ВА=6ч
ВЖ=7ч
ж/д транспорт
автотранспорт
Теперь определяем оборачиваемость
тары: ж/д транспорт
автотранспорт
Удельные эксплуатационные затраты:
ж/д транспорт
автотранспорт
Удельные капиталовложения в парк
контейнеров учитывают только многократной их оборачиваемости и принадлежности
грузовладельцам:
ж/д транспорт
автотранспорт
Удельные эксплуатационные и
капитальные затраты на погрузочно-разгрузочные и складские работы
Погрузочно-разгрузочные и складские
работы включают комплекс технологических операций по загрузке и разгрузке
транспортных средств и складированию груза. Себестоимость этих операций
определяют на соответствующих этапах доставки (ГО, ПКП, ПОМТ, ПГТМП, ПНМТ, ПРГ,
ГП), предусмотренных транспортно-технологической схемой выполняемых силами и
средствами грузовладельцев. Помимо расходов на основное перегрузочное
оборудование, связанное с выполнением грузовых операций. К таковому относят
средства малой механизации (носилки, тележки, тали, такелажное оборудование),
весовое хозяйство, бункеры, траншеи, повышенные пути и другое оборудование,
кроме складского.
Себестоимость
погрузочно-разгрузочных и складских работ, выполняемых силами и средствами
грузовладельцев, на соответствующем этапе доставки определяют:

где
часовая тарифная ставка одного
рабочего, занятого на j-перегрузочной (грузовой) операции, имеющей место на
рассматриваемом этапе доставки груза, тг/т:
где, Омес - средний месячный оклад
работника рассматриваемой категории;
Дмес - количество рабочих дней в
месяце;
Тсм - продолжительность рабочей
смены за вычетом обеденного перерыва;
количество рабочих в составе
комплексной бригады на j-й грузовой операции - 30 чел;
часовая тарифная ставка механизатора
или оператора, занятого на j-й механизированной грузовой операции, имеющей
место на рассматриваемом этапе доставки груза, тг/ч:
количество механизаторов в составе
комплексной бригады на j-й грузовой операции - 5 чел;
коэффициент начислений на заработную
плату персонала, занятого на j-й грузовой операции - 2,62015%;
себестоимость эксплуатации одной
погрузочно-разгрузочной машины или механизма, занятой на j-й грузовой операции,
тг/ч:
где,
количество машин (механизмов),
занятых на j-й грузовой операции - 3 ед;
производительность j-й грузовой
операции - 18 т/ч;
расходная ставка эксплуатационных
затрат на содержание некоторого типа вспомогательного оборудования,
используемого на j-й грузовой операции, тг/ч;
Вспомогательное оборудование:
Разгрузчик Т-182 - 900 тыс. тг,
устройство маневровое для передвижения вагонов - 200 тыс. тг
где, ЦВ.О - стоимость
вспомогательного оборудования - 950 тыс. тг;
АВ.О - норма годовых отчислений на
амортизацию, капитальный и текущий ремонт вспомогательного оборудования -
15,3%;
фактическое число часов работ
вспомогательного оборудования за год - 2000 ч/год.
количество единиц некоторого
вспомогательного оборудования, применяемого на j-й грузовой операции, ед;
коэффициент переработки порожней
тары на j-й грузовой операции - 0,5;
то же, порожних средств
пакетирования - 0,4;
то же, порожних контейнеров - 0,1.
Железнодорожный транспорт
Автотранспорт
Удельные капитальные вложения в
средства механизации и вспомогательное оборудование определяют на тех же этапах
доставки, что и себестоимость:
где
цена одной погрузочно-разгрузочной
машины, занятой на j-й грузовой операции, имеющей место на рассматриваемом
этапе доставки груза - 200 тыс. тг;
количество машин - 3 ед;
цена сооружения, связанного с
работой машин на j-й грузовой операции - тг; гараж 4000*150=600 тыс. тг;
стоимость единицы некоторого типа
вспомогательного оборудования, используемого на j-й грузовой операции - 950
тыс. тг;
количество вспомогательного
оборудования;
фактическое число часов,
затрачиваемое на выполнение j-й грузовой операции - 2000 ч/год.
.Удельные эксплуатационные и
капитальные затраты на склады и складское оборудование
Удельные эксплуатационные расходы по
складам любых типов, включая открытые площадки и холодильники, а также по
складскому оборудованию, определяют в зависимости от степени их оборачиваемости
и использования складской площади. Их учитывают по всем грузовым пунктам,
пунктам отправления, перегрузки и назначения груза магистральными видами
транспорта (ГО, ПКП, ПОМТ, ПНМТ, ПРГ, ГП), если там, согласно рассматриваемой транспортно-технологической
схеме доставки, предусматривают хранение груза, а также при условии, что склады
не являются собственностью транспортных организаций.
Себестоимость содержания склада на
любом этапе доставки определяют:
где ес - расходная ставка
эксплуатационных затрат по окладу, тг/м2;
где Цс - стоимость единицы площади
склада - 5000тг/м2;
Ас - норма отчислений на амортизацию
и ремонт склада, %;

норма расхода мощности освещения
склада - 8 Вт/м2
нормативная продолжительность
освещения в течение года - 5200 ч/год;э - количество этажей, на которых
располагают складские помещения - 2;
коэффициент, учитывающий
дополнительную площадь на проход, проезд, спорные колонны - 0,2;
то же, для хранения порожней тары -
0,3;
то же, для хранения средств
пакетирования груза - 0,01;
то же, для хранения порожних
контейнеров - 0,3;
то же, для хранения средств
порожнего складского оборудования - 0,3;
норма хранения груза на складе - 8,3
т/м;
оборачиваемость склада в течение
года, об/год;
,
где
часть складских помещений, находящихся
в ремонте - 0,1 доли ед.;
средняя продолжительность нахождения
груза на складе - 18 сут.;
расходная ставка эксплуатации затрат
по некоторому типу складского
оборудования, используемого для
хранения груза на складе, тг/ед.;
где
-
стоимость единицы j-го типа складского оборудования, используемого для хранения
груза на складе, тг.;
Тележка ручная вилочная грузоподъемная - 35000
тг.
- отчисления на
амортизацию j -го типа складского оборудования от его стоимости, %.





- полезная загрузка одной единицы
некоторого типа складского оборудования, используемого для хранения груза на
складе - 5 т/ед.;
- количество оборотов некоторого
типа складского оборудования в течение года, об/год:
где
часть складского оборудования,
находящегося в ремонте - 0,2 доли ед.
Удельные капиталовложения в склады и
складское оборудование определяют на тех же этапах доставки груза, что и
себестоимость:
где Цс - цена единицы площади
склада, включая стоимость холодильного оборудования, тг/м2
.Удельные эксплуатационные и
капитальные затраты на вывоз груза по железнодорожному подъездному пути
Удельные эксплуатационные и
капитальные затраты на вывоз груза по железнодорожному подъездному пути
определяют в случаях, регламентированных, на соответствующих этапах доставки
(ВЖ), предусмотренных транспортно-технологической схемой:
(6.7.1)
где 2 - коэффициент, учитывающий и
подачу вагонов на подъездной путь, и уборку вагонов на станцию - 2*700;
РВ - масса груза в одном вагоне -
120 т;
ПВ - количество вагонов в подаче -
23;п(у) - расстояние подачи (уборки) вагонов - 0,5 км;
коэффициент порожнего пробега
маневрового локомотива - 0,6;п(у) - скорость движения вагонов при подаче
(уборке): локомотивом вперед - 25 км/ч;
продолжительность маневровой
обработки вагонов на грузовых фронтах и выставочных путях - 3,5 ч;
коэффициент, учитывающий расходы на
возврат порожней тары, доли ед.
где
коэффициент, учитывающий соотношение
занимаемого пространства грузом и возвратной тарой - 0,12;
коэффициент, учитывающий
соотношение затрат на перевозку груза и возвратных единиц в разных типах
транспортных средств - 1;
то же, при предъявлении груза и
возвратных единиц к перевозке разными видами отправок - 1;
то же, средств пакетирования - 1
доли ед;
то же, контейнеров - 0,9 доли ед.
Капиталовложения на вывоз груза по
ж/д подъездному пути определяют на соответствующих этапах доставки,
предусмотренных транспортно-технологической схемой:
где 1,2 - коэффициент, учитывающий стоимость
пути и путевого хозяйства клиента для производства грузовой и маневровой
работы;
ЦМ.Л - цена маневрового локомотива - 60 млн. тг;
КП - количество подач-уборок вагонов в сутки,
совершаемых одним маневровым локомотивом грузовладельца - 10.
Удельные эксплуатационные и
капитальные затраты на перевозку груза магистральным железнодорожным
транспортом
Себестоимость перевозки груза
магистральным ж/д транспортом определяют на соответствующих этапах доставки (Ж),
предусмотренных транспортно-технологической схемой.
где
себестоимость начально-конечной
операции с вагонами на станциях погрузки и выгрузки, определяемая методом
расходных ставок, тг:
где
грузовая отправка - повагонная;
отправленный вагон - крытый;
отправленный контейнер -
крупнотоннажный;
вагоно-час средний - крытый;
контейнеро-час средний -
крупнотоннажный;
вагоно-час охраны вагона на станциях
погрузки и выгрузки.
то же, движенческой операции с
вагонами, включая их переработку на технических станциях, тг/ткм;
Ж - расстояние перевозки груза
магистральным железнодорожным транспортом - 600 км.
Удельные капитальные вложения в
вагонный парк определяют на соответствующих этапах доставки (Ж),
предусмотренных транспортно-технологической схемой:
где ЦВ - цена крытого вагона - 3200
тыс. тг;
суммарная продолжительность простоя
вагона под начально-конечными операциями на станциях погрузки и выгрузки - 33
сут;В - среднесуточный пробег полувагона - 420 км/сут;
коэффициент порожнего пробега -
0,44;
РВ - полезная загрузка вагона 100
т/вагон.
Расчет удельных затрат, вызванных
потерями груза за время доставки
Удельные расходы, вызванные потерями
груза при подготовке к доставке
В процессе выполнения операций по
подготовке груза к доставке могут иметь место его потери, вследствие
механических повреждений, отбраковки и др. Эти затраты определяют на этапах
доставки ГО и ПКП:
где Цг - цена груза - 61000 тг/т;
величина отходов груза в результате
проведения j-й технологической операции при подготовке к доставке на
рассматриваемом этапе - 5%.
Удельные расходы, вызванные потерями
груза при выполнении погрузочно-разгрузочных и складских работ
При выполнении погрузочно-разгрузочных
и складских работ на отдельных этапах доставки груза (ГО, ПКП, ПОМТ, ППМТ,
ПНМТ, ПРГ, ГП) могут иметь место механические потери груза при передаче его со
склада в транспортное средство и обратно, удельные расходы, на которые определяют:
где
величина механических потерь груза в
% от его массы в результате выполнения j-й грузовой операции на рассматриваемом
этапе доставки - 7%.
Удельные расходы, вызванные потерями
груза при хранении на складах
При хранении груза на складах могут
иметь место потери груза за счет его естественной убыли и снижения качества.
Затраты, вызванные этими потерями определяют:
где
естественная убыль груза при
хранении на складе рассматриваемого этапа доставки в % от массы груза 2%;
количество бракованного груза за
время его хранения, определяемое по результатам экспертизы качества перед
выдачей со склада в % от массы груза 1%;
,5 - коэффициент уценки
нестандартной продукции;
Удельные расходы, вызванные потерями
груза при перевозке по железной дороге
Потери груза при железнодорожной
перевозке учитываются только по магистральному транспорту. Они возникают
вследствие естественной убыли груза и понижении его качества. Удельные затраты
на эти потери определяют:
где
естественная убыль груза за время
перевозки, определяемая в % от массы груза - 3%;
количество бракованной продукции,
выявленной при экспертизе его качества после выгрузки из вагона в % от массы
груза - 1%;
то же, количество нестандартной
продукции в % от массы груза - 1%.
Расчет удельных тарифных сборов и
платежей, связанных с доставкой груза
Удельные тарифные платы за
пользование вагонами, универсальными контейнерами и средствами пакетирования
груза, принадлежащими транспортным организациям
За пользование вагонами, контейнерами,
средствами пакетирования груза (плоскими поддонами, стропами и др.),
принадлежащими транспортным организациям, с клиента взимается плата. Величину
этой платы (сбора) следует относить на этап доставки, на котором используются
указанные средства, например на ГО. Данный вид тарифных затрат определяют:
тарифная или договорная плата за
пользование одним вагоном - 55000 тг/ед.
масса груза в вагоне - 120 т.
Удельные тарифные сборы за
погрузочно-разгрузочные и складские операции на местах общего пользования
При выполнении
погрузочно-разгрузочных и складских операций с грузами на местах общего и не
общего пользования, силами и средствами транспортных организаций, с клиента
взимается соответствующий тариф сбор:
где
коэффициент индексации тарифной
ставки за погрузочно-разгрузочные работы - 0,06;
тарифная или договорная ставка сбора
за j-ю погрузочно-разгрузочную или складскую тонно-операцию на местах общего
пользования - 1000 тг;
количество тонн-операций j-го типа -
6 тонн.
Удельные тарифные сборы за подачу и
уборку вагонов
При подаче вагонов на подъездной
путь средствами железной дороги с клиента взимается тарифный сбор, определяемый
на этапах доставки (ВЖ), предусмотренных транспортно-технологической схемой:
где
тарифный сбор за одну подачу вагонов
- 188600 тг;
то же, за одну уборку - 126000 тг;
коэффициент индексации тарифной
ставки за подачу и уборку вагонов - 0,9 ед.
Удельные тарифные сборы за хранение
груза на местах общего пользования
При хранении груза на складах,
принадлежащих транспортным организациям, с клиента взимается тарифный сбор:
где
тарифная или договорная ставка сбора
за хранение груза на складе - 5200 тг/т;
коэффициент индексации тарифной
ставки за хранение груза - 0,7 ед.
Удельные тарифные платы за перевозку
груза магистральным железнодорожным транспортом
Тарифную плату за перевозку груза магистральным
железнодорожным транспортом учитывают в соответствии с положениями и
определяют:
где
тарифная плата за перевозку груза по
железной дороге - 18500 тг/ваг.
Расчет удельной стоимости массы
груза за время доставки
Удельная стоимость массы груза при
хранении на складах
Удельную стоимость массы груза за
время его хранения на складе одного из этапов процесса доставки определяют:
Удельная стоимость массы груза за
время транспортировки по железной дороге
Удельную стоимость грузовой массы за
время транспортировки по железной дороге определяют:
Суммарные удельные дисконтированные
затраты
Оформление результатов расчета
экономических показателей по вариантам доставки груза
Результаты расчета экономических
показателей по составу затрат и этапам доставки груза заносят в макрологистическую
матрицу, составленную заранее для каждого варианта, а затем суммируют по
строкам и столбцам. Результаты суммирования показателей по вариантам доставки
оформляют в виде таблицы, удобной для их сравнения (табл. 7.1).
Таблица 7.1 - Сводные экономические
показатели
|
Наименование
показателя и единица измерения
|
Величина
показателя по вариантам доставки
|
|
Предлагаемому
|
|
Себестоимость
доставки, тг/т, в том числе: на подготовку груза к доставке и т. д.
|
1898026,14
|
|
Удельные
суммарные затраты, вызванные потерями груза за время доставки, тг/т, в том
числе: естественной убыли и т. д.
|
10980
|
|
Удельные
суммарные капитальные затраты, тг/т, в том числе: транспортную тару и т.д.
|
67061,23
|
|
Удельная
суммарная стоимость массы груза за время доставки, тг/т.
|
8762,2
|
|
Удельные
суммарные тарифы затрат, тг/т, в том числе: на перевозку магистральным
железнодорожным транспортом и т. д.
|
6155,42
|
|
Годовой
объем перевозки груза, тыс. т
|
107
|
Заключение
Логистика - это процесс планирования и
обеспечения эффективного и непрерывного поступления товаров, услуг и
сопутствующей информации оттуда, где они создаются, к потребителю, направленный
на всемерное удовлетворение потребительских запросов.
Применение логистики в сферах производства и
обращения позволяет:
снизить запасы на всем пути движения
материального потока;
сократить время прохождения товаров по
логистической цепи;
снизить транспортные расходы;
снизить расходы на хранение или упразднить их.
Основные назначения логистики в сфере
распределения и сбыта состоят и том, чтобы обеспечить планирование, подготовку,
реализацию готовой продукции, контроль за транспортированием сырья,
полуфабрикатов и готовой продукции наиболее экономичным способом на основе
получения достоверной и своевременной информации, в соответствии с требованиями
заказчика и прежде всего доставки "точно в срок".
В данной работе рассчитали экономические
показатели, включаемые в состав удельных суммарных дисконтированных затрат и
определяемые видом и составом технологических операций, совершаемых с грузом в
процессе доставки. В перечень данных показателей входят такие, например, как:
удельные эксплуатационные и капитальные затраты на доставку груза; удельные
затраты, вызванные потерями груза за время доставки; удельные тарифные сборы и
платежи, связанные с доставкой груза; удельная стоимость массы груза за время
доставки.
Все эти показатели является основополагающими в
транспортной логистике и оказывают влияние на взаимодействие цепочки
«производитель-груз-потребитель»
Список использованной литературы
1. Методические
указания по определению экономической эффективности мероприятий
научно-технического прогресса на железнодорожном транспорте. - М.: Транспорт,
1991.
. Методические
рекомендации по комплексной оценке эффективности мероприятий, направленных на
ускорение научно-технического прогресса.-М. АН СССР, ГКНТ СССР, 1988.
. Методика
выбора способа перевозки грузов с применением контейнеров. - М.:ИКТП, 1974.
. Определение
сфер рационального применения различных способов доставки грузов: Метод,
рекоменд. /Сост. Е.Н. Гохбом, В.В. Ефимов. - Л.: ЛИИЖТ, 1983.
. Экономика
предприятия /В.М. Семенов, И.Д- Баев , С.А. Терехова и др. /Под ред. Акад.В.М.
Семенова. - М.: АОЗТ"Центр экономики маркетинга", 1996.
. Ефанов
А.Н. и др. Методы определения экономической эффективности инвестиционных
проектов: Учебное пособие /А.Н. Ефанов, А.А. Зайцев, Т.П. Коваленок. - СПб.:
ПГУПС. 1996.
. Методические
рекомендации но оценке инвестиционных проектов на железнодорожном транспорте. -
М., 1988.
. Единые
нормы выработки и времени на вагонные, автотранспортные и складские
погрузочно-разгрузочные работы. - М.: Транспорт, 1985.
. Проектирование
механизированных погрузочно-разгрузочных устройств и складов: Метод, указ. Для
дипломного и курсового проектирования /Сост. Е.Н. Гохбом, В.А.Болотин. - Л.
ЛИИЖТ, 1989.
. Теплотехнический
расчет изотермического вагона за время груженого рейса. Метод, указ. Для
курсового и дипломного проектирования /Сост. В.В. Ефимов. - СПб.: ГГГУПС- 1995.
. Правила
перевозок грузов. - М.: Транспорт, 1985. Тарифноеруководство№ 1-М.: Транспорт,
1985.
. Тарифы
на грузовые автомобильные перевозки. Прейскурант 13-01.-М.: Транспорт, 1985.
. Логистика
автомобильного транспорта. Методические указания к практическим работам по
дисциплине «Транспортная логистика» для специальности 050901 - «Организация
перевозок, движения и эксплуатация транспорта»/ Сост. В.В. Сапожникова, О.Н.
Костюченкова, Астана, 2008.