Цифровой омметр

  • Вид работы:
    Курсовая работа (т)
  • Предмет:
    Другое
  • Язык:
    Русский
    ,
    Формат файла:
    MS Word
    426,07 Кб
  • Опубликовано:
    2013-12-10
Вы можете узнать стоимость помощи в написании студенческой работы.
Помощь в написании работы, которую точно примут!

Цифровой омметр














ПОЯСНИТЕЛЬНАЯ ЗАПИСКА

Цифровой омметр

Задание

Во время выполнения комплексного курсового проекта выполняются такие задания:

1. Разработать структурную схему цифрового омметра:

диапазон: 0,01 … 100 Ом;

максимальная погрешность: ± 0,5%;

. Обосновать требования к блокам прибора.

. Разработать принципиальную схему блока первичного преобразования.

Введение

Среди электронных приборов для измерения электрических величин цифровые приборы занимают важное место в силу ряда причин, одной из таких является неограниченная точность. В отличии от аналоговых приборов, измеряемая величина в цифровых приборах преобразуется в цифровой эквивалент, который в дальнейшем подвергается измерительным преобразованиям в дискретной форме, а результат измерения представляется числом, отражающим с заданной погрешностью дискретности значение измеряемой величины. Основными погрешностями цифровых приборов являются случайные погрешности и погрешности дискретизации.

Цифровыми измерительными устройствами (ЦИУ) принято называть только такие измерительные приборы и преобразователи, в которых по принципу действия осуществляется квантование измеряемой величины по уровню. Иными словами - те измерительные приборы и преобразователи, у которых бесконечному множеству возможных значений измеряемой величины ставится в соответствие конечное и счетное множество возможных показаний или выходных кодов.

Наибольшее распространение получили ЦИУ для измерения электрических величин (переменного и постоянного напряжений, переменного и постоянного токов, сопротивления и т.п.) и ЦИУ для измерения временных параметров сигналов (частоты, периода, длительности импульсов и т.п.). Подавляющее большинство ЦИУ предназначено для линейного преобразования измеряемых величин, т.е. показания ЦИУ или выходные коды аналого-цифровых измерительных преобразователей (АЦП) пропорциональны числовому значению измеряемой величины или ее отклонению от заданного номинального значения. Поэтому номинальная функция преобразования АЦП и номинальная зависимость показаний цифровых измерительных приборов (ЦИП) от значения измеряемой величины являются линейными функциями.

ЦИУ могут быть однопредельными (для измерения одной физической величины в некотором определенном диапазоне ее значений), многопредельными (для измерения одной физической величины в различных диапазонах ее значений) и комбинированными (для измерения различных физических величин). Комбинированные приборы, как аналоговые, так и цифровые иногда называют универсальными.


1. Общие сведения об электрическом сопротивлении

Электрическое сопротивление - скалярная физическая величина, характеризующая свойства проводника и равная отношению напряжения на концах проводника к силе электрического тока, протекающего по нему. Размерность электрического сопротивления dirR = L2MT−3I−2. Сопротивление для цепей переменного тока и для переменных электромагнитных полей описывается понятиями Импеданс и Волновое сопротивление. Сопротивлением (резистором) также называют радиодеталь, оказывающую электрическое сопротивление току.

В международной системе единиц (СИ) единицей сопротивления является Ом (Щ, Ом). В системе СГС единица сопротивления не имеет специального названия. Сопротивление (часто обозначается буквой R или r) считается, в определённых пределах, постоянной величиной для данного проводника; её можно рассчитать как

электрический сопротивление погрешность омметр

где- сопротивление;- разность электрических потенциалов на концах проводника, измеряется в вольтах;- ток, протекающий между концами проводника под действием разности потенциалов, измеряется в амперах.

Обратной величиной по отношению к сопротивлению является электропроводность, единицей измерения которой в системе СИ служит сименс (1 См = 1 Ом−1).

Высокая электропроводность металлов связана с тем, что в них имеется большое количество носителей тока - электронов проводимости, образующихся из валентных электронов атомов металла, которые не принадлежат определённому атому. Электрический ток в металле возникает под действием внешнего электрического поля, которое вызывает упорядоченное движение электронов. Движущиеся под действием поля электроны рассеиваются на неоднородностях ионной решётки (на примесях, дефектах решётки, а также нарушениях периодической структуры, связанной с тепловыми колебаниями ионов). При этом электроны теряют импульс, а энергия их движения преобразуются во внутреннюю энергию кристаллической решётки, что и приводит к нагреванию проводника при прохождении по нему электрического тока.

В других средах (полупроводниках, диэлектриках, электролитах, неполярных жидкостях, газах и т.д.) в зависимости от природы носителей заряда физическая причина сопротивления может быть иной. Линейная зависимость, выраженная законом Ома, соблюдается не во всех случаях.

Сопротивление проводника при прочих равных условиях зависит от его геометрии и от удельного электрического сопротивления материала, из которого он состоит.

Сопротивление однородного проводника постоянного сечения зависит от свойств вещества проводника, его длины, сечения и вычисляется по формуле:


где

с - удельное сопротивление вещества проводника;- длина проводника;- площадь сечения.

Сопротивление однородного проводника также зависит от температуры.

Сопротивление металлов снижается при понижении температуры; при температурах порядка нескольких кельвинов сопротивление большинства металлов и сплавов стремится или становится равным нулю (эффект сверхпроводимости). Напротив, сопротивление полупроводников и изоляторов при снижении температуры растёт. Сопротивление также меняется по мере увеличения тока / напряжения, протекающего через проводник / полупроводник.

Омметр - измерительный прибор непосредственного отсчёта для определения электрических активных (омических) сопротивлений. Обычно измерение производится по постоянному току, однако, в некоторых электронных омметрах возможно использование переменного тока. Разновидности омметров: мегаомметры, гигаомметры, тераомметры, миллиомметры, микроомметры, различающиеся диапазонами измеряемых сопротивлений.

2. Выбор метода измерения и составление структурной схемы

Основными методами измерения сопротивления постоянному току являются: косвенный метод; метод непосредственной оценки и мостовой метод. Выбор метода измерений зависит от ожидаемого значения измеряемого сопротивления и требуемой точности.

Применяют две схемы измерения - схема одинарного моста и двойного моста. Соответствующие схемы измерения представлены на рис. 2.1.

Рисунок 2.1 - Схемы измерительных мостов.

а - одинарного моста; б - двойного моста.

В одинарных мостах результат измерения учитывает сопротивление соединительных проводов между мостом и измеряемым сопротивлением. Поэтому сопротивления меньше 1 Ом такими мостами измерить нельзя из-за существенной погрешности. Исключение составляет мост P333, с помощью которого можно производить измерение больших сопротивлений по двухзажимной схеме и малых сопротивлений (до 5 10 Ом) по четырехзажимной схеме. В последней почти исключается влияние сопротивления соединительных проводов, т.к. два из них входят в цепь гальванометра, а два других - в цепь сопротивления плеч моста, имеющих сравнительно большие сопротивления.

Плечи одинарных мостов выполняют из магазинов сопротивлений, а в ряде случаев (например, мост ММВ) плечи R2, R3 могут быть выполнены из калиброванной проволоки (реохорда), по которой перемещается движок, соединенный с гальванометром. Условие равновесия моста определяется выражением Rх = R3•(R1/R2). С помощью R1 устанавливают отношение R1/R2, обычно кратное 10, а с помощью R3 уравновешивают мост. В мостах с реохордом уравновешивания достигается плавным изменением отношения R3/R2 при фиксированных значениях R1. В двойных мостах сопротивления соединительных проводов при измерениях не учитываются, что представляет возможность измерять сопротивления до 10-6 Ом. На практике применяют одинарно-двойные мосты типа P329, P3009, МОД-61 и др. с диапазоном измерений от 10-8 Ом до 104 МОм с погрешностью измерения 0,01 - 2%.

В этих мостах равновесие достигается изменением сопротивлений R1, R2, R3 и R4. При этом достигается равенства R1 = R3 и R2 = R4. Условие равновесия моста определяется выражением Rх= RN•(R1/R2). Здесь сопротивление RN - образцовое сопротивление, составная часть моста. К измеряемому сопротивлению Rх подсоединяют четыре провода: провод 2 - продолжение цепи питания моста, его сопротивление не отражается на точности измерений; провода 3 и 4 включены последовательно с сопротивлениями R1 и R2 величиной больше 10 Ом, так что их влияние ограничено; провод 1 является составной частью моста и его следует выбирать как можно короче и толще. При измерениях сопротивления в цепях, обладающих большой индуктивностью, во избежание ошибок и для предотвращения повреждений гальванометра необходимо производить измерения при установившемся токе, а отключение - до разрыва цепи тока.

3. Анализ погрешностей и распределение их по блокам

Для того, чтобы произвести анализ погрешностей и распределить их по блокам, необходимо определить погрешность дискретности:

.

Число уровней дискретности будет равно:

,                  (3.1)

где .

Таким образом, для определения  необходимо сначала оценить , для чего используется равенство:

,              (3.2)

где  - количество составляющих аддитивной погрешности;

 - приведенное значение составляющей аддитивной погрешности.

Выражение (4.1) можно преобразовать следующим образом:

.  (3.3)

Зная, что  и предположив, что , выражения (3.1) можно оценить количество уровней дискретности:

.

Полученное значение  является минимальным числом уровней дискретности. Для вычисления действительного значения числа уровней дискретности воспользуемся выражением:

,

где  - номинальное значение фазового сдвига ();

 - целое число.

Значит .

Определим погрешность дискретности:

.

Воспользовавшись выражением (4.3) уточним значение параметра :

.

Следовательно, .

Таким образом, зная сумму квадратов составляющих инструментальной аддитивной погрешности, можно распределить их по основным блокам, из которых состоит цифровой омметр.

Инструментальная погрешность косвенных измерений в данном случае определяется погрешностями примененных средств измерений - амперметра и вольтметра. При косвенных измерениях результат является функцией от результатов прямых измерений величин X1, X2, …, Xm. Для двух наиболее часто встречающихся функций Y1=X1X2 и Y1=X1/X2 относительная погрешность обычно вычисляется по формуле

 (3.4)

Применительно к методу амперметра-вольтметра выражение (3.4) примет вид:

 (3.5)

где  и  - относительные погрешности прямых измерений тока амперметром и напряжения вольтметром, определяемые исходя из класса точности амперметра KA или вольтметра KV, предела измерения амперметра и вольтметра и показаний амперметра IИЗМ и вольтметра UИЗМ.



4.       Требования к блокам прибора

Омметр включает в себя блок преобразования 1, блок индикации 10, блок управления 9, блок питания, микроЭВМ 4 и блок интерфейса 11.

 

Рисунок 4.1 - Структурная схема омметра типа Щ306-2

Блок преобразования содержит входной масштабный преобразователь 2, интегратор 8 и логику управления 3. Измеряемый резистор 7 подключается к входному масштабному преобразователю в цепь обратной связи операционного усилителя. Через измеряемый резистор в зависимости от такта измерения пропускается ток, соответствующий диапазону измерения, включая дополнительный ток, вызванный смещением нулей операционных усилителей, или же только дополнительный ток. Получаемые при этом на выходе масштабного преобразователя напряжения поступают на вход интегратора, выполненного по принципу многотактного интегрирования с изменением величины разрядного тока. Логика управления обеспечивает управление алгоритмом работы масштабного преобразователя и интегратора, а также связь с микроЭВМ. В блоке управления происходит заполнение интервалов времени тактовыми импульсами, поступающими затем на входы четырех счетчиков старших и младших разрядов. Информация, полученная на выходах счетчиков, считывается в оперативном запоминающем устройстве (ОЗУ) микроЭВМ. Съем информации со счетчиков блока управления о результате измерения и режиме работы омметра, обработка и приведение данных к виду, необходимому для индикации, математическая обработка результата, вывод данных во вспомогательное ОЗУ блока управления, управление работой омметра и другие функции возложены на микропроцессор 5, расположенный в блоке микроЭВМ. В этом же блоке находятся стабилизаторы 6 для питания устройств омметра.

Омметр разработан на микросхемах повышенной интеграции. В качестве элементной базы омметра используются микросхемы серий КР140, КР544, К555, К561, К580, К590идр.

Рисунок 4.2 - Принципиальная схема омметра

В приборе в качестве Rl, R2, R9 - R 12, R21 - R24 следует использовать точные резисторы с допуском 0,1…0,2%, например С2-29В. Резистор Rl составлен из точного 10 кОм и подключенного параллельно ему резистора типа МЛТ - 0,125 сопротивлением 820 кОм ±10%. Резисторы R9 - R 12 полезно уменьшить на 0,1…0,2% относительно «круглых» величин, указанных на схеме, для этого параллельно R9 и R 10 подключить резисторы 75 и 750 кОм соответственно, а резисторы R11 и R12 составить каждый из двух одинаковых с номиналами 4,99 и 49,9 кОм соответственно. Необходимая поправка на диапазонах 2 МОм - 2 ГОм учтена при выборе номинала резистора Rl. К точности остальных резисторов высоких требований не предъявляется, они могут быть использованы с допуском 10%.

Конденсаторы С6 и С9 должны быть с высококачественным диэлектриком (лучше пленочные групп К72 или К73). Автором использованы конденсаторы К73-16 и К73-17. Конденсаторы С1 и С4 - К53-18 или любого другого типа, остальные конденсаторы КМ-5 и КМ-6.

Переключатель SA1 типа ПГ2-7-12ПЗН установлен на плату на кронштейне, изготовленном из латуни толщиной 1 мм, со стороны, противоположной стороне установки микросхем. Резисторы Rl - R3, RIO - R24 установлены частично на плате, частично на выводах переключателя.

Арматуру переключателя, а также его неиспользуемые контакты следует соединить с общим проводом (цепь -3 В). При монтаже цепей переключателя в качестве SA1.1 лучше использовать максимально удаленную от ручки секцию, в качестве SA1.2 - среднюю, в качестве SA1.3 - ближнюю к ручке.

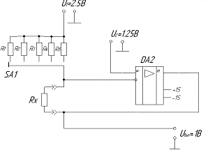
5.      Разработка принципиальной схемы блока первичного преобразования

Блок преобразования содержит входной масштабный преобразователь, интегратор и логику управления. Измеряемый резистор подключается к входному масштабному преобразователю в цепь обратной связи операционного усилителя.

Рисунок 5.1 - Дифференциальный усилитель

Через измеряемый резистор в зависимости от такта измерения пропускается ток, соответствующий диапазону измерения, включая дополнительный ток, вызванный смещением нулей операционных усилителей, или же только дополнительный ток. Получаемые при этом на выходе масштабного преобразователя напряжения поступают на вход интегратора, выполненного по принципу многотактного интегрирования с изменением величины разрядного тока. Логика управления обеспечивает управление алгоритмом работы масштабного преобразователя и интегратора, а также связь с микроЭВМ.

Рисунок 5.2 - Принципиальная схема

Заключение

В данном курсовом проекте рассмотрен один из вариантов построения цифрового омметра. Данный метод предусматривает использование измерительных мостов постоянного или переменного тока.

На постоянном токе техническая реализация мостового метода осуществляется в виде измерительных мостов постоянного тока, которые предназначены для измерений сопротивлений. К преимуществам мостового метода относятся высокая точность, широкий диапазон, незначительная зависимость погрешности измерения от нестабильности источника питания. К недостаткам мостовых методов следует отнести влияние на результаты измерения индуктивных и емкостных связей отдельных элементов схемы моста.

Список использованной литературы

1. Кончаловский В.Ю. Цифровые измерительные устройства. - М.: Энергоатомиздат, 1985. - 304 с.

. Кукуш В.Д. Электрорадиоизмерения: Учеб. Пособие. - М.: Радио и связь, 1985. - 304 с.

3. Цифровые измерительные приборы Под ред. В.М. Шлянднна - М.: Энергия, 1972. -400 с. 9.

4. Калабеков Б.А. Цифровые устройства и микропроцессорные системы - М: Горячая линия - Телеком, 2000. -336 с.

Похожие работы на - Цифровой омметр

 

Не нашли материал для своей работы?
Поможем написать уникальную работу
Без плагиата!
Без нейросетей!