Технология производства картонного полотна
Введение
Предприятия ЦБП - одни из самых
крупных природопользователей потребителей воздуха и водных ресурсов среди всех
отраслей российской промышленности. Продукция бумажной промышленности является
материальной базой культурного развития страны и с каждым годом находит все
более широкое применение в ряде отраслей народного хозяйства.
Бумага служит основным материалом
для издания книг, журналов, газет и плакатов. Технические виды бумаги и картона
широко применяются в электротехнической промышленности для конденсаторов,
изоляции силовых кабелей, прокладок, изоляции в электромашинах и т.п., в
радиотехнике для производства приемников и прочей аппаратуры.
Большое количество бумажной
продукции в качестве тары потребляет химическая и цементная промышленность. Использование
бумажных мешков дает большую экономию в народном хозяйстве, т.к. перевозка
минеральных удобрений и цемента в затаренном виде сокращает потери минимум на
10%. Кроме того, в химической промышленности широкое применение находят
мешочная и картонная тара для упаковки и транспортирования различных химикатов.
Картон и бумага с большим
экономическим эффектом заменяют древесину при изготовлении ящичной тары, стекло
при производстве молочных бутылок. Использование картонной тары дает большую
экономию древесного сырья. Например, каждая тонна тарного картона позволяет
сэкономить 14 м3 деловой древесины. При производстве картонной тары
степень механизации всех процессов составляет 90-95%, в то время как при
изготовлении деревянной тары она равна только 40-60%. Кроме того, картонные
ящики почти в 5 раз дешевле деревянных. В настоящее время без бумаги и картона
немыслимы механизированная расфасовка пищевых продуктов и автоматизация
торговли.
В России в 1917 году было 44
небольшие бумажные и картонные фабрики и 7 маломощных целлюлозных заводов.
Развитие ЦБП было приостановлено второй мировой войной, во время которой было
уничтожено 77 предприятий общей производительностью 300 000 т бумаги в год.
После войны промышленность была восстановлена в короткий срок. Были построены
новые предприятия: Красноярский, Котласский, Жидачевский, Комсомольский.
Астраханский, Майкопский, Пермский комбинаты; Братский, Сыктывкарский
лесопромышленные комплексы и многие другие заводы.
С каждым годом увеличивается
потребление продукции целлюлозно-бумажной промышленности.
Таблица 1 - Данные производства
продукции ЦБП в России за январь - март, тыс. т.
|
Вид продукции
|
1988 (89)
|
1995
|
2002
|
2003
|
2004
|
2005
|
2006
|
|
1) целлюлоза по варке
|
2077,8
|
992,2
|
1275
|
1374
|
1385,6
|
1509
|
1524
|
|
2) целлюлоза товарная
|
768,9
|
414,2
|
512,1
|
564,2
|
67,8
|
606,4
|
621
|
|
3) бумага и картон
|
2159,9
|
1017,6
|
1356
|
1419
|
1453,1
|
1629
|
1658
|
|
4) бумага всех видов,
|
166,2
|
693,2
|
842,9
|
866,2
|
868,98
|
972,7
|
986
|
|
В том числе:
|
|
|
газетная
|
423,3
|
18,03
|
453,1
|
439,1
|
446,81
|
487,5
|
495
|
|
офсетная
|
99,0
|
86,3
|
100,6
|
115,1
|
104,81
|
120,2
|
114
|
|
Картон всех видов
|
791,70
|
324,4
|
513,3
|
553,2
|
656,3
|
672
|
|
картон тарный
|
439,80
|
229,8
|
372,6
|
413,4
|
444,4
|
486,7
|
503
|
1. Технико-экономическое обоснование
.1 Сеточная часть
Основная и наиболее сложная часть
КДМ является сеточная часть, т.к. на ней происходит формование бумажного
полотна, которое, главным образом, определяет важнейшие свойства бумаги. На
изготовление сеточной части машины расходуется значительное количество цветных
металлов и антикоррозионных материалов, что значительно увеличивает ее
стоимость. Эксплуатационные расходы на сеточной части (стоимость сеток и
ремонтных работ) также значительны. Мощность, потребляемая сеточной частью
вместе с вакуумными насосами для отсасывающих ящиков и валов, значительна и достигает
35-70% всей мощности, потребляемой КДМ.
Процесс формования на сетке КДМ
должен обеспечить получение качественного картонного полотна. Непосредственное
влияние на процесс формования оказывает одновременно происходящий процесс
обезвоживания, основой которого является фильтрация воды сквозь сетку и слой
осевших на ней волокон.
В начале сеточной части установлен
напорный ящик, из которого бумажная масса непрерывным потоком вытекает на
верхнюю ветвь сетки, где происходит формование и отлив бумажного полотна.
Значительная часть воды из бумажной массы (оборотная вода) происходит сквозь
сетку, в дальнейшем повторно используется для разбавления массы. Сетка
охватывает грудной вал, проходит по регистровым валикам над отсасывающими
ящиками, огибает нижний вал гауча и ведущий вал, затем возвращается к грудному
валу. Нижняя (обратная) ветвь сетки поддерживается сетковедущими валиками.
Среди них имеются натяжные и правильные валики для натяжения и правки сетки. На
широких и быстроходных машинах для уменьшения износа сетки сетковедущие валики,
снабженные шаберами, приводятся во вращение от вспомогательных двигателей.
При заправке картона с
сеточной части на прессовую часть все полотно бумаги, а при работе машины узкие
полосы бумаги (отсечки), шириной до 25-50 мм, отсекаемые водяными спрысками для
получения ровных кромок бумажного полотна, остаются на сетке и снимаются с
нижней ветви сетки первым сетковедущим валиком. Приставшая к сетковедущему
валику бумажная масса счищается с него шабером и поступает в бассейн под гаучем,
откуда перекачивается насосом для повторной подачи на машину. Шаберы
устанавливаются также и на некоторых других сетковедущих валиках. Давление
шабера (0,2-0,25 кгс/см) обычно создается его собственным весом. Центр тяжести
шабера смещен по отношению к оси его поворота. Для уменьшения износа
поверхности вала, на которую шабер опирается, он совершает возвратно
поступательное движение вдоль оси вала. Для очистки от волокон нижняя ветвь
сетки по всей ширине промывается несколькими спрысками. Для уменьшения потерь
волокна и сокращения расхода свежей воды на современных машинах максимально
используют оборотную воду. Вместо обычных спрысков, работающих на свежей воде,
применяют спрыски, работающие на осветленной воде, поступающей из
массоулавливающей аппаратуры, или на воде из отсасывающих ящиков. Для
равномерной промывки сетки, по всей ширине вибрирующие спрыски совершают
возвратно - поступательное движение. Для равномерного распределения волокон в
полотне бумаги бумажная масса перед подачей на сетку разбавляется большим
количеством воды. В зависимости от вида вырабатываемого продукта концентрация
подаваемой массы составляет 0,1-1,2%. Основное количество воды (от общего ее
количества в массе 90-96%) удаляется на сеточной части КДМ. Основными
факторами, определяющими скорость обезвоживания на сеточной части машины
являются: скоростной напор, возникающий в клиновом захвате между регистровыми
валиками и сеткой, зависящий от диаметра валика и скорости сетки; величина
вакуума и площадь отсоса на отсасывающих ящиках, и отсасывающем гауче;
концентрация композиции и степень помола поступающей массы, а также ее
температура; вес 1
бумаги; живое сечение и
размеры ячеек сетки.
Равномерное
распределение волокон в листе бумаги, механические свойства (прочность и
удлинение) и внешний вид бумаги зависят в основном от условий формования,
которое происходит на сравнительно коротком участке регистровой части. Процессы
дальнейшего обезвоживания бумажного полотна на сеточной части, прессование и
сушка также влияют на свойства картона, но в меньшей степени.
Грудной вал,
устанавливаемый в начале сеточного стола -трубчатый. Наружный его диаметр 1300
мм, вал облицован твердой резиной.
Вслед за грудным валом
установлены регистровые валики, которые поддерживают рабочую часть сетки на
протяжении от отсасывающих ящиков до грудной доски. Диаметры валиков 403 мм,
толщина стенок 6 мм. Струя воды, удаляемая на регистровых валиках,
забрасывается вперед. Чтобы эта вода не попадала на следующий по ходу сетки
регистровый валик, применяют отражатели (дефлекторы), устанавливаемые между
регистровыми валиками. Отражатели одновременно выполняют роль регистровых
планок, способствуют обезвоживанию массы и уменьшения прогиба сетки между валиками.
После регистровых
валиков и после грудного вала, перед регистровыми валиками полотно картона
обезвоживается на отсасывающих ящиках под действием вакуума, который создается
насосом, непрерывно удаляющим из ящиков воду и воздух. Сухость после отсасывающих
ящиков составляет 5-15%.
На оборотной ветви
установлен механизм натяжения сетки, по мере ее удлинения должно поддерживаться
примерно постоянным.
В связи с возможной
непараллельностью валов сеточной части, а также вследствие разной величины
вакуума в отсасывающих (валиках) ящиках по ширине машины, неравномерного
удлинения сетки, разной концентрации массы по ширине машины, движущаяся сетка
несколько смещается перпендикулярно ходу, относительно оси машины то на лицевую
сторону, то на приводную стороны, что травмирует кромки сетки.
Для поддержания сетки в
среднем положении - симметрично относительно оси машины - устанавливается
механизм правки, для удобства замены изношенной сетки используется выдвижной
сеточный стол.
После отсасывающих
ящиков полотно картона обезвоживается до сухости 15-22% на гауче, который
состоит из нижнего отсасывающего вала и верхнего прижимного. К станинам
сеточной части относятся вертикальные стойки и продольные и поперечные балки,
на которые устанавливают узлы сеточной части.
.2 Гауч-вал
После отсасывающих
ящиков бумажное полотно обезвоживается до сухости 15-22% на гауче. На
бумагоделательных машинах старой конструкции устанавливали обычный гауч,
состоящий из двух валов, между которыми отжималось полотно бумаги. Во всех
вновь изготовляемых машинах для всех видов бумаги устанавливают отсасывающий
гауч. Такой гауч состоит из нижнего, отсасывающего вала и верхнего, легко
прижимного валика, уплотняющего бумажное полотно, что способствует повышению
вакуума на 0,05 кгс/
и сухости бумаги на
1-1,5%. Верхний валик послоем резины твердостью 200-225 единиц. Линейное
давление между валами составляет 1-3 кгс/см. на быстроходных машинах верхний
валик иногда имеет отдельный привод, согласованный с приводом нижнего вала.
Верхний валик смещают относительно нижнего вала по ходу бумаги и устанавливают
в конце отсасывающей камеры.
Применение отсасывающих
валов позволило увеличить скорость и ширину машины, а также значительно
улучшить условия ее эксплуатации. Предложенные еще в 1906-1908 гг., они нашли
широкое применение после 20-х годов. Отсасывающие валы устанавливают в сеточной
и прессовой частях машины при выработке всех видов бумаги. Применение
отсасывающих валов в сеточной части приводит к повышению сухости бумажного
полотна. При этом возрастает прочность влажного полотна и уменьшается число
обрывов бумаги; сухость по ширине полотна становиться более равномерной, что
также снижает число обрывов бумаги.
Уменьшение числа валов
на гауче при установки отсасывающих валов и отсутствие чулка на верхнем валу
упрощает обслуживание гауча. Сухость бумажного полотна, поступающего на
отсасывающий гауч может быть меньше чем при обычном гауче, так как наличие
отсасывающей камеры уменьшает возможность раздавливания полотна. Пониженная
сухость полотна до гауча позволяет уменьшить вакуум в отсасывающих ящиках, что
приводит к увеличению срока службы сеток. Конструкция отсасывающих по сравнению
с обычными более сложная. Расход мощности на бумагоделательной машине при этом
возрастает в связи с установкой мощных вакуумных насосов.
Различаются отсасывающие
валы ячейковые и камерные. Ячейковый вал (рисунок.1) представляет собой
чугунный пустотелый цилиндр. На его наружной поверхности в продольном
направлении расположены бронзовые колосники таврового сечения, образующие
отдельные ячейки. С торцов вала установлены две неподвижные отсасывающие
головки, соединенные с вакуумным насосом. При вращении вала, когда с остывающей
головкой соприкасается ячейка, в ней создается вакуум, равный 0,3-0,6 кгс/
. при выходе из зоны
отсасывающей головки в ячейке создается нормальное атмосферное давление.
Изготовление и запрессовка бронзовых колосников -сложная трудоемкая работа.
Изготовление упрощается при несколько иной конструкции ячейкового вала, когда
ячейки образуются ребрами чугунного цилиндра, на котором запрессован бронзовый
дырчатый цилиндр, подобный цилиндру камерного вала, но с меньшей толщиной стенки
(15-20 мм).
-цилиндр; 2-ячейки; 3-корпус вала
Рисунок 1 - Ячейковый отсасывающий
вал
Внутри ячейковых валов нет
отсасывающей камеры, поэтому они конструктивно проще камерных. Внутренняя
поверхность ячейковых валов не подвергается износу. Ввиду меньшей площади
уплотнений ячейковые валы потребляют меньшую мощность, чем камерные. В
ячейковых валах можно установить две- три отсасывающие головки и этим создать
соответствующее количество зон отсоса с разным вакуумом. Однако потребная
производительность вакуумных насосов значительно больше для ячейковых, чем для
камерных валов, в следствии необходимости отсасывания неэффективного воздуха,
не прошедшего через полотно бумаги. При уменьшении объема ячеек скорость
движения воздуха в них возрастает и увеличиваются потери на сопротивление. Для
широких быстроходных машин количество неэффективного воздуха значительно
увеличивает и без того большую мощность, потребляемую вакуумными насосами. В
связи с этим ячейковые валы применяются на тихоходных бумагоделательных
машинах, работающих со скоростью до 200 м/мин, а также на картоноделательных
машинах.
Отсасывающий камерный
вал состоит из вращающегося перфорированного цилиндра, внутри которого
находится неподвижная отсасывающая камера шириной от 180 до 230 мм. Под
действием вакуума в камере, равного 0,4-0,7 кгс/
, а так же давление
вышележащего вала удаленная из полотна бумаги вода частично попадает в
отсасывающую камеру а основная часть воды остается в отверстиях отсасывающего
вала, откуда после прохождения им камеры выбрасывается под действием воздуха,
входящего с большой скоростью в отверстия. При увеличении скорости машины доля
воды, попадающей в отсасывающую камеру уменьшается, так как возрастает действие
центробежной силы, препятствующей продвижению воды в камеру.
По конструкции камерные
валы бывают открытые,закрытые,консольные.
В отсасывающем вале
открытого типа имеется пустотелый цилиндр с открытыми торцами. Уплотнение
камеры прижимается к внутренней поверхности вала при помощи пружин,
установленных на концах камеры. Вода и воздух отводятся из камеры либо с
лицевой стороны, либо с лицевой и приводной стороны. Ввиду отсутствия цапф
устанавливают подшипники качения или скольжения непосредственно на цилиндр;
иногда цилиндр опирается на ролики. С приводной стороны на цилиндр насаживают
зубчатое колесо, сцепляющееся с шестерней, соединенной с приводом. К
недостатком валов открытого типа относятся большой габарит подшипников, что
затрудняет смену сетки. При этой операции необходимо пользоваться мостовым
краном и специальной балкой для подъема вала с лицевой стороны. Зубчатую
передачу трудно выполнить закрытой, в виде редуктора, что ухудшает условия ее
работы.
Указанные недостатки
устранены в современной конструкции валов закрытого (консольного) типа.
- цилиндр; 2 -
удлиненная приводная цапфа; 3 - болты для крепления цапф к цилиндру; 4 -
подшипник качения цилиндра с приводной стороны; 5 - лицевая крышка; 6 -
подшипник качения цилиндра с лицевой стороны; 7 - отсасывающая камера; 8 -
хвостовик отсасывающей камеры с приводной стороны; 9 - подшипник отсасывающей
камеры с приводной стороны; 10-хвостовик отсасывающей камеры с лицевой стороны;
11- лицевая станина отсасывающего вала; 12 - механизм для поворота камеры; 13 -
ролики для выкатывания камеры; 14 - шланг пневматического прижима уплотнений;
15 - труба для подачи воздуха в шланг; 16 - поперечные уплотнения камеры; 17 -
продольные уплотнения камеры; 18 - винт для перемещения поперечных уплотнений;
19 - труба для подачи воды в спрыск; 20 - спрыск; 21 - подставка, вынимаемая
при смене сетки.
Рисунок 1.2 -
отсасывающий вал консольного типа
Основными узлами
отсасывающего гауч-вала являются цилиндр, крышки, отсасывающая камера и
подшипники. К цилиндру с лицевой стороны болтами прикреплена пустотелая крышка
с цапфой, через которую проходит отводящий патрубок отсасывающей камеры. С
приводной стороны цилиндра прикреплена с удлиненной приводной цапфой,
соединительной муфтой с редуктором привода. Подшипники качения установлены на цапфах.
Отводящий патрубок отсасывающей камеры с лицевой стороны закреплен на станине.
Хвостовик камеры с приводной стороны опирается на подшипник качения, корпус
которого расположен внутри приводной цапфы. Для надевания сетки вал с лицевой
стороны необходимо приподнять, чтобы вытащить подставку на лицевой станине. Для
подъема вала имеется нажимной механизм (винтовой или гидравлический),
расположенный на конце приводной цапфы. В поднятом положении вал располагается
консольно и опирается на подшипник, находящийся с приводной стороны машины.
Рассмотрев конструкции
отсасывающих валов для расчетов в курсовом проекте принимаем, двухкамерный
отсасывающий вал закрытого консольного типа. Наличие двух узких камер с
нарастающим вакуумом позволяет, не изменяя интенсивности обезвоживания по
сравнению с однокамерным валом, но с большой шириной отсасывающей камеры
значительно снизить мощность потребляемую вакуумными насосами. Также данный тип
вала позволяет снизить трудозатраты при смене сетки.
2. Технологические
расчеты
.1 Расчет потребляемой
мощности, необходимой для вращения отсасывающего гауч-вала
Тяговое усилие,
необходимое для вращения отсасывающего гауч-вала, в свою очередь складывается
из пяти составляющих:

, (1)
где

и 
- тяговое усилие для
преодоления трения в подшипниках гауча и прижимного валов;

- тяговое усилие для
преодоления трения качения между отсасывающим и прижимным валами;

- тяговое усилие для
преодоления трения между уплотнениями камеры и внутренней поверхностью
отсасывающего вала;

- тяговое усилие для
преодоления трения в подшипниках отсасывающей камеры.
Тяговое усилие для преодоления
трения в подшипниках гауча и прижимного валов расчитываем по формуле:

(2)
где 
- сила трения в
подшипниках;

- приведенный
коэффициент трения в подшипнике;- диаметр цапфы;- диаметр вала.

Н
Тяговое усилие для преодоления трения в подшипниках прижимного
вала:

(3)
где 
- сила трения в
подшипниках;

- приведенный
коэффициент трения в подшипнике;- диаметр цапфы;- диаметр вала

кН
Общее тяговое усилие, которое необходимо приложить к верхнему и
нижнему валам для преодоления трения качения между валами, равно:

кН (4)
где q - давление между валами;-коэффициент трения зависит от
твердости материалов;

- диаметр нижнего вала;

- диаметр верхнего
вала.
Тяговое усилие для преодоления трения между уплотнениями камеры и
внутренней поверхностью отсасывающего вала рассчитываем по формуле:

кН (5)
Тяговое усилие для преодоления трения в подшипниках отсасывающей
камеры рассчитываем по формуле:

кН (6)
Отсюда общая мощность потребляемая гауч-валом равна:

= 100,5 кВт (7)
Для привода гауч-вала принимаю двигатель постоянного тока
мощностью 100 кВт.
3. Конструкторская часть
Исходные данные для расчета
Диаметр рубашки вала наружный
Диаметр рубашки вала внутренний
Длина зоны отсоса
Ширина зоны отсоса
Ширина сетки
Вес рубашки вала
Вес отсасывающей камеры
Вес цапфы лицевой стороны гауч-вала
Вес цапфы приводной стороны гауч-вала
Крутящий момент на приводной цапфе гауч-вала
Вакуум в отсасывающей камере (максимальный)
Материал рубашки вала 1X13Л(предел прочности бронзы
σ = 392мН/м2, модуль упругости бронзы -Ебр =
1,45·108кН/м2).
Материал камеры Х18Н9Т (σТ=200мН/м2).
Толщина боковой стенки камерыS1=1,6·10-2
На лицевой и приводной сторонах гауч-вала установлены
роликоподшипники (нестандартные) 1137/680
(коэффициент работоспособности С = 4800000).
На цапфе камеры установлен роликоподшипник 73636 (коэффициент
работоспособности С = 2200000).
Болты и шпильки из стали 2X13: σТ=
450 мН/м2; Е = 2·108 кН/м2.
Линейное натяжение одной ветви сетки g принимаем равным 5кН/м2
Размеры: l2=6,7м; l3=0,55м; l4=6,4м;
l5=0,37м; l6=0,4м; l7=0,75м.
Угол охвата вала сеткой α=
45°.
Диаметр отверстий в рубашке вала d0 = 0,8·10-2м.
Нагрузки, действующие на вал
Рубашка вала работает под нагрузкой от собственного веса, усилия
прижима от вакуума в камере, натяжение сетки. Усилие прижима рубашки вала к
камере равно:

(8)
Нагрузка от натяжения ветви сетки:

(9)
Для расчета принимаем, что силы J, Pвак и Qz
действуют в одной вертикальной плоскости, тогда общая нагрузка на рубашку вала:

(10)
Опора корпуса вала с лицевой стороны испытывает нагрузку от веса
корпуса вала, прижима рубашки вала к камере (при наличии вакуума в камере),
натяжения ветвей сетки, веса цапфы. Реакция опоры корпуса с лицевой стороны:

кН (11)
Опора корпуса вала с приводной стороны испытывает нагрузку отвеса
корпуса вала, веса камеры, натяжение ветвей сетки, веса цапфы.
Реакция опоры корпуса вала с приводной стороны:

(12)
На отсасывающую камеру действует нагрузка от веса камеры,
направленная вниз, и усилие от вакуума в камере, направленное вверх, как
показано на(рисунке 3.1):

(14)

(15)
Рисунок 3.1 - Схема нагрузки на камеру гауч-вала
Реакция опоры отсасывающей камеры с лицевой стороны:

кН (16)
Реакция опоры отсасывающей камеры с приводной стороны:

кН (17)
Расчет рубашки вала на прочность
Считаем, что нагружение рубашки симметричное, тогда максимальный
изгибающий момент будет по середине вала:

(18)
Момент инерции сечения рубашки вала (без учета перфорации):

(19)
Момент сопротивления сечения рубашки вала (без учета перфорации):

(20)
Приведенный коэффициент ослабления поперечного сечения рубашки Кm,
учитывающий наличие перфорации рубашки гауч-вала, определяется по методу
опорного прямоугольника (рис.3.2).
Рисунок 3.2 - Схема расположения отверстий на рубашке гауч-вала
Участок дуги, заключенный между крайними отверстиями на наружном
диаметре, равен:

м (21)
где n = 59 - число отверстий, попадающих в поперечное сечение, по
которому произойти разрушение, представляет собой ломаную линию. Количество
одинаковых отрезков, составляющих ломаную линию, Расстояние между смежными
отверстиями (шаг) S=1,59·10-2 м
Длина ломаной линии 
Приведенный коэффициент ослабления поперечного сечения рубашки:

м (22)
Напряжение изгиба рубашки вала:

=
(23)
Сравнивая полученное значение
напряжение изгиба с допустимым, получим:
Условие прочности выполняется
Расчет рубашки вала на жесткость
Коэффициент живого сечения
перфорации:

(27)
Средний момент инерции
перфорированной рубашки равен:

(28)
Прогиб рабочей части вала в середине
пролета:

(29)
Относительный прогиб:

(30)
Допустимый относительный
прогиб для гауч-вала:

(31)
картон машина сеточный
Полученный прогиб 
, условие выполняется.
Расчет отсасывающей камеры на
прочность
Рисунок 3.3 - Схема сечения
отсасывающей камеры
При наличии вакуума только в одной
половине камеры средняя стенка испытывает нагрузку из-за разницы давления на ее
поверхность (рис.3.3) При определении толщины средней стенки рассматриваем ее
как прямоугольную пластину, закрепленную по контуру:

(32)
где 
;

- допускаемое напряжение
на изгиб для стали Х18Н9Т

м (33)
Принимаем толщину
стенки: 
м.
При расчете на прочность камеры
рассматриваем ее как балку на двух опорах с симметричной нагрузкой. Изгибающий
момент в середине сечения равен:

(34)
При определении момента для простоты
принимаем, что сечение камеры состоит из трех вертикальных листов: среднего
толщиной 2·10-2, двух крайних толщиной 1,6·10-2 м.
Верхним листом и нижним округлением пренебрегаем.
Момент инерции сечения:

(35)
Момент сопротивления сечения:

(36)
Напряжение изгиба в сечении:

мН/м2 (37)
Допускаемое напряжение на изгиб для
стали Х18Н9Т:

мН/м2 (38)
где [
-предел текучести при
изгибе для легированных сталей;

- коэффициент,
учитывающий точность определения действующих на деталь усилий и напряжений;

- коэффициент,
учитывающий однородность материала и качество технологии изготовления;

- коэффициент,
учитывающий повышения запаса
прочности для
ответственной детали, с целью увеличения срока службы и надежности ее в
условиях эксплуатации;

= 1 - коэффициент, учитывающий
уменьшение предела текучести с увеличением размеров детали.
Расчет отсасывающей
камеры на жесткость
Прогиб отсасывающей
камеры гауч-вала в середине пролета:

(39)
Относительный прогиб:

- допустим. (40)
Расчет опоры камеры с лицевой
стороны
Реакция опоры камеры с лицевой
стороны направлена вниз и воспринимается крышкой опоры камеры, которая крепится
четырьмя винтами М20 (рисунок 3.4).
Рисунок 3.4 - схема опоры камеры с
лицевой стороны
Нагрузка, приходящаяся на один винт:

(41)
Напряжение растяжения в винте:

кН/
(42)
где dв=1,73·10-2
м - внутренний диаметр резьбы винта М20.
Запас прочности от предела текучести
для винта из стали 2X13:

(43)
где 
= 450 мН/м2-
предел текучести для стали 2X13
Допускаемый запас
прочности для винта из легированной стали при постоянной нагрузке nт=3,5-5.
Расчет опоры камеры с
приводной стороны
Реакция опоры камеры с
приводной стороны направлена вниз и воспринимается через роликоподшипник цапфой
приводной стороны корпуса гауч-вала. Цапфа камеры крепится к корпусу камеры
болтами М20, количество болтов 12, материал болтов - сталь 2X13 (рис.3.5).
Рисунок 3.5 - Схема
опоры камеры с приводной стороны
Определение необходимого
усилия затяжки болтов из условия не раскрытия стыка под действием изгибающего
момента
Изгибающий момент,
действующий на болты от реакции опоры камеры:

кН
м (37)
Минимальное усилие предварительной
затяжки:

кН (38)
где 
- площадь стыка;

(39)
ст-
момент сопротивления стыка;
Принимаем усилие за
тяжки болта из условия не раскрытия стыка:

(41)

- коэффициент затяжки
для постоянных нагрузок.
Расчет болтов на прочность
Напряжение в болте от усилия
затяжки:

кН/м2 (42)
Где 
- площадь сечения болта;
d1 - внутренний диаметр болта, м.
Допустимое усилие затяжки:

мН/м2 (43)

- предел текучести стали
2X13.
Напряжение в болте:
мН/м2
Условие прочности
выполняется.
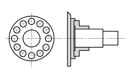
Расчет шпилек, крепящих
цапфы к рубашке вала
Производим расчет шпилек
приводной цапфы как наиболее нагруженных (рисунок. 3.6).
Рисунок 3.6 - Схема
крепления цапфы к рубашке вала
Цапфы крепятся к рубашке
вала за счет посадки с натягом и шпильки М20. Количество шпилек, крепящих одну
цапфу n = 40, материал шпилек - сталь 2X13. При расчете полагаем, что крепление
цапфы осуществляется только шпильками (посадку с натягом не учитываем).
.Определение
необходимого усилия затяжки шпильки.
С помощью затяжки шпилек
необходимо создать усилие трения между торцами цапфы и рубашки вала,
достаточное для передачи крутящего момента 
:

кНм (44)
Момент трения:

(45)
где Q - усилие затяжки одной
шпильки;= 40 - количество шпилек;

- Радиус расположения
шпилек;= 0,15 - коэффициент трения между цапфой и рубашкой.
Отсюда необходимое
усилие затяжки шпильки:

кН (46)
Усилие затяжки из условия не
раскрытия стыка под действием изгибающего момента находим для цапфы как
набольшее (затяжку шпилек с приводной и лицевой стороны вала производим
одинаковыми усилиями).
Изгибающий момент, действующий на
шпильки лицевой стороны:

кН
м (47)
Усилие предварительной затяжки:

кН (48)
где 
площадь стыка; (49)

-момент сопротивления
стыка.
Усилие затяжки шпильки из условия не
раскрытия стыка:

(50)
= 4 - коэффициент затяжки для
переменных нагрузок.
Принимаем усилие затяжки
шпильки наибольшим из двух полученных значений, 
. Расчет шпилек на
прочность
Напряжение в шпильке от
усилия затяжки:

кН/м2 (51)
Где 
- площадь сечения
шпильки.
Допускаемое напряжение
за тяжки: 
мН/м2
Напряжение вшпильке
мН/м2 -
допустимо
Подбор подшипников для опоры вала
Определяем динамическую
грузоподъемность подшипника по формуле:

(52)

- коэффициент
долговечности. Исходя из величины номинальной долговечности lh =
50000 час.
= 3,98;

- коэффициент зависящий
от числа оборотов формующего вала.

= 0,528
Эквивалентную
динамическую нагрузку определяем по формуле:

(53)
где X = 1 - коэффициент радиальной
нагрузки, исходя из соотношения осевой и радиальной нагрузок и величины е.
α
= 11- угол для сферических подшипников серии 2300.= 1 - коэффициент вращения
относительно вектора нагрузки для вращающегося внутреннего кольца.

= 1 - динамический
коэффициент;

= 1 - температурный
коэффициент;коэффициент осевой нагрузки;

- осевая нагрузка;

= 76,85 кН/м
Р- общая нагрузка на вал;

- радиальная нагрузка;

кН/м

кН/м

кН/м
Принимаем для опоры вала
роликоподшипник радиальный сферический двухрядный легкой серии по ГОСТ 3478-54
/750 d = 750мм. D = 1000мм. В =
185мм. С = 850кН/м.
Подбор подшипников для опоры камеры
Динамическая грузоподъемность
подшипника:

= 3,98; 
= 0,528
Динамическая нагрузка:
где X = 1 - коэффициент
радиальной нагрузки, исходя из соотношения осевой и радиальной нагрузок и
величины е.
α = 14- угол для сферических подшипников серии 3600 с диаметром отверстия
140-160 мм.= 1 - коэффициент вращения относительно вектора нагрузки для
вращающегося внутреннего кольца.

= 1 - динамический
коэффициент;

= 1 - температурный
коэффициент;коэффициент осевой нагрузки;

= 33,84 кН/м

кН/м

кН/м

кН/м
Принимаем для опоры вала
роликоподшипник радиальный сферический двухрядный легкой серии по ГОСТ 3478-54
d = 180мм. D = 320мм. В = 86мм. С =
380кН/м.
Расчет гауч-вала при работе и
консольном вывешивании.
При работе на гауч-вал консольного
типа действуют нагрузки G, Qz, Q, Рвак, P0, Pхв
в соответствии с рисунком 3.7
Рисунок 3.7 - Схема нагрузок на
отсасывающий вал
При угле охватаα
= 45°
60° Q - будет равно:

(54)

кН/м (55)

кН/м
где q - линейное
натяжение сетки (7...8 кН/м);- ширина сетки.
Давление прижимного
валика Q,направленное но линии соединения центров отсасывающего и прижимного
валов, равно:

кН/м (56)
где

- линейное давление
между валами, кН/м;

-длина рабочей части
цилиндра, м.
За счет вакуума,
создаваемого в отсасывающей камере, на вал действует нагрузка Рвак:

(57)
где 
- вакуум в камере, кН/м2;

- площадь отсоса
камеры, м2;

-соответственно ширина
зоны отсоса по хорде и ее длина, м.

кН
Давление Р0
от уплотнений направлено вертикально вверх и определяется следующим образом:

(58)
где F- площадь
соприкосновения уплотнений с цилиндром равна:

(59)

- ширина уплотнений
(обычно 
= 0,02 - 0,04 м);

- длина продольных и
поперечных уплотнений, м;

- коэффициент живого
сечения.
Р - удельное давление
между уплотнением и внутренней поверхностью цилиндра составляет от 30 до 50
кН/м2. Для расчетов принимают Р = 50 кН/м2

кН
Нагрузка Рхв
передается хвостовиком отсасывающей камеры приводной цапфе вала. Так как при
весе камеры (Jк) обычно Рвак больше (Р0+ Jк),
нагрузка Рхв направлена вверх и равна:

кН (60)
Из всех нагрузок,
действующих на вал, лишь сила Рхв является сосредоточенной. По
сравнению с остальными си.ами она незначительна и ею можно пренебречь.
Если угол охвата
гауч-вала сеткой составляет 45°
60°, то все нагрузки действуют
в плоскости, близкой к вертикальной, и тогда равнодействующая этих сил равна:

(61)

кН
Пренебрегая весом
приводной цапфы, можно считать, что опасным является поперечное сечение
посередине вала. При нагрузке, равномерно распределенной по длине b, наибольший
изгибающий момент будет равен:

(62)
По сравнению с величиной

, крутящим моментом,
передаваемым валом, можно пренебречь из-за его малой величины.
Наименьший момент
инерции поперечного сечения цилиндра при наружном диаметре D, внутреннем d и
при шахматном расположении отверстий составляет:

(63)
где 
- момент инерции,
соответствующий площади отверстий в поперечном сечении цилиндра, м4;

- момент инерции
цилиндра без учета отверстий, м4.

= 0,04 м4
При толщине стенки
цилиндра δ, среднем радиусе 
, диаметре отверстий d0количестве
их в поперечном сечении цилиндра 
и площади отверстий в
поперечном сечении цилиндра 
:

(64)
Наименьший момент
сопротивления поперечного сечения цилиндра равен:

(65)
Рисунок 3.8 - Схема
расположения отверстий по поверхности цилиндра
Коэффициент ослабления
ломаного сечения k равен:

(66)


(67)

(68)
где 
- момент сопротивления
цилиндра без учета отверстий.
При консольном
вывешивании цилиндра (k> 1) опасным является сечение последнего ряда
отверстий - у опоры, а при k< 1 - ломаное сечение последнего и
предпоследнего рядов отверстий.
Изгибающий момент в
опасном сечении равен:

(69)
где 
- соответственно вес
камеры, подшипника и цилиндра; 
- соответствующие
расстояния от опоры камеры на лицевой стороне и центров тяжести подшипника и
цилиндра до последнего ряда отверстий.

кН/м
Из условия
равновесия 
усилие Рв вывешивания
(на б Рисунке 3.9), которое следует приложить на конец приводной цапфы, равно:

кН
где 
- вес приводного
хвостовика;

- расстояния
соответствующих сил до приводного подшипника.
Рисунок 3.9 - Схема
нагрузки на отсасывающий вал при консольном вывешивании
При весе Gв
вала, включающем вес камеры, общая нагрузка на приводной подшипник во время
консольного вывешивания составляет:

(70)

кН
Для того, чтобы болты,
при помощи которых приводная крышка крепится к торцу цилиндра, работали только
на растяжение, а не на срез, момент трения Мтр, возникающий на
поверхности соприкосновения цилиндра и крышки, должен превышать крутящий момент
Мкр9 зависящий от потребляемой мощности /V (в кВт) и числа оборотов n (в
минуту) отсасывающего вала:

, кН/м (71)
При расчете принимают
коэффициент запаса k = 1,2
1,5.
Тогда

(72)

кН/м
Момент трения на
поверхности соприкосновения цилиндра и крышки равен:

(73)
где f- коэффициент
трения между соприкасающимися поверхностями (для расчета принимают 
= 0,15);- нормальное
давление, создаваемое болтами;, r- наружный и внутренний радиусы трения;0-
средний диаметр трения (D0 можно принять равным диаметру окружности,
на которой расположены болты).
Тогда усилие Q1
растяжения болта, которое должно быть создано предварительной затяжкой, при т
установленных болтах выразится:

(74)

кН
Напряжение в наиболее
нагруженном (верхнем) болте равно:

мН/м
При определении
суммарного напряжения от предварительной затяжки и консольного вывешивания
следует учесть жесткость болтов и фланцев крышки.
Так как толщина стенки
цилиндра невелика (δ = 40 мм), то для машин шириной 6300 мм применяются болты М20 или
М24.
Заключение
В данной работе
описывается назначение и роль сеточной части КДМ, её основных узлов. Также
рассматриваются различные конструкции и устройства гауч-валов. В данном
курсовом проекте представлены расчеты гауч-вала на прочность, жесткость, при
работе и консольном вывешивании, а также подбор подшипников.
Исходя из
технико-экономического обоснования, целесообразнее применять стол консольного
типа и двухкамерный гауч-вал.