Технология катализаторов конверсии монооксида углерода (НТК-4)

  • Вид работы:
    Курсовая работа (т)
  • Предмет:
    Другое
  • Язык:
    Русский
    ,
    Формат файла:
    MS Word
    555,27 Кб
  • Опубликовано:
    2013-10-21
Вы можете узнать стоимость помощи в написании студенческой работы.
Помощь в написании работы, которую точно примут!

Технология катализаторов конверсии монооксида углерода (НТК-4)

Федеральное агентство по образованию

Государственное образовательное учреждение

Высшего профессионального образования

"НАЦИОНАЛЬНЫЙ ИССЛЕДОВАТЕЛЬСКИЙ ТОМСКИЙ ПОЛИТЕХНИЧЕСКИЙ УНИВЕРСИТЕТ"

Факультет - Институт природных ресурсов

Направление (специальность) - химическая технология и биотехнология

Кафедра - общая химическая технология

Технология катализаторов конверсии монооксида углерода (НТК-4)

Студент гр. О.М. Рюмина

Руководитель, канд. хим. наук Д.А. Горлушко








Томск - 2013г.

Содержание

 

Введение

1. Технология катализаторов конверсии монооксида углерода

2. Характеристики низкотемпературного катализатора

3. Исходное сырье

4. Метод получения и технологическая схема производства

5. Пассивация катализаторов

6. Условия эксплуатации катализаторов

7. Промышленные катализаторы

8. Восстановление медьсодержащих катализаторов низкотемпературной конверсии монооксида углерода

Заключение

Список использованной литературы

Введение


Переработка природного газа, состоящего в основном из метана, является основным промышленным методом получения водорода для использования в синтезе аммиака, процессах гидрирования нефтепродуктов (гидроочистка, гидрокрекинг и т.д.) и других органических соединений, а в последнее время в качестве топлива в экологически чистом производстве энергии на топливных элементах [1,2]. От способа конверсии метана зависит содержание монооксида углерода в получаемом водородсодержащем газе. Высококонцентрированный по СО газ, содержащий СО до 34-30 об. %, получают парциальным окислением метана, паровая конверсия метана приводит к получению газа с содержанием СО 15-10 об. % [3].

Реакция паровой конверсии монооксида углерода является следующей стадией в схеме получения водорода. Реакция протекает с выделением тепла, степень превращения СО ограничена термодинамическим равновесием, которое зависит от температуры в слое катализатора. Высокая степень превращения СО может быть достигнута только при низких температурах, например, остаточное СО менее 0.3 об. % можно получить только при температурах менее 250° С. Наиболее распространенным способом осуществления процесса паровой конверсии СО в промышленности является двухстадийный процесс, в котором превращение СО проводят последовательно при высоких температурах 350-450° С на малоактивном, но термостабильном железохромовом катализаторе, и при низких температурах 180-250°С на высокоактивном, но устойчивом только до 300-350° С Cu-Zn-Al (Сг) оксидном катализаторе [4].

Использование катализаторов, устойчиво и эффективно работающих в широкой области температур, позволит улучшить показатели процесса.

Для увеличения степени переработки СО широко проводятся исследования по разработке катализаторов низкотемпературной конверсии (НТК) на основе медь-цинковой системы, которые будут стабильны при температурах выше 350°С.

В качестве термостабильных катализаторов НТК сообщается о ряде катализаторов на основе драгоценных металлов и оксидных катализаторов, содержащих различные металлы. Активность таких катализаторов превышает активность известных медьцинковых катализаторов только в области температур выше 250°С. Обещающие результаты получены для катализаторов на основе меди. Промотирование медь-цинковых катализаторов алюминием, хромом, марганцем, магнием позволило существенно повысить устойчивость катализаторов при высоких температурах вплоть до 350°С.

Традиционная двухстадийная схема с использованием адиабатических реакторов довольно громоздка. Улучшить массогабаритные характеристики процесса паровой конверсии СО можно проведением процесса в одностадийном трубчатом реакторе с управляемым температурным профилем вдоль катализаторного слоя, осуществляемого за счет непрерывного съема тепла. Такая организация процесса возможна, если использовать катализаторы высокоактивные в широком температурном интервале. В настоящее время одностадийную схему предлагается осуществлять организацией нескольких изотермических слоев.

Осуществление одностадийного процесса паровой конверсии СО в последнее время актуально в связи с созданием энергоустановок на топливных элементах, использующих в качестве топлива водород, получаемый из углеводородного сырья. Компактность составляющих стадий энергоустановки является важным требованием при ее создании.

Исследования медьсодержащих катализаторов с целью расширения их рабочей температурной области может иметь перспективы для создания компактного одностадийного реактора паровой конверсии СО.

В улучшении показателей процесса паровой конверсии СО немаловажную роль может сыграть теплопроводность катализаторного слоя. Теплопередача по слою катализатора и от поверхности катализатора к стенке реактора осуществляется посредством реакционного газа. Низкий коэффициент теплопередачи твердое тело - газ определяет низкую теплопроводность слоя. В промышленных реакторах теплопроводность катализаторного слоя в радиальном направлении при загрузке катализатора в виде традиционных таблеток размером 5 х 5 мм или в виде экструдата не высока, что приводит к большим перепадам температур в радиальном направлении. Известный прием для улучшения теплоотвода - применение трубчатых реакторов и уменьшение диаметра реактора, но даже при диаметре трубки 20-30 мм перепад температур в радиальном направлении по сечению трубки в процессе паровой конверсии СО может достигать 10-20°С [5].

Цель работы

Целью работы является изучение технологии катализаторов конверсии монооксида углерода, а также подбор состава катализатора низкотемпературной конверсии, обеспечивающий оптимизацию температурного режима.

1. Технология катализаторов конверсии монооксида углерода


Конверсия монооксида углерода является составной частью процесса производства водорода и технологических газов для синтеза аммиака, спиртов, моторных топлив и других продуктов. Паровая конверсия протекает по реакции

СО + Н2О↔СО22+41кДж/моль. (1.1)

 

В условиях промышленного осуществления процесса кроме реакции (1.1) возможно протекание побочных реакций, из которых наиболее термодинамически вероятными являются:

2СО↔С + СО2+172,5кДж / моль, (1.2)

СО + 3Н2↔СН4 + Н2О + 206,4кДж / моль. (1.3)

 

Реакция конверсии СО в отсутствии катализаторов при температурах до 600° С, так же как и реакции (1.2) и (1.3), практически не протекает. Значительно увеличить скорость основной реакции (1.1) позволяет применение катализаторов, а температура процесса определяется их активностью. Неполный ряд активности металлов и оксидов металлов в отношении реакции (1.1) можно представить в следующем виде:

Pt, Pd > Ag > MgO, Co2O4, CuO > NiO > Fe2O3>Cr2O3> V2O5 > ZnO

Используемые катализаторы кроме высокой активности должны обладать селективными свойствами, характеризующимися умеренной гидрирующей функцией [5]. Это необходимо для достижения соответствующих скоростей реакций без заметного метанообразования (1.3), которое в значительной степени катализируют кобальт и металлическое железо, образующееся в результате перевосстановления оксидного железосодержащего катализатора при недостатке в реакционной смеси водяного пара. Кроме селективности, катализатор должен обладать высокой стабильностью в реакционной среде и минимальной стоимостью, что ограничивает применение различных веществ до соединений Cu, Fe, Cr, Zn.

В промышленности процесс конверсии монооксида углерода на катализаторах осуществляется в интервале температур 200-450°С и давлении 0,1-3,0 МПа.

В зависимости от температурных условий работы различают среднетемпературные (СТК) и низкотемпературные (НТК) катализаторы. С целью обеспечения более высокой степени превращения и снижения остаточного содержания монооксида углерода в газе процесс, как правило, проводят в две ступени: первая - среднетемпературная конверсия на катализаторах СТК, на второй используются низкотемпературные катализаторы серии НТК.

 

2. Характеристики низкотемпературного катализатора


С целью обеспечения более высокой степени превращения и снижения остаточного содержания монооксида углерода в газе в качестве контактов второй ступени конверсии СО в крупнотоннажных агрегатах синтеза аммиака используются низкотемпературные катализаторы серии НТК, содержащие оксиды меди, цинка, алюминия и хрома.

Характеристики катализатора НТК-4 приведены в табл. 1 [6].

Таблица 1

Характеристики катализатора НТК-4

Показатель

Значение показателя

Внешний вид

Таблетки цилиндрической формы черного цвета

Размер таблеток, мм Диаметр, высота

5-6 5-4

Содержание, % мас.: CuO

 51,0-57,0

 Cr2O3

12,5-15,5

 ZnO

9,5-12,5

 Al2O3

17,6-21,6

Плотность насыпная, г/см

1,5-1,6

Механическая прочность (разрушающее усилие на торец), МПа

28

Удельная площадь поверхности, м /г

Объем пор, % не менее

35-40


3. Исходное сырье


Для приготовления контактной массы НТК используются следующие основные виды сырья [6]:

Хромовый ангидрид - Cr2O3.

Оксид цинка - ZnO.

Гидроксид алюминия - Al (OH) 3.

Гидроксокарбонат меди (малахит) - CuCO3∙Cu (OH) 2.

Графит марки С1 или С2.

 

4. Метод получения и технологическая схема производства


Катализатор получают методом механического смешения исходных компонентов по "мокрому" способу [6].

Последовательность производственных стадий приготовления контактной массы НТК-4 можно представить следующим образом:

•        приготовление рабочих растворов и суспензий;

•        смешение исходных составляющих;

•        термообработка (сушка и прокаливание) катализаторной массы;

•        смешение прокаленной контактной массы с раствором бихромата меди и графитом;

•        таблетирование контактной массы;

•        восстановление катализатора.

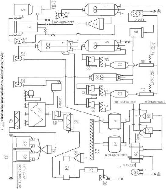
Технологическая схема производства катализатора НТК-4 приведена на рис. 1.

Приготовление рабочих растворов и суспензий. В реактор (1) предварительно заливается конденсат, и при включенной мешалке загружается оксид цинка. Водная суспензия оксида цинка перемешивается в течение 22 ч, затем центробежным насосом (2) подается в мерник (3), из которого дозируется в реактор (4).

Растворение хромового ангидрида производится в специальном аппарате (5). Полученный раствор хромовой кислоты насосом (6) перекачивается в реактор (7), где конденсатом доводиться до нужной концентрации, а затем перекачивается в мерник (8), откуда он дозируется в реактор (9). В реакторе раствор подогревается до температуры 80-90°С.

Смешение исходных составляющих. Вакуум-пневмотранспортом гидроксид алюминия подается в циклон-разгрузитель (10), из которого через емкость-бункер (11) питателем (12) загружается в бункер, установленный на платформенных весах (13). Здесь отвешивается определенная порция Al (OН) 3 и подается в реактор (9). В нем масса перемешивается в течение 2 ч и выгружается в реактор (4).

катализатор конверсия монооксид углерод


Спецификация к рис.1.1, 4, 7, 28 - реакторы; 2, 6, 20, 29 - центробежные насосы; 3 - мерник суспензии оксида цинка; 5 - аппарат для растворения CrO3; 8, 30 - мерники; 9 - реактор смешения; 10, 14 - циклоны-разгрузители; 11, 15 - емкости-бункеры; 12, 16, 17 - шнековые питатели; 13, 18, 19, 26 - платформенные весы; 21 - вакуум-гребковые сушилки; 22, 24, 41 - шнеки транспортные; 23 - бункер с вибратором; 24 - электропечь; 25 - охлаждаемый шнек; 27 - смеситель; 31 - бункер-уплотнитель; 32 - таблетмашина; 33 - ленточный конвейер; 34 - мокрый пылеуловитель; 35 - конденсатор; 36, 39 - вакуум-насосы; 37 - фильтр рукавный; 38 - центробежный вентилятор; 40 - выхлопная труба.

-           Измельченный малахит вакуум-пневмотранспортом через циклон - разгрузитель (14) подается в емкость-бункер (15), оттуда питателем (17) направляется в бункер платформенных весов (18). Отвешенное количество малахита небольшими порциями питателем загружается в реактор (4).

-           Масса в реакторе (4) перемешивается в течение 2 ч при температуре 80-90°С. При этом в реакторе протекает реакция с выделением диоксида углерода

3Cu2CO3 (OH) 2+2H2CrO4=2 [CuCrO4-2CuO-2H2O] +3CO2+H2O.

-           Термообработка (сушка и прокаливание) катализаторной массы. Готовая катализаторная масса насосом (20) подается в вакуум - гребковые сушилки (21), где сушится в течение 12-16 ч при остаточном давлении 500 мм рт. ст. с постепенным подъемом температуры до 100-120°С. Высушенная катализаторная масса с влажностью 10 % мас. транспортным шнеком (22) подается в бункер с вибратором (23), из которого непрерывно загружается в прокалочную электропечь (24). Прокаливание проводится при t=450-500°С в течение 6-8 ч и сопровождается следующими реакциями:

2Al (OH) 3→Al2O3+3H2O,3 ∙ Cu (OH) 2→2CuO+CO2+H2O,

[CuCrO4∙2CuO∙2H2O] →Cr2O3+6CuO+1,5O2+4H2O.

Образующаяся в процессе сушки в вакуум-гребковых сушилках (21) паровоздушная смесь проходит мокрые пылеуловители (34), конденсатор (35), где конденсируются пары воды, а воздух вакуум - насосом (36) выбрасывается через выхлопную трубу (40) в атмосферу. Конденсат сокового пара из конденсатора (35) собирается и направляется далее в реактор (1) на приготовление суспензии оксида цинка, в аппарат (5) и реактор (7) для приготовления раствора хромовой кислоты.

Промывная вода из мокрых пылеуловителей (34), содержащая пыль катализаторной массы, собирается в сборник (на схеме не показан), где отстаивается. Осветленная часть промывных вод вновь направляется на орошение мокрых пылеуловителей (34). Сгущенная масса из сборника направляется в реактор (4).

Реакционные газы после прокалочной электропечи (24) разбавляются воздухом до t=200-250°С, очищаются в рукавном фильтре из стеклоткани (37) и вентилятором (38) выбрасываются через трубу (40) в атмосферу, предварительно разбавленные воздухом до t=80°С. Разрежение в циклонах-разгрузителях (10, 14) создается вакуум - насосом (39).

Смешение прокаленной контактной массы с раствором бихромата меди и графитом. Прокаленная катализаторная масса через охлаждаемый шнек (25) подается в дозировочный бункер, установленный на платформенных весах (26), где взвешивается и ссыпается в смеситель (27). Сюда же загружается графит и заливается отмеренное количество раствора бихромата меди, который готовится в реакторе (28). В этом реакторе хромовая кислота, залитая из мерника (8), растворяет небольшие порции малахита, подаваемые из емкости - бункера (15) питателем (16) через бункер платформенных весов (19). Растворение малахита в хромовой кислоте протекает при t=70-80°С в течение одного часа по реакции

Cu2CO3 (OH) 2+4H2CrO4=2 [CuCr2O7∙2H2O] +CO2+H2O.

Таблетирование контактной массы. Готовый раствор насосом (29) перекачивается в мерник (30), из которого заливается в смеситель (27). Масса в смесителе перемешивается в течение 10-15 мин и выгружается через транспортный шнек (41) в бункер-уплотнитель (31), где уплотняется и направляется на таблетирование в таблетмашины (32). Таблетки катализатора с ленточного конвейера (33) засыпаются в барабаны, которые направляются на склад готовой продукции.

Восстановление катализатора. Свежеприготовленная контактная масса содержит в своем составе оксиды металлов, однако каталитическую активность проявляет металлическая медь. С целью активации катализатора его восстановление проводится в реакторе периодического действия или промышленном конверторе при атмосферном давлении. В качестве восстанавливающего агента используется азотоводородная смесь (АВС). Восстановление протекает по реакции:

CuO+H2=Cu+H2O.

Условия выбираются таким образом, чтобы оксиды других металлов не восстанавливались. Процесс восстановления в промышленном агрегате подразделяется на следующие стадии [6]:

. Разогрев катализатора циркулирующим азотом до 180-200°С со скоростью 30°С/ч.

2.       Начальный период восстановления при концентрации водорода в АВС ~ 0,3 % об. Время восстановления 3-4 ч.

3.       Увеличение содержания водорода в АВС до 1,0-1,2 % об. и температуры до 230°С в течение 3-4 ч. Восстановление катализатора при этих условиях 5-6 ч.

4.       Увеличение концентрации водорода в АВС до 4-5 % об. Выдержка катализатора 3-4 ч.

5.       Увеличение концентрации водорода в АВС до 10-20 % об. и выдержка катализатора в течение 3 ч для достижения полного восстановления.

Процесс восстановления катализатора на месте его производства проводится в несколько стадий, а именно: загрузка, продувка, разогрев катализатора, восстановление, охлаждение, пассивация, вновь охлаждение и выгрузка катализатора. На все операции затрачивается около 86 ч. На рис.2 приведена схема восстановления катализатора в реакторе периодического действия.

Чистый азот после газодувки (4) проходит теплообменник - рекуператор (5), где подогревается отходящими газами до t=190°С, и поступает в электроподогреватель (6) для подогрева до t=240°С. Подогретый газ направляется в колонну (1) для разогрева катализатора, который продолжается в течение 4-5 ч, после чего начинается восстановление. Для восстановления в циркулирующий газ дозируются азотоводородная смесь или водород таким образом, чтобы концентрация водорода постепенно повышалась и достигала ~ 8 % об.

Отработанный газ проходит циклоны (2) и направляется в теплообменник (5) для рекуперации тепла. Затем газ охлаждается до t=35°С в холодильнике (3), проходит влагоотделитель (7) и поступает снова на вход газодувок (4).

Восстановление считается законченным, когда начинается медленное снижение температуры контакта, и состав восстанавливающего газа до и после слоя катализатора остается постоянным.

Восстановленный катализатор охлаждают до t=50°С чистым циркулирующим по схеме азотом в течение 6 ч.

 

5. Пассивация катализаторов


Восстановленный катализатор марки НТК пирофорен и перед выгрузкой из реактора он должен быть частично окислен. Целью этой операции является поверхностная пассивация - окисление восстановленных элементов, находящихся в непосредственной близости от поверхности, кислородом воздуха [6].


Спецификация к рис. 2.1 - колонна восстановления; 2 - группа их 3-х циклонов; 3 - холодильник; 4 - газодувки; 5 - теплообменник-рекуператор; 6 - электроподогреватель; 7 - влагоотделитель; 8 - течка; 9 - бункер рассева; 10 - платформенные весы.

Окисление железохромовых и медьсодержащих катализаторов осуществляется по реакциям:

Fe3O4+O2=6 Fe2O3+Q,

Cu+O2=2CuO+Q

и сопровождается выделением значительного количества тепла. Пассивация НТК, восстановленного в реакторе периодического действия, производится непосредственно в том же реакторе кислородом, присутствующим в техническом азоте, дозируемым в чистый азот. Концентрация кислорода постепенно увеличивается от 0,1 до 3,0 % об. Продолжительность пассивации составляет 20 час. Условия пассивации низкотемпературных катализаторов приведены в табл.2.

 

Таблица 2

Условия пассивации катализаторов

Параметры процесса

Катализатор


НТК

Температура охлаждения катализатора циркулирующим азотом,°С

100-120

Содержание кислорода в циркулирующем азоте, % об.

0,1-3,0

Температура пассивации,°С

<230

Температура охлаждения после пассивации,°С

50


При параметрах, указанных в табл.2, окисляется до 20 % восстановленных центров поверхности. Восстановленные и запассивированные катализаторы охлаждаются до 50°С и по течке (8) направляются в бункер рассева (9), где отделяется пыль. Упаковка в герметичные барабаны осуществляется на платформенных весах (10). В случае проведения процесса восстановления контактов в промышленных конверторах пассивация катализаторов не проводится. Конверторы постепенно переводятся на рабочий режим.


Таблица 3

Основные эксплуатационные показатели катализатора НТК

Показатель

Катализатор


СТК

НТК

Температура,°C



максимально возможная на входе в слой



катализатора,

320

190-200

максимально допустимая в слое



катализатора

520

250-280

Объемная скорость, ч-1

2500-3000

2000-5000

Соотношение пар: газ

0,4-1,5

0,5-0,7

Степень превращения СО, %

до 95

90-98

Срок службы катализатора, годы

2-8

2-5

Несмотря на то, что медьсодержащие контакты (НТК) активны при низких температурах (200-280°С), катализаторы СТК имеют более продолжительный срок службы. Это объясняется их меньшей чувствительностью к контактным ядам и процессам рекристаллизации при увеличении температуры.

 

7. Промышленные катализаторы


В настоящее время отечественные производители наладили выпуск катализаторов с более продолжительным сроком эксплуатации. К таким катализаторам относятся НТК-4У, НТК-10А и НТК-8. Катализатор НТК-4У применяется для проведения каталитического процесса конверсии моноксида углерода с водяным паром при температуре 200-300°C, давлении до 3,0 МПа, соотношении пар: газ, равном 0,4-0,8, объемной скорости 2000-3000 ч-1 по сухому конвертированному газу, объемной доле СО в исходном газе не более 2,0-3,5 %. Он обеспечивает остаточное содержание моноксида углерода в конвертированном газе не более 0,5 % об. Катализатор состоит в основном из оксидов меди (CuO), цинка (ZnO), алюминия (Al2O3), хрома (Cr2O3) и выпускается в виде цилиндрических гранул (таблеток) [6].

Катализатор НТК-8 является наиболее эффективным из катализаторов подобного типа. Например, по сравнению с НТК-4, его активность и стабильность выше в 2-3 раза. Кроме того, катализатор способен сохранять свою активность после перегревов в реакционной среде до 550°С (против 400-450°С у НТК-4). Большим преимуществом НТК-8 является его бифункциональная способность [6]:

•        ускорять реакцию конверсии монооксида углерода с водяным паром, начиная с 200°С;

•        поглощать каталитические яды своим лобовым слоем, предохраняя от отравления основную массу катализатора, значительно удлиняя срок его службы.

НТК-10А (медьцинкалюминиевый) используется в технологической линии синтеза аммиака в агрегате с единичной мощностью 3 тыс. тонн/сут для процессов средне - и низкотемпературной конверсии моноксида углерода водяным паром. НТК-10А по своим основным показателям - активности, стабильности, пористости, насыпной плотности превосходит катализатор НТК-4.

Можно отметить новые модификации катализаторов низкотемпературной конверсии моноксида углерода, обладающие повышенной активностью, разработанные Новомосковским институтом азотной промышленности, - НТК-10-2ФМ и НТК-10-2ЛФ. Оптимальный режим восстановления катализаторов предусматривает его активацию в течение 32-36 ч.

Выпускают также трех - и четырехкомпонентные катализаторы конверсии моноксида углерода: медьцинкалюминиевый марки ГСНК-2 и медьцинкалюмокальциевый марки КСО-С.

Катализатор СТА используют вместо катализатора СТК. По своим свойствам он близок к катализатору НТК-8, в том числе обладает бифункциональной способностью: сохраняет свою активность после перегревов в реакционной среде до 600°С.

Использование пары катализаторов СТА-НТК-8 в аммиачных агрегатах вместо СТК-НТК-4 позволяет в течение 4-5 лет без перегрузки получать остаточное содержание моноксида углерода 0,1 - 0,2 % об. (вместо 0,4 % об. при использовании НТК-4 и СТК, срок службы которых около 2-х и 4-х лет, соответственно) и экономить при этом 20-30 м3 природного газа на 1 тонну аммиака.

 

8. Восстановление медьсодержащих катализаторов низкотемпературной конверсии монооксида углерода


Перед эксплуатацией низкотемпературный катализатор подвергают восстановлению, которое сопровождается выделением большого количества тепла (1050 кДж/кг катализатора). В связи с этим газ-восстановитель разбавляют инертным газом. В качестве восстановителя чаще всего применяют азотоводородную смесь. Для разбавления (понижения концентрации восстановителя) используют преимущественно азот с минимальным содержанием примесей. Для уменьшения расхода азота осуществляется его циркуляция. Условно, применительно к промышленным агрегатам, процесс можно разбить на 4 этапа [7]:

. Разогрев катализатора циркулирующим азотом со скоростью 30 0С/ч до температуры в лобовом слое катализатора 200 0С, а в последнем по ходу газа - не менее 180 0С.

. Начальный период восстановления при максимальной циркуляции азота (объемная скорость 200-250 ч-1) и дозировке АВС в него в таком количестве, чтобы концентрация водорода была не более 0,3 % об. Постепенно, в течение 2-3 ч увеличивают содержание водорода в циркулирующем азоте со скоростью 0,2-0,3 % об. в ч и доводят до 1,0-1,2 % об. при температуре не выше 230 0С.

. Восстановление катализатора во всем объеме при концентрации водорода в азоте 1,0-1,2 % об. и температуре до 230 0С.

. Увеличение содержания водорода до 4-5 % об. Выдержка катализатора 3-4 ч. Затем содержание водорода увеличивается до 10-20% об. Выдержка составляет 3 ч для достижения полного восстановления катализатора.

Исследованиями установлено, что при восстановлении катализаторов НТК значительная часть меди восстанавливается до металлической, которая находится или в рентгеноаморфном, или в мелкодисперсном состоянии. Небольшая часть остается в частично восстановленной форме одновалентной меди.

Практически такие же режимы для восстановления катализаторов среднетемпературной и низкотемпературной конверсии СО используют на катализаторных фабриках, с той лишь разницей, что для проведения процессов используют не промышленные агрегаты, а реакторы периодического действия, в которые загружают катализатор.

Восстановленный низкотемпературный катализатор конверсии СО пирофорен, поэтому перед выгрузкой из контактного аппарата после отработки срока эксплуатации он должен быть окислен. Процессы окисления НТК в промышленных реакторах имеют ряд общих стадий, но различаются технологическими режимами.

Для окисления катализатора НТК применяют схему, используемую для восстановления, и проводят окисление воздухом, дозируемым в циркулирующий азот.

Условно процесс окисления представляет собой следующую последовательность этапов [7]:

. Охлаждение катализатора до 100-120 0С циркулирующим азотом.

. Окисление катализатора воздухом, дозируемым в циркулирующий азот в количестве 1 % об.; при этом не допускается подъем температуры выше 230 0С. В случае повышения температуры прекращают подачу воздуха в систему.

. Завершение процесса окисления (после выравнивания температуры на входе и в слоях катализатора) путем постепенного увеличения концентрации кислорода в циркулирующем азоте до 10 % об.

. Охлаждение катализатора воздухом до 50 0С.

Восстановленный на катализаторной фабрике катализатор перед выгрузкой окисляют только частично с целью устранения возможности самовоспламенения во время транспортировки и перегрузки. Для этого окисляют только часть поверхности катализатора кислородом, содержащимся в техническом азоте. Последний в необходимом количестве дозируют в чистый азот. При этом окислению подвергается примерно 20 % поверхности от общего количества. Такой процесс называется пассивацией. Концентрация кислорода в газе в процессе пассивации увеличивается от 0,1 до 3,0 % об. при объемной скорости 1000 ч-1. Продолжительность пассивации составляет около 20 ч. Восстановленный и запассивированный катализатор охлаждают до 30 С чистым азотом и упаковывают в герметичные стальные барабаны, внутренняя поверхность которых окрашивается бесцветным бакелитовым лаком.

Заключение


Реакция конверсии монооксида углерода привлекает повышенное внимание как в отношении катализаторов, так и в отношении технологии процесса, благодаря потребности в чистом водороде как в традиционных промышленных схемах, например, синтеза аммиака, процессов гидрирования, так и в качестве топлива для топливных элементов, используемых в транспортных средствах и в стационарных энергетических установках. Глубина протекания реакции паровой конверсии СО ограничена термодинамическим равновесием, поэтому состав выходящего газа определяется в значительной степени температурой процесса. В промышленности процесс осуществляется в две стадии: среднетемпературной СТК (330-500°С) и низкотемпературной НТК (180-240°С). Традиционно, на стадии СТК используется малоактивный в области низких температур, но устойчивый при высоких температурах, Fe-Cr катализатор; на стадии НТК используется Cu-Zn-Al катализатор, обладающий высокой активностью в области температур до 300°С, но низкой термостабильностью в области температур выше 350°С. Хотя требуемое низкое содержание СО на выходе после конвертора СО определяется условиями осуществления стадии НТК, показатели стадии СТК в значительной степени определяют эффективность процесса в целом. Традиционная схема проведения процесса паровой конверсии СО в две стадии является громоздкой.

Для улучшения массогабаритных характеристик реактора паровой конверсии СО в литературе рассматриваются варианты проведения процесса по одностадийной схеме.

Одностадийную схему проведения процесса в настоящее время предполагается осуществлять на традиционных катализаторах, но повышение эффективности процесса, в частности в результате создания компактных аппаратов, может быть достигнуто разработкой высокоактивных катализаторов, способных работать в широкой области температур.

В направлении получения термостабильного катализатора процесса низкотемпературной паровой конверсии СО сообщается, что получен ряд катализаторов на основе драгоценных металлов и оксидных катализаторов, содержащих переходные металлы. Однако эти катализаторы по своей активности превышают активность известных Cu-Zn катализаторов только в области температур выше 250°С. Катализаторы на основе драгоценных металлов имеют очень высокую стоимость.

Список использованной литературы


1. М.К. Письмен, Производство водорода в нефтеперерабатывающей промышленности. Москва "Химия" - 1976.

. Производство технологического газа для синтеза аммиака и метанола из углеводородных газов. /Под ред.А.Г. Лейбуш.М., Химия, 1971 - 286с.

. Справочник азотчика. 2-е изд. перераб., М.: Химия, (1986) 512с.

. Катализаторы, применяемые в азотной промышленности. Каталог/ Под общ. ред.А.М. Алексеева. Черкассы, НИИТЭхим. 1979-23с.

. Г.К. Боресков, Гетерогенный катализ. Москва "Наука" (1988).

. Технология катализаторов. Часть I. Методы приготовления катализаторов: учебное пособие / В.В. Коробочкин, Д.А. Горлушко. - Томск: Изд-во Томского политехнического университета, 2013. - 85 с.

. Технология катализаторов. Часть II. Технологические схемы приготовления промышленных катализаторов: учебное пособие/В.В. Коробочкин, Д.А. Горлушко. - Томск: Изд-во Томского политехнического университета, 2013. - 90 с.

Похожие работы на - Технология катализаторов конверсии монооксида углерода (НТК-4)

 

Не нашли материал для своей работы?
Поможем написать уникальную работу
Без плагиата!
Без нейросетей!