Розробка методики розрахунку параметрів преса для виготовлення технологічної лінії двухвалкового преса
ВСТУП
Зростання конкуренції, посилення
екологічних вимог, а також ускладнення видобутку і попередньої підготовки
сировини - ці і інші чинники пред'являють усе більш високі вимоги до
металургійної галузі України. Тому вдосконалення традиційних і розробка нових
технологій є необхідною умовою стійкого розвитку металургії. Нові інтенсивні
технології і процеси пред'являють не лише високі вимоги до якості сировини, але
і вимагають новий його вигляд. Традиційні методи кускування сировини багато в
чому вичерпали свої резерви і можливості. В той же час подібні матеріали
отримують за допомогою брикетування. Проте брикетування в чорній металургії
поки що не отримало належного визнання. Доля сировини, окуськованного
брикетуванням, залишається на рівні 2 % . В основному це брикетовані
металлізованниє матеріали, флюси і феросплави для виробництва стали.
Брикетування може успішно розвиватися в тому випадку, якщо воно буде
використано у сфері металургійного виробництва, де його переваги особливо
очевидні. В першу чергу це відноситься до утилізації пилоподібних відходів [1].
Таким чином, прогрес в області брикетування і потреба в сировині з новими
властивостями відроджують інтерес до брикетування як методу кускування
залізорудної сировини.
Основним агрегатом технологічного устаткування
для виробництва брикетів є брікетеровочний прес . Його призначення - переробка
різних мелкофракционніх матеріалів на брикети. Існує різні методики розрахунку
параметрів преса для виготовлення брикетів. Недостатньо повний облік
властивостей шихтових матеріалів і особливостей технології їх брикетування
приводить до невідповідності проектних і реальних навантажень, що виникають в
їх основних вузлах і приводі [2].
Останніми роками завдання створення
надійних вітчизняних пресів для брикетування мелкофракционних сировинних
матеріалів і промислових відходів набуває всього велику актуальність. Зв'язано
це не лише із збільшеним інтересом до брикетування, але і з тим, що в Україні і
в країнах СНД практично немає досвіду проектування і виготовлення валкових пресів
брикетів, відсутні підприємства, що спеціалізуються на їх виробництві. Незначна
кількість валкових пресів вітчизняного виробництва, що працюють на різних
підприємствах, розроблена і виготовлена різними неспеціалізованими
підприємствами. У зв'язку з цим відсутній єдиний підхід до принципів розрахунку
і проектування пресів і їх основних вузлів. В даний час існує безліч різних
конструкцій і конфігурацій валкових пресів брикетів, що не в малій мірі
пов'язано з матеріалом, що брикетується, тобто сировиною для здобуття брикетів
заданої форми і механічних властивостей. Інститутом чорної металургії НАН
України (ІЧМ), що мають значний досвід в розробці технології брикетування
різних шихтових матеріалів, створені валковиє преси продуктивністю від 0,5 до
20 т/ч, конструкція яких володіє простотою, надійністю і зручностями в
експлуатації. Розрахунок параметрів пресів виконаний на основі розробленої в
ІЧМ методики, фізіко, що враховує, - механічні властивості шихт, умови захвату
шихт валяннями, механізм розвитку навантажень у вогнищі деформації і вплив
конфігурації елементів, що формують, на параметри брикета.
Дослідження процесу брикетування і
розробка методики розрахунку параметрів преса для виготовлення технологічної
лінії двухвалкового преса для брикетування дрібно фракційних матеріалів є
актуальним у наступний час. Для досягнення поставленої мети у дипломному
проекті необхідно вирішити наступні завдання:
обгрунтування прийнятої
конструктивної схеми валкового пресу;
розрахунок основних параметрів
брикетів та розрахунок енергосилових параметрів валкового пресу;
розрахунок стрічкового конвейера;
розрахунок брикетировочного пресу;
питання експлуатації і ремонту.
1. ДОКУЧАЄВСЬКИЙ
ФЛЮСО-ДОЛОМІТНИЙ КОМБІНАТ
1.1 Історія
виникнення Еленовських кар'єрів
Докучаєвськ виник
в 1912 році як
робоче
селище Еленовськие кар'єри.
Історія виникнення Еленовських кар'єрів збіглася з розвитком капіталізму в
Росії.
До 1889 року територія, яку займає сучасний
Докучаєвськ була необжитою. У скелях водилася безліч змій і нічних птиць, через
що жителі навколишніх сіл Александрінки і Еленовки далеко об'їжджали це місце.
З 1885 року господарями Еленовських і Александрінських земель стали англійці
Давид Перн і Джон Юз - Російсько-бельгійське акціонерне суспільство. Вони
організували видобуток залізняку, що знаходився на поверхні Трактової скелі
(нині Східна копальня флюсо-доломітового комбінату). Пізніше почали вести
розробку вапняку і флюсів для виплавки металу. Першими робітниками були жителі
довколишніх поселень. Роботи велися уручну, для дроблення крупних блоків
застосовувався порох і динаміт. Вапняк гужовим транспортом доставлявся до
станції Еленовка, звідки його відвантажували Єнакіївському і Маріупольському
металургійним заводам. У 1906-1907 роках Російсько-бельгійське акціонерне
суспільство почало будівництво залізниці від станції Еленовка до місця гірських
розробок.
Видобуток же залізняку з кожним роком
зменшувався. Запаси її вичерпалися і в 1910 році видобуток руди припинився. В
кінці 1912 року і початку 1913 роки на території сучасного Південного селища
стали селитися каменоломи, що приїхали на заробітки, з Ларінських кар'єрів,
селяни Курської, Орловської і Тульської губернії. Вони будували бараки і
землянки, які і поклали початок селищу Еленовськие кар'єри. З початком
індустріалізації і зростанням металургійної промисловості з 1925 року
збільшується потреба у вапняку, розширюється кар'єр, зростає і розвивається
селище. Період з 1934-1935 років характеризується початком масового будівництва
житлових будинків для трудящих фабрики і копалень.
червня 1954 року Указом Президії Верховної Ради
УРСР селище міського типа Еленовськие кар'єри (рис.
1.2)
віднесене до категорії міст, йому привласнено ім'я великого російського ученого
- дослідника природи, засновника сучасного наукового грунтознавства і
комплексного дослідження природи Василя Васильовича Докучаєва. На основі учення
В.В. Докучаєва виникли прогресивні російські школи фізичної географії,
біоботаніки, ботанічної географії, динамічної геології і ін. Труди В.В.
Докучаєва увійшли до золотого фонду агрономії.
Керуючись ученнями В.В. Докучаєва,
жителі міста перетворили скелясту місцевість в квітучий сад. Тепер місто утопає
в зелені і кольорах. Щоб увічнити пам'ять великого
російського ученого-дослідника природи, було вирішено назвати місто його ім'ям.
1.2
Загальні відомості комбіната
ВАТ «Докучаєвський флюсо-доломітний
комбінат» (ДФДК) - одне з найбільших гірничо-збагачувальних підприємств України
по видобутку і обробці вапняків флюсів і доломіту, а також по виробництву
доломіту обпаленого металургійного.
Серед гірничо збагачувальних
підприємств комбінат надає найширший вибір видів виробленої продукції, завдяки
чому відвантажує її підприємствам металургійної, цукрової, скляної, хімічної
промисловості, будівельним і цементним підприємствам.
Обсяг виробництва товарної продукції
за 2004-й рік склав 7 млн. 643 тис.тонн в рік, у тому числі для потреб
металургійної промисловості 5млн.829тис.тонн.
Продукція комбінату відвантажується
більше 200 споживачам, у тому числі металургійним заводам України: Донецькому,
Макіївському, Маріупольським Ілліча і Азовсталь, Запорізькому, Єнакіївському,
Дніпропетровському і ін., а також будівельним організаціям, підприємствам
цукрової, хімічної, скляної і цементної промисловості.
Комбінат є основним виробником обпаленого металургійного
доломіту - 193 тис. тонн за 2004-й рік. Комбінат розробляє Еленовськоє і
Стильськоє родовища вапняків і доломіту чотирма кар'єрами:
"Центральний", "Доломітовий", "Східний" і
"Стильський".
Переробка корисної копалини здійснюється на
дробильно-збагачувальних фабриках: ДОФ-1, ДОФ-2, ДОФ-3 і циклічно-потоковій
технологічній лінії (ЦПТЛ) на кар'єрі "Центральний" і цехом випалення
доломіту. Крім того є комплекс допоміжних цехів і служб. Всього на підприємстві
працює більше 3,5 тис. чоловік. На комбінаті є інженерні мережі для
забезпечення всіх виробничих і допоміжних об'єктів електроенергією, водою,
теплом, газом. Об'єкти комбінату розташовані на земельному відведенні площею
3,2 тис.га.
1.3
Продукція комбіната
Корисними копалини є вапняки флюсів
звичайні, доломітизовані і доломіт. Вапняки схильні до фізичного і хімічного
вивітрювання, окремніння, кальцитізациі, доломітізациі, а також широко
розвинений поверхневий і внутрішній карст, що складається з піщано-глинистого
матеріалу з уламками вивітрених карбонатних порід.
Корисні копалини мають сіре забарвлення.
Механічна міцність карбонатних порід висока. Середні показники міцності
1200-1500кг/см2 для вапняків, 1200-1300 кг/см2 для доломіту. Об'ємна вага
карбонатних порід 2,5-2,6 г/см3. Пористість змінюється від 0.72 до 8.8 і в
середньому для вапняків товщі-2.6%, магнезійної 2.7%.
Естественнаявлажность0.1-0.6% Якість карбонатної сировини задовольняє вимогам
технічних умов на флюси і вогнетриви.
Масова доля суми оксидів кальцію і магнію у
вапняках складає 53-55%, масова доля нерозчинного залишку від 1.3 до 4%. Масова
доля фосфору не більше 0,01%, сірки 0.03-0.07-0.15%. Масова доля оксиду магнію
в доломіті від 15 до 18.5%, оксиду кремнію 0,6-1,2% доля оксидів алюмінію і
заліза в сумі 0,5-0,8%.
Таблиця 1.1 - Перелік продукції, що
випускається ОАО «Докучаєвський флюсо-доломітовій комбінат»
|
№
|
Найменування продукції, НТД
|
Марка
|
Крупность,
мм
|
Призначення
|
|
1
|
Вапняки
флюси для доменного виробництва ТУ В 14.1-00191856-005-2003
|
Ч-1,
Ч-2 ЧД-1, ЧД-2 ЧДУ-1, ЧДУ-2
|
10-20
20-50, 40-80 0-25, 5-25
|
Застосовуютья
як флюси в доменній шихті, у складі агломерату і окатишей.
|
2 Вапняки
флюси для сталеплавильного і феросплавного виробництва ТУ В
14.1-00191856-005-2003 <#"700534.files/image001.gif">
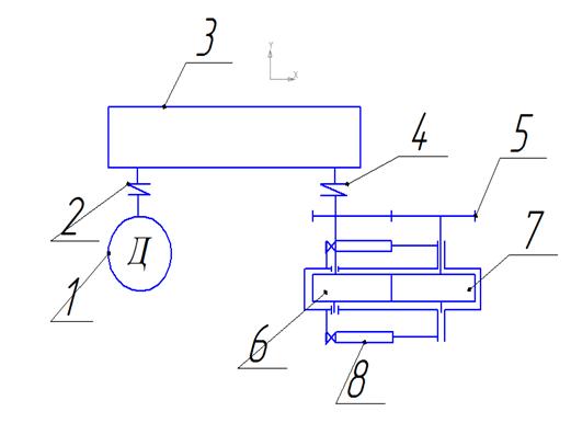
Рисунок 3.1 - Загальний вигляд
валкового преса
Робочі валки
(приводний 1 і не приводний 2) встановлені в под-шипникових опорах (подушках).
Подушки приводного валка нерухомі і жорстко закріплені на рамі 3. Подушки не приводного
валка сполучені з рамою шарнірно за допомогою пальців 4 і мають можливість
переміщення на певну величину при перевищенні заданого зусилля пресування.
Рухлива і нерухома подушки сполучені між собою попарно за допомогою запобіжних
пристроїв 5. Запобіжні
пристрої є набором тарілчастих пружин, встановлених в циліндрових корпусах.
Попереднім затягуванням пружин встановлюється задане значення зусилля
пресування. Зазор між рабочимі поверхнями валків встановлюється і регулюється
гайками 7 на штоках, що проходять через сухарі шарнірних опор непріводного
валка.
При перевищенні заданого зусилля
пресування (зусилля попереднього затягування пружин), у тому числі при
попаданні в межвалковоє простір сторонніх предметів, неприводний валок
відхиляється, і зазор може бути збільшений до 15 мм з миттєвим відновленням
робочого зазору після зниження зусилля до значення, що не перевищує задане.
Валки забезпечені змінними
кільцевими бандажами з профільованою робочою поверхнею. Монтаж і демонтаж
бандажів виробляється за допомогою клиновидних кілець. Завантажувальний
пристрій 8 складається зі сварок-ний воронки, розміщеної у верхній частині
розчину валків і закріпленої на спеціальній рамі, що охоплює бічні поверхні
бандажів. Регулювання подачі матеріалу в межвалковий простір здійснюється за
допомогою шибера 9.
Багаточисельні досліди по відробітку
технології брикетування широкого спектру мелкофракционних сировинних матеріалів
і техногенних відходів з єднальними добавками показали, що в діапазоні
проїзводітельностей преса від 0,5 до 20 т/ч необхідна якість брикетів
досягається без вживання подпрессовивающих пристроїв в системі за-вантаження
преса, що в цілому спрощує його конструкцію і знижує металлоємкость.
Завантажувальний пристрій
встановлений і закріплений на рамі 3. До складу приводу входить наступне
устаткування: електродвигун 10, зубчаста ланцюгова або кліноременная передача
11, редуктор 12, синхронізуюча шестерінчаста передача 13 з напівмуфтою 14.
Від
електродвигуна момент, що обертає, передається через ланцюгову (кліноременную)
передачу на швидкохідний вал редуктора і далі через напівмуфту на приводний вал
преса, який через синхронізуючу шестерінчасту (з великим модулем зуба) передачу
приводить в обертання не приводний вал. Прес может бути встановлений як на
фундаменті, так і на металоконструкції з можливістю розміщення під ним ємкості
для збору готової продукції (брикетів). Перед
запуском преса необхідно переконатися у відсутності шихти у воронці
завантажувального пристрою. Після цього здійснюється запуск преса і виробляється
випробування роботи його механізмів в неодруженому режимі. Потім шибер
встановлюється в положення, що забезпечує подачу шихти в межах заданої
продуктивності, і починається завантаження шихти у воронку завантажувального
пристрою. Працює прес таким чином. Робочі валки, обертаючись назустріч один
одному, захоплюють шихту елементами, що формують, в меж валковоє простір
(вогнище деформації), де відбувається за рахунок зміни об'єму пресованої шихти
перетворення сипкого тіла на тверде компактне тіло у вигляді брікета. При цьому
між валяннями виникає зусилля (зусилля того, що прес-суне) розпору,
урівноважене зусиллям попереднього затягування пружин в демпферах і
забезпечуючи здобуття брикетів необхідної якості. Досягши сталого режиму
брикетування слід зафіксувати положення шибера. В разі зупинки преса із-за
пера-вантаження, розвантаження його виробляється реверсивним обертанням валків
з метою видалення зайвої шихти з воронки.
3.2
Технічне обслуговування
. Можливі несправності і їх
усунення.
.1 При тривалій експлуатації преса в
наслідку абразивності матеріалу, що брикетується, робочі поверхні бандажів
зазнають знос. Міра зносу контролюється зміною форми і розмірів отримуваних
брикетів. При значних відхиленнях параметрів брикетів в заданих при порушеннях
стабільності процесу пресування в слідстві зносу робочої поверхні валків
необхідно виконати заміну бандажів.
Для нього необхідно:
зняти валок преса;
зняти подушку з не пріводного кінця
валка;
відкрутити гайки з шпильок тих, що
стягують бандаж з маточиною валу за допомогою клинового кільця;
встановити три віджимні болти в
спеціальні отвори в клиновому кільці. Закручувавши болти в клинове кільце по
черзі в діаметрально- протилежних місцях, віджати клинове кільце від маточини
валка;
зняти клинове кільце;
демонтувати знімачем бандаж з
маточини;
установку змінного бандажа на
маточини виконати в зворотній послідовності без установки віджимних болтів.
.2 При перевантаження преса штифт
запобіжної муфти, напівмуфти вільно обертаються один відносно одного, що
обертає момент від приводу до валянь не передається, валяння зупиняються. Для
заміни елементу-штифта, що зрізає, необхідно:
зняти кожух над муфтою і
синхронізуючою зубчастою передачею;
поєднати напівмуфти по ризиках;
відкрутити пробку;
вибиванням вибити втулки спільно із
зруйнованим штифтом;
видалити зруйнований штифт;
встановити новий штифт у втулки;
встановити втулки з штифтом в отвір
напівмуфт;
закрутити пробку;
встановити кожух.
.3.Для демонтажу валка необхідно:
зняти завантажувальний пристрій і
кожух;
зняти демпфер;
від'єднати валок пріводного від
редуктора, демонтуючи пальці запобіжної муфти;
відкрутити гайки з болтів, що
сполучають нерухомі подушки валка пріводного з рамою преса;
демонтувати пальці, що сполучають
рухливі подушки веденого валка з рамою;
зняти валяння преса;
для ревізії підшипників і демонтажу
бандажа зняти кришки підшипників з хвостовиків валу.
. Вказівка по технічному
обслуговуванню і ремонту.
.1 Обслужівающий персонал повинен
вести журнал характеристики роботи преса. У журналі фіксується дата роботи преса,
відомості про відмічені недоліки, несправності і їх усунення. Роботу преса не
можна продовжувати при повному зносі і виході з буд окремих вузлів і деталей.
.2 Ремонт преса здійснюється по
розробленому графіку в наступному порядку:
регулярні огляди стану вузлів і
механізмів перед черговим запуском;
поточний і капітальний ремонт згідно
з графіком.
при капітальному ремонті
виробляється повна перевірка всього технологічного устаткування, заміна окремих
вузлів і деталей що вийшли з буд. До капітельного ремонту мають бути
підготовлені необхідні запасні частини. Технічне
обслуговування купувальних виробів виробляти згідно з вимогами, що
пред'являються до них.
3.3 Участок
технологічної лінії
Рисунок 3.2 - Технологічна схема
лінії по брикетуванню дрібно фракційних матеріалів
До складу даної ділянки
технологічної лінії по брикетуванню дрібнофракційних матеріалів входять:
- змішувач;
- стрічковий конвеєр №1;
- стрічковий конвеєр №2;
- бункер;
- брикетувальний прес;
- стрічковий конвеєр №3.
Процес брикетування починається з
подачі до змішувача 1, брикетировочног матеріала (обпаленого доломітног пилу)
для подальшого змішування з связуючою речовиною (бішофітом + вода), після
інтенсивного змішування отримана суміш подається до стрічкового конвеєра №1 2,
далі по конвеєру вона транспортується, та пересипається до стрічкового конвеєра
№2 3. Після чого конвеєр пересипае суміш до бункера 4, де за технологією суміш
перебуває 20 хвилин, далі вона під тиском від своєї маси потрапляе до брикетировочного
пресу 5, там суміш під тиском приймає форму брикетів. Далі готові брикети
самопливом скочуються та потрапляють до «трічкового конвеєра №3 6, за допомогою
якого їх транспортують далі на завантаження в вагони.
4. ОБГРУНТУВАННЯ ПРИЙНЯТОЇ КОНСТРУКТИВНОЇ
СХЕМИ ВАЛКОВОГО ПРЕСА
4.1 Валкові преси
бесстанинного типу для брикетування дрібнофракційних сировинних матеріалів і
промислових відходів
На підставі розроблених в ІЧМ методик розрахунку
створена оригінальна конструкція малогабаритних, невеликої маси (до 6500 кг)
валкових пресів продуктивністю від 0,5 до 25 т/годину (в залежності від виду
шихти). Розроблена конструкція валкового преса відрізняється простотою,
компактністю і зручностями в експлуатації (рис. 4.1).
<#"700534.files/image004.gif">
Красный шлам Чугунная стружка

Такі розмір і форма підходять для брикетів, що
використовуються у металургійних межах, так і в якості побутового палива. Форма
брикетів не вимагає точного збігу калібрів валків, що спрощує пристрій приводу,
забезпечує більш високий коефіцієнт ущільнення і використання робочої поверхні.
Для таких калібрів розроблена технологія відновлення бандажів, що дозволяє в
2-3 рази підвищити термін їх служби.
4.3 Бандажі
Бандажи валків виготовляються зі
спеціальних сталей і володіють високою зносостійкістю завдяки великій твердості
робочої поверхні (55-64 HRC)
після термообробки. Стійкість змінних бандажів залежить
від режиму термообробки і марки стали, властивостей брикетируемого матеріалу,
розмірів і конфігурації формующего елемента. ЕПП ІЧМ виготовляє і поставляє
бандажі валків для заміни зношених (рис. 4.2).
Рисунок
4.2 Бандажи валков. а - зубчато-желобчатая конфігурація
формируючих элементів;
б - загальний вид в робочому положенні
Істотний вплив на якість брикетів,
продуктивність і умови експлуатації преса, економічність виготовлення надає
геометрія формуючих елементів бандажів. Формуючі елементи повинні задовольняти
наступним вимогам: рівномірне ущільнення брикету, мінімальна кількість гострих
граней і кутів, забезпечення вільного виходу брикету з формующего елемента,
висока використання робочої поверхні валків. Економічність обробки висуває свої
вимоги до геометрії формуючих елементів: мінімальні витрати коштів на обробку,
можливість обробки елементів стандартними інструментами при швидкісних режимах
різання на стандартному устаткуванні. Багато форми формуючих елементів складні
у виготовленні і володіють загальним недоліком: при відносному зсуві робочих
поверхонь пари валків відбувається утворення асиметричних брикетів, що
призводить до їх розшарування та ускладнює вихід з калібру. Найчастіше
на валки пресів конструкції ІЧМ встановлюються бандажі, що формують брикети
"пельменеобразной" форми (рис.
3)
розміром 40х38, 5х18, 5 мм з об'ємом 19,5...21 см3.
Основними перевагами бесстанинных
пресів є:
зниження металоємності;
підвищення ремонтопридатності;
легкість, міцність, жорсткість;
можливість швидкого розбирання та
вилучення робочих валків подъемно-транспортних пристроєм;
зручність доступу до допоміжних
пристроїв;
технологічність виготовлення.
Розроблений прес має більш високі технічні
характеристики в порівнянні з існуючими закордонними пресами аналогічної
продуктивності. В основному, закордонні преси валкові такої продуктивності
(10...20 т/ч) мають встановлену потужність приводу, габарити і масу в 2-4 рази
більше.
5. РОЗРАХУНОК БРИКЕТІВ ТА
ЕНЕРГОСИЛОВИХ ПАРАМЕТРІВ ВАЛКОВОГО ПРЕСА
5.1
Розрахунку основних параметрів брикетів
Брикетування - процес обробки
сипучих матеріалів пресуванням і отримання шматків правильної і одноманітним
(протягом всього процесу) форми (брикетів). Форма брикетів
досить різноманітна: горіх, куля, яйце, циліндр, конус, подушка, таблетка,
паралелепіпед, шестикутна призма, пельменеобразная.
Знаходимо обсяг одного брикету. Розміри брикету
показані на рис 5.1.

Рисунок
5.2
- Форма і розмір брикета
Розбиваємо брикет на чотири частини як показано
на рис 5.2.
Площа i-го сегмента:
Объем i-ой частини брикету:
Объем брикету:
Маса одного брикету:
де
- щільність брикету ,
;
.
В робочих пресах, застосовуваних для
брикетування
дрібнофракційних
матеріалів використовують валки діаметром 648 мм.
Окружна швидкість валка
дорівнює
(0,5…0,7) м/с.
Попередньо приймаємо діаметр валка
600 мм, а окружна
швидкість
валка
0,5м/с.
Тоді частота обертання валка:
Продуктивність брикетного
преса:
,
де
=0,95 - коефіцієнт виходу придатного;
t - кількість
рядів ячеек;
- частота обертання вала;
- продуктивність брикетного
преса;
- маса брикету;
i - кількість
ячеек в одному ряду.
де
- товщина перемички між ячейками;
- ширина брикету.
.
Кількість рядів ячеек на
валке:
Приймемо
, тоді ширина
валка:
Приймаемо,
5.2 Розрахунки енергосилових
параметрів валкового преса з урахуванням впливу геометрії формуючих елементів
Для вирішення поставленої задачі
розглянемо розрахункову схему для визначення енергосилових параметрів,
представлену на рис. 5.3. Прийнята розрахункова схема
передбачає умовне подання осередку деформації як сукупності криволінійних смуг
ANB. Обгрунтування і опис основних положень, що стосуються прийнятої
розрахункової схеми [1].
На схемі
показано випадок деформування шихти у валках з зубчато-жолобчастої
конфігурацією формуючих елементів. При такій конфігурації брикет формується в
просторі між комірками, розділеними між собою виступами у вигляді зубів, на
одному валку і поверхнею у вигляді кільцевого жолоби на іншому валку, при їх
зустрічному обертанні.
Рисунок 5.3 - Расчетная схема
определения энергосиловых параметров брикетирования
У разі, коли калібрування
валків симетрична, тобто формують елементи обох валків мають однакову
конфігурацію, у вигляді напівформ, розрахункова схема дещо зміниться, але
принцип її побудови та вирішення задачі залишаться аналогічними.
Валки преса обертаються з однаковими
кутовими швидкостями, тобто
. Чинності конфігурації формуючих
елементів радіуси
і
не рівні.
Таким чином, з розрахункової схеми слід що частинки шихти, укладені всередині
розглянутої смуги за одиницю часу переміщуються на різні відстані уздовж дуги
пресування. У будь
- який зі
смуг, на які розбитий вогнище деформації, має дотримуватися умова нерозривності
деформації, а у всій зоні ущільнення матеріалу в валковому пресі - умова
постійності витрати мас.
Для дотримання цих умов необхідно,
щоб в процесі ущільнення шари шихти, укладені в смузі і розташовані уздовж
ліній
і
, перетинали
лінію центрів валків, перебуваючи в горизонтальному положенні. Ця умова буде
виконано, якщо прийняти, що величина кута пресування для обох валків буде однакова,
то
є
. У цьому
випадку, як видно з рис . 1, виникає нахил (позначений кутом
) ділянки
смуги щодо
лінії, що з'єднує центри валків.
На майданчиках
та
в околицях
точок
і
діють на
напруги (тиск)
і
, викликані
силами пресування, абсолютні величини цих напруг між собою рівні із умови з
рівноваги і визначаються за методикою. Слід зауважити, що величина майданчиків
і
визначається
шириною смуг, на які розбитий вогнище деформації.
Визначимо енергосилові параметри
ущільнення шихти валками з сформовані елементами, представленими на рис. 5.4.
Рисунок 5.4 - Формующие
элементы: а.- зубчато-желобчатый; б.- линзовидный
Геометричні параметри валків і
формуючих елементів відповідають конструктивного виконання валкових пресів конструкції
ІЧМ. Відстань між осями валків - 648мм, зазор - 0, 5мм, кількість рядів
формуючих елементів на кожному валку - 9. Наведена ширина формуючих елементів
21мм і 17мм. Обсяги брикетів
і
відповідно,
з урахуванням зазору між валками до 1 мм. Для розрахунку прийняті дві шихти з
різними физико - механічні властивості 96,5% силікомарганцю (фр. - 6мм)+3,5%
органічного сполучного і 90% коксової дрібниці (фр. - 3мм)+10% лингосульфоната
технічного. Задане середні значення коефіцієнта ущільнення
для
брикетів з шихти 96,5% силікомарганцю (фр. - 6мм)+ 3,5% органічного сполучного
одно 2,1, а середні значення щільності - 4,053
для обох конфігурацій формуючих
елементів. Аналогічно для шихти 90% коксової дрібниці (фр. - 3мм)+ 10%
лингосульфоната технічного коефіцієнт уплотненич дорівнює 2,6 щільність - 1,43
відповідно.
Результати розрахунку енергосилових
параметрів брикетування і продуктивності преса для прийнятих формуючих
елементів і шихти наведені в табл. 5.1 і 5.2.
Розпірне зусилля для обох
шихти має максимальне значення при використанні формуючих елементів лінзовидной
конфігурації, для зубчато - жолобчастих конфігурацій цей параметр нижче
30...40%, ніж для лінзовидной. Що стосується параметрів продуктивності пресів,
то для лінзовидних формуючих
елементів цей показник на
17% вище,
ніж для зубчато - жолобчастих.
Таблица 5.1.
Энергосиловые параметры брикетирования шихты (90% коксовой мелочи +10% ЛСТ)
Таблица 5.2. Энергосиловые параметры
брикетирования шихты (96,5% силикомарганца +10% ОС).
Для оцінки впливу конфігурацій
формуючих елементів на енергосилові параметри брикетування як приклад на
рис.5.3 наведено характерні картини розподілу силових факторів уздовж дуги
пресування для двох конфігурацій формуючих елементів.
Різниця в величинах розпірних
зусиль, моментів пресування і потужності для різних конфігурацій формуючих
елементів обумовлено впливом геометрії останніх на радіальні
,
і окружні
,
складові
сил пресування. У дослідженнях наведено відомості, що вказують на те, що
захоплення пресованого матеріалу для зубчастого ряду формуючих елементів і
линзовидных формуючих елементів обумовлений умовами внутрішнього тертя, а для
жолоби - зовнішнього. Дане явище впливає на напружено-деформований стан шихти в
осередку деформації і енергосилові параметри процесу брикетування. Це підтверджується
розрахунковими даними, наведеними в цій роботі.
Рисунок 5.5 - Розподілення
радіальних
,
та колових
,
складових сил
прессования для: а.) зубчато - желобчатой. б.) лінзовидної конфигурациї формующих
элементов
Конфігурація формующего елемента
визначає співвідношення між складовими тиску пресування. Для зубчасто -
жолобчастої конфігурації формуючих елементів характерні великі значення
окружний складової
тиск
пресування на жолобі, що призводить до зростання загального крутного моменту.
При цьому зменшення величини
у вершин зубів знижує величину
горизонтальної проекції тиску пресування, відповідно знижується і величина
розпірного зусилля. Для линзовидной конфігурації формуючих елементів характерне
збільшення горизонтальних проекцій
і
тиск пресування, що призводить до
зростання розпірного зусилля.
Таким чином, для умов
пресування будь-який заданої шихти, за умови отримання брикетів з однаковими
значеннями середнього по брикету коефіцієнта ущільнення і щільності, значення
сумарного крутного моменту від сил пресування буде вище при зубчасто -
жолобчастої конфігурації формуючих елементів. При цьому, значення
сумарного розпірного зусилля для лінзовидних формуючих
елементів
буде
вище.
На величину енергосилових параметрів
впливають також глибина і розмір формующего елемента. Оцінка впливу даного є
предметом подальших досліджень.
Змінюючи конфігурацію і геометричні
параметри формуючих елементів, можна забезпечити зменшення величини розпірного
зусилля й крутного моменту, що покращує умови експлуатації преса, знижує
можливість його поломок.
6. РОЗРАХУНОК
СТРІЧКОВОГО КОНВЕЙЕРА
6.1 Опис конструкції конвеєра
Конвеєр, в загальному випадку, складається з
рами, приводу конвеєра, приводного і натяжного барабанів, роликоопор прямих або
жолобчастих, стрічки, натягача діфлекторних роликів, скребкового пристрою.
Обладнуються для шахт вибухонебезпечним приводом, установкою контролю
швидкості, пристроєм сходу стрічки, кабельтросовимі вимикачами.
Стрічковий конвеєр (рис.6.1)
призначений для транспортування залізної руди.
Рисунок 6.1
- Принципова схема стаціонарного похилого стрічкового конвеєра
Робочим органом, на якому
розміщується транспортується матеріал, є резинотканева стрічка.
Тяговим елементом стрічкового
конвеєра служить стрічка, замкнута в нескінченний контур. На кінцях конвеєра
вона огинає приводний і натяжний барабани. Так само в конвеєрі присутній привід
(електродвигун), редуктор, дві зубчасті муфти, ролікоопори робочої і холостої
гілки, гвинтове натяжний пристрій.
6.2 Перевірка можливості транспортування вантажу
Для дрібно зернистої
залізної руди виписуємо основні характеристики [3, c.365;
5, c.384; 1, c.551]:
·
насипна щільність т/м3;
·
кут природного укосу
в спокої 0=30 o;
кут
природного укосу в русі д»0,7
0 o =
;
·
коефіцієнт тертя по
гумі fр=0,6;
Перевіряємо умову транспортування вантажу
конвеєром:
,
де
- кут нахилу конвеєра;
- кут природного укосу вантажу в
русі.
.
Отже, транспортування виконується
надійно.
6.3 Визначення ширини та вибір стрічки
Відповідно, приймаємо:
- форма роликоопор - жолобчаста;
- кількість роликів - 3;
- попередньо приймаємо швидкість руху
стрічки 1,6 м/с;
- кут нахилу бічних роликів -
;
- коефіцієнт продуктивності -
[1, с.288].
Визначаємо ширину стрічки з умови забезпечення
заданої продуктивності:
,
де
- коефіцієнт, що враховує зниження
продуктивності конвеєра залежно від його кута нахилу,
[1, с.289];
- коефіцієнт
продуктивності, що залежить від форми ролікоопори і кута природного укосу
вантажу,
;
- насипна щільність вантажу,
.
.
З двох отриманих значень ширини
стрічки, беручи до уваги вже існуючі агрегати, приймаємо ширину стрічки
.
Попередньо розраховуємо потужність
приводу:
,
где
- узагальнений коефіцієнт опору
руху, залежить від типу конвеєра, властивостей вантажу та умов роботи,
[1, с.293].
.
За потужністю попередньо визначається
тягове зусилля на приводному барабані:
,
.
Визначаємо максимальне зусилля в
стрічці, відповідне зусиллю в набігає гілки приводного барабана:
,
где
- коефіцієнт тертя між стрічкою і
барабаном,
- при
сталевому барабані [1, с.552];
- кут обхвату стрічкою приводного
барабана, виражений в радіанах.
,
.
Приймаються матеріал прокладок
стрічки - БКНЛ-65.
Лінійна міцність
тканини прокладки
[2, с.412].
Визначаємо допустиме навантаження
на матеріал
стрічки:
,
де
- коефіцієнт запасу міцності,
, приймемо
.
.
По максимальному зусиллю в стрічці
визначаємо кількість прокладок:
,
.
Отже приймаємо кількість прокладок
.
З довідника вибираємо гумовотканинну
стрічку:
- тип - 2Р;
- ширина - 500 мм;
- кількість прокладок - 3…6, приймаємо
;
- матеріал обкладок - пошарові з
посиленим бортом і з двостороннім гумової обкладкою для транспортування
середньо-і дрібношматкових сипучих матеріалів;
- товщина прокладок -
;
- товщина обкладок - робоча
, неробоча
.
6.4 Вибір
конструкції і визначення діаметрів привідного та натяжного барабанів,
відхиляющіх барабанів, роликоопор робочої і холостої вітки. Обгрунтування
радіусів криволінійних ділянок
Згідно з
рекомендаціями [2, с.412] приймаємо:
1) діаметр приводного барабана:
.
Геометричні
параметри:
,
,
,
,
,
[3]
(рисунок 6.2);
Рисунок 6.2 - Схема
приводного барабану
2) діаметр натяжного
барабану:
.
Геометричні
параметри:
,
,
,
[3]
(рисунок 6.3);
Рисунок 6.3 - Схема
натяжного барабана
3) діаметр відхиляють барабанів:
.
Приймаються кількість роликів у
роликоопорі гілки:
- робочої - 3;
- холостої
- 1.
Тип ролікоопори робочої гілки - жолобчаста, а
холостий гілки - пряма.
Діаметр ролика
-
.
Відстань між роликоопорами:
- робоча гілка -
;
- холоста гілка -
.
Геометричні
параметри:
,
,
,
,
,
,
,
,
,
[3]
(рисунок 6.4);
Рисунок 6.4 -
Роликоопора робочої гілки
Геометричні параметри для
ролікоопори холостий гілки:
,
,
,
,
,
,
,
,
[3] (рисунок 6.5).
Рисунок 6.5 -
Роликоопора холостий гілки
6.5 Тяговий розрахунок конвеєра
6.5.1
Визначення погонних мас вантажу, стрічки, роликоопор
Визначаємо погонні маси:
- груза:
,
де
- продуктивність конвеєра, т/ч;
- швидкість транспортування
вантажу, м/с.
.
- стрічки:
,
де
- кількість прокладок;
- товщина прокладок,
;
- товщина верхньої гумової
обкладки,
;
- товщина нижньої гумової обкладки,
.
.
- роликоопор:
,
де
- маса роликоопори, кг;
- відстань між роликоопорами, м.
Для робочої гілки:
.
Для холостої гілки:
.
6.5.2
Розрахунок сил опору руху стрічки
На рисунке 6.6 наведена
розрахункова схема траси конвеєра.
Рисунок 6.6 - Схема траси
конвеєра з характерними точками
H’=1*tg B = 5 м
Сила опору на ділянці холостої гілки:
.
Знак «+» - при переміщенні вантажу
вгору, «-» - вниз.
Сила опору на ділянці 1-2 холостої гілки:
,
де
- коефіцієнт опору руху стрічки на
холостій гільці,
;
- прискорення вільного падіння,
;
- горизонтальна проекція ділянки
траси,
;
- висота підйому траси,
.
.
Сила опору на ділянці робочої гілки:
.
Знак «+» - при переміщенні вантажу
вгору, «-» - вниз.
Сила опору на ділянці 4-5:
,
.
Сила опору стрічки на ділянці
завантаження матеріалу:
,
де
- швидкість стрічки,
;
- складова швидкості вантажу уздовж
стрічки,
=1,1
- коефіцієнт тертя між вантажем і
стрічкою,
;
- висота падіння вантажу на
стрічку,
.
.
6.5.3
Визначення натягів у стрічці методом обходу по контуру
Використовуючи метод обходу по
контуру, розрахунок натягів у стрічці починаємо з точки мінімального натягу
збігає ненавантаженої гілки - т.1 (рисунок 6).
Для визначення натягу необхідно скласти і
вирішити систему рівнянь, для цього:
висловимо всі натягу через S1
і
перепишемо всі рівняння з урахуванням значень сил опору і коефіцієнта
k.
використовуємо зв'язок натяжений в т.1 и т.5
(рисунок 6.6) з умови
відсутності пробуксовки стрічки на барабані згідно з формулою Ейлера:
,
де
- натяг в набігаючей гілці;
- натяг в сбігаючей
гільці.
Для лінійних ділянок:
,
для криволінійних ділянок:
,
де
- коефіцієнт збільшення натягу в
стрічці при огибанием барабана, якщо кут обхвату барабана
, а если
[1, с.292];
- номер характерної точки на трасі
конвеєра.
де, k1=1,05.
.
Тоді, зусилля в наступних точках:
.
Тому збільшуємо натяг у стрічці за
допомогою натяжного пристрою на
1000Н.
Тоді:
;
;
;
.
На підставі отриманих зусиль будуємо
діаграму навантаження стрічки (рисунок 6.7).
де, k1=1,05.
Рисунок 6.7
- Діаграма натяжінь у
стрічці
6.5.4 Розрахунок
тягового зусилля
Уточнюємо тягове зусилля:
,
.
Приймаемо тягове
зусилля рівне
.
6.5.5
Перевірка непровісанія стрічки на роликоопорах
Перевіряємо зусилля непровісанія
стрічки на роликах:
- для робочої гілки:
,
де
- допустиме провисання стрічки, м;
- сумарна погонна маса, діюча
на ролики, кг/м;
- мінімальне
натяжіння в стрічці,
Н.
,
,
,
,
,
м.
Отже, умова виконується.
6.5.6
Перевірка приводного барабану на міцність
Перевіряємо міцність барабану по тиску на
поверхні барабану від натягу
стрічки:
,
де
- кут обхвату
стрічкою барабана, град;
- допустимий тиск для
гумотканинних стрічок
.
,
МПа.
Отже, умова виконується.
6.6 Розрахунок приводної станції конвеєра
6.6.1
Визначення потужності і вибір двигуна
Визначаємо потужність двигуна:
,
де
- коефіцієнт запасу неврахованих
втрат,
;
- ККД механізму.
,
де
- ККД барабана на підшипниках
кочення:
;
- ККД муфти; зубчасті муфти:
;
- ККД редуктора;
-
двоступінчастий редуктор.
,
.
По знайденому значенню потужності з
каталогу вибираємо двигун найближчій потужності 4А112МВ8У3 [7, с.18].
Характеристики
двигуна:номінальна потужність -
;
- номінальна частота обертання -
;
- момент інерції ротора -
;
- мінімальна кратність пускового моменту -
,2;
- максимальна кратність пускового моменту -
.
Визначаємо номінальний момент двигуна:
,
.
Визначаємо середню кратність
пускового моменту двигуна:
,
.
Визначаємо середній пусковий момент
двигуна:
,
.
Визначаємо кутову швидкість
обертання двигуна:
,
.
Визначаємо кутову швидкість
обертання приводного барабана:
,
.
6.6.2
Визначення передавального числа і вибір редуктора
Визначаємо необхідне передавальне
число редуктора:
,
.
Вибираємо
редуктор Ц2-250 з передавальним числом
[1, с.512].
Розбіжність між необхідним і
фактичним передатним числом
редуктора:
,
.
Уточнюємо фактичну кутову швидкість
обертання барабана:
,
.
Визначаємо фактичну швидкість
транспортування вантажу:
,
.
.6.3
Перевірка двигуна при пуску і на перевантаження
Обраний двигун перевіряємо на перевантаження в
режимі пуску навантаженого конвеєра:
,
де
- максимальний момент двигуна в
період пуску;
- статичний момент сил опору,
приведений до валу двигуна.
Визначаємо максимальний момент
двигуна в період пуску:
,
.
Визначаємо статичний момент сил
опору:
,
,
.
За результатами розрахунку умова
перевірки двигуна на перевантаження виконаються.
6.6.4 Вибір
муфт
Виберемо зубчасту муфту, яка з'єднує тихохідний
вал редуктора з валом приводного барабана.
,
де
- номінальний
момент, що діє на валу,
- коефіцієнт відповідальності,
;
- коефіцієнт
умов роботи,
;
- коефіцієнт
кутового зміщення,
.
,
,
.
Таким чином, вибираємо муфту типу
МЗ-1 с
и
[1, с.536].
.
Отже, умова виконується.
Виберемо пружну втулочно-пальцеве
муфту, яка з'єднує швидкохідний вал редуктора з валом електродвигуна.
,
.
Таким чином, вибираємо муфту типу
МЗ-2 с
и
[1, с.536].
.
Отже, умова виконується.
7. РОЗРАХУНОК БРИКЕТИРОВОЧНОГО
ПРЕСА
7.1 Вибір
електродвигуна і редуктора
Зобразимо схему приводу валків (рис
7.1.)
Рисунок 7.1 - Кінематична
схема приводу валків
1 двигун; 2 муфта; 3
редуктор; 4 муфта запобіжна; 5 шестеренная синхронизирующая передача;
6 валок приводний; 7 валок
ведомий; 8 демпфер
При дослідженні наміряні розпірне
зусилля між валками і активну потужність електродвигуна. Результат вимірів:
активна потужність електродвигуна
;
распорне зусиля між валками
;
діаметр валкоів досвідченного преса
;
довжина валка
окружна швидкість валка
Частота обертання валка досвідченного преса:
Момент сил опору на
приводному валу досвідченного преса:
де
ККД привід що
складається
з електродвигуна, пасової передачі, двоступінчастого
редуктора
и муфти:
ККД пасової передачі,
;
ККД редуктора,
;
ККД муфти,
;
;
Момент сил опору
на приводном валу проектованого
преса:
Знаходимо потужність електродвигуна:
де k - коефіціент запасу потужності, k=1,4;
По каталогу вибираем електродвигун МА 36/6 Т2,
потужності
з номінальною частотою обертання
Розрахункове розпірне зусилля між валками в
проектованом пресе:
Загальне передаточне
число приводу:
Розрахунковий момент сил опору на приводном
валу преса:
де k-коефіцієнт запасу, k=1,4;
За величиною цьгого моменту обираємо редуктор
ЦДН-710-40 з передаточним числом
Допустимий момент на
тіхохідном валу
редуктора
7.2 Розрахунок муфти
Статичниий момент
сил опору, передається муфтою:
Момент інерції рухомих мас преса,
приведений до тихоходному валу редуктора:
де
маса i-ої частини валка;
радіус i-ої частини валка (або зубчастого
колеса).
На рис. 7.2
показана схема поділу валка на чотири частини:
Рисунок 7.2 - Схема
поділу валків на чотири частини
Для кожної з чотирьох частини
знаходимо:
,

Приведенный момент інерції:
Максимальна кутове прискорення
тихохідного валу редуктора при пуску двигуна:
де
момент інерції ротора двигуна,
момент інерції першого шківа:
момент інерції другого шківа:
Тоді максимальна кутове прискорення
валу двигуна при пуску:
Максимальний момент, що передається
муфтою при пуску преса:
За максимального моменту і величиною
діаметра тихохідного валу редуктора вибираємо зубчасту муфту МЗ1-100000-250 і ГОСТ
5006.55.
Найбільший крутильний момент,
передається муфтою
.
Рормір муфти: діаметр вала
під муфту
довжина
валу
під муфту
, зовнішній діаметр муфти
, загальна
довжина
.
7.3
Розрахунок на міцність приводного вала преса
Крутний момент, наведений зубчастим
колесом, на привідний вал преса, дорівнює:
Зусилля, що розвивається в
зачепленні:
Радіальне зусилля в зачепленні:
Зобразимо схему валу і нанесемо сили
діють в горизонтальній і вертикальній площини (рис. 7.3).
Рисунок 7.3 - Схема
навантажень на вал і епюра моментів
Розподілене навантаження:
де F - розпірне
зусилля між валами;
- довжина валка;
Попередньо приймаємо:
Визначаємо опорні реакції в
горизонтальній площині:
На ділянці розподіленого
навантаження згинаючий момент:
Знаходимо максимальне значення
:
Максимальний момент в горизонтальній
площині:
Будуємо епюри згинальних моментів у
вертикальній площині. Для координати
31, 6см сумарний згинаючий момент
від горизонтальних і вертикальних сил:
Приймаємо матеріал валу - сталь
40ХНМА, НВ 280-300,
Предварительно находим диаметр вала:
де
=8
- знижений значення допускається
напруги;
Приймаємо діаметр валу 300 мм.
Попередньо вибираємо конічні
дворядні роликові підшипники 2097752. Розмір підшипників: діаметри 
ширина
Знайдемо запас міцності валу для
перетину, де згинаючий момент найбільший. Для цього перетину валу:
Коефіцієнт запасу міцності за
нормальним напруг:
де
- межа витривалості при вигині з
симетричним
циклів;
- коефіцієнт концентрації напруг при
вигині з урахуванням шорсткості поверхні:
;
=2 - коефіцієнт концентрації напруг
для перетину з шпоночними пазами;
- коефіцієнт впливу шорсткості для
шліфування поверхні;
-коефіцієнт що враховує вплив
розміру вала.
Амплітуда згинаючих напруг:
де (
і
- ширина і глибина
шпоночного паза),
- коефіцієнт зміцнення поверхні
вала;
- постійна складова напруг вигину;
Аналогічно знаходимо коефіцієнт
запасу міцності за дотичними напруг:
де
=0;
Момент опору:
Загальний запас міцності за межі
витривалості:
Допустимий запас міцності:
де
- кофіціент
безпеки;
- коефіцієнт
режиму роботи;
- коефіціент міцності
матеріалу;
Був прийнятий
, вал має достатній
запас
міцності
за межі витривалості.
7.4
Розрахунок і вибір підшипників вала преса
Сили діюті на підшипники в
опорі А:
Сумарна радіальна сила
на підшипник:
В опорі В:
Сумарна радіальна сила
на підшипник:
утилізація брикетування
дрібнофракційний валковий
Таким чином,
розрахункова радіальна і осьова сили, що діє на підшипник:
Еквівалентне динамічне
навантаження на підшипник:
Долговічність підшипника:
де
=20000 годин - кількість
годин
роботи підшипника,
приймаємо
самі;
Необхідна динамічна
вантажопідйомність:
Вибраний підшипник має необхідну
динамічну вантажопідйомність (С=3000кН).
Допустима статистична навантаження
на підшипник 1790кН.
7.5
Розрахунок зубчастої передачі
Міжосьова відстань зубчастої
передачі визначається діаметром валків:
.
Ширина зубчастих коліс:
.
При консольному розташуванні
зубчастих коліс:
Приймаємо:
,
тоді
Спочатку наближено визначимо модуль
із умови забезпечення міцності на вигин:
де
обертовий момент:
Матеріал зубчастого колеса
- сталь 45, термообробка - об'ємна загартування 45…50 HRC.
Межа витривалості зубів:
Допустима напруга:
Приймаємо по ГОСТ 9563-80 значення
модуля:
Ділильний діаметр зубчастого колеса:
Кількість зубів:
Діаметр вершин зубів:
Фактичне напруга вигину у підставі
зуба:
Величина окружного зусилля:
Коефіцієнт форми зуба:
Для прямозубих передач:

Коефіцієнт що враховує нерівномірні
навантаження по ширині зуба:
Коефіцієнт динамічності:
Знаходимо фактичне изгибное напруга:
Фактичні контактні напруги на
робочих поверхнях зубів:
де
,
Для прямозубих передач:
Межа контактної витривалості зубів:
Допускається контактна напруга:
Фактична контактна
напруга:
Фактичне контактна напруга менше
допускається контактної напруги, умова виконується.
7.6
Розрахунок шпонок
Кінець приводного валу, на
який насаджена зубчаста півмуфта, має наступні розміри: діаметр
довжина
валу
Робочу
довжину шпонки приймаємо рівной
Ширина шпонки
висота
Найбільший момент передається валом:
Напруга зминання на бічній поверхні
шпонки:
де
При спокійному режимі роботи:
Так як діаметр бандажа і його
довжина відповідно діаметру і довжини зубчастої муфти, то дробильно міцність
шпонки під бандаж можна не перевіряти.
Перевіримо на смятие
шпонку під зубчастим колесом. Діаметр валу
рівна
довжина
шпонки
Момент передається зубчастим
колесом:
Напруга зминання:
Перевірка дробильно виконується.
Діаметр валу вибрано правильний.
8. ПИТАННЯ ЕКСПЛУАТАЦІЇ І
РЕМОНТУ
8.1
Розрахунок сил попереднього затягування різьбових з’єднань
Надійність кріпильних
різьбових з'єднань залежить від багатьох факторів, головними з яких є матеріал
і зусилля попереднього затягування. Матеріал необхідно вибирати таким,
щоб при максимальних навантаженнях з'єднання працювало в пружною області.
Зусилля попереднього затягування визначається з умови не розкриття стику або з
умови герметичності.
Таблиця № 8.1 -
Таблиця різьбових зєднань
|
Найменування
|
Технічна
характеристика
|
|
Матеріал
|
Материалы
фланцев
|
|
|
Товщина, 1-го
фланца, l1, мм
|
Материал
1-го фланца
|
Товщина 2-го
фланца, l2, мм
|
Материал
2-го фланца
|
|
Болт
М36
|
Ст.3
|
20
|
Сталь
|
20
|
Сталь
|
|
Болт
М24
|
Ст.3
|
15
|
Сталь
|
20
|
Сталь
|
|
Болт
М20
|
Ст.3
|
15
|
Сталь
|
15
|
Сталь
|
|
Болт
М16
|
Ст.3
|
10
|
Сталь
|
15
|
Сталь
|
Таблиця№
8.2 - Дані для розрахунку
сили попередньго
зтягування різьбових
зєднань
|
Найменування
|
Технічная
характеристика
|
|
Материал
|
Матеріали
фланцев
|
|
|
Товщина, 1-го
фланца, l1, мм
|
Материал
1-го фланца
|
Товщина 2-го
фланца, l2, мм
|
Материал
2-го фланца
|
|
Болт
М36
|
Ст.3
|
20
|
Сталь
|
20
|
Сталь
|
|
Болт
М24
|
Ст.3
|
15
|
Сталь
|
20
|
Сталь
|
Розрахуємо зусилля попереднього затягування
різьбового з'єднання болтомМ36:
Сила попередньою різьбового з'єднання [1]:
,
де К -
коефіцієнт затягування різьбового з'єднання, К = 1,5 [1];
Р - зовнішня
сила,
кН;
- коефіцієнт
основного навантаження:
,
де
- піддатливість
проміжних деталей
(фланця);
- піддатливість болта.
,
де l0 -
деформируемая довжина болта;
Е0 - модуль пружності 1-го рода,
для матеріала болта -
сталь
Н/мм2 ;
F0 - площа
поперечного перерізу болта без урахування
різьблення, мм.
,
де
- висота гайки,
мм;
- висота головки
болта,
= 23 мм.
.
Тоді:
Піддатливість проміжних
деталей:
,
де Е1, Е2 - модулі
пружності матеріалів
фланців, для сталі
Н/мм2;
F1,2 - площа
перерізу умовних
циліндрів, мм,
,
,
D - діаметр
описоного кола гайки,
D=55,4 мм;
- кут
конусності,
;
d0 - діаметр
отвору в проміжній деталі, d0 = 37 мм.
.
.
Тоді:
Тоді сила попереднього
зтягування
дорівнюватиме:
Розрахуемо силу попереднього затягування різьбового зєднання болтом М24.
Висота гайки
мм, висота головки
болта,
= 15 мм.
.
Тоді:
Піддатливість проміжних деталей:
,
де Е1, Е2 - модулі пружності
матеріалів
фланців, для сталі
Н/мм2;
Діаметр описанного
кола гайки,
D=35 мм;
Діаметр отвору в проміжній
деталі,
d0 = 25 мм.
.
.
Тоді:
Тоті сила попереднього
зтягування дорівнюватиме:
8.2
Вибір методу контролю затягування різьбових з’єднань
За допомогою програмного
забезпечення R.S.V.G.K.
визначимо гідроключі для контролю затягування різьбового з'єднання М36
(рис.8.2.1).
За допомогою програми R.S.V.G.K. для
затягування різьбового з'єднання М36 необхідний гидроключ ГКТ 2036 з
максимальною силою 220 кН.
Рисунок 8.2.1 - Вибір
гідроключа
для різьбового з’єднання
болта
М36
Складемо таблицю по
зтягуванню і контролю різьбових зьєднаннь (таблиця 8.2.1).
Таблиця 8.3 - Методи контролю і сили попереднього
зтягування
|
Найменування
|
Зусиля попереднього зтягування, кН
|
Метод
контролю
|
Гидроключ
|
|
Болт
М24
|
138,3
|
прямий
|
УО-30,Р=10,8
МПа
|
|
Болт
М36
|
206,7
|
прямий
|
УО-30,Р=47,3
МПа
|
8.3 Складання
інструкції слюсарю по збірці різьбових з’єднань
Складання інструкції слюсареві:
1) затягнути болт М36, застосувавши силу
попереднього затягування, рівну 206,7 кН. Контролювати силу попереднього
затягування по манометру гидроключа створивши тиск Р=47,3 МПа.
2) затягнути болт М24, застосувавши силу
попереднього затягування, рівну 138,3 кН. Контролювати силу попереднього
затягування по манометру гидроключа створивши тиск Р=10,8 МПа.
8.4
Технологія складання і розбирання підшипників кочення
В підшипникових вузлів металургійних машин,
передавальних значні осьові зусилля або обертаючі моменти, використовують
з'єднання з гарантованим натягом, в яких діаметр валу завжди більше діаметра
отвору. Міцність з'єднання досягається за рахунок різниці діаметрів (натягу)
без застосування додаткових деталей.
Для монтажу підшипників будемо
використовувати нагрівання в масляній ванні до певної температури, що дозволяє
в результаті деформації внутрішнього кільця підшипника вільний його товариш з
валом.
Підшипники опорних роликів мають такі параметри
d = 260 мм.
Визначимо гарантований натяг в поєднанні з
посадкою:
Натяг максимальний:
Nmax = es - EI = 0,052 - 0 = 0,052 мм.
Натяг мінімальний:
Nmin = ei - ES = 0,020 - 0,052 = - 0,032 мм.
Вважаємо, що деформації деталей відбуваються в пружной області.
Теплові посадки - кільця сідають на вал с
натягом:
де δ - деформація при нагріванні;
i -
максимальний натяг (Nmax=0,052 мм).
де α - коефіцієнт лінійного
росширення
(α=0,012 мм/м∙0С);
d - посадковий
діаметр;
Т - різниця температур
(Т = Т2 - Т1).
Температура нагрівау:
де К - коефіцієнт, що
враховує
умови монтажу
та конструктивні
особливості деталі , К = 1,75
[1].
8.5
Конструювання ванни для нагріву підшипника
Зусилля, необхідне для монтажу можна
значно зменшити за допомогою нагрівання підшипника в масляній ванні (рис. 8.5.1).
Рисунок 8.5. - Нагрівання
підшипників в масляній ванні
Бак для масла виготовляють з листового заліза
товщиною 2-3 мм. На висоті 50-70 мм від дна бака встановлюють ґрати або сітку,
на яку укладають підшипники. Для підвіски підшипників можна також застосовувати
гачки. Укладати підшипники безпосередньо на дно бака не рекомендується, так як
там осідає бруд і, крім того, якщо для підігріву масла застосовується пальник,
то температура дна завжди буде вище температури масла, що може призвести до
перегріву підшипників. Бак повинен бути забезпечений термометром: температура в
баку не повинна перевищувати 125 °С, від
уникнення змін у структурі металу. Підігріті підшипники виймають з бака щипцями
і в гарячому стані монтують на вал.
Ще більш зручний для підігріву підшипників
двуполостный бак, в зовнішню порожнину якого наливають воду, а у внутрішню -
масло, нагреваемое кипляче водою до 80 - 90°С.
Широко застосовують так само ванни з автоматичним електропідігрівом [2].
8.6 Розрахунок сили
распрессовки
Розрахунок сил распрессовки для посадки
підшипника на вал з гарантованим натягом виробляємо знаючи різниця між
діаметром валу і внутрішнім діаметром втулки до збірки, яка називається натягом
N. При запресовуванні деталей відбувається розтягування втулки на величину ND (рис.
8.6.1) і одночасно стиснення вала на величину Nd при цьому [5]:
N = ND
+ Nd.
Рисунок 8.6.1 - Схема запресовування
Відомі залежності
[3]:
де р - тиск
на поверхні контакту сполучюваних
деталей;
D
- намінальний діаметр,
D = 260
мм;
E1,
E2 - модулі
пружності матеріалу втулки і
вала;
С1, С2 - коефіцієнти,
які
визначаються за фармулами:
де d1, d2 - діаметри 0 мм і 280 мм відповідно;
µ1, µ2 - коефіцієнт Пуассона
(для сталі µ = 0,3).
Визначимо коефіцієнти С1, С2:
Наібільший натяг дорівнює:
де Nmax
- максимальний натяг Nmax
= es - EI
= 0,052 - 0 = 0,052
мм.
Звідки максимальний тиск на поверхню контакту рmах
визначається з умови дії на нього максимальної осьовий сили Р для расспресовки:
де f1
- коефіцієнт тертя при поздовжньому зсуві деталей,
f1
= 0,14;
l
- довжина сполучення, l
= 150 мм.
Тоді шукану силу распрессовки знайдемо за
формулою:
Сила распрессовки дорівнює:
.
За розрахованої силі вибираємо зйомник СН 253400
з такими параметрами:
сила 250 кН;
кількість захоплень 3;
який охоплюється діаметр 150 - 400 мм;
глибина захоплення 375 мм;
хід 60 мм;
маса 35 кг.
8.7
Вибір і розрахунок систем змащення
Методика Вндіметмаш,
заснована на результати статистичного дослідження реальних вузлів тертя,
рекомендує розраховувати норму витрати пластичної змащення так [стор. 351, 2]:
q=11·
,
де 11 - мінімальна норма витрати мастила
для підшипників;
k1≥1 -
коефіцієнт, що враховує залежність норми витрати
змащення від
діаметра підшипника,
k1=1+(di-100) ·10-3;
k2 - коефіцієнт,
що враховує залежність норми витрати змащення від частоти обертання,
к2=1+4·(n-100) ·10-3;
k3 - коефіцієнт,
що враховує вплив якості тертьових поверхонь на норму витрати мастила
(при хорошому до
як,
тобто коли сумарна площа дефектів не
перевищує 5% контактної
поверхні), k3 =
1;
k4 -
коефіцієнт, що залежить від робочої температури підшипника, при Тр<75
, k4 = 1;
k5 - коефіцієнт
обліку навантаження, тому що робоча навантаження неперевищує проектне
значення, то k5 = 1.
Підшипники використовувані в машині
наведені в таблиці 8.7.1.
Таблиця 8.4 -Дані для проектування систем пластичної смазки
|
Найменування
|
Частота обертання об/хв
|
К-ть
Підшип-ників
|
Параметри подш.
|
Рабоча температура,°С
|
|
|
|
Ширина
|
Діаметр
|
|
|
Підшипники
валків
|
950
|
4
|
175
|
260
|
75
|
1=1+(260-100)·10-3
=1,1;
Приймаємо
К1 =1,1.
Визначим коефіцієнт,
що
враховує залежність норми
витраи
мастила
від частоти обертання:
к2=1+4·(950-100)
·10-3>1;
Приймаємо
К2 =1.
Коефіцієнт, що враховує вплив якості тертьових
поверхонь на норму витрати мастила (при гарній якості, тобто коли сумарна площа
дефектів не перевищує 5% контактної поверхні) приймаємо:
k3 = 1.
k4 -
коефіцієнт, що залежить від робочої температури підшипника,
при Тр<75
,
k4 = 1.
k5
-коефіцієнт обліку навантаження, тому що робоча навантаження
неперевищує проектне значення, то:
k5 = 1.
Визначаємо норми витрати
мастила
q1=11·1,1·1·1·1·1= 12,1 см3 /м2 ч;
Обсяг пластичної змазки, періодично що
подається живильником у підшипник кочення, визначаємо за формулою [2]:
,
де Т - тривалість
циклу змазування,
приймаємо
для всіх
підшипників Т = 4 ч;
F - площа
контактної поверхі підшипника,
,
де D -діаметр підшипника;
В - ширина підшипника.
;
Тоді обсяг
пластичного змащення:
За значенням запланованого обсягу
пластичної змащення вузол тертя вибираємо живильник з найближчим великим
значенням номінальної подачі. Приймаємо живильник 1-005-8 ГОСТ 6911-71, з
номінальною подачею змазки в один відвід 1,0 см3/ход з 4 відводами .
Вигляд системи змащення вибирають
залежно від режиму роботи машин, кількості вузлів тертя і характеру їх
розташування.
При розрахунку централізованих
ручних систем пластичної змащення в якості вихідного параметра беруть частоту
перезарядження резервуарів.
Витрата пластичної змащення (за один
цикл роботи системи)
визначаємо
за формулою [2]:
,
де аi - кількість
дволінійних живильників одного розміру;
Vi -
номінальна подача живильників цього розміру, см3/ход.
Qц =4·0,5= 2
см3/ход.
Розрахункова подача насоса
автоматичної системи подання пластичної змащення для заданої групи підшипників,
визначається за формулою [2]:,
,
де β -коефіцієнт
що враховує зменшення подачі при зносі (системи)
насоса; приймаємо β=0,75...0,8;
Тн - час нагнітання
змащення, приймаємо Тн=5…20 хв.
.
Кількість автоматичних систем пластичної
змащення визначається за формулою:
,
де Рк - подача прийнятого насоса, Рк
= 50 см3/хв;
Рн-
розрахункова подача насоса автоматичної системи пластичного змащення для
заданої групи машин.
шт.
Так як Nа
< 1, то підключаємо вузли тертя до однієї
автоматичної стації змащення з номінальною подачею пластичної змащення за один
цикл роботи:
Р=50см3/хв.
8.8 Розробка лінійного
графіка монтажу
Графік заміни бандажів робочих валків
брикетировочного преса
Трудомісткість на 1т (q) - 11,5
Бригада (n):
розряд - 1 людина;
розряд - 1 людина;
розряд - 2 людини;
розряд - 1 людина.
де=11,5 - трудомісткість на 1т,
=3,5 - маса робочого органу.
Знаходимо час:
де
=5 - кількість
робочих.
9. ЕКОНОМІЧНА
ЧАСТИНА
9.1 Кошторис ремонту на монтаж бандажів робочих валків брикетировочного преса
При розробці кошторису враховуються
витрати тільки трудових ресурсів з врахуванням кваліфікації працівників.
Тарифні ставки слюсарів - ремонтників показані у таблиці 10.
Таблиця 9.1-
Тарифні ставки слюсарів - ремонтників.
|
№
пп
|
Розрядслюсаря
|
Часова
тарифнаставка,грн.
|
|
|
|
|
1
|
1
|
7,30
|
|
2
|
2
|
8,76
|
|
3
|
3
|
10,22
|
|
4
|
4
|
11,68
|
|
5
|
5
|
13,14
|
|
6
|
6
|
14,16
|
Кошторис формується на основі
розробленого лінійного графіка ремонтів (рис 9.1).
Рисунок 9.1 - Лінійний графік
ремонтів монтажу
З лінійного графіка по кожній роботі
відома її тривалість Т, кількісна і якісна характеристика бригади:
де NR- це
кількість слюсарів R-го розряду.
Наприклад для виконання
роботи ″ Застропити підйомний важіль ″необхідно2години. Цю роботу
виконує1слюсар 4розряду (N4=1)
та 1 слюсар 6 розряду (N6=1).
Для визначення вартості цієї
роботи, використовується годинна тарифна ставка SR. Значення
ставки можна визначити з таблиці 10.
Кошториснавартістьвиконуваноїроботивизначається
з виразу:
де NR- це
кількість слюсарів R-го розряду;
SR-
тарифна ставка;
Т - трудомісткість робіт.
Таким чином перша робота (″
Зняти завантажувальний пристрій ″, тривалість Т1=0,5 години, виконує 1
слюсар 3 розряду, N3=1,
та 1 слюсар 4 розряду, N4=1,
та 1 слюсар 6 розряду, N6=1)
має вартість:
V1=T1 ∙(N3∙S3+ N4∙S4 +N6∙S6) =
0,5∙( 1∙10,22+ 1∙11,68+ 1∙14,16)=18,03 грн.
Четверта робота (″
Зняти пальці запобіжної муфти ″, тривалість Т4=0,25 година, виконує 1
слюсар 4 розряду, N4=1 та 1 слюсар 5 розряду N5=1)
має вартість:
V4=T4 ∙(N4∙S4+ N5∙S5)=0,25∙(
1∙11,68+ 1∙13,14)=6,21 грн.
П’ята робота (″
Від’єднати приводний валок от редуктора ″, тривалість Т5=0,5 години,
виконує 1 слюсар 3 розряду, N3=1, та 1 слюсар 4 розряду, N4=1,
та 1 слюсар 6 розряду, N6=1)
має вартість:
V5=T5 ∙(N3∙S3+ N4∙S4 +N6∙S6) =
0,5∙( 1∙10,22+ 1∙11,68+ 1∙14,16)=18,03 грн.
Результати обчислень по
приведених, та всіх інших роботах зведені у табличну частину кошторису, який
розміщений в додатку А. Сумарна вартість робіт по тарифним ставкам складає Vp=486,58грн.
На сумарну вартість робіт Vр
накладається наступне подорожання:
.Роботи в обмежених умовах
(К0=1,05)
V0
=К0∙Vр =1,05∙486,58=510,91
грн.
.Інфляціяз 2012 г, (К0= 1,75)
V1
=К1∙V0 =1,75∙510,91 =894,09
грн.
.Накладні витрати,(Кн=1,30)
.Плановінакопичення,
(Кк=1,10)
Vк=Кк∙Vн
=1,10∙1162,32 =1278,55 грн.
.ПДВ, (20%)
Vпдв
=ПДВ∙Vк
=0,20∙1278,55 =255,71 грн.
Разом ціна по кошторису
дорівнює:
Vкош
=Vк+Vпдв
= 1278,55+225,71=1534,26 грн.
Результати усіх обчислень
зведені у додатку А.
10. ОХОРОНА ПРАЦІ
ТА БЕЗПЕКА В НАДЗВИЧАЙНИХ СИТУАЦІЯХ
10.1
Характеристика технологічного процесу одержання брикетів
Брикетування - процес обробки сипучих матеріалів
пресуванням і отримання шматків правильної і одноманітним (протягом всього
процесу) форми (брикетів). Форма брикетів досить різноманітна: горіх, куля,
яйце, циліндр, конус, подушка, таблетка, паралелепіпед, шестикутна призма,
пельменеобразная.
Доломито - обжиговый цех (ДОЦ)
включає в себе комплекс будівель, споруд та приміщення які забезпечені
відповідними знаками безпеки згідно з ГОСТ 12.4.026-76 “ССБТ. Цвета
сигнальные и знаки безопасности“.
У нього входять:
• відділення завантаження сировини;
• три обертові печі діаметром 3 м і довжиною 90
м з відділенням гарячих головок печей
• три холодильника;
• дробильно-сортувальне відділення (ДСО) з
бункерами готової продукції і відходів. Машини дробильні, розташовані на
відкритих майданчиках, необхідно розміщувати під навісом, що захищає працюючих
та обладнання від атмосферних опадів. Машини дробильні необхідно обладнати кабінами
спостереження для обслуговуючого персоналу і огорожею;
• відділення котлів-утилізаторів і очищення
відхідних димових газів, а також ряд допоміжних технологічних ділянок.
Відвантаження готової продукції здійснюється з
бункерів
ДСО
за допомогою скіпового підйомника у
залізничні вагони і транспортується споживачам. Експлуатація
внутрішньозаводського і внутрицехового транспорту на металургійних
підприємствах повинна здійснюватися з дотриманням вимог
ГОСТ12.3.020-80
’’ССБТ. Процессы перемещения грузов на предприятиях’’. Відходи обпаленої
доломіту (класу 0-3мм), що утворюються при випалі і сортування, складуються в
бункер ємністю 200т і вивозять автотранспортом у відвал.
Робочий проект досвідченого ділянки
пресування відходів обпаленої доломіту розроблений на основі вимог "
Докучаєвського флюсо - доломітний комбінат ". Проектна потужність ділянки
10т/год за готової продукції. Сировиною для виробництва брикетів служать
відходи обпаленої пилу в кількості до 30т/добу і розчин бішофіту в кількості до
4 т/доб.
Основними операціями в технологічному ланцюгу є
операції змішування і пресування відходів обпаленої доломіту крупностью 0-3мм з
розчином бішофіту.
Продуктивність технологічної лінії прийнята
10-12 і визначається продуктивністю преса. Продуктивність вузла змішування і
конвеєрного транспорту обрана в межах 20 і визначається продуктивністю
існуючого скіпового підйомника дробильно-сортувального відділення (ДСО).
Конструкція, розміщення та експлуатація конвеєрного транспорту відповідає
вимогам
ГОСТ
12. 2. 022-80 “ССБТ. Конвейеры. Общие требования безопасности“.
В якості сполучного компонента при проведенні
лабораторних досліджень в умовах комбінату визначено розчин бішофіту.
Технологічна лінія пресування працює
наступним чином. Відходи обпаленої доломіту класу 0-3мм, виділені в процесі
сортування на ДЗГ цеху, складуються в бункері ємністю 200т.
Бункери, призначені для зберігання запорошених матеріалів, перекриті суцільними
знімними укриттями, а завантажувальні люки щільно закриті кришками. Бункери для
запорошених матеріалів обладнані аспірацій ними установками.
З бункера живильником - дозатором вони подаються
на існуючий стрічковий конвеєр №24, а останнім в змішувач. Одночасно в змішувач
подається дозируемый розчин бішофіту, перекачується насосною установкою з
ємностей. Для дозування витрати бішофіту встановлений комплект приладів.
Отримана в змішувачі суміш транспортується
стрічкових конвеєрів №1 і №2 в проміжний бункер, у якому суміш знаходиться
приблизно 30 хв до потрапляння в прес. Подача суміші в прес відбувається
самопливом.
Отпрессованные брикети стрічковим конвеєром №3
транспортуються в приймальну воронку скіпового підйомника для завантаження
силос обпаленої доломіту. .в час роботи скіпового підйомника перебування людей
на похилому мосту в скиповий ямі між прийомним бункером і верхньою частиною
похилого моста (на локальній частини) не дозволяється. Перед пуском скіпового
підйомника (крім підйомників доменних печей) необхідно подавати звуковий
сигнал. Після сортування в ДСО
продукція складується у бункерах готової продукції для відправки споживачеві.
10.2
Характеристика об’єкта
В данному дипломному проекті
основною машиною яку я проектую є валковий прес.
Валковий прес являє собою конструкцію безстанинного
типу призначений для виробництва брикетів з дрібнофракційних матеріалів зі
сполучною (рис. 10.1).
Рисунок 10.1 - Валковий
прес
Робочі валки (приводний 1 і неприводної 2)
встановлено в підшипникових опорах (подушках). Подушки приводного валу нерухомі
і жорстко закріплені на рамі 3. Подушки неприводного валка з'єднані з рамою
шарнірно з допомогою пальців 4 і мають можливість переміщення на певну величину
при перевищенні заданого зусилля пресування. Рухома і нерухома подушки з'єднані
між собою по-парно з допомогою запобіжних пристроїв 5.
Запобіжні пристрої
представляють собою набір тарілчастих пружин, встановлених в циліндричних
корпусах. Попередньою затягуванням пружин встановлюється задане значення
зусилля пресування. Зазор між робочими поверхнями валків встановлюється і
регулюється гайками 7 на акції, що проходять через сухарі шарнірних опор
неприводного валка.
При перевищенні заданого зусилля пресування
(зусилля попереднього затягування пружин), у тому числі при попаданні в
межвалковое простір сторонніх предметів, неприводної валок відхиляється, і
зазор може бути збільшений до 15 мм з миттєвим відновленням робочого зазору
після зниження зусилля до значення, що не перевищує вказану.
Валки забезпечені змінними кільцевими бандажами
з профільований-ной робочою поверхнею. Монтаж і демонтаж бандажів виробляється
з допомогою клиноподібних кілець. Завантажувальний пристрій 8 складається з
зварний воронки, розміщеної у верхній частині розчину валків і закріпленої на
спеціальній рамі, яка охоплює бічні поверхні бандажів. Регулювання подачі
матеріалу в межвалковое простір здійснюється за допомогою
Шибера 9.
10.3
Небезпечні фактори при ремонті та налагоджені
Згідно з ГОСТ 12.003-74 , ССБТ
"Опасные и вредные производственные факторы", небезпечні та шкідливі
виробничі фактори підрозділяються на критичні ситуації:
• бігаючі машини і механізми;
• рухомі частини виробничого
обладнання;
• пересуваються вироби, заготовки,
матеріали;
• підвищена запиленість і
загазованість повітря робочої зони;
• підвищена температура поверхонь
устаткування, матеріалів;
• підвищена температура повітря
робочої зони;
• підвищений рівень шуму на робочому
місці;
• підвищений рівень вібрації;
• підвищене значення напруги в
електричному колі, замикання якого може відбутися через тіло людини;
• гострі кромки, задирки і шорсткість
на поверхні заготовок, інструментів та обладнання.
Основними небезпечними та шкідливими
виробничими факторами при експлуатації устаткування є:
• рухомі частини приводу;
• підвищена запиленість і
загазованість повітря робочої зони;
• підвищена температура поверхонь
устаткування;
• підвищена температура повітря
робочої зони;
• підвищений рівень шуму на робочому
місці;
• підвищений рівень вібрації.
У доломито - обжиговом цеху
джерелами шуму є три печі робота кранів, процеси розвантаження і завантаження,
брикетировочні відділення. Влияние шума на организм
залежить від спектральної характеристики і рівня звукового тиску. Виробниче
обладнання та інструменти, що створюють шум при роботі, повинні відповідати
вимогам ДСН 3.3.6.037-99 " Санітарні норми
виробничого шуму, ультразвука та
інфразвука
", а також ГОСТ 12.1.003-88
ССБТ. " Шум. Общие требования безопасности".
У тих випадках, коли шум на робочих місцях не
може бути знижений до гранично допустимих рівнів, необхідно використовувати
засоби індивідуального захисту органів слуху, а при еквівалентній рівні шуму
більше 120 дБА - дистанційне керування виробничим процесом за допомогою камер
чи автоматизувати технологічний процес.
Вібрація на робочих місцях не
повинна перевищувати граничних значень згідно з ДСН 3.3.6.039-99 Державні
санітарні норми виробничої загальної та локальної вібрації і ГОСТ 12.1.012-90
ССБТ. "
Вибрационная безопасность. Общие требования ".
Основні забруднювачі повітря в
робочій зоні - це пил, оксид вуглецю, азоту і сірки. Пил
представляє небезпеку для працюючих, тому що за фракційним складом цей пил
містить близько 80% порошинок з розмірами менше 7 мкм. Для зменшення
концентрації шкідливих речовин у повітряному середовищі цеху необхідно
передбачити ефективну аерацію будівлі, кондиціонування повітря. Повітря в
робочій зоні цеху має відповідати вимогам ДСН 3.3.6.042-99 " Санітарні
норми мікроклімату виробничих приміщень".
Основними виробничими небезпеками при проведенні
ремонту, налагодження електромеханічного приводу є механічні травми отримані від
рухомих частин машини, травми при транспортуванні (переміщення) деталей, вузлів
механізму, а також в результаті ураження електричним струмом. При ремонті,
налагодженню приводу слід дотримуватися правил безпечної експлуатації
електроустановок НПАОП 40.1-1.01-97 " Правила безопасной эксплуатации
электроустановок ". Погрузочно-розвантажувальні роботи необхідно
виконувати механізованим способом у відповідності з вимогами ГОСТ 13.3.009-76
ССБТ " Работы погрузочно-разгрузочные. Общие требования безопасности
".
10.4
Способи створення безпечних умов при виконанні технологічного процесу та
ліквідації аварійних ситуацій
При всій різноманітності виробничого
обладнання існують загальні вимоги, виконання яких дозволяє забезпечити безпеку
його експлуатації. Ці загальні вимоги безпеки викладені
в ГОСТ 12.2.003-91 " ССБТ. Оборудование производственное. Общие требования
безопасности ".
Технологічне обладнання, що виготовляється для
металургійної промисловості, має бути з автоматизованим або механізованим
управлінням, а також забезпечувати безаварійну і безпечну роботу, контроль і
регулювання технологічного процесу. Розташування
технологічного обладнання повинно забезпечувати його безпечну експлуатацію,
зручність обслуговування і ремонту.
Нормальним режимом роботи приводу вважається,
такий режим, коли немає замикань на землю або на корпус. При цьому безпека
людини забезпечують ізоляція і недоступність струмоведучих частин, захисне
поділ електричних мереж.
Безпека експлуатації забезпечується
застосуванням заземлення згідно ГОСТ 12.1.030-81, ССБТ " Электробезопасность.
Защитное заземление, зануление ". При якому нетоковедучі частини приводу,
які можуть виявитися під напругою електрично з'єднані з землею. За допомогою
заземлення зменшується напруга на корпусі (у разі випадкового замикання на
нього струму), а також напруга дотику і крокова напруга в зоні розтікання цього
струму.
Для забезпечення безпеки
технологічного процесу передбачено:
• устаткування стрічкового конвеєра
огорожами приводних, натяжних і таких, що відхиляють барабанів, що блокуються з
електросхемою приводу конвеєрів;
• устаткування конвеєрних периловими
огорожами, що виключає випадкове падіння людини на стрічку і обмежують доступ
до роликоопорам;
• установка пристроїв аварійної
зупинки, що дозволяють зробити екстрену зупинку конвеєра з будь-кого точка по
його довжині;
• установка кожухів на муфти
приводів обладнання;
• пристрій проходів між обладнанням,
бічним огорожею галерей і майданчиків, які забезпечують безпечне пересування
персоналу та розміщення вантажопідйомних засобів та іншого обладнання при
виконанні ремонтних робіт;
• облаштування перильні огороджень
майданчиків на висоті більше 0, 3м;
• запуск обладнання з центрального
пульта керування;
• представлення автоматичної
передпусковий сигналізації;
• пристрій гучномовного зв'язку;
• взаємне блокування об'єднаного
обладнання та його автоматичне відключення, сигналізація стану обладнання;
• пристрій покриття майданчиків з
рифленою сталі.
10.5
Електробезпека. Розрахунок захисного заземлення
Для захисту обслуговуючого персоналу
від поразки електричним струмом усе електроустаткування, яке в наслідку
порушення ізоляції може виявитися під напругою, підлягає заземленню шляхом
приєднання до заземляючого контура. Проектом передбачається облаштування
окремого заземляючого контура для досвідченої ділянки пресування відходів
обпаленого доломіту. По облаштуванню молниезащиты спорудження досвідченої
ділянки пресування відходів обпаленого доломіту належать до третьої категорії.
Для заземлення обладнання передбаченні трубчаті заземлювачі, які розташовано по
контуру будівлі.
Мета захисного заземлення - знизити
до мінімуму різницю потенціалів між корпусом обладнання, до якого торкається
людина, та землею.
Принцип дії захисного заземлення
полягає в тому, що між корпусом електрообладнання, який заземлюється та землею
виникає металевим з'єднання великої провідності, тому струм, який походить
крізь людину стає безпечним для життя.
Розрахунок ведеться відповідно до
ГОСТ 12.1.030-81, ССБТ "Электробезопасность. Защитное заземление, зануление".
При дотику людини до незаземленого
корпусу, сила струму, яка проходить через нього, складає:
де Uф
=220 В - фазна напруга;
Rч
=1000 Ом - опір тіла людини;
Rиз
= 5000 Ом - опір ізоляції однієї фази відносний землі.
Отримане значення сили струму
перевищує допустиме значення 50мА, тому існує небезпека для життя
обслуговуючого персоналу. Для виключення поразки персоналу струмом, необхідно
розрахувати захисне заземлення.
Розрахунок питомого опору грунту:
де φ=1,5
- кліматичний коефіцієнт опору грунту;
=100 Ом∙г - питомий опір
грунту.
ρрозр =1,5∙100
= 150 Ом∙м.
Приймаємо, що штучні і
природні заземлювачі з'єднані паралельно. При цьому їх загальний опір не
повинен перевищувати нормативне значення опорів заземлень R3=4
Ом. Виходячи з цього розрахуємо опір штучного заземлення:
де Rb = 7,3 Ом
- природні
заземлювачі з природним розтіканням.
В якості штучного заземлення
використовуємо сталеві стержні круглого поперечного перерізу, які
розташовуватимуться в поверхні грунту.
де d = 0,04 м - діаметр
прутка;
= 1,5м - довжина
прутка.
В якості сталевої сполучної
смуги використовуємо сталеву шину із смуги прокатної сталі з перерізом 50 мм і
довжиной
= 10 м.
Приймаємо, що стержні розміщені через 2,5 м, таким чином, отримуємо 4 стержні.
Опір сполучної смуги:
Уточнюємо опір смуги з урахуванням
опору використання:
де „0,62" - коефіцієнт
використання.
Необхідний опір розтіканню
стержнів розраховується згідно з правилами облаштування електроустановок(ПУЭ):
Визначаємо кінцеве число
стержнів і коефіцієнт їх використання ηcm=0,82
[10]:
Приймаємо 8 штук.
10.6
Заходи щодо пожежної безпеки
при обслуговуванні комплекса оборудовання
Виробництво по взрывной, взрывопожарной і
пожежної небезпеки відноситься до категорії В. Застосування засобів
автоматичного пожежогасіння не передбачається.
Для забезпечення пожежної безпеки передбачено:
оснащення технологічної лінії вогнегасника ОП -
3;
• встановлення
в листах можливої протоки нафтопродуктів ящиків з піском;
• забезпечення технологічної лінії телефонним
зв'язком для виклику пожежної охорони;
• забезпечення
функціонування добровільної пожежної дружини;
• застосування
пожежобезпечний обладнання при нормальних режимах роботи;
• не допускається виконання виробничих операцій
на обладнанні з несправностями, які сприяти спалаху і пожежі;
• при появі течі масла тіток необхідно негайно
усунути, а масло прибрати в спеціально відведене місце.
При роботі з доломітом шкідливих виробничих
фактором є пил, що відноситься до четвертого класу небезпеки. ГДК пилу доломіту
в повітрі робочої зони до 6. Доломіт не токсичний, пожежобезпечний та
вибухобезпечний ГОСТ 12.1.004-91, "ССБТ. Пожарная безопасность. Общие
требования ".
Пожежогасіння не влаштовують автоматичної дії
(через можливих помилкових спрацьовувань, які можуть викликати коротке
замикання на оголених шинопроводах що проходять в камері трансформатора).
Установка пожежогасіння має ручний дистанційний пуск. Пожежна сигналізація
видає сигнал на пульт управління піччю і в пожарноедепо.
Причиною пожежі електромеханічного приводу є як
правило, струми, струм короткого замикання, перевантаження, які призводять до
спалаху обмоток двигуна, іскріння в результаті поганого з'єднання провідників,
комутаційні й атмосферні перенапруження, у кабельних лініях електропередачі
можливі дугові замикання на землю, коли від гарячої дуги запалюється оболонка
кабелів, розкладання ізоляції електропроводки при відповідних умовах
навколишнього середовища призводить до місцевого нагріву та займання продуктів
розкладання, можливий вибух і пожежа масла.
Керівником гасіння пожежі до прибуття першого пожежного підрозділу, викликаного
по тривозі, старший з числа чергового електротехнічного персоналу або
відповідальний за електрогосподарство. Після прибуття пожежного підрозділу
старший командир приймає на себе керівництво гасінням пожежі.
Для гасіння електромеханічного приводу під
напругою застосовують інертний газ, порошки й інші "сухі" способи
гасіння пожеж. Гасіння пожежі водою неприпустимо, щоб уникнути контакту з
розплавленим металом. При гасінні пожежі необхідно застосовувати заходи для
одночасного знеструмлення приєднань, на яких горить обладнання. Знеструмлення
здійснюється черговим електротехнічним персоналом без попереднього отримання
дозволу особи вищої посадою, яка здійснює оперативне керівництво по
експлуатації електроустановки, але з наступним повідомленням її після
закінчення операцій відключення.
ВИСНОВКИ
У даному дипломному проекті був
виконан «Проект універсального двухвалкового преса для брикетування дрібнофракційних матеріалів
в умовах Докучаєвського флюсо-доломітового комбінату». У проекті було
розглянуто устаткування доломито - випалювального цеху ВАТ «ДФДК» і принцип
його роботи, був описаний технологічний процес та функції роботи участка
технологічної лінії двухвалкового
преса для
брикетування дрібнофракційних матеріалів, було проаналізовано існуючі
конструкції робочих бандажів і проведено їх порівняльна характеристика, був
обґрунтований вибір варіанту для заданих у проекті умов, виконано розрахунок
основних параметрів двухвалкового брикетного преса: діаметр
і ширина
валка
, частота
його обертання
Визначена
потужність та встановлено електродвигун МА 36/6 Т2, потужність
з
номінальною частотою обертання
, редуктор ЦДН-710-40 з передаточним
числом
, обрана
схема приводу, виконано розрахунок і вибір зубчастої муфти МЗ1 -100000-250 ГОСТ
5006.55.
Виконано розрахунок:
стрічкового конвеєра, розрахунок на міцність приводного валу преса і
синхронізує зубчастої передачі, отримані навички розробки технології монтажу
обладнання. Сили попереднього затягування різьбових з'єднань М36=206, 7кН і
М24=138, 3кН відповідно; підібрані гидроключ УО-30 для затягування з'єднань.
Для збірки з натягом підшипників кочення визначена температура їх нагрівання;
для підшипників з внутрішнім діаметром 260мм вона дорівнює 29,16 ºС.
Підібраний зйомник СН 253400 із зусиллям 250 кН для знімання підшипників.
Система розрахована пластичної змазки, обрані дозуючі живильники, для
змащування необхідна 1 ручна станція.
Був складений кошторис на монтаж
приводу робочого рольганга.
Описані можливі аварійні ситуації в
обтискному цеху, вказані небезпечні та шкідливі фактори, методи боротьби з
ними; розрахований звукоізолюючий кожух, захисне заземлення, описані заходи
щодо створення пожежної безпеки.
Розроблені креслення: загальний
вигляду частка
технологічної лінії двухвалкового преса, загальний
вигляд
двухвалкового преса,
зварна рама, бандаж, вал приводного валу, вузол приводного
валка; лінійний
графік реконструкції приводу.
ПЕРЕЛІК ПОСИЛАНЬ
1.
Пресс для горячего брикетирования железосодержащих материалов. / З.И. Некрасов,
Г.Г.
Побегайло,
А.Г. Ульянов, В.А.Носков и др.. // Интенсификация процессов доменной плавки и
освоение печей большого объема. М.: Металлургия, 1979. - Сб. № 5. - С.20-23.
.
Экспериментальное исследование силовых параметров при брикетировании
железорудного концентрата. / А.В. Праздников, А.Г. Ульянов, Г.Г. Побегало,
В.А.Носков и др.. // Интенсификация процессов доменной плавки и освоение печей
большого объема. М.: Металлургия, 1979. - Сб. № 5. - С.23-27.
.
А.С. 1189686 СССР, МКИ3 ВЗОВ 11/12. Валковый пресс для брикетирования
порошкообразных материалов. / А.И. Целиков, З.И. Некрасов, А.И. Майоров, О.Н.
Кукушки, Б.Н. Маймур, В.А. Носков и др.. (СССР) № 3754625/25-27. Заявлено
21.06.84; Опубл. 01.11.85 г. - Бюл. № 41. - 2 с., ил. 4.
.
А.С. 1247301 СССР, МКИ3 ВЗОВ 11/18. Вертикальный валковый пресс для
брикетирования сыпучего материала. / З.И. Некрасов, А.И. Целиков, Б.Н. Маймур,
А.И. Майоров, В.А, Носков и др.. (ССС). - № 3685559/25-27. Заяв-лено 06.01.84
г. Опубл. 30.07.86 г. Бюл. № 28. - 2 с., ил.2.
.
Носков В.А. Валковый пресс для брикетирования мелкофракционных отходов
производства и сырья. // Металлургическая и горнорудная промышленность. - 1999.
- №2/3. - С.100-102.
6.
Седуш В.Я. Надежность, ремонт и монтаж металлургических машин: Учебник. - 3 -
изд. перераб. и доп. - К.: УМК ВО, 1992. - 368 с.
7.
Анурьев В.И. Справочник конструктора-машиностроителя. В 3-хт.Т.1 - Т. 3 - 5 е
изд., перераб. и доп. - М.: Машиностроение, 1979. - 559с., ил.
8.
Каталог «ГидрУМ» по гидравлическому оборудованию.
9.
Целиков А.И. Полухин П.И. Машины и агрегаты металлургических заводов. В 3 т. -
М.: Металлургия, 1988. - 680с.
.
Носков В.А. Определение силовых параметров процесса брикетирования сыпучих шихт
в валковых прессах // Фундаментальные и прикладные проблемы черной металлургии:
сб.научн.гр. Выпуск 3. К.: Науковая думка. - 1999. - С.349 - 356.
.
Носков В.А. Особенности захвата порошкообразной шихты валками при брикетировании
// Металлургическая и горнорудная промышленность. - 1997. - №4. - С.102-104.
.
Носков В.А, Харун И.В. Исследование уплотнения и напряженно - деформированного
соотояния мелкофракционных шихт в валковом прессе // Металлургическая и
горнорудная промышленность, 2006. - №4. - С.142 -146.
.
Носков В.А. Развитие разработок ИЧМ в области создания прессового оборудования
для брикетирования мелкофракционных шихтовых материалов // Фундаментальные и
прикладные проблемы черной металлургии. Сб. научн. Трудов ИЧМ НАН Украины. -
Вып. 12. - 2006. - С. 253 - 266.