Разработка технологической операции и управляющей программы обработки детали на токарном станке с УЧПУ 'Электроника НЦ-31'
Введение
Машиностроение является одной из важнейших
высокотехнологичных отраслей современного хозяйства. В связи с этим оно должно
на базе новейших достижений науки и техники непрерывно разрабатывать и
выпускать продукцию, в том числе и товары потребления, обладающих высокими
потребительскими качествами, конкурентоспособностью на внешнем рынке, а также
обеспечивать служебные характеристики, заложенные в изделие конструктором при
наименьшей себестоимости деталей. В условиях современного машиностроения важную
роль играет применение при изготовлении различного рода деталей, в том числе и
тел вращения, прогрессивных металлорежущих станков, инструментов и режимов
резания, которые позволяют значительно снизить трудоемкость изготовления
деталей, что, в свою очередь, благотворно влияет на конкурентоспособность
современного производства.
Целью выполнения данной работы является создание
технологического процесса изготовления детали «Вал», с подробным
проектированием токарных операций на станке токарном патронно-центровом с ЧПУ
16К20Т1, в условиях среднесерийного типа производства. Применение в условиях
современного производства станков с ЧПУ является оправданной мерой, так как оно
позволяет повысить эффективность работы предприятия и качество выпускаемой им
продукции.
Не следует также упускать из виду того факта,
что перевод современного серийного производства на использование станков с
числовым программным управлением значительно ускоряет процесс технологической
подготовки производства и делает его более гибким, что в конечном итоге идет на
пользу всему производству.
1.
Исходные данные для проектирования
Согласно [1] обработка детали осуществляется на
токарном патронноцентровом станке с ЧПУ модели 16К20Т1, оснащенным УЧПУ
«Электроника БЕЦ -31».
1.1 Общие
сведения об оборудовании
Общие сведения об используемом технологическом
оборудовании уточняем из [2].
Назначение: токарная обработка деталей типа тел
вращения в замкнутом полуавтоматическом режиме. Область применения:
мелкосерийное и серийное производство. Класс точности: по ГОСТ 8-82, II - при
проверке на соответствие ГОСТ 18097-72.
Устройства ЧПУ:станок может быть выполнен с
различными устройствами, в частности:
— «Электроника
НЦ-31»;
— «2Р22»;
Сведем основные параметры технологического
оборудования в таблицу 1.
Таблица 1. Основные параметры технологического
оборудования
|
Наименование
параметров, размерность
|
Величина
лараметров
|
|
Наибольший
диаметр устанавливаемого изделия над станиной, мм
|
500
|
|
Наибольшая
длина устанавливаемого изделия в центрах, мм
|
1000
|
|
Наибольший
диаметр обрабатываемого изделия над станиной, мм, не более
|
320
|
|
Наибольший
диаметр обрабатываемого изделия над суппортом, мм, не более
|
200
|
|
Наибольшая
длина обрабатываемого изделия, мм
|
900
|
|
Число
позиций инструментальной головки
|
6
(8 по заказу)
|
|
|
Наибольший
диаметр прутка, проходящего через отверстие шпинделя, мм
|
53
|
|
|
Наибольшая
высота резца, устанавливаемого в резцедержателе, мм
|
25
|
|
|
Наибольший
ход суппортов, мм, не менее: по оси X по оси Z
|
250
900
|
|
|
Минимальная
скорость быстрых перемещений, мм/мин: продольных поперечных
|
6000±6%
500±6%
|
|
|
Подача
суппорта мм/об: продольного поперечного
|
0,01-2,8
0,005-1,4
|
|
|
Пределы
частот вращения шпинделя, об/мин: По диапазонам: I II III
|
20-7-2240
20-J-325 63-900
160-2240
|
|
|
Наибольший
крутящий момент на шпинделе, Нм, не менее
|
800
|
|
|
Наибольшее
усилие продольной подачи, Н
|
10000
|
|
|
Наибольшее
усилие поперечной подачи, Н
|
3600
|
|
|
Рекомендуемый
предельный диаметр сверления, мм: — по чугуну —
по
стали
|
28
25
|
|
|
Мощность
электродвигателя главного движения, кВт
|
11
|
|
|
Масса,
без дополнительного оборудования, кг
|
3800
|
|
.2 Основные характеристики УЧПУ “Электроника”
НЦ-31
Дискретность задания перемещения: по
оси X - 0,005 мм;
по оси Z
- 0,01 мм.
Количество управляемых координат 2
Объем памяти ПЗУ и ОЗУ: 6 Кбайт
Исполнение: однопроцессорное
УЧПУ, моноблок.
Количество управляющих программ в архивной
памяти: 5
(с использованием кассеты ОЗУ ВП до 13).
Максимальное количество кадров в УП: 250
.3 Основные параметры обработки
Заготовкой для получения детали служит пруток d=36
мм по ГОСТ 1050-88.
Базирование и закрепление заготовки
осуществляется в самоцентрирующем трехкулачковом патроне с развитыми по длине
кулачками. Вылет прутка настраивается по шаблону. В конце обработки
производится отрезка детали от прутка.
Станок с ЧПУ имеет плавающий ноль. Выбираем ноль
детали (Од) на левом торце на оси детали.
При изготовлении детали следует выдерживать
основные размеры данные на чертеже детали на чертеже детали и при чистовой
обработке выдерживать шероховатость заданных в чертеже поверхностей (кроме
торцов и канавки) в пределах 1,6 мкм по параметру Ra.
2.
Разработка последовательности выполнения переходов, выбор инструмента, его
кодирование и настройка
Исходя из конфигурации детали, заданной точности
обработки и шероховатости поверхности, устанавливаем следующую технологическую
последовательность обработки по переходам:
- подрезание
торца и черновое обтачивание;
- протачивание
канавки шириной 5мм;
- чистовое
обтачивание;
- отрезание
детали от прутка.
В соответствии с изложенным в [3] осуществляем
выбор инструментов (см. рис.2):
Т1 - резец проходной К 01-4831-000 ГОСТ 21151-75
с параллелограммной пластиной из твердого сплава Т15К6 08116-1900605-230 ГОСТ
19062-82 (сечение державки 25 х 25 мм);
Т2 - резец канавочный К 01-4115-000 с пластиной
из твердого сплава Т15К6 шириной 5мм (сечение державки 25 х 25 мм);
ТЗ - резец для контурного точения К 01-4231-000
ГОСТ 20872-80 с трехгранной пластиной Т15К6 - 01114-220408 ГОСТ 19046-80
(радиус при вершине г=1 мм; сечение державки 25 х 25 мм);
Т4 - резец отрезной ГОСТ 18884-73 с пластиной из
твердого сплава Т15К6 шириной 5 мм (сечение державки 25 х 25 мм).
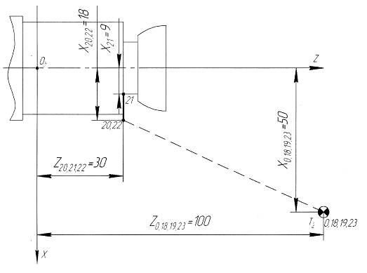
Устанавливаем положение центра инструмента, для
которого строится траектория относительного перемещения (см. рис. 2):
- для
чернового резца Т1 - на вершине режущей кромки (Oi);
- для
прорезного резца Т2 - на главной режущей кромке слева (02);
- для
чистового резца ТЗ - в центре радиусной режущей кромки (Оз);
- для
отрезного резца Т4 - на пересечении вертикали и горизонтали, касательных
соответственно к вспомогательной и главной режущим кромкам (О4)
Определяем координаты ZH
и Хи для комплекта режущего инструмента при обработке детали на станке 16К20Т1
(см. рис. 2).
Рис. 2. Размерная настройка инструмента
Для резца Т1: ZH
= 70 мм; Хи= 161 мм;
Т2: ZH
= 66 мм; Хи= 156 мм;
ТЗ: ZH
= 52,5 мм; Хи= 161 мм;
T4:Zh = 66mm; Хи=168мм.
3.
Разработка траекторий движения инструмента
При построении траекторий необходимо учитывать
следующие:
Положения исходной точки (начала отсчета) с
которой начинается движение каждого инструмента и точек, где производится смена
инструмента должны быть удалены на некоторое расстояние от заготовки,
достаточное для беспрепятственного осуществления движения револьверной головки
(X = 50 мм; Z = 100 мм от нуля
детали).
Припуск на черновое точение разбиваем на
несколько проходов с наибольшей глубиной резания t
=2...3 мм [1]. Припуск на чистовое точение принимаем равным t
= 1 мм на сторону.
Траектория движения чернового резца включает
участок подрезания торца (1-2) и участки черновых проходов (4-5-6; 8-9-10-11;
13-14-15-16-17).
Обработка прорезным, чистовым и отрезным резцами
осуществляется за один проход.
Траектория движения чистового резца представляет
собой эквидистанту, отстоящую от обрабатываемого контура на расстояние, равное
радиусу скругления режущей кромки чистового резца Т3 г=1 мм. Траектория
содержит участок (26-27) на котором движение происходит по дуге окружности по
двум координатам одновременно.
Траектории движения режущих инструментов в
процессе обработки детали представлены на рисунках 3-6.
Рис.3 Траектория движения чернового резца Т
Рис. 4 Траектория движения канавочного резца Т2
Рис. 5 Траектория движения чистового резца Т3
Рис. 6 Траектория движения отрезного резца Т4.
Расчет координат опорных точек траектории
движения чистового резца производим при помощи дополнительных построений (см.
рис. 7, 8).
Расчетная схема к определению координат опорных
точек. Исходя из построения (см.рис.7) определяем величину большего катета
треугольника. По теореме Пифагора:
Где l2
- длина меньшего катета прямоугольного треугольника;
- длина гипотенузы прямоугольного треугольника,
13=15мм;
1 = Z26-Z27;
= 45 - 35 = 10мм.
l1=
Величину ∆l определим по формуле:
∆l = l1-X27
∆l
= 11,18-10 = 1,18мм.
Координату х'26 точки 26 определим по формуле:
26 = r
- ∆l;
26 = 15 -1,18 = 13,82мм.
Координату х26 точки 26 определим по формуле:
X26=13,82+1=14,82
Рис. 8. Расчетная схема к определению координат
опорных точек Исходя из построения (см. рис. 8) и решения предыдущей задачи
определяем величину угла а:
а = arctg
а = arctg 
= 410 49.
Исходя из построения (см. рис. 8)
определяем величину угла β:
β = 180°-90°-а;
β = 180° -90° -41°49 =48° 11.
Зная длину гипотенузы (расстояние до
эквидистанты - 1мм) произведем расчет длины 1 меньшего катета треугольника:
= l* cos
β;
= 1*0,67 = 0,67мм.
Тогда, координата точки z27
будет:
27=Z27-l
27 = 35 -0,67 = 34,33мм.
Зная длину гипотенузы (расстояние до
эквидистанты - 1мм) произведем расчет длины 12 большего катета треугольника:
2 = l * sin
β;
1= 1*0,75 = 0,75мм.
Тогда, координата точки х27 будет:
Х27 = Х27+1
инструмент резание шпиндель подача
X27 = 10 + 0,75 =
10,75мм.
Расчет опорных точек производится с такой
точностью, чтобы обеспечить погрешность отработки траектории УЧПУ не более ±1
дискреты.
Координаты опорных точек траекторий движения
режущих инструментов сведем в таблицу 2.
Таблица 2. Координаты опорных точек
|
№
точки
|
Участок
|
Координаты
точек
|
|
|
X
|
Z
|
|
|
мм
|
Имп.
|
мм
|
Имп.
|
|
0
|
47-0
|
Смена
инструмента Т4-Т1
|
|
1
|
0-1
|
20
|
4000
|
45
|
4500
|
|
2
|
1-2
|
-1
|
-200
|
45
|
4500
|
|
3
|
2-3
|
-1
|
-200
|
46
|
4600
|
|
4
|
3-4
|
16
|
3200
|
46
|
4600
|
|
5
|
4-5
|
16
|
3200
|
-5
|
-500
|
|
6
|
5-6
|
20
|
4000
|
-5
|
-500
|
|
7
|
6-7
|
20
|
4000
|
45
|
4500
|
|
8
|
7-8
|
16,82
|
3364
|
45
|
4500
|
|
9
|
8-9
|
13,07
|
2614
|
34
|
3400
|
|
|
10
|
9-10
|
13,07
|
2614
|
30
|
3000
|
|
|
11
|
10-11
|
17
|
3400
|
30
|
3000
|
|
|
12
|
11-12
|
17
|
3400
|
46
|
4600
|
|
|
13
|
12-13
|
14,82
|
2964
|
46
|
4600
|
|
|
14
|
13-14
|
14,82
|
2964
|
45
|
4500
|
|
|
15
|
14-15
|
10,44
|
2088
|
34
|
3400
|
|
|
16
|
15-16
|
10,44
|
2088
|
30
|
3000
|
|
|
17
|
16-17
|
17
|
3400
|
30
|
3000
|
|
|
18
|
17-18
|
50
|
10000
|
100
|
10000
|
|
|
19
|
18-19
|
Смена
инструмента Т1-Т2
|
|
|
20
|
19-20
|
18
|
3600
|
30
|
3000
|
|
|
21
|
20-21
|
9
|
1800
|
30
|
3000
|
|
|
22
|
21-22
|
18
|
1800
|
30
|
3000
|
|
|
23
|
22-23
|
50
|
10000
|
100
|
10000
|
|
|
24
|
23-24
|
Смена
инструмента Т2-Т3
|
|
|
25
|
24-25
|
14,82
|
2964
|
46
|
4600
|
|
|
26
|
25-26
|
14,82
|
2964
|
45
|
4500
|
|
|
27
|
26-27
|
10,75
|
2150
|
34,33
|
3433
|
|
|
28
|
27-28
|
16
|
3200
|
34,33
|
3433
|
|
|
29
|
28-29
|
16
|
3200
|
-0,5
|
-50
|
|
|
30
|
29-30
|
18
|
3600
|
-0,5
|
-50
|
|
|
31
|
30-31
|
50
|
10000
|
100
|
10000
|
|
|
32
|
31-32
|
Смена
инструмента Т3-Т4
|
|
|
33
|
32-33
|
20
|
4000
|
-5
|
-500
|
|
|
34
|
33-34
|
-1
|
-5
|
-500
|
|
|
35
|
34-35
|
20
|
4000
|
-5
|
-500
|
|
|
36
|
35-36
|
50
|
10000
|
100
|
10000
|
|
|
|
|
|
|
|
|
|
|
|
|
|
4. Расчет
режимов резания
4.1 Выбор
подач
Для черновой обработки наружных поверхностей до d=50
мм и подрезки торца с максимальной глубиной резания 3 мм рекомендуемая рабочая
подача SoT=0,40 мм/об
карта 3 [4];
Окончательную подачу определяем по формуле:
=SoT*Ksu*Ksp*Ksd*Ksh*Ksy*Ksn*Ksφ*Ksj*Ksм,
где Ksи
- коэффициент инструментального материала,
Ksи=l,0
карта 3 [4];
Ksp -
коэффициент способа крепления пластины, Ksp=l,0
карта 3 [4];
Ksd -
коэффициент сечения державки резца, Кзд=1,0 карта 5 [4];
Ksh -
коэффициент прочности режущей части, Ksh
=1,0 карта 5 [4];
Ksy -
коэффициент, зависящий от схемы установки детали Ksf=0,8;
Ksn -
коэффициент состояния поверхности заготовки, Ksn=l,0
карта 5 [4];
Ksφ -
коэффициент геометрических параметров резца, Ks9=0,95
карта 5 [4];
Ksj -
коэффициент жесткости станка, Ksj
=0,75 карта 5 [4];
Ksм -
коэффициент механических свойств обрабатываемого материала, KsM
= 1,15 карта 5 [4].
S0 =
0,4*1*1*1*1*0,8*1*0,95*0,75*1,15 = 0,26 мм/об.
Для точения канавки диаметром d=18мм с шириной b
= 5 мм, SOT = 0,1 мм/об
карта 28 [4];
Окончательную подачу определяем по формуле:
= SoT * Ksм * Ksy *Ksш
* Ksd * Ks0,
где Ksм
- коэффициент механических свойств обрабатываемого материала, Ksм=
1,10 карта 29 [4];
Ksy -
коэффициент схемы установки заготовки, Ksy=l,0
карта 29 [4];
Ksш -
коэффициент шероховатости обработанной поверхности, Ksm=0,8
карта 29 [4]
Ksd -
коэффициент отношения конечного и начального диаметров обработки, Ksd
=1,10 карта 29 [4];
Ks0 -
коэффициент вида обработки (точение), Ks0
=1 карта 29 [4];
So =
0,1*1,1*1*0,8*1,1*1 = 0,1 мм/об.
Для чистовой обработки наружных поверхностей до d=50
мм с глубиной резания 1 мм рекомендуемая рабочая подача SoT=0,12
мм/об карта 6 [4];
Окончательную подачу определяем по формуле:
=SoТ-Ksм
*Ksy*Ksш*Ksd
* Ks0,
где Ksм
- коэффициент механических свойств обрабатываемого материала, Ksм
=1,15 карта 8 [4];
Ksy -
коэффициент, зависящий от схемы установки детали Ksy=l,0
карта 8 [4];
Ksp -
коэффициент, зависящий от радиуса вершины резца, Ksp=l,0
карта 8 [4];
Ksk -
коэффициент, зависящий от квалитета точности обрабатываемых поверхностей, Ksk=0,8
карта 8 [4];
Ksφ
- коэффициент, зависящий от кинематического угла в плане, Ksφ
=0,8
карта 8 [4];
So=0,12*1,15*1*1*0,8*0,8=0,09
мм/об
Для отрезания детали диаметром d=36
мм с шириной Ь=5 мм, SOT=0,1
мм/об карта 28 [4];
Окончательную подачу определяем по формуле:
So =SoТ*Ksм*Ksy*Ksш*Ksd*Ks0,
где Ksм
- коэффициент механических свойств обрабатываемого материала, Ksм=l,
10 карта 29 [4];
Ksy -
коэффициент схемы установки заготовки, Ksy=l,0
карта 29 [4];
Ksш -
коэффициент шероховатости обработанной поверхности, Ksш=0,8
карта 29 [4];
Ksd -
коэффициент отношения конечного и начального диаметров обработки, Ksd
=1,10 карта 29 [4];
Ks0 -
коэффициент вида обработки (точение), Ks0
=1 карта 29 [4];
So = О,1*1,1*1*0,8*1,1*1
= 0,1 мм/об.
4.2 Выбор
скоростей резания
Для черновой обработки наружных поверхностей
детали с глубиной резания t
до 3 мм и подачей So=0,26
мм/об Vт=128 м/мин, карта
21 [4]. Окончательную скорость резания определяем по формуле:
= VТ*Kvu*Kvc*Kvo*Kvj*Kvм*Kvφ*KvТ*Kvж
где Kvи
- коэффициент группы инструментального материала, Kvи=l,0
карта 21 [4];
Kvc -
коэффициент группы обрабатываемости материала, Kvc
=l,0 карта 23 [4];
Kvo -
коэффициент вида обработки, Kv0=l
карта 23 [24];
Kvj -
коэффициент жесткости станка, Kvj
= 75 карта 23 [4];
Kvм -
коэффициент механических свойств обрабатываемого материала, Kvм
=l,15 карта 23 [4];
Kvφ - коэффициент
геометрических параметров резца, Kvφ
=1,0 карта 23 [4];
KvТ -
коэффициент периода стойкости режущей части, KvТ
=l карта 23 [4];
Kvж -
коэффициент наличия охлаждения, Kvж
=1 карта 23 [4] (с охлаждением).
V=128*1*1*1*0,75*1,15*1*1*1=110,4
м/мин.
Принимаем:
V=110 м/мин.
Для точения канавки d=18
мм с глубиной резания t=5
мм и подачей So=0,l
мм/об рекомендуемая скорость резания составляет: Vt=135
м/мин карта 30 [4].
Окончательную скорость резания определяем по
формуле:
=VT*Kvu*Kvc*Kv0*Kvм*KvT*Kvж,
где Kvu
- коэффициент группы инструментального материала, Kvu
=0,9 карта 30 [4];
Kvc -
коэффициент группы обрабатываемости материала, Kvc
= 1,0 карта 31 [4];
Kv0 -
коэффициент вида обработки, Kv0=0,55
карта 31 [4];
Kvм -
коэффициент механических свойств обрабатываемого материала, Kvм
=l,2 карта 31 [4];
KvT -
коэффициент периода стойкости режущей части, KvT
=l карта 31 [4];
Kvж -
коэффициент наличия охлаждения, Kvж
=1 ,0 карта 31 [4].
V=
135*0,9*1*0,55*1,2*1*1=80,2 м/мин.
Принимаем:
V=80 м/мин.
Для чистовой обработки наружных поверхностей
детали с глубиной резания t
=1 мм и подачей So=0,09
мм/об Vт=257 м/мин, карта 22 [4].
Окончательную скорость резания определяем по
формуле:
V= VT*Kvu*Kvc*Kv0*Kvj*Kvм*Kvφ*KvТ*Kvж
где Kvu
- коэффициент группы инструментального материала, Kvu
=0,7 карта 21 [4];
Kvc -
коэффициент группы обрабатываемости материала, Kvc
=l,0 карта 23 [4];
Kv0 -
коэффициент вида обработки, Kv0
=l карта 23 [24];
Kvj -
коэффициент жесткости станка, Kvj
=0,75 карта 23 [4];
Kvм -
коэффициент механических свойств обрабатываемого материала, Kvм
=l,15 карта 23 [4];
Kvφ,
- коэффициент геометрических параметров резца, Kvφ
=1,0 карта 23 [4];
KvТ -
коэффициент периода стойкости режущей части, KvТ
=l карта 23 [4];
Kvж -
коэффициент наличия охлаждения, Kvж
=1 карта 23 [4] (с охлаждением).
V=370*0,7*1*1*0,75*1,15*1*1*1=155,2
м/мин.
Принимаем:
V=155 м/мин.
Для отрезания детали d=36
мм с глубиной резания t=5
мм и подачей So=0,l
мм/об рекомендуемая скорость резания составляет: Vт=147
м/мин карта 30 [4].
Окончательную скорость резания определяем по
формуле:
=VT*Kvu*Kvc*Kv0*Kvм*KvТ*Kvж,
где Kvu
- коэффициент группы инструментального материала, Kvu
=0,9 карта 30 [4];.
Kvc -
коэффициент группы обрабатываемости материала, Kvc
=l,0 карта 31 [4];
Kv0 -
коэффициент вида обработки, Kv0
=0,55 карта 31 [4];
Kvм -
коэффициент механических свойств обрабатываемого материала, Kvм
=l,2 карта 31 [4];
KvТ -
коэффициент периода стойкости режущей части, KvТ
=l карта 31 [4];
Kvж -
коэффициент наличия охлаждения, Kvж
=1,0 карта 31 [4].
V=147*0,9*1*0,55*1,2*1-1=87,3
м/мин.
Принимаем:
V=87 м/мин.
4.3 Расчет частот вращения шпинделя
Частоты вращения шпинделя определяются по
формуле:

об/мин
где D -
максимальный диаметр обрабатываемой детали.
Для чернового точения и подрезания
торца:
По результатам расчетов принимаем
фактическую частоту вращения шпинделя:
nф=970 об/мин.
Для точения канавки d=18
мм:

об/мин
По результатам расчетов принимаем
фактическую частоту вращения шпинделя:
nф=800 об/мин.
Для чистового точения наружного контура:

об/мин
По результатам расчетов принимаем
фактические частоты вращения шпинделя:
nф=1540 об/мин.
Для отрезания детали:

об/мин
По результатам расчетов принимаем
фактическую частоту вращения шпинделя:
пф=770 об/мин
4.4 Расчет мощности резания
Проверка выбранных режимов по мощности привода
главного движения Для самой нагруженной стадии обработки - чернового точения
наружного контура табличную мощность резания определяем по карте 21 [4] (по
значениям Ут).
Табличную мощность резания корректируем по
формуле:
где KN
- коэффициент твердости обрабатываемого материала, KN=0,80
карта 24 [4].
Для чернового прохода:
N = 3,6 *
0,8* 
=2,48 кВт
Полученные значения мощностей
резания не превышают мощности привода главного движения станка (Ncт=11 кВт).
Для чистового точения, прорезания
канавки, отрезания проверку по мощности не производят, так как мощность,
затрачиваемая на эти виды обработки существенно меньше, чем на черновое
точение.
4.5 Определение минутной подачи
Минутную подачу рассчитывают по формуле:
м =пф*S0
Для чернового точения:
Sм = 970 * 0,26 =
252 мм / мин,
для канавки d=18
мм:
Sм = 800 * 0,1 = 80
мм / мин,
для чистового точения наружного контура:
Sм = 1540 * 0,09 =
139 мм/ мин,
для отрезания детали:
Sм = 770 * 0,1 = 77
мм / мин.
Станок 16К20Т1 с УЧПУ «Электроника НЦ-31» имеет
бесступенчатое регулирование частоты вращения шпинделя, которая задается
непосредственно адресом S.
Так как станок оснащен автоматическим бесступенчатым приводом главного
движения, то принятое значение частот вращения шпинделя задается
непосредственно в управляющей программе.
5. Нормирование операции
Для станка 16А20ФЗ время фиксации револьверной
головки Тиф = 2 с и время поворота револьверной головки на одну позицию Тип = 1
с выбираем из приложения 46 [5, стр. 5].
Для холостых ходов принято значение минутных
скоростей быстрых перемещений 4000 мм/мин.
Время цикла автоматической работы станка по
программе Тц.а. складывается из основного времени автоматической работы станка
Т0 и машинновспомогательного времени Тмв [5, стр. 5], т.е.:
Т ц.а.=То+Тмв
То=
Тмв=Тмв.и+Тмв.х.
где Li
- длина пути, проходимого инструментом или деталью в направлении подачи при
обработке i-ro
технологического участка (с учетом врезания и перебега), мм;
Sмi
- минутная подача на данном участке, мм/мин;
I=1, 2,…,n - число технологических участков
обработки;
Т мв.и. - машинно-вспомогательное время на
автоматическую смену инструмента, мин;
Тмв,х - машинно-вспомогательное время на
выполнение вспомогательных ходов и технологические паузы, мин.
Для станков с контурными системами управления
время Тмв.х. можно определить по формуле [5, стр. 5]:
Тмв.х.=
где Lxxj - длина
пути, j-ro участка
автоматического вспомогательного хода, мм;
Sмy - минутная
подача ускоренного хода, мм/мин;
j=l, 2,...,m - число
участков автоматических вспомогательных ходов.
Величина L
определяется по геометрическим правилам в зависимости от формы траектории
участка.
Ввиду однотипности вычислений, производимых по
приведенных выше формулам в пояснительной записке они не приводятся. Результаты
расчетов по формулам целесообразно свести в таблицу 3.
Таблица 3. Время цикла автоматической работы
станка по программе при выполнении операции.
|
Участок
траектории или номера позиций инструментов предыдущего и рабочего положений
|
Приращение
по оси х Ах, мм
|
Приращение
по оси z
Az, мм
|
Длина
i-ro участка
траектории, Li, мм
|
Минутная
подача на i-ом
участке, SMi, мм/мин
|
Основное
время автоматической работы станка по программе Т0, мин
|
Машинновспомогательное
время, Тмв, мин
|
|
|
|
|
|
|
|
Тмв.х.
|
Тмв.и.
|
|
|
Инструмент
Т4 - инструмент Т1
|
|
|
|
|
|
|
0,05
|
|
|
0-1
|
30
|
55
|
62,65
|
4000
|
|
0,0157
|
|
|
|
1-2
|
21
|
0
|
21,00
|
252
|
0,0833
|
|
|
|
|
2-3
|
0
|
-1
|
1,00
|
252
|
0,0040
|
|
|
|
|
3-4
|
-17
|
0
|
17,00
|
4000
|
|
0,0043
|
|
|
|
4-5
|
0
|
51
|
51,00
|
252
|
0,2024
|
|
|
|
|
5-6
|
-4
|
0
|
4,00
|
252
|
0,0159
|
|
|
|
|
6-7
|
0
|
-50
|
50,00
|
4000
|
|
0,0125
|
|
|
|
7-8
|
3,18
|
0
|
3,18
|
4000
|
|
0,0008
|
|
|
|
8-9
|
3,75
|
11
|
11,62
|
252
|
0,0461
|
|
|
|
|
9-10
|
0
|
4
|
4,00
|
252
|
0,0159
|
|
|
|
|
10-11
|
-3,93
|
0
|
3,93
|
252
|
0,0156
|
|
|
|
|
11-12
|
0
|
-16
|
16,00
|
4000
|
|
0,0040
|
|
|
|
12-13
|
2,18
|
0
|
2,18
|
4000
|
|
0,0005
|
|
|
|
13-14
|
0
|
1
|
1,00
|
252
|
0,0040
|
|
|
|
|
14-15
|
4,38
|
11
|
11,84
|
252
|
0,0470
|
|
|
|
|
15-16
|
0
|
4
|
4,00
|
252
|
0,0159
|
|
|
|
|
16-17
|
-6,56
|
0
|
6,56
|
252
|
0,0260
|
|
|
|
|
17-18
|
-33
|
-70
|
77,39
|
4000
|
|
0,0193
|
|
|
|
Инструмент
Т1 - инструмент Т2
|
|
|
|
|
|
|
0,05
|
|
19-20
|
32
|
70
|
76,97
|
4000
|
|
0,0192
|
|
|
20-21
|
9
|
0
|
9,00
|
80
|
0,1125
|
|
|
|
21-22
|
-9
|
0
|
9,00
|
4000
|
|
0,0023
|
|
|
22-23
|
-32
|
-70
|
76,97
|
4000
|
|
0,0192
|
|
|
Инструмент
Т2 - инструмент ТЗ
|
|
|
|
|
|
|
0,05
|
|
24-25
|
35,18
|
54
|
64,45
|
4000
|
|
0,0161
|
|
|
25-26
|
0
|
1
|
1,00
|
139
|
0,0072
|
|
|
|
26-27
|
4,07
|
10,67
|
11,42
|
139
|
0,0822
|
|
|
|
27-28
|
-5,25
|
0
|
5,25
|
4000
|
|
0,0013
|
|
|
28-29
|
0
|
34,83
|
34,83
|
139
|
0,2506
|
|
|
|
29-30
|
-2
|
0
|
139
|
0,0144
|
|
|
|
30-31
|
-32
|
-100,5
|
105,47
|
4000
|
|
0,0264
|
|
|
Инструмент
ТЗ - инструмент Т4
|
|
|
|
|
|
|
0,0500
|
|
32-33
|
30
|
105
|
109,20
|
4000
|
|
0,0273
|
|
|
33-34
|
21
|
0
|
21,00
|
77
|
0,2727
|
|
|
|
34-35
|
-21
|
0
|
21,00
|
4000
|
|
0,0053
|
|
|
35-36
|
-30
|
-105
|
109,20
|
4000
|
|
0,0273
|
|
|
|
|
|
2
|
1,2155
|
0,2015
|
0,2000
|
|
Общее
время цикла автоматической работы Тц.а.
|
|
|
1,617
|
|
|
|
|
|
|
|
|
|
|
|
|
|
|
|
Норма штучного времени определяется по формуле
[5. стр.5 ]:
Тш =(Тц.а. +Tв)-(l+
)
Вспомогательное время складывается из
составляющих, выбор которых осуществляется по формуле [5, стр.5 ]:
в=Тауст +Твоп +Твиз
Вспомогательное время на установку и снятие
детали Тауст=0,24 мин карта 4 [5].
Вспомогательное время, связанное с операцией
Твоп включает в себя время на включение и выключение станка, проверку возврата
инструмента в заданную точку после обработки, установку и снятие щитка,
предохраняющего от забрызгивания эмульсией, карта 14 [5]:
Твт = 0,15 + 0,03 = 0,18 мин.
Вспомогательное время на контрольные измерения
(Твиз карта 15 [5]) содержит:
два замера штангенциркулем (0,05x2=0,1
мин);
два замера скобой предельной двусторонней (0,09x2=0,18
мин);
один замер шаблоном фасонным простого профиля
(0,20 мин);
Тогда: Твиз5=0,1+0,18+0,2=0,48 мин.
Суммарное вспомогательное время составит:
Тв=0,24+0,18+0,48=0,93 мин.
Время на организационное и техническое
обслуживание рабочего места, отдых и личные потребности берется в процентах от
оперативного времени, карта 16 [5]:
тех+aорг+aотл
=8%
Окончательно норма штучного времени равна:
Тш=(1,617+ 0,93) -(1+0,08) =2, 751 мин.
Норма подготовительно-заключительного времени на
наладку станка при обработке партии одинаковых деталей независимо от размера
партии определяется по формуле [5, стр.8]:
Тпз= Тпз1+ Тпз 2 + Тпр обр,
где Тпз 1 - норма времени на организационную
подготовку (мин);
Тпз 2 - норма времени на наладку станка,
приспособления, инструмента, программных средств (мин);
Тпр. обр - норма времени на пробную обработку
(мин).
Результаты расчета
подготовительно-заключительного времени отображают в виде таблицы 4 [5, стр.
12].
Таблица 4. Подготовительно-заключительное время
для выполнения токарной операции механической обработки партии деталей
|
№
|
Содержание
работы
|
Карта,
позиция,
|
т,
мин
|
|
п/п
|
|
индекс
|
|
|
1
|
Организационная
подготовка
|
Карта
21, поз.
|
4,0+2,0+2,0=8,0
|
|
|
1,3,4
инд. а
|
|
|
Итого
Тпз1
|
|
8,0
|
|
Наладка
станка, приспособлений,
|
|
|
|
инструмента,
программных устройств.
|
|
|
|
2
|
Установить
необходимее режимы работы
|
Карта
21,поз. 13
|
0,15x6=0,9
|
|
станка
(число оборотов, подачу и т.д.).
|
|
|
|
3
|
Установить
и снять кулачки.
|
Карта
21,поз. 16
|
6,5
|
|
4
|
Расточить
кулачки
|
Карта
21,поз. 19
|
5,0
|
|
5
|
Установить
и снять инструментальный
|
|
|
|
блок
или отдельный режущий
|
|
|
|
инструмент.
|
Карта
21,поз. 25
|
0,5x4=2,0
|
|
6
|
Набрать
программу кнопками на пульте
|
Карта
21,поз. 31
|
0,4x10=4
|
|
управления
УЧПУ и проверить ее.
|
|
|
|
7
|
Установить
исходные координаты X и Z
|
Карта
21,поз. 33
|
2,0
|
|
(установить
нулевое положение)
|
|
|
|
Итого
Тпз 2
|
|
18,4
|
|
Пробная
обработка
|
Карта
28, поз. 5,
|
|
|
8
|
Деталь
высокой точности (имеет
|
инд.
в, прим. 2
|
10,5
|
|
поверхности
9 квалитета, канавку).
|
Карта
21,
|
|
|
Итого
Тпр. обр.
|
прим.
1
|
10,5+2,75=12,90
|
|
Итого
подготовительно, заключительное
|
|
|
|
время
на партию деталей:
|
|
|
|
Тпз=
Тпз1+ Тпз2+ Тпр.обр
|
|
39,30
|
Подготовительно-заключительное время в расчете
на одну деталь зависит от объема партии деталей и рассчитывается по формуле [5,
стр.4]:
Тпз1=
где Тпз -
подготовительно-заключительное время на обработку партии деталей;
n - объем
партии деталей.
Таким образом:
Тпз1=
Норма штучно-калькуляционного времени на
операцию рассчитывается как норма штучного времени, с учетом доли
подготовительно-заключительного времени для обработки партии деталей. Расчет
производится по формуле [5, стр 4]:
Tш.к.=Tш + 
где Тш - норма штучного времени на
операции (в мин);
Тп.з. - норма
подготовительно-заключительного времени на операции (в мин);
n - объем
партии деталей (в шт.).
Таким образом,
штучно-калькуляционное время составляет:
Tш.к. = 2,751 +
0,393 = 3,144 мин
6. Текст управляющей программы обработки детали
на токарном станке с ЧПУ
Текст управляющей программы для токарной
операции приведен в таблице 5.
Таблица 5. Управляющая программа
|
№№
ячеек
|
Команда,
параметр
|
Признаки
|
Комментарий
|
|
N0
|
G56
|
*
|
\ 1 Установка квадранта 4
|
|
N1
|
Р4
|
|
/
технологической системы
|
|
N2
|
М40
|
|
Поддиапазон
3 частот вращения
|
|
N3
|
М3
|
|
Пуск
шпинделя по ч.с.
|
|
N4
|
Т1
|
|
Резец
черновой для конт. точения
|
|
N5
|
S970
|
|
N=970 мин-1
|
|
N6
|
X
4000
|
* ~~~
|
\
В точку 1 на холостом ходу
|
|
N7
|
Z 4500
|
|
/
|
|
N8
|
М8
|
|
Включение
СОЖ
|
|
N9
|
F26
|
|
Sp.x.=0,26 мм/об
|
|
N10
|
X
-200
|
|
В
точку 2 на рабочем ходу
|
|
N11
|
Z 4600
|
|
В
точку 3 на рабочем ходу
|
|
N12
|
X
3200
|
~~~
|
В
точку 4 на холостом ходу
|
|
N13
|
Z -500
|
|
В
точку 5 на рабочем ходу
|
|
N14
|
X
4000
|
|
В
точку 6 на рабочем ходу
|
|
N15
|
Z 4500
|
~~~
|
В
точку 7 на холостом ходу
|
|
N16
|
X
3364
|
~~~
|
В
точку 8 на холостом ходу
|
|
N17
|
G 2
|
*
|
\
Круговая интерполяция по ч.с.
|
|
N18
|
X
2614
|
*
|
|
В точку 9 на рабочем ходу
|
|
N19
|
Z 3400
|
*
|
|
|
|
N20
|
Р1
3600
|
*
|
|
|
|
N21
|
Р2
0
|
|
/
|
|
N22
|
Z3000
|
|
В
точку 10 на рабочем ходу
|
|
N23
|
X
3400
|
|
В
точку 11 на рабочем ходу
|
|
N24
|
Z 4600
|
~~~
|
В
точку 12 на холостом ходу
|
|
N25
|
X
2964
|
~~~
|
В
точку 13 на холостом ходу
|
|
N26
|
Z 4500
|
|
В
точку 14 на рабочем ходу
|
|
N27
|
G 2
|
*
|
\
Круговая интерполяция по ч.с.
|
|
N28
|
X
2088
|
*
|
|
В точку 15 на рабочем ходу
|
|
N29
|
Z 3400
|
*
|
|
|
|
N30
|
Р1
3200
|
*
|
|
|
|
N31
|
Р2
0
|
|
/
|
|
N32
|
Z3000
|
|
В
точку 16 на рабочем ходу
|
|
N33
|
X
3400
|
|
В
точку 17 на рабочем ходу
|
|
N34
|
X
10000
|
~~~
|
В
точку 18 на холостом ходу
|
|
N35
|
Z10000
|
|
|
|
N36
|
Т
2
|
|
Резец
канавочный
|
|
N37
|
S800
|
|
N=800 мин-1
|
|
N38
|
F10
|
|
Sp.x.=0,10 мм/об
|
|
N39
|
Х3600
|
*
~~~
|
В
точку 20 на холостом ходу
|
|
N40
|
Z3000
|
|
|
|
N41
|
X
1800
|
|
В
точку 21 на рабочем ходу
|
|
N42
|
Х3600
|
~~~
|
В
точку 22 на холостом ходу
|
|
N43
|
X
10000
|
*
~~~
|
В
точку 23 на холостом ходу
|
|
N44
|
Z10000
|
|
|
|
N45
|
T3
|
|
Резец
чистовой контурного точения
|
|
N46
|
S1540
|
|
N=1540 мин'1
|
|
N47
|
F09
|
|
Sp.x.=0,09 мм/об
|
|
N48
|
X
2964
|
*
~~~
|
'В
точку 25 на холостом ходу
|
|
N49
|
Z 4600
|
|
|
|
N50
|
Z 4500
|
|
В
точку 26 на рабочем ходу
|
|
N51
|
G 2
|
*
|
'
Круговая интерполяция по ч.с.
|
|
N52
|
X
2150
|
*
|
В
точку 27 на рабочем ходу
|
|
N53
|
Z 3433
|
*
|
|
|
N54
|
Р1
3000
|
*
|
|
|
N55
|
Р2
0
|
|
|
|
N56
|
X
3200
|
~~~
|
В
точку 28 на холостом ходу
|
|
N57
|
Z -50
|
|
В
точку 29 на рабочем ходу
|
|
N58
|
Х3600
|
|
В
точку 30 на рабочем ходу
|
|
N59
|
X10000
|
*
~~~
|
]В
точку 31 на холостом ходу
|
|
N60
|
Z 10000
|
|
|
|
N61
|
Т
4
|
|
Резец
отрезной
|
S770
|
|
N=770 мин'1
|
|
N63
|
X
4000
|
*
~~~
|
В
точку 33 на холостом ходу
|
|
N64
|
Z -500
|
|
|
|
N65
|
F10
|
|
Sp.x.=0,l мм/об
|
|
N66
|
X
-200
|
|
В
точку 34 на рабочем ходу
|
|
N67
|
X
4000
|
|
В
точку 35 на рабочем ходу
|
|
N68
|
М9
|
|
Отключение
СОЖ
|
|
N69
|
X10000
|
*
~~~
|
В
точку 36 на рабочем ходу
|
|
N70
|
Z10000
|
|
|
|
N71
|
М5
|
|
Останов
шпинделя
|
|
N72
|
мзо
|
|
Конец
прогр. с возвратом на начало
|
Заключение
Результатом выполнения курсовой работы является
детальное проектирование операции механической обработки детали на токарном
станке с ЧПУ. В ходе работы была подробно разработана операционная технология
обработки детали «Валик» произведены: выбор инструмента и проектирование
технологических переходов, обеспечивающих получения детали, поверхности которой
соответствуют форме и размерам, указанным в чертеже; детальный расчет режимов
резания, обеспечивающих получение заданной точности размеров детали и
шероховатости ее поверхностей; поэлементное нормирование технологической
операции. Уделено внимание специфическим вопросам, возникающим при
проектировании технологии обработки деталей на станках с ЧПУ - расчету и
построению траекторий движения режущего инструмента, разработке управляющей
программы.
В ходе работы на КР приобретены навыки
проектирования операций мех. обработки деталей на токарных станках с ЧПУ в
условиях мелко- и среднесерийного производства. Изучены приемы и особенности
расчетов режимов резания и технического нормирования операций, выполняемых на
станках ЧПУ. Сделаны выводы о необходимости детального многопланового подхода к
организации работы и эксплуатации оборудования с высокой степенью
автоматизации, коими и являются станки с ЧПУ.
Список используемой литературы
1. Методические
указания по проведению практических занятий на тему «Разработка технологической
операции и управляющей программы обработки детали на токарном с танке с УЧПУ
«Электроника НЦ-31» для студентов специальности 120100 дневного обучения. -
Тула : ТулГУ, 2000. - 14 с.
2. Методические
указания по выполнении курсовой работы по дисциплине «Технология
автоматизированного производства» для студентов специальности 120100 дневного
обучения. - Тула : ТулГУ, 2000. - 14 с.
3. Справочник
технолога - машиностроителя: т.2/Под ред. А.Г. Косиловой и Р.К. Мещерякова. -
М.: Машиностроение, 1985. - 496с.
4. Общемашиностроительные
нормативы времени и режимы резания для нормирования работ, выполняемых на
универсальных и многооперационных станках с числовым программным управлением. В
2-х ч. М.: Экономика, 1990. Ч. 2. Нормативы режимов резания. - 465с.
5. Общемашиностроительные
нормативы времени и режимы резания для нормирования работ, выполняемых на
универсальных и многооперационных станках с числовым программным управлением. В
2-х ч. М.: Экономика, 1990. Ч. 1. Нормативы времени. - 207с.