Подшипники скольжения. Фрикционные муфты
Министерство образования Республики
Беларусь
Учреждение образования
“Гродненский государственный
университет имени Янки Купалы”
Факультет инновационных технологий
машиностроения
Специальность: Оборудование и
технологии высокоэффективных процессов обработки материалов
Контрольная работа
по дисциплине: Проектирование
триботехнических и смазывающих узлов
Выполнил: студент 5 курса, 1 группы
заочная форма обучения
Осипюк Алексей Игоревич
Проверил: преподаватель
Севашко Анна Валерьевна
Гродно 2013
Содержание
1. Подшипники скольжения. Классификация по виду трения и
воспринимаемой нагрузке
.1 Классификация подшипников
.2 Конструкции подшипников скольжения
.3 Рекомендации по конструированию подшипников скольжения
.4 Область применения, достоинства и недостатки подшипников
скольжения
. Фрикционные муфты
.1 Общие сведения
.2 Конструкция фрикционного диска
Список литературы
1. Подшипники скольжения. Классификация по виду трения и
воспринимаемой нагрузке
Подшипники служат опорами валов и осей, они поддерживают их в
пространстве, обеспечивая возможность вращения и качения, воспринимают и
передают на корпус приложенные к ним радиальные и осевые нагрузки. От качества
подшипников в значительной степени зависят работоспособность и долговечность
машин. Во избежание снижения КПД механизма, потери в подшипниках должны быть
минимальными.
.1 Классификация подшипников
По виду трения:
· подшипники скольжения (опорный участок вала по поверхности
подшипника скользит);
· подшипники качения, (трение скольжения заменяется трением
качения с помощью установления тел качения между опорными поверхностями вала и
подшипника).
По воспринимаемой нагрузке:
· радиальные, которые воспринимают радиальные нагрузки;
· упорные, которые воспринимают осевые нагрузки;
· радиально-упорные, которые воспринимают радиальная и осевая
нагрузки.
Подшипники скольжения - это опоры вращающихся деталей, которые работают в условиях
скольжения поверхности цапфы по поверхности подшипника. Форма рабочей
поверхности подшипника скольжения так же, как и форма цапфы вала, может быть
· цилиндрической,
· плоской,
· конической,
· сферической.
Опору, передающую осевую нагрузку, называют подпятником. Подпятники
работают, как правило, в паре с радиальными подшипниками. Большая часть
радиальных подшипников может воспринимать небольшие осевые нагрузки. Для
фиксирования вала в осевом направлении его изготовляют ступенчатым с галтелями,
при этом кромки подшипников закругляют. Подшипники с конической поверхностью
применяют редко. Их используют при небольших нагрузках при необходимости
систематического устранения зазора от износа подшипника с целью сохранения
точности механизма. Так же редко применяют и сферические подшипники. Эти
подшипники допускают перекос оси вала, т.е. имеют способность самоустановления.
Их применяют преимущественно как шарниры в подъемных механизмах с периодическим
поворотом в пределах ограниченных углов.
Основным элементом подшипника является вкладыш из антифрикционного
материала. Вкладыш устанавливаются в специальном корпусе подшипника или непосредственно
в корпусе.
Радиальные подшипники скольжения (подшипники скольжения)
предназначены для восприятия радиальной нагрузки. В таких подшипниках
поверхности цапфы вала и подшипника находятся в условиях относительного
скольжения. При этом возникает трение, которое приводит к изнашиванию пары вал
- подшипник. Для уменьшения изнашивания необходимо рационально выбирать
материал трущихся пар и обеспечить нормальные условия смазывания рабочих
поверхностей.
.2 Конструкции подшипников скольжения
Подшипники бывают неразъемные и разъемные. Неразъемные подшипники
могут быть выполнены за одно целое со станиной (рис.1) или в виде втулки 1,
установленной в корпус подшипника 2 (рис. 2).
В первом случае станину 1, а во втором - втулку 1 изготовляют из
материалов, обладающих хорошими антифрикционными свойствами: антифрикционного
чугуна; бронзы оловянной; латуни; баббитов; алюминиевых сплавов; порошковых
материалов; текстолита; капрона; специально обработанного дерева; резины (при
смазывании водой); графита (в виде порошка, из которого прессуют вкладыши) и
др.
Рис. 1. Неразъемный подшипник скольжения: 1 - станина
Рис.2. Неразъемный подшипник скольжения: 1 - втулка; 2 - корпус
Корпуса подшипников можно изготовлять из чугуна или стали литыми или
сварными. Конструкции (конфигурации) корпусов подшипников могут быть самыми
разнообразными (рис. 2; рис. 3).
Рис. 3. Неразъемный подшипник скольжения
Разъемный подшипник (рис.4) отличается от неразъемного тем, что в нем втулка
заменена вкладышами 2 и 3, корпус подшипника разъемный и состоит из собственно
корпуса 7 и крышки 4, соединенных болтами или шпильками 5. Вкладыши изготовляют
из антифрикционных материалов или двух металлов (тело вкладыша из стали, а
рабочую часть толщиной 1-3 мм заливают баббитом или свинцовой бронзой). Во
внутренней полости вкладышей делают канавку 1 (рис.5), в которую через
отверстие 2 подводят смазочный материал.
Материал вкладышей выбирают с учетом условий работы, назначения и
конструкции опор, а также стоимости и дефицитности материала. При невысоких
скоростях скольжения (Vs=5
м/с) применяют чугуны. При значительных нагрузках (р до 15 МПа) и средних
скоростях скольжения (Vs до
10 м/c) широки используют бронзу. Наилучшими антифрикционными свойствами
обладают оловянные бронзы. Баббиты разных марок применяют для подшипников
скольжения, работающих в тяжелых условиях; баббиты хорошо прирабатываются,
стойки против заедания, но имеют невысокую прочность, и поэтому их используют
для заливки чугунных и бронзовых вкладышей. Металлокерамические вкладыши
вследствие пористости пропитываются маслом и могут длительное время работать
без подвода смазки. Из неметаллических материалов для вкладышей применяют
текстолит, капрон, нейлон, резину, дерево и др. Неметаллические материалы
устойчивы против заедания, хорошо прирабатываются, могут работать без смазки
или с водяной смазкой, что имеет существенное значение для подшипников гребных
винтов, пищевых машин и т.п.
Рис. 4. Разъемный подшипник скольжения:
- станина; 2, 3 - вкладыши (полукольца); 4 - крышка; 5 - болт
Рис. 5. Вкладыш:
- канавка; 2 - отверстие для подвода смазки
Смазочные канавки делают в верхнем вкладыше (в ненагруженной зоне подшипника),
как показано на рис. 5. Для того чтобы вкладыши не имели осевых перемещений, их
изготовляют с буртиками. Для удержания вкладышей от вращения вместе с валом
предусматривают их закрепление с помощью штифтов и т. п. При укладке вкладышей
в разъемный корпус между ними устанавливают регулировочные прокладки из
тонколистовой стали или латуни.
Между крышкой и корпусом подшипника имеется зазор δk < 5 мм (см. рис. 4) При небольшом
изнашивании вкладыша благодаря этому зазору можно компенсировать величину
износа подтягиванием болтов. Это одно из достоинств разъемного подшипника по
сравнению с неразъемным. Кроме того, к достоинствам такого подшипника относится
возможность быстрой смены изношенного вкладыша.
Самоустанавливающиеся подшипники скольжения могут быть разъемными и
неразъемными. От описанных выше они отличаются тем, что вкладыш 1 (рис. 6)
имеет шаровую опорную поверхность
Рис. 6. Самоустанавливающийся подшипник: 1 - вкладыш
Такая конструкция допускает небольшой угловой поворот оси вкладыша, что
положительно сказывается на работе трущейся пары вал-подшипник (при этом
давление распределяется по всей длине цапфы почти равномерно). Вкладыши
самоустанавливающихся подшипников изготовляют из чугуна или стали с последующей
заливкой баббитом, свинцовой бронзой и т. п.
Подпятники (опорные подшипники) служат для поддержания вращающихся осей и
валов при действии нагрузки, направленной вдоль оси вращения (т. е. при осевой
нагрузке).
Подпятники могут быть с плоской пятой (рис. 7, а), с кольцевой пятой
(рис. 7, б) и с гребенчатой пятой (рис. 8).
Рис. 7. Подпятники:
а - с плоской пятой; б - с кольцевой пятой

Рис. 9. Опора вала:
- корпус; 2 - крышка; 3 - втулка радиального подшипника; 4 - опорный
вкладыш
Подпятник (рис. 9) состоит из стального или чугунного корпуса 7, крышки 2
и опорного вкладыша 4. Для возможности самоустановки опорный вкладыш 4 может
опираться на сферическую поверхность. Опорные вкладыши изготовляют из тех же
антифрикционных материалов, что и вкладыши радиальных подшипников. Деталь 3 -
втулка радиального подшипника.
Подвод смазочного материала к подшипникам и подпятникам скольжения
осуществляется следующими способами:
периодическим смазыванием (через отверстие) жидким смазочным материалом
(рис. 1);
смазыванием набивкой (солидол и т. д.) с помощью масленки с шаровым
клапаном (рис. 10, а);
периодической заливкой жидкого смазочного материала или набивкой
консистентного смазочного материала с помощью колпачковой масленки (рис. 10,
б);
смазыванием жидким смазочным материалом с помощью масленки с фитилем
(рис. 10, в);
Рис. 10. Способы смазывания подшипников:
а - масленка с шаровым клапаном; б- колпачковая масленка; в - масленка с
фитилем; г - смазывание кольцом; д - смазывание окунанием
- смазыванием кольцом 1 (при специальной конструкции корпуса подшипника
(рис. 10, г) при этом способе нижнюю часть подшипника выполняют как резервуар
для масла, в верхнем вкладыше прорезают щель, пропускающую смазочные кольца 1
(рис. 11). Масло подается к поверхностям трения кольцом, увлекаемым во вращение
валом;
применение масляной ванны: при этом способе подпятник 7 (рис. 10, д)
находится в масляной ванне.
Рис. 11. Смазывание подшипника кольцом:
- кольцо; 2 - цапфа; 3 - резервуар для масла
Кроме указанных существует еще много других способов, в том числе
принудительное смазывание под давлением, капельное, разбрызгиванием,
смазыванием масляным туманом и т. д.
Смазывание подшипника по схеме, показанной на рис.11, осуществляется
кольцом. Металлическое кольцо 1 большего, чем у цапфы вала 2, диаметра свободно
висит на цапфе вала, нижней частью погруженное в масляную ванну 3. При вращении
вала вращается и кольцо. Масло с кольца стекает на цапфу вала и, растекаясь
вдоль него, попадает в зону трения.
1.3 Рекомендации по конструированию подшипников скольжения
. Вкладыши выполняют без бортов, с одним и двумя бортами. Борта служат
для восприятия осевых сил и фиксации вкладышей от осевого смещения.
. Толщина стенки вкладыша δ зависит от диаметра d цапфы и
материала. Для чугунных и бронзовых вкладышей δ=0,03d+1…4 мм. Размеры борта: b=1,25; h= 0,68.
. Толщина слоя заливки баббита δо = 0,1...0,5 мм. С увеличением
толщины слоя его прочность уменьшается.
. Чем больше длина вкладыша, тем опаснее перекос осей вала и вкладыша
(возникновение кромочных давлений). l = (0,6...0,9)d, где l - длина вкладыша, а
d - диаметр его отверстия.
. Вкладыши жестко закрепляют в корпусе для предохранения проворачивания и
осевого смещения.
. Регулирование зазора в разъемных подшипниках производят радиальным
смещением вкладышей: подбором или подшлифовкой вкладок, устанавливаемых в
плоскости разъема корпуса; шабрением плоскостей стыка вкладыша или корпуса.
1.4 Область применения, достоинства и недостатки подшипников
скольжения
В современном машиностроении применение подшипников скольжения
ограниченно.
Достоинства подшипников скольжения:
сохранение работоспособности при высоких угловых скоростях валов
(газодинамические подшипники в турбореактивных двигателях при n > 10 000
об/мин);
при больших скоростях вращения - при необходимости точного центрирования
осей;
выдерживание больших радиальных нагрузок;
возможность изготовления разъемной конструкции, что допускает их
применение для коленчатых валов;
небольшие габариты в радиальном направлении, что позволяет применять в
машинах очень малых и очень больших габаритах;
сохранение работоспособности в особых условиях (в химически агрессивных
средах, воде, при значительном загрязнении);
бесшумность работы;
виброустойчивость;
простота изготовления и ремонта.
Недостатки подшипников скольжения:
большое изнашивание вкладышей и цапф валов из-за трения;
необходимость постоянного ухода и большой расход дорогих смазочных
материалов, необходимость его очистки и охлаждения;
значительные потери на трение в период пуска и при несовершенной смазке.
значительные габариты в осевом направлении (длина вкладышей может
достигать 3d, где d - диаметр цапфы вала).
Кроме того, следует иметь в виду, что массовое производство подшипников
скольжения не организовано. Подшипники скольжения следует применять там, где
нельзя применить подшипники качения, а именно:
а) когда подшипник должен быть разъемным по оси (например, подшипники
средних шеек коленчатого вала);
б) для очень больших нагрузок, когда подходящих стандартных подшипников
качения подобрать нельзя;
в) для сверхбыстроходных валов, где центробежные силы инерции не
допускают применения подшипников качения;
г) для работы в сильно загрязненной среде или воде.
Область применения:
Для валов с ударными и вибрационными нагрузками (двигатели внутреннего
сгорания, молоты и др.).
Для коленчатых валов, когда по условиям сборки необходимы разъемные
подшипники.
Для валов больших диаметров, для которых отсутствуют подшипники качения.
Для высокоскоростных валов, когда подшипники качения непригодны
вследствие малого ресурса (центрифуги и др.).
При очень высоких требованиях к точности и равномерности вращения
(шпиндели станков и др.).
В тихоходных машинах, бытовой технике.
При работе в воде и агрессивных средах, в которых подшипники качения
непригодны.
Характерные дефекты и поломки подшипников скольжения вызваны трением:
температурные дефекты (заедание и выплавление вкладыша);
абразивный износ;
усталостные разрушения вследствие пульсации нагрузок.
При всём многообразии и сложности конструктивных вариантов подшипниковых
узлов скольжения принцип их устройства состоит в том, что между корпусом и
валом устанавливается тонкостенная втулка из антифрикционного материала, как
правило, бронзы или бронзовых сплавов, а для малонагруженных механизмов из
пластмасс.
Большинство радиальных подшипников имеет цилиндрический вкладыш, который,
однако, может воспринимать и осевые нагрузки за счёт галтелей на валу и
закругления кромок вкладыша. Подшипники с коническим вкладышем применяются
редко, их используют при небольших нагрузках, когда необходимо систематически
устранять ("отслеживать") зазор от износа подшипника для сохранения
точности механизма.
2. Фрикционные муфты
2.1 Общие сведения
подшипник скольжение фрикционный муфта
В технике муфты - это соединительные устройства для тех валов, концы
которых подходят один к другому вплотную или же удалены на небольшое
расстояние. Соединение валов муфтами обеспечивает передачу вращающего момента
от одного вала к другому. Валы, как правило, расположены так, что
геометрическая ось одного вала составляет продолжение геометрической оси
другого вала. С помощью муфт можно также передать вращение с валов на зубчатые колеса,
шкивы, свободно насаженные на эти валы.
Муфты не изменяют вращающего момента и направления вращения. Некоторые
типы муфт поглощают вибрации и предохраняют машину от аварий при перегрузках.
Применение муфт в машиностроении вызвано необходимостью:
получения длинных валов, изготовляемых из отдельных частей, компенсации
небольших неточностей монтажа в относительном расположении соединяемых валов;
придания валам некоторой относительной подвижности во время работы (малые
смещения и перекос геометрических осей валов);
автоматического соединения и разъединения валов в зависимости от
пройденного пути, направления передачи вращения, угловой скорости, т. е.
выполнения функций автоматического управления;
уменьшение динамических нагрузок.
Современные машины состоят из ряда отдельных частей с входными и
выходными концами валов, которые соединяют с помощью муфт (рис.12).
Рис. 12. Принципиальная схема машины
Эти муфты предназначены для соединения и разъединения валов. Некоторые
типы сцепных муфт позволяют это делать на ходу, без остановки электродвигателя.
Сцепные муфты иногда называют управляемыми. По принципу работы различают
кулачковые и фрикционные сцепные муфты.
Фрикционные муфты (рис.13) в отличие от кулачковых, допускают включение
на ходу под нагрузкой. Фрикционные муфты передают вращающий момент за счет сил
трения. Фрикционные муфты допускают плавное сцепление при любой скорости, что
успешно используется, например, в конструкции автомобильного сцепления. Кроме
того, фрикционная муфта не может передать через себя момент больший, чем момент
сил трения, поскольку начинается проскальзывание контактирующих фрикционных
элементов, поэтому фрикционные муфты являются эффективными неразрушающимися
предохранителями для защиты машины от динамических перегрузок.
По конструкции фрикционные муфты делят на: дисковые, в которых трение
происходит по торцевым поверхностям дисков (одно- и многодисковые) (рис.13, а);
конусные, в которых рабочие поверхности имеют коническую форму (рис.13, б);
цилиндрические имеющие цилиндрическую поверхность контакта (колодочные,
ленточные и т.д.) (рис.13, в). Наибольшее распространение получили дисковые
муфты.
Фрикционные муфты работают без смазочного материала (сухие муфты) и со
смазочным материалом (масляные муфты). Последние применяют в ответственных
конструкциях машин при передаче больших моментов. Смазывание уменьшает
изнашивание рабочих поверхностей, но усложняет конструкцию муфты.
Материал для фрикционных муфт - конструкционные стали, чугун СЧ30.
Фрикционные материалы (прессованную асбестопроволочную ткань - ферродо,
фрикционную пластмассу, порошковые материалы и др.) применяют в виде накладок.
Рис. 13. Фрикционные муфты:
а - дисковая; б - конусная; в - цилиндрическая
Главной особенностью работы фрикционных муфт является сжатие поверхностей
трения. Отсюда ясно, что такие муфты рассчитываются на прочность по контактному
давлению (аналогично напряжениям смятия). Для каждой конструкции необходимо
вычислить сжимающую силу и разделить её на площадь контакта. Расчётное
контактное давление не должно быть больше допускаемого для данного материала.
2.2 Конструкция фрикционного диска
Целесообразность использования фрикционных элементов в виде дисков
работающих в условиях смазки обусловлена их следующими преимуществами:
способность выдерживать большие нагрузки;
значительная степень свободы при их подборе (количество дисков можно
увеличивать или уменьшать;
нет необходимости в регулировке пакета фрикционов из-за износа дисков;
способность прочного сцепления ведущих и ведомых дисков в пакете при
больших скоростях вращения.
Несмотря на то, что размещение фрикционных дисков в масляной среде
снижает коэффициент трения (передаваемый момент), подобное конструктивное
решение даёт преимущество перед несмазываемыми узлами. Отсутствует
необходимость защиты фрикционных дисков от случайного попадания смазки из
других узлов, что обычно создаёт большие конструктивные трудности. Проще
решается задача компенсации снижения крутящего момента увеличением осевой
нагрузки без опасности появления схватывания, катастрофического износа,
вибраций. Правильный выбор смазки для узла трения, использующего фрикционные
диски, способствует более эффективному отводу генерируемого в процессе тепла и
удаления продуктов износа, увеличивая, таким образом, не только плавность
работы, но и срок службы узла. Они вытесняют несмазываемые, особенно в таких
отраслях, где требуется очень плавное включение. Длительное буксирование при
несмазываемом трении, сопровождается колебаниями коэффициента трения, в то
время в условиях граничного или полужидкостного трения значение коэффициента
трения постоянно.
Трение в условиях смазки - сложный процесс, при этом имеет место
жидкостное и полужидкостное трение. Коэффициент трения, достигаемый на
практике, является средним между коэффициентом трения гидродинамической смазки
и коэффициентом трения сухого адгезионного трения. Момент трения является
результирующей тангенциальных сил, возникающих в слое смазки, и сил трения,
возникающих в результате локальных прямых контактов трущихся поверхностей,
поэтому рабочие характеристики муфты (передаваемый крутящий момент,
продолжительность, плавность и стабильность включения, температура) в большей
степени зависит от геометрической формы и размеров канавок, наносимых на
рабочие поверхности накладок фрикционных дисков.
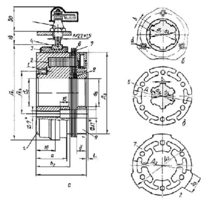
Ряд производителей использует фрикционные диски со шлицевым соединением
при числе шлицов от 4 и более (рисунок 14).
Рис. 14 - Конструкция фрикционного диска со шлицевым соединением
Не мало важное значение имеет и диаметр фрикционного диска, так как его
изменение на прямую влияет на передаваемую мощность, геометрически размеры
узла, тепловой режим работы фрикционной пары.
Муфта сцепления, посредством трения, разъединяет и плавно соединяет
входной и выходной вал. Предохранительная муфта служит для разделения входного
и выходного валов, если превышается предельная величина крутящего момента.
Муфты фрикционные дисковые, бывают однодисковые, двух, и многодисковые. В
наше время очень широко используются малогабаритные однодисковые муфты с
фрикционными вставками, которые устанавливают консольно, для удобства ремонта.
Они блокируются с тормозом или непосредственно жесткой связью, или посредством
системы управления.
Необходимость быстродействия и большие передаваемые моменты, заставляют
применять для управления работой муфты пневматические или гидравлические
силовые цилиндры. Электромагнитные и механические устройства не могут обеспечить
в этом случае, возникновения большого усилия, передаваемого на нажимный диск. В
этом случае больше применяются муфты с пневматическим управлением. А именно
муфты с электромагнитным управлением хорошо работают в прессах небольшого (до
100 кН) усилия.
Однодисковая муфта встраивается в маховик, на котором расположены опорный
диск и ступица с диафрагмой. Через подводящую головку, установленную на крышке
диафрагмы, в полость подается сжатый воздух. Крышка крепится к маховику,
который установлен на валу консольно, шпильками. Вращение валу передается
ведомым диском, в котором стоят фрикционные вставки из ретинакса. При впуске
воздуха нажимной диск смещается мембраной. Он фиксируется по шлицам цилиндра.
Вставки, расположенные в гнездах диска, зажимаются между нажимным и опорным
дисками, из-за чего возникает момент трения, который передается на вал. В
момент выпуска воздуха нажимной диск отодвигается пружиной, при этом контакт со
вставками нарушается.
Для таких муфт нужно, чтобы потребление энергии на разгон было
минимальным. В нашем случае только ведомый диск должен подлежать разгону при
включении, поскольку все остальные части муфты установлены и вращаются на
маховике. Муфта такой конструкции имеет небольшие размеры, что позволяет
устанавливать ее консольно. Ремонтоспособность такой муфты также улучшена,
поскольку для того, чтобы заменить фрикционные вставки, достаточно снять
крышку, диафрагму и нажимной диск, не совершая при этом демонтажа всего узла.
Но из-за малой поверхности теплоотдачи, при частом числе включений за короткий
промежуток времени, возможен перегрев устройства.
Качество работы такой муфты сильно зависит от конструкции и качества
фрикционных вставок. Для них, очень широко применяется ретинакс А (ФК 16Л), и
ретинакс Б (ФК-24А). Материал ретинакс А (ГОСТ 10851-73) может отлично работать
в муфтах при кратковременной температуре до 1100° С, а ретинакс Б (ГОСТ
10851-73) - при поверхностной температуре до 700° С.
Однако не во всех случаях, несмотря на высокий коэффициент трения и
достаточно большие удельные (до 15-18 кГ/см2) усилия, удается использовать один
ведомый диск однодисковой муфты - к примеру, на горячештамповочных прессах, где
требуемый момент достигает 100000 Нм. Здесь приходится использовать
многодисковую фрикционную муфту с двумя и более дисками.
На зубчатом колесе такой муфты, которое является его ведущей частью,
установлен пневматический цилиндр. Поршень цилиндра, передавая вращение на вал,
сжимает ведущие и ведомые диски. Пружины, установленные по периферии цилиндра,
разводят фрикционные поверхности при выпуске воздуха из цилиндра.
Применение многодисковых фрикционных муфт позволяет проще компенсировать
снижение крутящего момента увеличением осевой нагрузки, без опасности появления
износа и вибраций.
Список литературы
1. Решетов
Д. Н. Детали машин. - М.: Машгиз, 1989.
2. Крагельский
И. В. Трение и износ. - М.: Машиностроение, 1968.
. Леликов
О.П. Основы расчета и проектирования деталей и узлов машин. Конспект лекций по
курсу «Детали машин». - М.: Машиностроение, 2001.