Кран из малоуглеродистой стали
1. ВЫБОР МАТЕРИАЛА КОНСТРУКЦИИ
кран пролетный балка прочность
Кран эксплуатируется при температуре
выше минус 20°С, пролет крана - 28,5 м, высота подъема груза - 12 м, скорость
подъема - 0,16 м/с, группа классификации (режима) работы крана - А5. В дополнение
к этим исходным данным берем из курсового проекта по дисциплине «Грузоподъемные
машины» значение веса тележки, ее колеи и базы, если, конечно, совпадают
грузоподъемности, или эти параметры задаются преподавателем. В нашем случае
принимаем колею тележки Вт-2,7 м, базу Lт=2,5 м. Вес тележки определим по
соотношению
,т.е.
кН.
Учитывая, что проектируемый кран
будет эксплуатироваться при температуре выше минус 20°С, в качестве материала
для основных несущих элементов в соответствии с данными табл. 1.1 принимаем
малоуглеродистую сталь Ст.3сп5 по ГОСТ 380-94.
Расчетное сопротивление материала
при растяжении, сжатии и изгибе
где
МПа -нормальное сопротивление,
принимаемое равным пределу текучести;
- коэффициент надежности по
материалу.
Таким образом,
МПа.
Расчетное сопротивление при сдвиге
(срезе)
МПа.
Расчетные сопротивления стыковых
сварных швов при растяжении, сжатии, изгибе
МПа
Расчетные сопротивления стыковых
сварных швов при сдвиге
МПа
Расчетные сопротивления металла углового шва при срезе
МПа,
где
МПа - нормативное сопротивление
материала шва; γ
=1,25 -
коэффициент надежности.
1.1 Расчетные нагрузки
При определении прочности
металлоконструкций расчетные нагрузки рассматриваются при комбинации II А, при
этом тележка находится в середине пролета моста и производится подъем груза.
1.2 Нагрузки от веса моста
Для заданных параметров пролета
крана при выбранной общей схеме его исполнения и принятом материале, находится
в качестве первого приближения нормативный вес моста
310 кН.
Расчетный вес полумоста
кН
а расчетный погонный вес полумоста
(без веса кабины и приводов механизма передвижения)
кН/м.
1.3 Нагрузки от веса кабины и
механизмов передвижения
Нормативный вес кабины принимаем
GKH=12 кН. Расчетный вес кабины
кН. Кабина располагается таким
образом, чтобы между задней стенкой и осью подкранового рельса было не менее
1000 мм. Принимаем расстояние от середины кабины до подкранового рельса а2=2,4
м. Расчетный вес одного привода
кН
где γ -
коэффициент надежности по нагрузке
.4 Нагрузки от веса груза и тележки
Нормативный вес груза рассматриваемого
крана
кН.
Расчетный вес груза
кН,
где
- коэффициент динамичности по
графику (см. рис.4.2);
-
коэффициент надежности по нагрузке для веса груза.
Ориентировочно нормативный вес
тележки принимается в зависимости от режимной группы А5 ; Gтн = 70 кН.
Расчетный вес тележки
кН,
где γ=1,2 -
коэффициент надежности по нагрузке.
Расчетные усилия на ходовые колеса
от веса груза и тележки для рассматриваемого крана с достаточной точностью
можно принять одинаковыми:
кН
2. НАИБОЛЬШИЙ ИЗГИБАЮЩИЙ МОМЕНТ ОТ
ВЕРТИКАЛЬНЫХ НАГРУЗОК
Наибольший изгибающий момент от подвижной
нагрузки возникает в сечении, смещенном от середины пролета на расстояние BT/4
(BT - база тележки), при расположении тележки соответствующим колесом над
указанным сечением, т. е. это сечение отстоит от опоры В на расстоянии (рис. 1)
м,
где b1 - половина базы тележки.
Рис. 1 - Вертикальные нагрузки и
эпюры изгибающих моментов пролетной балки
Наибольший момент от подвижной
нагрузки
кН·м.
Здесь
- равнодействующая усилий колес на
пролетную балку.
В этом же сечении балки изгибающие
моменты от распределенной нагрузки
кН
и от неподвижных сосредоточенных
нагрузок
и
(вес
приводов и кабины)
кН·м.
Суммарный расчетный изгибающий момент
кН·м.
3. ОПРЕДЕЛЕНИЕ ОПТИМАЛЬНЫХ РАЗМЕРОВ
ПОПЕРЕЧНОГО СЕЧЕНИЯ ПРОЛЕТНОЙ БАЛКИ
.1 Расчет размеров в средней части
пролета из условия обеспечения прочности
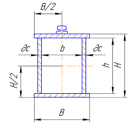
Схема расчетного поперечного сечения
двоякосимметричной балки с рельсом по оси пояса приведена на рис. 2.
Рис. 2 - Поперечное сечение балки
Расчет проводим по первому предельному состоянию
(потеря несущей способности) при действии нагрузок комбинации II А .
Необходимая величина момента сопротивления балки
при изгибе в вертикальной плоскости
где
- коэффициент неполноты расчета. γ1=0,90;
γ2=0,95; γ3=0,90.
Подставляя в формулу численные
значения параметров и коэффициентов, имеем
м3.
Оптимальная по условию минимума веса
толщина стенки балки (если принять
) при обеспечении ее прочности
где Н- высота стенки.
Это равенство не позволяет
однозначно определить толщину стенки, так как в нем неизвестны Н и δС. Реальная
высота балки у существующих мостовых кранов колеблется в делах 1,5... 1,7м.
Определим толщину стенки при различной ее высоте НС1=1,5м, НС2=1,6м, НС3=1,7 м.

3.2 Расчет размеров в средней части
пролета из условия обеспечения статической жесткости
Минимальный момент инерции балки при
обеспечении нормальной величины статического прогиба моста при нормативных
подвижных нагрузках
м4.
Здесь
- относительный статический прогиб
моста;
м;
кН 1 нормативная подвижная нагрузка;
МПа - модуль
упругости материала.
Толщина стенки
где
- высота балки.
3.3 Определение размеров поперечного
сечения пролетной балки
Высота балки мостовых кранов обычно
составляет 1/16... 1/18 пролета, значит, для проектируемого крана с пролетом
L=28,5м H=(1,4...1,25)м.
Примем высоту стенки H =1,5 м и по
графику получим оптимальную толщину стенки
=0,011 м. Ширину пояса для
обеспечения жесткости балки в горизонтальной плоскости рекомендуется принимать
и
м
м.
Принимаем В=0,47 м. Толщину пояса
определяем по формуле (5.10):
м.
Данное сечение пролетной балки имеет
момент инерции
м4.
Превышение
=0,017 м4 по
отношению к требуемому моменту инерции
=0,0096 м4 говорит о том, что балка
с выбранными параметрами в 2 раза жестче требуемой. Поэтому изменим (уменьшим)
толщину стенки до
=0,011 м при
высоте H =1,4 м. При этом вес балки несколько увеличится. Однако это увеличение
несущественно. Так, по данным профессора М. М. Гохберга, при отклонении
параметров на 20% от оптимального значения вес балки увеличится не более чем на
2,5%. Ширину пояса принимаем В=0,6 м. Тогда его толщина
м.
Рис. 3 - Расчетное сечение балки в середине
пролета
Рассчитаем геометрические характеристики данного
сечения:
момент инерции в вертикальной плоскости
м4;
момент инерции в горизонтальной
плоскости
м4;
момент сопротивления в вертикальной
плоскости
м3;
момент сопротивления в
горизонтальной плоскости
м3.
4. КОМПОНОВОЧНАЯ СХЕМА МОСТА
Компоновка моста крана определяется в
значительной степени компоновкой узлов сопряжения пролетных балок с концевыми и
конструкцией ходовой части крана. Краны грузоподъемностью до 50 т устанавливают
на четырех ходовых колесах, из которых два являются приводными.
4.1 Балки
Концевые балки для крана грузоподъемностью 20 т
проектируются, как и пролетные, коробчатого сечения с толщиной стенок и поясов δCК=δПК=0,011
м. Высота этих балок назначается 0,6 от высоты пролетной балки Н1=0,6·1,4≈0,84
м. Привод механизма передвижения крана : двигатель МТВ 311-6, редуктор Ц2-200,
тормоз ТТ-250, диаметр колеса DK=630 мм. Ширина концевой балки определяется
расстоянием между серединами корпусов (букс) подшипников ходовых колес - 2С.
Полученное сечение балки показано на рис. 4.
Рис. 4 - Среднее сечение концевой балки
4.2 Компоновка механизма
передвижения крана
Для компоновки механизма передвижения крана
устанавливаются ходовые колеса с буксами между стенками концевой балки с
совмещением нижней кромки буксы с нижним поясом балки.
Передняя кромка буксы определила конец концевой
балки. Таким образом, установлено положение ходового колеса относительно балки.
Вал ходового колеса соединяется с выходным валом редуктора Ц2-200 посредством
промежуточного вала длиной примерно 1000 мм. Далее входной вал редуктора
соединяется с валом двигателя МТВ 311-6 зубчатой муфтой типа I. Тормозной шкив
с тормозом ТТ-250 устанавливаем на втором входном валу редуктора.
Оставляя небольшой проход (300...500 мм) между
двигателем и стенками пролетной балки (в данном случае 270 мм, что маловато),
получаем положение пролетной балки относительно концевой. Расстояние от оси
ходового колеса до подтележечного рельса оказалось равным 1100мм, а база крана
ВК=4750 мм. Последняя, с целью недопущения заклинивания крана на путях, должна
быть не менее 1/6 пролета крана.
Отсюда минимально допускаемая величина базы
м,
т.е. условие отсутствия заклинивания
крана выполняется.
Рис. 5 - Компоновка сопряжения пролетной балки с
концевой и привода механизма передвижения крана
4.3 Сопряжение пролетных балок с
концевыми
Соединение балок осуществляется с помощью
накладок 1, 2, 3 (рис.10.8). Эти привариваемые накладки не только обеспечивают
неизменность положения балок относительно друг друга, но и являются
компенсаторами допусков присоединительных размеров.
При стыковке балок, чтобы выдержать необходим
размер пролета LK=28500 мм, между пролетной и концевой балками предусматривается
гарантируемый зазор Д, за счет которого регулируется положение пролетной балки
относительно концевой рис 6.
Длина пролетной балки определяется из следующих
условий. Горячекатаные стальные листы по ГОСТ 199903-74 при толщине δ=11
мм
и ширине В=1800 мм выпускаются длиной до 12000 мм.
Для пролета крана 28500 мм стенка пролетной
балки составляется из трех листов длиной около 28500:3=9500 мм. Такое деление
стенки необходимо также для обеспечения строительного подъема.
Задавшись зазором Д=15 мм, определяют
минимальную длину балки:
мм,
где а=173 мм - половина ширины пояса
концевой балки.
Листы, составляющие стенку пролетной
балки, нарезаются по длине с предельными отклонениями
, что для
заготовок длиной 9500 мм равно ±7,5 мм. Таким образом, длина пролетной балки
LХ=28124±22,5 мм.
Минимальный зазор при указанном
допуске
мм,
а максимальный
мм.
Расположение накладок 1, 2, 3 и
сварных швов см. на рис. 6.
Рис. 6 - Стыковка пролетной балки с концевой
5. РАЗМЕЩЕНИЕ РЕБЕР ЖЕСТКОСТИ
Гибкость стенки пролетной балки в ее средней
части
Здесь h и δC - высота и
толщина стенки соответственно.
мм.
Принимается ширина bР=90 мм. Толщина
ребра из условия обеспечения его устойчивости:
мм.
Момент инерции ребра относительно
плоскости стенки должен быть
м4,
фактический же с учетом двух частей
стенки шириной 20δС по обе
стороны от ребра
м4.
Поскольку
м4,
увеличим толщину ребра до δР=10 мм, а
ширину bP до 120 мм. Тогда
м4,
что больше требуемого значения.
Шаг поперечных ребер для обеспечения
прочности рельса должен быть
где
- минимальный момент сопротивления
рельса; Rуп=350 МПа - нормативное сопротивление материала рельса; D=90 кН -
давление колеса тележки ; γр=0,5 - коэффициент условий работы
рельса.
В соответствии с этими условиями при
ширине поверхности катания колеса (диаметром DK=630 мм) В1 =130 мм
устанавливается рельс с шириной головки
мм. Этому размеру соответствует
рельс КР100, минимальный момент сопротивления которого
= 377 см3
При этих параметрах шаг поперечных
ребер
м.
Учитывая, что верхний пояс пролетной
балки достаточно тонок, для обеспечения его прочности при действии местных напряжений
от давления колес тележки принимаем конструктивно шаг малых диафрагм
мм, шаг
больших диафрагм lБ=3lМ=3·1300=3900 мм.
Проверка прочности поперечного ребра
по условию работы его верхней кромки на сжатие делается по формуле
где
- длина линии контакта рельса и
пояса над ребром; B=0,150м - ширина подошвы .Тогда
м, D=80 кН;
R=243 МПа - расчетное сопротивление материала при сжатии;
- расчетная зона распределения
давления колеса по ребру;
м4- момент инерции пояса;
м4 - момент
инерции рельса;
-
коэффициент условий работы.
м.
Таким образом, напряжение сжатия
Па,
что намного меньше допустимого
напряжения т0R = 0,855 • 243 = 208 МПа.
Проверку прочности верхнего пояса
между диафрагмами необходимо проводить в силу того, что он испытывает
напряжения от местного изгиба, деформируясь совместно с рельсом.
Величины местных напряжений:
вдоль оси балки
поперек оси балки
В этих выражениях l=1,3 м -
расстояние между диафрагмами; δП=0,0085 м - толщина пояса; μ-
коэффициент Пуассона; JP=35,89·10-6 м4 - момент инерции рельса; b=0,55м -
размер «в свету» между стенками балки.
МПа.
Подставив числовые значения
параметров в формулы и имеем:
МПа,
МПа.
Прочность пояса с учетом напряжений σx общего
изгиба балки проверяется по приведенным напряжениям для плоского напряженного
состояния:
Подставим в это уравнение параметры,
полученные выше:
МПа.
Расчетное сопротивление материала:
МПа>126 МПа,
и следовательно, прочность верхнего
пояса обеспечена.
Местная устойчивость стенок при
действии нормальных напряжений обеспечивается установкой диафрагм. Проверка
производится по условию:
где
- критическое напряжение, при
котором происходит потеря устойчивости.
Подставив значения толщины δС и высоты
стенки h в середине пролета, имеем
МПа.
Отношение нормальных напряжений (σx =128 МПа) к
критическим
, что
говорит о достаточно высокой устойчивости стенок.
Продольное ребро жесткости.
При жесткости 160≤S≤265,
как указывалось в начале раздела, рекомендуется ставить одно продольное ребро.
В нашем примере
, и в силу
незначительного превышения границы необходимость установки продольного ребра
жесткости отпадает.
6. СТРОИТЕЛЬНЫЙ ПОДЪЕМ ПРОЛЕТНЫХ
БАЛОК
Поскольку пролет рассчитываемого
крана более 17м, пролетным балкам необходимо придать строительный подъем,
который должен быть
,
где
- прогиб пролетной балки от веса
тележки с грузом;
- прогиб
пролетной балки от действия веса моста; L - пролет крана.
Прогиб
Здесь
м4 - момент инерции балки при изгибе
в вертикальной плоскости;
кН/м -
погонный вес полумоста;Е=2,1·105 МПа.
Подставив численные значения параметров
в формулу , будем иметь
м.
Прогиб балки от веса тележки с
грузом:
м,
где
кН - нагрузка на балку от веса груза
и тележки;
м;
м - база тележки.
Необходимый строительный подъем
м,
При составлении вертикальных стенок
из трех листов (было принято выше) длиной z≈9,5 м строительный подъем в
стыках
м.
м.
7. ПРОЧНОСТЬ ПРОЛЕТНОЙ БАЛКИ ПРИ ЕЕ
ОБЩЕМ ИЗГИБЕ В ДВУХ ПЛОСКОСТЯХ
Проверку прочности балки в средней
части пролета производим при действии нагрузок комбинации 1.1. Б.
где
и
- изгибающий момент и момент
сопротивления в вертикальной плоскости. Значения
=1333 кН·м и
=9,6·10-3 м3
берем из выше произведенных расчетов;
и
м3 - изгибающий момент и момент
сопротивления в горизонтальной плоскости; R=243 МПа - расчетное сопротивление
материала; т0=0,855 - коэффициент условий работы (см. выше).
Схема приложения горизонтальных
нагрузок приведена на рис. 7.
Рис. 7 - Схема приложения
горизонтальных нагрузок
Горизонтальные инерционные нагрузки
рассчитываются по формуле
где
м/с2 - ускорение крана при пуске
механизма; g=9,81 м/с2 - ускорение силы земного притяжения;
- расчетные
силы веса изделий, создающих инерционные нагрузки.
горизонтальные инерционные нагрузки
будут равны:
от распределенной нагрузки
кН/м;
от веса кабины
кН;
от привода передвижения
кН;
от веса груза и тележки
кН.
Суммарный горизонтальный момент в
среднем сечении пролета определим по выражениям
,
где ВK =4,75 м - база крана;
м4 - момент
инерции пролетной балки в горизонтальной плоскости ;
- момент
инерции концевой балки в горизонтальной плоскости,
- база тележки.
Подставляя численные значения
параметров в формулы , получим:
,
кН·м.
Напряжения в балке определяем по
формуле:
МПа, что не превышает сопротивления
материала
МПа.
8. СВАРНОЙ ШОВ, СОЕДИНЯЮЩИЙ НАКЛАДКУ
С КОНЦЕВОЙ БАЛКОЙ
Проверяем прочность вертикального шва по формуле
А - максимальное значение поперечной
силы при крайнем предельном положении тележки со стороны кабины;
- размеры по
рис. 1; β-
коэффициент для однопроходной автоматической сварки;
=0,006 м -
толщина углового шва;
- расчетная
длина шва, равная его геометрической длине без удвоенной толщины шва;
=180МПа -
расчетное сопротивление для углового шва;
=0,855 - коэффициент неполноты
расчета.
Подставив численные значения в
формулы , получаем:
МПа
МПа.
,5<160
Прочность шва обеспечена.
9. СВАРНОЙ ШОВ, СОЕДИНЯЮЩИЙ ПОЯС СО
СТЕНКОЙ
При действии вертикальных сил на балку последняя
изгибается в вертикальной плоскости, и между полкой и стенками возникают
горизонтальные сдвигающие усилия, которые воспринимаются сварными швами.
Касательные напряжения среза
Где SП=0,0059 м4 - статический
момент брутто пояса балки; JБР=6,2·10-3 МПа - момент инерции брутто сечения
балки .
Подставляя численные значения в
зависимость, получим:
Таким образом, прочность шва
обеспечена.
ЗАКЛЮЧЕНИЕ
В результате курсового
проектирования металлической конструкции двухбалочного мостового крана были
рассчитаны и назначены следующие разделы:
выбор материала конструкции;
определение расчетных нагрузок;
определение изгибающего момента в
балке моста от вертикальных нагрузок;
определение размеров поперечного
сечения пролетной балки из условия обеспечения прочности;
определение размеров поперечного
сечения пролетной балки из условия обеспечения статической жесткости;
расчет геометрических характеристик
принятого сечения;
компонование моста и механизма
передвижения крана;
размещение ребер жесткости
(диафрагм);
строительный подъем пролетных балок;
проверочные прочностные расчеты по
указанию преподавателя.
СПИСОК ИСПОЛЬЗУЕМОЙ ЛИТЕРАТУРЫ
1. Справочник
по кранам: В 2 т. Т.1. Характеристики материалов и нагрузок. Основы расчета
кранов, их приводов и металлических конструкций / В.Д. Брауде, М.М. Гохберг,
И.Е. Звягин и др.; под общ.ред. М.М. Гохберга. Л.: Машиностроение, Ленингр.
отд., 1988. 536 с.
2. Шабашов
А.П., Лысяков А.Г. Мостовые краны общего назначения. 5-е изд., перераб. и доп.
М.: Машиностроение, 1980.304с.
. Правила,
устройства и безопасной эксплуатации грузоподъемных кранов. М.: ПИО ОБТ, 2001.
266 с.
. СТО
24.09-5821-01-93. Краны грузоподъемные промышленного назначения. Нормы и методы
расчета элементов стальных конструкций. М.: ОАО ВНИИПТМАШ - Подъемтранстехника,
1993.
. РД
24.090.52-90. Руководящий документ. Подъемно-транспортные машины. Материалы для
сварных металлических конструкций. М.: Изд-во стандартов, 1991.
. ОСТ
24.090.72-83. Нормы расчета стальных конструкций мостовых и козловых кранов
грузоподъемностью до 50 т. М.: ВНИИПТМАШ, 1983.
. ГОСТ
28609-90. Краны грузоподъемные. Основные положения расчета. М.: Изд-во
стандартов, 1990.
. РТМ
24.190.07-85. Нормы расчета стальных конструкций мостовых кранов
грузоподъемностью свыше 50 т. М.: НИИинформтяжмаш, 1977.
. Курсовое
проектирование грузоподъемных машин: Учебное пособие для студентов вузов / С.А.
Казак, В.Е. Дусье, Е.С. Кузнецов и др.; под ред. С.А. Казака. М.: Высшая школа,
1989.319с.
. Богинский
К.С., Зотов Ф.С., Николаевский Г.М. Мостовые металлургические краны. М.:
Машиностроение, 1970. 300с.
. Справочник
по кранам: В 2 т. Т. 2. Характеристика и конструктивные схемы кранов. Крановые
механизмы, их детали и узлы. Техническая эксплуатация кранов / М.П.
Александров, М.М. Гохберг, А.А. Ковин и др.; под общ. ред. М.М. Гохберга.
Л.,1988. 559 с.
. Гохберг
М.М. Металлические конструкции подъемно-транспортных машин. 3-е изд., перераб.
и доп. Л., Ленингр. отд.,1976. 456 с.
. Металлические
конструкции: Справочник проектировщика / под ред. Н.П. Мельникова. 2-е изд.,
перераб. и доп. М.: Стройиздат, 1980. 776 с.
. Пособие
по расчету элементов стальных конструкций грузоподъемных кранов (к СТО
24.09-5821-01-93). М.: ОАО ВНИИПТМАШ-Подъемтранстехника, 1993.
. Металлические
конструкции. В 3 т. Т.1. Общая часть / под ред. В.В. Кузнецова. М.: Изд-во АСВ,
1998. 576 с.
. РД
22-207-88. Машины грузоподъемные. Общие требования и нормы на изготовление. М.:
Изд-во стандартов, 1989.
. РД
24.090.97-98. Оборудование подъемно-транспортное. Требования к изготовлению,
ремонту и реконструкции металлоконструкций грузоподъемных кранов. М.: Изд-во
стандартов, 1999.
. Николаев
Г.А., Винокуров В.А. Сварные конструкции. Расчет и проектирование. М.: Высшая
школа, 1990. 446 с.
. Концевой
Е.М., Розеншейн Б.М. Ремонт крановых металлоконструкций. М.: Машиностроение,
1979. 206 с.
. Допуски
и посадки: Справочник. В 2 ч. / под ред. В.Д. Мягкова. 5-е изд., перераб. и
доп. Л.: Машиностроение, Ленингр. отд., 1979. 4.1. 544 с.