Принцип работы манифольда

  • Вид работы:
    Курсовая работа (т)
  • Предмет:
    Другое
  • Язык:
    Русский
    ,
    Формат файла:
    MS Word
    416,24 Кб
  • Опубликовано:
    2014-02-28
Вы можете узнать стоимость помощи в написании студенческой работы.
Помощь в написании работы, которую точно примут!

Принцип работы манифольда

Содержание

Введение

. Краткий обзор существующего оборудования

. Назначение, техническая характеристика, конструкция и принцип работы выбранного оборудования

.1 назначение

.2 Техническая характеристика

.3 Конструкция и принцип действия насоса

. Монтаж, эксплуатация и ремонт выбранного оборудования

.1 Монтаж манифольда

.2 Эксплуатация манифольда

.3 Ремонт манифольда

. Безопасность жизнедеятельности

. Расчетная часть

.1 Расчет клиновой задвижки с выдвижным шпинделем

.2 Расчет циркуляционной системы

Заключение

Список использованной литературы

Введение

Газонефтеводопроявления - проникновение газа, нефти и воды из пластов горных пород в скважину.

Газонефтеводопроявления не только нарушают процесс бурения, но и являются причиной аварий. При интенсивных газо-нефтепроявлениях часто разрушаются устья скважины и буровое оборудование, возникает пожар. При нефте - и газопроявлениях большую опасность представляют самовозгорание, образование взрывоопасной смеси с воздухом, отравления. Особенно опасны выбросы сероводорода, поскольку даже при очень небольших его концентрациях (0,001 мг/дм3) уже нельзя работать без специальной защиты. При высоких концентрациях сероводорода (5-25%) или углекислого газа возникает опасность коррозии (что приводит к обрыву труб и разрыву обсадных колонн), тогда необходимо повысить запас прочности оборудования, использовать специальных, обычно низколегированные, малоуглеродистые, прошедшие вторичную термическую обработку стали для изготовления труб и всей арматуры; применять специальные покрытия; вводить ингибиторы коррозии; конструировать оборудование для сбора и удаления сероводорода.

При проявлениях нефти или высокоминерализованной пластовой воды происходит загрязнение территории вокруг буровой и расположенных вблизи водоёмов, уничтожается растительность, а при содержании в воде сероводорода и других отравляющих веществ возникает угроза для персонала буровой и населения.

Причинами проявления скважин являются:

­    снижение противодавления на пласт в процессе бурения, спуска обсадных колонн, цементирования, освоения и ликвидации аварии, т. е. несоответствие параметров бурового раствора указанным в геолого-техническом наряде;

­    вскрытие продуктивных горизонтов с аномально высоким пластовым давлением;

­    нарушение технологии освобождения прихваченной бурильной колонны с помощью закачки большого количества нефти при установлении нефтяных ванн;

­    недолив скважины при подъеме бурильной колонны;

­    поршневание при подъеме из скважины бурильной колонны труб;

­    недостаточная промывка при вскрытии мощных газовых пластов;

­    недостаточная дегазация выходящего из скважины бурового раствора.

Манифольд ПВО предназначен для воздействия на бурящиеся нефтяные и газовые скважины при проявлениях - разрядкой, циркуляцией, созданием противодавлений и закачкой промывочной жидкости.

Разрядка скважины - резкий выпуск воздуха из межтрубного пространства через НКТ.

Циркуляция промывочной жидкости в скважине создается буровым насосом. Он обеспечивает необходимую интенсивность подачи (расход) и создает напор, который должен превышать сумму всех гидравлических сопротивлений движению бурового раствора на всем пути от насоса до забоя и затем до устья скважины.

Противодавление на проявляющий пласт создается преимущественно трением высокоскоростного потока водогазовой смеси.

Применяется закачка промывочной жидкости с небольшой водоотдачей (не более 2-3 см3 за 30 мин), с возможно меньшим (но достаточным для удержания во взвешенном состоянии утяжелителя) статическим напряжением сдвига, нулевым суточным отстоем и небольшим предельным динамическим напряжением сдвига - для вскрытия горизонтов со значительно повышенным коэффициентом аномальности (особенно газоносных).

1. Краткий обзор и анализ существующего оборудования

Манифольд - единый блок с набором вентилей (реже шаровых кранов) для перераспределения или смешения потока рабочего тела (газа или жидкости) между одним входом и несколькими выходами, несколькими входами и одним выходом и несколькими входами и выходами. Так же применяются для подключения дифференциальных манометров и других контрольно измерительных приборов к технологическому оборудованию и магистральным трубопроводам.

Существует большое разнообразие конструкций скважин и условий бурения, поэтому для обеспечения надежности охраны окружающей среды и недр земли схемы оборудования устья скважин стандартизованы. ГОСТ 13862-80 предусматривает четыре типовых схемы оборудования устья скважин с числом плашечных превенторов от одного до четырех при бурении на суше.

В зависимости от ожидаемой интенсивности нефтегазопроявлений в скважине рекомендуются следующие схемы монтажа оборудования для герметизации устья скважины:

­    двухпревенторная с двумя линиями манифольда;

­    трехпревенторная с двумя линиями манифольда;

­    трехпревенторная с тремя линиями манифольда;

­    трехпревенторная с четырьями линиями манифольда.

Схемы манифольдов по ГОСТ 13862-90:

­    возможно одно- и двухстороннее расположение манифольда относительно устья скважины;

­    возможна комплектация манифольдов сепараторами, гидроуправляемыми дросселями и пультами управления дросселями.

Климатическое исполнение - ХЛ, УХЛ по ГОСТ 15150-69. Управление гидроприводами задвижки - дистанционное, давлением

-21 МПа. Условные проходы, мм: 50, 65, 80.

Манифольды рассчитывают на рабочее давление 21, 35, 70, 105 МПа. В зависимости от конструкций задвижек они бывают двух типов: МП - с клиновыми задвижками и МПП - с прямоточными задвижками. Манифольды типа МП в блочном исполнении шифруются МПБ. В шифре манифольдов цифрами указывается диаметр их проходного отверстия (в мм) и рабочее давление (в МПа). Например, манифольд диаметром 80 мм (принимаемый в настоящее время для всех манифольдов) на давление 35 МПа шифруется МПБ-80Х35.

ОАО Воронежский механический завод занимается производством и ремонтом противовыбросового оборудования, в том числе и манифольдов.

Манифольд МПБ5-80х35 позволяет:

­    выпускать из скважины жидкость и газ через две нагнетательные линии (рабочую и аварийную);

­    осуществлять циркуляцию бурового раствора через скважину с регулированием избыточного давления на устье;

­    закачивать раствор в межтрубное пространство буровыми насосами или цементировочными агрегатами.

ОАО "РУ-Энерджи Групп" поставляет манифольды нагнетательной модели MBN и манифольды буровой модели DM 2.

Манифольды нагнетательной модели MBN предназначены для транспортировки бурового раствора от буровых насосов до фланца стояка в буровой вышке и трубопровода, а также для приготовления и очистки раствора буровых установок.

Задача буровых манифольдов модели DM 2 состоит в обеспечении циркуляции растворов в нефтяных и газовых скважинах в процессе их бурения и ремонта. Также манифольды буровой модели DM 2 обеспечивают замещение раствора с регулированием противодавления, и переход с одного уровня дросселирования на другой без перерывов в процессе глушения.

2. Назначение, техническая характеристика, конструкция и принцип действия выбранного оборудования

2.1 назначение

манифольд насос шпиндель циркуляционный

Манифольд МПБ-80х35 предназначен для обвязки стволовой части противовыбросового оборудования нефтяных и газовых скважин в процессе их строительства и ремонта с целью обеспечения безопасного ведения работ, предупреждения выбросов и открытых фонтанов, охраны недр и окружающей среды.

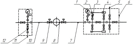
- линия глушения; 2 - датчик давления; 3 - разделитель сред;4 - манометр показывающий; 5 - дроссель с ручным приводом; 6 -тройник с манометром; 7 - клапан обратный; 8 - фланец ответный; 9 - фланец адаптерный; 10 -пробка; 11 - гаситель потока; 12 - задвижка с ручным приводом; 13 -крестовина; 14 - фланец инструментальный; 15 - сепаратор бурового раствора; 16 - вентиль игольчатый; 17 - блок превенторов; 18 -задвижка с гидроприводом.

Рисунок 1 - Манифольд МПБ-80х35

Основные особенности манифольда МПБ-80х35:

­    запорными устройствами служат задвижки ЗМ80х35 и ЗМГ80х35, с уплотнением в затворе "металл-металл", корпусные детали которых изготавливаются методом штамповки, что обеспечивает их высокую прочность и надёжность;

­    конструкция манифольда блочная;

­    управление задвижками - ручное, гидравлическое с ручным аварийным дублированием;

­    седла угловых штуцеров и обратного клапана, игла и затвор обратного клапана выполнены износостойкими;

­    рабочая жидкость гидропривода - масло индустриальное И12А, И20А, И30А при температуре окружающей среды выше -10 оС или масло гидравлическое ВМГЗи при температуре окружающей среды от -10 до -40 оС;

­    управляющее давление гидропривода - 10 МПа;


.2 Техническая характеристика

Таблица 1-Технические характеристики манифольда МПБ5-80х35

Параметры

Значение параметра

Рабочее давление, МПа

35

DB-внутренний диаметр уплотнительного кольца,мм

84

DH-наружный диаметр уплотнительного кольца,мм

104

Скважинная среда

нефть,газ,газоконденсат,пластовая вода,буровой раствор,буровой шлам и их смеси

Условный проход, мм

80

b-ширина уплотнительного кольца,мм

10

h-высота сальника,мм

8,4

Тип запорного устройства

ЗМ-80Гx35

Управление запорно-регулирующей аппаратурой

гидравлическое, дистанционное

Усилие на маховике, кН

0,45

Давление в системе гидроуправления,МПа

14

Регулирующее устройство

ДР-80x35

Температура скважинной среды, 0С

до 150

Масса(без сепаратора),кг

8628

Средний срок службы, лет

6


.3 Конструкция и принцип действия

Манифольд МБП5-80х35 состоит из коренных задвижек с ручным или ручным и гидроуправлением, двух блоков - дросселирования и глушения, включающих задвижки, обратный клапан, регулируемые дроссели с ручным и дистанционным управлением, крестовины, тройники, гасители потока, показывающие манометры с разделителями сред, а также из напорных трубопроводов и пакетов трубопроводов низкого давления.

По требованию потребителя в состав манифольда МБП5-80х35 может быть включен сепаратор бурового раствора с требуемой характеристикой или трапно-факельная установка.

Рабочая среда - газ, газоконденсат с содержанием углекислого газа до 6% по объему, механические примеси, буровые растворы.

В соответствии с ГОСТ 13862-90 предусмотрено пять схем обвязки манифольдов с условным диаметром прохода 50, 65 и 80 мм. Для манифольда МПБ-80х35 соответсвует схема представленная на рисунке 2, которая рассчитана на давление до 35 МПа для ОП с гидроуправлением.

- манометр с запорным и разрядным устройствами и разделителем сред; 2 - задвижка с ручным управлением; 3 - дроссель регулируемый с ручным управлением; 4 -гаситель потока; 5 - отвод к сепаратору или трапно-факельной установке; 6 - блок дросселирования; 7 - линия дросселирования; 8 -блок превенторов(устье скважины); 9 - задвижка с гидроуправлением; 10 - линия глушения; 11 - отвод к буровому насосу или насосному агрегату; 12 - дроссель регулируемый с гидроуправлением.

Рисунок 2 - Схема обвязки манифольда

Обвязка превенторов - манифольд - предназначена для управления давлением в скважине при нефтегазопроявлениях путем воздействия на пласт закачкой раствора и создания противодавления на него. Манифольд состоит из линий дросселирования и глушения, которые соединяются со стволовой частью оборудования для герметизации и представляют собой систему трубопроводов и арматуры (задвижки и регулируемые дроссели с ручным или гидравлическим управлением, манометры и др.).

Линия глушения соединяется с буровыми насосами и служит для закачки в скважину утяжеленного раствора по межтрубному пространству. При необходимости линия глушения используется для слива газированного бурового раствора в камеру - дегазатор циркуляционной системы буровой установки.

При ликвидации проявления первым методом забойное давление поддерживается несколько выше пластового на протяжении всего процесса. При этом поступление флюида прекратится вплоть до полного глушения.

Существует четыре способа осуществления этого метода: способ непрерывного глушения скважины: процесс вымыва и глушения начинают вести сразу на растворе с плотностью, необходимой для выполнения условия Рзаб > Рпласт. При этом способе в скважине возникают наиболее низкие давления, следовательно, он наиболее безопасен. Однако для его осуществления необходимо иметь достаточный запас утяжелителя и средств быстрого приготовления раствора на буровой.

Известно, что успешность результатов по глушению скважин зависит от следующих факторов:

­    времени обнаружения проявления;

­    выбора способа глушения;

­    значений таких показателей, как забойное давление, плотность бурового раствора, подача буровых насосов, давление в бурильных трубах и допустимое давление в обсадной колонне.

Линия дросселирования служит для слива бурового раствора и отбора флюидов из скважины с противодавлением на пласт, а также для закачки в скважину жидкости с помощью цементировочных агрегатов. Дросселирование, протекание жидкости, пара или газа через дроссель - местное гидродинамическое сопротивление потоку (сужение трубопровода, вентиль, кран и др.), при котором происходит изменение давления и температуры. Дросселирование широко применяется для измерения и регулирования расхода жидкостей и газов.

К задвижкам относят запорные устройства, в которых проход перекрывается поступательным перемещением затвора в направлении, перпендикулярном движению потока транспортируемой среды.

Малое гидравлическое сопротивление задвижек делает их особенно ценными при применении на трубопроводах, через которые постоянно движется среда с большой скоростью.

Задвижки ПВО ЗМ предназначены для перекрытия линий глушения и дросселирования манифольда противовыбросового оборудования.

Преимущества:

­    отсутствие поворотов потока рабочей среды;

­    возможность применения для перекрытия потоков среды большой вязкости;

­    простота обслуживания;

­    относительно небольшая строительная длина;

­    возможность подачи среды в любом направлении.

Недостатки:

­    относительно большая высота;

­    невозможность применения для сред с кристаллизующимися включениями;

­    небольшой допускаемый перепад давлений на затворе;

­    невысокая скорость срабатывания затвора;

­    возможность получения гидравлического удара в конце хода;

­    трудности ремонта изношенных уплотнительных поверхностей затвора при эксплуатации.

3. Монтаж, эксплуатация и ремонт выбранного оборудования

3.1 Монтаж манифольда

Манифольд состоит из линии глушения фонтанов, по которой производится закачка в скважину утяжелённого раствора, и линии дросселирования, используемой для восстановления равновесия гидростатического и пластового давлений. Крепление напорных линий представлена на рисунке 4.

- манифольд; 2 - стойка; 3 - хомут; 4 - косынка; 5 - планка

Рисунок 3 - Схема крепления напорных линий манифольда

Управление превенторами и задвижками манифольда осуществляется посредством гидравлических и механических приводов с основным и вспомогательным пультов, расположенных на безопасном расстоянии от устья скважины. Наличие 2 сблокированных пультов обеспечивает необходимую надёжность системы управления противовыбросового оборудования.

Манифольды устанавливают на рамах-салазках с телескопическими стойками, позволяющими регулировать высоту их расположения в пределах 0,65-1,25 м в зависимости от положения колонной головки над устьем скважины. Высота расположения головки изменяется после спуска и цементирования каждой обсадной колонны. Высота разъемного желоба устанавливается по расстоянию между фланцевой катушкой и ротором буровой установки.

На установках монтируют один или два плашечных превентора, а над ними универсальный превентор. При бурении под давлением над этим превентором располагают вращающийся превентор.

После монтажа линии манифольдов превенторы подвергают гидроиспытаниям под давлением в 1,5 раза превышающим рабочее. Испытания проводят с использованием смазки "Нефте-газ-203" марки В или индустриального масла 12 или 20 по ГОСТ 20799-75 с добавкой 25-30% по объему смазки "Нефте-маз-203" марки Б. После монтажа на устье превенторная установка центрируется четырьмя оттяжками из троса диаметром не менее 12 мм с использованием натяжных винтов.

Манометры, устанавливаемые на блоках дросселирования и глушения, должны иметь верхний предел диапазона измерений, на 30% превышающий давление совместной опрессовки обсадной колонны и ПВО, и должны быть оборудованы разделителями сред.

Запрещается монтаж манифольдов с пропуском их через блоки и фермы основания вышки.

Обязательными являются правила испытания запорных устройств и системы гидроуправления ими перед каждым ремонтом, если продолжительность использования запорных устройств между ремонтами составляет более одной недели.

Не допускается использование на действующей скважине неиспытанных задвижек. Испытания проводятся на базе или в полевых условиях на воде, оставляя задвижку под действием испытуемого давления в течении 20 минут. Испытывать следует каждую задвижку отдельно.

3.2 Эксплуатация манифольда

В процессе эксплуатации арматуры с прямоточными задвижками требуется через два-три месяца смазывать подшипники шпинделя солидолами.

Необходимо также через штуцер в днище корпуса задвижки в соответствии с инструкцией набивать смазку ЛЗ-162.Заполнение корпуса смазкой не дает возможности оседать различным механическим примесям, а также скапливаться агрессивной жидкости. Герметичность затвора прямоточной задвижки повышается за счет уплотнительной смазки, которая автоматически подается к поверхности затвора давлением среды в корпусе задвижки.

После установки фонтанной арматуры с крановыми запорными устройствами на скважине необходимо дополнительно набить уплотнительную смазку во все краны и проверить их на плавность работы затвора. Смазка подается масленкой, которая ввинчивается в резьбовое отверстие шпинделя вместо нажимного болта. Кран в момент набивки смазки должен быть или полностью открыт, или полностью закрыт. Допускается проводить набивку смазки при помощи нажимного болта. Однако это менее удобно и требует большего времени.

После заполнения крана смазкой нажимной болт необходимо поставить в исходное положение. Рекомендуется ввинтить его на половину длины, чтобы в процессе эксплуатации продавливать смазку на уплотнительные поверхности вращением нажимного болта на пять-шесть оборотов. Регулярная подача смазки на уплотнительные поверхности крана обеспечит постоянную герметичность затвора.

3.3 Ремонт манифольда

Ремонт задвижки или пробкового крана включает: разборку и промывку деталей, ремонт изношенных деталей и изготовление новых, сборку задвижки и гидравлическое испытание. Этот порядок сохраняется при ремонте задвижек всех диаметров и типов. В процессе разборки и сборки применяют обычный слесарный инструмент и необходимые приспособления. Операции в процессе ремонта в основном сводятся к ликвидации раковин наплавлением металла с последующей расточкой, к исправлению резьбы и т.д.

Причины неисправностей, возникающие в прямоточных задвижках и способы их устранения представлены в таблице 2.

Таблица 2 - Перечень часто встречающихся неисправностей

Неисправность

Вероятная причина

Способ устранения

Пропуск в сальниковом уплотнении шпинделя

Выработка манжет

Заменить манжеты

Резкое возрастание крутящего момента при открывании или закрывании задвижки

1) Поломка подшипников опоры шпинделя 2) Замерзание жидкости в корпусе

1) Заменить задвижку 2) Отогреть корпус задвижки горячей водой или паром

Пропуск через разрядную пробку

Нарушена герметичность пары конус-шар

Затянуть пробку в резьбе.При продолжении пропуска сменеить шарик

Постоянное положение шибера при вращении маховика

Поломка шпинделя или шиберов в Т-образном пазу

Заменить задвижку

Нарушение герметичности затвора

1) Износ уплонительных поверхностей затвора 2) Поломка тарельчатой пружины

1) Осуществить нагнетание употнительной смазки в затвор 2) Заменить пружину в ремонтной мастерской


4. Безопасность жизнедеятельности

Анализы несчастных случаев в бурении свидетельствует о том, что большая часть их происходит вследствие применения неправильных приемов труда.

При ведении работ нередко нарушают действующие правила по технике безопасности. Это обусловлено или неудовлетворительным инструктажем, или не правильной организации труда, или недостаточным техническим надзором со стороны инженерно-технических работников. Значительное число несчастных случаев связано с тем, что при ведении работ применяется неисправный инструмент и оборудование, не используются защитные средства, недостаточно используются приспособления по технике безопасности и малой механизации, облегчающие труд и предотвращающие опасности, возникающие во время выполнения работ.

Для того чтобы максимально снизить травматизм, необходимы высокая квалификация рабочих, знания или технологических особенностей бурения скважин, назначения, конструкция и правил эксплуатации оборудования и механизмов, правильных и безопасных приемов выполнения работ, а также высокий уровень технического надзора со стороны руководителей работ. Улучшение организации труда, механизация тяжелых и трудоемких работ, рационализация технологических процессов, внедрение новых, более совершенных видов оборудования, механизмов и инструмента - основные направления по повышению производительности труда и создания здоровой и безопасной производственной обстановки на буровых предприятиях. За последние годы достигнуты значительные успехи в области создания безопасных условий труда в бурении вследствие внедрения новой техники, пневматических систем управления, разработки и оснащения производств контрольно-измерительной, регистрирующей, ограничительной аппаратурой.

Для беспрепятственного доступа обслуживающего персонала к установленному на устье противовыбросовому оборудованию под буровой должен быть сделан твердый настил.

После монтажа, до разбуривания цементного стакана, превенторная установка до концевых задвижек манифольдов высокого давления должна быть опрессована водой, азотом или воздухом на давление опрессовки обсадной колонны.

Плашки превенторов, установленных на устье скважины, должны соответствовать диаметру применяемых бурильных труб. Глухие плашки устанавливают в нижнем превенторе, когда в сборке отсутствует превентор со срезающими плашками.

При бурении нефтяных и газовых скважин значительное число несчастных случаев происходит в процессе эксплуатации оборудования. Правильный монтаж, своевременный осмотр оборудования и уход за ним создают условия для последующей безопасной работы. Поэтому перед вводом в эксплуатацию вновь смонтированной буровой установки необходимо проверить укомплектованность ее приспособлениями и устройствами по технике безопасности, элементами малой механизации, КИП и запасными емкостями. Безопасность работы будет обеспечена, если буровое оборудование и инструмент будут соответствовать нормам и правилам техники безопасности.

5. Расчетная часть

5.1 Расчет клиновой задвижки с выдвижным шпинделем

Прежде чем проводить расчёт запорных устройств, необходимо задаться исходными параметрами.

р - условное давление, принимаем равным 35 МПа;

Dв - внутренний диаметр уплотнительного кольца, принимаем равным 84 мм;

Dн - наружный диаметр уплотнительного кольца, принимаем равным 104 мм;

b - ширина уплотнительного кольца, принимаем равной 10 мм;

h - высота сальника, принимаем равной 8,4 мм;

Rс - средний радиус опорного заплечика втулки или радиус до центра шариков подшипника, принимаем равным 38 мм;

rс - средний радиус резьбы, принимаем равным 13,03 мм;

Наибольшее осевое усилие на шпинделе возникает в момент закрытия задвижки, когда со стороны входа среды действуют следующие силы:

Сила гидростатического давления среды:

, [3, c. 114 ] (1)

где, р - условное давление;

Dв - внутренний диаметр уплотнительного кольца;

b - ширина уплотнительного кольца;

Подставим исходные данные и получим:

.

Реакция N1 уплотнительной поверхности корпуса со стороны входа среды, которую рассчитывают по обеспечивающей герметичность удельной нагрузке  на уплотнительной поверхности:

, [3, c. 114] (2)

где, Dн - наружный диаметр уплотнительного кольца;

q примем равной 8,75 МПа.

.

Сила трения:

; [3, c. 114] (3)


.

В момент закрытия шибер прижимается к уплотнительной поверхности со стороны входа среды под действием сил Р, N1 , F1 и на уплотнительной поверхности со стороны выхода среды возникают реакция N2 и сила трения , действующие на шибер. На него также действуют сила давления шпинделя Q и сила тяжести G, направленные по оси y - y.

Из условия равенства нулю суммы проекций на ось x - x всех сил, действующих на шибер,

;

, [3, c. 115] (4)

Принимают α = 50, поэтому, учитывая малую величину sinα, полагают

, [3,c. 115] (5)

Подставим имеющиеся значения

.

Усилие Qк, которое нужно приложить к оси шпинделя для преодоления сил, действующих на шибер, определяют из условия равенства нулю суммы проекций на ось y - y всех сил, действующих на шибер:

; [3, c. 115] (6)

Учитывая, что , получаем:

; [3, c. 115] (7)

или при α = 50 и f = 0,15

, [3, c. 115] (8)

Так как G мы измерить не можем, то принимаем её равной 394,94 Н, тогда:

.

Усилие на шпинделе, необходимое для преодоления трения в сальниках, равно:

, [3, c. 115] (9)

где, dш - диаметр шпинделя, dш = 32 мм;

h - высота сальника h = 8,4 мм;

f = 0,1 - коэффициент трения;


Усилие на шпинделе от внутреннего давления на торец шпинделя:

, [3, c. 115] (10)

Подставив значения, получим:

.

Следовательно, суммарное осевое усилие, сжимающее шпиндель:

.

Момент трения, возникающий в резьбе:

, [3, c. 115] (11)

где, rc - средний радиус резьбы;

α1 - угол подъёма нарезки;

φ = 60 - угол трения;


Крутящий момент M, который необходимо приложить к маховику, чтобы закрыть задвижку, складывается из момента трения в резьбе M1 и момента трения в подшипнике втулки шпинделя M2:

, [3, c. 117] (12)

Момент трения в подшипнике втулки:

, [3, c. 117] (13)

где, Rc - средний радиус опорного заплечика втулки, или радиус до центра шариков подшипника;

f - коэффициент трения (f = 0,1 - 0,15 для опоры скольжения и

f = 0,01 для опоры качения), принимаем f = 0,12;

.

.

Уплотнительные кольца шибера и корпуса рассчитывают на удельное давление. Наибольшая сила прижатия на уплотнительных поверхностях N2 возникает со стороны выхода среды. Давление на уплотнительных поверхностях:

, [3, c. 117] (14)

где, Dн и Dв - внутренний и наружный диаметры уплотнительного кольца.


Для колец из коррозионностойкой стали удельное давление не должно превышать 40 - 60 МПа, для колец из бронзы - 16 МПа, для колец, наплавленных твёрдым сплавом, - 60 МПа.

5.2 Расчет циркуляционной системы

Определим потери давления в циркуляционной системе.

Диаметр бурильных труб: DБТ=146 мм с толщиной стенки δ=9 мм;

Обвязка буровой: диаметр стояка DСТ=168 мм, диаметр ведущей трубы DВТ=140 мм;

Общие потери слагаются из потерь в каждом элементе системы кругового движения промывочной жидкости в процессе бурения:

P = PТР + PКП + PЗ + PД + PНЛ + Pтурб [7, c. 205] (15)                      

Подача давления в бурильных трубах:

ТРТРρQ2L = 520*10-8*1200*0,0552*1950 = 0,036 Па [7, c. 205] (16)

где, αТР - коэффициент, пропорциональный коэффициенту сопротивления

ρ - плотность промывочной жидкости, кг/м3; ρ=1200 кг/м3;

Q - расход жидкости , м3/с; Q=0,055 м3/с ;

L - длина колонны бурильных труб, м;

 = 2000 - lУБТ = 2000-50 = 1950 м [7, c. 205] (17)

Потери давления в одном замковом соединении:

З = αЗ ρQ2 = 2*10-5*1200*0,0552 = 7,2*10-5 Па [7, c. 205] (18)

Во всех замковых соединениях при среднем расстоянии между ними 10 м потери давления будут:

ΣPЗ = PЗ = (7,2*10-5)*=0,014 Па [7, c. 206] (19)

Потери давления в утяжелённых бурильных трубах:

УБТ = αУБТ ρQ2lУБТ = (2,24*10-5)*1200*0,0552*50 = 0,004 Па [7, c. 206]

где, lУБТ = длина УБТ, м; lУБТ = 50 м;

Потери давления в кольцевом пространстве:


где, αКП - табличный коэффициент

Потери давления в обвязке вычисляются как сумма потерь давления в отдельных её элементах.

Для этого необходимо вначале определить коэффициент потерь давления в обвязке:

αНЛ = αСТ αВЕРТ αВЕД.ТР. = 0,0004 + 0,0024 + 0,0009 = 0,0034 [7, c. 207] (22)

Далее с учетом данного коэффициента определяют потери давления:

РНЛ = αНЛ*ρ*Q2 = 0,0034*1200*0,0552 = 0,0123 Па [7, c. 207] (23)

Потери давления в долотных отверстиях:

РД = αД ρQ2 = (440*10-5)*1200*0,0552 = 0,0159 Па [7, c. 207] (24)

Суммарные потери давления в циркуляционной системе буровой установки находятся как сумма потерь во всех ее элементах:

РГП = PТР + PКП + ΣPЗ + PУБТ + РНЛ + РД = 0,036 + 0,0036 + 0,014 + 0,004+ + 0,0123 + 0,0159 = 0,086 Па [7, c. 208] (25)

Давление на выкиде насоса в случае турбинного способа бурения определяется как сумма потерь в циркуляционной системе и перепада давления на турбобуре:

 = PГП + Pтурб = 0,086 + 0,064 = 0,15 Па [7, c. 208] (26)

где , Pтурб - перепад давления на турбине турбобура, определяется по таблице, в данном случае значение будет Pтурб = 0,064 Па

Определим количество бурового раствора для выноса частиц выбуренной породы.

Минимальное значение подачи промывочной жидкости:

min = 0,785*103(-D2)vmin = 0,785*103(0,2952 - 0,1462)1,1 = 56,5 л/с =

= 0,056 м3/с [7, c. 208] (27)

где, vmin - минимальная скорость восходящего потока промывочной жидкости, при которой ещё не наблюдается сальникообразования на элементах бурильной колонны (долоте, переводнике турбобура и замках бурильных труб) и загрязнения ствола скважины; vmin = 1,1 м/с;

DД - диаметр долото; DД = 295 мм;

D - диаметр бурильных труб; D = 146 мм;

Следовательно, производительность насосов не должна быть меньше 0,056м3

Определим количество промывочной жидкости для выноса частиц выбуренной породы

Скорость подъёма частиц породы в кольцевом пространстве;

 м/с [7, c. 209] (28)

где, H - глубина скважины; H=2000 м;

T - время выноса частицы породы; T = 5ч

Скорость погружения частицы в промывочной жидкости, определяемая при отсутствии движения жидкости; м/с;

 [7, c. 209] (29)

где, K - коэффициент, зависящий в основном от формы частицы (табличное значение); K = 0,159

dч - диаметр частицы; dч = 10мм;

 - плотность породы;  = 2600 кг/м3;

 - плотность глинистого раствора;  = 1200 кг/м3;

α - коэффициент, зависящий от площади поперечного сечения кольцевого пространства, вращения бурильных труб и т.д.; α = 1,13;

Определяется скорость восходящего потока, м/с:

 = c+αu = 0,278 + 1,13*0,544 = 0,892 м/с [7, c. 209] (30)

Расход промывочной жидкости будет:

 = 0,785*103(- D2)v = 0,785*103(0,2952 - 0,1462)*0,892 = 47 л/с = 0,047м3

где, Dскв - диаметр скважины; Dскв = 295 мм;

D - наружный диаметр бурильных труб; D = 146 мм;

Определим временя выноса частиц с забоя на поверхность.

Продолжительность движения частиц от забоя до устья скважины определяется:

Т=H/60*c=2500/60*0.60=69 мин [7, c. 209] (32)

где c - скорость подъёма частиц в кольцевом пространстве:

c=υ-au=1,32-1,13*0,64=0,6 м/с [7, c. 209] (33)

α=1,13 - коэффициент, зависящий от площади сечения кольцевого пространства

v - скорость восходящего потока промывочной жидкости:

 =  [7, c. 210] (34)

K - поперечное сечение кольцевого пространства между бурильными трубами и стенками скважины:

 [7, c. 210] (35)

 - скорость погружения частицы в промывочной жидкости:

 

где, K=0,159 - коэффициент, зависящий от формы частиц

Следовательно, чтобы при данных условиях после прекращения бурения все частицы породы размером менее 15 мм были вынесены на дневную поверхность, необходимо вести промывку более 1 часа.

Определим наибольшего размера выносимых частиц выбуренной породы.

 частицы породы, удерживающейся во взвешенном состоянии, мм:

 [7, c. 210] (37)

 где, m - опытный коэффициент, зависящий от формы частиц; колеблется в пределах 2,5  1,6 для частиц породы 2  40 мм;

 - статическое напряжение сдвига раствора; кг/м3;

Для турбулентного режима обтекания частиц характерно соотношение:

max/do=7 [7, c. 210] (38)

где - максимальный размер выносимой частицы выбуренной породы,мм:

max=7do=7*2,6=18,2 мм [7, c. 210] (39)

Следовательно, все частицы диаметром 18,2 мм и меньше будут выноситься на поверхность

Заключение

Противовыбросовое оборудование является неотъемлемой частью любой буровой установки. Противовыбросовое оборудование представляет собой комплекс, состоящий из сборки превенторов, манифольда и гидравлического управления превенторами, предназначенный для управления проявляющей скважиной с целью обеспечения безопасных условий труда персонала, предотвращения открытых фонтанов и охраны окружающей среды от загрязнения в умеренном и холодном макроклиматических районах.

Основная задача комплекса: сохранение находящегося в скважине бурового раствора и проведение операций по его замещению (глушение скважины) другим с требуемыми параметрами.

Комплекс противовыбросового оборудования обеспечивает проведение следующих работ:

­    герметизацию скважины, включающую закрывание - открывание плашек (уплотнителя) без давления и под давлением;

­    спуск-подъем колонны бурильных труб при герметизированном устье, включая протаскивание замковых соединений, расхаживание труб, подвеску колонны труб на плашки и удержание ее в скважине плашками при выбросе;

­    циркуляцию бурового раствора с созданием регулируемого противодавления на забой и его дегазацию;


Список литературы

1.Зайцев Ю. В., Романов А. В. Освоение и ремонт нефтяных и газовых скважин под давлением. - М.: Недра, 1982г. - 215 с.

. Бойко В. С. Разработка и эксплуатация нефтяных месторождений. - М.: Недра, 1990г. - 619 с.

.Чичеров Л.Г. Расчёт и конструирование нефтепромыслового оборудования. - М.: Недра, 1968г. - 439 с

.Рабен А.А., Шевалдин П.Е., Максутов Н.Х. Монтаж и ремонт бурового и эксплуатационного оборудования. М.: Недра, 1975, 304 с.

.Северинчик Н.А. Машины и оборудование для бурения скважин. М.: Недра, 1986. 368с.

.Абубакиров В. Ф., Буримов Ю. Г. Буровое оборудование, буровой инструмент. - М.: Недра, 2003 - 494 с.

.Ильский А. Л., Миронов Ю.В., Чернобыльский А.Г. Расчет и конструирование бурового оборудования. Учеб. Пособие для вузов. М.: Недра, 1985 - 452 с.

.Фатхутдинова Р.М. Машины и оборудование для бурения нефтяных и газовых скважин. Альметьевск, 2013


Не нашли материал для своей работы?
Поможем написать уникальную работу
Без плагиата!
Без нейросетей!