Судовые автоматизированные электроэнергетические системы
Введение
В данном проекте рассчитывается судовая электроэнергетическая система
сухогрузного теплохода.
За основу взят проект ФИН 100/800 с использованием новых серий
электродвигателей. Головной теплоход «Сайменский канал» («Ладога-10»).
Основные данные:
Класс регистра - КМ ЛЗIIСП
Длина - 81,00 (м)
Ширина - 11,96 (м)
Надводный габарит (в балласте) - 13,20 (м)
Головные дизеля - 6NVD 48A-2U
Количество - 2
Номинальная мощность - 210 л.с.
Частота вращения - 375 (мин-1)
Пуск - воздушный
Эл. станция: Д-Г - ДГА 50-9
Количество - 3
Дизель - 6Ч 12/14
Мощность - 80 (э.л.с.)
Частота вращения - 1500 (об/мин)
Пуск - электростартерный
Генератор - МСС 83-4
Род тока - переменный
Напряжение - 400 (В)
Мощность - 50 (кВт)
1.
Расчет мощности СЭС и выбор дизель-генераторов
Расчет сведен в таблицу 1.
Для расчета использовались следующие формулы:
1.1. Коэффициент использования:
1.2. Коэффициент загрузки механизма:
1.3. Коэффициент одновременности работы однотипных механизмов:
,
где n - количество работающих механизмов;
n -
количество однотипных механизмов.
1.4 Общий коэффициент одновременности
kо =
0,9 1 - для постоянно работающих потребителей;
kо =
0,5 0,8 - для периодически работающих;о = 0,1 0,4 - для эпизодически
работающих.
1.5 Активная мощности для одного потребителя, кВт:
Реактивная мощность для одного потребителя, кВт;
Активная и реактивная мощности потребителей для данного режима работы
судна:
(кВт)
(кВт)
Общая потребная мощности электроэнергии по каждому режиму:
, (кВт)
, (кВт)
Полная потребная мощность, кВ·А:
Средневзвешенный коэффициент мощности
Так как cos ср.в > cos сгном , то мощность генератора для каждого режима
выбирается по активной мощности : Рсгном Роб
2.
Обоснование значений напряжений
По Российскому Речному регистру напряжение на выводах источников
электрической энергии, предназначенных для питания судовой сети не должно
превышать 400 В.
Принимаем напряжение генераторов, В 400
приемников, В 380
Род тока, А переменный
Частота тока, Гц 50
Принимаем Uг = 400 В и Uприем = 380 В, т.к. Руководящий
Технический Материал (РТМ) рекомендует такие значения при мощности источников
до 50 кВт.
3.
Выбор САРН синхронного генератора
3.1 Выбранный генератор
Тип МСК 83-4
Мощность полная Sном
,кВ·А 62,5
активная Рном , кВт 50
Напряжение Uном ,В 400
Сила тока Iном , А 91
Сопротивления:
активное rа 0,0296
по продольной оси Хd
2,081
Хd 0,21
Хd 0,143
Постоянные времени Тd
0,128
Тd 0,003
Частота тока , Гц 50
Коэффициент мощности cos
ном 0,8
Частота вращения nном ,
об/мин 1500
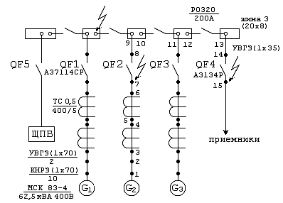
3.2 Описание системы САРН (рис. 1)
Начальное возбуждение осуществляется от остаточного напряжения. Работа
генератора при холостом ходе обеспечивается током Iо , наводимым обмоткой напряжения W1. Потокосцепление обмотки ОВ определяется суммарной МДС,
создаваемой всеми обмотками трансформатора. При этом МДС обмоток тока и
напряжения (W1 и W2) суммируются под 90° при активной нагрузке, им обеспечивает АФК
(амплитудно-фазное) ток возбуждения увеличивается при уменьшении коэффициента
мощности. Изменение тока управления отсасывающего дросселя приводит к изменению
размагничивающей МДС обмотки Wпр, а
следовательно, и изменению потокосцепления обмотки Wов и восстановлению напряжения генератора. Точность
поддержания напряжения ±1%
обеспечивается корректором напряжения КН.
Блок питания состоит из
·
силового
трансформатора ТС;
·
Wов - обмотки возбуждения СГ;
·
W1 - первичной обмотки напряжения;
·
W2 - токовой обмотки;
·
Wд + (С4 C6) - резонансного контура;
·
Wоу - обмотки управления;
·
Wпр - обмотки дросселя;
·
Wпк - обмотки питания корректора
напряжения;
·
Wк - короткозамкнутой обмотки.
Регулирование идет по:
1. внешнему воздействию (АФК);
2. отклонению напряжения генератора U2 (КН).
4. Технико-экономическое обоснование выбора комплектации
судовой электростанции
Стоимость генераторов, руб:
С2I = 2·12300=24600;
C3II = 3·4200=12600;
С5III = 5·3100=15500;
Стоимость генераторных агрегатов, руб:
С2I = 2·12800=25600;
C3II = 3·5900=17700;
С5III = 5·5200=26000;
Капиталовложения на изготовление СЭС, руб:
КII =
1,7(12000+17100) = 49470
КIII =
1,8(15000+26000)=73800
Удельный расход топлива, г/кВт·ч:
gI =
220 ; gII = 244 ; gIII = 257 .
Годовая выроботка электроэнергии СЭС, кВтч;
А=24(Рмtм+ Рхtх+ Рстtст)=24(81,35х15+43,07х120+43,65х75)=231897,6,
где Рм=81,35 кВт; Рх=43,07 кВт; Рст=43,65 кВт - нагрузка СЭС
соответственно в маневровом, ходовом и стояночном режимах;
tм=15
сут; tх=120 сут; tст=75 сут - продолжительность режимов в течении года.
Средняя стоимость электроэнергии руб/кВт·ч
где
CТ=68 руб/т - стоимость дизельного топлива.
5.
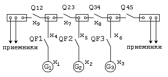
Выбор функциональной схемы САЭЭС
Выбор производится согласно РТМ и расчета надежности.
Расчет производится согласно схемам (рис. 2а; 2б; 2в)
Рис.
2а «Расчетная схема надежности I вариант»
Рис.
2б «Расчетная схема надежности II вариант»
Рис.
2в «Расчетная схема надежности III вариант»
Кратчайшие
пути функционирования системы:
Р1I=x1x3x5 ;
Р2I=x2x4x5x6 ;
Р1II=x1x4x9 ;
Р2II=x2x5x7x9 ;
Р3II=x3x6x8x7x9 ;
Р1III=x1x6x15 ;
Р2III=x2x7x11x15 ;
Р3III=x3x8x12x11x15 ;
Р4III=x4x9x13x12x11x15 ;
Р5III=x5x10x14x13x12x11x15 ;
где
xi - элемент схемы.
Вероятность
безотказной работы при одинаковой надежности.
Рис.
2а
PcI=Bсрy(x1 ….x6
=1)=Bср (VPi)=(Pi) ijBср(PiPj)+ Bср(PiPjPk)+(-1)d-1Bср(P1P2 …Pd)=P1I+P2I-P1I P2I=0,813+0,954-0,866=0,84679359
рис.
2б (II)
PcII= P1II+ P2II+ P3II+ P4II+ P5II- P1II P2II- P1II P3II- P1II P4II - P1II P5II- P2II P3II- P2II P4II- P2II P5II- P3II P4II- P3II P5II- P3II P6II- P4II P5II- P5II P6II- P4II P6II+ P1II P2II P3II +P1II P2II P4II+P1II P2II P5II+P1II P3II P4II+P1II P3II P5II+P1II P4II P5II+P2II P3II P4II+P2II P3II P5II+P2II P4II P5II+P3II P4II P5II- P1II P2II P3II P4II- P1II P2II P3II P5II- P1II P2II P4II P5II- P1II P3II P4II P5II- P2II P3II P4II P5II- P1II P2II P3II P4II P5II = 0,833 + 0,874 + 0,855 + 0,916 + 0,937 - 0,946 -
0,897 - 0,878 - 0,919 - 0,917 - 0,878 - 0,959 - 0,958 - 0,959 - 0,899 + 0,919 +
0,9510 + 0,8711 + 0,8910 + 0,9111 + 0,8711 + 0,9510 + 0,8911 + 0,9111 + 0,9311
- 0,8912 - 0,9513 - 0,8713 - 0,9113 - 0,9113 - 0,9415=0,8448895549
рис.
2в (III)
PcIII= P1III+ P2III+ P3III- P12III- P13III- P23III +P123III=0,913
+ 0,894 + 0,875 - 0,956 - 0,957 - 0,917 + 0,949=0,89145114
Из
таблицы №2 видно, что второй вариант комплектации судовой электростанции имеет
ряд достоинств перед первым и третьим вариантами. Поэтому принимаем
комплектацию состаящую из трех агрегатов типа ДГА 50-9М и генераторов МСК 83-4
мощностью по 50 кВт каждый.
Таблица
№2. Оценка технико-экономических показателей.
|
№ п/п
|
Показатели
|
Варианты
|
|
|
№ I
|
№ II
|
№ III
|
|
1. 2. 3. 4. 5. 6. 7. 8.
|
Комплектация Мощность, кВт Масса агрегатов, т Стоимость
агрегатов, руб Себестоимость эл.энергии, руб/кВт·ч Обслуживание Живучесть
Надежность
|
2ДГ´100 200 10,76 50200 0,070161 простое высокая 0,8467894
|
3ДГ´50 150 3,3 30300 0,0496385 простое высокая 0,8448895
|
5ДГ´25 125 3,87 41500 0,0631103 сложное средняя 0,8941451
|
Рис.
3 «Функциональная схема САЭЭС.»
6.
Расчет фидеров
Расчет
производится из уравнения:
IрасчхIтабл
,
где
Iрасч=kрасч·Iном;
Iтабл -
табличное значение тока;
Iном -
номинальный ток приемника;
k=1 -
коэффициент учитывающий температуру окружающей среды (k=1 при =40С)
kр - коэффициент
учитывающий режим работы приемника (берется из табл.2.132.2.РРР)
kз - коэффициент
загрузки.
По
Российскому Речному Регистру многопроволочные жилы кабелей и проводов должны
иметь сечение 1мм2. Все фидеры трех жильные кабели марки КНР для трех фазных
приемников и двух жильные для однофазных приемников. Кабель КНР - кабель с
мемедными жилами и резиновой изоляцией в полихлоридовиниловой,
маслобензостойкой, коррозионностойкой, нераспространяющей горение обмотке.
Расчет
произведен и сведен в таблицу №3.
Таблица
№3. Расчет фидеров.
|
№
|
Наименование
|
kрасч
|
Iном,А
|
Iрасч, А
|
Iтабл, А
|
q, мм2
|
|
1.
|
Рулевая машина
|
1
|
8,7
|
8,7
|
10
|
1,5
|
|
2.
|
Брашпиль
|
1
|
27
|
27
|
33
|
10
|
|
3.
|
Шпиль
|
1
|
15,5
|
15,5
|
18
|
4
|
|
4.
|
Шлюпочная лебедка
|
0,9
|
15
|
13,5
|
14
|
2,5
|
|
5.
|
Носовое подруливающее устройство
|
0,7
|
136
|
95,2
|
105
|
70
|
|
6.
|
Насос гидропривода люковых крышек
|
1
|
22
|
22
|
24
|
6
|
|
7.
|
Компрессор
|
1
|
22,6
|
22,6
|
24
|
6
|
|
8.
|
Топливоперекачивающий насос главных двигателей
|
1
|
4,9
|
4,9
|
7
|
1
|
|
9.
|
Сепаратор топлива
|
1
|
4,7
|
4,7
|
7
|
1
|
|
10.
|
Масляный зачистной насос
|
1
|
5,6
|
5,6
|
7
|
1
|
|
11.
|
Резервный насос охлаждения пресной водой
|
1
|
16
|
16
|
18
|
4
|
|
12.
|
Вентилятор МО
|
1
|
15
|
15
|
18
|
4
|
|
13.
|
Вытяжной вентилятор МО
|
1
|
1,7
|
1,7
|
7
|
1
|
|
14.
|
Балластно-осушительный насос
|
1
|
22
|
22
|
24
|
6
|
|
15.
|
Пожарный насос
|
1
|
29,3
|
29,3
|
33
|
10
|
|
16.
|
Насосы пресной, забортной и мытьевой воды
|
1
|
4,9
|
4,9
|
7
|
1
|
|
17.
|
Санитарный насос горячей воды
|
1
|
4,9
|
4,9
|
7
|
1
|
|
18.
|
Осушительный насос сточных вод
|
1
|
5,6
|
5,6
|
7
|
1
|
|
19.
|
Цирлуляционный насос
|
0,91
|
3,6
|
3,28
|
7
|
1
|
|
20.
|
Вытяжной вентилятор санитарных помещений.помещ.
|
1
|
2,8
|
2,8
|
7
|
1
|
|
21.
|
Вентиляторы камбуза и санитарно-бытовых
помещений
|
1
|
1,33
|
1,33
|
7
|
1
|
|
22.
|
Вытяжной вентилятор помещения для
углекислотного тушения
|
1
|
0,74
|
0,74
|
7
|
1
|
|
23.
|
Вытяжной вентилятор аккумуляторной
|
1
|
0,85
|
0,85
|
7
|
1
|
|
24.
|
Вентилятор воздушного отопления
|
1
|
8,7
|
8,7
|
10
|
1,5
|
|
25.
|
1
|
2,2
|
2,2
|
7
|
1
|
|
26.
|
Электротельфер
|
1
|
2,8
|
2,8
|
7
|
1
|
|
27.
|
Токарный станок
|
1
|
12
|
12
|
14
|
2,5
|
|
28.
|
Сверлильный станок
|
1
|
3,6
|
3,6
|
7
|
1
|
|
29.
|
Заточной станок
|
1
|
3,6
|
3,6
|
7
|
1
|
|
30.
|
Камбузное оборудование
|
1
|
5,26
|
5,26
|
7
|
1
|
|
31.
|
Радио оборудование
|
1
|
6,57
|
6,57
|
7
|
1
|
|
32.
|
Освещение
|
1
|
7,89
|
7,89
|
10
|
1,5
|
|
33.
|
Навигационные приборы
|
1
|
7,1
|
7,1
|
10
|
1,5
|
|
34.
|
Генератор
|
1
|
91
|
91
|
105
|
70
|
Проверка на механическую прочность.
Проверка на механическую прочность сводится к выполнению следующих
требований РРР:
кабели и провода с многопроволочными жилами должны иметь поперечное
сечение жилы не менее 1 мм2;
для цепей сигнализации и связи допускается применять кабели и провода с
площадью сечения не менее 0,75 мм2;
для переносного электрического оборудования допускается применение гибких
кабелей и шнуров с площадью сечения не менее 0,75 мм2.
Проверка на потерю напряжения.
- для
приемников;
- для
генераторов
-
для однофазной сети.
Е%=kпуск·Е%<25%
Таблица №4. Проверка на потерю напряжения
|
№
|
Наименование
|
Рном
|
L
|
q
|
h
|
E%<Eдоп%
|
kп
|
E%<25%
|
|
1.
|
Рулевая машина
|
4
|
12
|
1,5
|
0,855
|
0,52
|
7,0
|
3,67
|
|
2.
|
Брашпиль
|
10
|
76
|
10
|
0,863
|
1,23
|
6,5
|
8,01
|
|
3.
|
Шпиль
|
6,5
|
20
|
4
|
0,872
|
0,52
|
7,0
|
3,65
|
|
4.
|
Шлюпочная лебедка
|
6,6
|
15
|
2,5
|
0,875
|
0,63
|
7,0
|
4,43
|
|
5.
|
Носовое подруливающее устройство
|
64
|
72
|
70
|
0,93
|
0,99
|
7,0
|
6,93
|
|
6.
|
Насос гидропривода люковых крышек
|
10
|
10
|
6
|
0,875
|
0,27
|
7,5
|
2,00
|
|
7.
|
Компрессор
|
10
|
5
|
6
|
0,875
|
0,13
|
7,5
|
1,00
|
|
8.
|
Топливоперекачивающий насос главных двигателей
|
2
|
10
|
1
|
0,79
|
0,35
|
6,0
|
2,13
|
|
9.
|
Сепаратор топлива
|
2,1
|
10
|
1
|
0,82
|
0,36
|
6,0
|
2,15
|
|
10.
|
Масляный зачистной насос
|
2,1
|
10
|
1
|
0,8
|
0,37
|
6,0
|
2,20
|
|
11.
|
Резервный насос охлаждения пресной водой
|
6
|
12
|
4
|
0,855
|
0,29
|
7,0
|
2,06
|
|
12.
|
Вентилятор МО
|
5,7
|
9
|
4
|
0,855
|
0,21
|
6,0
|
1,26
|
|
13.
|
Вытяжной вентилятор МО
|
0,75
|
9
|
1
|
0,76
|
0,12
|
6,0
|
0,75
|
|
14.
|
Балластно-осушительный насос
|
10
|
11
|
6
|
0,9
|
0,28
|
7,5
|
2,14
|
|
15.
|
Пожарный насос
|
14
|
15
|
10
|
0,87
|
0,34
|
7,5
|
2,53
|
|
16.
|
Насосы пресной, забортной и мытьевой воды
|
2,1
|
12
|
1
|
0,8
|
0,44
|
6,0
|
2,64
|
|
17.
|
Санитарный насос горячей воды
|
2,1
|
12
|
1
|
0,8
|
0,44
|
6,0
|
2,64
|
|
18.
|
Осушительный насос сточных вод
|
2,1
|
5
|
1
|
0,8
|
0,18
|
6,0
|
1,10
|
|
19.
|
Цирлуляционный насос
|
1,15
|
12
|
1
|
0,76
|
0,25
|
6,5
|
1,65
|
|
20.
|
Вытяжной вентилятор санитарных помещений.помещ.
|
1,1
|
9
|
1
|
0,74
|
0,19
|
7,0
|
1,31
|
|
21.
|
Вентиляторы камбуза и санитарно-бытовых
помещений
|
0,55
|
9
|
1
|
0,73
|
0,09
|
7,0
|
0,66
|
|
22.
|
Вытяжной вентилятор помещения для
углекислотного тушения
|
0,22
|
9
|
1
|
0,68
|
0,04
|
7,0
|
0,29
|
|
23.
|
Вытяжной вентилятор аккумуляторной
|
0,22
|
9
|
1
|
0,68
|
0,04
|
7,0
|
0,29
|
|
24.
|
Вентилятор воздушного отопления
|
3,8
|
9
|
1,5
|
0,83
|
0,38
|
7,0
|
2,69
|
|
25.
|
Вентилятор гидромпасного, аккум. и агрегат.
помещений
|
0,75
|
9
|
1
|
0,8
|
0,12
|
7,0
|
0,83
|
|
26.
|
Электротельфер
|
1,4
|
10
|
1
|
0,8
|
0,24
|
6,5
|
1,59
|
|
27.
|
Токарный станок
|
5,3
|
10
|
2,5
|
0,855
|
0,35
|
6,0
|
2,08
|
|
28.
|
Сверлильный станок
|
1,5
|
10
|
1
|
0,8
|
0,26
|
6,0
|
1,57
|
|
29.
|
Заточной станок
|
1,1
|
10
|
1
|
0,8
|
0,19
|
6,0
|
1,15
|
|
30.
|
5,5
|
15
|
1
|
1
|
1,15
|
1,0
|
1,15
|
|
31.
|
Радио оборудование
|
3
|
20
|
1
|
1
|
0,84
|
1,0
|
0,84
|
|
32.
|
Освещение
|
6
|
20
|
1,5
|
1
|
1,12
|
1,0
|
1,12
|
|
33.
|
Навигационные приборы
|
5
|
20
|
1,5
|
1
|
0,93
|
1,0
|
0,93
|
|
34.
|
Генератор
|
50
|
12
|
70
|
1
|
0,22
|
1,0
|
0,22
|
7. Выбор аппаратуры ГЭРЩ
Выбор измерительных приборов производится согласно Российскому Речному
Регистру.
Uрасч=1,3·Uном=1,3·400=520 (В)
Iрасч=1,3·Iном=1,3·91=118 (А)
Pрасч=1,3·Pном=1,3·50=65 (кВт)
fрасч=(10)fном=4555 (Гц)
Выбираем приборы электродинамической системы:
Вольтметр Д1500
kт=1,5;
Uл=0450
В;
Амперметр Д1500
kт=1,5;
Iл=0400
A;
Ваттметр Д1603
kт=2,5;
Iном=400
A;
Uном=380
В;
Рном=60 кВт;
Трансформатор тока ТС 0,5
I1ном=400
A;
I2ном=5
A;
Uном=0,5
кВ;
S=40
кВ·А;
Частотамер Д1606
kт=2,5;
f=4555
Гц;
Размер приборов: 100´100´170
Синхроноскоп Э1505
kт=2,5.
Выбор автоматических выключателей
Номинальный ток расцепителей автоматических выключателей выбирается из
условия: IрасчIном .
Уставки по току срабатывания в зоне к.з.:
IустIрасч , где Iрасч=kз·Iпуск (kз - коэффициент запаса).
Для А31 и А37 - kз=1,85;
АК63 и АК50 - kз=1,74
Iпуск=kп·Iном , где kп -
кратность Iпуск .
Расчет и выбор сведен в таблицу №5.
Таблица №5
|
№
|
Наименование
|
Iном, А
|
Iпуск, А
|
Iрасч, А
|
Параметры АВ.
|
|
|
|
|
|
|
Тип
|
Iрасч ном, А
|
Iуст, А
|
|
1.
|
Рулевая машина
|
8,7
|
56,55
|
98,4
|
АК63ТМ-3М
|
10
|
120
|
|
2.
|
Брашпиль
|
27
|
189
|
328,9
|
А3134Р
|
32
|
160
|
|
3.
|
Шпиль
|
15,5
|
108,5
|
188,8
|
А3134Р
|
16
|
192
|
|
4.
|
Шлюпочная лебедка
|
15
|
105
|
182,7
|
А3134Р
|
16
|
192
|
|
5.
|
Носовое подруливающее устройство
|
136
|
952*
|
1761,2
|
А3134Р
|
200
|
1400
|
|
6.
|
Насос гидропривода люковых крышек
|
22
|
165
|
287,1
|
А3134Р
|
25
|
125
|
|
7.
|
Компрессор
|
22,6
|
169,5
|
294,9
|
А3134Р
|
25
|
125
|
|
8.
|
Топливоперекачивающий насос главных двигателей
|
4,9
|
29,4
|
51,2
|
АК50-3М
|
6
|
60
|
|
9.
|
Сепаратор топлива
|
4,7
|
29,4
|
51,2
|
АК50-3М
|
6
|
60
|
|
10.
|
Масляный зачистной насос
|
5,6
|
39,2
|
68,2
|
АК50-3М
|
6
|
60
|
|
11.
|
Резервный насос охлаждения пресной водой
|
16
|
112
|
194,9
|
А3134Р
|
16
|
192
|
|
12.
|
Вентилятор МО
|
15
|
105
|
182,7
|
А3134Р
|
16
|
192
|
|
13.
|
Вытяжной вентилятор МО
|
1,7
|
11,9
|
20,7
|
А3134Р
|
4,5
|
60
|
|
14.
|
Балластно-осушительный насос
|
22
|
165
|
287,1*
|
А3134Р
|
25
|
125
|
|
15.
|
Пожарный насос
|
29,3
|
219,7
|
382,3*
|
А3134Р
|
32
|
160
|
|
16.
|
Насосы пресной, забортной и мытьевой воды
|
4,9
|
29,4
|
51,2
|
АК50-3М
|
6
|
60
|
|
17.
|
Санитарный насос горячей воды
|
4,9
|
29,4
|
51,2
|
АК50-3М
|
6
|
60
|
|
18.
|
Осушительный насос сточных вод
|
5,6
|
39,2
|
68,2
|
АК50-3М
|
6
|
60
|
|
19.
|
Цирлуляционный насос
|
3,6
|
25,2
|
43,8
|
АК50-3М
|
4,5
|
60
|
|
20.
|
Вытяжной вентилятор санитарных помещений.помещ.
|
2,8
|
19,6
|
34,1
|
АК50-3М
|
4,5
|
60
|
|
21.
|
Вентиляторы камбуза и санитарно-бытовых
помещений
|
1,33
|
9,31
|
16,2
|
АК50-3М
|
4,5
|
60
|
|
22.
|
Вытяжной вентилятор помещения для
углекислотного тушения
|
0,74
|
5,18
|
9,0
|
АК50-3М
|
4,5
|
60
|
|
23.
|
Вытяжной вентилятор аккумуляторной
|
0,85
|
5,95
|
10,4
|
АК50-3М
|
4,5
|
60
|
|
24.
|
Вентилятор воздушного отопления
|
8,7
|
56,55
|
98,4
|
АК63ТМ-3М
|
10
|
120
|
|
25.
|
Вентилятор гидромпасного, аккум. и агрегат.
помещений
|
2,2
|
15,4
|
26,8
|
АК50-3М
|
4,5
|
60
|
|
26.
|
Электротельфер
|
2,8
|
19,6
|
34,1
|
АК50-3М
|
4,5
|
60
|
|
27.
|
Токарный станок
|
12
|
90
|
156,6
|
А3134Р
|
16
|
192
|
|
28.
|
Сверлильный станок
|
3,6
|
25,2
|
43,8
|
АК50-3М
|
4,5
|
60
|
|
29.
|
Заточной станок
|
3,6
|
25,2
|
43,8
|
АК50-3М
|
4,5
|
60
|
|
30.
|
Камбузное оборудование
|
5,26
|
-
|
9,2
|
А3134Р
|
12,5
|
62,5
|
|
31.
|
Радио оборудование
|
6,57
|
-
|
11,4
|
А3134Р
|
12,5
|
62,5
|
|
32.
|
Освещение
|
7,89
|
-
|
13,7
|
А3134Р
|
16
|
80
|
|
33.
|
Навигационные приборы
|
7,1
|
-
|
А3134Р
|
12,5
|
62,5
|
|
34.
|
Генератор
|
91
|
-
|
168,4
|
А3714СР
|
150
|
1500
|
|
|
|
|
|
|
|
|
|
* - Пуск со на ∆
8. Расчет токов к.з.
Исходная схема расчетов токов короткого замыкания, представлена на рис. 4
Рис.
4 «Исходная схема расчета токов к.з.»
.1
Определяем базовые значения величин
При
параллельной работе 2х и 3х генераторов
Sб2=Sном1+Sном2=62,5+62,5=125
кВА;
Sб3=Sном1+Sном2+Sном3=62,5+62,5+62,5=187,5
кВА;
Uб=Uф
ном=Uном/√3=231,2 В;
Iб2=2·Iном=2·91=182
А;
Iб3=3·Iном=3·91=273
А;
;
;
;
.
Таблица
№6. Сопротивление цепей схем замещения.
|
№ п/п
|
Наименование элемента
|
Кол-во, шт
|
Сопротивление
|
|
|
|
Активное Rp
|
Реактивное Xp
|
|
1.
|
К.з. в точке к1. Цепь (1-9) параллельная работа G2 и G3
|
|
|
|
|
1.1
|
Автомат А37114СР
|
1
|
0,736
|
0,338
|
|
1.2
|
Трансформатор тока ТС 0,5
|
2
|
0,54
|
0,088
|
|
1.3
|
Кабель 3 (1x70
мм2)
|
10м
|
3,03
|
0,76
|
|
1.4
|
Провод 3 (1x70
мм2)
|
2м
|
0,606
|
0,152
|
|
1.5
|
Соединительные клеммы 70 мм2
|
9
|
0,783
|
|
|
1.6
|
Суммарное сопротивление, мОм
|
|
5,69
|
1,338
|
|
1.7
|
Суммарное сопротивление о.е.
|
|
0,00448
|
0,00105
|
|
1.8
|
Генератор МСК 83-4 Сверхпереходное Установившиееся
|
2
|
0,0161 0,0161
|
0,0715 1,0405
|
|
1.9
|
Сопротивление в цепи (1-9) в о.е. Сверхпереходное
Установившиееся
|
|
0,02052 0,02052
|
0,07252 1,04152
|
|
1.10
|
Полное сопротивление о.е Сверхпереходное, Zp Установившиееся, Zp
|
|
0,0753 1,042
|
|
|
2.1
|
Участок цепи (1-11), мОм тоже в о.е.
|
|
5,69
|
1,338
|
|
2.2
|
Генератор МСК 83-4 Сверхпереходное Установившиееся Участок
цепи (11-15)
|
3
|
0,0107 0,0107
|
0,0477 0,694
|
|
2.2
|
Автомат А3134Р 200/1400
|
1
|
0,507
|
0,422
|
|
2.3
|
Разединитель РО320 (200А)
|
1
|
6,3
|
|
|
2.4
|
Провод УВГЗ (1x35)
|
0,5м
|
0,3025
|
0,041
|
|
2.5
|
Соединительные клеммы 70 мм2
|
6
|
0,66
|
|
|
2.6
|
Соединительные клеммы 35 мм2
|
3
|
0,48
|
|
|
2.7
|
Шина 20x8
|
0,4м
|
0,173
|
|
|
2.8
|
Суммарное сопротивление (11-15) о.е.
|
|
8,42
|
0,463
|
|
2.9
|
Суммарное сопротивление (11-15) о.е. Сверхпереходное
Установившиееся
|
|
0,027 0,027
|
0,049 0,696
|
|
2.10
|
Полное сопротивление о.е Сверхпереходное, Zp Установившиееся, Zp
|
|
0,098 0,6965
|
|
3.
|
Участок цепи (13-15)
|
|
|
|
|
3.1
|
Автомат А3134Р 200/1400
|
1
|
0,507
|
0,422
|
|
3.2
|
Провод УВГЗ (1х35)
|
0,5м
|
0,3025
|
0,041
|
|
3.3
|
Соединительные клеммы 35 мм2
|
3
|
0,48
|
|
|
3.4
|
Суммарное сопротивление (13-15), мОм
|
|
1,289
|
0,463
|
|
3.5
|
Суммарное сопротивление (13-15) о.е.
|
|
0,00153
|
0,000551
|
|
3.6
|
Полное сопротивление Z3
|
|
0,00161
|
8.2 Сопротивление цепей схем замещения
Значения сопротивлений исходной схемы берутся из справочников.
Сопротивление кабеля или провода:
Rk=rkL; Xk=xkL,
где rk, xk - активное м реактивное сопротивление одного метра кабеля
или провода для данной площади сечения, мОм/м;
L -
длина провода или кабеля, м.
Сопротивление в о.е.:
.3
Расчет тока короткого замыкания в точке к1
При
параллельной работе генераторов
Еэ
= Е1 = Е2; хэ=х /2 ; Rэ=R /2.
8.3.1
ЭДС СГ со сверхпереходным сопротивлением, о.е.
Еэ=1+хj·Ip=1+0,0715·0,428=1,0306,
где
Ip=Qоб=Qоб/Sб - реактивная составляющая силы тока СГ до момента
к.з.
хj=0,143/2=0,0715
Ip=53,5/125=0,428
.3.2
Действующие значения переходной составляющей в начальный момент к.з.
Iк.з=Еэ/Zр=1,0306
/0,0753=13,68
.3.3
Ударный коэффициент
kу=
п+а=0,765+0,41=1,175,
где
п =f(Zp,Tj) - коэффициент учитывающий затухание периодической
составляющей тока, выбирается из графика (источник 3, стр. 15).
Zp=0,0753
Tj=0,003 с
п=0,765
а=f(xp/Rp) -
коэффициент, учитывающий затухание апериодической составляющей тока к.з.,
выбирается из графика (источник 3, стр. 15).
xp/Rp=0,0725/0,0205=3,536
а=0,41.
8.3.4
Ударный ток от генератора
iуд=√2kу·Iк.з=1,41·1,175·13,68=22,66
.3.5
Действующие значения ударного тока (при отсутствии потпитки).
.3.6
Установившееся значение тока к.з.
где
Iк.з.г.уст = 5 - установившееся значение тока к.з.
синхронного генератора.
.4
Проверка цепи короткого замыкания на термическую стойкость
.4.1
Относительное значение тока к.з.
.4.2
Фиктивное время к.з. для периодической составляющей
tфп = f (tк.з.)
- выбираем по графику (источник 2, стр.14)
tк.з. = tср =
0,1 с , =2,74 , следовательно tф.п. = 0,5 с
8.4.3
Если время tк.з. 0,5 с, находим фиктивное время к.з. для
апериодической составляющей
tф.а. = ()2 · Та
= 2,742 · 0,011 = 0,0825 с,
где
Та =(хр / ) · Rр = (1/314) · 3,536 = 0,011.
.4.4
Полное фиктивное время к.з.:
tф = tф.п.
+ tф.а. = 0,5+0,0825 = 0,582 с
.4.5
Значение вспомогательной величины
Ак.з.
= I2к.з.уст · tф = 908,182 ·0,582 = 480028,3 ,
где
Iк.з.уст = Iк.з.уст · Iб =
4,99 ·182 = 908,18 А2с
.5
Проверка автоматических выключателей на динамическую и термическую стойкость
.5.1
Проверка на динамическую стойкость
iуд iуд.доп
где
iуд.доп - берется из справочника для данного АВ
iуд = iуд ·
Iб = 22,66 ·182 = 4124,12 А = 4,124 кА
iуд.доп = 75 кА
,124
< 75 - условие выполнено.
8.5.2 Проверка на термическую стойкость
Ак.з. < Адоп
,48 ·106 А2с < 36 · 106 А2с - условие термической стойкости
выполняется.
.6 Расчет тока к.з. в точке к2
Еэ = 1 +хj · Iр = 1 +0,0477 · 0,269 = 1,0128
где Iр = Qаб / Sб =
50,45/187,5 = 0,269
.6.1 Номинальная мощность эквивалента
Sэном
= Sэд = 0,75 · Sд = 0,75 ·103,16 = 77,37 кВА
где Sд - суммарная полная мощность всех
работающих в данном режиме асинхранноых двигателей
,
где
i - пор ядковый номер двигателя
n - общее
количество двигателей
- полная
потребляемая мощность в кВА.
Рi ном
, i ном , cos i ном - номинальные значения
мощности, КПД и коэффициента мощности i-того двигателя.
8.6.2
Полное сопротивление цепи эквивалентного двигателя, о.е.
где
Кэп = 6 - кратность пускового тока эквивалентного АД.
.6.3
ЭДС эквивалентного АД принимаем:
Еэд
= 0,9
.6.4
Сила тока к.з. генераторов
Действующее
значение периодической составляющей в начальный момент к.з.:
Iк.з. = Е / Zр =
0,0128 / 0,098 = 10,33
Ударный
коэффициент:
Ку
= n + а = 0,82 + 0,165 = 0,985
где
n =f (Zр ; Тj ) = f (0,098; 0,003) = 0,82
а
= f (хр / Rр ) = f ( 0,049 / 0,027 ) = 0,165
Ударный
ток от генератора
iуд = 2 Ку Iк.з.
= 1,41 0,985 10,33 = 14,34
8.6.5
Сила тока подпитки
Остаточное
напряжение в точке О:
Действующее
значение тока подпитки:
Мгновенное
наибольшее значение тока подпитки:
iуд. эд = 2 Iэд =
1,41 · 2,19=3,097
.6.6
Суммарный ток к.з.
Суммарный
ударный ток:
iуд.å = iуд +iуд.эд=22,66+3,097=25,8
Действующее
значение ударного тока:
Установившееся
значение тока в цепи к.з.
Относительное
значение тока к.з.:
Фиктивное
время к.з. для периодической составляющей
tк.з. = tср =
0,1 с , =2,067 , следовательно tф.п. = 0,26 с
Фиктивное
время к.з. для апериодической составляющей
tф.а. = 2 Та =
2,0672 0,0057 = 0,024 с,
где
Та =(хр / ) Rр = (1/314) 1,81 = 0,0057.
Полное
фиктивное время к.з.:
tф = tф.п.
+ tф.а. = 0,26+0,024 = 0,284 с
Значение
вспомогательной величины:
Ак.з.
= I2к.з.уст · tф = 1363,92 ·0,284 = 528303,38
А2·с=0,528·106 А2·с
.6.7
Проверка автоматических выключателей на стойкость
Проверка
АВ на динамическую стойкость:
iуд iуд.доп
- условие динамической стойкости
iуд = iуд Iб =
25,8 ·273 = 7043,4 А = 7 кА
iуд.доп = 75 кА
- для генераторного автомата
iуд.доп = 30 кА
- для автомата подруливающего устройства
<
30 < 75 - условие выполнено.
Проверка АВ на термическую стойкость:
Ак.з. < Адоп - условие термической стойкости
Адоп = 36 · 106 А2с - для генераторного АВ
Адоп = 20 · 106 А2с - для автомата подруливающего устройства
,528 ·106 А2с < 20 ·106 < 36 · 106 А2с - условие термической
стойкости выполняется.
9. Расчет шин
.1 Проверка шин на динамическую стойкость
h=15 мм; b=5 мм; a=70 мм; l=750 мм.
kф=0,98,
где
kф - коэффициент формы, находим по графику 5.
Удельная
плотность нагрузки
где
Iуд - ударный ток при 3х фазном к.з. при
параллельной работе генераторов.
Максимальный
изгибающий момент
.
Момент
сопротивления шины на ребре,
Максимальное
расчетное напряжение (сопротивление) в материале шины.
Проверка
шины на допустимое напряжение
Gрасч Gдоп;
Gдоп=140 МПа
(для меди)
,76<140
- условие выполняется.
.2
Проверка шин на термическую стойкость
Сечение
жилы, мм2
G=h·b=15·5=75
мм2.
Начальная
температура шины в начальный момент к.з.,С
Qнач=Qср+(Qдоп-Qср)(Iраб
/Iдоп)2=40+(90-40)(182/242)2=50,904С
Qср=40С -
температура окружающей среды,
Qдоп=90С -
продолжительная допустимая температура проводника,
Iраб=182 А -
рабочей ток кабеля равный 2Iном,
Iдоп=242 А -
допустимый ток шины.
Вспомогательная
величена, определяется по анач из графика 2.
анач=1,15·104
А2·с/мм4.
Фективное
время к.з., с:
Tф=0,284 с.
Установившееся
значение тока к.з.
Iк.з.у=1363,9 А.
Значение
вспомогательной величены, А2·с/мм4
Конечное
значение вспомагательной величены, А2·с/мм4
акон=анас+аф=1,15·104+93,9=1,159·104
А2·с/мм4 .
Максимальная
температура в конце к.з., определяется по значению акон из графика («Расчет
шин»), С
Qмах=65С
Qмах.доп=300С -
максимальная допустимая температура для медных шин из справочника.
.3
Проверка шин на вибрацию
Частота
собственных колебаний шин, Гц:
,
где
=i·=1·3,14=3,14 - коэффициент характеризующий крепление
шин; i=1 - номер гармоники (для шин на 2х опорах);
Е=110·109
Па - модуль упругасти материала шин;
кг/м3
- плотность материала шин;
J - момент
инерции площади сечения шины, м4.
-горизонтально
-вертикально
В
соответствии с требованиями РРР частота собственных колебании шин не должна
совпадать с частотой сети. Частота собственных колебаний не должна попадать в
следующие диапазоны: 4060 Гц и 90110 Гц, т.к. fр1 и fр2 -
не не попадают в эти диапазоны, следовательно условие выполняется.
10.
Расчет отклонений напряжения
.1
Исходные данные
Включаемый
приемник (АД подруливающего устройство).
|
Тип электродвигателя
|
Рном кВт
|
Uном В
|
nном об/мин
|
Iном А
|
nyjv %
|
Cos н
|
Iп/Iн
|
Мп/Мн
|
Ммах/Мн
|
S
|
|
4А250S4ОМ2
|
75
|
380
|
2940
|
136
|
93%
|
0,84
|
7
|
1,3
|
0,02
|
Полная мощность при прямом пуске
со
«Y» на «»
Коэффициент
мощности
где
Vд.ном=nн/nо=2940/3000=0,98 - относительная номинальная частота
вращения ;
kм=0,3; kмаг=0,2;
kст=0,2 - доли потерь в проводах статора механических и
магнитных в стали от суммы потерь в номинальном режиме.
10.2
Базисные значения величин
Sб=125 кВА; Uб=231,2
В; Iб=182 A; Zб2=1,27 Ом; Yб=0,78, S1=71,6, P1=66,74
в о.е.
Предварительная:
полная:
активная:
реактивная:
Включаемая:
полная:
активная:
реактивная:
Суммарные:
полная:
активная:
реактивная:
Напряжение
на выводах СГ при исходном установившемся режиме.
Относительное
напряжение по продольной и поперечной осям:
Полное
напряжение (проверка)
.3
Сила тока при исходном режиме
Сила
тока по продольной и поперечной осям:
Полная
сила тока (проверка)
I1=1 - проверка
выполняется 0,57=0,57.
.4
ЭДС генератора при исходном режиме
Сверхпереходная
ЭДС:
По
оси d:
q:
Переходная
ЭДС:
ЭДС
наведенная основным магнитным потоком по оси q:
.5
Напряжение СГ в начале сверхпереходного процесса после включения приемника
Вспомогательные
параметры
по
оси d:
аd = G·Хd = 0,957
· 0,143 = 0,137
bd = 1 + B·Хd = 1
+ 1,899 · 0,143 = 1,272
по
оси q:
аq = G·Хq =
0,957 · 0,946 = 0,905
bq = 1 + B·Хq = 1
+ 1,899 · 0,976 = 2,796
с
=аd ·аq +bd ·bq = 0,137 · 0,905 + 1,272 · 2,796 = 3,68
Составляющие
напряжения: по оси d:
Ud =
(аq / с) · Еq1 + (bd / с
) ·Еd1 = (0,905/3,68)·0,962 +
(1,272/3,68)·0,001 = 0,237
по оси q: Ud = (bq /
с) · Еq1 + (ad / с ) ·Еd1 =
(2,796/3,68)·0,962 + (0,137/3,68)·0,001= 0,73
Полное напряжение:
Отклонение
напряжения:
U =U - 1
= 0,77 - 1 = -0,23
.6
Напряжение СГ в начале переходного процесса
Вспомогательные
параметры:
аd = G·Хd =
0,957 · 0,21 = 0,2
bd = 1 + B·Хd = 1
+ 1,899 · 0,21 = 1,4
аq =аq =
0,905
bq =bq =
2,796
с
=аd ·аq +bd ·bq = 0,2 · 0,905 + 1,4 · 2,796 = 4,1
Составляющие
напряжения:
Ud = (аq /
с) · Еq = (0,905/4,1)·0,98 = 0,216
Ud = (bq /
с) · Еq = (2,796/4,1)·0,98 = 0,668
Полное напряжение:
Отклонение
напряжений:
U =U - 1
= 0,702 - 1 = -0,298
.7
Установившиеся значения напряжения после переходного процесса
Вспомогательные
параметры:
аd = G·Хd =
0,957 · 2,081= 1,991
bd = 1 + B·Хd = 1
+ 1,899 · 2,081 = 4,95
аq =аq =
0,905
bq =bq =
2,796
с
=аd ·аq +bd ·bq = 1,991 · 0,905 + 4,95 · 2,796 = 15,64
Составляющие
напряжения:
UYd = (аq /
с) · Е01 = (0,905/15,64)·1,67 = 0,097
UYd = (bq /
с) · Е01 = (2,796/15,64)·1,67 = 0,29
Полное напряжение:
Отклонение
напряжений:
UY =UY -
1 = 0,306 - 1 = -0,694
.8
Изменение отклонение напряжения во времени
Сопротивление
суммарной нагрузки:
активное
r = G / Y2 =
0,957/2,742 = 0,127
реактивное
Х
= B / Y2 = 1,899/2,742 = 0,253
Расчетное
сопротивление:
rр = rа + r
=0,0296+0,127 = 0,156
Реактивное
установившееся:
Хpd
=Хd +Х = 2,081 +0,253 = 2,334
Хpq
=Хq +Х = 0,946 + 0,253 = 1,199
Реактивное
сверхпереходное:
Хpd
=Хd +Х = 0,143 + 0,253 = 0,396
Хpq
=Хq +Х = 0,946 + 0,253 = 1,199
Реактивное
переходное:
Хpd
=Хd +Х = 0,21 + 0,253 = 0,463
Постоянная
времени сверхпереходного процесса,с:
Постоянная
времени переходного процесса, с:
Закон
изменения отклонения напряжения:
Значение
расчетных напряжений:
UI = U - U = 0,83 - 0,702 = 0,128= k· (1 - UY ) = 0 = (1 - U ) - k · (1 - UY ) = 1 - 0,702 = 0,298
где
k = 0 - насыщенный трансформатор возбуждения
Выражение
для отклонения напряжения:
U(t) = UI - UII -
UIII
U(t) =
0 - 0 - 0,00081 = -0,00081
Проверка
СЭЭС на отклонение напряжения в течение сверхпереходного процесса в СГ с АФК:
U1 = (U + U) /
2 = (-0,23+ (-0,298)) / 2 = - 0,26
В
течение сверхпереходного процесса:
U1 доп max U1 U1
доп min
,2
-0,26 -0,15
Через
1,5 секунд после включения приемника:
U2 доп max U2 U2
доп min
,03
0,00081 -0,003
11.
Расчет электрической безопасности
электроэнергетический автоматизированный теплоход
Схема
замещения:
Ua ; Ub ; Uc -
фазное напряжение источника
Ia ; Ib ; Ic -
фазные токи утечки
Сa ; Сb ; Сc -
емкости фаз
ra ; rb ; rc -
емкости сопротивления изоляции фаз
Ya ; Yb ; Yc -
проводимости изоляции фаз относительно земли
Т.к.
есть симметрия, то:
ra = rb = rc = r; Ya = Yb = Yc = Y; Сa = Сb = Сc = С
Y = 1/r + jC
)
In - ток, проходящий через тело человека
,
где
Gh - проводимость тела человека
Gh = 1 / Rh =
1/1000 = 10-3
Rh -
сопротивление тела человека
2) Расчет емкости сети:
l - длина кабеля
h - высота от
проводника до поверхности
=
8,854 · 10-12 - электрическая постоянная (Ф/м)
Для
генератора:
Рулевая
машина:
Шпиль:
Брашпиль:
Шлюпочная
лебедка:
Носовое
подруливающее устройство:
Насос
гидропривода люковых крышек:
Компрессор:
Топливоперекачивающий
насос главных двигателей:
Сепаратор
топлива:
Масляный
зачистной насос:
Резервный
насос охлаждения пресной воды:
Вентилятор
МО:
Вытяжной
вентилятор МО:
Балластно-осушительный
насос:
Пожарный
насос:
Насосы
пресной, забортной и мытьевой воды:
Санитарный
насос горячей воды:
Осушительный
насос сточных вод:
Циркуляционный
насос:
Вытяжной
вентилятор санитарных помещений:
Вентиляторы
камбуза и санитарно-бытовых помещений:
Вытяжной
вентилятор помещения для углекислотного тушения:
Вытяжной
вентилятор аккумуляторный:
Вентилятор
воздушного отопления:
Вентилятор
гидрокомпасного, аккум. и агрегат. помещений:
Электротельфер:
Токарный
станок:
Сверлильный
станок:
Заточный
станок:
Камбузное
оборудование:
Радиооборудование:
Освещение:
Навигационные
приборы:
Суммарная
емкость:
Сф
= (2· Сф + …) =3509,4·10-12
Сс
= Сф + n·Cу + m·Сd +p·Cn = 1,72·10-6
n -количество
потребителей до 10 кВт, работающих в наиболее тяжелом режиме Cу =
5·10-9Ф
m - количество
потребителей выше 10 кВт, работающих в наиболее тяжелом режиме Cd =
3·10-8Ф
р
- количество фаз Сn = 0,5·10-6
Значение
тока через тело человека
Y = 1/r + jC =1·10-6 + j·314,1·1,72·10 -6 = 540,25 · 10-6 ·еj89.89
= 0,54
Т.к.
ток превышает допустимое значение следует устанавливать аппаратуру, -дроссель
компенсации для уменьшения емкостной составляющей тока.
12. Система управления СЭЭС
К системе управления СЭЭС РРР предъявляет следующие требования:
В судовой электро-энергетической системе с дистанционным управлением
генераторными агрегатами должны обеспечивать:
1. автоматическую синхронизацию, прием и
распределение нагрузки.
2. Автоматическое отключение
несоответствующих потребителей электроэнергии при перегрузке СГ.
Система включает в себя:
1. БТТ - блок трансформаторов
2. БР - блок реле
3. РОМ - реле обратной мощности
4. УВП - устройство защиты от перегрузок
5. П.С.Д. - регулирование с помощью
серводвигателя частоты вращения первичного двигателя
6. УВР - устройство включения резерва
7. ПКИ - прибор контроля изоляции
8. УСГ - устройство синхронизации
генераторов
9. УРМ - устройство распределения
мощности
Список используемой литературы
1.
Самулеев В.И.,
Соловьев Н.Н. «Определение мощности судовой электростанции», Горький, 1987.
2.
Соловьев Н.Н.
«Расчет судовых электрических сетей», Н.Новгород, 1995.
3.
Соловьев Н.Н.
«Расчет токов короткого замыкания в СЭЭС переменного тока», Н.Новгород, 1995.
4.
Соловьев Н.Н.
«Отклонения напряжения в СЭЭС», Н.Новгород, 1995.
5.
Самулеев В.И.,
Соловьев Н.Н. « Судовые электроэнергетические системы», Москва, Транспорт, 1991
6.
Китаенко Г.И.
«Справочник судового электромеханика», том 2, Ленинград, Судостроение 1980.