Расчёт кодера фамилии студента
Содержание
Введение
1. Постановка задачи
2. Структурная схема
3. Составление таблицы истинности
4. Разработать схему генератора импульсов с частотой повторения
210кГц
5. Счётчик импульсов
6. Схема совпадения кодов
7. Регистры памяти
8. Минимизация булева выражения
Заключение
Список используемой литературы
Введение
Современный этап развития
научно-технического прогресса характеризуется широким применением электроники и
микроэлектроники во всех сферах жизни и деятельности человека. Важную роль при
этом сыграло появление и быстрое совершенствование интегральных микросхем -
основной элементной базы современной электроники. Цифровые интегральные
микросхемы применяются в вычислительных машинах и комплексах, в электронных
устройствах автоматики, цифровых измерительных приборах, аппаратуре связи и
передачи данных, медицинской и бытовой аппаратуре, в приборах и оборудовании
для научных исследований и т.д.
В настоящее время сведения о цифровых
интегральных схемах необходимы не только специалистам по радиоэлектронике, но и
радиолюбителям.
Цифровая обработка данных с помощью автоматических устройств
является результатом технического прогресса не только последних десятилетий.
Еще в средние века были созданы примитивные по современным понятиям решающие
устройства, которые могли выполнять такие несложные вычислительные действия,
как сложение и вычитание. Эти вычислительные машины, работавшие на чисто
механическом принципе, были столь велики по размерам и дороги, что, конечно же,
тогда не могло быть и речи о той популярности, которой пользуются, например,
современные карманные калькуляторы.
Эти машины предназначались для исследовательских целей и ими
пользовались в основном их изобретатели. Впрочем, это не означало, что подобные
научные разработки были совершенно бесполезными. Они обогащали науку в целом и,
конечно, давали определенный вклад в развитие технологии изготовления серийных
машин и автоматов в течение последующих веков, в особенности в XIX в. Проблему создания
электронных вычислительных машин и автоматов стали широко обсуждать впервые
после изобретения радиоламп в начале XX в. В эти годы были созданы различные схемы,
которые впоследствии применялись в качестве базовых элементов цифровых схем.
Здесь имеются в виду различные генераторы (типа мультивибраторов), а также
логические схемы, реализующие функции И, ИЛИ и НЕ (обращения, инверсии), и
усилители считывания для магнитных запоминающих устройств (ЗУ). Перед второй
мировой войной впервые была сделана попытка создать полномасштабную электронную
вычислительную машину (ЭВМ), в которой использовались радиолампы, селеновые
диоды и магнитные запоминающие элементы для регистров и ЗУ.
В Голландии развитие вычислительной техники началось после
второй мировой войны. Работы в области создания ЭВМ были начаты почти
одновременно в Математическом центре в Амстердаме, в лаборатории РТТ в
Лейдшендаме (д-ром Нехерлабом) и в Национальной лаборатории Филипса в
Эйндховене.
Как известно, первая ЭВМ, созданная в Математическом центре,
была собрана из релейных элементов. Конструкция машины была признана неудачной
из-за постоянных сбоев, возникающих в результате загрязнения контактов реле.
Уже в начале 50-х годов были разработаны электронные машины, которые имели
лучшие характеристики. Первые ЭВМ назывались ARRA (аббревиатура от
словосочетания Automatische Relais Rekenmachine Amsterdam), т.е. назывались так
же, как и предыдущие машины, которые, как уже говорилось выше, были собраны
исключительно из релейных элементов.
Для новых ЭВМ из-за интенсивного тепловыделения
многочисленных радиоламп потребовалась эффективная система охлаждения с
большими вентиляторами, смонтированными внутри корпуса ЭВМ. Вентильные схемы ARRA собирались из селеновых
диодов и радиоламп (двойных триодов), а в качестве запоминающих элементов
регистров применялись магнитные кольцевые сердечники. Для хранения команд и
других данных использовались барабанные ЗУ. Ввод информации осуществлялся с
помощью устройства собственного изготовления для считывания перфолент, а вывод
информации - с помощью модифицированной электрической пишущей машинки.
Из-за низкого качества селеновых диодов и относительно
быстрого старения радиоламп эту ЭВМ вряд ли можно было рассматривать как
высококачественное изделие, пригодное для крупномасштабного производства. Тем
не менее, ARRA в течение ряда лет использовалась для решения
научно-исследовательских задач.
В конце 1957 г. была создана ЭВМ X1, разработанная в
Математическом центре и выполненная полностью на транзисторах. Эта ЭВМ
впоследствии была запущена в массовое производство существовавшей в то время
фирмой N. V.
Electrologica (г. Рейсвейк).
В ЭВМ X1, которая была значительно меньше по размерам, чем ламповые
ЭВМ, логические элементы, такие, как схемы И, ИЛИ и обращения (инверсии), были
собраны из дискретных компонентов, смонтированных на печатной плате. Эта плата,
снабженная периферийными контактами с покрытием из тонкого слоя золота,
собиралась в виде единого модуля. На одной плате располагались две схемы И-НЕ с
тремя входами на каждую, которые были изготовлены из ДТЛ-элементов. Соединения
между модулями, необходимые для реализации требуемых вычислительных функций,
выполнялись с помощью проводников ЭВМ.
Монтаж ЭВМ, состоящей из дискретных компонентов и проволочных
соединений, оказался очень трудоемким процессом, что привело к существенному
удорожанию подобных систем. Изменение элементной базы произошло в середине 60-х
годов" когда на рынке появились интегральные схемы (ИС) первоначально с
небольшой плотностью расположения элементов, например по четыре схемы типа И-НЕ
на одном кристалле, а затем и с более высокой плотностью, что позволило
реализовать более сложные функции. Под более сложными мы понимаем функции,
реализуемые в схемах селекторов, мультиплексоров, демультиплексоров,
сумматоров, декадных и шестнадцатеричных счетчиков и других устройств.
Благодаря высокой степени интеграции (несколько десятков-схем
И-НЕ и ИЛИ-НЕ на одном кристалле) стоимость цифровых схем существенно
снизилась. Кроме того, совершенствование технологии изготовления привело к
росту производства ИС. Указанные факторы повлияли на стоимость ЭВМ, тем более
что за счет меньших размеров модулей на одной плате стало возможным разместить
большее число ИС. Небольшие по размерам вставные модули типа использованных в
ЭВМ XI были заменены одной большой платой с десятками ИС. Такие платы
затем соединяются с другими платами.
Взаимные соединения между отдельными платами, осуществляемые
с помощью разъемов, первоначально производились в стойках с применением
монтажа накруткой или стежковой сваркой, однако в дальнейшем от этой технологии
отказались, чтобы освободить место для печатного монтажа на обратной стороне
платы.
В середине 60-х годов был достигнут большой прогресс в
разработке МОП-транзистора - элемента с ничтожно малым тепловыделением и
простой конструкцией. Эти факторы позволили изготовить ИС с еще более высокой
плотностью расположения элементов, что, в свою очередь, привело к сборке целого
процессора (т.е. основы ЭВМ) на одном кристалле небольших размеров.
В начале 70-х годов фирме Intel (США) удалось разработать микропроцессор (
Р), хотя вначале его набор команд и
разрядность шины данных были небольшими. За первым микропроцессором типа 4004
вскоре был создан микропроцессор типа 8008 с 8-разрядной шиной передачи данных,
а затем - микропроцессор 8080 с более совершенной системой команд.
В настоящее время разрабатываются микропроцессоры с 16-разрядными
шинами передачи данных (1 бит-1 двоичному числу) и с еще большим набором
команд.
Одновременно с созданием микропроцессоров разрабатывались
полупроводниковые ЗУ на МОП-транзисторах, поэтому в настоящее время уже на
одной плате можно разместить целый компьютер. Цена такого компьютера составляет
от сотни до нескольких тысяч долларов, а зависимости от объема ЗУ и состава
системы внешних устройств для ввода данных и вывода на магнитную ленту.
С появлением микропроцессоров область применения ЭВМ существенно
расширилась. Если вначале компьютеры применялись только в
научно-исследовательской работе и АСУ, то сегодня их можно встретить и в
швейных машинках, бензоколонках и в кассовых аппаратах. Можно назвать также
персональные компьютеры, которые используются не только любителями
разнообразных хобби, но и профессионалами, занимающимися разработкой проектов
автоматизации систем распределения газа, электричества и воды и других систем
управления процессами.
Несмотря на интенсивную разработку микропроцессоров потребность в
схемах на ТТЛ - и КМОП-элементах с относительно невысокой степенью интеграции
остается, как и прежде, большой. Это связано с тем, что такие элементы
обеспечивают большую гибкость при разработке логических схем, предназначенных
для применений, в которых важную роль играют скорость переключения, небольшие
размеры и небольшая стоимость.
код память цифровая микросхема
1. Постановка
задачи
В данной работе необходимо спроектировать электронную схему
на цифровых ИМС. Схема должна осуществлять генерацию пятибитного кода неполного
алфавита русского языка, а также выводить последовательности этих кодов в
соответствии с наименованием и количеством букв фамилии исполнителя, с целью
последующей обработки и отображения на буквенно-цифровом индикаторе.
1. Составить таблицу истинности для 5-ти входных
переменных (A,B,C,D,E).
2. Разработать
схему генератора импульсов с f = 210 (кГц),
относительная нестабильность частоты -
.
3. Студентам,
номера которых чётные разработать схему на ТТЛ микросхемах.
4. К
выходу генератора импульсов подключить многоразрядный счётчик, к выходам
разрядов которого подключить 9 схем сравнения кодов, обеспечивающих формирование
импульсов записи в моменты совпадения кодов 5-ти младших разрядов счётчика кода
букв с интервалом времени, соответствующем каждой букве фамилии.
5. По
каждому из этих 9 импульсов записи произвести запись 5-ти разрядного двоичного
кода каждой буквы фамилии в соответствующий регистр памяти.
6. Преобразовать
таблицу истинности: все единицы всех столбцов в одном столбце. По такой
преобразованной таблице составить булево выражение, заполнить карту Карно.
Произвести минимизацию булева выражения по карте Карно и записать
минимизированное булево выражение.
7. Разработать
структурную схему по первоначальной таблице истинности.
8. Разработать
принципиальную схему.
9. Привести
энергетические параметры.
2.
Структурная схема
Поставленную задачу можно решить, используя структурную схему
представленную на рис.1.
Рис.1. Структурная схема устройства
Схема содержит следующие блоки:
) генератор прямоугольных импульсов с частотой f=210 кГц;
) формирователь двоичного кода, преобразует
последовательность импульсов в параллельный двоичный код;
) устройство совпадения, выдаёт строб. импульс при совпадении
входного кода с заданным;
) устройство запоминания, запоминает код по строб. импульсу
устройства совпадения.
3.
Составление таблицы истинности
Таблица букв русского алфавита.
Таблица 1
|
0
|
1
|
2
|
3
|
4
|
5
|
6
|
7
|
8
|
9
|
10
|
11
|
12
|
13
|
14
|
15
|
|
-
|
А
|
Б
|
В
|
Г
|
Д
|
Е
|
Ж
|
З
|
И
|
Й
|
К
|
Л
|
М
|
Н
|
О
|
|
16
|
17
|
18
|
19
|
20
|
21
|
22
|
23
|
24
|
25
|
26
|
27
|
28
|
29
|
30
|
31
|
|
П
|
Р
|
С
|
Т
|
У
|
Ф
|
Х
|
Ц
|
Ч
|
Ш
|
Щ
|
Ы
|
Ь
|
Э
|
Ю
|
Я
|
Составим таблицу истинности для пяти входных переменных A,B,C,D,E учитывая количество букв
в фамилии.
Таблица 2
|
|
|
Б
|
О
|
Д
|
И
|
Л
|
О
|
В
|
С
|
К
|
И
|
Й
|
|
|
№
|
A
|
B
|
C
|
D
|
E
|
F1
|
F2
|
F3
|
F4
|
F5
|
F6
|
F7
|
F8
|
F9
|
F10
|
F11
|
F
|
|
0
|
0
|
0
|
0
|
0
|
0
|
0
|
0
|
0
|
0
|
0
|
0
|
0
|
0
|
0
|
0
|
0
|
0
|
|
А
|
1
|
0
|
0
|
0
|
0
|
1
|
0
|
0
|
0
|
0
|
0
|
0
|
0
|
0
|
0
|
0
|
0
|
0
|
|
Б
|
2
|
0
|
0
|
0
|
1
|
0
|
1
|
0
|
0
|
0
|
0
|
0
|
0
|
0
|
0
|
0
|
0
|
1
|
|
В
|
3
|
0
|
0
|
0
|
1
|
1
|
0
|
0
|
0
|
0
|
0
|
0
|
1
|
0
|
0
|
0
|
0
|
1
|
|
Г
|
4
|
0
|
0
|
1
|
0
|
0
|
0
|
0
|
0
|
0
|
0
|
0
|
0
|
0
|
0
|
0
|
0
|
0
|
|
Д
|
5
|
0
|
0
|
1
|
0
|
1
|
0
|
0
|
1
|
0
|
0
|
0
|
0
|
0
|
0
|
0
|
0
|
1
|
|
Е
|
6
|
0
|
0
|
1
|
1
|
0
|
0
|
0
|
0
|
0
|
0
|
0
|
0
|
0
|
0
|
0
|
0
|
0
|
|
Ж
|
7
|
0
|
0
|
1
|
1
|
1
|
0
|
0
|
0
|
0
|
0
|
0
|
0
|
0
|
0
|
0
|
0
|
0
|
|
З
|
8
|
0
|
1
|
0
|
0
|
0
|
0
|
0
|
0
|
0
|
0
|
0
|
0
|
0
|
0
|
0
|
0
|
0
|
|
И
|
9
|
0
|
1
|
0
|
0
|
1
|
0
|
0
|
0
|
1
|
0
|
0
|
0
|
0
|
0
|
1
|
0
|
1
|
|
Й
|
10
|
0
|
1
|
0
|
1
|
0
|
0
|
0
|
0
|
0
|
0
|
0
|
0
|
0
|
0
|
1
|
1
|
|
К
|
11
|
0
|
1
|
0
|
1
|
1
|
0
|
0
|
0
|
0
|
0
|
0
|
0
|
0
|
1
|
0
|
0
|
1
|
|
Л
|
12
|
0
|
1
|
1
|
0
|
0
|
0
|
0
|
0
|
0
|
1
|
0
|
0
|
0
|
0
|
0
|
0
|
1
|
|
М
|
13
|
0
|
1
|
1
|
0
|
1
|
0
|
0
|
0
|
0
|
0
|
0
|
0
|
0
|
0
|
0
|
0
|
0
|
|
Н
|
14
|
0
|
1
|
1
|
1
|
0
|
0
|
0
|
0
|
0
|
0
|
0
|
0
|
0
|
0
|
0
|
0
|
0
|
|
О
|
15
|
0
|
1
|
1
|
1
|
1
|
0
|
1
|
0
|
0
|
0
|
1
|
0
|
0
|
0
|
0
|
0
|
1
|
|
П
|
16
|
1
|
0
|
0
|
0
|
0
|
0
|
0
|
0
|
0
|
0
|
0
|
0
|
0
|
0
|
0
|
0
|
0
|
|
Р
|
17
|
1
|
0
|
0
|
0
|
1
|
0
|
0
|
0
|
0
|
0
|
0
|
0
|
0
|
0
|
0
|
0
|
0
|
|
С
|
18
|
1
|
0
|
0
|
1
|
0
|
0
|
0
|
0
|
0
|
0
|
0
|
0
|
1
|
0
|
0
|
0
|
1
|
|
Т
|
19
|
1
|
0
|
0
|
1
|
1
|
0
|
0
|
0
|
0
|
0
|
0
|
0
|
0
|
0
|
0
|
0
|
0
|
|
У
|
20
|
1
|
0
|
1
|
0
|
0
|
0
|
0
|
0
|
0
|
0
|
0
|
0
|
0
|
0
|
0
|
0
|
0
|
|
Ф
|
21
|
1
|
0
|
1
|
0
|
1
|
0
|
0
|
0
|
0
|
0
|
0
|
0
|
0
|
0
|
0
|
0
|
0
|
|
Х
|
22
|
1
|
0
|
1
|
1
|
0
|
0
|
0
|
0
|
0
|
0
|
0
|
0
|
0
|
0
|
0
|
0
|
0
|
|
Ц
|
23
|
1
|
0
|
1
|
1
|
1
|
0
|
0
|
0
|
0
|
0
|
0
|
0
|
0
|
0
|
0
|
0
|
0
|
|
Ч
|
24
|
1
|
1
|
0
|
0
|
0
|
0
|
0
|
0
|
0
|
0
|
0
|
0
|
0
|
0
|
0
|
0
|
0
|
|
Ш
|
25
|
1
|
1
|
0
|
0
|
1
|
0
|
0
|
0
|
0
|
0
|
0
|
0
|
0
|
0
|
0
|
0
|
0
|
|
Щ
|
26
|
1
|
1
|
0
|
1
|
0
|
0
|
0
|
0
|
0
|
0
|
0
|
0
|
0
|
0
|
0
|
0
|
0
|
|
Ы
|
27
|
1
|
1
|
0
|
1
|
1
|
0
|
0
|
0
|
0
|
0
|
0
|
0
|
0
|
0
|
0
|
0
|
0
|
|
Ь
|
28
|
1
|
1
|
1
|
0
|
0
|
0
|
0
|
0
|
0
|
0
|
0
|
0
|
0
|
0
|
0
|
0
|
0
|
|
Э
|
1
|
1
|
1
|
0
|
1
|
0
|
0
|
0
|
0
|
0
|
0
|
0
|
0
|
0
|
0
|
0
|
0
|
|
Ю
|
30
|
1
|
1
|
1
|
1
|
0
|
0
|
0
|
0
|
0
|
0
|
0
|
0
|
0
|
0
|
0
|
0
|
0
|
|
Я
|
31
|
1
|
1
|
1
|
1
|
1
|
0
|
0
|
0
|
0
|
0
|
0
|
0
|
0
|
0
|
0
|
0
|
0
|
Номер и код буквы в фамилии студента:
Таблица 3
|
1
|
Б
|
0000
|
|
2
|
О
|
0001
|
|
3
|
Д
|
0010
|
|
4
|
И
|
0011
|
|
5
|
Л
|
0100
|
|
6
|
В
|
0101
|
|
7
|
С
|
0110
|
|
8
|
К
|
0111
|
|
9
|
Й
|
1000
|
Полный код буквы в фамилии студента:
Таблица 4
|
Буква
|
Полный код
|
|
Б
|
0000 00010
|
|
О
|
0001 01111
|
|
Д
|
0010 00101
|
|
И
|
0011 01001
|
|
Л
|
0100 01100
|
|
В
|
0101 00011
|
|
С
|
0110 10010
|
|
К
|
0111 01011
|
|
Й
|
1000 01010
|
4.
Разработать схему генератора импульсов с частотой повторения 210кГц
Так как номер в журнале четный, то разрабатываем схему на
ТТЛ-микросхемах.
Необходимо разработать схему генератора импульсов с частотой
повторения f
= 210 кГц и относительной нестабильностью частоты
Δf / f = ±30% на микросхемах
ТТЛ - серии.
В качестве генератора применим следующую схему:
Рис.2. Генератор импульсов.
Схема основана на широко распространенном генераторе на 3-х
инверторах.
Длительность выходного импульса
определяется внешними времязадающими элементами: ёмкостью С и сопротивлением R, по формуле:
tимп = 2*R*C
По заданию нужно разработать генератор с
частотой повторения
f =210кГц, т.е.
tповтр. = 1/210 *103=0,0048mc.
Зададимся выходным сигналом генератора
типа "меандр", то есть сигналом, у которого длительности импульса и
паузы равны. Определим их по формуле
t имп = t пауз = tповтор /2 = l/ (2*f) = 2,4мкс.
Зададимся значением резистора R = 200 Ом (из ряда Е24).
Найдём величину сопротивления С:
С = t имп /2*R = 2,4*10-6/2*200
=6 пФ.
Выбираем ближайшее стандартное значение из
ряда Е192: С =6,3 пФ.
По справочнику [4] выбираем резистор:
МЛТ-0,25 - 200Ом ± 5%.
По справочнику [4] выбираем конденсатор: К10-23-6,3пФ-16В ±
5%.
В качестве инвертора выбираем микросхему К155ЛН1 она
приведена на рис.3
Рис.3. Шесть инверторов
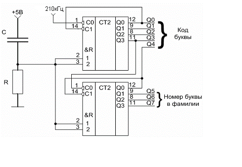
5. Счётчик
импульсов
В качестве счётчика импульсов выбраны две микросхемы К155ИЕ5.
Микросхема К155ИЕ5 является четырехразрядным, асинхронным
счетчиком пульсаций. Счетчик имеет две части: делитель на 2 (выход Q0, тактовый вход C0) и делитель на восемь
(выходы Q1
- Q3, тактовый вход С1).
Таким образом соединив С1 и Q0 мы получаем делитель на 16. Вход второго счетчика С0
соединяем с выходом первого Q3.
Счетчик имеет прямой вход сброса, разделенный логическим
элементом И на 2. Поэтому для сброса счетчика необходимо подать высокий уровень
на оба входа. При подаче низкого уровня начинается режим счета. Причем счет
ведется по отрицательному перепаду тактового импульса на входе.
Схемная реализация счётчика приведена на рис.4.
Рис.4 Схемная реализация счетчика
С помощью дифференцирующей цепочки R, C производится начальный
сброс счётчиков в нулевое состояние. Рассчитаем номиналы этих элементов:
Зададимся значением сопротивления резистора R=220 (Ом), оно не должно
превышать значения:
.
Тогда, учитывая время нарастания входного напряжения, примем
значение импульса сброса длительностью 200мс, рассчитываем значение ёмкости С:
Выбираем С равный 910 (пФ).
По справочнику [4] выбираем резистор: МЛТ-0,25-220Ом ± 5%.
По справочнику [4] выбираем конденсатор: К10-23-910мкФ-16B ± 10%.
6. Схема
совпадения кодов
Устройство совпадения кодов можно построить следующим
способом:
использовать дешифратор, при этом выходные сигналы необходимо
снимать с выходов дешифратора, номера которых соответствуют коду буквы фамилии
с именем. Этот способ универсален, так как сигнал можно снимать с любого из
выходов дешифратора. В качестве дешифраторов будем использовать микросхему
К155ИД7, УГО и цоколёвка которого представлены на рисунке 5. Таблица истинности
представлена в таблице 5. Параметры К155ИД7 представлены в таблице 6.
Рис.5 УГО и цоколёвка К155ИД7.
Таблица 5. Таблица истинности К155ИД7.
Таблица 6. Параметры К155ИД7.
|
Параметры
|
E=5 В
|
|
Входной ток
логического 0, мА
|
- 1.6
|
|
Входной ток
логической 1, мА
|
0.04
|
|
Входное
напряжение логического 0, В
|
- 1.4
|
|
Входное
напряжение логической 1, В
|
3.2
|
|
Выходное напряжение
логического 0, В
|
0.4
|
|
Выходное
напряжение логической 1, В
|
2.4
|
Для формирования неполного матричного дешифратора необходимо
9 элементов 2ИЛИ-НЕ (по количеству неповторяющихся букв фамилии). Для этого
выбираем 3 микросхемы К155ЛЕ1.
Микросхема К155ЛЕ1 выполняет логическую
функцию 4 2ИЛИ-НЕ.
Основные параметры:
Рис.6 Микросхема типа ЛЕ1.
Исходя из этого, составим схему неполного матричного дешифратора.
Рис. 7. Схема совпадения кодов на неполном матричном дешифраторе.
7. Регистры
памяти
В качестве регистров памяти применена микросхема К155ИР27.
Микросхема К155ИР27 представляет собой восьмиразрядный
регистр с мощными выходами для управления большой ёмкостной или низкоомной
нагрузкой и может быть использована в качестве магистрального формирователя.
Базовым элементом микросхемы является D - триггер. Запись информации с входов D происходит при подаче на
синхровход С положительного напряжения. Высокий уровень напряжения на входе EZ переводит выходы в
восокоимпедансное состояние, при этом в регистр может как хранить так и
запоминать новую информацию.
Его условное обозначение и цоколевка - на
рис.8
Рис.8 Условное обозначение ИС типа ИР27
Назначение выводов данной микросхемы
приведено в таблице 7:
Таблица 7.
Таблица истинности микросхемы К155 ИР27:
Таблица 8.
где
Н - высокий уровень напряжения
L - низкий уровень напряжения
Х - неопределённое состояние
8.
Минимизация булева выражения
Пользуясь таблицей 1, составляем булево выражение:
Заполняем карту Карно:
Рис. 9. Карта Карно.
Проводим минимизацию и записываем минимизированное булево
выражение:
Заключение
В данной курсовой работе был произведён расчёт кодера фамилии
студента. В проделанной работе была спроектирована электронная схема по
исходной блок-схеме представленной на рис.1. В качестве элементной базы, а
также в соответствии с заданием была выбрана серия ИМС К155. Данная серия
получила большое распространение благодаря широкому функциональному ряду
микросхем, и хорошим эксплуатационным параметрам:
) потребляемый ток в статическом режиме составляет десятки
наноампер;
) широкий диапазон питающих напряжений;
) коэффициент разветвления ограничен в основном только
паразитной емкостью монтажа;
К сожалению, серия К155 наряду с перечисленными достоинствами
обладает таким недостатком, как малое быстродействие, ограниченное для
большинства микросхем частотой f≈1 МГц. Последнее не явилось причиной отказа от данной
серии в нашей работе, т.к. по условию задания максимальные частоты в отдельных
точках схемы на порядок меньше допустимой. Так по условию номинальная частота
генератора fг
= 210 кГц. Максимальное время, необходимое схеме для прохождения полного цикла
преобразования, с появлением параллельных данных на выходах всех регистров
составляет:
Tпр= N/fг
где N - общее число разрядов счетчиков
При проектировании схемы делался акцент на использование
минимального числа корпусов микросхем и максимально полное их использование.
Работа выполнена в полном объеме без отклонений от условия задания.
Список
используемой литературы
1.
М.И. Богданович, И.Н. Грель, В.А. Прохоренко, В. В Шалимо, Цифровые
интегральные микросхемы: Справочник ─ Минск, "Беларусь”, 1991.
.
М/ук 2841 "Методы и средства конструирования электронных устройств"
Часть 1. Е.А. Храбров.
.
Мальцева Л.А., Фромберг Э.М., Ямпольский В.С. Основы цифровой техники. - М.,
"Радио и связь", 1986.
.
Акимов Н.Н., Ващуков Е.П., Прохоренко В.А., Ходоренок Ю.П. Резисторы,
конденсаторы, трансформаторы, дроссели, коммутационные устройства РЭА.
Справочник. - Мн., Беларусь, 1994
.
Й. Янсен "Курс цифровой электроники" тт.1 - 4, М., ”Мир”, 1987
.
М/ук 3339 "Практическое пособие к курсовой работы по дисциплине
"Электронные цепи дискретного действия"" Е.А. Храбров.