Разработка системы телеизмерений
Оглавление
Предисловие
Введение
1.
Обоснование и выбор системы телеизмерений
1.1. Виды телеизмерений
.2. Обобщённая структура системы
телеизмерений
.3. Классификация систем
телеизмерений
2. Структурная схема цифровой системы телеизмерения
. Информационный расчёт цифровой системы телеизмерения
. Проектирование и расчёт цифровой системы телеизмерения
4.1 Порядок проектирования и расчёта цифровой системы
телеизмерения
.2 Пример
расчёта параметров цифровой системы телеизмерения
. Реализация устройства цифровой системы телеизмерений
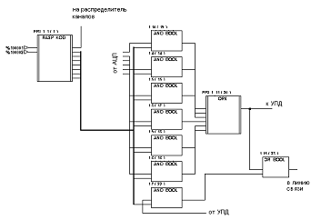
.1 Распределители
5.2 Устройство повышения
достоверности
5.3 Устройство задания каналов
.4 Масштабирующее устройство
.5 Генератор тактовых импульсов
.6 Синхронизация систем телемеханики с временным разделением
сигналов
.7 Демонстрация работы программы на контрольной задаче
Заключение
Список литературы
Приложения
Предисловие
В учебный план специальности 220201 "Управление и информатика в
технических системах" дисциплина "Телемеханика" введена как
дисциплина специализации. Это соответствует традиционному названию целого
класса систем контроля и управления, широко применяемого в различных отраслях
промышленности, в том числе в Самарском регионе. Объективно эти системы имеют
ряд особенностей, существенно отличающий их от класса систем, имеющих общее
название автоматизированных систем управления технологическими процессами.
Профессиональная подготовка в системе высшего образования определяется
прежде всего усвоением теоретических знаний по изучаемой дисциплине учебного
плана. В пределах каждой дисциплины наряду с теоретическими знаниями происходит
их переход на уровень умений применять полученные знания для решения сначала
типовых задач дисциплины, а затем решения более сложных междисциплинарных
задач.
Переход от знаний к умениям происходит только при решении практических
задач, поэтому наряду с лекционными занятиями студенту необходимо индивидуально
выполнить курсовой проект.
Применительно к дисциплине "Телемеханика" курсовое
проектирование имеет особенность, заключающуюся в междисциплинарном характере
содержания курсового проекта. Для выполнения курсового проекта необходимо
использовать знания и умения ранее изученных дисциплин учебного плана, прежде
всего дисциплины "Технические средства автоматизации и управления".
Междисциплинарный характер курсового проекта является усложняющим его
элементом, однако это оправданное усложнение, справившись с которым, студент
успешно переходит на более высокий уровень профессиональной подготовки.
Введение
Настоящие методические материалы предназначены студентам четвёртого курса
дневного отделения и заочного факультета специальности "Управление и
информатика в технических системах" при выполнении ими курсового проекта
по дисциплине "Телемеханика". Их содержание соответствует заданию на
курсовой проект и охватывает основные разделы курсового проекта.
Тематика курсового проекта связана с разработкой системы телеизмерений.
Среди всех телемеханических функций телеизмерения являются наиболее сложной,
так как требуется обеспечить заданную точность измерений.
Задание на курсовое проектирование предусматривает индивидуальную работу
студента по курсовому проекту. Это выражается в том, что каждому студенту
выдаются уникальные исходные данные, отличающиеся от всех других вариантов.
Современные системы телеизмерений являются кодоимпульсными и их параметры
определяются исходя из требований точности. Поэтому в курсовом проекте
предусмотрен информационный расчёт, в результате которого определяются основные
параметры функциональных блоков по заданным требованиям.
Реализация системы телеизмерений ориентирована на применение
программируемых логических контроллеров, поэтому предусматривается разработка
программы работы проектируемого устройства с использованием программной среды
"Сoncept". Разработанная программа
подлежит обязательной отладке с последующей её демонстрацией при защите
курсового проекта.
1.
Обоснование и выбор системы телеизмерений
Из четырёх основных телемеханических функций
(телеуправление, телесигнализация, телерегулирование и телеизмерение)
телеизмерение (ТИ) является наиболее сложным, что обусловлено требованием
передачи информации с большой точностью. В настоящее время применяются
кодоимпульсные системы телемеханики вообще и системы телеизмерений в частности,
что соответствует современному состоянию теории и техники.
.1 Виды
телеизмерений
Телеизмерение - получение информации о значениях
измеряемых параметров контролируемых или управляемых объектов методами и
средствами телемеханики.
Телеизмерение по вызову - телеизмерение по команде,
посылаемой с пункта управления на контролируемый пункт и вызывающей подключение
на контролируемом пункте передающих устройств, а на пункте управления -
соответствующих приемных устройств.
Телеизмерение по вызову позволяет использовать одну
линию связи (канал телеизмерения) для поочередного наблюдения за многими
объектами телеизмерения. Диспетчер с помощью отдельной системы телеуправления
может подключать к каналу телеизмерения желаемый объект телеизмерения. При
телеизмерении по вызову можно применять автоматический опрос объектов
телеизмерения циклически по заданной программе.
Телеизмерение по выбору - телеизмерение путем
подключения к устройствам пункта управления соответствующих приемных приборов
при постоянно подключенных передающих устройствах на контролируемых пунктах.
Телеизмерение текущих значений (ТИТ) - получение
информации о значении измеряемого параметра в момент опроса устройством
телемеханики.
Телеизмерение интегральных значений (ТИИ) - получение
информации об интегральных значениях измеряемых величин, проинтегрированных по
заданному параметру, например, времени, в месте передачи.
Телеизмерения имеют особенности, отличающие их от
обычных электрических измерений, которые не могут быть применены для измерения
на расстоянии вследствие возникновения погрешностей из-за изменения
сопротивления линии связи при изменении параметров окружающей среды -
температуры и влажности. Даже если бы указанные погрешности находились в
допустимых пределах, передача большого числа показаний потребовала бы большого
числа линий связи. Кроме того, в некоторых случаях (передача измерения с
подвижных объектов - самолетов, ракет и.др.) обычные методы измерения
принципиально не могут быть использованы. Методы телеизмерения позволяют
уменьшить погрешность при передаче измеряемых величин на большие расстояния, а
также многократно использовать линию связи.
Сущность телеизмерения заключается в том, что
измеряемая величина, предварительно преобразованная в ток или напряжение
вторичного прибора датчика, дополнительно преобразуется в сигнал, который затем
передается по линии связи. Таким образом, передается не сама измеряемая
величина, а эквивалентный ей сигнал, параметры которого выбирают так, чтобы
искажения при передаче были минимальными. Совокупность технических средств,
необходимых для осуществления телеизмерений называют системой телеизмерения
(СТИ).
1.2 Обобщённая структура системы телеизмерений
Обобщённая структура системы ТИ приведена на рис. 1.1 На рисунке видно,
что система ТИ представляет собой комплекс технических средств, в который
входит датчик D, передатчик Прд, линия связи ЛС,
приёмник Пр и индикатор И.

Рис.1.1 Обобщённая структурная системы телеизмерений. D - датчик; Прд - передатчик; ЛС -
линия связи; Пр - приёмник; И - индикатор; КП -
контролируемый телемеханический пункт; DП - диспетчерский пункт или телемеханический пункт управления
Выходным сигналом Х датчика является стандартный сигнал, часто это сигнал
постоянного тока 0 - 5мА или напряжение постоянного тока 0 - 10В. Передатчик
осуществляет преобразование параметра Х в сигнал, У, который передаётся по
линии связи
В линии связи информационный сигнал У искажается случайным воздействием
помех
и климатических условий, сигнал
поступает в приёмник, где
подвергается преобразованию к виду
, удобному для отображения
на индикаторе.
Главное требование, предъявляемое к СТИ, заключается в
том, что она должна обеспечить заданную точность телеизмерения. Поэтому
основной характеристикой СТИ является точность.
Точность характеризуется различными видами
погрешностей, важнейшей из которых является статическая погрешность или просто
погрешность. Погрешность - степень приближения
показаний индикатора к действительному значению измеряемой величины.
Погрешность телеизмерения определяется как максимальная разность между
показаниями индикатора на приёмной стороне и действительным значением телеизмеряемой
величины, определяемым по показаниям образцового прибора. Классы точности каналов телеизмерения должны быть установлены
для устройств и комплексов при цифровом и аналоговом воспроизведении измеряемых
параметров из следующего ряда: 0,15; 0,25; 0,4; 0,6; 1,0; 1,5; 2,5.
Абсолютная основная погрешность канала телеизмерения
устройства (комплекса) - наибольшая разность выходной величины, приведенной ко
входной в соответствии с градуировочной характеристикой, и входной величины:
Δ = y - x (1.1)
где Δ - абсолютная погрешность, y - выходная величина, приведенная ко
входной в соответствии с градуировочной характеристикой, x - входная величина.
Относительная погрешность d' - отношение абсолютной
погрешности к действительному значению измеряемой величины, выраженное в
процентах. Приведенная погрешность d - отношение
абсолютной погрешности к величине диапазона шкалы измерений (Xmax-Xmin):
d = Δ/(Xmax-Xmin) (1.2)
Абсолютная дополнительная погрешность канала
телеизмерения устройства - наибольшая разность значений входной (выходной)
величины при нормальных условиях и при воздействии влияющего фактора.
Дополнительные погрешности вызываются различными
отклонениями от нормальных условий работы, например изменением температуры
окружающей среды, изменением напряжения питания за допустимые пределы,
появлением помех, внешних магнитных полей и т. п.
Телеизмеряемые величины должны воспроизводиться на
индикаторах в абсолютных значениях измеряемых величин. Это значит, что если
передаваемая величина выражается в тоннах, то, несмотря на все промежуточные
преобразования этой величины, неизбежные при передаче, индикатор на приемной
стороне должен быть отградуирован в тоннах. Лишь в особых случаях допускается
воспроизведение телеизмерений в процентах.
1.3 Классификация систем телеизмерений
Системы телеизмерения (СТИ) можно классифицировать по
различным признакам. Наиболее распространена классификация по параметру, с
помощью которого передается значение измеряемой величины по линии связи
(рис.1.2).
Рис.1.2 Классификация систем телеизмерения
В системах интенсивности величина, подлежащая
телеизмерению, датчиком преобразуется в сигнал постоянного тока или напряжения
постоянного тока, поступает в устройство контролируемого пункта, далее передаётся
по линии связи в устройство пункта управления, где отображается индикатором.
Таким образом, по линии связи передаётся интенсивность сигнала постоянного
тока, откуда и произошло название этого типа систем.
Система интенсивности проста по своему устройству и
была в своё время первым реализованным типом систем телеизмерения. Основной
недостаток систем интенсивности - низкая точность, погрешность телеизмерения
систем интенсивности вследствие воздействия помех и изменения сопротивления
линии связи в пределах 2-3%.
В частотных системах переменного тока сигнал
постоянного тока датчика поступает в устройство контролируемого пункта, где
модулируется методами частотной модуляции, далее частотно - модулированный
сигнал передаётся по линии связи в устройство пункта управления, где
демодулируется и измеряемая величина отображается индикатором.
Точность частотной системы переменного тока выше, чем
системы интенсивности, так как частотная модуляция обладает более высокой
помехоустойчивостью по сравнению с прямой передачей сигнала постоянного тока.
В частотно - импульсных системах применяется не
частотная, а частотно - импульсная модуляция, по линии связи передаётся
частотно - импульсный модулированный сигнал. Помехоустойчивость этого типа
модуляции несколько выше по сравнению частотной модуляцией.
Во время - импульсных системах применяются время -
импульсные методы модуляции, обеспечивающие чуть более высокую
помехоустойчивость по сравнению с частотно - импульсной модуляцией.
В кодоимпульсных системах применяется кодоимпульсная
модуляция. Сигнал постоянного тока датчика в устройстве контролируемого пункта
преобразуется в кодовую комбинацию и каждый символ кодовой комбинации
передаётся по линии связи в устройство пункта управления, где кодовая
комбинация декодируется и отображается индикатором.
Кодоимпульсные системы обладают наибольшей точностью
по сравнению с другими типами систем телеизмерения. В них не происходит
уменьшение точности при передаче информационных сигналов на большие расстояния
благодаря комплексу мер, применяемых для повышения помехоустойчивости
телемеханической передачи. Поэтому точность кодоимпульсных систем телеизмерения
определяется точностью датчика.
2. Разработка структурной схемы цифровой системы телеизмерения
Цифровые или кодоимпульсные системы ТИ отличает дискретная структура
сигнала у, подаваемого в линию связи, не подчиняющаяся линейной зависимости от
измеряемой величины А. Сигнал у, отображающий значение
измеряемой величины А, в цифровых системах ТИ представляет собой кодовую
комбинацию одного из используемых кодов. Для
преобразования измеряемой величины в код непрерывная функция времени А(t), а точнее Х(t), подвергается дискретизации по
времени и по уровню. Через равные промежутки времени
текущее значение параметра Х
заменяется ближайшим уровнем квантования Х, преобразуется в цифровой код и
передаётся по линии связи. На приёмной стороне производится декодирование
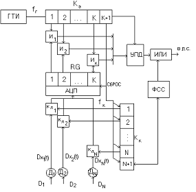
принятого кода и на индикаторе воспроизводится телеизмеряемая величина. На рис. 2.1 и 2.2 приведены структурные схемы устройств
многоканальной цифровой системы ТИ с временным разделением сигналов, поясняющие
принципы построения подобных систем.
Рассмотрим сначала принцип работы устройства КП (рис.2.1).
Рис.2.1. Структурная схема устройства контролируемого пункта цифровой
системы телеизмерения
Работа схемы описываются в два этапа.
1. На первом этапе приводится описание всех элементов, входящих в
схему: назначение, их входные и выходные величины.
2. На втором этапе рассматривается их взаимодействия в динамике.
Структурная схема устройства контролируемого пункта цифровой системы
телеизмерения (рис. 2.1) содержит следующие элементы:
ГТИ - генератор тактовых импульсов, вырабатывает импульсы для работы
всего устройства.
Кэ - коммутатор элементов кода. Это функциональный блок, на
вход которого поступают тактовые импульсы, а на выходным сигналом является
сигнал логической единицы, последовательно появляющийся на выходах от 1 до К+1,
где К - число разрядов кодовой комбинации.
И1, И2, Ик, Ив - схемы 2И -
выходной сигнал равен логической единице при наличии логических единиц
одновременно на двух входах.
RG -
регистр памяти (параллельный регистр), служит для хранения кодовой комбинации,
поступающей на его вход с АЦП.
АЦП - аналого - цифровой преобразователь, преобразует входную аналоговую
величину в цифровой код.
Кл1 - Клn
- аналоговые ключи, имеют один выход и два входа. Первый вход управляющий, при
наличии на нём логической единицы он разрешает подключение к выходу
информационного сигнала, подаваемого на второй аналоговый вход.
D1 - Dn - аналоговые датчики телеизмеряемой
величины.
Кк - коммутатор каналов, тоже, что и коммутатор элементов кода
Кэ с заменой величины К на величину N, где N -
число информационных каналов системы телеизмерений.
УПД - устройство повышения достоверности - кодер помехозащищённого кода.
На его вход поступает двоичный код в последовательной форме, а на выходе код,
способный обнаруживать или исправлять ошибки (помехозащищённый код) в
последовательной форме. Работа УПД определяется типом принятого
помехозащищённого кода.
ФСС - формирователь синхронизирующего сигнала. По входному сигналу он
вырабатывает сигнал, синхронизирующий работу распределителя пункта управления
или синхронизирующий сигнал, отличающийся от информационного сигнала (с выхода
УПД) одним из трёх признаков:
1) полярностью;
2) длительностью;
3) числом единиц.
Элемент ИЛИ - служит для логического суммирования двух входных сигналов,
выходной сигнал этого элемента поступает в линию связи.
Рассмотрим работу схемы в динамике. Пусть исходным будет состояние, когда
коммутатор элементов кода Кэ находится в положении (к+1), а
коммутатор каналов Кк находится в положении 1.
В этом состоянии коммутатор каналов Кк имеет логическую
единицу на выходе позиции "1". Она открывает Кл1 и сигнал
с выхода датчика первого подключен к входу АЦП, который преобразует его в
цифровой код и этот код записывается и хранится в регистре RG . С приходом следующего тактового
импульса Кэ переходит с позиции "к+1" в позицию
"1". Поэтому на управляющий вход И1 поступает логическая
единица и открывает схему И1, следовательно, символ из ячейки 1
регистра RG через элементы И1, УПД,
ИЛИ поступает в линию связи.
На втором такте аналогично в линию связи поступает символ из ячейки 2
регистра RG. По истечении "К" тактов
завершается посылка в линию связи информационной "К" разрядной
кодовой комбинации. На "К+1" такте из УПД в линию связи сдвигается
контрольный разряд помехозащищенного кода. Одновременно коммутатор каналов
переходит на позицию 2, на которой через ключ 2 на вход АЦП поступает сигнал с
датчика 2. Далее для второго канала все процессы повторяются аналогично
первому. Таким образом, в линию связи последовательно передаётся информация по
всем N каналам.
В позиции N+1 коммутатора
каналов на вход ФСС поступает логическая единица, которая включает в работу
формирователь синхросигнала. Синхронизирующий сигнал через схему ИЛИ поступает
в линию связи.
Перейдём к описанию работы устройства ПУ (рис.2.2).
Рис. 2.2. Структурная схема устройства телемеханического пункта
управления
Структурная схема устройства пункта управления цифровой системы
телеизмерения содержит следующие элементы:
ГТИ - генератор тактовых импульсов.
Кэ - коммутатор элементов кода, приведённый выше.
Кк - коммутатор каналов, приведённый выше.
И1, И2, Ик, Ис - элементы
"2-И".
РСС - различитель синхронизирующего сигнала. Входной сигнал - сигнал
синхронизации, поступающий из линии связи, закодированый выбранным признаком.
На выходе сигнал логической единицы. Структура РСС выбирается по условию, что
он выделяет из всех сигналов, приходящих из линии связи, синхронизирующий
сигнал.
ОЗУ - параллельный регистр.
Масштабирующее устройство - преобразует "К-код" с выхода АЦП в
"К1-код", отображающей измеряемую величину в технических единицах её
измерения.
Им - элемент 3-И.
БОИ - блок отображения информации, служит для отображения измеряемой
величины. В своей структуре содержит встроенное ОЗУ и индикаторы с
соответствующими дешифраторами. Возможно использование кодопреобразователя
двоичного кода в двоично-десятичный, если такое преобразование не совмещено со
схемой счёта.
УЗК - устройство задания каналов, служит для выработки сигнала,
появляющегося при совпадении номера канала, заданного оператором, и номера
канала, по которому в настоящий момент принимается информация. Имеет две
входные величины: 1) номер канала, вводимый оператором; 2) сигнал с выхода
коммутатора каналов.
УПД - устройство повышения достоверности помехозащищённого кода, которым
закодировано сообщение с КП.
Цикл работы начинается с приёма синхронизирующего сигнала, поступающего
по (N+1) каналу коммутатора каналов. Этот
сигнал поступает на вход различителя синхронизирующего сигнала, который
вырабатывает выходной сигнал "Сброс". Этим сигналом в исходное
состояние устанавливаются Кэ, Кк, ОЗУ: Кэ в
позицию "К+1", Кк в позицию 1, ОЗУ обнуляется. С приходом
следующего тактового импульса коммутатор элементов устанавливается в позицию 1,
поэтому приходящий символ из линии связи проходит только через схему И1
и записывается в ячейку 1 ОЗУ. Аналогично за "к" тактов в ОЗУ
запишутся все информационные символы "К"-разрядного кода, приходящие
из линиисвязи. Параллельно с записью в ОЗУ принимаемая кодовая операция
поступает в УПД и если ошибки не обнаружены, то на выходе УПД появляется
сигнал, поступающий на вход схемы Ис. Если УПД обнаруживает
искажение, то этого сигнала нет. Сигнал с выхода коммутатора Кк
поступает в УЗК и если оператором выбран канал номер 1, то на выходе УЗК
появляется логическая 1, поступающая на второй вход схемы Ис. На
третий вход схемы Им поступает синхронизирующий сигнал с позиции
"к+1" коммутатора элементов. Поэтому на выходе Им появляется
сигнал, запускающий масштабирующее устройство, в результате полученный
"К1-код" записывается в ОЗУ блока отображения информации и
предъявляется оператору. Индикация появляется при поступлении разрешающего
сигнала по "N+1" - у
каналу; возможен вариант, когда отображение индицируется по сигналу с выхода
УЗК.
3. Информационный расчёт цифровой системы
телеизмерения
Целью информационного расчёта является определение параметров
функциональных блоков системы, обеспечивающих требования заданной точности
телеизмерения. Состав функциональных блоков был определён при разработке
структурной схемы.
Точность телеизмерения будем оценивать по допустимой основной приведённой
погрешности, для чего будем использовать величину среднеквадратического
отклонения.
Если имеются несколько независимых источников погрешности, то
результирующая погрешность системы определяется формулой:
ти=
, (3.1)
где
- инструментальная погрешность, которой обладает датчик
телеизмеряемой величины;
погрешность квантования по времени вместе с устройством
восстановления непрерывных сообщений по дискретным отчетам;
- погрешность квантования по уровню;
- погрешность от шумов в линии связи.
Оптимальным является следующее распределение погрешностей:
= 0,5σ ти.доп. (3.2)
Величина
используется для выбора датчика телеизмеряемой величины, в
дальнейших расчётах примем, что в системе используется датчик требуемой
точности.
Источником погрешностей
и
является аналого-цифровой преобразователь.
По величине
рассчитывается шаг квантования по времени.
Погрешность
, вносимая устройством дискретизации по времени, возникает
вследствие замены непрерывной функции Х(t) решетчатой функцией. Величина погрешности зависит от шага
дискретизации по времени
и неразрывно связана с обратной проблемой - восстановлением
непрерывной функции времени по её мгновенным значениям, известным только в
дискретные моменты времени iΔt. Шаг дискретизации в соответствии с
теоремой В.А. Котельникова определяется граничной частотой fмакс спектра непрерывной функции Х(t):
(3.3)
где ka - коэффициент аппроксимации или
восстановления сообщения, его величина зависит от типа интерполяции,
применяемого при восстановлении непрерывной функции.
При линейной интерполяции:
; (3.4)
при ступенчатой интерполяции
; (3.5)
при параболической интерполяции
. (3.6)
Тип интерполяции задаётся в исходных данных курсового проектирования.
Шаг дискретизации по времени
принято называть циклом опроса и
обозначать Тц.
При числе измерительных каналов (датчиков) N время, отводится на опрос одного датчика Тк при
равномерной дискретизации, будет
(3.7)
где кз = 1.0
1.5 - коэффициент, учитывающий защитный интервал Тзащ
между каналами.
Очевидно, что защитный интервал может быть определён по соотношению:
(3.8)
Тогда частота коммутации каналов (скорость выдачи кодовых слов):
(3.9)
Величина погрешности квантования по уровню
используется для определения
разрядности АЦП.
Погрешность, вносимая устройством квантования по уровню
, возникает вследствие того, что
каждый дискретный отсчёт Х(i
) отожествляется с ближайшим уровнем квантования
, на которые разбивается весь
диапазон Dх изменения преобразуемой величины Х(t).
Число уровней квантования:
, (3.10)
где
- шаг дискретизации по уровню;
[ ] - знак округления до большего ближайшего целого числа.
Для уменьшения информационной избыточности и повышения точности
телеизмерения расчётное число уровней квантования Кх следует
округлять до ближайшей большей величины 2к при использовании
двоичных кодов и до величины 10 к/4 при использовании
двоично-десятичного кода. Предварительно оценивается требуемая разрядность кода
к по соответствующим этим кодам:
(3.11)
(3.12)
Далее необходимо уточнить шаг квантования по уровню с учётом проведённых
округлений:
Δх = 
(3.13)
Максимальное значение абсолютной погрешности квантования непрерывного
сообщения по уровню равно половине шага квантования, т.е.
Δxмакс. = 0,5Δх (3.14)
Среднеквадратичное значение абсолютной погрешности при равномерном законе
распределения значений
рассчитывается по формуле:
(3.15)
Масштабирование - это, линейное преобразование принятого на ПУ 
- кода в другой
- код с целью перехода от номера
уровня
квантования к контролируемой
величине
в технических единицах её измерения.
Математическое масштабирование осуществляется в соответствии с выражением:
(3.16)
где m - масштабный коэффициент, записанный
в двоичной системе исчисления;
и
- кодовые комбинации двоичных соответственно
- и
- кодов.
Десятичный эквивалент коэффициента m определяется по формуле:
(3.17)
где km разрядность двоичного числа m; аi - значение (0 или 1) i-го разряда двоичного числа m.
Очевидно, что будет выполняться соотношение к/ = к + кm.
При определении масштабного коэффициента Мm необходимо иметь в виду масштабный коэффициент Мх
первичного преобразования измеряемой величины с диапазоном измерения D в унифицированный сигнал х(t) с диапазоном изменения Dх , который рассчитывается по формуле:
(3.18)
Масштабный коэффициент Мm определяется в соответствии с выражением:
(3.19)
где
- знак округления до числа, обеспечивающего минимальное
число разрядов масштабного коэффициента при одновременном выполнения условия:
(3.20)
Здесь
- значение измеряемой величины на последнем j - м уровне квантования, при этом j = Кх - 1;
- шаг квантования по уровню, приведённый к измеряемой
величине А.
Погрешность
шумов в линии связи используется для расчёта параметров
помехозащищённого кода. При передаче кодовой комбинации по линии связи,
подверженной действию случайных помех, возникают ошибки. Примем, что ошибки
независимы, описываются биноминальной моделью, а для передачи телеметрической
информации используется двоичный избыточный (n , к) - код длиной n
= к +
(3.21)
где
- число контрольных (избыточных) разрядов,
к - число информационных разрядов,
n -
полное число разрядов.
Примем также, что значения измеряемой величины в диапазоне её изменения
распределены по нормальному закону.
Абсолютная линейная погрешность или погрешность от шумов в линии связи
связана с
соотношением:
(3.22)
Дисперсия этой погрешности:
(3.23)
Можно записать что
(3.24)
где Dш(t) -
дисперсия линейной погрешности от ошибок кратности t, t =1,2,...,к.
Если исходить из условия, что ошибки кратности t<tи будут исправляться в приемнике,
кратности tи<t<t0 будут обнаруживаться, принятое кодовое слово
стираться и не выдаваться получателю, то выражение (2.25) можно переписать в
виде
(3.25)
В общем случае выражение для определения Dш(t) имеем вид
(3.26)
где Кx - число
различных состояний передаваемой X и принимаемой X' величин, или число уровней
квантования Х; p(хi - хi’ ) - вероятность появления i-го состояния.
Очевидно, что в выражении (2.26) первое слагаемое будет всегда равно
нулю, т.е.
(3.27)
Тогда формула для определения дисперсии линейной погрешности запишется в
виде
(3.28)
Расчетное соотношение для определения первого слагаемого в выражения
(2.28) может быть получено из (2.26) с учетом того, что вероятность искажения п
- разрядного кодового олова ошибкой кратности t при биномиальном законе их
распределения будет
, (3.29)
телеизмерение распределитель генератор
синхронизация
где p0 - вероятность искажения одного двоичного символа.
Тогда дисперсию линейной погрешности от обнаруживаемых ошибок кратности tи<t< t0 можно определить по выражению
, (3.30)
где x - шаг квантования по уровню.
Из аналогичных предпосылок дисперсия линейной погрешности от
необнаруживаемых ошибок кратности tи<t<к, будет, рассчитывается по
формуле
(3.31)
Ведя расчеты по формулам (2.31) и (2.30), необходимо учитывать, что при n=k (передача безизбыточным кодом)
t0=0 и tи=0 , в минимальное кодовое расстояние
dмин будет равно единице.
Для кода, только обнаруживающего, только исправляющего, обнаруживающего и
исправляющего искажения величина dмин
рассчитывается соответственно по формулам:
мин=t0+1 (3.32)
dмин=2tи+1 (3.33)
dмин=tи+ t0+1, tи t0 (3.34)
Увеличение минимального
кодового расстояния и, следовательно, t0 и tи приводит к снижению линейной
погрешности. Для этого увеличивают длину кода, используя при нечётных значениях
dмин
соотношение
, (3.35)
где Сni - число
сочетаний из п - элементов по i элементов. Справедливы также соотношения
сn0= сnn=1, сn1=n (3.36)
Длину кода для четных
значений dмин
определяют следующим образом: вначале по соотношению (2.36) рассчитывают п для
ближайшего меньшего нечетного значения dмин, а затем увеличивают рассчитанное значение п на
единицу.
Описанный выше способ
увеличения корректирующей способности и определения длины кода применим к любым
систематический кодам, кроме циклического кода, для которого выполняются особые
расчёты.
Если методикой расчета
предусматривается обеспечение ш не более заданного значения ш.доп,
приходится, начиная с dмин=1, t0 = 0 и tи=0,
последовательно увеличивать минимальное кодовое расстояние и корректирующую
способность кода до тех пор, пока в результате расчета Dш по формулам (2.23), (2.28), (2.30) и (2.31) не будет
выполняться условие Dш
Dш.доп.
Минимальное кодовое расстояние и корректирующая способность кода изменяются в
соответствии с увеличением номера итерации по закону, иллюстрируемому в таблице
I.
Таблица I.
|
итерации
|
1
|
2
|
3
|
4
|
5
|
6
|
7
|
8
|
9
|
|
dмин
|
1
|
2
|
3
|
3
|
4
|
4
|
5
|
5
|
5
|
|
t0
|
0
|
1
|
2
|
1
|
3
|
2
|
4
|
3
|
2
|
|
tи
|
0
|
0
|
0
|
1
|
0
|
1
|
0
|
1
|
2
|
|
Dш
|
|
|
|
|
|
|
|
|
|
Номер итерации, в котором указаны dмин, число обнаруживаемых и исправляемых ошибок, используется
для выбора типа корректирующего кода.
Информационный расчёт завершается оценкой погрешности проектируемой
системы телеизмерений по формуле:
ти=
, (3.37)
В эту формулу подставляются фактические величины составляющих общей
погрешности, получившиеся в результате расчёта.
Величина результирующей погрешности сравнивается с погрешностью задания,
чтобы убедиться в том, что заданные требования по точности выполнены.
4. Проектирование и расёт цифровой системы телеизмерения
4.1 Порядок проектирования и расчёта цифровой системы телеизмерения
Проектирование цифровых систем ТИ всегда начинают с выбора основных
принципов построения системы: многоканальности, способа разделения сигналов и
элементов цифрового сигнала, принципов синхронизации и синфазирования и других
особенностей системы.
На основе этих данных производят разработку структурной схемы системы, в
которую, как правило, вносятся изменения в зависимости от промежуточных или
конечных результатов последующего проектирования и расчёта.
В курсовом проекте выполняется проектирование на основе следующих
исходных данных:
1) Число
измерительных каналов - N.
2) Диапазон единицы
измерения телеметрической величины - D1 - DN .
3) Сигнал с
датчика - Dx1 - Dxn .
4) Требуемая
точность телеизмерения или допустимая погрешность -ти.доп
5) Требуемое
быстродействие системы ТИ - зад.доп .
6) Максимальная
частота изменения телеметрической величины - fmax.
7) Скорость
передачи информации по каналу связи - B.
) Вероятность искажения в канале связи одного двоичного символа - Р0.
) Тип интерполяции.
Проектирование цифровой системы ТИ и её расчет параметров производят в
следующем порядке.
1. На основании
обзора и анализа типов систем телеизмерения обосновывают для дальнейшего
проектирования многоканальную систему телеизмерений цифрового типа. Принимают
способ разделения сигналов. Настоящий курсовой проект ориентирован на способ
временного разделения, однако студенту-автору курсового проекта предоставлено
право выбора и других способов, реализовать которые он может самостоятельно.
Разрабатывают структурную схему системы, предварительно выбрав принцип
построения основных блоков и первичный код.
2. Распределяют
суммарную погрешность ти между составляющими. При этом,
используя формулу (3.2), задаётся оптимальное распределение составляющих
суммарной погрешности.
3. Задаваясь
способом восстановления (типом интерполяции или степенью интерполяционного
многочлена), находят по соответствующей формуле из (3.4) - (3.6) величину
коэффициента аппроксимации, соответствующего заданию.
. По формуле (3.3)
рассчитывают шаг дискретизации по времени t.
. Определяют
время, отводимое на передачу информации по одному измерительному каналу
(канальное время) Тк, используя выражение (3.7), а также
длительность защитного интервала Тзащ. Для упрощения последующей
реализации в учебных целях допускается по выбору студента принимать величину
коэффициента, учитывающего защитный интервал между каналами, равную единице.
. По формуле (3.9)
находят частоту коммутации каналов fk=Vu.
. Из выражения (3.15) находят шаг квантования х по уровню.
. По формуле
(3.10) рассчитывают требуемое число уровней квантования Kx
9. Определяют разрядность первичного кода k , используя соответствующее выбранному коду соотношение
(3.11) или (3.12).
10. Из соотношения
(3.19) определяют масштабный коэффициент Мm.
11. Определяют
разрядность масштабирующего коэффициента. Так как в курсовом проекте предусмотрена
реализация системы на программируемых логических контроллерах, то разрядность
масштабирующего коэффициента определяется разрядной сеткой контроллера.
Если число разрядов Мm
не превышает пяти, то величина Мm остаётся неизменной.
Если число разрядов Мm
более пяти, то величину Мm
округляют с применением формулы (3.20). С этой целью уменьшают число разрядов с
округлением величины коэффициента по обычным правилам и проверяют эффективность
округления по формуле (3.20).
12. По требуемому
значению ш.доп. определяют абсолютную среднеквадратичную
линейную погрешность ш.доп., используя соотношение (3.22) и
по формуле (3.23) рассчитывают допустимое значение дисперсии линейной
погрешности D ш.доп..
. Задаваясь
минимальным кодовым расстоянием dмин и корректирующей способностью кода t0 и tu , по формулам (3.28), (3.30) - (3.35) рассчитывают величину Dш и заполняют таблицу 1. Расчет
заканчивают на итерации, при которой будет выполняться условие Dш Dш.доп.
Расчёты таблицы 1 целесообразно проводить в среде MathCad.
. По величинам dмин и корректирующей способности кода t0 и tu , полученным в результате расчёта, принимают для дальнейшего
проектирования конкретный тип помехощащищённого кода.
Если в процессе расчёта окажется, что для обеспечения ш.доп
требуется корректирующий код с dмин >2, то c целью упрощения реализации в условиях ограниченного времени
курсового проектирования студенту предоставляется право использовать для
дальнейшего проектирования корректирующий код с dмин = 2.
. Находят оценку погрешности ти проектируемой системы
с использованием формулы (3.37). В эту формулу подставляют величины
и
равными половине заданной
погрешности. Величина
определяется по формуле (3.15), в которую подставляется
окончательная величина шага квантования по уровню. Величина ш находится
в результате расчёта таблицы 1. Величина погрешности не должна превышать
заданную погрешность, т.е.
sòè £ sти.доп.
. Выбирают признак
кодирования синхронизирующего сигнала (см раздел 5.6 настоящих методических
указаний).
.2 Пример расчёта
параметров цифровой системы телеизмерения
Исходные данные для расчёта:
1)
Число измерительных каналов - N=4.
2) Диапазон
единицы измерения телеметрической величины
) Сигнал с датчика
.
4) Требуемая точность
телеизмерения или допустимая погрешность
) Требуемое
быстродействие системы ТИ
.
6) Максимальная
частота изменения телеметрической величины
.
7) Скорость
передачи информации по каналу связи
.
) Вероятность искажения в канале связи одного двоичного символа
.
) Тип интерполяции - ступенчатая.
Порядок расчёта.
. Для последующего проектирования принимаем многоканальную цифровую
систему телеизмерений с временным разделением сигналов. Полагаем, что структурная
схема проектируемой цифровой системы ТИ соответствует схеме, изображенной на
рис. 2.1 и 2.2, а в качестве первичного кода выбран натуральный двоичный код.
. По формуле (3.2) определяем отдельные составляющие погрешности
телеизмерения по заданной величине
3. По выражению (3.5) определяем коэффициент аппроксимации для
ступенчатой интерполяции:
4. По формуле (3.3) определяем шаг дискретизации по времени:
. Принимая 
убеждаемся в том, что расчётное значение
не превышает быстродействия системы,
т. е.
. Задаваясь значением коэффициента
, определяем по выражению (3.7)
канальное время:
6. По формуле (3.9) находим частоту коммутации каналов и скорость выдачи
кодовых слов:
7. Определяем из формулы (3.15) максимально возможный шаг квантования по
уровню:
.
. По формуле (3.10) рассчитываем требуемое минимальное число уровней квантования:
.
9. Необходимая разрядность первичного k - кода определится из соотношения (3.11):
.
Полагая
, уточняем по формуле (3.10) шаг квантования по уровню:

10. По соотношениям (3.18) и (3.19) рассчитываем масштабные коэффициенты
Мx и Мm:
11. Так как величина Мm
отображается числом с шестью разрядами и округлена, то проверяем правильность
округления.
Определяем кодовую комбинацию первичного k-кода на последнем j-ом уровне квантования и рассчитываем значение измеряемой величины на
этом уровне
По соотношению (3.20) проверяем правильность округления масштабного
коэффициента.
Шаг квантования, приведённый к измеряемой величине
ΔA=
Тогда
Следовательно, округление масштабного коэффициента выполнено правильно.
. По величине
определяем абсолютную погрешность
и её дисперсию
, используя соотношения (3.22) и
(3.23):
13. Задаваясь
и корректирующей способностью
и
помехозащищённого (n,k)-кода в соответствии с таблицей 1, по формулам(3.28), (3.30)
- (2.35) рассчитываем величину дисперсии
ошибки, вызываемой помехами в канале
связи.
Примем вначале
,
,
. Тогда в соответствии с формулами (3.28) и (3.31) находим:
Полученное значение Dш
заносим в таблицу 1.
Таблица I.
1
|
2
|
3
|
|
dмин
|
1
|
2
|
3
|
|
t0
|
0
|
1
|
2
|
|
tи
|
0
|
0
|
0
|
|
Dш
|
|
|
|
Сравниваем полученное значение
с
и получаем:
, т. е.
>
Таким образом, безызбыточный код не может быть использован для передачи
телеметрической информации с ошибкой
.
Полагаем
, тогда в соответствии с выражениями (3.32) - (3.34) получим to =1, tи = 0, n = 7,
l = 1. Расчёт повторяем и получаем
, что меньше допустимого.
. Для дальнейшего проектирования следует использовать помехозащищённый
код с минимальным кодовым расстоянием dмин = 2, который обнаруживает одну ошибку и не исправляет ни одной
ошибки. Примем далее, что этим кодом будет код с проверкой на чётность.
. Уточняем значения отдельных составляющих погрешности телеизмерения по
результатам расчёта параметров системы, используя формулы:
;
;
;
,
где
- принятые при расчёте и выборе параметров значения
соответствующих величин.
В заключение расчёта по формуле (3.37) вычисляем значение
и сравниваем его с заданным
значением
:
.
Таким образом, рассчитанные параметры цифровой системы телеизмерения
обеспечат требуемую точность телеизмерения.
. Для дальнейшего проектирования принимаем способ кодирования
синхронизирующего сигнала числом единиц (см п. 5.6).
5. Реализация устройства цифровой системы телеизмерений
Рассмотренные ранее структурные схемы устройств системы телеизмерения
могут быть технически реализованы применением различных технических элементов.
В курсовом проекте прорабатывается реализация с использованием программируемых
логических контроллеров (ПЛК), которые являются современными средствами
технической реализации самых разнообразных устройств и систем автоматики,
входящих в нижний уровень интегрированной автоматизированной системы управления
технологическими процессами.
Программируемые логические контроллеры представляют собой устройства
программно-технического типа, следовательно, при их использовании необходимо не
только выбрать тип контроллера, но и составить программу его работы.
Ввиду ограниченного времени курсового проектирования заданием на
проектирование предусмотрены только составление и отладка программы работы ПЛК
без выбора типа ПЛК.
Для составления программы работы ПЛК необходимо:
. Составить структурную схему устройства, реализуемого с помощью ПЛК.
. По структурной схеме устройства определить набор функциональных блоков,
входящих в структурную схему.
. Составить алгоритм работы каждого функционального блока, используя его
функциональную схему.
. Составить программу работы каждого функционального блока, используя
алгоритм его работы.
. Составить программу работы всего устройства.
. Отладить программу работы устройства на контрольной задаче.
В разделе два курсового проекта разрабатывается структурная схема
проектируемого устройства, по которой можно определить набор функциональных
блоков, входящих в него.
Для разработки алгоритма работы каждого функционального блока необходимо
составить его функциональную схему. Рассмотрим принципы построения
функциональных блоков, используемых в системах телемеханики.
5.1 Распределители
Распределитель
или коммутатор - это устройство с одним входом и многими выходами, на вход
подаются тактовые импульсы переключения, выходной сигнал логической единицы
последовательно появляется на одном выходе, начиная с первого и заканчивая
последним.
Однотактный распределитель на четырёх D-триггерах. Схема такого распределителя приведена на рис.5.1,
а (число триггеров может быть любым).
Выход Q предыдущего триггера соединён с входом D следующего триггера. Выход последнего триггера может быть
соединён с входом первого минуя элемент ИЛИ - НЕ (пунктир на рисунке).
Распределитель будет работать и в этом случае. Однако если по каким-либо
причинам одновременно начнут переключаться два триггера или более (случай,
возможный при большом числе триггеров), т.е. начнут циркулировать две единицы
или больше, то такую ошибку исправить без остановки распределителя невозможно.
Для предотвращения подобных ошибок предусмотрена защита в виде элемента ИЛИ -
НЕ, на который подаются выходы всех триггеров. Когда переключится последний
триггер, на входы этого элемента со всех выходов триггеров будут поданы нули,
что обеспечит поступление на вход D первого триггера единицы и подготовку его. Если вместе с переключением
последнего триггера будет переключаться ещё какой-нибудь, например второй,
триггер, то на вход элемента ИЛИ - НЕ будет подана комбинация 0100 вместо 0000,
что не обеспечит снятия с его выхода единицы. Когда распределитель переключится
до конца, т.е. последует комбинация 0100, 0010, 0001 и, наконец, 0000 (Q4=0), первый триггер будет подготовлен и распределитель
начнёт правильно работать.
На рис.5.1, б представлена временная диаграмма распределителя,
иллюстрирующая изложенное. Для построения распределителя использованы D-триггеры, переключающиеся по заднему
фронту синхронизирующего импульса C, т.е. при переходе единицы в нуль (1/0). Как следует из рис. 5.1, б,
длительность импульсов, снимаемых с выходов распределителя, равна периоду
тактовых импульсов Т. В случае необходимости её можно сделать равной
длительности тактового импульса τ (заштрихованная часть импульса).
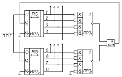
Распределитель на восемь каналов, составленный из двух регистров сдвига и
трёх логических элементов (рис. 5.2). Каждая из схем ИР1 представляет собой
четырёхразрядный регистр сдвига.
Тактовые импульсы поступают на входы C. Переключение начинается со схемы ИР11, на вход V1 которой записывается сигнал 1, а на выходах 1, 2, 3 и
4 поочерёдно возникает сигнал 1, передаваемый далее в другие функциональные
блоки. Единица с выхода 4 одновременно поступает на вход V1 схемы ИР12, которая начинает переключаться
и на её выходах 5 - 8 также поочерёдно появляется сигнал 1. Таким образом, в
течение цикла с выходов распределителя будут поочерёдно сняты восемь импульсов.
Для правильной работы распределителя необходимо:
. в начале каждого цикла записывать на вход V1 схему ИР11 сигнал 1, т.е. подготавливать
распределитель к работе;
. прекращать работу распределителя в случае, если из-за помех на его
выходах будет возникать в данный момент времени не один сигнал 1, а два или
более.
Рис.5.1. Распределитель на D-триггерах:
а - функциональная схема; б - временная диаграмма.
Рис.5.2. Функциональная схема распределителя на регистрах сдвига
Для этой цели можно использовать метод, изложенный ранее (см. рис. 5.1) и
реализованный с применением других логических элементов. Для этого взяты два
элемента, каждый из которых представляет собой логический элемент 2 - 2 - 2 -
3И - 4ИЛИ - НЕ. Этот элемент содержит четыре схемы И: три - на два входа и одну
- на три входа. С каждой из этих схем могут быть сняты единицы или нули,
которые являются входами схемы ИЛИ. Элемент НЕ инвертирует приходящие сигналы.
В каждом элементе входы И объединены, что преобразовало его в элемент 4ИЛИ -
НЕ.
На вход V1 элемента ИР11 сигнал 1 поступит только
тогда, когда на всех выходах элементов ИР11 и ИР12 будут
нули. Из этого состояния начинаются процессы в следующем цикле работы
распределителя.
Распределитель на шестнадцать каналов, составленный из счётчика и
дешифратора.
Распределитель можно построить, применяя двоичный счётчик СТ и дешифратор
DC (рис.5.3)
Рис.5.3. Функциональная схема распределителя, составленного из счётчика и
дешифратора.
Счётчик преобразует число импульсов, поступающих на счётный вход, в
четырёхразрядный двоичный код, который поступает на соответствующие входы
дешифратора, на выходе которого в каждый момент времени логическая единица
может быть только на одном из шестнадцати выходов.
Исходное положение счётчика - нулевое, его выходной сигнал
"0000", при этом на выходе дешифратора сигнал логической единицы
находится на выводе "0", на всех остальных выводах сигналы
логического нуля. Это означает, что при обнулении счётчика распределитель
формирует выходной сигнал первому каналу.
С приходом первого тактового импульса счётчик переходит в состояние
"0001", что соответствует появлению логической единицы на выводе
"1" дешифратора. Это означает, что распределитель выдаёт выходной
сигнал по второму каналу.
Приход каждого тактового импульса переключает распределитель на следующий
канал, последним будет шестнадцатый канал (выход "15" дешифратора).
Далее процессы повторяются.
5.2 Устройство повышения достоверности
Устройство повышения достоверности (УПД) предназначено для преобразования
двоичного кода в помехозащищённый код на контролируемом пункте и обратного
преобразования помехозащищённого кода в двоичный на пункте управления.
Схема УПД определяется типом выбранного помехозащищённого кода и методом
его формирования. На рис. 4.4 представлена функциональная схема УПД для кода с
проверкой на чётность (нечётность) в последовательном виде представления
символов. Она реализована на счётном триггере (Т-триггере).
Рис.5.4. Функциональная схема устройства повышения достоверности
При подаче на R-вход сигнала
триггер приходит в нулевое исходное состояние, на прямом выходе логический
сигнал "0". При последовательной подаче на вход "С"
элементов двоичного кода выходной сигнал триггера будет изменяться только при
поступлении на вход символа "1" и не будет изменяться при поступлении
символа "0". Кроме того, при поступлении двух "1" выходной
сигнал снова будет равен "0". Это означает, что если в комбинации
двоичного кода число единиц чётное, то по окончании их предъявления на выходе
будет "0", который представляет собой контрольный разряд кода с
проверкой на чётность. Этот контрольный разряд необходимо добавить к
информационной комбинации двоичного кода.
Код с проверкой на нечётность формируется точно также, для этого
используется инверсный выход триггера.
Студент - автор проекта может использовать и другие функциональные схемы
УПД, например, функциональные схемы устройств на основе применения
параллельного, а не последовательного кода.
.3 Устройство задания каналов
Устройство задания каналов (УЗК) состоит из нескольких элементов И,
каждый из которых имеет два входа. На один вход подаётся сигнал от
распределителя каналов, с помощью второго входа оператор задаёт номер канала,
для этого необходимо включить один из ключей К. При совпадении номера канала
заданным оператором и номера канала, по которому фактически принимается
информация, вырабатывается сигнала.
Рис.5.7. Функциональная схема устройства задания каналов
.4 Масштабирующее устройство
В алгоритмическом отношении масштабирующее устройство представляет собой
пропорциональное звено с коэффициентом передачи
, величина которого определена в
информационном расчёте.
5.5 Генератор тактовых импульсов
В алгоритмическом отношении генератор тактовых импульсов представляет
собой последовательность прямоугольных импульсов, имеющих заданную частоту и
заданную длительность.
Частота генератора тактовых импульсов системы телеизмерений равна
скорости передачи информации, указанной в задании.
С целью демонстрации контрольной задачи, сокращения объёма работ в
условиях ограниченного времени проектирования в настоящем курсовом проекте
принимается частота работы генератора тактовых импульсов, равная 0,5…1 Бод. Эта
частота обеспечивает визуальный контроль состояния функциональных блоков
системы на каждом такте работы устройства.
Длительность импульса можно принять равной половине периода тактовых
импульсов.
.6 Синхронизация систем телемеханики с временным
разделением сигналов
Правильная работа системы телеизмерений возможна при совпадении тактовых
импульсов генераторов КП и ПУ, обеспечивающих согласованную работу
распределителей.
На рис. 5.5,а приведена последовательность импульсов с КП. Если
распределители работают согласованно, то в те же моменты времени будут
сниматься импульсы с распределителя и на ПУ (рис.5.5,б). Если окажется, что
генератор, переключающий распределитель на ПУ, работает с несколько большей
частотой, чем генератор на КП (режим опережения), то совпадения импульсов, а
значит и правильный приём информации может и не произойти (рис.5.5,в).
Нарушение совпадений возможно также, если частота генератора на ПУ меньше
частоты генератора на КП (рис.5.5,г) .
Таким образом, для правильности передачи в первую очередь необходимо,
чтобы импульсы, поступающие с генераторов на распределители для их переключения
(на КП и ПУ), совпадали, т.е. были в фазе. Для этого требуется синфазирование
импульсов. Однако даже при синфазировании по импульсам команда может быть
передана ошибочно, если она неправильно ориентирована во времени, т.е. с
импульсом 3, пришедшим с ПУ, совпадает, например, импульс 4/ с
распределителя на КП (рис.5.5,д). Такая ошибка происходит, если неправильно
ориентированы циклы, т.е. если отсутствует синфазирование по циклу.
В телемеханике укоренились термины "синхронизация" и
"синфазирование". В дальнейшем под синхронизацией будем понимать
синфазирование по циклу, а под синфазированием - синфазирование по импульсам.
Несколько обобщая, можно считать, что распределители синхронизируются, а
генераторы синфазируются, хотя нередко оба эти термины применяют как для
распределителей, так и для генераторов.
Рис.5.5. Рассогласование импульсов поступающих с КУ, с импульсами на ПУ.
Рассмотрим процессы синхронизации, получившей название циклической.
Тактовые импульсы на распределители ПУ и КП поступают от генераторов Г
(рис.5.6), частота генерации которых должна быть одинаковой. Так как
практически невозможно создать два генератора, которые генерировали бы строго
одинаковую частоту, то через некоторое время после включения импульсы
распределителей на ПУ и КП не будут совпадать. Во избежание этого в начале
каждого цикла с одного распределителя (ведущего), обычно замкнутого в кольцо и
непрерывно (циклически) работающего, посылается синхронизирующий сигнал (СС) на
другой распределитель (ведомый), как правило, не замкнутый в кольцо.
В проектируемой системе телеизмерений ведущим распределителем является
распределитель КП, ведомым - распределитель ПУ.
Ведомый распределитель запускается в начале цикла и останавливается в его
конце. В следующем цикле он снова запускается синхронизирующим сигналом, и так
каждый цикл.
Синхронизация распределителей в каждом цикле делает надёжной их работу и
является основным преимуществом циклической синхронизации. Однако в этом случае
стабильность частоты генераторов должна быть такой, чтобы рассогласование их
частот не привело к несовпадению импульсов в пределах одного цикла. Вероятность
рассогласования возрастает с увеличением числа позиций распределителя. Во
избежание рассогласования частот генераторов целесообразно использовать
дополнительное синфазирование по импульсам. На рис.5.6 такое синфазирование на
КП условно показано стрелкой.
Рис.5.6 Циклическая синхронизация.
Синхронизирующий сигнал кодируется одним из следующих признаков:
длительностью,
полярностью,
числом единиц.
Кодирование синхронизирующего сигнала длительностью означает, что его
длительность этого сигнала отличается от длительности информационных импульсов,
которыми передаётся информационная кодовая комбинация. Обычно длительность
синхронизирующего импульса принимается большей по сравнению с длительностью
информационных импульсов.
Кодирование синхронизирующего сигнала полярностью означает, что для его
передачи используется другая полярность сигнала, передаваемого по линии связи,
по сравнению с полярностью информационных импульсов, как это показано на рис.
5.6.
Кодирование синхронизирующего сигнала числом единиц означает, что в его
структуре содержится уникальная комбинация (число единиц), которая не может
присутствовать в информационном сигнале.
Техническая реализация проектируемого устройства на ПЛК накладывает свои
особенности в выбор способа кодирования синхронизирующего сигнала. В этом
случае наиболее эффективным способом является способ кодирования числом единиц,
отличающийся простотой подсчёта числа единиц на приёмной стороне.
.7 Демонстрация работы программы на контрольной задаче
При защите курсового проекта каждый студент демонстрирует составленную и
отлаженную им программу на контрольной задаче.
Программа демонстрации отлаженной программы работы устройства КП включает
в себя следующие вопросы.
. Работа аналого-цифрового преобразователя. Для этого по выбранному
автором телемеханическому каналу задаётся определённое значение телеизмеряемой
величины, которое преобразуется двоичную кодовую комбинацию. Эта комбинация
считывается и проверяется правильность работы АЦП. Например, если задать
значение телеизмаряемой величины, равное половине диапазона её измерения, то
кодовая комбинация АЦП содержит единицу в старшем разряде и нули во всех
остальных разрядах.
. Работа генератора тактовых импульсов. В процессе демонстрации для
визуального контроля состояния устройства в каждый момент времени частота его
работы задаётся равной 0,5 Бода, длительность импульсов принимается равной
половине периода.
. Работа распределителя элементов кода и распределителя каналов. Для
визуального отображения текущего состояния распределителя применяется
кодирование цветом состояния его выходов.
. Работа устройства повышения достоверности. Для этого по выбранному
автором телемеханическому каналу создаётся определённая комбинация двоичного
кода и в ней подсчитывается число единиц. При использовании, например, кода с
проверкой на чётность визуально считывается контрольный символ и проверяется на
чётность полная кодовая комбинация.
. Работа формирователя синхронизирующего сигнала. Для этого, во-первых,
визуально проверяется номер телемеханического канала, по которому передаётся
синхронизирующий сигнал. Во-вторых, проверяется способ кодирования
синхронизирующего сигнала. Например, при кодировании числом единиц проверяется
фактическое число единиц, передаваемое по каналу синхронизации, и затем
сравнивается с числом единиц уникальной кодовой комбинации, приведённой в
пояснительной записке.
Программа демонстрации отлаженной программы работы устройства ПУ включает
в себя следующие вопросы.
. Работа распределителя элементов кода и распределителя каналов. Для
визуального отображения текущего состояния распределителя применяется
кодирование цветом состояния его выходов.
. Работа различителя синхронизирующего сигнала (РСС). Для этого на вход
устройства ПУ по каналу синхронизации подаётся синхронизирующий сигнал,
предварительно сформированный с учётом выбранного признака его кодирования.
Визуально проверяется выходной сигнал РСС по окончании приёма синхронизирующего
сигнала.
. Процедура записи входного сигнала в ОЗУ. Для этого предварительно
создаётся информационный сигнал, принимаемый по телемеханическому каналу,
выбранному автором. Правильность процесса записи этого сигнала в ОЗУ
контролируется визуально.
. Работа устройства повышения достоверности (УПД). Для этого
предварительно создаётся информационная кодовая комбинация, закодированная
помехоустойчивым кодом и принимаемая по выбранному каналу. При отсутствии
искажений УПД выдаёт сигнал, разрешающий процедуру масштабирования, что
проверяется визуально.
. Работа устройства задания канала. Для этого задаётся определённый номер
телемеханического канала, телеизмеряемая величина которого выводится на блок
отображения информации. Далее сравнивается фактический номер канала, по
которому поступает отображаемая информация.
. Работа устройства масштабирования и блока отображения информации. Для
этого предварительно создаётся информационная кодовая комбинация с известным
значением телеизмеряемой величины и принимаемая по выбранному каналу.
Результат, считываемый с блока отображения информации, сравнивается с известным
значением величины.
Проверки по пп.5 и 6 могут быть совмещены.
Демонстрация контрольной задачи завершает практическую часть
проектирования устройства цифровой системы телеизмерений, после чего студенту
необходимо защитить теоретическую часть по имеющимся вопросам.
Заключение
В приведённых методических материалах изложены все вопросы,
прорабатываемые в курсовом проекте по дисциплине "Телемеханика".
Материалы помогают студенту - автору проекта обоснованно принять все проектные
решения, успешно выполнить задание на проектирование, подготовить проект к
защите и успешно его защитить.
Междисциплинарный характер курсового проектирования требует от студента
не только знаний по ранее пройденным дисциплинам, но и умений применять
пройденные дисциплины для решения одной из распространённых профессиональных
задач - проектирования телемеханической системы как части интегрированной
автоматизированной системы управления технологическими процессами.
Список литературы
1. Телемеханика: Конспект лекций/Самар. гос. техн. ун-т;
Сост. А. А. Абросимов. Самара, 2011. - 202с.
1.
Деменков Н.П.
Языки программирования промышленных контроллеров: Учебное пособие / Под ред.
К.А.Пупкова. - М.: Изд-во МГТУ им. Н.Э. Баумана, 2004. - 172 с.
3. Проектирование нижнего уровня АСУ ТП. (Основы работы с
инструментальным комплексом Concept
для программирования ПЛК Schneider-Electric): Учебное пособие/ Ю.А. Осипова,
А.В. Тычинин, П.В. Тян, В.К. Тян. Самар. гос. техн. ун-т, Самара, 2005. - 90 с.
Приложение 1
Задание на
курсовой проект
по дисциплине "Телемеханика"
Студенту 4 курса ФАИТ _________ группы _____________________
№ группы инициалы, фамилия
2. Тема проекта: Разработка системы
телеизмерений. Устройство______.
2. Исходные данные.
2.1 Диапазон и единицы измерения телеметрической величины:
.2 Сигнал с датчика
2.3 Максимальная частота измерения телеметрической величины:макс. =
2.4 Число измерительных каналов:
2.5 Требуемая точность телеизмерения:
σ ти доп. =
.6 Требуемое быстродействие системы телеизмерения:
τ зад. доп =
2.7 Скорость передачи информации по каналу связи:
В =
.8 Вероятность искажения в канале связи одного двоичного символа:

.9 Вид интерполяции -
. Содержание расчетно-пояснительной записки.
.1 Обоснование и выбор типа системы телеизмерения.
.2 Описание структурной схемы устройства.
.3 Информационный расчет.
.4 Разработка программы работы устройства в программной среде "Сoncept" и её отладка.
. Перечень обязательного графического материала.
.1. Структурная схема разрабатываемого устройства - 1 лист.
.2. Программа работы устройства в программной среде "Сoncept" - 1 лист.
. Рекомендуемая литература.
.1. Телемеханика: Конспект лекций [эл. изд.]/Сост. А. А. Абросимов. -
Самара: Самар. гос. техн. ун-т, 2011 - 195 с.
.2. Телемеханика: Учебно - методическое пособие по выполнению курсового
проекта [эл. изд.]/ Сост. А. А. Абросимов. - Смара: Самар. гос. техн. ун-т,
2011 - 59с.
. Срок сдачи законченного проекта - по индивидуальному графику.
. Дата выдачи задания _____________ Руководитель__________________
дата подпись
Задание принял к исполнению________ Студент_____________
дата подпись
Приложение 2
МОДЕЛИРОВАНИЕ ФУНКЦИОНАЛЬНЫХ БЛОКОВ РАСПРЕДЕЛИТЕЛЯ С ИСПОЛЬЗОВАНИЕМ ПРОМЫШЛЕННЫХ
КОНТРОЛЛЕРОВ ФИРМЫ SCHNEIDER ELECTRIC.
Цель работы - научится создавать телемеханические функциональные блоки с
помощью средства Concept
DFB. Задачей работы является
моделирование работы распределителя элементов кода, распределителя каналов и
блока 8 - или.
Указания к работе.
Для начала нужно запустить саму программу для разработки функциональных
блоков: Пуск - Программы - Concept
- Concept DFB.
Откроется окно программы, в котором необходимо выполнить создание нового
блока File - New DFB.
Далее необходимо открыть браузер проекта (Project - Project Browser). Нажав
правой клавишей мыши на надписи, откройте контекстное меню и выберете раздел New Section. Откроется окно выбора языка программирования (Рис.
П1.1). Мы в дальнейшем будем рассматривать программирование на паскалеподобном
языке структурированного текста (ST). В
этом же окне необходимо дать имя секции.
Рис. П 1.1. Окно выбора языка программирования
Нажав кнопку "OK",
следует убедиться, что секция с таким именем появилась в браузере проекта.
Щелкнув дважды на имени проекта в браузере можно открыть окно, в котором
и будет писаться программа (Рис. П 1.2).
Рис. П1.2. Пример окна программирования на языке ST
Следует отметить такую особенность, что все инструкции пишутся заглавными
буквами.
Необходимо описать все переменные. Для этого откройте окно Variable Editor. Это делается следующим образом: Project - Variable declaration. В открывшемся окне описываются
внутренние переменные, константы, входы и выходы (Рис. П 1.3).
Рис. П1.3. Окно описания внутренних переменных, констант, входов и
выходов
Далее блок необходимо будет сохранить под определенным именем.
В Concept свой блок можно найти в окне выбора
функциональных блоков при нажатии на кнопку DFB.
Моделирование распределителя элементов кода.
Необходимо создать функциональный блок, который будет осуществлять
последовательный сдвиг логической единицы от одного выхода к другому. При этом
на остальных выходах должны быть логические нули.
Сдвиг должен осуществляться на каждом такте. Тактовые импульсы подаются
от генератора (мы будем их подавать вручную для наглядности модели). Кроме
тактового входа блок должен иметь вход сброса.
Число выходов распределителя элементов кода определяется разрядностью
кода, приходящего из линии связи плюс еще один разряд, который будет подавать
сигнал на тактовый вход распределителя каналов.
Функциональный блок создается в среде проектирования Concept DFB. Создавать блок нужно в последовательности,
приведённой выше Пример программы для этого блока на языке структурированного
текста рассмотрим на примере блока с двумя выходами.
Этот блок, как уже было сказано, имеет тактовый вход и вход сброса.
Программа будет следующей:
di1=FALSE THEN a:=0; END_IF;di1=TRUE AND a=0 AND do1=FALSE
AND do2=FALSE THEN do1:=TRUE; do2:=FALSE;:=1;_IF;di1=TRUE AND a=0 AND do1=TRUE
AND do2=FALSEdo1:=FALSE; do2:=TRUE;:=1;_IF;r THEN do1:=FALSE; do2:=FALSE; _IF;
В приведенном примере возможно три состояния выходов: оба выхода нулевые,
единица на первом выходе, единица на втором выходе.
В программе имеются следующие переменные:
di1 -
вход, на который приходят тактовые импульсы;
r -
вход сброса;
do1 -
выход первый;
do2 -
выход второй;
а - внутренняя переменная, способствующая изменению состояния выходов по
переднему фронту тактового импульса.
Теперь перейдем в сам Concept.
Движущаяся по выходам созданного нами функционального блока логическая единица
будет последовательно открывать логические ключи в устройстве КП - для
преобразования параллельного кода в последовательный, а в устройстве ПУ - для
преобразования последовательного кода в параллельный.
Программа на языке функциональных блоков для семиразрядного кода (6
информационных разрядов и один контрольный) вместе с логическими схемами
устройства КП представлена на рис. П 1. 4.
Рис. П1.4. Программа распределителя элементов кода и логических схем устройства КП на языке FBD
Программа распределителя элементов кода и логических схем устройства ПУ на языке FBD представлена на рис. П1.5.
Функциональный блок распределителя каналов имеет такие же функции и
отличается от блока распределителя элементов кода только разрядностью. Здесь
число выходов зависит уже не от разрядности кода, а от числа каналов.
В устройстве ПУ кроме самого функционального блока дополнительно имеется
устройство задания канала (УЗК) в виде набора логических элементов И, на один
вход которых поступает сигнал от оператора на выбор канала (каждый логический
элемент соответствует одному каналу) и один из выходов функционального блока
распределителя каналов (Рис. П 1. 6.).
Рис. П 1.5. Программа распределителя элементов кода и логических схем устройства ПУ на языке FBD
Программа имеет вид:
Рис. П 1.6. Программа распределителя каналов и устройства задания каналов устройства ПУ на языке FBD
Порядок моделирования.
1. Изучить работу Concept DFB.
2. Создать функциональный блок.
3. Запустить Concept и проверить работоспособность созданного
функционального блока.
4. Изучить принцип работы распределителя
элементов кода и распределителя каналов.
5. Создать в Concept DFB функциональные блоки распределителей.
6. Смоделировать в Concept на языке функциональных блоков
распределитель элементов кода и распределитель каналов
7. Проверить совместную работу
распределителя элементов кода и распределителя каналов проектируемого
устройства.
Приложение 3
МОДЕЛИРОВАНИЕ ФУНКЦИОНАЛЬНЫХ БЛОКОВ АЦП - ППЗУ С ИСПОЛЬЗОВАНИЕМ
ПРОМЫШЛЕННЫХ КОНТРОЛЛЕРОВ ФИРМЫ SCHNEIDER ELECTRIC.
Задачей работы является моделирование работы аналого-цифрового
преобразователя (АЦП) с применением перепрограммируемого запоминающего
устройства (ППЗУ).
Пусть на входы АЦП будут подаваться сигналы со всех датчиков и все выходы
распределителя каналов. Предусмотрим также вход сброса. Тогда АЦП будет иметь
(2k+1) входов, где k - число каналов. У распределителя
каналов в конкретный момент времени только на одном выходе будет логическая
единица. Она будет потактно передвигаться от одного выхода к другому, подключая
тем самым на преобразование в АЦП по очереди сигналы со всех датчиков.
Разрядность АЦП определяется в процессе информационного расчёта.
Прежде чем приступить к программированию АЦП, необходимо из начальных
условий рассчитать шаг квантования по уровню.
Рассмотрим пример программирования АЦП четырехразрядного по двум каналам.
В этом случае АЦП имеет 16 уровней (24) и шаг квантования должен
быть таким, чтобы 16 шагов составляли всю величину сигнала от датчика.
Используем в программе следующие переменные:
k1 -
первый вход от распределителя каналов (подключает первый датчик);
k2 -
второй вход от распределителя каналов (подключает второй датчик);
in1 -
сигнал от первого датчика;
in2 -
сигнал от второго датчика;
in -
внутренняя переменная;
c -
константа, равная шагу квантования;
o1 -
первый разряд выхода;
o2 -
второй разряд выхода;
o3 -
третий разряд выхода;
o4 -
четвертый разряд выхода;
r - вход сброса.
k1 THEN in:=in1; END_IF;k2 THEN in:=in2; END_IF;(in>=0.0)
AND (in<c) THEN o1:=FALSE; o2:=FALSE; o3:=FALSE; o4:=FALSE; END_IF;(in>=c)
AND (in<2.0*c) THEN o1:=FALSE; o2:=FALSE; o3:=FALSE; o4:=FALSE;
END_IF;(in>=2.0*c) AND (in<3.0*c) THEN o1:=FALSE; o2:=FALSE; o3:=FALSE;
o4:=FALSE; END_IF;(in>=3.0*c) AND (in<4.0*c) THEN o1:=FALSE; o2:=FALSE;
o3:=FALSE; o4:=FALSE; END_IF;(in>=4.0*c) AND (in<5.0*c) THEN o1:=FALSE;
o2:=FALSE; o3:=FALSE; o4:=TRUE; END_IF;(in>=5.0*c) AND (in<6.0*c) THEN
o1:=FALSE; o2:=FALSE; o3:=FALSE; o4:=TRUE; END_IF;(in>=6.0*c) AND
(in<7.0*c) THEN o1:=FALSE; o2:=FALSE; o3:=FALSE; o4:=TRUE; END_IF;(in>=7.0*c)
AND (in<8.0*c) THEN o1:=FALSE; o2:=FALSE; o3:=FALSE; o4:=TRUE;
END_IF;(in>=8.0*c) AND (in<9.0*c) THEN o1:=FALSE; o2:=FALSE; o3:=TRUE;
o4:=FALSE; END_IF;(in>=9.0*c) AND (in<10.0*c) THEN o1:=FALSE; o2:=FALSE;
o3:=TRUE; o4:=FALSE; END_IF;(in>=10.0*c) AND (in<11.0*c) THEN o1:=FALSE;
o2:=FALSE; o3:=TRUE; o4:=FALSE; END_IF;(in>=11.0*c) AND (in<12.0*c) THEN
o1:=FALSE; o2:=FALSE; o3:=TRUE; o4:=FALSE; END_IF;(in>=12.0*c) AND
(in<13.0*c) THEN o1:=FALSE; o2:=FALSE; o3:=TRUE; o4:=TRUE;
END_IF;(in>=13.0*c) AND (in<14.0*c) THEN o1:=FALSE; o2:=FALSE; o3:=TRUE;
o4:=TRUE; END_IF;(in>=14.0*c) AND (in<15.0*c) THEN o1:=FALSE; o2:=FALSE;
o3:=TRUE; o4:=TRUE; END_IF;(in>=15.0*c) THEN o1:=FALSE; o2:=FALSE; o3:=TRUE;
o4:=TRUE; END_IF;r THEN o1:=FALSE; o2:=FALSE; o3:=FALSE; o4:=FALSE; END_IF;
Моделирование ППЗУ.
ППЗУ должно на определенную входную комбинацию выдавать определенную
выходную комбинацию. Для построения ППЗУ необходимо рассчитать масштабирующий
коэффициент для перехода к значению физической величины и составить таблицу
прошивки ППЗУ. На выход будем подавать значение физической величины в
двоично-десятичном коде. Это удобно для дальнейшей имитации индикаторов, каждый
из которых будет выдавать определенный разряд десятичного числа.
Кроме того, ППЗУ должно иметь вход, разрешающий преобразование (в
рассмотренной ниже программе r)
Рассмотрим пример таблицы прошивки ППЗУ, на вход которой подается
четырехразрядный двоичный код. Физическая величина изменяется в диапазоне от 0
до 150. Тогда, учитывая, что ненулевых кодовых комбинаций на входе будет 15, то
каждый уровень АЦП будет соответствовать 10. Выходных разрядов 12 (3 тетрады).
Таблица 1 Пример таблицы прошивки ППЗУ
|
Входная комбинация
|
Выходное десятичное число
|
Выходное двоично-десятичное
число
|
|
0000
|
0
|
0000 0000 0000
|
|
0001
|
10
|
0000 0001 0000
|
|
0010
|
20
|
0000 0010 0000
|
|
0011
|
30
|
0000 0011 0000
|
|
0100
|
40
|
0000 0100 0000
|
|
0101
|
50
|
0000 0101 0000
|
|
0110
|
60
|
0000 0110 0000
|
|
0111
|
70
|
0000 0111 0000
|
|
1000
|
80
|
0000 1000 0000
|
|
1001
|
90
|
0000 1001 0000
|
|
1010
|
100
|
0001 0000 0000
|
|
1011
|
110
|
0001 0001 0000
|
|
1100
|
120
|
0001 0010 0000
|
|
1101
|
130
|
0001 0011 0000
|
|
1110
|
140
|
0001 0100 0000
|
|
1111
|
150
|
0001 0101 0000
|
Программа для такого ППЗУ будет следующая:
r=TRUE AND in1=FALSE AND in2=FALSE AND in3=FALSE AND
in4=FALSE:=FALSE; out12:=FALSE; out13:=FALSE; out14:=FALSE;:=FALSE;
out22:=FALSE; out23:=FALSE; out24:=FALSE;:=FALSE; out32:=FALSE; out33:=FALSE;
out34:=FALSE;_IF;r=TRUE AND in1=FALSE AND in2=FALSE AND in3=FALSE AND in4=TRUE
THEN:=FALSE; out12:=FALSE; out13:=FALSE; out14:=FALSE;:=FALSE; out22:=FALSE;
out23:=FALSE; out24:=TRUE;:=FALSE; out32:=FALSE; out33:=FALSE; out34:=FALSE;_IF;
и так далее согласно таблице прошивки.
Наряду с программированием АЦП путём использования таблицы прошивки ППЗУ
могут применяться и другие способы моделирования работы АЦП, например, путём
целочисленного деления на 2 выходного сигнала с датчика.
Приложение 4
МОДЕЛИРОВАНИЕ ФУНКЦИОНАЛЬНЫХ БЛОКОВ УСТРОЙСТВА ПОВЫШЕНИЯ ДОСТОВЕРНОСТИ,
РЕГИСТРА ПАМЯТИ И
ЦИФРО - АНАЛОГОВОГО ПРЕОБРАЗОВАТЕЛЯ С ИСПОЛЬЗОВАНИЕМ ПРОМЫШЛЕННЫХ
КОНТРОЛЛЕРОВ ФИРМЫ SCHNEIDER ELECTRIC.
Задачей работы является моделирование работы устройства повышения
достоверности (УПД), регистра памяти и цифро-аналогового преобразователя (ЦАП)
Моделирование устройства повышения достоверности.
Устройство повышения достоверности имеет две модификации. Это кодер
помехозащищённого кода с составе устройства КП и соответствующий декодер в
составе устройства ПУ.
Пусть в качестве корректирующего кода принят код с проверкой на четность.
Для устройства ПУ декодер этого кода можно построить так, чтобы на него
поступала входная комбинация из линии связи и изменял состояние своего выхода
при приходе каждой логической единицы. На момент прихода всех разрядов из линии
связи на выходе УПД будет логическая единица при нечетном числе единиц в
кодовой комбинации и ноль - при четном.
Тогда программа на языке структурированного текста будет следующая:
IF r=TRUE THEN out:=FALSE; END_IF;in=TRUE AND out=FALSE AND
a=0 AND gen=TRUE THEN out:=TRUE; a:=1; END_IF;in=TRUE AND out=TRUE AND a=0 AND
gen=TRUE THEN out:=FALSE; a:=1; END_IF;gen=FALSE THEN a:=0; END_IF;
Здесь r - вход сброса, gen - тактовый вход, in - вход для кодовой комбинации из
линии связи, out - выход, а - внутренняя переменная,
обеспечивающая срабатывание по переднему фронту тактового импульса.
Моделирование регистра памяти.
Регистр памяти или параллельный регистр используется в устройстве ПУ. Так
как на выходах логических элементов распределителя элементов кода разряды
пришедшей кодовой комбинации появляются последовательно на каждом из элементов,
то это означает, что на его вход поступает последовательный код.
Он должен иметь вход сброса и число выходов, равное числу входных
разрядов последовательного кода.
Программа для одноразрядного регистра будет иметь вид:
IF r THEN out1:=FALSE; END_IF;in1=TRUE THEN out1:=TRUE;
END_IF;
Моделирование ЦАП.
В курсовом проекте ЦАП заменяют цифровые индикаторы. Каждый индикатор
должен преобразовать четырехразрядную двоичную кодовую комбинацию (т.к. каждая
тетрада на выходе ППЗУ имеет четыре разряда) в десятичное число.
Программа такого ЦАП на языке структурированного текста будет иметь вид:
IF in1=FALSE AND in2=FALSE AND in3=FALSE AND in4=FALSE THEN
out:=0; END_IF;in1=FALSE AND in2=FALSE AND in3=FALSE AND in4=TRUE THEN out:=1;
END_IF;in1=FALSE AND in2=FALSE AND in3=TRUE AND in4=FALSE THEN out:=2;
END_IF;in1=FALSE AND in2=FALSE AND in3=TRUE AND in4=TRUE THEN out:=3;
END_IF;in1=FALSE AND in2=TRUE AND in3=FALSE AND in4=FALSE THEN out:=4;
END_IF;in1=FALSE AND in2=TRUE AND in3=FALSE AND in4=TRUE THEN out:=5;
END_IF;in1=FALSE AND in2=TRUE AND in3=TRUE AND in4=FALSE THEN out:=6;
END_IF;in1=FALSE AND in2=TRUE AND in3=TRUE AND in4=TRUE THEN out:=7;
END_IF;in1=TRUE AND in2=FALSE AND in3=FALSE AND in4=FALSE THEN out:=8;
END_IF;in1=TRUE AND in2=FALSE AND in3=FALSE AND in4=TRUE THEN out:=9; END_IF;
Здесь in1 - in4 - входы, out -
выход.
Порядок моделирования.
1. Изучить принцип работы УПД, регистра
и ЦАП.
2. Создать функциональные блоки этих
устройств.
3. Проверить их работоспособность.
Приложение 5
МОДЕЛИРОВАНИЕ УСТРОЙСТВА КОНТРОЛИРУЕМОГО ТЕЛЕМЕХАНИЧЕСКОГО ПУНКТА СИСТЕМЫ
ТЕЛЕИЗМЕРЕНИЙ С ИСПОЛЬЗОВАНИЕМ ПРОМЫШЛЕННЫХ КОНТРОЛЛЕРОВ
ФИРМЫ SCHNEIDER ELECTRIC.
Задачей работы является синтез модели устройства телемеханического
контролируемого пункта (КП) средствами Concept DFB.
Структурная схема устройства КП имеет вид, представленный на рис 2.1.
Поставленная задача достигается использованием ранее полученных функциональных
блоков в сочетании с различными стандартными блоками для синтеза устройства КП.
В процессе синтеза необходимо создавать функциональные блоки в соответствии со
своим заданием и результатами информационного расчёта(например, не 8 - ИЛИ, а
6-ИЛИ и т.п.).
Порядок моделирования.
1. Уточнить по структурной схеме рис.
2.1 работу устройства КП с учётом индивидуального задания и результатов
информационного расчёта.
2. Синтезировать модель КП средствами Concept DFB.
3. Проверить работоспособность модели на
произвольно заданных исходных данных.
Приложение 6
МОДЕЛИРОВАНИЕ УСТРОЙСТВА ТЕЛЕМЕХАНИЧЕСКОГО ПУНКТА УПРАВЛЕНИЯ СИСТЕМЫ
ТЕЛЕИЗМЕРЕНИЙ С ИСПОЛЬЗОВАНИЕМ ПРОМЫШЛЕННЫХ КОНТРОЛЛЕРОВ ФИРМЫ SCHNEIDER ELECTRIC.
Задачей моделирования является синтез модели устройства телемеханического
контролируемого пункта (КП) средствами Concept DFB.
Структурная схема устройства ПУ имеет вид, представленный на рис.2.2. .
Поставленная задача достигается использованием ранее полученных функциональных
блоков в сочетании с различными стандартными блоками синтезировать устройство
ПУ.
В процессе синтеза необходимо создавать функциональные блоки в
соответствии со своим заданием и результатами информационного расчёта(например,
не 8 - ИЛИ, а 6-ИЛИ и т.п.).
Порядок моделирования.
1. Уточнить по структурной схеме рис.
2.2 работу устройства ПУ с учётом индивидуального задания и результатов
информационного расчёта.
2. Синтезировать модель ПУ средствами Concept DFB.
3. Проверить работоспособность модели на
произвольно заданных исходных данных.