Система телеизмерений частоты вращения турбобура
Введение
Целью выпускной квалификационной работы является
разработка контролируемого пункта цифровой системы телеизмерения для контроля
частоты вращения турбобура, применяемого для бурения нефтяных и газовых
скважин.
Вопрос о поиске решений оптимальной конструкции
систем телемеханики всегда остается актуальным, так как позволяет решить ряд
значимых проблем производительности, контроля и безопасности. Построение
грамотной и актуальной телеметрической системы является одним из наиболее
удачных методов создания экономичного производства.
Разрабатываемая система предназначена для
установки кустового бурения. Бурение всех скважин производится с общего
основания с помощью специального бурильного оборудования - турбобуров. В
процессе бурения скважин необходимо непрерывно регулировать скорость вращения
турбобура, для максимальной эффективности процесса, а также для обеспечения
безопасности.
Постоянно совершенствующиеся средства
телемеханики и растущие задачи промышленности сегодня ставят все более сложные
задачи перед разработчиками систем управления и телемеханики. Именно
динамичность развития и рост задач в данной предметной области обуславливают не
только актуальность выбранной темы, но и перспективность её изучения.
К характерным особенностям современной техники
относится широкое внедрение методов и средств автоматики и телемеханики,
вызванное переходом на автоматизированное управление. Непрерывно усложняются
функции выполняемые системами автоматизированного управления, а относительная
значимость этих систем в процессе производства непрерывно растет.
1. Технологический процесс бурения
.1 Описание технологического процесса бурения
Бурение- процесс образования горной
выработки <#"552879.files/image001.gif">
Рис. 1.1 - Схема кустового бурения
Турбобур - забойный гидравлический
двигатель, вал <#"552879.files/image002.gif">
Рис. 1.2 - Турбобур ТПР-105
Технические характеристики турбобура
ТПР-105 приведены в таблице 1.
Таблица 1 - Технические
характеристики турбобура ТПР-105
|
Тип
двигателя - турбинный шпиндельный, пакетного исполнения Габаритные размеры,
мм: - диаметр 105 - длина в сборе 11918 Монтажная длина составных частей,
мм: - турбинной секции 3545 - шпидельной секции 1000 Присоединительные
резьбы по ГОСТ 5286 Количество секций, шт.: - турбинных 3 - шпиндельных
2 Количество ступеней турбин в турбинной секции, шт. 93 Масса, кг 480
Допустимая осевая нагрузка, Н 2-104 Расход рабочей жидкости, м3/с
0,008-0,012 Момент вращающий, Нм: - в рабочем режиме 370 - в тормозном
режиме 740 Частота вращения вала, об/мин (с-1) - в рабочем режиме 800 -
в холостом режиме 1600 Перепад давления на двигателе, МПа: - в рабочем режиме
10-12 - в холостом режиме 7-9 - тормозном 12-14
|
Описание конструкции
Турбобур состоит из шпиндельной и трех турбинных
секций (при необходимости четырех секций).
В шпиндельной секции устанавливаются многорядный
радиально-упорный шарикоподшипник, воспринимающий нагрузку от веса турбинных
валов и реакцию забоя, защищенный кольцевыми резиновыми уплотнениями, а также
радиальный твердосплавной подшипник скольжения. Турбинная секция турбобура
выполнена по конструктивной схеме с «плавающим ротором» на профильном валу. Вал
выполнен шестигранным, благодаря этому происходит передача крутящего момента от
турбин роторов.
Осевой люфт шпинделя не влияет на
регламентированный зазор между турбинами статора и ротора сохраняя постоянным
к.п.д. на весь срок эксплуатации.
В турбинной секции размещена многоступенчатая
турбина, включающая 93 пары роторов и статоров, разделенных на 4 пакета. Каждый
пакет роторов опирается на радиально-осевой твердосплавной подшипник. Статоры
фиксируются от проворота в корпусе за счет осевого сжатия при свинчивании
верхнего и нижнего переводников. Вал имеет возможность осевого перемещения на
30 мм за счет установки на шейке вала ограничительной шайбы. Соединение валов
шпиндельной и турбинной секций осуществляется с помощью конусно-шлицевых муфт.
.2 Выбор датчика частоты вращения
Имеется 6 скважин, находящиеся на значительном
расстоянии от автоматизированного рабочего места оператора, который
осуществляет контроль за работой бурильной техники. На его пульт подаётся
измеряемая величина (в нашем случае - частота вращения вала турбобура) объектов
по шести каналам связи. Непрерывно контролировать частоту вращения вала
турбобура очень важно, т.к. от нее напрямую зависит эффективность бурения
скважины. Датчик оборотов предназначен для непрерывного контроля частоты
вращения вала турбобура в процессе бурения скважин.
Тахогенератор - это устройство, при вращении
вала которого на его выходе вырабатывается электрическое напряжение, величина
которого пропорциональна скорости вращения вала тахогенератора. Для съёма этого
напряжения традиционно применяется скользящий контакт, состоящий из графитовых
щёток и медного коллектора. Однако образующийся на медной поверхности
неравномерный оксидный слой вызывает периодические изменения сопротивления
контакта, что приводит к колебаниям напряжения тахогенератора в виде шума. На
низких скоростях эти шумы сравнимы с полезным сигналом. Тем не менее,
медно-щёточный контакт остаётся популярным, так как имеет большое преимущество
- отличные скользящие свойства графита и, как следствие, большой срок службы.
Избавиться от проблем при работе тахогенератора в неблагоприятных средах
поможет такой тахогенератор, у которого на медную рабочую поверхность
коллектора нанесена серебряная дорожка.
Крепление тахогенераторов осуществляется либо
при помощи фланцев, либо с помощью лап.
Выберем тахогенератор компании Baumer Hubner -
GT5 (Рис.1.3, Таблица 2).
Таблица 2 - Технические характеристики
тахогенератора GT5
|
Напряжение
|
6
мВ/об/мин
|
|
Температурный
коэффициент
|
±0.05
%/°C
|
|
Пульсации
|
<=
0.7 % pp
|
|
Температурный
диапазон
|
-30
°C - +130°C
|
|
Максимальная
скорость
|
10,000
об/мин
|
|
Момент
инерции
|
50
г*см2
|
|
Класс
защиты
|
IP
00; IP 54
|
Рис. 1.3 - Тахогенератор GT 5
Тахогенераторы Baumer Hubner обладают следующими
преимуществами:
Измерение скорости и направления вращения
осуществляется в режиме реального времени;
Диапазон измеряемых скоростей значительно
превышает 1:20000;
Устойчивость к механическим и температурным
воздействиям;
Стандартный температурный диапазон от -30° С до
+130°С, более низкие температуры (до -50°С) доступны как опция;
Защита от воздействия морского и тропического
(опционально) климата;
Помехоустойчивость при передаче сигналов;
Для эффективной передачи сигналов используется
двухжильный кабель;
Нет необходимости в применении дополнительного
источника питания;
Полый вал без подшипников для непосредственного
крепления без использования муфты обеспечивает хорошие динамические
характеристики.
1.3 Постановка задачи
Целью выпускной квалификационной работы является
проектирование устройства КП системы телеизмерения числа оборотов турбобура. На
основе описания объектов и анализа типов систем телеизмерения в работе
разрабатывается цифровая система телеизмерения. Она обладает, во-первых,
наивысшей точностью по сравнению с другими системами и, во-вторых, сравнительно
легко реализуется на современной программно-технической базе.
Для разрабатываемой системы предъявляются
следующие требования:
)Диапазон и единицы измерения телеметрической
величины:
0-1660 оборотов в минуту;
) Сигнал с датчика:
0-10 В
) Максимальная частота измерения
телеметрической величины:макс. =0,07 Гц
) Число измерительных каналов:
6 (3 активных канала, 3 резервных)
) Требуемая точность телеизмерения:
σ ти доп. = 0,25 %
) Требуемое быстродействие системы
телеизмерения:
τ зад. доп = 100 с
) Скорость передачи информации по
каналу связи:
В = 175 Бод
)Вероятность искажения в канале
связи одного двоичного символа:
1,5 * 10 -7
Для выбора параметров,
обеспечивающих реализацию с заданной точностью и наиболее эффективное
использование аппаратуры, решаются следующие задачи:
Разработать структурную схему
телемеханического устройства КП цифровой системы ТИ для контроля рабочего
параметра ─ числа оборотов в минуту, с учетом заданных параметров
точности;
Произвести информационный расчет с
целью определения параметров системы телеизмерения и оценки её точности;
Разработать и отладить модель
телемеханического контролируемого пункта в программной среде Concept для
выбранной системы телеизмерения.
2. Обоснование и выбор системы
телеизмерения
Из четырёх основных телемеханических
функций (телеуправление, телесигнализация, телерегулирование и телеизмерение)
телеизмерение (ТИ) является наиболее сложным, что обусловлено требованием
передачи информации с большой точностью. В настоящее время применяются
кодоимпульсные системы телемеханики вообще и системы телеизмерений в частности,
что соответствует современному состоянию теории и техники.
.1 Характеристика телеизмерений
Телеизмерение - получение информации
о значениях измеряемых параметров контролируемых или управляемых объектов
методами и средствами телемеханики (ГОСТ 26.005-82. В том же ГОСТе даются
определения таких понятий.
Телеизмерение по вызову -
телеизмерение по команде, посылаемой с пункта управления на контролируемый
пункт и вызывающей подключение на контролируемом пункте передающих устройств, а
на пункте управления - соответствующих приемных устройств.
Телеизмерение по вызову позволяет
использовать одну линию связи (канал телеизмерения) для поочередного наблюдения
за многими объектами телеизмерения. Диспетчер с помощью отдельной системы
телеуправления может подключать к каналу телеизмерения желаемый объект
телеизмерения. На пункте управления показания можно наблюдать на общем выходном
приборе. Если показания имеют различные шкалы, то измеряемые величины
подключаются к разным приборам. При телеизмерении по вызову можно применять
автоматический опрос объектов телеизмерения циклически по заданной программе.
Телеизмерение по выбору -
телеизмерение путем подключения к устройствам пункта управления соответствующих
приемных приборов при постоянно подключенных передающих устройствах на
контролируемых пунктах.
Телеизмерение текущих значений (ТИТ)
- получение информации о значении измеряемого параметра в момент опроса
устройством телемеханики.
Телеизмерение интегральных значений
(ТИИ) - получение информации об интегральных значениях измеряемых величин,
проинтегрированных по заданному параметру, например, времени, в месте передачи.
Последние два определения даются в
ГОСТ 26.205-83.
Телеизмерения имеют особенности,
отличающие их от обычных электрических измерений, которые не могут быть
применены для измерения на расстоянии вследствие возникновения погрешностей
из-за изменения сопротивления линии связи при измерении параметров окружающей
среды - температуры и влажности. Даже если бы указанные погрешности находились
в допустимых пределах, передача большого числа показаний потребовала бы
большого числа проводов. Кроме того, в некоторых случаях (передача измерения с
подвижных объектов - самолетов, ракет и.др.) обычные методы измерения
принципиально не могут быть использованы. Методы телеизмерения позволяют
уменьшить погрешность при передаче измеряемых величин на большие расстояния, а
также многократно использовать линию связи.
Сущность телеизмерения заключается в
том, что измеряемая величина, предварительно преобразованная в ток или
напряжение вторичного прибора датчика, дополнительно преобразуется в сигнал,
который затем передается по линии связи. Таким образом, передается не сама
измеряемая величина, а эквивалентный ей сигнал, параметры которого выбирают
так, чтобы искажения при передаче были минимальными. Совокупность технических
средств, необходимых для осуществления телеизмерений называют телеизмерительной
системой (СТИ).
Обобщённая структура системы ТИ
приведена на рис.2.1 На рисунке видно, что система ТИ представляет собой
комплекс технических средств, в который входит датчик D, передатчик Прд, канал
связи КС, приёмник Пр и выходной прибор ВП.

Рис. 2.1 - Обобщённая структурная
системы телеизмерений: D - датчик; Прд - передатчик; ЛС - линия связи; Пр -
приёмник; И - индикатор; КП - контролируемый телемеханический пункт; DП -
диспетчерский пункт или телемеханический пункт управления
Выходным сигналом Х датчика является
стандартный сигнал, часто это сигнал постоянного тока 0 - 5мА или напряжение
постоянного тока 0 - 10В. Передатчик осуществляет преобразование параметра Х в
сигнал, У, который передаётся по линии связи
В линии связи информационный сигнал
У искажается случайным воздействием помех
и климатических условий, сигнал
поступает в
приёмник, где подвергается преобразованию к виду
, удобному для отображения
на
индикаторе.
Главное требование, предъявляемое к
СТИ, заключается в том, что она должна обеспечить заданную точность
телеизмерения. Поэтому основной характеристикой СТИ является точность.
Точность характеризуется различными
видами погрешностей, важнейшей из которых является статическая погрешность или
просто погрешность.
Погрешность - степень приближения
показаний индикатора к действительному значению измеряемой величины.
Погрешность телеизмерения определяется как максимальная разность между
показаниями индикатора на приёмной стороне и действительным значением телеизмеряемой
величины, определяемым по показаниям образцового прибора.
Классы точности каналов
телеизмерения должны быть установлены для устройств и комплексов при цифровом и
аналоговом воспроизведении измеряемых параметров из следующего ряда: 0,15;
0,25; 0,4; 0,6; 1,0; 1,5; 2,5.
Абсолютная основная погрешность
канала телеизмерения устройства (комплекса) - наибольшая разность выходной
величины, приведенной ко входной в соответствии с градуировочной
характеристикой, и входной величины:
Δ = y - x, (1.1)
где Δ - абсолютная
погрешность,- выходная величина, приведенная ко входной в соответствии с
градуировочной характеристикой,- входная величина.
Относительная погрешность d' -
отношение абсолютной погрешности к действительному значению измеряемой величины,
выраженное в процентах.
Приведенная погрешность d -
отношение абсолютной погрешности к величине диапазона шкалы измерений
(Xmax-Xmin):
d = Δ/(Xmax-Xmin), (1.2)
Абсолютная дополнительная
погрешность канала телеизмерения устройства - наибольшая разность значений
входной (выходной) величины при нормальных условиях и при воздействии влияющего
фактора.
Дополнительные погрешности
вызываются различными отклонениями от нормальных условий работы, например
изменением температуры окружающей среды, изменением напряжения питания за
допустимые пределы, появлением помех, внешних магнитных полей и т. п.
.2 Классификация систем
телеизмерений
Системы телеизмерения (СТИ) можно
классифицировать по различным признакам. Наиболее распространена классификация
по параметру, с помощью которого передается значение измеряемой величины по
линии связи.
Рис. 2.1 - Классификация систем телеизмерения
Телеизмеряемые величины должны воспроизводиться
на индикаторах в абсолютных значениях измеряемых величин. Это значит, что если
передаваемая величина выражается в тоннах, то, несмотря на все промежуточные
преобразования этой величины, неизбежные при передаче, индикатор на приемной
стороне должен быть отградуирован в тоннах. Лишь в особых случаях допускается
воспроизведение телеизмерений в процентах.
В частотно - импульсных системах применяется не
частотная, а частотно - импульсная модуляция, по линии связи передаётся
частотно - импульсный модулированный сигнал. Помехоустойчивость этого типа
модуляции несколько выше по сравнению частотной модуляцией.
Во время - импульсных системах применяются время
- импульсные методы модуляции, обеспечивающие чуть более высокую
помехоустойчивость по сравнению с частотно - импульсной модуляцией.
В кодоимпульсных системах применяется
кодоимпульсная модуляция. Сигнал постоянного тока датчика в устройстве
контролируемого пункта преобразуется в кодовую комбинацию и каждый символ
кодовой комбинации передаётся по линии связи в устройство пункта управления,
где кодовая комбинация декодируется и отображается индикатором.
Кодоимпульсные системы обладают наибольшей
точностью по сравнению с другими типами систем телеизмерения. В них не
происходит уменьшение точности при передаче информационных сигналов на большие
расстояния благодаря комплексу мер, применяемых для повышения
помехоустойчивости телемеханической передачи. Поэтому точность кодоимпульсных
систем телеизмерения определяется точностью датчика.
3. Описание структурной схемы устройства
Цифровые и кодоимпульсные системы ТИ
отличает дискретная структура сигнала у, подаваемого в линию или в канал связи,
не подчиняющаяся линейной зависимости от измеряемой величины А (см. рис.2.1).
Сигнал у, отображающий значение измеряемой величины А, в цифровых системах ТИ
представляет собой кодовую комбинацию одного из используемых кодов. Для
преобразования измеряемой величины в код непрерывная функция времени А(t), а
точнее Х(t), подвергается дискретизации по времени и по уровню. Каждому
дискретному уровню Х присваивается свой порядковый номер, который
представляется в том или ином коде. Через равные промежутки времени
текущее
значение параметра Х отожествляется с ближайшим уровнем квантования Х,
кодируется и передаётся в приёмник. В приёмнике производится дешифрация
принятого кода, т.е. определение посланного номера уровня, по которому в
выходном приборе воспроизводится в той или иной форме телеизмеряемая величина.
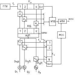
Рассмотрим принцип работы устройства
КП (рис.3.1).
Рис. 3.1 - Структурная схема
устройства контролируемого пункта цифровой системы телеизмерения
Структурная схема устройства
контролируемого пункта цифровой системы телеизмерения (рис. 3.1) содержит
следующие элементы:
ГТИ - генератор тактовых импульсов,
вырабатывает импульсы для работы всего устройства.
Кэ - коммутатор элементов кода. Это
функциональный блок, на вход которого поступают тактовые импульсы, а на
выходным сигналом является сигнал логической единицы, последовательно
появляющийся на выходах от 1 до К+1, где К - число разрядов кодовой комбинации.
И1, И2, Ик, Ив - схемы 2И - выходной
сигнал равен логической единице при наличии логических единиц одновременно на
двух входах.- регистр памяти (параллельный регистр) - служит для хранения
кодовой комбинации, поступающей на вход с АЦП.
АЦП - аналоговый цифровой
преобразователь, преобразует входную аналоговую величину в цифровой код.
Кл1 - Клn - аналоговые ключи, имеют
один выход и два входа. Первый вход управляющий, который разрешает подключение
к выходу информационного сигнала, подаваемого на второй аналоговый вход.- Dn -
аналоговые датчики телеизмерения величины.
Кк - коммутатор каналов, тоже что и
Кэ с учётом замены величины К на N.
УПД - устройство повышения
достоверности - кодер помехозащищённого кода. На входе двоичный код в
последовательной форме, а на выходе код, способный обнаруживать или исправлять
ошибки (помехозащищённый код) в последовательной форме.
ФСС - формирователь
синхронизирующего сигнала. По входному сигналу вырабатывается синхронизирующий
сигнал, отличающийся от информационного сигнала с выхода УПД, одним из трёх
признаков:
полярностью;
длительностью;
числом единиц.
Элемент ИЛИ - служит для логического
суммирования двух входных сигналов, выходной сигнал этого элемента поступает в
линию связи.
Рассмотрим работу схемы в динамике.
Пусть исходным будет состояние, когда коммутатор элементов кода Кэ находится в
положении (к+1), а коммутатор каналов Кк находится в положении 1.
В этом состоянии коммутатор каналов
Кк имеет логическую единицу на выходе позиции “1”. Она открывает Кл1 и сигнал с
выхода датчика первого подключен к входу АЦП, который преобразует его в
цифровой код и этот код записывается и хранится в регистре RG. С приходом
следующего тактового импульса Кэ переходит с позиции “к+1” в позицию “1”.
Поэтому на управляющий вход И1 поступает логическая единица и открывает схему
И1, следовательно, символ из ячейки 1 регистра RG через элементы И1, УПД, ИЛИ
поступает в линию связи.
На втором такте аналогично в линию
связи поступает символ из ячейки 2 регистра RG. По истечении “К” тактов
завершается посылка в линию связи информационной “К” разрядной кодовой
комбинации. На “К+1” такте из УПД в линию связи сдвигается контрольный разряд
помехозащищенного кода. Одновременно коммутатор каналов переходит на позицию 2,
на которой через ключ 2 на вход АЦП поступает сигнал с датчика 2. Далее для
второго канала все процессы повторяются аналогично первому. Таким образом, в
линию связи последовательно передаётся информация по всем N каналам.
В позиции N+1 коммутатора каналов на
вход ФСС поступает логическая единица, которая включает в работу формирователь
синхросигнала. Синхронизирующий сигнал через схему ИЛИ поступает в линию связи.
4. Информационный расчёт цифровой
системы телеизмерения
Целью информационного расчёта
является определение параметров функциональных блоков системы, обеспечивающих
требования заданной точности телеизмерения. Состав функциональных блоков был
определён при разработке структурной схемы.
Определим отдельные составляющие погрешности
телеизмерения по заданной величине 
:
(4.1)

- инструментальная погрешность,
которой обладает датчик телеизмеряемой величины;

- погрешность квантования по времени
вместе с устройством восстановления непрерывных сообщений по дискретным
отчетам;

- погрешность шумов в линии связи.
Рассчитаем коэффициент аппроксимации
при параболической интерполяции:
(4.2)
Для оценки эффективности
использования каналов связи вычисляется так называемый коэффициент избыточности
отчетов:
(4.3)
Шаг дискретизации в соответствии с
теоремой В.А. Котельникова определяется граничной частотой спектра сообщения 
(4.4)
Шаг дискретизации по времени 
принято называть циклом опроса и
обозначать
. Для
удобства дальнейших расчетов, примем это значение равное
. Из
полученных расчетов видно, что 
не превышает требуемое
быстродействие системы, т.е.
Зададим коэффициент, учитывающий
защитный интервал 
между каналами 
.
Рассчитаем время, которое отводится
на опрос одного датчика при равномерной дискретизации:
(4.5)
Определим защитный интервал:
(4.6)
Рассчитаем частоту коммутации
каналов (скорость выдачи кодовых слов):
(4.7)
Определим максимально возможный шаг
квантования по уровню:
(4.8)
Рассчитаем требуемое минимальное
число уровней квантования:
(4.9)
Тогда необходимая разрядность
первичного 
- кода определится из соотношения:
(4.10)
Мощность первичного кода будет:
(4.11)
Уточним шаг квантования по уровню:
Δх =
(4.12)
Определим масштабные коэффициенты 
:
(4.13)
(4.14)
Рассчитаем значение измеряемой
величины на последнем 
- ом уровне квантования и определим
соответствующую этому значению кодовую комбинацию первичного 
- кода:
(4.15)
(4.16)
Убедимся в правильности расчета
масштабного коэффициента:

(4.17)
(4.18)
где 
- шаг квантования по уровню
измеряемой величины А.
(4.19)
Следовательно, расчёт масштабного
коэффициента выполнен правильно.
По данной требуемой точности
телеизмерения 
определим абсолютную погрешность 
:
(4.20)
Дисперсия этой погрешности:
(4.21)
Рассчитаем величину дисперсии ошибки
от помех в канале связи 
. Зададимся 
и корректирующей способностью 
-кода 
и 
в соответствии с таблицей 1.
Минимальное кодовое расстояние и корректирующая способность кода изменяются в
соответствии с увеличением номера итерации по закону, иллюстрируемому табл. 1.
Номер итерации, в котором указаны 
число обнаруживаемых и исправляемых
ошибок, используется для выбора типа корректирующего кода. Примем вначале 
, 
и 
, найдем величину дисперсии ошибки
от помех в канале связи 
по формуле:

, (4.22)
где 
- вероятность искажения в канале
связи одного двоичного символа;

- шаг квантования по уровню;

- разрядность первичного кода;
(4.23)
Полученные расчеты занесем в таблицу
(таблица 3).
Таблица 3 - Величина дисперсии
ошибки от помех
|
Итерации
|
1
|
2
|
3
|
|
dмин
|
1
|
2
|
3
|
|
t0
|
0
|
1
|
2
|
|
tи
|
0
|
0
|
0
|
|
Dш
|

|
|
|
Сравним полученное значение 
с 
:
. Таким образом, безызбыточный код
может быть использован, но для дальнейшего проектирования принимаем код, у
которого 
, а значит код, который обнаруживает
одну ошибку и не исправляет ни одной. Выбираем в качестве корректирующего кода
- код с проверкой на четность.
; (4.24)
; (4.25)
; (4.26)
, (4.27)
где 
, 
, 
, 
- принятые при расчете и выборе
параметров значения соответствующих величин.
Вычислим значение 
и сравниваем его с допустимым
значением 
:
(4.28)
Следовательно, рассчитанные
параметры цифровой системы телеизмерения обеспечат требуемую точность
телеизмерения.
5. Описание блоков модели в
программной среде “Concept”
.1 Генератор тактовых импульсов
Блок GEN (Рис. 5.1). Данный блок
реализует генератор тактовых импульсов, который вырабатывает импульсы для
работы. Вход S данного блока служит для запуска генератора, вход R предназначен
для остановки генератора, сигналы с выхода С поступают на вход С Коммутатора
элементов кода и на УПД.
Рис. 5.1 - Обозначение блока
генератора тактовых импульсов на языке FBD
Программа имеет вид:
: TON;
END_VAR(IN:=NOT
p, PT:=t#1s);sd THEN:=TIMER.Q;R THEN:=FALSE;:=FALSE;:=FALSE;p THEN_1:=NOT
C;:=p_1;_IF;:=S;:=TRUE;
END_IF;
.2 Коммутатор элементов кода
Блок КЕ (Рис. 5.2). Данный блок
реализует функции коммутатора элементов кода. Это устройство с двумя входами и
многими выходами: на вход С подаются тактовые импульсы и в зависимости от числа
пришедших импульсов логическая единица подается на один из выходов. При подаче
на R-вход сигнала происходит сброс текущего состояния коммутатора элементов. Out0
- соединен с УПД, на коммутатором каналов и ФСС. Out1-out8 соединены с
устройством 2И. Out9 - соединен с УПД. Количество выходоа равно 8+1+1, где 8 -
разрядность первичного кода, 1 выход - сброс ФСС, и 1 выход - подача сигнала
окончания цикла передачи на УПД.
Рис. 5.2 - Обозначение блока
коммутатора элементов кода на языке FBD
Программа имеет вид:
R THEN
a:=11;:=FALSE;
out2:=FALSE; out3:=FALSE; out4:=FALSE; out5:=FALSE; out6:=FALSE; out7:=FALSE;
out8:=FALSE; out9:=FALSE; out0:=FALSE;C AND C_1=FALSE THEN_1:=TRUE;:=FALSE;
out2:=FALSE; out3:=FALSE; out4:=FALSE; out5:=FALSE; out6:=FALSE; out7:=FALSE;
out8:=FALSE; out9:=FALSE; out0:=FALSE;:=a+1;a OF 0: out0:=TRUE;
:
out0:=TRUE;
:
out1:=TRUE;
:
out2:=TRUE;
:
out3:=TRUE;
:
out4:=TRUE;
:
out5:=TRUE;
:
out6:=TRUE;
:
out7:=TRUE;
:
out8:=TRUE;
:
out9:=TRUE;:=0;:=TRUE;_CASE;_IF;_1:=C;
5.3 Логическая схема 2-И-8-ИЛИ
Блок 2-И-8-ИЛИ (Рис. 5.3). Данный
блок реализует логическую схему 2-И-8-ИЛИ, который осуществляет коммутацию
выходов АЦП с линией связи в соответствии с данными на выходе коммутатора
элементов.
Рис. 5.3 - Обозначение блока 2-И-8-ИЛИ
на языке FBD
Входы in12-in82 соединены с
коммутатором элементов кода, а входы in11-in81 соединены с АЦП. Выход out1
соединен с УПД и элементом «ИЛИ».
Программа имеет вид:
temp:=(
(in11 AND in12)OR(in21 AND in22)OR(in31 AND in32)OR(in41 AND in42));:=(temp
OR(in51 AND in52)OR(in61 AND in62)OR(in71 AND in72)OR(in81 AND in82));
5.4 Аналого-цифровой преобразователь
Блок ACP (Рис. 5.4). Данный блок
осуществляет аналогово-цифровое преобразование, переводя аналоговую величину на
входе, в соответствующий ей цифровой код на выходе. Вход R - сброс. На Рис. 8
представлено писание вспомогательного блока АЦП на языке FBD. Вход In соединен
с выходом блока аналоговые ключи, вход R соединен с коммутатором каналов, ФСС и
УПД и отвечает за сброс блока. Выходы ОА1-ОА8 соединены с элементом 2И.
Рис. 5.4 - Обозначение блока АЦП на
языке FBD
Рис. 5.5 - Программа работы
вспомогательного блока АЦП на языке FBD
Программа имеет вид:
R=FALSE THEN
PA1:=pa;K:=1
TO 8 DO:=FALSE;PA1>1 THEN (PA1 MOD 2)<>0 THEN:=TRUE;_IF;:=(PA1-PA1 MOD
2)/2;
PA1=1 THEN
PA1:=0;:=TRUE;_IF;
K OF
:OA8:=N;
:OA7:=N;
:OA6:=N;
:OA5:=N;
:OA4:=N;
:OA3:=N;
:OA2:=N;
:OA1:=N;_CASE;_FOR;
:=FALSE;K:=1
TO 8 DOK OF
:OA8:=N;
:OA7:=N;
:OA6:=N;
:OA5:=N;
:OA4:=N;
:OA3:=N;
:OA2:=N;
:OA1:=N;_CASE;_FOR;_IF;
5.5 Аналоговые ключи
Рис. 5.6 - Обозначение блока KL на
языке FBD
Программа имеет вид:
up1 THEN
out:=in1;up2
THEN:=in2;up3 THEN:=in3;up4 THEN:=in4;up5 THEN:=in5;up6
THEN:=in6;:=0.0;_IF;_IF;_IF;_IF;_IF;_IF;
.6 Коммутатор каналов
Блок KK (Рис. 5.7). Данный блок
представляет собой коммутатор каналов. Это устройство с двумя входами и многими
выходами: на вход С подаются тактовые импульсы, через коммутатор элементов
кода, и в зависимости от числа пришедших импульсов логическая единица подается
на один из выходов. При подаче на R-вход сигнала происходит сброс текущего
состояния коммутатора элементов. Выходы out1-out6 соединены с коммутатором
каналов, а выход out7 соединен с ФСС, с логическим элементом ИЛИ и с АЦП. Число
выходов равно n+1, где n - число измерительных каналов системы по заданию, и +1
синхронизирующий выход.
Рис. 5.7 - Обозначение блока KK на
языке FBD
Программа имеет вид:
R THEN
a:=6;:=FALSE;:=FALSE;:=FALSE;:=FALSE;:=FALSE;:=FALSE;:=FALSE;
C AND
C_1=FALSE
THEN_1:=TRUE;:=FALSE;:=FALSE;:=FALSE;:=FALSE;:=FALSE;:=FALSE;:=FALSE;:=a+1;
a OF
1:out1:=TRUE;
:out2:=TRUE;
:out3:=TRUE;
:out4:=TRUE;
:out5:=TRUE;
:out6:=TRUE;
:out7:=TRUE;
:=1;:=TRUE;_CASE;
END_IF;_1:=C;
.7 Аналоговый датчик
Блок DAT (Рис. 5.8). Данный блок -
устройство аналогового датчика. Преобразует аналоговую величину измерения, в
пропорциональную ей величину, передаваемую постоянным током. На его вход in
подается измеряемая величина, а выход out соединен аналоговым ключом.
Рис. 5.8 - Обозначение датчика
(внешний вид) на языке FBD
Рис. 5.9 - Программа работы блока
датчика на языке FBD
.8 ТТ триггер
Блок TR (Рис. 5.10). Данный блок
реализует работу ТТ триггера, с переключением по фронту сигнала. Сигнал на
выходе out соответствует количеству поступивших на вход С импульсов (0-при
четном, 1-при нечетном). При подаче на R-вход сигнала происходит сброс триггера
в нулевое состояние.
Рис. 5.10 - Обозначение блока TR на
языке FBD
Программа имеет вид:
R THEN
Q:=FALSE;C
AND C_1=FALSE THENQ=TRUE THEN:=FALSE;:=TRUE;_IF;
END_IF;_1:=C;
.9 Устройство повышения
достоверности
Блок УПД (Рис. 5.11). Данный блок
представляет собой устройство повышения достоверности. Преобразует двоичный код
в помехозащищенный код. При подаче на вход С элементов двоичного кода выходной
сигнал будет изменяться при поступлении на вход символа «1» и не будет
изменяться при поступлении символа «0». При поступлении двух «1» выходной
сигнал будет равен «0». Т.е. если в комбинации двоичного числа число единиц
четное, то по окончании их передачи на выходе будет «0», который представляет
собой контрольный разряд кода с проверкой на четность. При подаче на вход R
сигнала происходит сброс текущего состояния. На один из входов верхнего блока
AND_BOOL подаются тактовые импульсы с генератора импульсов. А второй вход
соединен с элементом 2И. Нижний блок AND_BOOL соединен с коммутатором элементов
кода.
Рис. 5.11 - Программа работы блока
УПД на языке FBD
5.10 Формирователь синхронизирующего
сигнала
Блок ФСС (Рис. 5.12). Данный блок
формирует синхронизирующий сигнал, отличающийся от информационного сигнала
числом единиц (в данном случае подается девять единиц). Вход R - сброс. Один из
входов верхнего блока AND_BOOL соединен с коммутатором каналов (out1), а другой
с коммутатором элементов кода (out0).
Инверсный вход нижнего блока
AND_BOOL соединен с коммутатором элементов кода (out0), а другой с коммутатором
каналов (out7).
Рис. 5.12 - Программа работы блока
ФСС на языке FBD
6. Описание работы программы
устройства КП в программной среде
“Concept”
Рис. 6.1 - Программа работы
устройства КП в программной среде "Concept"
Описание работы программы
Работа программы начинается с
включения генератора тактовых импульсов. После поступления первого тактового
импульса в схему (вход С блока KE) происходит установка коммутатора элементов
на первый элемент (out0 блока KE), и коммутатора каналов на (N+1) канал (out7 блока
КК), т.е. в позиции (N+1) коммутатора каналов на вход ФСС (состоящего из двух
блоков И (блоки номер 16 и 17) и одного ТТ триггера (блок номер 18) поступает
логическая единица, включающая работу ФСС. В течении дальнейших девяти тактов
происходит передача синхросигнала с ФСС в линию связи. На следующем такте
происходит переключение коммутатора элементов на первый выход (out0) и
коммутатора каналов на первый канал, т.е. на выходе коммутатора каналов
появляется логическая единица. В результате происходит подключение выхода
первого датчика (блок номер 3) к входу АЦП (блок номер 11). В течении следующих
8 тактов происходит последовательная коммутация выходов АЦП к линии связи (т.е.
происходит передача оцифрованного показания первого датчика в линию связи). С
приходом нового тактового импульса происходит коммутация выхода УПД, который
состоит из двух блоков И (блоки номер 13 и 15) и одного ТТ триггера (блок номер
14), к линии связи (т.е. происходит передача контрольного разряда кода - кода с
проверкой на четность, в линию связи). Следующий тактовый импульс переключает
коммутатор элементов на первый выход, а коммутатор каналов на второй канал, в
результате происходит передача сигнала со второго датчика (блок номер 4) на
вход АЦП. В течении последующих восьми тактов происходит передача оцифрованного
показания второго датчика в линию связи и бит четности. Аналогично передаются
показания оставшихся датчиков. После прихода нового тактового импульса
происходит переключение коммутатора элементов на первый выход и коммутатора
каналов на (N+1) канал, т.е. начинает работать формирователь синхросигнала.
Синхронизирующий сигнал через схему ИЛИ поступает в линию связи. Затем цикл
передачи показаний датчиков повторяется.
7. Отладка программы работы
устройства
Задание входных величин
Измеряемой величиной в
представленной системе измерения является число оборотов турбобура. Диапазон их
изменения равен 0 - 1600 об/мин соответственно.
Выход датчика
На выходе датчика мы имеем сигнал
напряжения в диапазоне 0 - 10 В, для данного датчика, при заданном числе
оборотов, этот сигнал равен 5 В.
Выход АЦП
На выходе аналого-цифрового
преобразователя имеем 8-ми разрядный двоичный код, записанный в регистры
памяти. Для исходного сигнала 800 об/мин с датчика на выходе АЦП запишется
следующая кодовая комбинация (начиная со старшего разряда): 10000000, т.к.
сигнал с датчика равный 5 В, преобразуется в уровневый сигнал диапазона 0 -
255, следовательно на выходе АЦП имеем двоичный код 10000000. Это число и
записывается в память регистров.
Передача кодовой комбинации 10000000
в линию связи осуществляется последовательно с каждым тактом генератора
тактовых импульсов, начиная с старшего разряда. Сначала в линию связи уходит
последовательно единица, затем 7 нулей.
Анализ передачи контрольного разряда
Далее выполняется проверка кодовой
комбинации на четность, в нашем случае кодовая комбинация 10000000 является
нечетной, поэтому на 9-ом такте в линию связи уходит единица.
Передача синхронизирующего сигнала
осуществляется за счет наличия дополнительного канала в распределителе каналов.
Таким образом, при включении работы схемы, а также после обработки четырех
измерительных каналов в линию связи поступает уникальный кодовый сигнал,
являющийся маркером, в виде 9-единиц.
Заключение
В выпускной квалификационной работе
(ВКР) разработана система телеизмерений частоты вращения турбобура. Последующим
этапом реализации системы является выбор стандартных блоков из принятого набора
контроллеров, составление схемы соединения, размещение блоков в стандартном конструктиве.
телеизмерение цифровой
программный
Список использованных источников
1. А.А.
Абросимов. Телемеханика. Курс лекций. - Самар. гос. техн. ун-т, Самара, 2005. -
115с.
. Деменков
Н.П. Языки программирования промышленных контроллеров: Учебное пособие / Под
ред. К.А. Пупкова. - М.: Изд-во МГТУ им. Н.Э. Баумана, 2004. - 172 с.
. Проектирование
нижнего уровня АСУ ТП. (Основы работы с инструментальным комплексом Concept для
программирования ПЛК Schneider-Electric): Учебное пособие/ Ю.А. Осипова, А.В.
Тычинин, П.В. Тян, В.К. Тян. Самар. гос. техн. ун-т, Самара, 2005. - 90 с.