Разработка синтезатора звука
ФГАОУ
ВПО " Северо-восточный университет федеральный университет имени
М.К.Аммосова "
Физико-технический
институт
Курсовая
работа
по
Методы и устройства формирования сигналов
"Разработка
синтезатора звука"
фильтр полосовый сопротивление усилитель
Содержание
Введение
.
Разновидности фильтров
.1
Фильтры верхних частот
.2
Фильтры нижних частот
.3
Фильтр Бесселя
.4 Режекторный
фильтр
.5
Полосовой фильтр
1.6
Операционный усилитель
1.7
Инвертирующий суммирующий усилитель (инвертирующий сумматор)
1.8
Генератор импульсов на транзисторах
2.
Техническое задание
3.
Расчёт устройств
3.1
Расчёт автогенератора
3.2 Расчёт
полосового фильтра
3.3
Принципиальная схема
Заключение
Список
используемой литературы
Введение
Курсовой проект предназначен для закрепления
теоретических знаний, полученных при изучении дисциплины
"Схемотехника", путем решения практической инженерной задачи, а
именно, разработки цифрового синтезатора звука.
Синтезатор - прибор создающий (синтезирующий) звук при помощи одного или нескольких генераторов звуковых волн. Требуемое звучание достигается за
счёт изменения свойств электрического сигнала (в аналоговых синтезаторах) или
же методом настройки параметров центрального процессора (в цифровых
синтезаторах).
Синтез музыкальных
звуков: обобщенная технология создания музыкальных звуков в современных
электромузыкальных цифровых синтезаторах выглядит так. С помощью цифрового
устройства, использующего волновой табличный, частотно-модулированный,
физического моделирования, аддитивного гармонического синтеза и другие методы,
генерируется так называемый сигнал возбуждения с заданной высотой звука. Он
должен иметь максимально похожие спектральные характеристики на характеристики
имитируемого реального музыкального инструмента на стадии поддержки. Затем
сигнал возбуждения подается на фильтры, имитирующие амплитудно-частотные
характеристики излучающих звук поверхностей (корпус, дека и т.д.) реальных
музыкальных инструментов и управляемые сигналом амплитудной огибающей фильтры,
создающие эффект большего количества высоких частот во время стадии атаки и
последующего их уменьшения. Одновременно формируется амплитудная огибающая
сигнала с помощью умножения временных отсчетов сигнала на временные отсчеты
образцовой для данного типа реального музыкального инструмента амплитудной
огибающей. Могут быть добавлены частотное и амплитудное вибрато. Далее обычно
сигнал обрабатывается электронными звуковыми эффектами реверберации и хоруса.
Иногда используются и дополнительные эффекты флэнжер, pitch-shifter, speaker simulator,
гармонайзер, подавитель шумов, эквалайзер и другие. Если синтезируется
нескольких одновременно звучащих нот разных музыкальных инструментов, то
большинство выше описанных операций в мощных цифровых устройствах выполняется
для каждой ноты каждого инструмента отдельно.
1.
Разновидности фильтров
1.1 Фильтр
верхних частот
ФВЧ
- электронный или любой другой фильтр, пропускающий высокие частоты входного
сигнала, при этом подавляя частоты сигнала меньше, чем частота среза.
Степень подавления зависит от конкретного типа
фильтра. Простейший электронный фильтр верхних частот
состоит из последовательно соединённых конденсатора и резистора.
Конденсатор пропускает лишь
переменный ток, а выходное напряжение снимается с резистора. Произведение
сопротивления на ёмкость (R×C) является постоянной времени для такого фильтра, которая обратно пропорциональна
частоте среза в герцах.
1.2
Фильтр нижних частот
ФНЧ - один из видов аналоговых или электронных фильтров, эффективно
пропускающий частотный спектр сигнала ниже некоторой частоты (частоты среза), и
уменьшающий (подавляющий) частоты сигнала выше этой частоты.
Степень подавления
каждой частоты зависит от вида фильтра.
Простейшая схема фильтра:
Передаточная
функция этого фильтра определяется выражением:
(s) = 1/(1+sRC).
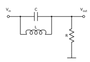
фильтр - фильтр при подаче на который сигнала определённой частоты на
вход фильтра (слева), напряжение на выходе фильтра (справа) определяется
отношением реактивных сопротивлений катушки индуктивности (XL = ωL); конденсатора XC = 1 / ωC.
1.3
Фильтр Бесселя
- в электронике и
обработке сигналов один из наиболее распространённых типов линейных фильтров,
отличительной особенностью которого является максимально гладкая групповая
задержка (линейная фазо-частотная характеристика).
Фильтры Бесселя
чаще всего используют для аудио-кроссоверов.
Их групповая
задержка практически не изменяется по частотам полосы пропускания, вследствие
чего форма фильтруемого сигнала на выходе такого фильтра в полосе пропускания
сохраняется практически неизменной.
График
амплитудно-частотной характеристики и групповой задержки для низкочастотного
фильтра Бесселя четвёртого порядка. Спад амплитудно-частотной характеристики
значительно менее крутой, чем у других линейных фильтров, однако групповая
задержка практически не меняется по частотам полосы пропускания.
.4
Режекторный фильтр
электронный или
любой другой фильтр, не пропускающий колебания некоторой определённой полосы
частот, и пропускающий колебания с частотами, выходящими за пределы этой
полосы.
Эта полоса
подавления характеризуется шириной BW и расположена приблизительно вокруг
центральной частоты ω0 (рад/с), или
о=ω0/2•3,14 (Гц)
Для реальной
амплитудно-частотной характеристики частоты ωL и ωU представляют собой нижнюю и верхнюю частоты среза. Заграждающий
фильтр, предназначенный для подавления одной определённой частоты, называется
узкополосным заграждающим фильтром или фильтром-пробкой.
1.5 Полосовой фильтр
линейная система и
может быть представлен в виде последовательности, состоящей из фильтра
нижних частот и фильтра высоких частот.

.
1.6
Операционный усилитель
Использование ОУ как схемотехнического элемента
гораздо проще и понятнее, чем оперирование отдельными элементами, его
составляющими (транзисторов, резисторов и т. д.). При проектировании устройств
на первом (приближённом) этапе операционные усилители можно считать идеальными.
Далее для каждого ОУ определяются требования, которые накладывает на него
схема, и подбирается ОУ, удовлетворяющий этим требованиям. Если получается, что
требования к ОУ слишком жёсткие, то можно частично перепроектировать схему для
обхода данной проблемы.
Повторитель напряжения
Используется как буферный усилитель, для
исключения влияния низкоомной нагрузки на источник с высоким выходным
сопротивлением.
(на практике - входное сопротивление
операционного усилителя: от 1 MОм до 10 TОм)
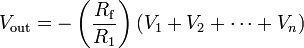
Суммирующий усилитель
Суммирует (с весом) несколько напряжений. Сумма
на выходе инвертирована, то есть все веса отрицательны.
Если ,
то
Если ,
то
Выход инвертирован
Входной импеданс n-го входа равен Zn = Rn
(Поскольку V − является виртуальной землей)
1.8
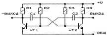
Генераторы импульсов на транзисторах
Релаксационный генератор - симметричный
мультивибратор на двух транзисторах. Напряжение питания +U зависит от решаемой
задачи и может составлять единицы - десятки вольт. Изменить полярность
питающего напряжения можно, применяя транзисторы p-n-p. При R2 = R3 = R, C1 =
C2 = C период следования импульсов на контактах "Выход" и
"-Выход" равен 1.4 R C, а скважность (отношение длительности импульса
к периоду следования импульсов) близка к 0.5 (длительность импульса равна
длительности паузы). Сопротивление резисторов R1, R4 определяет нагрузочную
способность генератора и может изменяться в широких пределах (десятки ом -
десятки килоом). Сигналы на выходах "Выход" и "-Выход"
находятся практически в противофазе. Скважность импульсов можно изменять, меняя
соотношение R2 : R3 или C1 : C2.
2. Техническое задание
Напряжение питания +15 вольт
Частоты нот:
"До"=440Гц
"Ре"=880гц
"Ми"=1760Гц
"Фа"=3520Гц
"Соль"=7040Гц
"Ля"=14080Гц
"Си"=28160Гц
Используемые
элементы
Двойной триггер 7474
Автогенератор 7400


Полосовой фильтр
3.
Расчет устройств
3.1
Расчёт автогенератора
Необходимая нам частота - 28160 Гц (заданная
частота ноты "Си"). Исходя из формулы
=0,7*R*C:=1/f=1/28160 Гц=2,9551136(36)*10-5
c=29,6 мкс
Так как R заранее заданно как равное 100 кОм,
следовательно:
=T/0,7*R=31,6*10-6/0,7*105=3,143
пФ
Ставим емкость конденсатора в схеме равной 3,143
пФ
3.2
Расчёт полосового фильтра
Для расчета сопротивлений и емкостей в полосовых
фильтрах воспользуемся формулой T=RC
Расчёт сопротивлений и ёмкостей:
1. f=440Гц: RC=1/440=0,0022 с R=2 кОм;
C=1,1 нФ b) f=400Гц: RC=1/400=0,0025 с R=2,4кОм; C=1,1 нФ;
2. a) f=880 Гц: RC=1/880=0,0011 c R=
1кОм; C=1,1 нФ; b) f=800 Гц: RC=1/800=0,0012 c R=1,1кОм; C=1,1нФ;
. a) f=1760 Гц: RC=1/1760=0,00056 c
R=100 Ом; C=5,62 нФ b) f=1600 Гц: RC=1/1600=0,00062 c R=110кОм; C=5,6 нФ;
. a) f=3520 Гц: RC=1/3520=0,00028 c
R=0,51кОм; C=5,6 нФ; b) f=3200 Гц: RC=1/3200=0,00031 c R=0,56кОм; C=5,6 нФ;
. a) f=7040 Гц: RC=1/7040=0,00014 c
R=120 Ом; C=1,1нФ; b) f=6400 Гц: RC=1/6040 =0,00015 c R=130 Ом; C=1,1 нФ;
. a) f=14080 Гц: RC=1/14080=0,000071 c
R=12кОм; C=5,6 пФ; b) f=12800 Гц: RC=1/12800=0,000078 c R=13кОм; C=5,6 пФ;
. a) f=28160 Гц: RC=1/28160=0,000035 c
R=6 кОм; C=5,6 пФ; b) f=25600 Гц: RC=1/25600=0,000039 c R=6,8 кОм; C=5,6 пФ;
фильтр полосовый сопротивление
усилитель
3.3
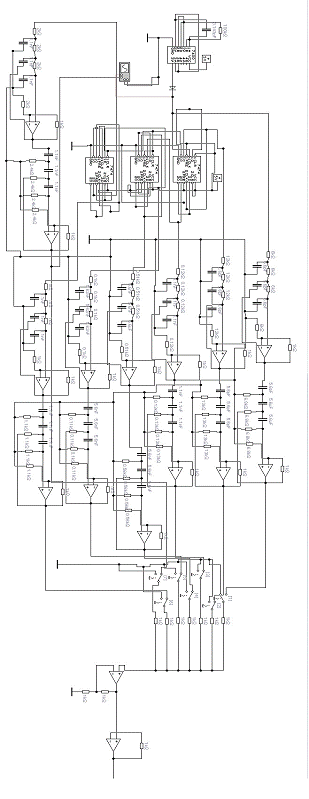
Принципиальная схема
Заключение
В результате выполнения данной курсовой работы
был спроектирован синтезатор звука, ознакомились с литературой по схемотехнике
и работой с программным обеспечением, позволяющим проектировать цифровые схемы.
Полученная схема может использоваться в качестве составной части в гораздо
более сложном устройстве.
Список использованной литературы
1.
В.Л. Шило справочник "Популярные цифровые микросхемы", 1988 г.
.
Л.А. Мальцева, Э.М. Фромберг, В.С. Ямпольский "Основы цифровой
техники", 1987 г.
.
А.С. Партин, В.Г. Борисов, "Введение в цифровую технику", 1987 г.
.
А.Н. Богатырев учебник "Электрорадиотехника", 1996 г.
.
Р.Л. Токхайм "Основы цифровой электроники".
.
Карлащук В.И. Электронная лаборатория на IBM PC. Программа Electronics
Workbench и ее применение. - М.: "Солон-Р", 1999. 506.
.
Угрюмов Е. Цифровая схемотехника. - СПб.: БХВ-Петербург, 2001. 528 с.
.
Новиков Ю.В. Основы цифровой схемотехники. - М.: Мир, 2001. 379 с.
.
Титце У., Шенк К. Полупроводниковая схемотехника - М.: Мир, 1982. 512
.
Ан П. Сопряжение ПК с внешними устройствами