Проектирование контактной сети постоянного тока
Содержание
Введение
Теоретический раздел
.1 Расчет нагрузок, действующих на контактную подвеску
.2 Расчет максимально допустимых длин пролетов
.3 Разработка и обоснование схемы питания и секционирования
контактной сети станции и прилегающих перегонов
.4 Трассировка контактной сети перегона
.5 Подбор опорно-поддерживающих конструкций
Технологический раздел
.1 Текущий ремонт консолей
Экономический раздел
.1 Расчет стоимости сооружения контактной сети на перегоне
Охрана труда и безопасность движения
.1 Организационные и технические мероприятия, обеспечивающие
безопасность работающих. Условия труда в районе контактной сети
4.2 Технические мероприятия, обеспечивающие
безопасность работ под напряжением
.3 Технологический процесс комплексной проверки и
ремонта консоли
Заключение
Библиографический список
Введение
Контактная сеть является важнейшим элементом системы
тягового электроснабжения электрического транспорта. От надежной работы
контактной сети во многом зависит успешное выполнение основной функции железнодорожного
транспорта - своевременная перевозка пассажиров и грузов в соответствии с
заданным графиком движения.
Главная задача контактной сети - передача
электроэнергии подвижному составу за счет надежного, экономичного и
экологически чистого токосъема в расчетных метеоусловиях при установленных
скоростях движения, типах токоприемников и значениях передаваемого тока.
Основным элементами контактной сети с контактной
подвеской являются провода контактной сети (контактный провод, несущий трос,
усиливающий провод и пр.), опоры, поддерживающие устройства (консоли, гибкие
поперечины и жёсткие поперечины) и изоляторы.
При проектировании контактной сети выбирают число и
марку проводов, исходя из результатов расчетов системы тягового
электроснабжения, а также тяговых расчетов; определяют тип контактной подвески
в соответствии с максимальными скоростями движения электроподвижного состава и
другими условиями токосъема; находят длины пролета; выбирают длину анкерных
участков, типы опор и поддерживающих устройств для перегонов; разрабатывают
конструкции контактной сети в искусственных сооружениях; размещают опоры и
составляют планы контактной сети на станциях и перегонах с согласованием
зигзагов проводов и учетом выполнения воздушных стрелок и элементов
секционирования контактной сети (изолирующих сопряжений анкерных участков и
нейтральных вставок, секционных изоляторов и разъединителей).
В последние годы на дорогах страны расширяется движение тяжеловесных и
длинносоставных поездов, вводится в эксплуатацию новый электроподвижной состав
большой мощности, повышаются скорости движения пассажирских и грузовых поездов,
растет грузонапряженность.
В данном дипломном проекте рассматривается проектирование контактной сети
постоянного тока с целью получения навыков по проектированию, выбору
оборудования, построению монтажных кривых и проверки состояния, регулировки и
ремонта секционного изолятора.
1. Теоретический раздел
.1 Расчет нагрузок, действующих на подвеску
Из всего многообразия сочетаний метериологических условий, действующие на провода контактной
сети, можно выделить три расчетных режима, при которых усилия (натяжение) в
несущем тросе может оказаться наибольшим, опасным для прочности троса:
- режим минимальной температуры - сжатие троса;
- режим максимального ветра - растяжение троса;
- режим гололеда - растяжение троса.
Для этих расчетных режимов и определяют нагрузки на несущий
трос.
1.1.1
Режим минимальной температуры
Несущий трос испытывает только вертикальную нагрузку
собственного веса и от веса контактного провода, струн и зажимов.
Вертикальная нагрузка от собственного веса 1-го погонного
метра проводов в даН/м определяется по формуле:

(1.1)
где gт, gк - нагрузка от собственного веса одного метра несущего и
контактного проводов, даН/м; следует взять 
и 
; n - число контактных проводов; gс - нагрузка от собственного веса струн и зажимов равномерно
распределенные по длине пролета принимается равной 0,05 даН/м для каждого
провода.
Главные пути станции и перегона:
1.1.2
Режим максимального ветра
В этом режиме на несущий трос действует вертикальная нагрузка от
веса проводов контактной подвески и горизонтальная нагрузка от давления ветра
на несущий и контактные провода (гололед отсутствует). Ветер максимальной
интенсивности наблюдается при температуре воздуха +
. Вертикальная нагрузка от веса проводов
контактной подвески определена выше по формуле (1.1).
Горизонтальная ветровая нагрузка на несущий трос определяется
по формуле:
где Сх - аэродинамический коэффициент лобового сопротивления
провода ветру определяется по таблице стр.105 [1];

- коэффициент учитывающий влияние местных условий расположение
подвески на скорость ветра, определяется по таблице 19 стр.104 [1];
- нормативная скорость ветра наибольшей интенсивности, м/с;
повторяемости 1 раз в 10 лет определяется по таблице 18 стр.102 [1];
d - диаметр несущего троса, мм; стр.33 [1].
Горизонтальная ветровая нагрузка на контактный провод
определяется по формуле:
где Н - высота контактного провода стр.26 [1].
Прямой участок и кривые различного радиуса:
Выемка глубиной до 7 м:
Насыпь высотой более 5 м :
Результирующая (суммарная) нагрузка на несущий трос в даН/м определяется
по формуле:

(1.4)
Выемка глубиной до 7 м:
Прямой участок, кривые различных радиусов:
Насыпь высотой более 5 м:
При определении результирующей нагрузки на контактный провод она учитываться
не будет, т.к. в основном воспринимается фиксаторами.
1.1.3
Режим гололеда с ветром
На
провода контактной подвески в этом режиме действует вертикальная нагрузка от
собственного веса, вес гололеда и горизонтальная нагрузка от давления ветра на
провода контактной подвески, скорость ветра при гололеде минус
С, вертикальная нагрузка от собственного веса проводов
контактной подвески определена выше.
Вертикальная
нагрузка от веса гололеда на несущем тросе даН/м определяется по формуле:


(1.5)
где
- коэффициент перегрузки можно принять:
= 0,75 - для защищенных участков контактной сети
(выемка);
1 - для нормальных условий контактной сети (станция,
кривая);
= 1,25 - для незащищенных участков контактной сети
(насыпь);
-
толщина стенки гололеда на несущем тросе, мм.
d - диаметр
несущего троса, мм; 
- 3,14.
Толщина
стенки гололеда на несущем тросе, мм определяется по формуле:

(1.6)
где
- нормативная толщина стенки гололеда, мм;
-
коэффициент учитывающий влияния диаметра провода на отложение гололеда стр. 100
[1];
-
коэффициент учитывающий влияние высоты расположения контактной подвески стр.
100 [1].
Для
главных путей станции и перегона для несущего троса М-95 принимаем
=0,98.
Для
выемки глубиной более 5м
=0,6.
Для
прямого участка перегона и кривых различных радиусов
=0,8.
Для
насыпи более 5м
=1,1.
Вертикальная
нагрузка от веса гололеда на контактном проводе в даН/м определяется по
формуле:

(1.7)
где
- толщина стенки гололеда на контактном проводе, мм;
на контактном проводе толщина стенки гололеда принимается равной 50% от толщены
гололеда на несущем тросе 
;
-
средний диаметр контактного провода, мм

(1.8)
где Н и А - соответственно высота и ширина сечения контактного провода,
мм.
Прямой участок и кривые различного радиуса:
Выемка глубиной до 7м:

Насыпь
высотой более 5м:
Прямой
участок и кривые различного радиуса:
Выемка
глубиной до 7 м:
Насыпь
высотой более 5 м:
Полная
вертикальная нагрузка от веса гололеда на проводах контактной подвески в даН/м
определяется по формуле:

(1.9)
где

-
равномерная распределенная по длине пролета вертикальная на грузка от веса
гололеда на струнах и зажимах при одном контактном проводе, даН/м, которая в
зависимости от толщены стенки гололеда составляет 
Прямой
участок перегона и кривые различных радиусов:
Выемка
глубиной до 7м:
Насыпь
высотой более 5м:
Горизонтальная
ветровая нагрузка на несущий трос, покрытый гололедом в даН/м , определяется по
формуле:
где
- нормативная скорость ветра при гололеде, м/с. 
= 13
м/с.
Прямой
участок и кривые различных радиусов:
Выемка
глубиной до 7м:
Насыпь
высотой более 5м:
Горизонтальная
ветровая нагрузка на контактный провод, покрытый гололедом в даН/м,
определяется по формуле:
Прямой
участок и кривые различных радиусов:
Выемка
глубиной до 7м:
Насыпь
высотой более 5м:
Результирующая
(суммарная) нагрузка на несущий трос в даН/м, определяется по формуле:

(1.12)
Прямой участок и кривые различных радиусов:
Выемка глубиной до 7м:
Насыпь высотой более 5м:
1.1.4
Выбор исходного расчетного режима
Результаты расчета нагрузок, действующих на провода контактной подвески,
сведены в таблицу 1.1; Сравнивая нагрузки различных режимов (режим минимальных
температур, максимального ветра и ветра с гололёдом), определяем режим для
последующих расчётов.
Таблица 1.1 - Нагрузки, действующие на контактную подвеску, в даН
|
Участок местности
|
Нагрузки, действующие на
контактную подвеску
|
|
gт
|
gк
|
gc
|
g0
|
Ртг
|
Ркг
|
qтv
|
Ртv
|
Ркv
|
gтг
|
gкг
|
qг
|
|
даН/м
|
даН/м
|
даН/м
|
даН/м
|
даН/м
|
даН/м
|
даН/м
|
даН/м
|
даН/м
|
даН/м
|
даН/м
|
даН/м
|
|
Перегон
|
-
|
-
|
-
|
-
|
-
|
-
|
-
|
-
|
-
|
-
|
-
|
-
|
|
Выемка
|
0,89
|
0,84
|
0,05
|
1,81
|
0,37
|
0,24
|
2,22
|
1,29
|
1,11
|
0,23
|
0,09
|
0,84
|
|
Насыпь
|
0,89
|
0,84
|
0,05
|
1,81
|
0,81
|
0,49
|
2,53
|
1,77
|
1,53
|
0,89
|
0,33
|
2,1
|
|
П.у. (кривая)
|
0,89
|
0,84
|
0,05
|
1,81
|
0,57
|
0,36
|
2,33
|
1,47
|
1,27
|
0,45
|
0,18
|
1,35
|
В результате расчетов было получено, что результирующая нагрузка в
режиме максимального ветра больше нагрузки в режиме ветра с гололёдом, исходя
из этого, принимаем расчётный режим - ветровой.
1.2
Определение длин пролетов на прямом и кривом участках пути
Правилами устройства и технической эксплуатации контактной сети
электрифицированных железных дорог (ЦЭ-868). Рекомендуется выполнять длины
пролетов по условию токосъема не более 70м.
Длина пролета для прямого участка пути определяется по формуле:

(1.12)
На
кривых:

(1.13)
Окончательно определяем длину пролета с учетом удельной эквивалентной
нагрузки по формулам:

(1.14)
На
кривых:
где К - номинальное натяжение контактных проводов, даН;

-
наибольшее допустимое горизонтальное отклонение
контактных
проводов; от оси токоприемника в пролете; 
- на прямых
и 
- на
кривых;
а
- зигзаг контактного провода, 
- на
прямых и
- на
кривых;

-
ветровая нагрузка на контактный провод, даН/м;

-
упругий прогиб опоры, м, взять из таблицы при соответствующей скорости ветра 
;
R - радиус
кривой, м.
Далее определяем среднюю длину струны по формуле:

(1.14)
где h - конструктивная высота подвески;
g0 - нагрузка на несущий трос от веса
всех проводов цепной подвески;
Т0 - натяжение несущего троса при беспровесном положении
контактного провода.
Удельная эквивалентная нагрузка, учитывающая взаимодействие несущего
троса и контактного провода при ветровом их отклонении, даН/м, определяется по
формуле:
где Т - натяжение несущего троса контактной подвески в расчетном режиме,
даН;
Рт - ветровая нагрузка на несущий трос, даН/м;

-
результирующая нагрузка на несущий трос, даН/м;

- длина
подвесной гирлянды изоляторов, м, длину гирлянды изоляторов можно принять: 0,16
м (длина серьги и седла) при изолированных консолях; 0,56 м при двух подвесных
изоляторах в гирлянде, 0,73 м при трёх, 0,90 м при четырёх изоляторах;

- длина пролёта,
м.
Окончательно определяем длину пролёта с учетом удельной эквивалентной
нагрузки:
Прямой участок перегона:

Выемка
глубиной до 7м:
Насыпь высотой более 5м:
Принимаем длину пролета равную 45м.
Кривая радиусом 1300 м:
Принимаем длину пролета равную 45м.
Кривая радиусом 2000 м:
Дальнейшие расчёты сведём в таблицу 1.2.
Таблица 1.2 - Длины пролётов на прямом и кривом участках пути
|
Участок местности
|
,м ,м ,даН/м ,м ,м
|
|
|
|
|
|
Перегон
|
Выемка, h=7м.
|
48
|
1,5
|
- 0,02
|
45
|
45
|
|
Норм. условия
|
52
|
1,44
|
- 0,06
|
47
|
47
|
|
Насыпь, h=5м.
|
41
|
1,6
|
- 0,02
|
39
|
45
|
|
Кривая R=1300м
|
42
|
1,6
|
- 0,03
|
41
|
45
|
|
Кривая R=2000
м
|
47
|
1,7
|
0,03
|
47
|
47
|
1.3
Разработка и обоснование схемы питания и секционирования контактной сети
станции и прилегающих перегонов
.3.1
Составление схемы питания и секционирования контактной сети
Контактная сеть электрифицируемого участка для обеспечения надежной
работой и удобства ее обслуживания делится на отдельные секции, электрически
независимые друг от друга. Секционирование осуществляется изолирующими
сопряжениями анкерных участков, секционными изоляторами, секционными
разъединителями, врезными секционирующими изоляторами.
Продольное секционирование предусматривает отделение контактной сети
станции от контактной сети перегонов по каждому главному пути.
Продольное секционирование осуществляется четырехпроленым и трехпролетным
изолирующими сопряжениями, которые располагаются между входным сигналом и
крайним стрелочным переводом.
На изолирующих сопряжениях устанавливаются шунтирующие их продольные
секционные разъединители, обозначающиеся заглавными буквами русского алфавита:
А, Б, В, Г.
Поперечное секционирование между путями осуществляется секционными
изоляторами, поперечными разъединителями и врезными изоляторами в фиксирующих
тросах поперечных и в нерабочих ветвях контактных подвесок. Поперечные
разъединители, соединяющие контактные подвески разных секций станций,
обозначаются буквой «П».
Присоединение контактных подвесок путей, где производятся работы вблизи
контактной сети, выполняют секционными разъединителями с заземляющими ножами;
обозначают буквой «З».
Современные требование предусматривают применение дистанционного и
телеуправления секционными разъединителями, поэтому линейные, продольные и
поперечные разъединители следует проектировать с двигательными приводами.
Питание контактной сети от тяговой подстанции осуществляется питающими
линиями (фидерами), обычно воздушными. Питаются фидерами: чётные пути Ф2, Ф4;
нечётные Ф1, Ф3, Ф5.
На двухпутных участках постоянного тока питание линии, отходящие от
тяговой подстанции к контактной сети перегонов, проектируется отдельно на
каждый путь. Фидерная линия, питающая станционные пути, выделяются отдельно. В
питающих линиях контактной сети постоянного тока линейные разъединители
уславливаются в местах присоединениях их к контактной сети.
Разъединители питающих линий обозначаются «Ф» с цифровыми индексами.
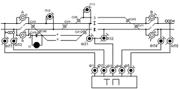
Схема питания секционирования станции представлена на рисунке 1.1.
Рисунок 1.1 - Схема питания и секционирования контактной сети станции
1.4Трассировки
контактной сети перегона
Трассировка контактной сети перегона
Планы контактной сети перегона вычерчивают в масштабе 1:2000 на
миллиметровой бумаге. Необходимую длину листа определяют исходя из заданной
длины перегона с учетом масштаба и необходимого запаса в правой части чертежа
на размещение общих данных и основной надписи.
План контактной сети перегона вычерчивают в следующей последовательности:
- предварительная разбивка перегона на анкерные участки. Расстановка опор
на перегоне начинают с переноса на план перегона опор изолирующего сопряжения.
Расположение этих опор на плане перегона должно быть увязано с их расположением
на плане станции. Увязку осуществляют по входному сигналу, который обозначен и
на плане станции;
- наметка анкерных участков контактной сети, примерное расположение мест
их сопряжений. В середине анкерных участков намечают места средних анкеровок,
где впоследствие необходимо сокращать длины пролетов.
Намечая анкерные участки подвески, необходимо исходить из следующих
соображений:
- количество анкерных участков на перегоне должно быть минимальным;
максимальная длина анкерного участка контактного провода на прямой
принимается не более 1600м;
- сопряжение анкерных участков рекомендуется выполнять на прямых. В конце
перегона находится трехпролетное изолирующее сопряжение;
- далее расстановка опор на перегоне. Расстановка опор производится
пролетами, по возможности равными допустимым для соответствующего участка
местности, полученным в результате расчетов длин пролетов. Пролеты со средними
анкеровками должны быть сокращены при компенсированной: два пролета на 5%
максимальной расчетной длины для соответствующего участка местности;
- обработка плана перегона. Выполнив расстановку опор и зигзагов
контактного провода, производят окончательную разбивку контактной сети перегона
на анкерные участки и вычерчивают их сопряжения.
На рисунке 1.2 представлен проход
контактной подвески в искусственных сооружениях.
Рисунок 1.2 - Проход контактной подвески в
искусственных сооружениях
1.5 Подбор опорно-поддерживающих конструкций
В проекте были использованы
неизолированные швеллерные консоли №5 (НР-II-5). Консоли швеллерные
маркируют НР (неизолированная с растянутой тягой) и НС (неизолированная со
сжатой тягой.
Подбор консолей в различных условиях
установки осуществляют в соответствии с таблицами, разработанными в
Трансэлектропроекте для районов с нормативной толщиной стенки гололеда до 20 мм
включительно и со скоростью ветра до 35 м/с при повторяемости климатических
нагрузок не реже одного раза в 10 лет.
Подбор типовых неизолированных и
изолированных консолей для линий постоянного и переменного тока выполняют в
зависимости от типа опор и места их установки. Кроме того, для линий
постоянного тока на прямых участках пути необходимо учитывать габарит установки
анкерных опор.
Типовые кронштейны разработаны
металлические и деревянные. На металлических подвешивают провода линий ДПР,
усиливающие, питающие, отсасывающие и провода обратного тока (на участках с
отсасывающими трансформаторами). На деревянных кронштейнах крепят провода
воздушных линий 6 и 10 кВ напряжением до 1000 В и волноотводные.
Наставки и стойки применяют в тех случаях,
когда высота опор недостаточна для установки необходимого кронштейна, а также,
если требуется расположить провода над жесткой поперечиной.
Надставки и стойки подбирают в зависимости
от назначения, в необходимых случаях их проверяют на конкретные нагрузки.
Жесткие типовые поперечины балочного типа
представляют собой сквозные фермы прямоугольного сечения, состоящие из
отдельных блоков. Решетка раскосная: направленная в вертикальных плоскостях и
ненаправленная в горизонтальных. Поперечины в обычном исполнении,
предназначенные для районов с расчетной температурой до -40С, изготовляют из
стали ВСт3пс6 1-й и 2-й групп прочности. Поперечины комплектуют из двух, трех
или четырех блоков в зависимости от длины расчетного пролета. Стыки блоков
поперечин в обычном исполнении сварные, в северном исполнении - на болтах.
Маркировка блоков поперечин в обычном исполнении - БК (крайний), БС (средний),
в северном исполнении - БКС, БСС. К буквенному обозначению через черточку добавляется
порядковый номер блока, например БКС-29.
Типовые сочлененные фиксаторы,
разработанные в Трансэлектропроекте, подбирают в зависимости от типа консолей и
места их установки, а для переходных опор - с учетом расположения рабочей и
анкеруемой ветвей подвески относительно опоры. Кроме того, учитывают, для какой
из них предназначен фиксатор.
В обозначениях типовых фиксаторов
применяют буквы Ф (фиксатор), П (прямой), О (обратный). В маркировке имеются
римские цифры I,
II и т. д., характеризующие
длины основных фиксаторов. В проекте были использованы фиксаторы марки ФО-II, ФП-III - на прямом участке
перегона и насыпи, ФП-IV и ФО-V в кривых участках перегона, в выемке.
Опоры контактной сети могут быть разделены
на две основные группы: несущие, на которых имеются какие-либо поддерживающие
устройства (консоли, кронштейны, жесткие или гибкие поперечины), и фиксирующие,
на которых только фиксирующие устройства (фиксаторы или фиксирующие
поперечины). В первом случае опоры воспринимают и вертикальные и горизонтальные
нагрузки, во втором - лишь горизонтальные.
В зависимости от типа поддерживающего
устройства различают несущие опоры консольные (с однопутными или двухпутными
консолями), стойки жестких поперечин (одиночные и спаренные) и опоры гибких
поперечин. Консольные опоры обычно разделяют на промежуточные (на них крепится
одна контактная подвеска) и переходные, устанавливаемые на сопряжениях анкерных
участков и воздушных стрелках (на них крепятся две контактные подвески).
Помимо нагрузок в плоскости,
перпендикулярной к оси пути, опоры могут воспринимать усилия от анкеровки тех
или иных проводов, создающих нагрузки в плоскости, параллельной оси пути. В
этом случае опоры называют анкерными. Как правило, опоры контактной сети
выполняют одновременно несколько функций, например переходная консольная опора
может быть анкерной и, кроме того, поддерживать еще питающие провода.
Для установки на вновь электрофицируемых
линиях проектируют опоры типа СО для участков постоянного тока. Использованы
опоры, закрепленные на фундаменте - раздельные, которые при соединении с
фундаментом типа ТС становятся неразъемными. Опоры железобетонные - СС108.6-1,
анкерные - СС108.7-3, переходные - СС108.6-2.В проекте были использованы
подопорные плиты марки ОП-2; Анкеры типа ТА-1 и ТА-3.
2.
Технологический раздел
.1 Текущий
ремонт консолей
Консоль опоры контактной сети - поддерживающее устройство, закреплённое
на опоре, состоящее из кронштейна в тяги. В зависимости от числа перекрываемых
путей консоли опоры контактной сети может быть одно-, двух- и многопутной. На
отечественных железных дорог наиболее часто применяют консоли опоры контактной
сети однопутные, т. к. при большем числе консоли опоры контактной сети
механическая связь между контактными подвесками различных путей снижает
надёжность контактной сети. Используют однопутные консоли опоры контактной сети
неизолированные, или заземлённые, когда изоляторы находятся между несущим
тросом и кронштейном, а также в стержне фиксатора, и изолированные, с
изоляторами, размещёнными в кронштейнах и тягах. Неизолированные консоли опоры
контактной сети (рисунок 2. 1) по форме могут быть изогнутыми, наклонными и
горизонтальными.
Рисунок.2 1.- Неизолированная консоль: 1 - несущий трос; 2 - тяга
консоли; 3 - кронштейн консоли; 4 - фиксаторный изолятор; 5 - фиксатор; 6
изоляторы несущего троса.
Ранее широко применялись изогнутые консоли опоры контактной сети.
Наклонные консоли опоры контактной сети значительно легче изогнутых и удобнее в
изготовлении и транспортировке. Кронштейны наклонных консолей опоры контактной
сети изготовляют из двух швеллеров или из труб. Фиксаторы крепят к кронштейнам
консоли через изоляторы. Для опор, установленных с увеличенным габаритом (5,7 м
от оси пути), применяют консоли с подкосом. На сопряжениях анкерных участков
при монтаже на одной опоре двух консолей опоры контактной сети используют
специальную траверсу. Горизонтальные консоли опоры контактной сети применяют в
тех случаях, когда высота опор достаточна для закрепления тяги.
При изолированных консолей опоры контактной сети возможно проводить
работы на несущем тросе вблизи консолей опоры контактной сети без отключения
напряжения, что недопустимо при неизолированных консолях опоры контактной сети
Отсутствие гирлянды изоляторов на консоли обеспечивает большую стабильность
положения несущего троса, что особенно важно при высоких скоростях движения
поездов. Изолированные консоли выполняют только наклонными, с кронштейнами, в
которые включены стержневые фарфоровые (консольные) изоляторы, и тягами со
стержневыми изоляторами или гирляндами из тарельчатых изоляторов.
2.2
Классификация консолей
Консоли бывают однопутные и двухпутные (многопутные). Однопутные консоли
бывают двух типов: наклонные и прямые - горизонтальные. Основное преимущество
наклонной консоли заключается в том, что она требует меньшей высоты опоры по
сравнению с прямой консолью, так как при наклонной консоли тяга располагается
горизонтально и крепится на опоре, примерно на высоте несущего троса.
Преимущество прямой консоли в том, что она даёт возможность более широкой
регулировки положения несущего троса в направлении поперёк пути и позволяет
удобно разместить на той же консоли усиливающие провода.
Тип консоли, получивший у нас наиболее широкое распространение. На конце
консоли за местом крепления на ней тяги имеется горизонтальный свес,
позволяющий регулировать положение изолятора в направлении поперёк пути.
контактный сеть
консоль подвеска
Консоли изготовляются обычно из двух швеллеров или уголков, скреплённых
между собой в нескольких точках при помощи сварки или заклёпками. Швеллеры или
уголки располагаются с небольшим зазором между ними, достаточным для размещения
ушка тяги от бугеля для крепления изолятора. Могут применяться также консоли
трубчатого сечения и из двутавров. Тяга консоли выполняется из круглого железа,
причём регулирование длины тяги при монтаже консоли производится посредством
имеющейся на конце тяги резьбы.
Применяется также ступенчатый способ регулирования длины тяги посредством
включения между тягой и установленной на опоре деталью для её крепления
регулировочных планок из полосового железа с расположенными на равных
расстояниях отверстиями. На металлических опорах консоль и тяга крепятся к
уголкам, закреплённым на опорах. Уголок для крепления пяты консоли имеет два приваренных
отрезка уголка с отверстием для шпильки с головкой, посредством которой
крепится пята консоли. Уголок для крепления тяги имеет сквозное отверстие (в
случае крепления тяги на резьбе) или выполняется так же, как и уголок для
крепления пяты консоли (в случае применения регулировочных планок). На
деревянных опорах деталь крепления пяты консоли крепится при помощи глухарей и
имеет несколько отверстий для возможности регулирования положения консоли по
высоте.
На участках, оборудованных компенсированной цепной подвеской, применяются
поворотные консоли, обычно трубчатые, шарнирно закреплённые на опорах.
При расположении опор с внутренней стороны кривой и на переходных опорах
вместо обратных фиксаторов применяются иногда обратные консоли, имеющие
вертикальную стойку, служащую для крепления фиксатора с противоположной по
отношению к опоре стороны. Назначение обратных консолей то же, что и обратных
фиксаторов. Применение обратных консолей имеет тот недостаток, что вследствие
близкого от оси пути расположения заземлённых частей ограничивается возможность
проведения вблизи них работ под напряжением. На двухпутных и многопутных
участках, если по условиям местности невозможно расположить подвеску каждого
пути на отдельных консолях, применяются иногда двухпутные консоли. Двухпутные
консоли поддерживаются обычно двумя тягами и имеют по оси междупутья между
электрифицированными путями вертикальную стойку для крепления фиксатора второго
пути.
При расположении опоры с двухпутной консолью на внутренней стороне кривой
применяются обратные двухпутные консоли. Кроме консолей для цепной подвески на
опорах контактной сети крепятся кронштейны для усиливающих проводов,
фиксаторный кронштейны и уголки для крепления анкеруемых на опору проводов. Все
эти детали крепятся на деревянных опорах обычно при помощи глухарей или
сквозных болтов, на металлических опорах - при помощи крюковых болтов.
Кронштейны для усиливающих проводов и фиксаторные кронштейны на вновь
монтируемых линиях должны иметь такую длину, чтобы от ближайшей грани опоры до
находящихся под напряжением частей подвески сохранялось расстояние не менее 0,8
м
3.
Экономический раздел
.1 Расчет
стоимости сооружения контактной сети на перегоне
В курсовом проекте следует произвести оценку стоимости сооружения
контактной сети на перегоне или станции. Исходными данными для составления смет
на строительные и монтажные работы являются спецификации к планам контактной
сети и цены на выполнение работ.
Принимаем курс у.е. на 1 июня 2013 года равным 31,75.
Весь экономический расчет сводится в таблицу 3.1.
Таблица 3.1- Оценка стоимости сооружения контактной сети на перегоне.
|
Наименование работ или
затрат
|
Елиницы измерения
|
Сметная стоимость у.е.
|
Общее колличество
|
Всего
|
|
2
|
2
|
3
|
4
|
5
|
|
Строительные работы
|
|
|
Установка железобетонных
сдвоенных опор в фундаменты стаканного типа, устанавливаемые с опорной плитой
закапыванием на станции
|
шт.
|
7493
|
236
|
|
|
Гидроизоляция
железобетонных опор
|
шт.
|
7493
|
236
|
|
|
Установка железобетонных
анкеров с оттяжками вибропогружением на станции и перегоне
|
шт.
|
7493
|
236
|
|
|
Стоимость железобетонных
опор типа:
|
|
|
|
|
|
С108.6-2
|
шт.
|
4826
|
152
|
|
|
С108.6-3
|
шт.
|
1143
|
36
|
|
|
С108.7-4
|
шт.
|
1397
|
44
|
|
|
Стоимость трехлучевых
фундаментов типа:
|
|
|
|
|
|
ТС6-4
|
шт.
|
7493
|
236
|
|
|
Стоимость трехлучевых
анкеров типа:
|
|
|
|
|
|
ТА-4
|
шт.
|
1524
|
48
|
|
|
Стоимость оттяжек типа:
|
|
|
|
|
|
А-1
|
шт.
|
762
|
24
|
|
|
А-3
|
шт.
|
762
|
24
|
|
|
Стоимость консолей
трубчатых изолированных оцинкованных
|
шт.
|
7493
|
236
|
|
|
Стоимость закладных деталей
для крепления консолей
|
комплект
|
9017
|
284
|
|
|
Итого:
|
56896
|
|
Мелкие неучтенные расходы
|
%
|
853,44
|
1,5
|
|
|
Накладные расходы
|
%
|
10696,5
|
18,8
|
|
|
То же на установку
металоконструкций и их стоимость
|
%
|
4893,1
|
8,6
|
|
|
Плановые накопления
|
%
|
4551,7
|
8
|
|
|
Итого затрат:
|
|
|
|
77890,7
|
|
Монтажные работы
|
|
|
Раскатка «поверху»
контактного провода:
|
|
|
|
|
|
Одиночного на главных путях
|
км
|
464375,5
|
14626
|
|
|
Регулировка контактной
подвески с двумя контактными проводами: цепной эластичной (рессорной)
|
км
|
464375,5
|
14626
|
|
|
Монтаж односторонней
жесткой анкеровки: несущего троса или одиночного
|
км
|
464375,5
|
14626
|
|
|
Монтаж односторонней
компенсированной анкеровки: контактного провода
|
км
|
38100
|
1200
|
|
|
Монтаж совмещенной
компенсированной анкеровки несущего троса и одиночного контактного провода
|
км
|
19050
|
600
|
|
|
Монтаж трехпролетного
сопряжения анкерных участков без секционирования
|
узел
|
4572
|
144
|
|
|
Монтаж средней анкеровки
при компенсированной подвеске
|
узел
|
19050
|
600
|
|
|
Монтаж первого провода
(усиливающего) на подвесных изоляторах с учетом монтажа кронштейнов и гирлянд
изоляторов
|
км
|
464375,5
|
14626
|
|
|
Стоимость кронштейнов типа
КФ-6,5
|
шт
|
7493
|
236
|
|
|
Монтаж провода группового
заземления
|
км
|
7493
|
236
|
|
|
Монтаж диодного заземлителя
|
шт.
|
317,5
|
10
|
|
|
Монтаж ОПН и разрядника
рогового
|
шт.
|
444,5
|
14
|
|
|
Итого:
|
700022
|
|
Мелкие неучтенные работы
|
%
|
35001
|
5
|
|
|
Накладные расходы
|
%
|
140004
|
20
|
|
|
Плановые накопления
|
%
|
56001
|
8
|
|
|
Итого затрат:
|
913029
|
|
Материалы
|
|
|
Провод:
|
|
|
|
|
|
М-95
|
т
|
388682,3
|
0,837
|
|
|
НлФО-100
|
т
|
399827,3
|
0,861
|
|
|
МГ-95
|
т
|
7356,9
|
0,503
|
|
|
А-185
|
т
|
2688,9
|
0,1043
|
|
|
Проволока биметаллическая
БСМ-1 диаметром 4 мм (струны)
|
т
|
6084,32
|
0,236
|
|
|
Прочие материалы, не
учтенные ценником
|
%
|
40231,9
|
5
|
|
|
Плановые накопления
|
%
|
64371,17
|
8
|
|
|
Итого затрат:
|
909242
|
|
Оборудование
|
|
|
Разъединитель
РС3000/3,3-1У1/РСУ-3000/3,3
|
шт.
|
63,5
|
2
|
|
|
Разрядники роговые с двумя
разрывами
|
шт.
|
127
|
4
|
|
|
Диодный заземлитель ЗД-1
|
шт.
|
317,5
|
10
|
|
|
Изолятор фарфоровый с
пестиком ПФ-70В
|
шт.
|
7493
|
236
|
|
|
Начисления на оборудование
|
%
|
6,2
|
496,06
|
|
|
Итого затрат:
|
|
|
|
8497
|
|
Стоимость затрат:
|
|
|
|
192669
|
4.
Охрана труда и безопасность движения
4.1 Организационно-технические мероприятия, обеспечивающие безопасность
работ на контактной сети. Условия труда в районе контактной сети
Работы на контактной сети
под напряжением
Работы под напряжением ведутся с
изолированных площадок автомотрис и автодрезин, со съёмных изолирующих лестниц.
Особенность этих работ заключается в том, что исполнитель работ непосредственно
соприкасается с высоким напряжением, поэтому он должен быть надёжно изолирован
от земли и должна быть исключена возможность прикосновения к заземлённым
конструкциям.
Перед работой осматривают изолирующие
части вышек, убеждаются в исправности всех частей, протирают лестницы и
изоляторы. Опробуют изоляцию рабочим напряжением непосредственно от контактной
сети. Для этого после подъёма на изолированную площадку или лестницу, не
касаясь контактной сети и находясь по возможности дальше от неё, крюком шунтирующей
штанги прикасаются к одному из элементов контактной сети, находящемуся под
напряжением (струне, электрическому соединителю или фиксатору). Не допускается
шунтирующей штангой приближаться к изолятору на расстояние менее 1 м и касаться
провода, находящегося под значительной механической нагрузкой, так как при
неисправности изоляции вышки или лестницы возникает дуга, которая может
повредить изолятор или вызвать пережог провода.
После проверки изоляции, шунтирующие
штанги завешивают на провода контактной подвески и оставляют в этом положении
на всё время производства работ. Если происходит передвижение и требуется
временно снять шунтирующие штанги, работник, находясь на площадке, не должен
прикасаться к проводам и конструкциям.
Завешенная шунтирующая штанга надёжно
контролирует состояние изоляции и выравнивает потенциал всех частей, к которым
одновременно прикасается работающий. На изолированной площадке автодрезин и
автомотрис одновременно могут находиться и работать не более трёх, а на
изолирующей съёмной вышке - не более двух электромонтёров. Переходят на
изолированные площадки поочерёдно при снятых шунтирующих штангах. На
изолирующую съёмную вышку могут подниматься два электромонтёра одновременно с
двух сторон.
В отличие от работ с вышек автомотрис и автодрезин
работы с изолирующей съёмной вышки, как правило, выполняют, как правило, без
прекращения движения поездов. Поэтому, чтобы можно было своевременно снять её с
пути, бригада состоит (в зависимости от веса вышки) не менее чем из
четырёх-пяти человек, не считая сигналистов.
На участках с однониточными рельсовыми
цепями вышку устанавливают на путь таким образом, чтобы неизолированное от
нижней ее части колесо находилось на тяговом рельсе. При установке съёмной
вышки на земле нижнюю часть её присоединяют к тяговому рельсу заземляющим
медным проводом того же сечения, что и провода, применяемого для шунтирования.
Передвигают изолирующую вышку, автодрезину
или автомотрису при нахождении на рабочей площадке работников только по команде
находящегося там исполнителя работ, который предупреждает всех своих
помощников, работающих на площадке, о прекращении работы и, убедившись, что они
не касаются проводов, снимает на время передвижения шунтирующие штанги.
Передвижение должно быть плавным со скоростью не более 5 км/ч для съёмной вышки
и не более 10 км/ч для автомотрисы и автодрезины.
Работы под напряжением выполняют без
приказа энергодиспетчера, но с его разрешения. Энергодиспетчера ставят в
известность о месте и характере намечаемых к выполнению работ, а также о времени
их окончания.
Если работы производят в местах
секционирования контактной сети (на изолирующем сопряжении, секционном
изоляторе или врезном изоляторе, разделяющем две секции контактной сети),
необходим приказ энергодиспетчера. При этом секции должны быть зашунтированы
(включен секционный разъединитель), а шунтирующие штанги установлены на
проводах обеих секций контактной сети. Для выравнивания потенциалов по секциям
и исключения протекания уравнительного тока по монтажным приспособлениям на
месте работ не далее одного пролёта между опорами устанавливают съёмную
шунтирующую перемычку из медного гибкого провода сечением не менее 50 мм2.
Производство работ под напряжением не
допускается под пешеходными мостами, жесткими поперечинами и в других местах,
где расстояние до заземлённых конструкций или конструкций и проводов,
находящихся под другим напряжением, менее 0,8 м при постоянном и 1 м при
переменном токе. Не разрешаются работы под напряжение во время дождя, тумана и
мокрого снегопада, так как в этих условиях ток утечки через изолирующие части
становится опасным. Во избежание случайных захлёстываний проводов и
опрокидывания съёмной вышки под напряжением не работают при скорости ветра выше
12 м/c.
При работах с изолирующих вышек
запрещается: оставлять на рабочей площадке инструмент и другие предметы,
которые могут упасть во время установки и съёма вышки; работающим внизу
прикасаться непосредственно или через какие-либо предметы к съёмной вышке выше
заземлённого пояса; производить работы, при которых на вершину вышки передаются
усилия, вызывающие опасность её опрокидывания; передвигать съёмную вышку по
земле при нахождении на ней работников.
Во всех случаях руководитель и другие
работники строго следят за тем, чтобы исключалась возможность шунтирования
изолирующей части вышки или изоляторов изолированной площадки любыми предметами
(штангами, проволокой, фиксатором, лестницей и т.п.).
При необходимости подъёма на несущий трос
и другие провода применяют лёгкую деревянную лестницу длиной не более 3 м с
крючками для завески на трос или провод. При работе на лестнице закрепляются к
тросу стропой предохранительного пояса.
4.2 Технические мероприятия, обеспечивающие безопасность
работ под напряжением
Техническими мероприятиями,
обеспечивающими безопасность работ под напряжением, являются:
выдача предупреждений на поезда и
ограждение места работ;
выполнение работы только с применением
средств защиты;
включение разъединителей, наложение
стационарных и переносных шунтирующих штанг и перемычек;
освещение места работы в тёмное время
суток.
При работах в местах секционирования
контактной сети под напряжением (изолирующие сопряжения анкерных участков,
секционные изоляторы и врезные изоляторы), а также при отсоединении шлейфов
разъединителей, разрядников, отсасывающих трансформаторов от контактной сети и
монтаже вставок в провода контактной сети следует применять шунтирующие штанги,
установленные на изолирующих съемных вышках, изолирующих рабочих площадках
автодрезин и автомотрис, а также переносные шунтирующие штанги и шунтирующие
перемычки.
Площадь сечения медных гибких проводов
указанных штанг и перемычек должна быть не менее 50 мм2.
Для соединения проводов различных секций,
обеспечивающих передачу тягового тока, необходимо применять перемычки из
медного гибкого провода площадью сечения не менее 70 % площади сечения
соединяемых проводов.
При работах на изолирующем сопряжении
анкерных участков, на секционном изоляторе, разделяющем две секции контактной
сети, врезных изоляторах следует включать шунтирующие их секционные разъединители.
Во всех случаях на месте работы должна
быть установлена шунтирующая перемычка, соединяющая контактные подвески смежных
секций. Расстояние от работающего до этой перемычки должно быть не более 1-го
мачтового пролёта.
Если расстояние до шунтирующего секционного
разъединителя свыше 600 м, площадь сечения шунтирующей перемычки на месте
работы должна быть не менее 95 мм2 по меди.
4.3 Технологический процесс комплексной проверки и ремонта
консоли
Работа по ремонту и проверки консоли выполняется со снятием напряжения с контактной подвески
непосредственно с опоры или с применением приставной лестницы 9 м; с подъемом
на высоту; без перерыва в движении поездов. По наряду, и приказу
энергодиспетчера. Согласно технологической карте.
Комплексной проверки и ремонта консоли
Таблица 4.1 - Состав
исполнителей
|
Исполнители
|
Непосредственно
с опоры
|
С приставной
лестницы
|
|
Электромонтер 5
разряда
|
1
|
1
|
|
Электромонтер 4
разряда
|
1
|
1
|
|
Электромонтер 3
разряда
|
-
|
1
|
Условия выполнения работ
Работа выполняется:
1. Со снятием напряжения с контактной
подвески непосредственно с опоры или с применением приставной лестницы 9 м; с
подъемом на высоту; без перерыва в движении поездов.
2. По наряду, и приказу энергодиспетчера.
3.Механизмы, монтажные приспособления,
инструмент, защитные средства и сигнальные принадлежности:
1. Лестница приставная 9 м (при работе на
конической железобетонной опоре) 1 шт.
2. Штанга заземляющая по числу, указанному
в наряде
3. Ключ гаечный 2 шт.
3. Скребок 1 шт
. "Удочка" веревочная 1 шт.
5. Пассатижи 1 шт.
6. Молоток слесарный 1 шт.
7. Индикаторная скоба или штангенциркуль с
игольчатыми "губками" 1 шт
. Блокнот для записи с письменными
принадлежностями 1 компл.
9. Перчатки диэлектрические1 пара.
10. Линейка измерительная 1 шт.
11. Пояс предохранительный 2 шт.
. Каска защитная по числу исполнителей.
13. Жилет сигнальный по числу
исполнителей.
14. Сигнальные принадлежности 1 компл.
15. Аптечка 1 компл.
Таблица 4.2 - Норма времени
на одну консоль В чел. ч.
|
Виды работ
|
При выполнении
работ
|
|
|
непосредственно с опоры
|
с приставной
лестницы
|
|
Комплексная
проверка состояния и ремонт:
|
|
|
|
- однопутной
неизолированной консоли на промежуточной опоре
|
0,5
|
0,88
|
|
- то же на
переходной опоре сопряжений анкерных участков
|
0,73
|
1,16
|
|
- узлов
изоляции скреплений элементов изолированной консоли на опоре
|
-
|
0,42
|
|
-двухпутной консоли
|
1,40
|
2,23
|
|
Регулировка
положения консоли вдоль пути с одним несущим тросом
|
0,46
|
0,73
|
Примечания:
1. При регулировке положения консоли с
Подвешенными тросами (проводами) более одного. К норме времени добавить на
каждую точку подвеса0,15 чел. ч. при работе с опоры и 0,24 чел. ч. - при работе
с приставной лестницы.
2. При проверке состояния и ремонте
однопутной консоли с подкосом норму времени соответственно увеличивать в 1,1
раза.
3. При проверке состояния и ремонте
однопутной неизолированной консоли с обратной фиксаторной стойкой норму времени
соответственно увеличивать в 1,25 раза.
Подготовительные работы и
допуске работе
1. Накануне работ передать
энергодиспетчеру заявку на выполнение работ со снятием напряжения в зоне работ,
непосредственно с опоры или с применением приставной лестницы 9 м, с подъемом
на высоту, без перерыва в движении поездов, с указанием времени, места и
характера работ.
2. Получить наряд на производство работ и
инструктаж от лица, выдавшего его.
. В соответствии с результатами обходов и
объездов с осмотром, диагностических испытаний и измерений подобрать
необходимые материалы и детали для замены изношенных. Проверить внешним
осмотром их состояние, комплектность, качество изготовления и защитного
покрытия, прогнать резьбу на всех резьбовых соединениях и нанести На нее мазку.
4. Подобрать монтажные приспособления,
защитные средства, сигнальные принадлежности и инструмент, проверить их
Исправность и сроки испытаний. Погрузить их, а также подобранные материалы и
детали на транспортное средство, организовать доставку вместе с бригадой к
месту работы.
5. По прибытии на место работы провести
текущий Инструктаж но технике безопасности с росписью каждого в наряде.
6. Получить приказ энергодиспетчера с
указанием о снятии напряжения в зоне работы, времени начала и окончания работ.
7. Заземлить провода и оборудование, с
которых снято напряжение, переносными заземляющими штангами с обеих сторон
места работы в соответствий с нарядом.
8. При работе на железобетонной конической
опоре установить и закрепить на опоре приставную лестницу 9 м.
9. Осуществить допуск к производству
работ.
2.3 Последовательный технологический процесс
1. Исполнителю подняться к месту работы
непосредственно по опоре или по приставной лестнице.
2. Проверить внешним осмотром состояние
узлов крепления пяты и тягц консоли на опоре, а также присоединений
заземляющего спуска к ним. При наличии закладных деталей на железобетонной
опоре проверить состояние изолирующих втулок.
На сопряжениях анкерных участков
компенсированной подвески проверить положение и крепление траверс на опоре.
Обратить внимание на обеспечение шарнирной
подвижности в горизонтальной и вертикальной плоскостях при перемещении
консолей.
3. Проверить расстояние от вершины
железобетонной опоры до хомута консольной тяги. Оно должно быть не менее 200
мм. На опоре с закладными деталями тяга должна крепиться к детали,
установленной во второе отверстие.
4. Проверить, при наличии, состояние и
крепление подкоса на кронштейне консоли и на опоре. Подкос должен быть в
натянутом (сжатом) состоянии, слегка нагруженным. Точка крепления подкоса к
кронштейну консоли должна находиться на расстоянии не более 300 мм от детали
для крепления фиксатора.
5. На изолированных консолях проверить состояние
и произвести ремонт узлов крепления тяг, подкосов и кронштейнов консоли на
опоре (включая траверсы на переходных опорах сопряжений анкерных участков и
изоляторы в этих узлах).
. У двухпутной консоли проверить
правильность сборки пяты консоли, наличие валиков (заклепок) в местах
соединения переходной детали с кронштейном консоли.
Проверить регулировку натяжения тяг. Обе
тяги должны быть нагружены равномерно, натяжение проверяется по вибрации при
ударе по оттяжкам металлическим предметом.
7. Проверить правильность установки консоли в вертикальной
плоскости. Хобот изогнутых консолей и кронштейн горизонтальных консолей должны
располагаться горизонтально.
Примечания:
1. Проверку состояния, определение
размеров повреждений и степень их опасности производить в соответствии с
Указаниями по техничен кому обслуживанию и ремонту опорных конструкций
контактной сет (К-146-96).
2. При проверке состояния всех элементов и
узлов их крепления выявить наличие повреждений: деформаций, расслоений, трещин
и коррозии метала.
Особое внимание обратить на состояние
сварных швов, наличие контр гаек и шплинтовка также на износ элементов в узлах
сочленения; оценит, состояние защитного антикоррозионного покрытия и определить
необходимость возобновления окраски.
Ослабленные крепления подтянуть,
установить недостающие контргайки, заменить изношенные шплинты и замки
изоляторов (деталь К-078),резьбовые соединения нанести антикоррозионную смазку.
Не допускается деформация или смещение
элементов консоли и крепительных деталей
3. При проверке состояния изоляторов
произвести очистку их от загрязнения. Изоляторы, имеющие устойчивое загрязнение
более yj изолирующей поверхности или дефекты.
Окончание работ
1. Отсоединить приставную лестницу от
опоры и опустить ее на землю.
2. Снять заземляющие штанги.
3.Собрать материалы, монтажные
приспособления, инструмент, защитные средства и погрузить их на транспортное
средство.
4. Дать уведомление энергодиспетчеру об
окончании работ.
5. Возвратиться на производственную базу ЭЧК.
Заключение
В данном дипломном проекте произведён механический расчёт контактной
подвески М-95+2НлФО-100. В результате этих расчётов были получены данные
нагрузки на провода от ветра, гололёда и собственного веса. По этим данным был
выбран расчётный режим максимального ветра.
Исходя из расчетного режима, были рассчитаны длины пролётов на перегоне:
55 м; 70 м; 56 м; 50 м; 66 м. По заданию на дипломное проектирование был
построен план контактной сети перегона, в котором выбрано оборудование для
соответствующего рода тока и сведено в спецификацию Составлена схема питания и
секционирования перегона Расчеты велись для следующих характеристик местности:
- Насыпь высотой более 5 метров
- Прямой участок перегона и кривые различного радиуса;
- Выемка глубиной до 7 метров;
В экономическом разделе рассчитана стоимость сооружений на контактной
сети на перегоне.
В технологическом разделе рассмотрен вопрос - опасные места на контактной
сети.
В разделе охраны труда рассмотрены технические мероприятия, обеспечивающие безопасность работ
под напряжением
Выполнены: трассировка контактной сети перегона, схемы опасных мест,
схема питания и секционирования.
Библиографический
список
Основные источники:
Бондарев Н.А., Чекулаев В.Е. Контактная сеть. - М.: Маршрут,
2009. - 590 с.
Г.Б. Якимов Контактная сеть и воздушные линии. - М.:
«ТРАНСИЗДАТ», 2009г. - 296 с.
Михеев В.П. Контактные сети и линии электропередачи. - М.:
Маршрут, 2009. - 416 с.
Дополнительные источники:
Инструкция по безопасности для электромонтеров контактной
сети, 16.12.2010 г. №104
Правила безопасности при эксплуатации контактной сети и
устройств электроснабжения автоблокировки железных дорог ОАО «РЖД», 16.12 2010
г. № 103;
Горошков Ю.И. Контактная сеть / Ю.И. Горошков, Н.А. Бондарев.
М.: Транспорт, 1981. 400с.
Воронин А.В. Электроснабжение электрифицированных железных
дорог / А.В. Воронин. М.: Транспорт, 1980. 296с.
Мамошин Р.Р. Электроснабжение электрифицированных железных
дорог. Учебник для техникумов железнодорожного транспорта / Р.Р. Мамошин, А.Н.
Зимакова. М.: Транспорт, 1980. 296с.
Фрайфельд А.И. Проектирование контактной сети. / А.И.
Фрайфельд. М.: Транспорт, 1984. 328с.
Технологические карты на работы по содержанию и ремонту
устройств контактной сети электрифицируемых железных дорог:
. Книга I.
Капитальный ремонт, утверждены ЦЭ МПС России 29.03.97 г. ЦЭ/197-5/3. М., 1997.
. Книга II
Техническое обслуживание и текущий ремонт, утверждена ЦЭ МПС России 21.11.98 г.
ЦЭ/197-5/1-2. М., 1999.
. Книга III
Техническое обслуживание и текущий и капитальный ремонт линейных устройств
нетягового электроснабжения на опорах контактной сети и самостоятельных опорах
на обходах, утверждены ЦЭ/197-5/1-3. М., 2000.