Полупроводниковые фотоприемники

  • Вид работы:
    Контрольная работа
  • Предмет:
    Физика
  • Язык:
    Русский
    ,
    Формат файла:
    MS Word
    682,83 Кб
  • Опубликовано:
    2013-08-29
Вы можете узнать стоимость помощи в написании студенческой работы.
Помощь в написании работы, которую точно примут!

Полупроводниковые фотоприемники

Содержание

Введение

. Полупроводниковые фотоприемники

. Фотопроводимость полупроводников

. Механизмы поглощения энергии излучения в полупроводниках

. Принцип действия полупроводниковых фотоприемников

. Характеристики фотоприемников

. Параметры фотоприемников

. Фотодиоды

.1 Темновое сопротивление

.2 Чувствительность

.3 Инерционность

.4 Спектральная характеристика

.5 Охлаждаемые фотодатчики

Заключение

Список литературы

Введение

В современном мире прогресс в различных областях науки и техники немыслим без электронных приборов. Электроника уже давно играет ведущую роль в жизни человека, и с каждым годом ее внедрение во все сферы человеческой деятельности становится все интенсивнее. Так, при создании систем автоматического регулирования и управления технологическими процессами, исследовании природных ресурсов Земли, в системах астронавигации летательных аппаратов, а также в военной технике и кинофототехнике находят широкое применение полупроводниковые фотоприемники.

В данной работе рассмотрены характеристики и параметры полупроводниковых фотоприемников видимого диапазона. Основное внимание уделено одному из основных типов полупроводниковых фотоприемников - фотодиодам, представлены их характеристики, спектральная чувствительность и наиболее важные свойства.

Целью исследовательской работы является изучение спектральных свойств фотоприемников, разработка устройства, которое позволяет определять спектральные характеристики источников с помощью фотоприемников без использования монохроматоров излучения.

1. Полупроводниковые фотоприемники

Оптический диапазон спектра электромагнитных волн занимает интервал длин волн 1мм - 1 нм. Он включает в себя три поддиапазона - ультрафиолетовый УФ, видимый и инфракрасный ИК. Ультрафиолетовый спектр излучения соответствует длинам волн 1нм - 0,38мкм, видимый 0,38 - 0,78мкм, инфракрасный 0,78 - 1мм. Рабочим диапазоном полупроводниковых приборов является область длин волн 0,2 - 20мкм.

Электромагнитное излучение оптического диапазона рассматривается двояко. Для одной группы явлений - это волновой процесс с частотой колебаний ν или длиной волны λ, а для другой - поток элементарных частиц, называемых фотонами, с энергией (эВ)

Е = hν = ch/λ, или Е = 1236/λ = 4,1∙10-15ν, (1)

где h - постоянная Планка, Дж∙с; ν - частота, Гц; c - скорость света, см∙с-1; λ - длина волны, мкм.

Характер взаимодействия оптического излучения с полупроводниками может быть различным. Он определяется свойствами материала полупроводника, длиной волны оптического излучения и соответственно энергией фотонов.

Приборы, управляемые лучистой энергией, называют приемниками оптического излучения. В соответствии с различным характером взаимодействия оптического излучения с веществом приемники делят на тепловые и фотоэлектрические.

В фотоэлектрических приемниках поглощение энергии способствует генерации свободных носителей заряда - электронов и дырок и (или) переходу их на более высокие уровни энергии, появлению «горячих» носителей. Работа фотоэлектрических приемников основана на внутреннем фотоэффекте - образовании неравновесных носителей заряда внутри полупроводниковой структуры под действием оптического излучения. Подавляющая часть фотоэлектрических приемников использует две формы внутреннего фотоэффекта, называемые фоторезистивным и фотогальваническим эффектом.

2. Фотопроводимость полупроводников

Оптическое излучение при взаимодействии с кристаллом полупроводника частично поглощается, частично отражается от его поверхности или проходит через кристалл без поглощения. Доли проходящей, отраженной и поглощенной энергии излучения оценивают для полупроводниковых материалов соответствующими коэффициентами. Различают коэффициент пропускания Тф - отношение мощности Рпр, прошедшей через кристалл полупроводника, к мощности падающего излучения на его поверхность Рпд; коэффициент отражения Rф - отношение отраженной мощности Ротр от поверхности кристалла к мощности падающего излучения Рпд; коэффициент поглощения αф (см-1), численно равный значению обратного расстояния от поверхности полупроводника, на котором первоначальная мощность падающего излучения уменьшается в е раз, где е - основание натурального логарифма.

Коэффициент поглощения αф является постоянной уменьшения мощности излучения по координате x, направленной в глубь полупроводника, по нормали к его поверхности, т.е. dP/dx = -αф. Тогда

Р(x) = Pпд(0)е-αфx, (2)

где Рпд(0) - мощность излучения, падающего на поверхность полупроводника, Вт.

В фотометрии мощность излучения определяется через световой поток или поток излучения Ф(лм). Обе величины Р и Ф связаны между собой через характеристику, учитывающую особенности восприятия излучения человеческим глазом на каждой длине излучения λ и называемую спектральной видностью, т.е. sλ = Ф/Р. Тогда из (2) после умножения на sλ получим Ф(x) = Фпд(0)е(-αфx)

Число фотонов, падающих на единицу поверхности полупроводника в 1 с при монохроматическом световом потоке, называется плотностью фотонов N(0). С учетом плотности световой поток записывается в виде Ф= hνN0. Световой поток, взаимодействующий с кристаллом, учитывая коэффициент отражения Rф, определим как Ф(x)=(1-Rф)N0hνexp(-αфx). Изменение плотности поглощенных фотонов с глубиной x находим из выражения

/dx= - (1 - Rф)N0exp(-αфx), (3)

где знак «-» указывает, что плотность фотонов убывает с глубиной из-за поглощения.

Зависимость коэффициента поглощения от длины волны излучения (частоты, энергии кванта) называют спектром поглощения. Типовой спектр поглощения полупроводника αф=φ(λ) показан на рисунке 1 (сплошная и штрихпунктирная линии). Отдельные области спектра с локальными максимумами коэффициента поглощения соответствуют различным механизмам поглощения энергии излучения в полупроводниках.

Рисунок 1 - Спектр поглощения полупроводника

полупроводник фотоприемник чувствительность спектральный

Отраженное от поверхности кристалла излучение исключается из процесса взаимодействия кристалла с полупроводником. В фотоэлектрических приборах стремятся снизить долю отраженной энергии, уменьшая коэффициент отражения, и повысить долю поглощенной, увеличивая коэффициент поглощения, так как только поглощенная энергия вызывает генерацию свободных носителей в полупроводниках. Один из способов уменьшения коэффициента отражения заключается в изменении условий отражения электромагнитной волны от поверхности кристалла. Если необходимо уменьшить коэффициент отражения на одной частоте или в спектре частот излучения, на поверхность кристалла наносят один или соответственно несколько слоев просветляющего покрытия. В качестве просветляющих покрытий используют кварцевую пленку, монооксид кремния SiO (коэффициент преломления nп=1,9), сульфид цинка ZnS (nп=2,2), фтористый магний MgF2 (nп=1,35) и др.

3. Механизмы поглощения энергии излучения в полупроводниках

В полупроводниках различают несколько механизмов поглощения энергии излучения - собственное (основное, межзонное, фундаментальное), примесное, экситонное, решеточное, поглощение свободными носителями и др.

При собственном поглощении энергия затрачивается на разрыв валентной связи в атоме и перевод электрона из валентной зоны полупроводника в зону проводимости. Этот процесс генерации свободных носителей обратен межзонной рекомбинации. Для перевода электрона в зону проводимости необходимо, чтобы энергия фотона превышала ширину запрещенной зоны, т.е. Еф=hν>=ΔЕз. На частотах излучения ν<νгр, где νгр=ΔЕз/h, коэффициент поглощения резко уменьшается. Поэтому спектр собственного поглощения имеет четко выраженную границу, называемую красной границей фотоэффекта и определяемую соотношением λгр=сh/ΔЕз (рисунок 1). Красная граница соответствует минимальной энергии фотона, необходимой для перевода электрона из валентной зоны в зону проводимости (энергии ионизации собственного атома полупроводника).

С уменьшением длины волны излучения в области λгр вначале могут наблюдаться непрямые переходы, при которых требуется меньшая энергия фотона для ионизации атома (участок 2 на рисунке 1), а затем с ростом энергии фотона будут только прямые переходы, так как вероятность непрямых переходов уже мала. Граница собственного поглощения λгр=с/νгр большинства полупроводников приходится на видимую или инфракрасную часть оптического диапазона. На величину λгр кроме типа полупроводника влияют температура, внешние поля и др. С увеличением температуры ширина запрещенной зоны большинства полупроводников уменьшается и λгр сдвигается в сторону больших длин волн. С повышением концентрации примесей в полупроводниках энергетические уровни вблизи потолка валентной зоны или дна зоны проводимости заполняются. Поэтому при собственном поглощении, когда энергия фотона должна превышать ширину запрещенной зоны, λгр соответственно сдвигается в сторону меньших длин волн.

При примесном поглощении энергия фотона затрачивается на ионизацию атомов примеси. В полупроводниках донорные примеси расположены вблизи дна зоны проводимости, акцепторные - около потолка валентной зоны. В обоих случаях энергия ионизации примесей δЕпр<<ΔЕз, а коэффициент примесного поглощения на несколько порядков меньше, чем собственного. Спектр примесного поглощения смещен относительно спектра собственного в инфракрасную область. Электроны в атомах примесей могут находиться в основном и возбужденном состояниях, и тогда энергия ионизации атомов примесей различна. Поэтому спектр примесного поглощения состоит из нескольких областей (участки 3 и 4 на рисунке 1). Увеличение температуры способствует термической ионизации атомов примесей. Коэффициент примесного поглощения при этом уменьшается, так как энергия фотонов не поглощается из-за отсутствия неионизированных атомов примеси. Поэтому приемники инфракрасного диапазона, использующие в работе примесное поглощение, как правило охлаждают до низких температур (77, 110 К).

При экситоном поглощении энергия фотона Еф<ΔЕз. Электрон в валентной зоне полупроводника, поглотив энергию фотона, не отрывается от атома, а только переходит в возбужденное состояние, образуя с дыркой связанную кулоновскими силами пару - экситон. Экситон электрически нейтрален, а его энергетическое состояние соответствует уровню энергии в запрещенной зоне полупроводника. Влияние экситона на проводимость полупроводника косвенное. Столкновение экситона с фотоном или фононом может привести к потере им энергии, что эквивалентно возвращению электрона на энергетический уровень в валентной зоне или получению им энергии, и тогда электрон переходит в зону проводимости. В обоих случаях экситон распадается. Спектр экситонного поглощения состоит из узких линий в области λгр (не показанных на рисунке), но при этом для каждой линии λ>λгр.

Полупроводники, кристаллическая решетка которых содержит атомы различного типа, можно рассматривать как систему электрических диполей. Диполи наиболее интенсивно поглощают энергию излучения на собственных частотах колебаний. Колебания диполей сложны, и поэтому спектр решеточного поглощения состоит из нескольких областей. На рисунке 1 решеточному поглощению соответствует область 5 далекой инфракрасной части оптического диапазона. Поглощение сопровождается генерацией большого числа фононов. Увеличивается тепловая энергия полупроводника, изменяются подвижность и энергия свободных носителей, повышается их концентрация.

Поглощение энергии свободными носителями связано с их переходами на уровни внутри зоны. При этом спектр поглощения из-за малого энергетического зазора между уровнями зоны практически непрерывный (линия 6 на рисунке 1) и смещен в длинноволновую область оптического диапазона. В сложных полупроводниках переходам носителей между долинами соответствуют пики в спектре поглощения.

Кроме упомянутых, в полупроводниках проявляются и другие механизмы поглощения. Но их вклад в фотопроводимость полупроводников мал.

4. Принцип действия полупроводниковых фотоприемников

Принцип действия большинства полупроводниковых фотоприемников с р - n-переходом (фотодиоды, фоторезисторы и др.) основан на пространственном разделении неравновесных электронов и дырок потенциальным барьером неоднородной полупроводниковой структуры. На рисунке 2а показана энергетическая диаграмма p - n-перехода без освещения. При освещении фотонами с энергией hν>Eg происходит генерация электронно-дырочных пар (рисунок 2б).

Рисунок 2 - Энергетические диаграммы p - n-перехода

в темноте (а) и на свету (б)

Поведение неравновесных носителей зависит от того, где они возникают, т.е. в каком месте структуры поглощается излучение. Для каждой области важным является поведение неосновных носителей, поскольку именно их плотность может изменяться при засветке в широких пределах. Плотность основных носителей с обеих сторон границы раздела полупроводников практически остается неизменной. Если излучение поглощается в p-области, то электроны, находящиеся на расстоянии от p - n-перехода, меньшем длины диффузии Ln, смогут достигнуть его. Потенциальный барьер способствует переходу электронов в n-область. Аналогично, если излучение поглощается в n-полупроводнике, то через переход в p-область перебрасываются только дырки. Если же пары генерируются в области объемного заряда, то после перехода «разводит» носители заряда таким образом, что они оказываются в той области структуры, где являются основными. Таким образом, p - n-переход играет роль стока неосновных носителей заряда.

Результатом пространственного разделения неравновесных носителей заряда является уменьшение потенциального барьера перехода UD (рисунок 2б) на ΔU. Это можно представить, как следствие частичной нейтрализации объемного заряда p - n-перехода. Уровни Ферми в объеме полупроводниковой структуры оказываются смещенными друг относительно друга на величину ΔU. Разность потенциалов ΔU, возникающая на контактах диода, зависит от сопротивления внешней цепи и достигает максимального значения при ее разрыве (режим холостого хода).

Фотоэлектрические приборы с p - n-переходом могут работать в фотовентильном и фотодиодном режимах. В приборах с фотовентильным режимом работы (фотоэлементах) возникает фото-ЭДС и фотоэлемент становится источником электрической энергии. В приборах с фотодиодным режимом работы (фотодиодах) электрический переход смещается внешним напряжением в обратном направлении. Световой поток лишь увеличивает обратный ток перехода на величину фототока.

Генерация вентильной фото-ЭДС при засветке p - n-перехода является основой функционирования фотоэлектрических преобразователей энергии, например солнечных батарей и фотоприемников, работающих в вентильном режиме. Однако одним из наиболее широко используемых в фотоприемниках вариантом включения p - n-перехода является фотодиодный режим работы, когда на переход подается запирающее напряжение.

5. Характеристики фотоприемников

Вольт - амперная характеристика отражает зависимость тока, проходящего в цепи фотоприемника, от напряжения на нем. Световой (общий) ток I=Iт + Iф, где Iт - ток в отсутствие освещения; Iф - фототок.

Спектральная характеристика определяет реакцию фотоприемника на воздействие излучения с различной длиной волны. Она определяет спектральную область применения приемника, а также его спектральную и интегральную чувствительности. Ниже будет рассмотрена экспериментально спектральная характеристика фотодиода.

Энергетическая (световая) характеристика отражает зависимость фотоответа от интенсивности возбуждающего потока излучения (ампер - ваттная, вольт - ваттная, люкс - амперная характеристики). Энергетической характеристикой называют также зависимость интегральной или спектральной чувствительности приемника от интенсивности засветки.

Температурные характеристики определяют зависимость ряда параметров (темновой ток, темновое сопротивление, чувствительность и др.) от температуры окружающей среды. Температурный коэффициент фототока (ТК) определяется отношением

ТК = [(I2 - I1)/I1(T2 - T1)]100%,

где I1 и I2 - световой ток при температуре T1 и T2 соответственно.

Пороговые характеристики описывают способность фотоприемника реагировать на световые сигналы слабой интенсивности. В значительной степени эти характеристики определяются собственными шумами прибора.

Частотные характеристики определяют зависимость фоточувствительности от частоты модуляции света. Они являются характеристикой инерционности фотоприемника.

6. Параметры фотоприемников

Максимально допустимое напряжение Umax - максимальное значение постоянного напряжения, при котором отклонение параметров прибора от номинальных значений не превышает установленных пределов.

Мощность рассеивания, выделяемая при прохождении фототока, определяет разогрев фотоприемника. Большая рассеиваемая мощность может привести к необратимому изменению токов Iт и Iф. Каждый приемник характеризуется определенным значением максимальной мощности рассеивания Pдоп, которое не должно превышаться. Значение Pдоп зависит от условий теплоотвода, размеров рабочей площадки и других факторов.

Темновое сопротивление Rт - сопротивление фотоприемника в отсутствие падающего на него излучения в диапазоне его спектральной чувствительности.

Дифференциальное сопротивление Rд - отношение малых приращений напряжения и тока на фотоприемнике.

Темновой ток фотоприемника Iт - ток, проходящий через фотоприемник при указанном напряжении на нем в отсутствие потока излучения в диапазоне спектральной чувствительности.

Коротковолновая (длинноволновая) граница спектральной чувствительности - наименьшая (наибольшая) длина волны монохроматического излучения, при котором монохроматическая чувствительность фотоприемника равна 0,1 ее максимального значения.

Максимум спектральной характеристики фотоприемника - длина волны, соответствующая максимуму чувствительности фотоприемника

Токовая фоточувствительность Si (А/лк или А/Вт) определяет значение фототока, создаваемого единичным потоком излучения. Нередко вместо потока излучения, падающего на фотоприемник, задается плотность падающего потока, измеряемая в Вт/м2.

Вольтовая чувствительность Su характеризует значение сигнала в вольтах, отнесенное к единице падающего потока излучения.

Токовая и вольтовая чувствительности называются интегральными, если они характеризуют чувствительность к интегральному потоку излучения и монохроматическими, если характеризуют фоточувствительность к монохроматическому излучению.

Пороговая чувствительность Pпор определяет уровень мощности светового потока, при котором сигнал равен шуму.

Напряжение шума фотоприемника Uш - среднее квадратичное значение флуктуации напряжения на заданной нагрузке в цепи фотоприемника в указанной полосе частот.

Ток шума фотоприемника Iш - среднее квадратичное значение флуктуации тока, проходящего через фотоприемник в указанной полосе частот.

Помимо данных существует ряд других параметров, нерассмотренных в работе из-за высокой степени сложности теоретического материала и узких границ использования этих параметров, характерных для конкретных типов фотоприемников.

К основным типам полупроводниковых фотоприемников относятся фоторезисторы, фототранзисторы, емкостные фотоприемники, координатно-чувствительные фотоприемники и, наконец, фотодиоды, характеристики и параметры которых будут рассмотрены ниже.

7. Фотодиоды

Фотодиод - управляемый излучением прибор с двумя выводами, работа которого основана на использовании фотогальванического эффекта в обратно включенном электрическом переходе. Основным элементом фотодиода является p - n-переход. При освещении его происходит генерация электронно-дырочных пар. Электрическое поле перехода разделяет неравновесные носители заряда. Ток, образованный этими носителями, совпадает по направлению с обратным током p - n-перехода. P - n-переход как фотоприемник применяется в двух режимах - фотодиодном и режиме генерации фото-ЭДС (вентильном), принципиальные схемы включения фотодиода представлены на рисунке 3.

Рисунок 3 - Схемы включения диода в

фотодиодном (а) и фотовентильном (б) режимах

В первом случае на диод подается обратное напряжение, и ток через структуру является функцией интенсивности света. Во втором случае p - n-переход сам используется в качестве источника ЭДС или тока. Типичная структура фотодиода и его ВАХ показаны на рисунке.4.

Рисунок 4 - ВАХ фотодиода (а) и его структурная схема (б)

.1 Темновое сопротивление

Темновое сопротивление фотодиода сравнительно большое, поскольку оно определяется обратным током p - n-перехода, который имеет небольшое значение (особенно в кремнии).

.2 Чувствительность

При использовании фотодиода для приема излучения удобно пользоваться понятием монохроматической чувствительности Siλ. Потери излучения обусловлены отражением света от поверхности полупроводника. Потери генерированных носителей учитываются коэффициентом собирания χ, определяющим ту часть генерированных светом носителей, которая разделяется p - n-переходом и создает фототок.

.3 Инерционность

Фотодиоды являются наиболее быстродействующими фотоприемниками, и применяются для регистрации излучения, модулированного по интенсивности. Важным при использовании фотодиодов является влияние частоты модуляции интенсивности света на фототок диода. Если длительность интервалов между импульсами света много больше времени диффузии носителей через базу, то фототок имеет вид разделенных друг от друга импульсов тока. С увеличением частоты следования импульсов света длительность интервалов между ними уменьшается, и при больших частотах следующий импульс фототока начинается, когда предыдущий еще не успел закончиться. Таким образом, при большой частоте следования импульсов света фотодиод не успевает реагировать на каждый импульс. Импульсы фототока сливаются друг с другом.

.4 Спектральная характеристика

Длинноволновая граница фоточувствительности определяется значением ширины запрещенной зоны Eg, а спад в коротковолновой области спектра объясняется тем, что коэффициент поглощения растет, и большая часть излучения поглощается в приповерхностном слое базы, где τэф мало и меньшая часть генерированных светом носителей доходит до p - n-перехода. Следовательно, положение коротковолновой границы фоточувствительности зависит от ширины базы и скорости поверхностной рекомбинации. Уменьшая значения этих величин, можно существенно сдвигать коротковолновую границу фоточувствительности в сторону меньших длин волн. Вид спектральной характеристики реального фотодиода определяется в основном зависимостью коэффициента собирания χ от длины волны. Значение χ определяется структурой фотодиода, диффузной длиной неосновных носителей, коэффициентом поглощения света, шириной запрещенной зоны полупроводника. Для повышения чувствительности в длинноволновой области спектра необходимо увеличивать диффузионную длину неосновных носителей в исходном материале. Повышение коротковолновой чувствительности можно обеспечить создание объемного заряда вблизи поверхности фотоприемника, как это имеет место, например, в поверхностно-барьерных структурах. Изменение чувствительности и сдвиг максимума спектральной характеристики происходят при переходе от вентильного режима работы к фотодиодному за счет расширения области объемного заряда и увеличения эффективности собирания носителей. Применение специальных покрытий дает возможность уменьшить коэффициент отражения до 5…10%, а, следовательно, увеличить чувствительность.

Зависимость спектральных характеристик от температуры определяется главным образом температурной зависимостью коэффициента собирания. Влияние оказывают температурные изменения коэффициента поглощения света, ширины запрещенной зоны полупроводника, диффузионной длины неосновных носителей и др.

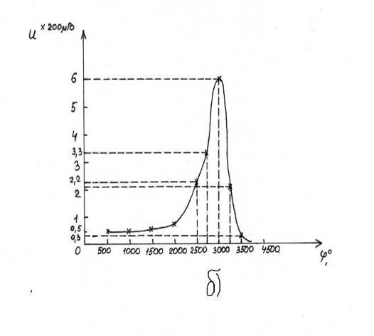
При изучении спектральной чувствительности фотодиодов выявляют зависимость силы тока или напряжения на фотодиоде от длины волны падающего излучения. Снимем спектральную характеристику фотодиода ФД - 24К (1-85). Для этого подключим его к мультиметру, работающему в режиме вольтметра, и поднесем к зрительной трубе монохроматора УМ - 2. В качестве источника света будем использовать лампочку Л 12V, 50 + 40W. Монохроматор разделяет световой поток на линейчатый спектр. Каждому цвету в спектре соответствует определенный угол поворота барабана монохроматора.

График зависимости напряжения фотодиода от угла поворота барабана монохроматора представлены на рисунке 5. Так как каждому углу поворота соответствует определенное значение длины световой волны, из данных графика следует, что максимум спектральной чувствительности приходится на красный цвет спектра.

Рисунок 5 - Спектральная характеристика фотодиода ФД - 24К (1 - 85)

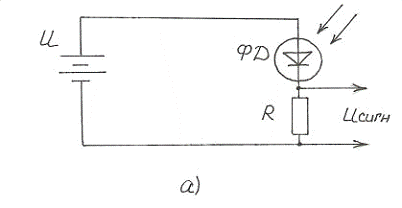
Для разработки устройства, позволяющего определять спектральные характеристики источников излучения без использования монохроматора, соберем схему питания, представляющую собой несложную электрическую цепь, состоящую из генератора тока, фотодиода ФД, сопротивления R (рисунок 6). Используя сопротивление, мы тем самым изменяем напряжение на фотодиоде, что непосредственно должно привести к увеличению спектральной чувствительности в длинноволновую область. Снимем показания мультиметра аналогично первому опыту. Данные измерений отобразим на графике (рисунок 7) зависимости напряжения фотодиода от угла поворота барабана монохроматора.

Рисунок 6 - Схема включения фотодиода

Рисунок 7 - Спектральная характеристика фотодиода

Проанализировав полученную зависимость, заметим, что желаемого смещения максимума спектральной чувствительности в сторону больших длин волн не происходит. В ходе проделанной работы приходим к выводу, что смещение максимума спектральной чувствительности происходит при определенных условиях, а именно в области более низких температур фотоприемника, следовательно, необходимо уменьшить температуру фотодиода, используя специальные охлаждаемые датчики.

.5 Охлаждаемые фотодатчики

Охлаждение фотоприемников, как правило, существенно увеличивает их чувствительность и всегда изменяет свойства и параметры. При понижении температуры изменяется длинноволновая граница чувствительности (в одних случаях в сторону меньших длин волн, в других - в сторону больших), инерционность, сопротивление и др. Охлаждение во многом улучшает качество фотоприемника и, если бы оно не было сопряжено с дополнительными затруднениями при эксплуатации, применение его было бы всегда рационально. Практически охлаждение осуществляется для фотоприемников всех типов.

В данной работе единственным возможным решением является использование в качестве охлаждаемого фотодатчика элемент Пельтье (Пельтье-холодильник), компактный и удобный в использовании модуль (тип СР. 0 - 127 - 05L). Максимальная сила тока элемента Пельтье Imax=3,9 А, максимальное напряжение - Umax=15,5 В, максимальная мощность, Qmax=34,5, разность комнатной и температуры на элементе ΔТ=71˚С, габариты 30Ч30Ч3,6 мм. Для более глубокого охлаждения используем последовательное соединение Пельтье-модулей, при этом величина ΔТ составит 140˚С. Принципиальная схема охлаждаемого фотодатчика показана на рисунке 8а. Изменяя напряжение, подаваемое на Пельтье-модуль, будем регулировать ΔТ, смещая, таким образом, максимум спектральной чувствительности в сторону больших длин волн (рисунок 8б). Построим графики зависимости спектральной чувствительности от длины волны при различных температурах. Полученные максимумы спектральной чувствительности определяют спектральную характеристику источников излучения (рисунок 8б). Таким образом, только в результате охлаждения фотоприемника удается достичь цели исследовательской работы.

Рисунок 8 - Схема охлаждаемого фотодатчика (а)

и зависимость спектральной чувствительности от температуры (б)

Исследование охлаждаемого фотодатчика позволяет изменять спектральную чувствительность в зависимости от температуры фотодатчика, которая регулируется напряжением, подаваемым на Пельтье-модуль. Это дает возможность судить о спектральном составе излучения, падающего на фотоприемник, меняя температуру фотодатчика. Так можно исследовать спектральный состав излучения без использования дисперсионных приборов типа монохроматора.

Заключение

В ходе данной исследовательской работы были не только сформулированы основные характеристики, параметры, принцип действия фотоэлектрических приемников видимого диапазона спектра излучения, но и представлена разработка устройства, при помощи которого возможно определение спектральных характеристик источников излучения с помощью фотоприемников, охлаждаемых фотодатчиков.

Регулируя температуру на фотодиоде сменой напряжений, подаваемых на элемент Пельтье, возможно смещение максимума спектральной чувствительности в сторону больших длин волн, при этом для каждой установленной температуры существует единственная характеристика спектральной чувствительности. Максимумы спектральной чувствительности при различных температурах определяют спектральный состав излучения.

Таким образом, в исследовательской работе предложено устройство, действие которого не предполагает использование монохроматоров при определении спектрального состава излучения. Это, несомненно, значительно упрощает работу по изучению спектральных характеристик излучений. Кроме того, данное устройство значительно компактней и дешевле используемых ранее.

Данная работа обобщает, систематизирует знания о полупроводниковых фотоприемниках и вносит существенный вклад в облегчение изучения спектрального состава излучения.

Список литературы

1.      Полупроводниковые фотоприемники: Ультрафиолетовый, видимый и ближний инфракрасный диапазоны спектра / И. Д. Анисимова, И. М. Викулин, Ф. А. Заитов, Ш. Д. Курмашев; Под ред. В. И. Стафеева. - М.: Радио и связь, 1984. - 216 с., ил.

.        Приемники инфракрасного излучения / М. Н. Марков; Под ред. И. К. Шувалова - М.: «Наука», 1968. - 167 с.: ил.

.        Фото- и термодатчики в электронных схемах / А. П. Кашкаров; Под ред. М. Меньшова - М.: «Альтекс», 2004. - 222 с.: ил.

.        Электронные приборы: Учебник для вузов / В. Н. Дулин, Н. А. Аваев, В. П. Демин и др.; Под ред. Г. Г. Шишкина. - 4-е изд., перераб. и доп. - М.: Энергоатомиздат, 1989. - 496 с.: ил.

Похожие работы на - Полупроводниковые фотоприемники

 

Не нашли материал для своей работы?
Поможем написать уникальную работу
Без плагиата!
Без нейросетей!