Подъёмно-транспортные машины и установки

  • Вид работы:
    Курсовая работа (т)
  • Предмет:
    Физика
  • Язык:
    Русский
    ,
    Формат файла:
    MS Word
    466,42 Кб
  • Опубликовано:
    2013-12-03
Вы можете узнать стоимость помощи в написании студенческой работы.
Помощь в написании работы, которую точно примут!

Подъёмно-транспортные машины и установки

ВВЕДЕНИЕ

Подъёмно-транспортная техника представляет собой широкий класс механизмов, используемых в промышленности, строительстве и сельском хозяйстве.

Подъёмно-транспортные машины и установки во многих случая представляют собой сложные агрегаты. Они включают в себя несколько механизмов, работу которых не всегда можно рассматривать изолированно друг от друга, так как работа одного привода ведёт к существенному изменению параметров другого. Управление такими объектами с достижением наилучшего результата возможно лишь на основе применения средств автоматизации.

В данной работе объектом управления является портальный кран, рисунок ….

Особенностью этого механизма является его постоянная работа в переходных режимах, ввиду чего особенно важным является обеспечение необходимых благоприятных динамических характеристик.

Рассмотрению подлежит электропривод механизма вылета стрелы, на функционирование которого существенное влияние оказывают различные значения груза, приводящие к изменению момента инерции, статических и динамических нагрузок на валу двигателя механизма вылета стрелы.

В приводе механизма вылета стрелы используется асинхронный двигатель с фазным ротором. Предлагается использовать импульсное параметрическое регулирование угловой скорости двигателя, что позволит устранить явление раскачивания груза. В исходной схеме это достигалось путём увеличения числа ступеней пусковых сопротивлений. Таким образом контакторы ускорения устраняются, благодаря этому повышается надёжность системы электропривода.

До сих пор, в основном, исследовались статические режимы каскадов и их энергетические показатели при регулировании угловой скорости. Динамические характеристики учитывались недостаточно полно, что приводит к неправильному выбору параметров системы автоматизированного электропривода и соответственно напряжённому режиму работы оборудования. Поэтому синтез и анализ замкнутых систем автоматизированного управления представляется весьма важным и необходимым.

Целью настоящей работы является модернизация электропривода механизма вылета стрелы с импульсным параметрическим регулированием угловой скорости.

1. ТЕХНОЛОГИЧЕСКИЕ ОСОБЕННОСТИ МЕХАНИЗМА

1.1      Техническое описание механизма

В настоящее время вопросы автоматизации механизмов не только сложных, но и самых простейших не вызывает сомнения, так как лишь автоматизированные системы могут оптимально решать все стоящие задачи перед устройствами, установками и комплексами в процессе их эксплуатации, максимальной производительности, качества выпускаемой продукции, надёжности, долговечности, минимизации себестоимости, техники безопасности и так далее. Вопрос совершенно в другом - определится в каждом конкретном случае с целесообразной степенью автоматизации, качества переходных процессов, быстродействия, количества регулируемых координат, учёта различных факторов и тому подобное, то есть в конечном итоге найти, оптимальное соотношение между возможностями и глубиной решаемых задач стоящими перед установками и комплексами и их стоимостью. В теоретическом плане необходимо разработать теорию и провести исследования применительно к определённым группам механизмов, характеризуемых общностью назначения, технологией процесса, конструкцией и тому подобное.

В области подъёмно-транспортных и перегрузочных работ имеет место значительное количество механизмов, которые отличаются по своему технологическому назначению и, соответственно, по своему конструктивному исполнению. В связи с этим применяется множество различных приводов от самых простейших до достаточно сложных. При этом различна степень их автоматизации. Всё это объясняется рядом объективных и субъективных причин.

Подъёмно-транспортные и перегрузочные механизмы - один из древнейших механизмов. Их привод по мере развития науки и техники пошёл путь, начиная от ручного до современного электрического.

Однако и сегодня электропривод подъёмно-транспортных и перегрузочных механизмов весьма многообразен, а его степень автоматизации в подавляющем большинстве не соответствует современному уровню науки и техники. Это связанно со значительным сроком эксплуатации оборудования, и следовательно, имеет и место фактор морального старения электропривода; с отсутствием практических разработок соответствующих современному развитию науки и техники и пригодных для использования в качестве автоматизированных электроприводов для тех или иных механизмов с оптимальным регулированием тех или иных координат; практически с не востребованием в последнее десятилетие подъёмно-транспортных и перегрузочных механизмов, из за застоя в экономике и производстве, со слабостью уровня или отсутствием должных практических институтов и так далее.

Одним из распространённых и ответственных механизмов является механизм вылета стрелы портального крана, а его привод наиболее сложным, так как работает в повторно-кратковременном режиме с постоянно меняющимся приведённым моментом инерции Jпр как от цикла к циклу, так и в течении самого цикла. При этом должен решаться важнейший вопрос - устранения процесса раскачивания перемещаемого груза несмотря на постоянно меняющиеся управляющие и возмущающие воздействия, наличие существенных гибких и упругих связей, зазоров и нелинейностей. В качестве электроприводов механизма вылета стрелы используются системы различных типов сложности и степени автоматизации. При этом на различие существенно сказывается грузоподъёмность кранов.

Однако существующие системы электропривода не отвечают в полной мере современным требованиям процессов погрузочно-разгрузочных работ. Вместе с тем за последние 10-15 лет произошли существенные сдвиги в области развития систем электропривода. Также имеет место заметный прогресс в области создания силовой элементной полупроводниковой базы (силовые транзисторы, оптотиристоры и т.д.), что позволяет реализовать достижения науки и техники в области создания современных систем электропривода крановых механизмов.

В настоящее время нет системных проработок по обоснованию применения того или иного привода, его уровня и системы управления. В результате имеет место необоснованное многообразие применяемых систем электропривода, что вызывает трудности при импортных закупках кранового оборудования, создании отечественных систем электропривода, проведении системной модернизации уже существующих электроприводов и их наладку.

Определённый класс исполнительных механизмов работает с изменяющимся приведённым моментом инерции Jпр. все механизмы данного класса можно условно разделить на две группы. На механизмы, у которых в процессе работы график изменения приведённого момента с определённой периодичностью строго повторяется. Сюда относятся прежде всего механизмы, у которых в процессе работы графики изменения приведённого момента от цикла к циклу не повторяются. Сюда относятся погрузочно-разгрузочные , у ряда которых к тому же изменения приведённого момента инерции Jпр от цикла к циклу вызывают не только различием масс, но и изменением радиуса приведения, а также имеет место непостоянство продолжительности цикла. Всё это приводит к непредсказуемому, в пределах допустимых нагрузок, вида тахограмм и нагрузочных диаграмм исполнительного двигателя. Такие механизмы, а соответственно и их приводные двигатели, работают постоянно в динамических (переходных) повторно-кратковременных режимах, сопровождающихся постоянно меняющимся управляющим и возмущающим воздействием. Поэтому для получения оптимальных динамических процессов по тем или иным координатам у подобных механизмов требуются сложные системы регулирования со специальными настройками, а в ряде случаев системы управления с изменяющимися параметрами или структурой.

К подобной группе механизмов относятся портальные краны, у которых наиболее сложные режимы имеют место в приводах механизмов вылета стрелы. Здесь все погрузочно-разгрузочные работы осуществляются в повторно-кратковременном режиме с постоянно меняющимся приведённым моментом инерции Jпр из-за различной величины перегружаемых масс и изменения радиуса приведения.

Исследование и разработку системы электропривода для механизма с изменяющимся моментом инерции приведён для электропривода механизма вылета стрелы портального крана типа GANZ 5/6 - 30 - 10,5. Это позволит предельно и безотносительно на базе реальных параметров конкретного механизма проверять полученные теоретические положения и результаты. Кроме того, опора на конкретный механизм позволит создать соответствующий прототип физической модели для проведения натуральных исследований по проверке соответствия теоретических результатов практическим. И далее - это позволит без дополнительных исследований разработать инженерную методику расчёта систем электропривода подобных механизмов, создать и реализовать функциональную систему электропривода для конкретного механизма.

Объектом управления в настоящей работе является портальный электрический кран «ГАНЦ» (GANZ). Портальный кран был спроектирован Конструкторским бюро Кранового завода Венгерского Судо- и Краностроительного комбината в городе Будапеште (Венгрия). Этот же завод осуществляет серийный выпуск кранов.

По своей конструкции и техническому уровню данный кран предназначен для погрузочно-разгрузочных работ в морских и речных портах и для механизации ряда трудоемких операций на крупных гидротехнических стройках, а также в других отраслях промышленности.

По функциональным возможностям - это перемещающийся и полноповоротный кран, имеющий грузоподъёмность независимо от вылета стрелы 5 тонн в тяжёлом режиме и 6 тонн в обычном рабочем режиме. Минимальный вылет стрелы 8 метров, а максимальный составляет 30 метров. Поворотная часть с колонной и прямой уравновешенной стрелой располагается на четырёхопорном портале (Ходовых тележках) и обеспечивает горизонтальное перемещение подвешенного на крюк груза при изменении вылета стрелы. Наибольшая высота подъёма груза над головкой рельса составляет 23 метра, а глубина опускания, считая от той же отметки - 15 метров. Кран по желанию может быть использован как в крюковом , так и в грейферном режимах.

Электропитание крана осуществляется посредством гибкого кабеля. Управление краном производится из кабины крановщика и осуществляется одним человеком.

Механизм изменения вылета стрелы, рисунок 1.1, служит для перемещения подвешенного на крюк груза или грейфера в горизонтальном направлении в пределах крайних положений стрелы путём изменения её вылета. Груз, подвешенный на крюк или расположенный в грейфере, перемещается со скоростью примерно 1 метр в секунду (м/с).

Рисунок 1.1 - Кинематическая схема изменения вылета стрелы

где А - электродвигатель; Б - эластичная муфта; В - качающийся редуктор;

Первая передача: 1 - вал-шестерня; 2 - зубчатое колесо.

Вторая передача: 3 - вал-шестерня; 4 - зубчатое колесо.

Открытая передача: 5 - шестерня реечная; 6 - рейка.

Механизм изменения вылета стрелы состоит из следующих узлов:

а) электродвигатель типа MTF - 311 - 6, мощностью 11 кВт с частотой вращения 945 об/мин, относительной продолжительностью включения 40%, весом 170 кг;

б) редуктор типа VP - 450G с передаточным отношением i=42,38, весом 820 кг;

в) две зубчатые рейки, расположенные симметрично по обеим сторонам колонки и превращающие усилие выходного вала редуктора в поступательное движение (вперёд - назад). Зубчатые рейки посредством промежуточного элемента связанны со стрелой;

г) подвижной противовес, обеспечивающий уравновешивание стрелы, при помощи которого могут быть получены различные положения равновесия.

Одновременно с этим упомянутый противовес участвует в установке равновесия поворотной части крана и всего крана. Подвесной противовес крепиться к хоботу стрелы через блочную систему колонны при помощи тросов.

1.2      Требования предъявляемые к электроприводу механизма вылета стрелы

К электроприводу изменения вылета стрелы предъявляются следующие требования /12/:

.   Рабочее напряжение сети не должно превышать 660 В.

.   Все электроприводы необходимо оборудовать устройствами электрической защиты, срабатывающими при коротких замыканиях и перегрузках. Для защиты от длительных перегрузок желательно использование встроенных в обмотки двигателя температурных датчиков, так как внешние устройства электротепловой защиты неэффективны.

.   В многодвигательных электроприводах срабатывание защиты одного из электродвигателей должно приводить к автоматическому отключению остальных.

.   Механизм вылета стрелы следует оснащать конечными выключателями хода.

.   Все механизмы, за исключением механизма поворота, необходимо оборудовать механическими тормозами закрытого типа, затормаживающими механизмами при исчезновении напряжения питающей сети.

.   Следует обеспечить возможность опробования и контроля элементов системы управления электроприводом при отключенных силовых цепях и заторможенных механизмах.

.   Системы управления должны иметь нулевую блокировку и защиту, исключающие возможности самопроизвольного пуска электродвигателей и минимальную защиту, отключающую  электропривод  при значительном снижении напряжения сети.

.   Управление электродвигателями всех механизмов нужно осуществлять посредством двух комбинированных командоаппаратов. Один командоаппарат предназначен для механизмов поворота и вылета, а другой для механизма подъёма. Направления перемещения рукояток управления должны соответствовать направлениям перемещения груза.

.   Системы управления должны обеспечивать независимое выполнение и совмещения поворота операций крана, изменения вылета стрелы и вертикального перемещения грузов.

.   Система управления электроприводом механизма изменения вылета стрелы должна, как правило, обеспечивать кратковременный переход в режим электрического торможения при переводе рукоятки управления из рабочего положения в нулевое с последующим наложением механических тормозов.

.   При пуске и электрическом торможении электропривода механизма изменения вылета стрелы амплитуда угла отклонения канатов от вертикали (с грузом номинальной массы) должна быть не более 3,50 (0,06 радиан).

.   Системы управления электроприводов должны быть унифицированы. Электроприводы механизмов одинакового функционального назначения должны иметь единые схемы решения независимо от грузоподъёмности кранов.

.   В переходных и установившихся режимах работы электроприводов системы управления должны обеспечивать заданный характер движения рабочего органа.

.   Систему управления должны быть стойкими к воздействию внешних помех, искажениям формы кривой тока и изменениям напряжения питающей сети. В системах управления должны быть предусмотрены устройства для подавления собственных помех, вызывающих искажение формы кривой тока питающих сетей для обеспечения качества электроэнергии.

.   Расчёт мощности электродвигателя механизма изменения вылета стрелы должен производится на относительную продолжительность 60% или 40%.

.   Место установки нулевого выключателя должно выбираться с учётом обеспечения безопасного выбега механизма l (м): для механизма вылета стрелы - l=(0,6÷0,8)V2, где V - максимальная линейная скорость, м/с.

.   Для безударного выбирания зазоров в передачах системы управления электроприводом механизма изменения вылета стрелы должна обеспечить предварительный момент двигателя 0,2Мном, при длительности действия 0,4 - 0,5 секунды.

.   Конструкция и размещение устройств управления на кранах должно обеспечивать защиту обеспечивающего персонала от случайных прикосновений к токоведущим частям, защиту установленного электрооборудования от попадания на них атмосферных осадков, удобство обслуживания, а также лёгкое обнаружение, и быструю замену неисправных элементов. Для обеспечения безопасной работы электропривода крановых механизмов должны иметь степень защиты IP 44 (брызгозащищённые).

.   Системы управления необходимо комплектовать в основном из серийно изготовленных отечественных изделий.

.   Все аппараты должны соответствовать требованиям действующих ГОСТов и условиям работы кранов.

.   При выборе коммутационных аппаратов следует ориентироваться на электрическую аппаратуру, имеющую максимальную износостойкость, отвечающие условиям надёжности и долговечности работы кранов в целом.

.   Комплектные устройства управления и автоматизации должны иметь схемы внутренних соединений, размещённых на внешних или внутренних соединений элементах их конструкций.

.   Внутренние соединения между аппаратами, а также выводы от них к контактным зажимам должны быть выполнены проводами с многопроволочными жилами.

.   Контактные зажимы, а также концы проводов (жил, кабелей) должны имеет чёткие и прочные обозначения и нумерацию.

.   детали контактных соединений элементов системы управления должны быть надёжно защищены от коррозии.

2. Анализ возможных систем привода

Поскольку в качестве приводных двигателей механизмов крана используются в основном только асинхронные двигатели (с короткозамкнутым или фазным ротором), то целесообразно рассматривать силовые системы управления именно на базе асинхронных двигателей, так как переход на синхронный привод не целесообразен по технико-экономическим причинам   (нет выбора маломощных синхронных двигателей и дорогостоящие питающие их силовые преобразователи). Привод же постоянного тока также не целесообразен из-за более сложного и дорогого технического обслуживания, меньшей надёжности, постоянного режима ударной нагрузки (резкое снижение срока службы - требуются специальные двигатели), резкое удорожание модернизации электропривода вследствие замены двигателей, производства дополнительных механических, монтажных и наладочных работ и тому подобное. В свою   очередь имеется значительное число систем электропривода на базе асинхронного двигателя и способов их регулирования обладающих различными возможностями, преимуществами и недостатками.

Возможные способы регулирования скорости асинхронного электропривода можно разделить на три группы:

.   Способы регулирования, при которых скольжение S изменяется в широких пределах и потери, выделяющиеся в виде теплоты в элементах роторной цепи, пропорциональны скольжению.

.   Способы регулирования, при которых абсолютное скольжение Sа двигателя при регулировании остаётся небольшим и достигает критического скольжения на естественной характеристике (Sa меньше Sкр).

.   Способы регулирования, при которых абсолютное скольжение при регулировании изменяется в широких пределах, но потери энергии скольжения в роторной цепи ограниченны.

К первой группе способов регулирования скорости асинхронного электропривода относятся:

−         реостатное регулирование

−  регулирование изменением напряжения на статоре двигателя.

При регулировании изменением напряжения на статоре двигателя  потери в роторной цепи пропорциональны скольжению. Следовательно, при продолжительном режиме для исключения перегрева двигателя необходимо снижать его нагрузку в обратно пропорциональной зависимости от скольжения. Для двигателей с самовентиляцией это снижение должно быть больше с   учётом ухудшения условий охлаждения по мере снижения скорости. Из-за наличия потерь в двигателе пропорциональных скольжению, область  применения замкнутых систем электропривода по скорости при данном способе регулирования ограничивается механизмами с вентиляторной нагрузкой или работающие с кратковременным снижением скорости в течение цикла.

Ко второй группе способов регулирования скорости асинхронного электропривода относится частотное регулирование и регулирование изменением числа пар полюсов. Регулирование изменением числа пар полюсов неприемлемо уже из-за дискретности изменения ω, не говоря уже о других технико-экономических показателях.

Частотное регулирование момента асинхронного двигателя, по сравнению с системой постоянного тока, управляемой путём изменения напряжения якоря двигателя, более сложно в связи с отсутствием отдельного независимого канала регулирования потока двигателя, каким является обмотка возбуждения двигателя постоянного тока. Другой особенностью является сложность измерения ряда координат асинхронного двигателя, обусловленная работой двигателя на переменном токе. Поэтому в замкнутых системах частотного регулирования скорости для регулирования потока и момента двигателя используются положительные обратные связи, компенсирующие те или иные возмущении, а также косвенные методы измерения переменных.

Для создания современных систем частотного управления асинхронного двигателя используется принцип ориентирования по полю двигателя, основой которого служат координатные и фазные преобразования переменных, упрощающих не только анализ динамических процессов электромеханического преобразования энергии, но и успешно применяются в качестве математической основы построения алгоритмов функционирования систем управления электропривода переменного тока. Данный принцип состоит в том, что если при применении асинхронного двигателя оперировать в целях управления не с реальными переменными машинами, а с преобразованным к координатным по полю осям, то можно отдельно управлять магнитным потоком и моментом двигателя, имея дело не с синусоидальными величинами, а с постоянными их преобразованными значениями.

Данная система обеспечивает диапазон регулирования 30:1, хотя в некоторых источниках указывается диапазон регулирования 50:1. Однако, для механизма вылета стрелы такой диапазон является избыточным, кроме того такие системы отличаются большой сложностью устройства системы управления, дорогостоящие, требуют высокой степени квалификации обслуживающего персонала. Учитывая сказанное применение данной системы является не целесообразным.

Существенным недостатком всех рассмотренных способов регулирования скорости асинхронного двигателя при ω0=const является возрастание потерь энергии в роторной цепи при снижении скорости пропорционально скольжению. Однако, у асинхронных двигателей с фазным ротором этот недостаток можно устранить путём включения в цепь ротора источника регулируемой электродвижущей силы, с помощью которой энергию скольжения можно либо возвратить в сеть, либо использовать для совершения полезной работы.

Схемы асинхронного электропривода с включением в цепь ротора дополнительных ступеней преобразования энергии для использования и регулирования энергии скольжения получили название каскадных схем (каскадов).

Если энергия скольжения преобразуется для возврата в электрическую сеть, то каскад называют электрический. Если энергия скольжения преобразуется в механическую энергию и поступает на вал двигателя, то такие каскада называют электромеханическими.

Примером электрического каскада является каскад с асинхронным двигателем, работающем в режиме машины двойного питания. В цепь ротора асинхронного двигателя включается преобразователь частоты, способный как потреблять энергию скольжения и генерировать в сеть
, так и передавать двигателю энергию из сети со стороны ротора на частоте скольжения, то есть управлять потоком энергии в цепи ротора как прямом, так и в обратном направлении.

Однако, существует целая группа механизмов, у которых могут быть снижены требования к управлению потоком мощности скольжения на пути её возвращения в сеть или передачи на вал двигателя. К таковым относятся нереверсивные механизмы, работающие с реактивной нагрузкой на валу и не требующие работы двигателя в генераторном режиме в процессе торможения. В этом случае можно ограничиться однозначным регулированием скорости, при котором в двигательном режиме направление потока мощности скольжения неизменно, то есть от ротора двигателя на вал или в сеть. Это позволяет существенно упростить каскадные схемы, применив в канале преобразования мощности скольжения неуправляемый выпрямитель.

Если далее для преобразования выпрямленного тока и его рекуперации используется электромагнитный агрегат, то каскад называется машинно-вентильным. В нём выпрямленный ток направляется в обмотку якоря двигателя постоянного тока, соединённого с валом асинхронного двигателя, который преобразует электрическую энергию скольжения в механическую, поступающую на вал асинхронного двигателя.

Если же вместо электромагнитного агрегата далее используется вентильный инвертор ведомый сетью, то каскад называется вентильным (асинхронно-вентильным) каскадом.

Асинхронно-вентильный каскад применяется в электроприводе небольшой мощности, потому их электрическое сопротивление Rэ больше, чем электрическое сопротивление Rэ машинно-вентильного каскада, используемого в электроприводе большой мощности, что вызывает более заметное изменение соответственно жёсткости механических характеристик при уменьшении скорости ωон. Поэтому для повышения точности регулирования используют автоматическое управление скорости каскада по отключению, подавая сигнал ошибки на вход ТП. Благодаря высокому коэффициенту усиления и быстродействия ТП создаются оптимальные возможности регулирования.

Коэффициент полезного действия асинхронно-вентильного каскада выше, чем у машинно-вентильного каскада. К тому же нет дополнительных вращающихся электрических машин и не требуется дополнительн6ых фундаментов и механических монтажно-наладочных работ.

Импульсное параметрическое регулирование скорости асинхронного двигателя можно осуществить как по цепи статора, так и по цепи ротора в случае использования асинхронного двигателя с фазным ротором.

Рисунок 2.1 - Импульсное параметрическое регулирование скорости асинхронного двигателя по цепи ротора.

В первом случае статические механические характеристики аналогичны характеристикам системы с теристорным регулятором напряжения асинхронного

двигателя, а асинхронный двигатель может работать во всех четырёх квадрантах: в двигательном - I квадрант, в генераторном - II квадрант (с рекуперацией энергии в сеть), в динамическом торможении с независимым или самовозбуждением при наличии соответствующей схемы - III квадрант, IV квадрант (в режиме противовключения под действием активного момента).  В качестве ключа К используется бесконтактный коммутатор (транзистор, тиристор) и при достаточно большой частоте коммутации f0 ключа можно считать, что в цепи статора включено сопротивление Rvar, величина которого плавно изменяется от 0 до R при изменении скважности γ импульсов от 1 до 0.

,

где  - длительность замкнутого состояния ключа;

 - период коммутации.

Связь между Rvar и γ выражается линейной зависимостью:


При снижении скорости (увеличении Rvar) резко падает момент, возрастают потери в цепи короткозамкнутого ротора  и выделяются в виде тепла, вызывая дополнительный нагрев двигателя. Возрастают потери и в резисторах (сопротивлениях) R (таких потерь в системе тиристорного регулятора напряжения асинхронного двигателя нет). Поэтому данная схема может быть использована в электроприводах малой мощности и в кратковременном режиме работы. Диапазон регулирования Д в продолжительном режиме обычно составляет (1,5 - 2):1.

Лучшее использование двигателя при импульсном параметрическом регулировании угловой скорости асинхронного двигателя достигается когда применяется двигатель с фазным ротором. В этом случае дополнительные потери мощности, обусловленные регулированием угловой скорости в основном выделяются в добавочном резисторе R в не машины. Кроме того отсутствуют резисторы в цепях статора и соответственно исключаются дополнительные потери в них (Ссылка на рисунок «Импульсное параметрическое регулирование скорости асинхронного двигателя по цепи ротора»).

Дополнительный резистор R включён через неуправляемый выпрямитель в роторную цепь последовательно со сглаживающим реактором L, необходимым для исключения режима прерывистых токов. Здесь, как и в предыдущей схеме, работа асинхронного двигателя возможна во всех четырёх квадрантах, а функционирование ключа К аналогично. Однако, зона регулирования расширяется, так как справа ограничивается ординатой, соответствующей величине Мкр асинхронного двигателя.

Энергетические показатели при импульсном регулировании сопротивления несколько хуже, чем при ступенчатом изменении сопротивлений в фазах ротора. Это обусловлено пульсациями выпрямленного тока, увеличивающими потери; наличием в цепях обмоток ротора выпрямительного моста, который искажает форму тока фаз ротора, что приводит к появлению моментов высших гармоник и дополнительным потерям.

Для осуществления реверса могут применятся контактные или бесконтактные (тиристоры) элементы. Введение СИФУ для управления тиристорами в цепях статора (тиристорного регулятора напряжения), различающих определённые алгоритмы позволит расширить зону регулирования вплоть до осей координат.

Импульсное управление асинхронным двигателем с фазным ротором по цепи выпрямленного тока обеспечивает регулирование угловой скорости простыми средствами, плавно, в широких пределах и с высоким быстродействием.

Учитывая, что тахограммы (циклограммы) работы механизма вылета стрелы представляют по форме трапеции (разгон, стабилизация скорости, торможение), то есть практически нет интервалов работы на пониженных скоростях, то система асинхронный двигатель с фазным ротором - широтно-импульсный регулятор в цепи ротора является наиболее предпочтительно для привода механизма вылета стрелы. При этом необходимо учитывать также ряд следующих обстоятельств, используется прежний асинхронный двигатель, не нужно проводить дополнительных механосборочных и наладочных работ, не требуется дополнительных площадей и фундаментных конструкций.

Выводы:

1  Проведён анализ технико-экономических показателей системы электропривода с целью возможности применения их в крановых механизмах.

    Подавляющее большинство портальных и плавучих кранов имеют грузоподъёмность от 5 до 25 тонн. Все их механизмы работают в повторно-кратковременном режиме работы с ПВ от 25% до 60%.

    Для привода механизмов используется как правило асинхронные двигатели.

    Циклограммы работы всех механизмов кранов по форме идентичны и включают все основные участки: разгон, работа с максимальной скоростью, торможение, работа с промежуточной (посадочной) скоростью, остановка (посадка) и пауза.

    Кривые М(t) и ω(t) должны иметь апериодический характер и оптимальный по быстродействию.

    Управление системой электропривода должно быть таким, чтобы исключались процессы колебаний и раскачивания механизмов и груза.

3. Расчёт параметров электропривода вылета стрелы

.1 Технические данные электродвигателя

Номинальная мощность, кВт

11

Частота вращения, об/мин

945

Перегрузочная способность Ммн

2,5

Cosφн

0,74

Cosφхх

0,092

Номинальный ток статора Iсн, А

30,3

Ток статора на холостом ходу Iс.хх, А

23,2

Активное сопротивление статора rc, Ом

0,48

Индуктивное сопротивление статора xс, Ом

0,645

Номинальное напряжение ротора Ерн, В

172

Номинальный ток ротора Iрн, А.

42

Активное сопротивление ротора rр, Ом

0,111

Индуктивное сопротивление ротора хр, Ом

0,241

Коэффициент трансформации напряжения, 4,2

Момент инерции ротора Jр, кг·м2

0,9

Вес двигателя Q, кг

170

.2 Расчёт эквивалентного момента инерции

Усилия показанные на рисунке 3.1 и принадлежащие им плечи, рассчитанные от оси поворотной башни при максимальном вылете стрелы, обозначены следующим образом:

me+mf - масса заднего машинного отделения с учётом механизма подъёма, механизма поворота, электрооборудования и поворотной рамы;

ms - масса противовеса и его арматуры;

mk - масса концентрично расположения оборудования (узлы поворотной башни, трапы, арматура поворотной башни);

mb - масса механизма изменения вылета стрелы и верхнего машинного отделения;

mh - масса кабины крановщика и её арматуры;

mr - масса зубчатой рейки;

mg - масса стрелы и её арматуры;

Рисунок 3.1 - Общий вид крана

mt - масса груза и крюковой подвески.

Значения масс (кг) и их плеч (м) сведены в таблицу 3.1, где также указанны расчётные значения суммарной массы  и результирующей силы тяжести .

Таблица 3.1 - Массогабаритные показатели механизмов крана

(mc+mf), кг

14331

mh, кг

1254,6

ms, кг

12840

mr, кг

1915

mk, кг

20466

mg, кг

7230

mb, кг

2324

mt, кг

6624

lcf, м

2,2

lb, м

-

ls, м

-

lh, м

3,7

lk, м

-

lr, м

4,2

lg, м

12,65

, кг66984,6


lt, м

30

, Н657119


На рисунке (3.2) показаны предельные положения вылета стрелы, положение оси ординат относительно оси вращения платформы и конструктивные размеры. Суммарный момент инерции механизма вылета стрелы приведённый к валу двигателя:

 (3.1)

где  - момент инерции груза, приведённый к валу двигателя, Н·м2;

 - момент инерции стрелы, приведённый к валу двигателя, Н·м2;

 - момент инерции рейки, приведённый к валу двигателя, Н·м2;

 - момент инерции противовеса, приведённый к валу двигателя, Н·м2;

 - момент инерции редуктора, приведённый к валу двигателя, Н·м2;

Используя известные линейные скорости элементов механизмов крана находим их приведённые моменты инерции к валу двигателя механизма вылета стрелы при максимальном вылете:

Рисунок 3.2

Момент инерции приведённый к валу двигателя

 (3.2)

где  - частота вращения двигателя.

Подставляя в формулу (3.2) известные значения масс и линейные скорости находим моменты инерции отдельных механизмов.

Момент инерции груза:

Рисунок 3.2 - Общая длинна рейки 7520 мм, а длинна нарезной части 5660 мм.

Момент инерции стрелы:

Момент инерции противовеса:

Момент инерции рейки:

Момент инерции двигателя с учётом момента инерции редуктора:

Подставим полученные значения в формулу 3.1, находим суммарный приведённый к валу двигателя момент инерции с грузом:

Момент инерции без груза:


3.3      Проверка существенности упругого звена

Условие возможности представления двухмассовой системы как абсолютно жёсткой:

 (3.3)

где  - коэффициент распределения масс;

 - момент инерции ротора;  - эквивалентный момент инерции;

;

;

;

 - электромеханическая постоянная времени;

 - электромагнитная постоянная времени;

 - собственная частота механических колебаний, 1/с

где с - коэффициент жёсткости рейки;

,

где  - модуль упругости Юнга;

 - площадь поперечного сечения рейки;

 - длинна нарезной части рейки.

 1/с


По данному условию (3.3) систему можно рассматривать как абсолютно жёсткую.

3.4      Выбор элементов электропривода

.4.1     Выбор вентилей

При выборе вентилей необходимо учитывать режимы охлаждения и типы охладителей, форму и длительность протекающего тока определяемую схемой выпрямления /5/. В трёхфазных схемах выпрямления длительность протекающего тока составляет соответственно 120 электрических градусов, а ввиду значительной индуктивности в цепи выпрямленного тока можно принимать прямоугольной.

В зависимости от Фомы и длительности протекающего через вентиль тока и температуры охлаждающей среды Θс максимально допустимый средний ток In определяется неоднозначно.

Предельный ток вентиля Кл 2,5ВЛ200:

, А (3.4)

где  - пороговое напряжение, В;

 - коэффициент формы тока;

 - динамическое сопротивление, Ом;

 - мощность потерь, Вт;

где  - максимально допустимая температура структуры, 0С;

 - температура охлаждающей среды, 0С;

 - общее установившееся тепловое сопротивление (совместно с охладителем), 0С/Вт.

Полученное по уравнению (3.4) численное значение Iп для выбранного вентиля превышает величину среднего значения тока, протекающего через вентиль проектируемого преобразователя.

3.4.2   Выбор сглаживающего дросселя

При питании электродвигателя от вентильного преобразователя наличие пульсаций в выпрямленном токе приводит к дополнительному нагреву двигателя и ухудшению коммутации (к искровой коммутации на коллекторе).

Для уменьшения потерь в двигателе желательно не допускать работы выпрямителя в область прерывистых токов. Кроме того в области прерывистых токов значительно уменьшается жёсткость механической характеристики привода, возрастает его электромеханическая постоянная времени и ухудшаются динамические свойства.

Для снижения амплитуды пульсации выпрямленного тока и уменьшения зоны прерывистых токов, необходимо по возможности увеличивать число фаз выпрямителя и дополнительно устанавливать в цепи якоря сглаживающий дроссель.

, Гн (3.5)

где  - относительная амплитуда гармонической составляющей выпрямленного тока;

 - выпрямленное напряжение вентильного преобразователя, В;

 - из условия ограничения пульсации тока в цепи якоря двигателя;  - номинальный ток ротора, А;

 1/с - частота пульсации выпрямленного тока (первой гармоники).

Выбираем сглаживающий дроссель РТСТ - 20,5 - 2,02 /6/.

Номинальное напряжение

410 В

Номинальный фазный ток

0,01 Гн

Номинальная индуктивность фазы

0,233 Ом

Активное сопротивление обмоток

20,5 А

Масса

14 кг


3.4.3   Расчёт резистора и его выбор

Номинальное сопротивления резистора /4/:

, Ом

где  - номинальная электродвижущая сила ротора;  - номинальный ток ротора.

Считая сопротивление отнесённое к  Ом, и обозначая относительное сопротивление , получаем пусковые сопротивления:


 определяем графическим методом, (рисунок 3.3 Относительное сопротивление).

,  




Определим эквивалентный по превышению температуры длительный ток для резистора при повторно-кратковременном режиме работы.

Оптимальная продолжительность включения:


где  - время рабочего периода, с;

 - время цикла, с.

Отношение рабочего периода к постоянной времени:


По кривым (рисунок 5-6 /4/) находим для  и ПВ=40% отношение

,

Откуда искомый эквивалентный по нагрев уток равен:


где  - эквивалентный ток рабочего периода по расчёту равен 102,9 А.

Выбираем ящик сопротивлений

Тип ящика

Н

Номер ящика

280

Продолжительный ток

20 А

Сопротивление ящика (холодное)

11,2 Ом

Сопротивление элемента (холодное)

0,280 Ом

Постоянная времени нагрева, Т

435 с

Число элементов

40


Выбираем шунт

В качестве датчика тока применяется шунт /6/. Он выбирается из условия .

Выбираем шунт Iном=50А, Uн=75мВ.

3.4.4   Выбор автоматического выключателя

Для защиты электродвигателя от перегрузки и короткого замыкания в цепь статора обмотки включаются автоматические выключатели серии А3710Б /6/:

Номинальный ток Iн=160 А;

Номинальное напряжение U=440 В;

Предельный переменный ток отключения Iпр=40 кА.

3.4.5   Выбор конденсаторов для электрического торможения

Для электрического торможения выбираем конденсаторы:

Тип конденсатора

ПСК-0,45-30

Номинальное напряжение, Uном, В

400

Номинальная ёмкость, Сном, мкФ

30

Частота, f, Гц

250


Разработка принципиальной схемы управления

Принципиальная схема управления электроприводом вылета стрелы представлена на рисунке (4.1).

В нулевом положении рукоятки командоконтроллера замкнут его контакт SA 1.0 и срабатывает реле напряжения KV 1, замыкая свой контакт KV 1.1, схема управления готова к работе. В случае срабатывания теплового реле КК его контакты разомкнуться, реле напряжения отключится и вся цепь управления механизма вылета стрелы отключится. Для продолжения работы следует поставить рукоять командоконтроллера в нулевое положение и нажимая кнопки ручного возврата теплового реле поставить его в рабочее положение, реле напряжения KV 1 включится и кран будет готов к дальнейшей работе.

В первом положении командоконтроллера «Вылет больше» замкнутся контакты SA 1.1 и через контакты концевых ограничителей включится контактор КМ 2, который замкнёт свои контакты в силовой цепи и подаст напряжение на статор стрелового электродвигателя. Одновременно с этим замкнутся контакты КМ 2.3 контактора КМ 2, в результате чего включится контактор электрогидравлических оттормаживателей КМ 1. обмотка электрогидравлического толкателя М 2 получит питание, разомкнёт колодки тормоза и механизм начнёт работать.

В положении командоконтроллера «Вылет меньше» работа происходит аналогичным образом, с той лишь разницей, что вместо контактора КМ 2 включится контактор КМ 3 и своими главными контактами КМ 3.1 переключит две фазы статора и двигатель начнёт вращаться в другую сторону.

Для остановки двигателя рукоять командоконтроллера устанавливают в нулевое положение, отключаются контакты КМ 2 и КМ 3, при этом обмотки статора отключаются от сети, а конденсаторы остаются подключенными к обмоткам статора, что вызывает торможение двигателя.

Построение статических механических характеристик.

Естественную механическую характеристику строим по следующим характерным точкам:

Угловая скорость холостого хода:


Номинальная угловая скорость:

Номинальный момент:



Рисунок 4.1 - Принципиальная схема управления электроприводом вылета стрелы

Критический момент


где  - перегрузочная способность.

Угловая скорость при критическом скольжении:

;


где

 - коэффициент трансформации напряжения;

 - индуктивное сопротивление короткого замыкания;


Реостатную характеристику строим согласно расчёту резистора в роторной цепи, рисунок 3.3.

Предварительный момент:


Статические механические характеристики показаны на рисунке 4.2.

4. Разработка системы регулирования угловой скорости

4.1 Составление схемы замещения цепей ротора

В соответствии с принципиальной схемой составляем схему замещения, которая представлена на рисунке 5.1 /2/.

 - среднее напряжение на выходе выпрямленного моста при разомкнутой цепи постоянного тока и скольжении S=1;

 - число фаз выпрямителя; для трёхфазной мостовой схемы т=6;

 - индуктивное сопротивление фазы статора приведённое к цепи ротора;

 - индуктивное сопротивление ротора;

 - активное сопротивление фазы статора, приведённое к ротору. Коэффициент 2 учитывает то, что в каждый межкоммутационный период ток протекает по двум фазам;

 - скольжение асинхронного двигателя;

 - активное сопротивление фазы ротора. Коэффициент 2 учитывает то, что в каждый межкоммутационный период ток протекает по двум фазам ротора;

 

суммарное падение напряжения в вентилях при прохождении прямого тока;

 - активное сопротивление сглаживающего дросселя;

 - индуктивное сопротивление сглаживающего дросселя;

 - добавочное активное сопротивление в цепи ротора;

 - выпрямленный ток, А.

Рисунок 5.1 - Схема замещения цепей ротора

4.2 Расчёт параметров схемы замещения

Индуктивное сопротивление фазы статора приведённое к цепи ротора:


где  - коэффициент трансформации напряжения асинхронного двигателя.

Активное сопротивление статора приведённое к цепи ротора:


Индуктивность одной фазы двигателя:

, Гн

где

 - угловая частота напряжения сети, с-1.

Индуктивность цепи ротора:


Индуктивность сглаживающего дросселя:


Эквивалентное сопротивление роторной цепи:


Рассчитываем эквивалентное сопротивление роторной цепи для  и :

при , ,  Ом:

при , ,  Ом:


4.3 Разработка принципиальной схемы широтно-импульсного регулятора

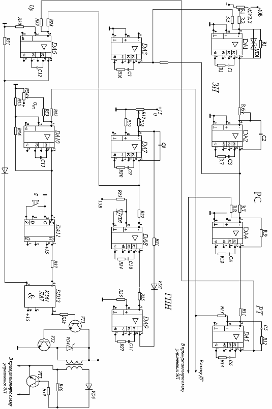
Принципиальная схема широтно-импульсного регулятора представлена на рисунке 5.2. Она состоит из задатчика интенсивности ЗИ, собранного на операционных усилителях DA 1, DA 2, DA 3 и обеспечивает формирование задающего сигнала с определённой интенсивностью. Данный сигнал поступает на девятый вход регулятора скорости, на этот же вход поступает отрицательная обратная связь по скорости. Регулятор скорости РС представляет собой П-регулятор, собранный на операционном усилителе DA 4. сигнал с выхода регулятора скорости поступает на девятый вход регулятора тока РТ, на этот же вход поступает отрицательная обратная связь по току. Регулятор тока представляет собой ПИ-регулятор и собран на операционном усилителе DA 5. на выходе регулятора тока формируется сигнал управления Uу, который поступает на третий вход компаратора собранного на основе операционного усилителя DA 6, на этот же вход поступает последовательность пилообразных напряжений с частотой 400 Гц, формируемая генератором пилообразных напряжений ГПН, собранного на операционных усилителях DA 7, DA 8, DA 9. Частота генератора пилообразных напряжений задаётся величиной напряжения, снимаемого с потенциометра.

На тринадцатом выходе компаратора DA 6 формируется сигнал прямоугольной формы длительностью tu, рисунок 5.3. Данная последовательность импульсов поступает на второй вход схемы совпадения на элементе DD 12 и далее на усилитель мощности.

Прохождение последовательности прямоугольных импульсов через DD 12 возможно, если на входе 1 «дежурит» логическая единица. Введение схемы совпадения позволяет обеспечить прерывание последовательности управляющих прямоугольных импульсов в случае больших (аварийных) токов роторной цепи асинхронного двигателя. Для этого введена схема защиты, собранная на операционных усилителях DA 10 (компаратор) и DA 11 (RS-триггер). В случае формирования датчиком тока сигнала, поступающего на третий вход DA 10 больше напряжения U0n (при коротком замыкании) на тринадцатом выходе формируется сигнал и поступает на RS-триггер, на втором выходе которого формируется логический ноль. В результате чего DD 12 не пропускает последовательность управляющих импульсов. Триггер DA 11 обеспечивает срабатывание защиты при любом одноразовом сигнале о коротком замыкании, и после его исчезновении для запуска схемы необходимо возвратить её в исходное положение путём нажатия кнопки. Усилитель мощности обеспечивает усиление мощности управляющих сигналов и развязку силовой схемы и схемы управления и сборки на транзисторах VT 1 и VT 2. Ключ собран также на транзисторе VT 3.

Рисунок 5.2 - Принципиальная схема ШИР

4.4 Схема датчика тока

Для согласования падения напряжения на шунте с регулятором тока применяем датчик тока ДТ - 3АИ /11/, рисунок 5.4.

Входной сигнал датчика тока с делителя R 1 - R 3 поступает да двухполупериодный модулятор М. Коммутация входного сигнала с частотой генератора тактовых импульсов осуществляется в модуляторе двумя двухтранзисторными ключами D 1 и D 3. В состав датчика тока входит усилитель напряжения переменного тока, усиливающий выходной сигнал модулятора, так как имеет низкий выходной сигнал (номинально 75 мВ), снимаемый с шунта, и характеризуется большим коэффициентом усиления по напряжению. Вторичная обмотка трансформатора Т 2 подключена к входному резистору R 12 усилителя DA 1, а выходной сигнал DA 1 включён по схеме усиления по неинвертируемому входу и с отрицательной обратной связью, формирующей необходимое стабильное переданного коэффициента с помощью цепей С 7 - R 20, С 5 - R 14 - R 5. Усилители DA 1 и DA 2 имеют ряд дополнительных цепей С 4, С 21, С 14 - С 19, выполняющих корректирующие функции.

Генератор тактовых импульсов собранный по схеме мультивибратора с перекрёстными положительными обратными связями образованными RC цепочками R 4 - С 1 и R 9 - С 3.

Питание на схему подаётся от источника постоянного напряжения через фильтр R 7 - С 2. Начальное условие работы генератора обеспечивается подачей положительного напряжения через резистор R 2 на базу одного из транзисторов. Необходимая часть колебаний (30 - 40 кГц) определяется постоянными времени цепей обратных связей и индуктивностью трансформатора Т 1. Диоды VD 1 и VD 2 ограничивают обратные напряжения эмитерно-базовых переходов.

Рисунок 5.3 - Схема датчика тока типа ДТ-3АИ

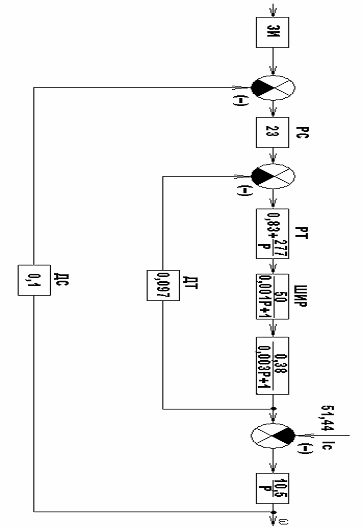
5. Разработка структурной схемы системы и синтез регуляторов

5.1 Постоянные структурной схемы системы

Разрабатываем структурную схему, которая изображена на рисунке 6.1 и выполняем синтез регуляторов методом СПР /7/.

5.2 Синтез регуляторов

Желаемая передаточная функция разомкнутого контурного тока:

 (6.1)

где  - соотношение постоянной времени контура, принимаем для обеспечения желаемого переходного процесса с перерегулированием не более 3,4% ;

 - некомпенсируемая постоянная времени. Принимаем ,

где  - постоянная времени фильтра в схеме широтно-импульсного регулятора.

Передаточная функция объекта регулирования:

 (6.2)

где  - электромагнитная постоянная роторной цепи двигателя;

 - индуктивность цепи ротора, Гн;

 - эквивалентное активное сопротивление цепи ротора, Ом;

 - передаточная функция широтно-импульсного регулятора;



Рисунок 6.1 - Структурная схема подчинённого регулирования

 - приращение напряжения на входе регулятора тока;

 - приращение выпрямленного тока в цепи ротора;

,

 - выпрямленное напряжение ротора, В;

 - напряжение управления, В.

Получаем передаточную функцию регулятора тока:

 (6.3)

где  - постоянная интегрирования.

Передаточная функция замкнутого контура тока:

   (6.4)

Объект регулирования скорости состоит из замкнутого контура регулирования тока и механического звена электропривода и имеет следующую передаточную функцию:

 (6.5)

где  - коэффициент пропорциональности, рассчитываем для скольжений  и

(6.6)

где ;

;

;

;

отсюда ,

следовательно:

 (6.7)

где  - ток ротора, А;

 - активное сопротивление фазы ротора, Ом.

 - коэффициент обратной связи по скорости;

 - приращение напряжения на выходе регулятора скорости;

 - приращение угловой скорости асинхронного двигателя.

Желаемая передаточная функция разомкнутого контура скорости:

 (6.8)

Принимаем

Получаем передаточную функцию регулятора скорости:

(6.9)

где  - коэффициент регулятора скорости, рассчитываем для  и .

Определение коэффициентов

 с;

;

;

;

;

Принимаем для реализации значение

6. Моделирование системы регулирования угловой скорости и получение графиков переходных процессов

Моделирование удобно вести с использованием программы «Compas 6», так как она позволяет рассчитать переходные процессы, непосредственно по структурной схеме подчинённого регулирования рисунок 7.1.

Результаты моделирования представлены в виде графиков переходных процессов на рисунках 7.2, 7.3 и 7.4.

Рисунок 7.1 - Схема электрическая структурная

7. Охрана труда

7.1 Введение

Основные задачи охраны труда - изучение опасных производственных факторов, возможности их проявление, разработка организационных мероприятий и технических средств на производстве, исключающих причины несчастных случаев, создание условий для безопасного труда.

7.2 Требование к персоналу

К работам по эксплуатации и ремонту электрооборудования допускаются лица прошедшие специальное обучение и отвечающие требованиям, предъявляемым к персоналу обслуживающему электроустановки, согласно Правилам технической эксплуатации электроустановок потребителей и Правилам техники безопасности при эксплуатации электроустановок потребителей, имеющие, соответственно квалификацию по технике безопасности при обслуживании электроустановок.

К персоналу обслуживающему электроустановки грузоподъёмных машин относятся: электромонтёры, электрослесаря, электромеханики и другие лица, производящие ремонт, наладку и испытание электрооборудования, вспомогательных устройств и электропроводки, а также лица, ответственные за исправное их состояние. Указанным лицам присваивается соответствующая знаниям и навыкам квалификационная группа по технике электробезопасности, не ниже III.

Лица, обслуживающие электрические грузоподъёмные машины (стропальщики и другие) должны иметь элементарные понятия об опасности электрического тока, знать и уметь применять правила оказания первой медицинской помощи пострадавшему от электрического тока. Этому персоналу присваивается квалификационная группа I.

7.3 Требования техники безопасности к электрооборудованию крана

Электробезопасность - система организационных и технических мероприятий и средств, обеспечивающих защиту людей от вредного и опасного воздействия электрического тока, электрической дуги, электрического магнитного поля и статического электричества. В связи с этим всё электрооборудование (включая проводниковые изделия и материалы) по своей конструкции, виду исполнения, способу установки и классу изоляции, должны соответствовать назначению, номинальному напряжению электроустановки и усилиям окружающей среды.

В связи с этим существуют определённые требования:

- электрооборудование, устанавливаемое в местах подверженных воздействию атмосферных осадков, а также в местах нахождения людей, должны быть закрытого исполнения;

-  у коммутационной аппаратуры должны быть чёткие надписи, указывающие назначение включаемой цепи. Переключатели измерительных приборов должны иметь индексы определяющие включаемый токоприёмник;

- аппараты на щитках следует располагать так, чтобы обеспечивался доступ к обслуживаемому оборудованию;

- выключатели, предназначены для включения и отключения тока нагрузки должны быть защищены несгораемыми кожухами без отверстий и щелей или иметь дистанционное управление; запрещается установка открытых плавких вставок в предохранители находящиеся под напряжением.

Для того, чтобы обеспечить безопасность человека от поражения током, металлические части электроустройств, которые могут оказаться под напряжением вследствие нарушения изоляции проводов и других неисправностей, должны надёжно заземлены.

На грузоподъёмных машинах достаточно, если части подлежащие заземлению или занулению, присоединены к металлическим конструкциям крана, при этом должна быть обеспечена непрерывность электрической цепи металлических конструкций. Если электрооборудование крана установлено на его заземлённых металлических конструкциях и на опорных поверхностях предусмотрены зачищенные и не закрашенные места для обеспечения электрического контакта, то дополнительно заземления не требуется.

7.4 Организация площадок

Неизолированные токоведущие части электрооборудования крана должны быть ограждены, если их расположение не исключает случайного прикосновения к ним лиц находящихся в кабине управления, на галереях и площадках крана, а также возле него.

Лестницы с углом наклона к горизонту 750 и менее должны иметь поручни высотой 1 метр с дополнительной ограждающей полосой посредине. Лестницы с углом наклона более 750 при высоте более 5 метров должны иметь, начиная с высоты 3 метров ограждении - дуги.

На стреле и других элементах крана должна быть надпись, хорошо видимая при всех вылетах стрелы: «НЕ СТОЙ ПОД ГРУЗОМ!».

Доступ в кабину машинного отделения и другие места должен быть безопасен при любом положении поворотной части.

У входа на кран должна быть подсвечиваемая при включении освещения крана надпись: «БЕЗ ПРЕДУПРЕЖДЕНИЯ КРАНОВЩИКА НА КРАН НЕ ВХОДИТЬ!».

7.5 Индивидуальные средства защиты

Кроме защитного заземления, существуют изолирующие защитные средства - основные и дополнительные.

Основные изолирующие средства должны надёжно выдерживать рабочее напряжение электроустановок. К ним относятся:

- в электроустановках напряжением более 1000 В - оперативные измерительные штанги, изолирующие и токоизмерительные клещи, указатели напряжения, изолирующие приспособления для ремонтных работ;

- в электроустановках менее 1000 В - диэлектрические перчатки, инструмент с изолирующими рукоятками, указатели напряжения и изолирующие клещи.

Дополнительные изолирующие средства:

- в электроустановках напряжением более 1000 В - диэлектрические перчатки, боты, резиновые коврики, изолирующие подставки;

-  в электроустановках напряжением менее 1000 В - диэлектрические калоши, резиновые коврики, изолирующие подставки.

Перед каждым применением защитных средств обслуживающий персонал обязан проверить исправность и отсутствие внешних повреждений, для какого напряжения допустимо применение данного средства, и не иссек ли срок периодического его испытания (по штампу).

Пользоваться защитными средствами с истёкшим сроком испытания запрещается.

7.6 Освещение

Все перегрузочные машины должны быть оборудованы средствами освещения, обеспечивающими нормативную освещённость в любых помещениях машин, в местах производства перегрузочных и ремонтных работ, а также подсветку необходимых элементов машин.

Освещённость лестниц и переходных площадок на ступенях или настиле - менее 15 лк.

Светильники внешнего освещения должны обеспечивать освещённость не менее 10 лк как зоны прилегающие к месту приёма и подачи груза, так и грузозахватного органа в любом его положении.

Общая освещённость создаваемая аварийным освещением должна быть не менее 5 лк.

Для прожекторов и светильников общего освещения должно применятся напряжение не более 220 В, для переносного освещения при переменном токе не более 12 В, при постоянном - не более 24 В.

Металлический корпус светильника должен быть заземлён.

Переносные светильники должны иметь каркас (защитную сетку) защищающий лампу от случайных ударов, шланговый провод достаточной длинны и крюк для подвешивания.

Питание аварийного освещения должно быть независимым от рабочего и включаться автоматически при аварийном нарушении питания рабочего освещения.

7.7 Сигнализация и связь

Перегрузочные машины должны быть по возможности оборудованы телефонной или радиосвязью с рабочей зоной, при необходимости - связью между отдельными помещениями машины и машинами, стоящими на одном причале. Сигнализация должна разделяться на контрольную, предупреждающую и аварийную.

Громкость звуковых сигналов должна быть не менее чем на 10 дБ выше уровня шума в рабочей зоне.

Работа сигнальных приборов должна обеспечиваться и при отключении силовой сети.

7.8 Пожарная безопасность

Пожарная безопасность - состояние объекта, при котором с установленной вероятностью исключается возможность возникновения и развития пожаров и воздействия на людей опасных факторов пожара ,а также обеспечивается защита материальных ценностей. Она достигается системами предотвращения пожара и противопожарной защиты. Систему предотвращения пожара разрабатывают для каждого конкретного объекта из расчёта, что вероятность возникновения пожара должна быть не более 0,000001 в год в расчёте на отдельный пожароопасный узел данного объекта. Систему противопожарной защиты разрабатывают по каждому объекту из расчёта, что вероятность воздействия вредных факторов пожара на людей должна быть не более 0,000001 в год в расчёте на отдельного человека.

Пожарную безопасность любого объекта необходимо обеспечивать как в рабочем его состоянии, так и в случае возникновения аварийной обстановки.

Работу по обеспечению пожарной безопасности возглавляет Главное управление пожарной охраны (ГУПО) при Министерстве внутренних дел.

Для ликвидации пожара предусматриваются первичные и постоянные средства пожаротушения. К первичным относятся: огнетушители, ящики с песком, бочки с водой, пожарные вёдра.

Каждый береговой объект должен оборудоваться системой пожарной сигнализации. Она может быть автоматической и неавтоматической.

Неавтоматические - кнопочные извещатели устанавливаются там, где всегда находятся люди. Извещателем автоматической сигнализации являются датчики, которые преобразуют какой либо параметр, соответствующий пожару (температуру, дым, пламя) в электрический сигнал. Датчики бывают: тепловые, световые, комбинированные, в зависимости от параметра.

8. Вопросы экономики

Модернизация означает совершенствование действующих орудий производства и приведение их в состояние, отвечающее современному техническому уровню путём конструктивных изменений. В данном экономическом расчёте производится расчёт электропривода механизма вылета стрелы портального крана «GANZ - 5/6 - 30 - 10,5», что предусматривает проведение конструкторских работ.

8.1 Затраты на модернизацию и определение стоимости объёкта после модернизации

Стоимость объекта после модернизации определяется:

, руб.

где  руб. - балансовая стоимость объекта до модернизации;

 - стоимость модернизации, руб.;

 руб. - стоимость снимаемого оборудования.


где  руб. - стоимость устанавливаемого оборудования;

, руб. - стоимость монтажа;

, руб. - стоимость демонтажа;

, руб. - остаточная стоимость снимаемого оборудования;

, руб. - стоимость на прочие расходы;

, руб.;

, руб.;

, руб.;

, руб.;


8.2 Эксплуатационные расходы по сравниваемым вариантам

Сравнительная оценка выполненная исходя из условий:

−       род груза - тарно-штучный;

−  продолжительность работы причала - 180 суток;

−  объём переработки за навигацию - 70 тыс. тонн;

−  стоимость одного машинного часа работы - 48 руб.

Замена схемы привода привела к сокращению времени цикла со 198 секунд до 180 секунд за счёт уменьшения величины по элементу «вылет стрелы» на 18 секунд (10%).

Производительность крана рассчитывается по формуле:

, т/час

где  - производительность крана за 1 час;

т - среднее значение массы груза в подъёме;

 - время цикла работы крана;

с;

с;

т/час;

т/час

Затраты машинного времени при освоении заданного объёма рассчитываются по формуле:

, маш. часа

где т - объём груза за навигацию.

, маш. часа;

, маш. часа

Сокращение расходов на электроэнергию:

, руб.

где  - коэффициент, учитывающий расход электроэнергии при апробировании и передвижении;

 - коэффициент использования мощности электродвигателем;

 - коэффициент, учитывающий одновремённость работы двигателей;

 кВт - суммарная мощность электродвигателей крана;

 руб. - стоимость одного кВт·ч по тарифу;

с - время работы цикла крана;

с.

 руб.;

 руб.

Расходы на амортизацию и текущий ремонт:

, руб.

где  - норма амортизации на полное восстановление;

 - норма отчислений в ремонтный фонд (на текущий ремонт);

;  - коэффициент, учитывающий цены на инвентарь.

 руб.;

 руб.

Прочие расходы на содержание перегрузочной машины, определяются как 4% от суммы предыдущих статей:

 руб.;

 руб.

Затраты на содержание перегрузочной машины:

 руб.

руб.

 руб.

8.3 Экономическая оценка

Сроки окупаемости:

; ;

 

Коэффициент эффективности модернизации:


Годовой экономический эффект:

, руб;

 руб;

 руб.

Сравнительные технико-экономические показатели приведены в таблице 9.1.

Таблица 9.1 - Сравнительные технико-экономические показатели

Показатель

Ед. изм.

До модернизации

После модернизации

Объект модернизации


Портальный кран GANZ 5/6-30-10,5

Стоимость крана

руб

7000000

7226750

Затраты на модернизацию

руб

-

276750

Продолжительность цикла работы

с

198

180

Производительность машины

т/ч

54,5

60,0

Объём переработки

т/нав

70000

70000

Затраты машинного времени

маш∙ч

1284

1167

Эксплуатационные расходы

руб

738614

654909

Экономии текущих расходов

руб

-

83705

Коэффициент эффективности


-

0,3

Срок окупаемости

лет

-

3,3

Годовая экономическая эффективность

руб

-

42192


Выводы

На основании предложенных расчётов можно сделать следующий вывод:

модернизация электропривода механизма вылета стрелы является экономически целесообразной, так как срок окупаемости затрат на модернизацию меньше нормативного (3,3<5), а годовой экономический эффект составляет 42192 рубля.

Заключение

В результате выполненной работы создана замкнутая система регулирования угловой скорости асинхронного двигателя с фазным ротором механизма вылета стрелы с широтно-импульсным регулятором. Система обеспечивает плавность регулирования угловой скорости в диапазоне, необходимом по условиям технологии. Система достаточно экономична ввиду кратковроеменности работы на пониженной угловой скорости. За счёт плавности регулирования скорости устраняется явление раскачивания груза. При введении разработанной системы исключён ряд таких аппаратов, как контакторы ускорения, таким образом сокращена контакторная часть схемы управления электроприводом, что существенно повысило надёжность работы привода.

ЛИТЕРАТУРА

электропривод скорость автоматизированный

1.    Портальный кран GANZ г/п 5/6 тонн с вылетом стрелы 30 м [Текст]: в 5 томах. Том 4 Механические расчёты / ХУНГ ЭКСПО, Будапешт, 1997. - 274 с.

2.    Ключев, Б.И. Теория электропривода [Текст]: Б.И. Ключев. - М.: ЭАИ, 1985. - 560 с.

3.    Башарин, А.В. Управление электроприводами [Текст]: учебн. пособие для ВУЗов / А.В. Башарин, В.А. Новиков. - Л.: Энергоиздат. Ленинград. Отделение, 1982. - 392 с.

Похожие работы на - Подъёмно-транспортные машины и установки

 

Не нашли материал для своей работы?
Поможем написать уникальную работу
Без плагиата!
Без нейросетей!