Усилитель широкополосный
Министерство образования и науки
Российской Федерации
Федеральное государственное бюджетное
образовательное учреждение высшего профессионального образования
ТОМСКИЙ ГОСУДАРСТВЕННЫЙ УНИВЕРСИТЕТ
СИСТЕМ УПРАВЛЕНИЯ И РАДИОЭЛЕКТРОНИКИ (ТУСУР)
Кафедра радиоэлектроники и защиты
информации (РЗИ)
Пояснительная записка к курсовому
проекту по дисциплине
«Схемотехника аналоговых электронных
устройств»
УСИЛИТЕЛЬ ШИРОКОПОЛОСНЫЙ
Выполнил:
студент гр. 140-3
М.С. Креккер
Руководитель
работы:
профессор
каф. РЗИ
А.А. Титов
РЕФЕРАТ
Курсовая работа 43 с., 12 рис, 1 табл., 5 источников, 4 листа
графического материала.
УСИЛИТЕЛЬ ШИРОКОПОЛОСНЫЙ, РАБОЧАЯ ТОЧКА, РЕЗИСТИВНЫЙ КАСКАД, ДРОССЕЛЬНЫЙ
КАСКАД, АКТИВНАЯ КОЛЛЕКТОРНАЯ ТЕРМОСТАБИЛИЗАЦИЯ, ВЫБОР ТРАНЗИСТОРА, ЭКВИВАЛЕНТНАЯ
СХЕМА ДЖИАКОЛЕТТО, ОДНОНАПРАВЛЕННАЯ МОДЕЛЬ ТРАНЗИСТОРА, ЭММИТЕРНАЯ КОРРЕКЦИЯ,
ЧАСТОТНЫЕ ИСКАЖЕНИЯ, ВЫСОКОЧАСТОТНАЯ КОРРЕКЦИЯ.
Объектом исследования является широкополосный усилитель мощности.
Цель работы - приобрести навыки расчета транзисторных усилителей
мощности.
В данной курсовой работе рассматриваются условия выбора транзистора,
методы расчета усилительных каскадов, корректирующих цепей, цепей
термостабилизации.
В результате работы был рассчитан широкополосный усилитель мощности,
отвечающий требованиям технического задания.
Пояснительная записка к курсовому проекту выполнена в текстовом редакторе
Microsoft Word 2010. Проверка схемы выполнена в программе Multisim.
СОДЕРЖАНИЕ
Введение
. Структурная
схема усилителя
.1
Определение числа каскадов
.2
Распределение искажений АЧХ
. Расчет
резистивного и дроссельного каскадов
.1 Расчёт
параметров резистивного каскада
.2 Расчёт
дроссельного каскада
. Выбор
транзистора выходного каскада
. Расчет
схемы термостабилизации выходного каскада
. Расчет
схемы Джиаколетто выходного транзистора
.1 Расчет
схемы Джиаколетто выходного транзистора
.2
Однонаправленная модель выходного транзистора
. Расчет
коэффициента усиления выходного каскада и искажений
. Расчет цепи
коррекции выходного каскада
. Расчет
искажений, вносимых входной цепью
. Выбор
транзистора предоконечного каскада
. Расчет
схемы Джиаколетто предоконечного транзистора
. Расчет
коэффициента усиления предоконечного каскада и искажений, вносимых входной
цепью
. Расчет
схемы термостабилизации предоконечного каскада
. Расчет цепи
коррекции предоконечного каскада
. Расчет
искажений, вносимых входной цепью
. Расчет
результирующей характеристики
. Расчет
разделительных емкостей и коллекторных дросселей
Заключение
Список
использованных источников
Приложение
ВВЕДЕНИЕ
Основной целью данного курсового проекта является разработка
широкополосного усилителя. В настоящее время такие усилители могут применяться
в осциллографии, в исследованиях прохождения радиоволн в различных средах, в
том числе прохождения различных длин волн в городских условиях.
В задачу входит анализ исходных данных на предмет оптимального выбора
структурной схемы и элементов усилителя, составление спецификации, расчёт
результирующих характеристик усилителя.
1. СТРУКТУРНАЯ СХЕМА УСИЛИТЕЛЯ
1.1 Определение числа каскадов
Так как на одном каскаде трудно реализовать усиление 30 дБ, то для того,
чтобы обеспечить такой коэффициент усиления, используем сложение двух каскадов.
Структурная схема усилителя, представленная на рисунке 1.1, содержит
кроме усилительных каскадов источник сигнала и нагрузку.
Рисунок 1.1 - Структурная схема усилителя
1.2 Распределение искажений АЧХ
Исходя из технического задания, устройство должно обеспечивать искажения
в области верхних не более 2 дБ и в области нижних частот не более 2 дБ. Так
как используется два каскада, то получаем, что каждый может вносить не более 1
дБ искажений в общую АЧХ. Так как наибольшие искажения в АЧХ усилителя обычно
вносит входная цепь, то распределим их с запасом, т.е.
для выходного каскада возьмем 0.5
дБ, для входного - 0,5дБ, а на входную цепь оставим 1 дБ.
2. РАСЧЕТ РЕЗИСТИВНОГО И ДРОССЕЛЬНОГО КАСКАДОВ
Выходной каскад работает в режиме большого сигнала, поэтому расчет его
ведем так, чтобы обеспечить заданную амплитуду выходного напряжения при
допустимых линейных (в области верхних частот или малых времен) и нелинейных
искажениях.
Рассмотрим две схемы реализации выходного каскада: резистивную и
дроссельную. Выбор той или иной схемы осуществим на основе полученных данных
расчета. Критерием выбора будут являться оптимальные энергетические
характеристики схемы.
2.1 Расчёт параметров резистивного каскада
Для расчета используем параметры из задания:
,
, сопротивление коллекторной цепи
возьмем равной
.
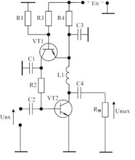
Принципиальная схема каскада приведена на рис. 2.1(а), эквивалентная
схема по переменному току на рис. 2.1(б).
а)
б)
Рисунок 2.1 - Принципиальная (а) и эквивалентная (б) схемы резистивного
каскада
Основным характеристика для выбора транзистора для усилительного каскада
являются
- напряжение рабочей точки или
постоянное напряжение на переходе коллектор - эмиттер и
- постоянная составляющая тока
коллектора.
) Найдем напряжение в рабочей точке:
,(2.1)
где
- напряжение на выходе усилителя;
- остаточное напряжение на транзисторе,
.
) Найдем сопротивление нагрузки по сигналу:
,(2.2)
где
- сопротивление нагрузки по сигналу;
- сопротивление нагрузки;
- коллекторное сопротивление.
) Постоянный ток коллектора:
,(2.3)
где
- ток на выходе усилителя;
- остаточный ток на транзисторе.
) Выходная мощность усилителя равна:
(2.4)
) Напряжение источника питания равно:
,
ближайший существующий номинал - 30В(2.5)
) Мощность, рассеиваемая на коллекторе транзистора равна:
(2.6)
) Мощность, потребляемая от источника питания:
(2.7)
) КПД
(2.8)
2.2 Расчёт дроссельного каскада
В дроссельном каскаде в цепи коллектора вместо сопротивления используется
индуктивность, которая не рассеивает мощность (ZLк→0) и требует меньшее напряжение питания,
поэтому у этого каскада выше КПД.
Принципиальная схема каскада приведена на рис. 2.2(а), эквивалентная
схема по переменному току на рис. 2.1(б).
а)
б)
Рисунок 2.2 - Принципиальная (а) и эквивалентная (б) схемы дроссельного
каскада
) Найдем напряжение в рабочей точке по формуле (2.1):
) Найдем сопротивление нагрузки по сигналу. Поскольку для сигнала
дроссель является холостым ходом, то в данном случае сопротивление нагрузки по
переменному току будет равно сопротивлению нагрузки:
(2.9)
) Постоянный ток коллектора по формуле (2.3):
) Выходная мощность усилителя равна по формуле (2.4):
) Напряжение источника питания. Так как дроссель по постоянному
току является короткозамкнутым проводником, то напряжение питания будет равным
падению напряжения на транзисторе:
, (2.10)
) Мощность, рассеиваемая на коллекторе транзистора по формуле
(2.6) равна:
) Мощность, потребляемая от источника питания по формуле (2.7):
) КПД по формуле (2.8):
На основе рассчитанных данных составим таблицу характеристик, чтобы
выбрать подходящую схему каскада.
Таблица 2.1 - Характеристики схем коллекторной цепи.
|
Uкэо, В
|
Iко, А
|
Rэкв, Ом
|
Еп, Вт
|
Pпотр, Вт
|
Рвых, Вт
|
Ррасс, Вт
|
η, %
|
|
Резистивный каскад
|
10
|
0.235
|
37.5
|
27.6
|
7.05
|
1.7
|
2.35
|
24
|
|
Дроссельный каскад
|
10
|
0.117
|
75
|
10
|
1.17
|
0.853
|
1.17
|
72
|
Для дальнейших расчетов выбираем дроссельный каскад, так как он
потребляет меньшее напряжение питания и, при этом, имеет большее КПД.
3. ВЫБОР ТРАНЗИСТОРА ВЫХОДНОГО КАСКАДА
Выбор транзистора для оконечного каскада осуществляется с учетом
следующих предельных параметров:
) Граничной частоты усиления транзистора по току в схеме с ОЭ:
,(3.1)
где
из технического задания.
) Предельно допустимого напряжения коллектор-эмиттер:
(3.2)
) Предельно допустимого тока коллектора:
(3.3)
) Допустимая мощность, рассеиваемая на коллекторе:
(3.4)
Анализируя требуемые параметры, выбираем транзистор КТ920А. Это
кремниевый эпитаксиально-планарный мощный сверхвысокочастотный транзистор.
Электрические параметры:
) Граничная частота коэффициента передачи тока fт=400МГц.
) Статический коэффициент усиления тока в базы -β0=30.
) Постоянная времени цепи обратной связи - τс=20пс.
) Ёмкость коллекторного перехода при Uкб=10В - Ск=15пФ.
Предельные эксплуатационные данные:
) Постоянный ток коллектора Iк0=0,25А.
) Постоянное напряжение коллектор-эмиттер Uкэ0=36В.
) Постоянная рассеиваемая мощность коллектора Pрас= 5Вт.
4. РАСЧЕТ СХЕМЫ ТЕРМОСТАБИЛИЗАЦИИ ВЫХОДНОГО КАСКАДА
Существует несколько вариантов схем термостабилизации. Их использование
зависит от мощности каскада и от того, насколько жёсткие требования
предъявляются к температурной стабильности каскада. В данном случае будем
использовать активную коллекторную термостабилизацию.
Активная коллекторная термостабилизация
Схема активной коллекторной стабилизации используется, как правило, при
разработке мощных широкополосных радиопередающих устройств. Принципиальная
схема каскада с активной коллекторной стабилизацией приведена на рис. 4.1.
Физика работы схемы активной коллекторной стабилизации заключается в следующем.
Напряжение на базе транзистора
зафиксировано базовым делителем на резисторах
и
. Поэтому при увеличении
коллекторного тока транзистора
, вызванного изменением температуры либо детекторным
эффектом, и уменьшении, вследствие этого, напряжения на резисторе
, увеличивается напряжение на
переходе база-эмиттер транзистора
. Это ведёт к уменьшению его
коллекторного тока, который является базовым током транзистора
, что, в свою очередь, препятствует
дальнейшему росту коллекторного тока транзистора
. И, наоборот, при уменьшении
коллекторного тока транзистора
транзистор
закрывается, уменьшается базовый ток транзистора
. Известно, что при условии:
, где
- напряжение на резисторе
, изменение температуры окружающей
среды от минус
до плюс
приводит к нестабильности тока покоя транзистора
не превышающей 2%. Исходя из этого,
можно рекомендовать выбор напряжения на резисторе
.
Рисунок 4.1 - Принципиальная схема активной коллекторной
термостабилизации
Кроме того, так как напряжение на переходе база-эмиттер открытого
кремниевого транзистора равно около 0,7 В, будем полагать известными напряжения
база-эмиттер транзистора
и транзистора
.
Рассчитаем
и
.
) Определим величину резистора
:
(4.1)
) Рассчитываются ток
и напряжение
в рабочей точке транзистора
(4.2)
,(4.3)
где
- статический коэффициент передачи тока в схеме с общим
эмиттером транзистора
.
Выбор напряжения
по (4.3) обусловлен тем, что при изменении температуры ток
должен иметь возможность изменяться
как в сторону увеличения, так и в сторону уменьшения относительно своего
номинального значения.
) Определим величину резистора
:
(4.4)
) Ток базового делителя транзистора
:
,(4.5)
где
- статический коэффициент передачи тока в схеме с общим
эмиттером транзистора
.
) По выбранному значению
рассчитываются значения резисторов
и
:
(4.6)
(4.7)
Конденсатор
служит для разрыва петли активной обратной связи на высоких
частотах, где обратная связь начинает носить комплексный характер и возможно
самовозбуждение схемы. Дроссель
необходим для того, чтобы на частотах сигнала коллекторная
цепь транзистора
не шунтировала нагрузку.
Значения емкостей
и
можно принять в диапазоне 0.1…1мкФ. Возьмем
,
Выберем транзистор
, используемый в схеме термостабилизации, зная его рабочую
точку:
и
. Мощность, рассеиваемая на
коллекторе транзистора по формуле (2.6) равна:
Выбор транзистора для активна коллекторной термостабилизации предельных
параметров:
) Предельно допустимого напряжения коллектор-эмиттер по формуле
(3.2):
) Предельно допустимого тока коллектора по формуле (3.3):
) Допустимая мощность, рассеиваемая на коллекторе по формуле
(3.4):
Анализируя требуемые параметры, выбираем транзистор КТ361Б.
Предельные эксплуатационные данные:
) Постоянный ток коллектора Iк0=50мА.
) Постоянное напряжение коллектор-эмиттер Uкэ0=20В.
) Постоянная рассеиваемая мощность коллектора Pрас= 150мВт.
5. РАСЧЕТ СХЕМЫ ДЖИАКОЛЕТТО ВЫХОДНОГО ТРАНЗИСТОРА
.1 Расчет схемы Джиаколетто выходного транзистора
Расчёты усилительных каскадов основаны на использовании эквивалентной
схемы замещения транзистора. Эквивалентная схема (схема Джиаколетто)
биполярного транзистора представлена на рисунке 5.1.
Рисунок 5.1 - Эквивалентная схема Джиаколетто
) Найдем проводимость и сопротивление базы:
(5.1)
(5.2)
(5.3)
) Рассчитаем сопротивление и проводимость эмиттера:
(5.4)
(5.5)
а=3 - для планарных кремниевых транзисторов;
(5.6)
(5.7)
) Найдем проводимость перехода база - эмиттер:
(5.8)
) Рассчитаем крутизну
(5.9)
(5.10)
) Рассчитаем емкость эмиттерного перехода:
(5.11)
) Найдем выходное сопротивление и выходную проводимость
транзистора:
(5.12)
(5.13)
Полученные параметры схемы Джиаколлето:
1)
2)
,
3)
,
4)
5)
6)
7)
,
5.2 Однонаправленная модель выходного транзистора
Эквивалентная схема однонаправленной модели транзистора представлена на
рисунке 5.2:

Рисунок 5.2 - Однонаправленная модель транзистора
) Входное сопротивление:
(5.14)
(5.15)
) Крутизна проходной характеристики:
(5.16)
) Постоянная времени транзистора:
(5.17)
) Выходная емкость:
(5.18)
Расчет входной емкости однонаправленной модели транзистора приведен в
пункте 6.
6. РАСЧЕТ КОЭФФИЦИЕНТА УСИЛЕНИЯ ВЫХОДНОГО КАСКАДА И
ИСКАЖЕНИЙ, ВНОСИМЫХ ВХОДНОЙ ЦЕПЬЮ
) Коэффициент усиления:
(6.1)
Коэффициент усиления некорректированного каскада получился больше
заданного. Но подключение входной цепи (генератора) даст значительные
искажения, что приведет к уменьшению коэффициента усиления.
) Входная емкость:
(6.2)
) Найдем
:
(6.3)
) Оценим искажения на частоте, соответствующей верхней границе
полосы пропускания:
(6.4)
Переведем в децибелы:
(6.5)
Получается, что искажения в области верхних частот превышают заданный
уровень искажений для выходного каскада, поэтому потребуется коррекция.
7. РАСЧЕТ ЦЕПИ КОРРЕКЦИИ ВЫХОДНОГО КАСКАДА
мощность резистивный дроссельный каскад
Существует несколько видов коррекции, в данном случае будем использовать
эмиттерную коррекцию.
Принципиальная схема каскада с эмиттерной коррекцией приведена на рис.
7.1(а), эквивалентная схема по переменному току - на рисунке 7.1(б), где
- элементы коррекции. При отсутствии
реактивности нагрузки эмиттерная коррекция вводится для коррекции искажений АЧХ
вносимых транзистором, увеличивая амплитуду сигнала на переходе база-эмиттер с
ростом частоты усиливаемого сигнала.
а)
б)
Рисунок 7.1 - Принципиальная схема каскада с эмиттерной коррекцией (а) и
эквивалентная схема по переменному току (б)
Для расчетов примем следующие данные:
, так как искажения для выходного
каскада приняли равными 0,5 дБ, то
.
) Глубина ООС:
(7.1)
) Корректирующее сопротивление:
(7.2)
) Найдем
:
(7.3)
) Найдем
:
(7.4)
) Оптимальная постоянная времени эмиттера:
(7.5)
) Корректирующая емкость:
(7.6)
) Верхняя граничная частота:
(7.7)
) Входное сопротивление каскада с эмиттерной коррекцией может быть
аппроксимировано параллельной RC-цепью:
(7.8)
(7.9)
(7.10)
(7.11)
(7.12)
8. РАСЧЕТ ИСКАЖЕНИЙ, ВНОСИМЫХ ВХОДНОЙ ЦЕПЬЮ
Принципиальная схема входной цепи каскада приведена на рис. 8.1(а),
эквивалентная схема по переменному току - на рис. 8.1(б).
а) б)
Рисунок 8.1 - Принципиальная схема входной цепи каскада (а) и
эквивалентная схема по переменному току (б)
1)
(8.1)
2)
(8.2)
3)
(8.3)
) По формулам (6.2-6.3):
Получается, что искажения, вносимые входной цепью больше, чем требуется,
из этого следует, что каскад нуждается в коррекции и потребуется еще один
каскад.
9. ВЫБОР ТРАНЗИСТОРА ПРЕДОКОНЕЧНОГО КАСКАДА
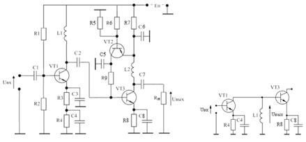
Принципиальная схема каскада приведена на рис. 9.1(а), эквивалентная
схема по переменному току - на рис. 9.1(б).
а) б)
Рисунок 9.1 - Принципиальная схема каскада (а) и эквивалентная
схема по переменному току (б)
1) Сопротивление нагрузки по переменному току будет равно
сопротивлению нагрузки:
(9.1)
) Найдем напряжение в рабочей точке:
(9.2)
(9.3)
Так как напряжение питания, рассчитанное по формуле (2.10) равно 10В, то
возьмем напряжение в рабочей точке для второго транзистора, равное
) Найдем ток в рабочей точке:
(9.4)
(9.5)
Так как измерить данный ток с заданной точностью практически невозможно,
то возьмем значение тока в рабочей точке для второго транзистора
) Мощность, рассеиваемая на коллекторе транзистора по формуле
(2.6) равна:
Найдем в справочниках подходящий транзистор по известным току и
напряжению в рабочей точке и мощности, рассеиваемой на коллекторе транзистора.
Выбор транзистора для входного каскада осуществляется с учетом следующих
предельных параметров:
) Предельно допустимого напряжения коллектор-эмиттер по формуле
(3.2):
) Предельно допустимого тока коллектора по формуле (3.3):
) Допустимая мощность, рассеиваемая на коллекторе по формуле
(3.4):
Анализируя требуемые параметры, выбираем транзистор КТ610Б. Это
кремниевый эпитаксиально-планарный мощный сверхвысокочастотный транзистор.
Электрические параметры:
) Граничная частота коэффициента передачи тока fт=1100МГц.
) Статический коэффициент усиления тока в базы -β0=60.
) Постоянная времени цепи обратной связи - τс=20пс.
) Ёмкость коллекторного перехода при Uкб=10В - Ск=4.1пФ.
Предельные эксплуатационные данные:
) Постоянный ток коллектора Iк0=0.3А.
) Постоянное напряжение коллектор-эмиттер Uкэ0=26В.
) Постоянная рассеиваемая мощность коллектора Pрас= 1.5Вт.
10. РАСЧЕТ СХЕМЫ ДЖИАКОЛЕТТО ПРЕДОКОНЕЧНОГО КАСКАДА
Расчёты проведен аналогично расчетам, выполненным в пункте 5.
1) Найдем проводимость и сопротивление базы по формулам (5.1-5.3):
) Рассчитаем сопротивление и проводимость эмиттера по формулам
(5.4-5.8):
а=3
) Найдем проводимость перехода база - эмиттер по формуле (5.9):
) Рассчитаем крутизну по формулам (5.10-5.11):
) Рассчитаем емкость эмиттерного перехода по формуле (5.12):
) Найдем выходное сопротивление и выходную проводимость
транзистора по формулам (5.13-5.14):
Полученные параметры схемы Джиаколлето:
8)
9)
,
10)
, 
12)
13)
14)
,
11. РАСЧЕТ K0 И fВ
ПРЕДОКОНЕЧНОГО КАСКАДА И ИСКАЖЕНИЙ, ВНОСИМЫХ ВХОДНОЙ ЦЕПЬЮ
) Крутизна по формуле (5.16):
) Постоянная времени транзистора по формуле (5.17):
) Коэффициент усиления по формуле (5.18):
(11.1)
) Найдем
:
(11.2)
(11.3)
) По формулам (6.43-6.44):
Получается, что искажения в области верхних частот превышают заданный
уровень искажений для выходного каскада, поэтому потребуется коррекция.
) Входное сопротивление каскада может быть аппроксимировано
параллельной RC цепью по формулам (5.14-5.15, 5.19):
12. РАСЧЕТ СХЕМЫ ТЕРМОСТАБИЛИЗАЦИИ ПРЕДОКОНЕЧНОГО КАСКАДА
Эмиттерная стабилизация рабочей точки транзистора применяется при
разработке маломощный широкополосных радиопередающих устройств. Это обусловлено
необходимостью рассеивания большой мощности на резисторе стоящем в цепи
эмиттера при создании мощных передатчиков. Кроме того, по правилам эксплуатации
мощных транзисторов их эмиттеры должны быть заземлены. Принципиальная схема каскада
с эмиттерной стабилизацией приведена на рисунке 12.1.
Рис. 12.1 - Принципиальная схема промежуточного каскада с эмиттерной
термостабилизацией
Используем ранее полученные
,
,
,
. Известно, что
.
) Рассчитаем ток базы в рабочей точке:
(12.1)
) Найдем ток делителя, образованного резисторами
и
:
(12.2)
) Найдем напряжение, рассеиваемое на резисторе
:
(12.3)
) Рассчитаем сопротивление резистора
:
(12.4)
) Рассчитаем сопротивление резистора
:
(12.5)
) Рассчитаем сопротивление резистора
:
(12.6)
) Рассчитаем
:
(12.7)
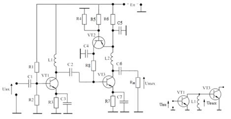
13. РАСЧЕТ ЦЕПИ КОРРЕКЦИИ ПРЕДОКОНЕЧНОГО КАСКАДА
Принципиальная схема промежуточного каскада с эмиттерной коррекцией
приведена на рис. 13.1 (а), эквивалентная схема по переменному току - на рис.
13.1 (б).
а) б)
Рис. 13.1 - Принципиальная схема промежуточного каскада с эмиттерной
коррекцией (а) и эквивалентная схема по переменному току (б)
Так как наибольшее искажение в АЧХ усилителя обычно вносит входная цепь,
то распределим их с запасом, т.е. Yв для выходного каскада возьмем 0,5 дБ, для входного каскада 0,5 дБ, а на
входную цепь оставим 1 дБ
Для расчетов примем следующие данные:
, так как искажения для выходного
каскада приняли равными 0.5 дБ, то
.
) Глубина ООС по формуле (7.1):
) Корректирующее сопротивление по формуле (7.2):
(13.1)
(13.2)
) По формуле (7.4):
) Оптимальная постоянная времени эмиттера по формуле (7.5):
) Корректирующая емкость по формуле (7.6):
) Верхняя граничная частота по формуле (7.7):
) Входное сопротивление каскада с эмиттерной коррекцией может быть
аппроксимировано параллельной RC-цепью
по формулам (7.8-7.11):
14. РАСЧЕТ ИСКАЖЕНИЙ, ВНОСИМЫХ ВХОДНОЙ ЦЕПЬЮ
Расчет произведем аналогично расчетам из пункта 8. Принципиальная схема
входной цепи каскада приведена на рис. 14.1(а), а эквивалентная схема по
переменному току - на рис. 14.1(б).
Рисунок 14.1 - Принципиальная схема входной цепи (а), эквивалентная схема
по переменному току - (б).
) По формуле (8.1):
) По формуле (8.2):
) По формуле (8.3):
) По формулам (6.2-6.3):
Получается, что искажения, обусловленные наличием входной цепи,
удовлетворяют условию задания.
15. РАСЧЕТ РЕЗУЛЬТИРУЮЩЕЙ ХАРАКТЕРИСТИКИ
Построение результирующей характеристики заключается в построении АЧХ,
которая строится на основании полученного сквозного коэффициента усиления и
искажений на нижних и верхних частотах, указанных в техническом задании.
Итоговая амплитудно-частотная характеристика усилительного устройства
находится как произведение коэффициентов передачи всех каскадов усилителя:
(15.1)
Выражая коэффициент усиления в децибелах, получаем:
Можно сделать вывод, что полученный сквозной коэффициент усиления
удовлетворяет условию задания.
16. РАСЧЕТ РАЗДЕЛИТЕЛЬНЫХ И БОЛКИРОВОЧНЫХ ЕМКОСТЕЙ И
КОЛЛЕКТОРНЫХ ДРОССЕЛЕЙ
Величина индуктивности дросселя выбирается таким образом, чтобы
переменная составляющая коллекторного тока не ответвлялась в коллекторную цепь.
Для этого величина реактивного сопротивления дросселя
должна быть много больше сопротивления
нагрузки:
(16.1)
Отсюда, величину дросселя можно найти по формуле:
(16.2)
Дроссель, рассчитанный по формуле (16.2) для выходного каскада будет
равен:
Для входного каскада в качестве нагрузочного сопротивления
выступает входное сопротивление и
сопротивления базовых делителей оконечного каскада:
В схеме усилителя на входе и на выходе каждого каскада ставится
разделительный конденсатор для развязки каскадов по постоянному току.
Так как искажения на низких частотах в основном определяются
разделительной емкостью, то искажения, приходящиеся на одну емкость равны
отношению искажений на нижних частотах на число емкостей
усилителя. В результате искажения,
приходящиеся на одну емкость равны:
(16.3)
Переводя искажения из децибел в разы, получаем:
Расчет
производится по формуле (16.4):
(16.4)
Номиналы разделительных емкостей можно определить из соотношения:
,(16.5)
где
и
эквивалентные сопротивления, стоящие слева и справа от
разделительного конденсатора соответственно:
,
,
Проведем расчет для разделительных конденсаторов по формуле (16.5).
ЗАКЛЮЧЕНИЕ
В данном курсовом проекте был разработан широкополосный усилитель с
характеристиками указанным в техническом задании. Выходной каскад обеспечивает
требуемое выходное напряжение. Промежуточный каскад дает необходимое усиление и
искажения в пределах допустимого.
Рассчитанный усилитель имеет следующие технические характеристики:
. Рабочая полоса частот: 0.05-20 МГц
. Линейные искажения:
в области нижних частот не более 2 дБ
в области верхних частот не более 2 дБ
. Коэффициент усиления - 38,061 дБ
. Амплитуда выходного напряжения
. Напряжение питания
Усилитель имеет запас по усилению 3,061 дБ. Это необходимо для того,
чтобы в случае ухудшения усилительных свойств коэффициент передачи усилителя не
опускался ниже заданного уровня, определённого техническим заданием.
Проверка рассчитанной схемы была выполнена в программе Multisim.
Спроектированный усилитель удовлетворяет всем требованиям, указанным в
задании, что говорит о правильности проделанной работы.
СПИСОК ИСПОЛЬЗОВАННЫХ ИСТОЧНИКОВ
1. Красько
А.С. Аналоговые электронные устройства: Методические указания по курсовому
проекту - Томск: ТМЦДО, 2000. - 42с.
. Титов
А.А. Расчет элементов высокочастотной коррекции усилительных каскадов на
биполярных транзисторах: Учебно-методическое пособие по курсовому
проектированию для студентов радиотехнических специальностей. - Томск: ТУСУР,
2002. - 47 с.
. Титов
А.А. Методы повышения выходной мощности усилителей радиопередающих устройств:
Учебно-методическое пособие по курсовому проектированию для студентов
радиотехнических специальностей. - Томск: ТУСУР, 2003. - 57 с.
. Бородин
Б.А., Ломакин В.М., Мокряков В.В. и др.; Под ред. Голомедова А.В. Мощные
полупроводниковые приборы. Транзисторы: Справочник - М.: Радио и связь, 1985. -
560с., ил.
. Титов
А.А. Транзисторные усилители мощности МВ и ДМВ - М.:СОЛОН-ПРЕСС, 2006. - 328с.,
ил.
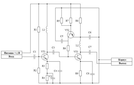
ПРИЛОЖЕНИЕ
Схема электрическая принципиальная. Усилитель широкополосный
|
Поз. обозначение
|
Наименование
|
Кол.
|
Примечание
|
|
Катушки индуктивности
|
|
|
|
L1
|
SMD 1800мкГн±5%
|
1
|
|
|
L2
|
SMD 4700мкГн±5%
|
1
|
|
|
Конденсаторы
|
|
|
|
С1
|
К10-17Б - 20нФ±5%
|
1
|
|
|
С2
|
К10-17Б - 7,5нФ ±5%
|
1
|
|
|
С3
|
К10-17Б - 47нФ±5%
|
1
|
|
|
С4
|
К50-17Б - 39нФ ±5%
|
1
|
|
|
С5
|
К10-17Б - 0,1мкф ±5%
|
1
|
|
|
С6
|
К10-17Б - 1мкФ±5%
|
1
|
|
|
С7
|
К10-17Б - 82пф ±5%
|
1
|
|
|
Резисторы
|
|
|
|
R1
|
С1-4 - 1Вт - 0,91кОм±5%
|
1
|
|
|
R2
|
С1-4 - 1Вт - 2кОм±5%
|
1
|
|
|
R3
|
SQP - 5Вт - 1,6кОм±5%
|
1
|
|
|
R4
|
С1-4 - 1Вт - 24Ом±5%
|
1
|
|
|
R5
|
С1-4 - 1Вт - 8,2кОм±5%
|
1
|
|
|
R6
|
С1-4 - 1Вт - 1.1кОм±5%
|
1
|
|
|
R7
|
С1-4 - 1Вт - 2,0кОм±5%
|
1
|
|
|
R8
|
С1-4 - 1Вт - 17 Ом±5%
|
1
|
|
|
R9
|
SQP - 5Вт - 3,3Ом±5%
|
1
|
|
|
Транзисторы
|
|
|
|
VT1
|
КТ610Б
|
1
|
|
|
VT2
|
КТ361Б
|
1
|
|
|
VT3
|
2Т920А
|
1
|
|