Счетчики времени телефонных разговоров
Введение
В условиях грядущего введения в действие системы
повременной оплаты телефонных разговоров возникает потребность следить за
временем, проведенным у телефонного аппарата. Для этой цели можно применять
разного рода устройства, и с разной эффективностью. Однако в общем случае
применяются специальные устройства.
Таким образом, поставленная задача заключается в
том, чтобы изучить устройство, которое бы могло с достаточной точностью
анализировать «проговоренное» время, работало бы в автономном режиме (или от
телефонной сети), а также способное хранить информацию о времени разговоров в
течение долгого времени.
Счетчик продолжительности
телефонного разговора из широко распространенных стрелочных электромеханических
часов с питанием от одного гальванического элемента
Сегодня во многих городах и населенных пунктах
страны действует повременная оплата телефонных разговоров. К сожалению, абонент
узнает о затраченном на разговоры времени только из присланного счета. Чтобы
иметь вероятность контроля счетов. предлагаю изготовить счетчик
продолжительности телефонного разговора из просторно распространенных
стрелочных электромеханических часов с питанием от одного гальванического
элемента типоразмера АА (316, «пальчиковый»). Схема счетчика показана на рис.1.
Рис.1
В разрыв телефонной линии включен участок база
эмиттер транзистора VT1, зашунтированный резистором Rt. Ток, текущий в линии
при снятой трубке, открывает транзистор, замыкающий цепь питания
электромеханических часов. Они идут, отсчитывая пора разговора. Как только
телефонная трубка повешена, закрывшийся транзистор размыкает цепь питания часов
и прекращает отсчет времени. Гальванический ингредиент G1, питающий часы,
условно показан на схеме за пределами их корпуса.
Однако извлекать его отнюдь не обязательно.
Достаточно, как показано на рис. 2, вделать между плюсовым выводом элемента и
контактной пружиной часов полоску фольгированного с двух сторон
стеклотекстолита толщиной 1 мм или меньше.
Рис. 2
К слою фольги, контактирующему с выводом
элемента, припаивают проводник, идущий к резистору R1 и эмиттеру транзистора
VT1. к противоположному слою идущий к коллектору транзистора. Резистор
МЛТ-0,125 или иной малогабаритный. Указанный на схеме транзистор можно
заместить любым маломощным кремниевым структуры р-п-р. Обе детали можно
разместить в любом удобном месте, например, в телефонной розетке. Перед
подключением не забудьте проверить полярность напряжения в телефонной линии и
соблюдайте ее.
Первого числа каждого месяца устанавливайте
стрелки часов на 12:00. К концу месяца их положение покажет, сколько времени
«наговорили» по телефону.
Счетчик продолжительности разговора,
установленный на АТС, работает только при условии, что подняты трубки телефонов
обоих абонентов, пора, идущее, например, на набор номера и ожидание ответа, не
учитывается. Поэтому показания предлагаемого счетчика будут завышенными. К
сожалению, освободиться от этого недостатка простыми средствами невозможно.
Счетчик времени разговора с задающим
генератором на микросхемах 561 серии
Если совместить схему индикатора состояния линии
с электронными часами, можно получить простои счетчик времени разговора.
Заметим, что если индикатор линии реагирует как на попытку набора, так и на обрыв
линии, то счетчик позволит произвести оценку времени пиратского подключения во
время отсутствия хозяина телефона. Получается своеобразный индикатор с памятью.
Привязку датчика состояния линии с часами легче
всего производить по запуску кварцевого задающего генератора. Тогда, часы
запускаются при падении напряжения в линии ниже установленного уровня (разговор
или обрыв) и останавливаются после восстановления уровня 60 В (окончание
разговора).
Если часы не обнулять, то счетчик времени
суммирует время всех разговоров в течение суток и более (до 24-х часов
разговорного времени). Счетчик времени может быть также применен для анализа
частоты использования телефонного аппарата.
Для примера, на Рис. 3 представлена схема
счетчика времени разговора с задающим генератором на микросхемах 561 серии.

В исходном состоянии, когда на линии 60 В, вход
1 DD2.1 шунтируется диодом VD9 на корпус. Задающий генератор выключен, счет
часов остановлен. При снятии трубки на линии, на выходе 10 DD1.3 с задержкой в
1 с (R4, С1) появляется логическая единица, осуществляя запуск генератора. Счет
времени осуществляется пока на выходе 10 DD1.3 не появится логический «ноль»
(через 1 с после появления на линии напряжения 60 В).
По описанному принципу можно осуществить
сопряжение датчика линии с любыми другими схемами электронных часов. Для
конструирования желательно использовать готовые часы с питанием от батареек,
так как в этом случае осуществляется страховка от пропадания напряжения в сети
220 В. счетчик продолжительность телефонный разговор
Предыдущая схема (Рис. 3) предусматривала
срабатывание счетчика времени во всех режимах связи:
обрыв линии;
попытка пиратского подключения;
использование телефона хозяина линии при
исходящей связи;
входящая связь.
В случае, когда абонент желает контролировать
лишь время исходящей связи с основного телефонного аппарата. для запуска
кварцевого генератора часов следует применять схему, приведенную на Рис. 4.
Рис. 4
В состав схемы входят:
датчик тока-R1,VТ1,R2,DD1.1;
фильтр индукторного вызова - R4, СЗ;
формирователь импульса цифры номера -
VD3,R5,C2,DD1.2,C5;
счетчик набранной цифры - DD2;
инвертор включения генератора - DD1.4;
цепь питания микросхем - VD 1, R3, С 1, VD2.
Данная схема позволяет:
включить счетчик времени после снятия трубки и
набора первых 3-х цифр номера (исходящая связь);
выключить счетчик после окончания разговора
(погрешность 2-4 с);
Работа схемы заключается в следующем. При снятии
трубки на ТА срабатывает датчик тока Rl, VT1 и с запаздыванием в 1 с (фильтр
вызова) элемент DD2 подготавливается к счету. Элемент счетчика DD2 считает
количество набранных цифр номера. Формирователь R5, С2, DD2.1 переключается в
межсерийной паузе набора номера. После первых трех цифр высокий уровень на
выходе 7 DD2 останавливает счет и, заряжая С4 через R7, переключает DD1.4,
включая тем самым электронные часы. При входящей связи микросхема DD2 также
подготавливается к счету, но импульсы набора номера в этом режиме отсутствуют.
Электронные часы остаются в выключенном состоянии.
Таким образом, схема запуска позволяет
избирательно отслеживать исходящую связь только с подключенного к ней
телефонного аппарата.
Счетчик времени телефонных
разговоров для поминутного учета времени исходящих телефонных разговоров
Счетчик времени телефонных разговоров
предназначен для поминутного учета времени исходящих телефонных разговоров в
телефонных сетях с импульсным набором номера абонента и напряжением 60 В. Время
разговора учитывается автоматически через 6 с после окончания набора
шестизначного номера абонента. После незначительной переделки счетчик можно
использовать в телефонных линиях с пяти- или семизначными номерами.
Междугородные переговоры счетчик не учитывает.
Информация о времени текущего разговора и
суммарном времени разговоров за месяц индицируется одновременно на двух табло с
максимальными показаниями 99 мин и 999 мин соответственно. Сброс показаний
индикатора времени текущего разговора происходит автоматически после
возвращения телефонной трубки в исходное положение. Показания суммарного
времени разговоров сбрасывают вручную ежемесячно. Для ограничения времени
разговоров в счетчике предусмотрена звуковая сигнализация через каждые 10 мин
разговора.
Питается устройство от сети переменного тока 220
В 50 Гц, потребляемая мощность - менее 1 Вт. Предусмотрено аварийное питание
счетчика от батареи 9 В типов «Корунд», «Крона» и т. п. при отключении
электросети. Показания в таком режиме не индицируются.
Счетчик имеет высокое входное сопротивление и
практически не оказывает влияния на работу телефонного аппарата или линии. Он
может работать с любыми абонентскими телефонными аппаратами, имеющими дисковые
или кнопочные номеронабиратели, с бесшнуровыми телефонами.
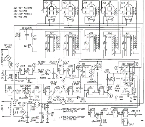
Схема устройства показана на рис. 5.
Рис. 5
Представление о работе счетчика дают
осциллограммы в некоторых точках (рис. 6).
Рис. 6
Датчиком положения телефонной трубки служит
делитель напряжения R1R2. При напряжении в линии 60 В (в дежурном режиме)
напряжение на резисторе R2 равно приблизительно 10 В, а при поднятии телефонной
трубки - менее 1 В. Для микросхем К561ЛЕ5, примененных в счетчике, это
соответствует высокому и низкому уровням.
С выхода делителя напряжения R1R2 сигнал
поступает на вход ждущего мультивибратора, собранного на элементах DD1.3 и
DD1.4. Для подавления вызывных сигналов и импульсных помех служит конденсатор
С1. В дежурном режиме на выходе ждущего мультивибратора присутствует высокий
уровень. Импульсов на выходах микросхемы DD6 нет, так как на входы R счетчиков
DD6 поступает запрещающий высокий уровень с выхода RS-триггера DD3.1, DD3.2.
Счетчики DD7 и DD8 находятся в обнуленном
состоянии из-за наличия на их входах S и R высокого уровня, поступающего с
выхода элемента DD2.3. На индикаторах HG1, HG2 горят только сегменты «g»,
сигнализирующие о работе счетчика в дежурном режиме.
Счетчики DD9 - DD11 сохраняют записанную ранее
информацию, так как на их входах S присутствует низкий уровень. При нажатии
кнопки SB1 цепь R20C9 формирует импульс высокого уровня, который переводит эти
счетчики в нулевое состояние. Индикаторы HG3 - HG5 погашены, так как на их
сетки подан низкий уровень с выхода элемента DD2.4 (через ключ на транзисторе
VT2).
При поднятии телефонной трубки на входе и выходе
ждущего мультивибратора DD1.3, DD1.4 устанавливается низкий уровень. На выходах
элементов DD2.4 и DD2.3 уровни меняются на противоположные. На сетки
индикаторов HG3 - HG5 через транзисторный ключ VT2 поступает высокий уровень.
Индикаторы HG3 - HG5 показывают записанную в счетчики DD9 - DD11 информацию или
нули, если было произведено обнуление счетчиков. На входы S и R счетчиков DD7,
DD8 поступает низкий уровень, и на индикаторах HG1, HG2 высвечиваются нули.
На выходе RS-триггера DD3.1, DD3.2 сохраняется
высокий уровень, и кварцевый генератор микросхемы DD6 остается в ждущем режиме.
Десятичный счетчик DD5, управляющий состоянием RS-триггера, обнуляется
импульсом высокого уровня, сформированным дифференцирующей цепью R12C6 по
перепаду напряжения на выходе инвертора DD2.2. Этот перепад возникает при
поднятии телефонной трубки.
С началом набора номера на вход ждущего мультивибратора
DD1.3, DD1.4 поступают серии от одного до 10 импульсов в каждой, в зависимости
от набираемой цифры. Рассматриваемый вариант устройства рассчитан на
шестизначный телефонный номер.
Интегрирующая цепь R5C3 вместе с транзисторным
ключом VT1 формирует огибающие серий импульсов набора номера, которые поступают
на вход триггера Шмитта DD3.4, DD3.3. На выходе элемента DD3.4 возникает
последовательность импульсов, число которых равно числу цифр набираемого
номера.
Через помехоподавляющую цепь R8C4 эти импульсы
поступают на тактовый вход CN десятичного счетчика DD5. Когда приходит шестой
импульс, на выходе 6 (выв. 5) счетчика появляется высокий уровень, который
переключает RS-триггер DD3.1, DD3.2. На выходе RS-триггера возникает низкий
уровень, который благодаря цепи R17C10 через 6 с разрешает работу счетчикам
микросхемы DD6. Через 1 мин на выходе М счетчика DD6 появляется
последовательность минутных импульсов, которые поступают далее на счетчики DD8
и DD11.
Счет минутных импульсов происходит до окончания
разговора, т. е. до возвращения телефонной трубки в исходное положение. На
входе и выходе ждущего мультивибратора DD1.3, DD1.4 при этом устанавливается
высокий уровень, и устройство возвращается в дежурный режим.
При наборе более шести цифр номера на выходе 7
(выв. 6) счетчика DD5 появится высокий уровень, который поступит на вход
RS-триггера DD3.1, DD3.2 и переключит его в исходное состояние. Таким образом,
время междугородных переговоров не будет учтено.
Для подачи звукового сигнала через каждые 10 мин
разговора на вывод 9 элемента совпадения DD4.3 через элементы DD2.1 и DD4.4
приходят импульсы с выхода Р счетчика DD8. На другой вход элемента DD4.3 с выхода
F счетчика DD6 поступают импульсы с частотой следования 1024 Гц. При совпадении
этих импульсов по времени на выходе DD4.3 появляется сигнал звуковой частоты
длительностью 0,5 с. Усиленный по мощности параллельно включенными элементами
DD4.1 и DD4.2 сигнал поступает на пьезоэлектрический преобразователь НА1.
Блок питания устройства содержит параметрический
стабилизатор напряжения на стабилитроне VD13 и эмиттерный повторитель на
транзисторе VT3. Диод VD14 предотвращает разрядку батареи аварийного питания
GB1 при наличии сетевого напряжения 220 В.
Конструкция устройства может быть произвольной.
В некоторых телефонных аппаратах его можно разместить внутри корпуса. Для
улучшения зрительного восприятия показаний счетчика индикаторы должны быть
закрыты светофильтром из органического стекла зеленого или голубого цвета.
Кнопку SB1 во избежание случайного нажатия и обнуления счетчика лучше
расположить на задней стенке корпуса.
Все резисторы - МЛТ. Конденсаторы С1 - СЗ, С9,
С13 - КМ - 6, МБМ; С4, С6, С7, С8 - КТ - 1, КСО - 1 и др. Оксидные конденсаторы
- К50 - 35, К52 - 1, К53 - 1. Микросхемы серий К176 и К561 могут быть заменены
аналогичными из других серий - 564, К1561.
Транзисторы могут быть заменены другими
кремниевыми, подходящими по току и напряжению. Диоды VD1 - VD4 должны
выдерживать обратное напряжение не менее 250 В.
Трансформатор Т1 может быть любой малогабаритный
с напряжением вторичной обмотки 12...14 В и током до 100 мА. Обмотку накала III
можно намотать проводом ПЭЛ - 1 0,5 поверх имеющихся обмоток. Примерное число
витков - 30 - 35.
Индикаторы ИВ - 6 могут быть заменены на ИВ -
ЗА. Допускается эксплуатация индикаторов ИВ-6 при напряжении накала 0,85...1,15
В, а ИВ - ЗА - 0,7...1 В. Применять светодиодные индикаторы АЛС совместно со
счетчиками К176ИЕ4 нежелательно из-за большого потребляемого тока и
сравнительно слабой яркости свечения.
Особой наладки устройство не требует После
проверки правильности монтажа и работоспособности блока питания счетчик
подключают к телефонной линии. Подбором резистора R2 добиваются переключения
элементов DD1.3 и DD1.4 при снятии трубки. Во время набора номера проверяют
подавление импульсов набора цепью R10C5 и при необходимости подбирают эти
элементы. Время задержки включения кварцевого генератора DD6 на 6 с можно
изменять подбором параметров цепи R17C10.
Следует иметь в виду, что показания счетчика за
месяц все же будут незначительно отличаться от показаний счетчика АТС, так как
АТС считает именно время соединения, а предлагаемое устройство - интервал
времени спустя 6 с от окончания набора.
Для работы счетчика в телефонных сетях с пяти-
или семизначными номерами следует перепаять входы RS-триггера DD3.1, DD3.2 к
соответствующим выходам счетчика DD5.
В начале каждого месяца нажатием кнопки SB1
нужно обнулять счетчик суммарного времени разговоров.
При обрыве или замыкании телефонной линии
счетчик автоматически включается, учет времени при этом не производится.
Замену батареи аварийного питания нужно
производить по необходимости. Батарея сохраняет работоспособность более одного года.
Заключение
В ходе работы было изучено устройство, служащее
в качестве счетчика времени телефонных разговоров. Основным его преимуществом
является низкое энергопотребление в сочетании с высокой точностью определения
времени исходящих телефонных разговоров. Такая точность стала возможной из-за
того, что устройство тесно связано с телефонной линией и анализирует сигналы в
ней для определения момента начала исходящего соединения. Характеристики
устройства в общем соответствуют тем задачам, которые ставились передо мной при
формулировке темы курсового проекта
Список литературы
. Титце У., Шенк К.
Полупроводниковая схемотехника, Справочное руководство.
. Хоровиц П., Хилл У. Искусство
схемотехники, в 3-х томах.- М.: Мир, 1992.
. Якубовский С.В., Барканов Н.А.,
Кудряшов Б.П. Аналоговые и цифровые интегральные схемы.- М.: Сов. радио, 1979.
.
http://electroscheme.org/871-schetchik-vremeni-telefonnyx-razgovorov.html