Цифровой диктофон

  • Вид работы:
    Курсовая работа (т)
  • Предмет:
    Информатика, ВТ, телекоммуникации
  • Язык:
    Русский
    ,
    Формат файла:
    MS Word
    968,48 Кб
  • Опубликовано:
    2012-04-22
Вы можете узнать стоимость помощи в написании студенческой работы.
Помощь в написании работы, которую точно примут!

Цифровой диктофон

МИНИСТЕРСТВО ОБРАЗОВАНИЯ И НАУКИ РОССИЙСКОЙ ФЕДЕРАЦИИ

СИБИРСКАЯ АКАДЕМИЯ ПРАВА, ЭКОНОМИКИ И УПРАВЛЕНИЯ

КАФЕДРА ОРГАНИЗАЦИИ И ТЕХНОЛОГИИ ЗАЩИТЫ ИНФОРМАЦИИ










КУРСОВАЯ РАБОТА

по инженерно-технической защите информации на тему:

«Цифровой диктофон»









Иркутск 2010

План работы

Введение

. Диктофон

.1 Функциональное и конструктивное построение цифрового диктофона

. Методы и технические средства выявления и подавления цифрового диктофона

.1 Обнаружитель диктофонов

.2 Подавитель диктофонов

Заключение

Список использованной литературы

Введение


В настоящее время огромное значение придается различной информации, в том числе и голосовой. Возникает проблема перехвата этой информации. Для этого чаще всего применяют звукозаписывающие устройства, такие как диктофоны. Принцип построения этих устройств различен.

Отличительной особенностью старых моделей диктофонов является то, что носителем информации является магнитная лента. Современные диктофоны в качестве носителей информации используют цифровые модули памяти.

За последнее время диктофон получил широкое применение в сфере перехвата конфиденциальной информации, из-за удобства и простоты в использовании. Соответственно нам необходимо знать не только устройство и принцип работы, но так же способы и методы поиска и подавление несанкционированного перехвата данными устройствами конфиденциальной информации.

Цель работы: Изучение цифрового диктофона.

Задача. Рассмотреть:

1.       Функциональное построение.

2.       Конструктивное построение.

.        Методы и технические средства выявления и подавления.

1. Диктофон


Для скрытого подслушивания речевой информации и ее регистрации широко применяются диктофоны с встроенными и вынесенными микрофонами. Скрытая запись информации производится с целью:

·        «документирования» беседы или телефонного разговора для экономии времени при составлении отчета или для последующего анализа разговора;

·        регистрации трудно запоминаемой во время разговора информации;

·        использования записи для оказания влияния на собеседника или предоставления ее в качестве доказательства каких-либо его обещаний и высказываний, сбора материалов о конкурентах, злоумышленниках и др.;

·        получения голосового образца собеседника для последующей идентификации при подслушивании;

·        регистрации собственных предложений для их последующего анализа;

·        записи разговора в помещении во время отсутствия владельца диктофона.

Диктофоны по принципам работы делятся на кинематические (с лентопротяжным механизмом для обеспечения записи на магнитную ленту или металлическую проволоку) и цифровые.

Кинематические диктофоны для скрытного подслушивания отличаются от бытовых или профессиональных (используемых журналистами) демаскирующими признаками с пониженной информативностью и возможностью скрытного управления режимами работы. Это достигается:

·        уменьшением в результате прецизионного изготовления механических узлов акустических шумов лентопротяжного механизма;

·        минимизацией побочных электромагнитных излучений за счет исключения из электрической схемы генераторов подмагничивания и стирания;

·        экранированием электромагнитного излучения коллекторного двигателя;

·        возможностью подключения выносного микрофона;

·        возможностью размещения диктофона и его компонентов в одежде человека и скрытного управления режимами работы диктофона;

·        высокой автоматизацией работы диктофона - установкой акус- тоавтомата, счетчика ленты, автореверса, индикатора работы и другими элементами.

Запись речи в диктофонах производится на микрокассете со скоростью 2,4 или 1,2 см/с, длительность записи в зависимости от скорости и типа кассеты составляет от 15 мин до 3 часов.

Автономное электропитание большинства диктофонов обеспечивается 1-2 элементами химического источника тока типа АА и AAA, вес их с батарейками составляет десятки и сотни г (Olimpus L400, например 90 г), а габариты диктофонов позволяют их размещать во внутреннем кармане пиджака.

Металлические корпуса диктофона и дополнительного кожуха-экрана существенно ослабляют электромагнитное излучение коллекторного двигателя, но не исключают его обнаружение на небольшом удалении в десятки см.

В цифровых диктофонах лентопротяжный механизм отсутствует, а запись речевой информации производится в цифровой форме на полупроводниковых запоминающих устройствах. Отсутствие в цифровых диктофонах лентопротяжного механизма исключает акустические шумы, но в качестве его демаскирующего признака проявляются высокочастотные излучения, создаваемые импульсами тактовой частоты аналого-цифрового преобразователя и полупроводниковой памяти.

 

1.1 Функциональное и конструктивное построение цифрового диктофона



Схема диктофона представлена на рис. 1.

Управляют работой устройства кнопками SB1 ("Запись") и SB2 ("Воспроизведение"). Запись производится все время, пока нажата кнопка SB1, вплоть до максимального значения, определяемого частотой квантования, которая, в свою очередь, зависит от сопротивления резистора R4, включенного между входом Rosc и общим проводом. При его сопротивлении, указанном на схеме, частота квантования примерно 12 кГц, максимальная длительность записи - 13,3 с; при увеличении сопротивления до 160 кОм частота квантования понижается до 4 кГц, а продолжительность записи возрастает до 40 с.

Воспроизведение записанного сигнала начинается в момент нажатия на кнопку SB2, продолжается все время, пока она нажата, и прекращается при ее отпускании. Включить воспроизведение можно и от внешнего датчика, подключаемого к гнезду XS1. Фонограмма в этом случае звучит полностью даже при кратковременном замыкании его контактов, а для остановки воспроизведения необходимо повторное замыкание. После завершения воспроизведения или записи микросхема автоматически переходит в экономичный режим.

Вывод AGC служит для автоматической регулировки усиления микрофонного усилителя. При указанной на схеме емкости конденсатора С4 обеспечивается вполне удовлетворительное качество записи звукового сигнала. При соединении этого вывода с общим проводом усиление максимально (40 дБ), а с плюсовым проводом питания - минимально (6 дБ).

Помимо выводов SP+ и SP-, предназначенных для подключения динамической головки к выходу встроенного усилителя мощности ЗЧ, микросхема имеет вывод AUD, с которого сигнал ЗЧ можно подать на вход внешнего, более мощного усилителя.

Выводы Vcca/Vccp и Vssa предназначены для подачи напряжения питания на аналоговую часть микросхемы, Vccd и Vssd - на цифровую, вывод Vssp - общий провод встроенного усилителя мощности. Разделение цепей питания используется для уменьшения шумов, в рассматриваемой конструкции это не обязательно, так как в качестве звуко-излучателя применена малогабаритная головка.

Светодиод HL1 индицирует режим работы микросхемы. При записи фонограммы на ее выводе LED низкий уровень, поэтому светодиод светит постоянно, в режиме воспроизведения уровень периодически меняется с низкого на высокий, и наоборот, поэтому светодиод мигает. Ток через него ограничивает резистор R5.

В диктофоне применен электретный микрофон ВМ1. Нужный режим работы задан резисторами R1-R3.


Большинство деталей устройства устанавливают на печатной плате (рис. 2), изготовленной из односторонне фольгированного стеклотекстолита. Все резисторы и конденсаторы С2, СЗ, С5, С6 (первые с допускаемым отклонением от номинала ±5 %, вторые - ±10 %) - типоразмера 0805 или аналогичные для поверхностного монтажа. Их монтируют на стороне печатных проводников. Остальные конденсаторы - К50-35 или аналогичные импортные, например, серии ТК фирмы Jamicon, штыревую часть разъема Х1 (PLD14) и светодиод HL1 (любого типа в корпусе диаметром 3 мм) устанавливают на противоположной стороне платы.

Нефиксируемые в нажатом положении кнопки SB1, SB2 - PBS10B-2 или другие малогабаритные. Гнездо XS1 - EY-512 (аудио гнездо моно JR2315 диаметром 3,5 мм). Динамическая головка - малогабаритная мощностью 0.5...1 Вт со звуковой катушкой сопротивлением 8 Ом.

Питают устройство от батареи, составленной из трех соединенных последовательно гальванических элементов или аккумуляторов типоразмера ААА.

Смонтированную плату, остальные детали диктофона и контейнер с элементами батареи размещают в самодельном или подходящем по размерам готовом корпусе из пластмассы. Автор использовал имеющийся в продаже корпус BOX-FB08 с внешними размерами 140x50x17 мм (в нем можно установить динамическую головку диаметром не более 40 и высотой не более 12 мм). Для соединения с динамической головкой ВА1, микрофоном ВМ1, кнопками SB1, SB2, гнездом XS1 ("Датчик") и контейнером батареи питания используют отрезок 14-жильного плоского кабеля FRC-14-31. На одном его конце монтируют ответную часть разъема Х1 (FC-14PF), другой разделяют на пары и припаивают к выводам указанных деталей. Вид на монтаж аппарата показан на рис. 3.


Собранный из исправных деталей диктофон налаживания не требует и начинает работать сразу после включения питания. Единственное, что может понадобиться, - это замена резистора R4 для увеличения длительности записи/воспроизведения. Однако следует помнить, что по мере ее увеличения качество звучания фонограммы будет ухудшаться.

Диктофон можно использовать для самых разных целей. Например, он будет полезен в тренировке произношения при изучении иностранного языка, при занятиях с логопедом, напомнит о срочных делах, которые необходимо выполнить сегодня (для этого их перечень надо записать накануне). И, конечно же, он может служить забавной детской игрушкой или сувениром.

Используя различные датчики, подключенные к гнезду XS1, диктофон можно приспособить для оповещения о наполнении ванны, о протечке, возгорании. Подключив к нему кнопку квартирного звонка, получим устройство, извещающее о приходе гостей заранее записанным речевым сообщением или музыкальным фрагментом. С датчиком, контакты которого замыкаются при открывании входной двери, диктофон напомнит о необходимости перед уходом выключить свет, электроприборы и газ, закрыть водопроводные краны; поприветствует вас, когда вы вернетесь домой, а в ваше отсутствие ... остановит грозным окриком потенциального вора, пытающегося ограбить вашу квартиру (в каждом из этих случаев, конечно, должна быть записана соответствующая фонограмма). Разумеется, диктофону можно найти и другое применение - все зависит от вашей творческой фантазии.

2. Методы и технические средства выявления и подавления цифрового диктофона

цифровой диктофон речь запись

Необходимость предотвращения скрытой записи речевой информации на диктофон возникает во время конфиденциального разговора должностного лица организации с посетителем или во время совещания по закрытой тематике. Диктофон может размещаться на теле злоумышленника или в его носимых личных вещах.

Для предотвращения несанкционированной (скрытой) записи речевой информации разговора необходимо, прежде всего, с достаточной достоверностью обнаружить работающий лентопротяжный или цифровой диктофон. После обнаружения диктофона и информирования об этом должностного лица, чей разговор подслушивается, возможны следующие меры обеспечения безопасности речевой информации:

•           прекращение разговора или совещания;

•           исключение из разговора конфиденциальных вопросов, способных нанести должностному лицу или его организации ущерб, или введение в разговор дезинформации;

•           изъятие диктофона у его владельца или стирание записанной на нем информации;

•           дистанционное скрытное воздействие электромагнитным полем на работающий диктофон, приводящее к нарушение работы диктофона.

Обнаружение работающих диктофонов представляет сложную задачу, так как производители диктофонов для скрытой записи принимают эффективные меры по исключению или снижению информативности демаскирующих признаков: обеспечивается бесшумность работы лентопротяжного механизма, отсутствуют генераторы подмагничивания и стирания, экранируются головки и корпус и т. д. Цифровые диктофоны не имеют лентопротяжного механизма.

Диктофон, содержащий металлический экран или металлические детали, может быть обнаружен стационарным металлодетектором, встроенным в раму двери кабинета или помещения для совещания, или ручным металлодетектором по договоренности с частниками совещания. Обыск посетителей с целью обнаружения оружия и диктофонов применяется в исключительных случа- пс, так как он противоречит деловой этике.

Для исключения записи речи на диктофоны создано большое количество типов активных средств нарушения их работы. Принципы работы этих средств основаны на изменении под действием наводок излучаемого ими электромагнитного поля режимов работы входных каскадов усилителя записи диктофона, в результате чего резко ухудшается разборчивость записываемой речи и становится невозможным ее понимание при воспроизведении.

Мобильное средство подавления, вмонтированное в портфеле типа «дипломат», устанавливается возле руководителя под видом его личного портфеля и ориентируется таким образом, чтобы стул или кресло посетителя попали в зону подавления. Перед началом разговора руководитель или сотрудник СБ незаметно включает средство подавления, после его окончания - выключает.

Рассмотрим устройство обнаружения и устройство подавления диктофонов.

2.1 Обнаружитель диктофонов


Прибор представляет собой компактное устройство с выносной магнитной антенной и предназначен для обнаружения звуко- и видеозаписывающих устройств, ведущих запись сигнала на магнитную ленту. Дальность обнаружения колеблется от 2-3 метров для кассетных магнитофонов и видеомагнитофонов и до 10-50 см для диктофонов, ведущих запись на микрокассету.

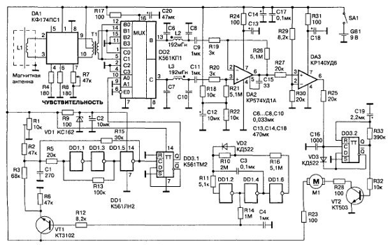
По своему внутреннему строению (рис. 2.1) прибор является приемником прямого преобразования с автоматическим сканированием диапазона частот 30-150 кГц и улавливающий излучение генератора подмагничивания магнитофона или излучение, возникающее при работе его электродвигателя.

На микросхемах DD1, DD2.1 выполнен сканирующий задающий генератор приемника. На элементах DD1.2, DD1.4, DD1.6, VT1 выполнен генератор пилообразного напряжения с периодом около 1 с. Достаточно большое время сканирования выбрано для обеспечения плавных перегибов «зубцов» пилы.

Это необходимо для исключения ложных выбросов напряжения на выходе приемника. На трех инверторах и элементах R10, Rll, R16 СЗ, VD2 собран генератор прямоугольных импульсов, на транзисторе VT1 и элементах R3, R6, R12, R14, С4 - интегратор формирующий «пилу». Через резистор R3 пилообразное напряжение поступает на генератор, управляемый напряжением на элементах DD1, DD3, DD5.

Диапазон перестройки частоты генератора составляет 60-300 кГц и может быть изменен с помощью подстроечного резистора R1.

Рис. 2.1 Принципиальная схема обнаружителя диктофонов

Частота ГУ На выбрана вдвое выше требуемой для обеспечения перекрытия необходимого диапазона частот. Делитель на 2, выполненный на DD3.1, формирует диапазон частот задающего генератора 30-150 кГц и выходной сигнал в форме меандра. Стабилизированное напряжение питания микросхемы DD1 задает стабилизатор на R9, VD1, С2.

Сигнал, наведенный в магнитной антенне L1, усиливается микросхемой DA1, которая включена как дифференциальный усилитель с изменяемым коэффициентом усиления. Усиление регулируется переменным резистором R7. На КМОП-мульти-плексоре DD2 выполнен балансный смеситель, управляемый сканирующим задающим генератором.

Выходной сигнал смесителя с выводов 13, 3 DD1 фильтруется симметричным фильтром низкой частоты на элементах С6, С7, С8, С10, L2, L3 с частотой среза 3 кГц и усиливается дифференциальным усилителем низкой частоты на ОУ DA2. УНЧ имеет большой коэффициент усиления, определяемый отношением резисторов R26, R19 и обеспечивает основное усиление устройства.

Импульсы переменного напряжения с выхода УНЧ сравниваются компаратором на ОУ DA3 с фиксированным порогом, определяемым делителем R29, R30. При превышении сигналом заданного порога на выходе компаратора возникают положительные прямоугольные импульсы, которые запускают одновибратор на D-триггере DD3.2. Одновибратор формирует сигнальный импульс длительностью около 0,8 с. Цепочка R25, VD3 запрещает перезапуск одновибратора до окончания формирования импульса. Собственно, самим индикатором служит миниатюрный электродвигатель с эксцентриком Ml, например, от виброзвонка сотового телефона.

Магнитная антенна L1 намотана «внавал» проводом диаметром 0,1 мм на круглом ферритовом стержне диаметром 8 мм длиной 80-100 мм проницаемостью 400 НН и содержит 1000 витков. Катушка L1 (кроме торцов ферритового стержня) закрыта экраном из медной фольги и соединяется с устройством витой парой в экране длиной 1 м. Экран соединен с общим проводом схемы и экраном магнитной антенны. Трансформатор Т1 намотан на ферритовом кольце 20 х 12 х 6 проницаемостью 2000НН одновременно в три провода и имеет 100 витков. Первичная обмотка (с отводом от середины) получается соединением конца одной обмотки с началом другой. Катушки симметричного фильтра L2, L3 намотаны на общем кольце 20 х 12 х 6 2000НН в два провода и содержат 400 витков.

Микросхему DA1 можно взять в исполнении К174ПС1 (обратив внимание на цоколевку). В качестве дифференциального усилителя низкой частоты DA2 используется ОУ с большой скоростью нарастания выходного сигнала для обеспечения большого усиления в области звуковых частот. Вместо этого ОУ можно применить любой современный высокоскоростной ОУ, работающий при низком напряжении питания и имеющий низкий уровень шума. В качестве DA3 можно взять любой ОУ общего применения работоспособный при низком напряжении питания.

Настройка прибора сводится к установке требуемого диапазона перестройки сканирующего задающего генератора (30-150 кГц на выходе DD3.1). Ширина диапазона регулируется подстроечным резистором R1 или подбором R3, центральная частота генерации подбором резистора R15.

При большом уровне внешних помех (оргтехника, промышленное оборудование) верхний уровень диапазона сканирования лучше ограничить на уровне 70-100 кГц. Питается прибор от девятивольтовой щелочной батареи.

При поиске записывающих устройств регулятором R7 устанавливается такой уровень чувствительности прибора, при котором не происходит его срабатывание от внешних помех. Вибродвигатель Ml должен быть расположен как можно дальше от магнитной антенны L1.

 

.2 Подавитель диктофонов

 

Данные системы предназначены для снижения эффективности работы средств звукозаписи путем наведения на вход усилителя низкой частоты шумоподобного сигнала. На первом этапе развития подобных систем можно отметить создание подавителей, реализованных на ультразвуковых генераторах, воздействующих на микрофонный усилитель и вносящих значительные нелинейные искажения. Отличительными чертами таких систем подавления являются: необходимость работы в замкнутых объемах, вредность для здоровья человека, высокая стоимость. Другой метод подавления диктофонов основывается на использовании импульсных источников электромагнитного сигнала в ДМВ диапазоне.

Все современные системы подавления, такие как "Рубеж", "Буран", "Шумотрон", "Рамзес", УПД, близки друг к другу по своей эффективности и принципу действия. Эффект подавления основан на воздействии на цепи радиоэлектронных устройств высокочастотным сигналом со специальным видом модуляции, который после навязывания запирает цепи АРУ при достаточной мощности или смешивается с полезным сигналом, значительно превосходя его по уровню и, соответственно, искажая его.

Основные сложности наблюдаются при подавлении экранированных диктофонов и диктофонов, используемых без выносных микрофонов. Необходимо отметить, практически все подавители имеют направленную антенную систему, и радиус эффективного подавления некоторых моделей диктофонов редко доходит до 5 м. Заметное ухудшение эффективности данных устройств наблюдается при попытке блокировать цифровой диктофон. Эффективность падает в этом случае в 2 - 3 раза, некоторые диктофоны не подавляются вообще. Замечено, что чем дешевле и проще цифровой диктофон, тем менее эффективен и подавитель диктофонов.

О надёжности приборов. Подавляющее большинство подавителей диктофонов, представленных на рынке, закамуфлированны в кейсы. В данном объёме расположены батареи питания, занимающие примерно 1/3 полезного объёма, огромный радиатор (при выходной мощности 30Вт к.п.д. выходной микросхемы, как правило, не превышает 35%), элементы необходимой электроники, в некоторых приборах даже зарядное устройство. Объём устройств подавления, закамуфлированных в кейс, « забит до отказа», расположить системы защиты от перегрузки или перегрева, как правило, уже не получается. Кроме того, чтобы не демаскировать устройство, как правило, не предусмотрены вентиляционные отверстия и принудительная вентиляция. Всё это ведёт к ненадёжности конструкции и частым выходам подавителей из строя.

Теперь перейдем к практическому техническому решению прибора подавления магнитной записи на примере прибора «Парус-400С1».

ПАРУС - 400С1

Частота излучения 400 МГц

Импульсная излучаемая мощность 40 Вт

Средняя излучаемая мощность 5 Вт

Дальность гарантированного искажения записи (PANASONIC) 1,5 м

Направление излучения 80°

Система индикации световая

Питание стационарное 220 В 50 Гц

Средняя потребляемая мощность в режиме подавления не более 40 Вт

Масса не более 5 кг.

Вид исполнения - стационарный

ОПИСАНИЕ ФУНКЦИОНАЛЬНОЙ СХЕМЫ ПД

Рис.1. Функциональная схема ПД

В соответствии с условиями технического задания подавитель диктофонов должен включать в себя (рис. 1.) :

. Блок питания (БП).

Блок питания состоит из трансформатора Т1, двухполупериодного мостового выпрямителя, выполненного на диодах VD1- VD4, фильтра на конденсаторе С7, С8, регулируемого стабилизатора на микросхеме DA2 и стабилизатора на микросхеме DA1.

БП должен обеспечивать стабильное питание прибора:

а) 6В; 0.8А, для питания цифрового модулятора, реализованного на микросхеме КР142ЕН5Б (выход С). Источник служит для питания ЦМ;

б) регулируемое напряжение от 8 до 13 В; 5А,(точный наминал устанавливается при настройке прибора, выход А +13В) реализован на микросхеме SD1083 для питания силовых частей схемы.

Трансформатор БП выполнен на тороидальном сердечнике.

Исходя из полученных данных, целесообразно использовать трансформатор серийного производства типа YM ELECTRONIC TRANSFORMATOR ETR-03065 220V/12V, имеющий следующие характеристики:

первичная обмотка AC 230V, 0,28A, 50H;

вторичная обмотка AC 12V, 65VA, 5.4A.

. Цифровой генератор шума - цифровой модулятор (ЦМ) содержит последовательный регистр сдвига (КР176ИР10), сумматор по модулю 2 (КР176ЛП2), тактовый генератор (КР176 ЛА7), буферный каскад на транзисторах КТ315Г и КТ816Г. Диапазон частот генератора Fmin~20Гц Fmaх~20КГц. Смещение рабочего диапазона частот ЦМ осуществляется изменением тактовой частоты. Регистр и сумматор образуют непосредственно формирователь М-последовательности.

Полностью устройство вырабатывает белый шум, то есть сигнал псевдослучайной последовательности двоичных символов с равномерной спектральной плотностью в заданном диапазоне частот.

Рис.2 Цифровой генератор шума

Питается ЦМ от источника 6В. Включается подачей напряжения от источника питания.

Подача питания на генератор шума осуществляется при помощи реле К1. Это поляризованное реле типа РПС32Б, имеющее две обмотки.

Преимуществом реле данного типа является то, что после переключения контакты остаются в зафиксированном положении при снятии напряжения питания. Две обмотки позволяют варьировать рабочим напряжением. Одна обмотка U=24 вольта, две последовательно U=48 вольт, а две параллельно U=12 вольт. В нашем случае обмотки включены параллельно и переключение реле происходит следующим образом: если контакты реле находятся в положении, показанном на схеме (рисунок 2), то напряжение точки А (+13 вольт) не поступает через разомкнутые контакты К1.2 на микросхему DA1, но через резистор R5 и замкнутый контакт К1.1 напряжение поступает на верхние выводы обмоток К1/1 и К1/2 . При замыкании кнопки SA1 цепь R5, К1.1, К1/1, К1/2, SА1 замыкается, реле переключается, и ток через обмотки прекращается, но реле остается в переключенном состоянии. Ток через К1.2 поступает на DA1, устройство работает, а напряжение А (+13 вольт) подано на нижние выводы К1/1 и К1/2. Переключить в исходное состояние можно, нажав на кнопку SA2 . При долгом или неправильном нажатии на кнопку переключение не происходит, но ток короткого замыкания ограничивается резистором R5.

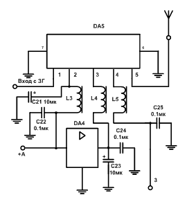
. Блок задающего генератора и предусилителя (ЗГ) формирует выходной сигнал высокой частоты для “раскачки” усилителя мощности. Состоит из задающего генератора, выполненного на микросхеме PQV037Z, обеспечивающей возбуждение сигнала на частоте от 395МГц до 420МГц в зависимости от состояния выхода (CTL). Если на вывод «CTL» подать напряжение +6 вольт, то диапазон частот DD4 будет от 410.8МГц до 430 МГц, если подать 0 вольт, то диапазон частот DD4 будет от 396МГц до 398.4МГц в зависимости от напряжения питания. Так как выходная микросхема усилителя мощности имеет диапазон частот от 350МГц до 400МГц, то вывод (2) «CTL» подключаем к земле. Напряжение питания +6 вольт подаем на вывод (1) «Vcc». Выходная мощность микросхемы 1мкВт. Далее сигнал усиливается двумя микросхемами PQVIPC2746TE и PQVIPC2763TE до 5мВт, первая из которых является буфером, а вторая усилителем. Оконечный каскад предусилителя ВЧ выполнен на транзисторе 2SC3356, включенном по схеме с общим эмиттером. Питается предусилитель от выхода (2) генератора шума (ЦМ). Такая схема питания блока обеспечивает специальный вид модуляции, заложенный в принципе работы ПД, назовем её «Шумовая импульсная модуляция». Выходная мощность задающего генератора и предусилителя 30-50мВт. ЗГ выполнен на отдельной плате и помещен в экран.

. Схема формирования модулирующего напряжения (СФ) выполнена на микросхеме SD1083 согласно типовой схеме включения. На управляемый вход микросхемы SD1083 через инвертор, выполненный на транзисторе VT3, подается сигнал из выхода (1) ЦМ. СФ - формирует напряжение, управляемое ЦМ с допустимым током нагрузки до 2А, с возможностью регулирования амплитуды от 1.5В до напряжения питания (точный номинал устанавливается при настройке прибора). Питается СФ от выхода (А) БП.

. Исходя из технического задания, радиус действия УПД должен быть в пределах 1.5 метра. Для такого радиуса действия необходимая выходная мощность УПД примерно 4-5 Вт.

В качестве усилителя мощности для УПД предлагается использовать ВЧ модуль M57721L фирмы «MITSUBISHI ELECTRIC» (рис.3.).

Данный ВЧ модуль представляет собой функционально законченный усилитель мощности для применения в современной портативной и мобильной радиоэлектронной аппаратуре связи.

Важнейшими параметрами ВЧ модулей является полоса рабочих частот (F) и гарантируемое в ней значение выходной мощности (Р0), коэффициента усиления (Gp), коэффициента полезного действия (КПД) и коэффициента стоячей волны (КСВН) на выходе.

Модуль имеет однополярное питание. Максимально допустимые уровни напряжения питания и выходной мощности для ВЧ модулей MITSUBISHI обычно на 20 - 40 % выше номинальных значений.

Модули предназначены для работы в режиме SSB, имеют более линейную АЧХ и характеризуются малым уровнем гармоник (2F0) и (3F0). Для обеспечения устойчивой работы модулей MITSUBISHI необходимо использовать блокирующие конденсаторы в цепях питания и максимально короткие внешние соединения, обеспечить защиту корпуса модуля от сильных ударов и не допускать нештатных режимов работы по питанию, сопротивлениям нагрузки и температуре.

Технические характеристики ВЧ модуля M57721L:частотный диапазон 350-400МГц

Р0 выходная мощность 7 Вткоэффициент усиления мощности 28.4 дБ

КПД 40%входная мощность не менее 10 мВтнапряжение питания 12.5 Внапряжение смещения 5 ВКСВН на входе 2.5

F0 уровень второй гармоники на выходе -30 дБ

F0 уровень второй гармоники на выходе -35 дБ

Температурный диапазон от -30 до +110? С

Предельные значения:


Рис.3. Стандартная схема включения микросхемы M57721L.

Для напряжения смещения в 5 вольт используется стабилизатор напряжения, выполненый на микросхеме КР142ЕН5А, включенный согласно типовой схеме.

На рис.3а, 3б, 3в показана графически работа ВЧ блока M57721L

Схема включения ВЧ модуля типовая, предусматривает включение блокировочных конденсаторов и емкостей. Сигнал на вход микросхемы подается с выхода задающего генератора кабелем РК-50. Первый каскад усилителя питается от выхода (А). Напряжение разрешения работы Vbb - 5В, стабилизируется микросхемой КР142ЕН5А, питающейся от выхода (А). Третий каскад микросхемы питается с выхода (СФ). Схема выполнена на отдельной плате, закреплена на радиаторе и помещена в экран.

. Антенна (АНТ). Применяем рамочную, четверть волновую, резонансную антенну, выполненную в виде квадратной рамки с длиной стороны, равной четверти длины волны (ЗГ). Изготовлена рамка из листовой меди толщиной 0.2мм, ширина каждого элемента антенны 10мм. Из расчета рабочей частоты устройства 397МГц длина волны равняется 0.75м. Исходя из этого, длина стороны рамки антенны будет равняться 0.19м.

Задняя часть антенны экранирована квадратным фольгированным листом стеклотекстолита со стороной 25см и расположенной от рамки антенны на расстоянии 10 -15% длинны волны, т.е. 7.5 - 11 см. Антенна подключается кабелем РК-50 к выходу (УМ). Антенна обеспечивает угол излучения 80°, поляризация вертикальная. Сопротивление антенны 50 Ом.

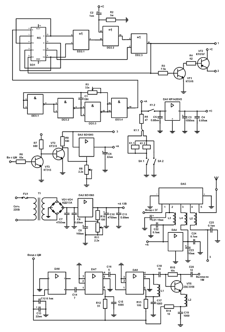
Схема электрическая принципиальная подавителя диктофона

Заключение


Несанкционированная запись речевой информации на диктофон - одна из более чем реальных ситуаций, при которой возможна утечка информации. В силу своей простоты и дешевизны метод использования диктофонов продолжает оставаться в числе наиболее часто применяемых, несмотря на появление все более изощренных способов добычи конфиденциальных сведений.

Несмотря на это существуют множество технических решений, проблемы несанкционированной записи речевой информации. При умении использовать полученные навыки и знания, вероятность утечки информации можно свести к минимуму.

Список использованной литературы

1.       А.А. Торокин. Инженерно-техническая защита информации «Гелиос АРВ»

.        Зайцев. А. П. Шелупанов. А.А. Техническая защита информации (электронная книга)

.        С.В. Мусатов, Д.И. Белорусов. Системы безопасности. Журнал, издательство «Гротек» ноябрь-декабрь 2000 г.

Похожие работы на - Цифровой диктофон

 

Не нашли материал для своей работы?
Поможем написать уникальную работу
Без плагиата!
Без нейросетей!