Система обробки сигналів радіолокаційної станції

  • Вид работы:
    Дипломная (ВКР)
  • Предмет:
    Информатика, ВТ, телекоммуникации
  • Язык:
    Украинский
    ,
    Формат файла:
    MS Word
    1021,91 Кб
  • Опубликовано:
    2013-07-21
Вы можете узнать стоимость помощи в написании студенческой работы.
Помощь в написании работы, которую точно примут!

Система обробки сигналів радіолокаційної станції

АНОТАЦІЯ

В дипломному проекті розробляється система цифрового прийому і обробки радіосигналів для роботи в складі комплексу радіолокаційної станції.

Система має централізовану архітектуру, яка управляється від центрального комп’ютера, на якому реалізується обробка радіолокаційної інформації, взаємодія з робочим місцем оператора, отримання даних і управління режимами функціонування комплексу, а також сполучення з іншими системами.

Дипломний проект містить пояснювальну записку і графічну частину.

Графічна частина проекту складається з п’яти листів: структурна схема, схема електрична принципова, алгоритм роботи системи, конструкція системи, техніко-економічні показники.

ANNOTATION

the diploma project developed a digital system of receiving and processing signals for working in the complex radar station.system has a centralized architecture, which is operated from a central computer that is realized radar data processing, interaction with the workplace operator, receiving data and control modes of operation of the complex, and also connections with other systems.project contains an explanatory note and graphical part.part of the project consists of five sheets: block diagram, the principal scheme, the algorithm of the system, system design, technical and economic parameters.

ВСТУП

Радіолокацією називається виявлення і розпізнавання різних об’єктів в просторі і визначення їх координат і параметрів руху за допомогою радіохвиль.

Об’єктами, що підлягають виявленню, взагалі, можуть бути літаки, ракети, штучні супутники Землі, кораблі, автомобілі, танки, наземні споруди, грозові хмари і т. д. Всі ці об’єкти прийнято називати радіолокаційними цілями або для короткості просто цілями.

Сукупність відомостей про цілі, що отримується засобами радіолокації, називається радіолокаційною інформацією.

Область практичного використання радіолокації в наш час досить широка. В військовій справі найбільш важливими задачами, що вирішуються за допомогою радіолокації, являються виявлення і супровід рухливих об’єктів противника, а також забезпечення даних для управління артилерійським вогнем і наведення своїх літаків і ракет на об’єкти противника. Під супроводом цілі розуміють процес неперервного виявлення її координат і параметрів руху.

Крім військових задач радіолокаційні засоби широко використовуються для навігації літаків і кораблів (особливо в нічний час і в умовах поганої видимості); вони являються важливим елементом сучасних систем управління повітряним рухом; використовуються для управління рухом автомобільного транспорту і мають велике значення для складання прогнозів погоди.

Радіолокаційні пристрої застосовують для дослідження навколоземного простору, вивчення метеорів, обзору космічного простору і супроводження космічних кораблів, для астрономічних спостережень.

Розвиток радіолокації стало важливою частиною технічної революції двадцятого століття. Військова техніка, що використовує принципи радіолокації, вперше була створена перед самим початком другої світової війни; з цього часу спостерігається швидкий і безперервний прогрес у зазначеній галузі.

В дипломному проекті розроблятиметься система прийому і обробки радіолокаційних сигналів для роботи у складі радіолокаційної станції.

1. ТЕХНІЧНЕ ЗАВДАННЯ

1.1 Підстава для розробки, призначення та галузь застосування

Підставою для розробки даної системи є дипломний проект. Система призначена для роботи в складі пасивної моноімпульсної радіолокаційної станції з метою знаходження і визначення місцезнаходження, курсу і параметрів руху джерел радіовипромінювання повітряного, наземного і морського базування.

1.2 Умови експлуатації

Даний пристрій призначений для експлуатації у помірному кліматі в приміщенні з штучними кліматичними умовами, що регулюються, не використовуючи кондиціонування повітря, при температурі в межах від 10 до 35°С, відносній вологості повітря 65% і атмосферному тиску 650...800 мм рт.ст.

1.3 Технічні характеристики

Система, що розроблюється в дипломному проекті, повинна мати наступні технічні характеристики:

Центральна частота тракту - 70 МГц;

Смуга пропускання тракту по рівню мінус 3 дБ по відношенню до центральної частоти: не менше ±20 МГц;

Максимальний рівень вихідного сигналу приймально-підсилювального тракту при компресії коефіцієнта підсилення 1 дБ: не більше 0,25 В;

Гранично допустимий рівень миттєвого значення вхідного сигналу: ±0,75 В;

Амплітудний динамічний діапазон: не менше 90 дБ.

Вимоги до конструкторського оформлення

Пристрій має бути розміщений в стандартному корпусі.

Вимоги до надійності

Пристрій являє собою систему нерезервовану, ремонтопридатну. Відмова одного елемента виводить пристрій з ладу.

2. ОГЛЯД І АНАЛІЗ ІНФОРМАЦІЙНИХ ДЖЕРЕЛ

.1 Опис системи, що розробляється

Радіолокація - це визначення, виявлення місця розташування і виявлення властивостей предметів, що рухаються, і нерухомих об’єктів з використанням радіохвиль, відбитих або випромінених цими об’єктами. Радіолокацією називають також область науки і техніки, що охоплює методи і засоби рішення указаних задач. Об’єкти радіолокації називають радіолокаційними цілями; їх можна підрозділити на аеродинамічні (літаки, вертольоти, крилаті ракети); балістичні і космічні (боєголовки, супутники); наземні і надводні (автомашини, кораблі); природного походження (планети, блискавки, хмари, дощ, орієнтири на місцевості і т.д.). Технічні засоби отримання інформації про радіолокаційні цілі - радіолокаційної інформації - називають радіолокаційними станціями або радіолокаторами. Сукупність радіолокаційних станцій і допоміжних технічних засобів, взаємопов’язаних між собою і призначених для рішення будь-якої тактичної задачі радіолокації, називають радіолокаційною системою (РЛС) [4].

Процес отримання радіолокаційної інформації зручно розділити на наступні етапи:

виявлення цілей;

вимірювання координат і параметрів руху;

розрізнення;

розпізнавання цілей.

Виявлення полягає в прийнятті рішення про наявність або відсутність цілі в кожній виділеній ділянці простору з допустимими ймовірностями помилкових рішень.

Вимірювання зводиться до вироблення оцінок координат і параметрів руху цілі з допустимими похибками.

Розрізнення полягає в виконанні задач виявлення і виміру параметрів довільної цілі при наявності інших, крім вибраної для спостерігання.

Розпізнавання полягає в установленні належності цілі до певного класу. В одних випадках необхідно установити належність «свій-чужий» з допомогою запитно-відповідних пристроїв радіолокаційного розпізнавання, в інших - розпізнати боєголовку балістичної ракети на фоні її корпуса, помилкових цілей, метеорних слідів і т. д. або визначити характер штучного супутника Землі за допомогою спеціальної апаратури селекції [7].

За особливістю використання радіохвиль радіолокація підрозділяється на активну, активну з активною відповіддю, напівактивну і пасивну радіолокацію.

Більшість сучасних РЛС використовують метод активної радіолокації.

Активна радіолокація здійснюється шляхом опромінення цілі електромагнітною енергією, що випромінюється антеною радіолокаційної станції, і прийому відбитої від цілі енергії.

Активна радіолокація з активною відповіддю відрізняється від першої тим, що на цілі установлюється відповідач, що являє собою приймально-передавальний пристрій, що відповідає на сигнали радіолокатора.

Напівактивна радіолокація відрізняється від активної тим, що ціль опромінюється однією РЛС (наприклад, РЛС, що розташована на землі), а прийом і визначення відбитого від цілі сигналу здійснюється на іншому об’єкті (наприклад, на ракеті).

Пасивна радіолокація здійснюється шляхом прийому енергії, що випромінюється ціллю.

Проблема визначення будь-якої цілі з радіотехнічної точки зору зводиться до виявлення сигналу, випромінюваного або перевипромінюваного ціллю, на фоні різного роду завад.

Будь-яка ціль, будучи опроміненою радіолокатором, стає джерелом вторинного випромінювання. Потужність вторинного випромінювання залежить від ряду факторів: інтенсивності поля, що створюється радіолокатором біля цілі, параметрів цілі відносно радіолокатора, поляризації первинного поля і довжини хвилі. Пасивне радіовиявлення основане на явищі випромінювання електромагнітної енергії будь-яким фізичним тілом, температура якого вище абсолютного нуля. Всі цілі задовольняють цю умову, тому можливе їх виявлення без попереднього опромінення.

В моноімпульсній РЛС кожний відбитий імпульс від цілі несе всю інформацію про положення цілі як по кутовим координатам, так і по дальності. Виділення інформації досягається одночасним порівнянням амплітуд і фаз відбитих сигналів, які приймаються декількома антенними пристроями.

Моноімпульсні РЛС в основному використовуються для автоматичного супроводження по кутовим координатам, але можуть бути і оглядні РЛС. Для автоматичного супроводження в одній площині потрібно два канали, дві антени, а для супроводження і по азимуту і по куту - чотири.

Моноімпульсні РЛС більш складні в порівнянні з одноканальними РЛС, але вони дозволяють точніше визначити координати. Це пояснюється тим, що низькочастотні амплітудні флуктації відбитих сигналів не впливають на роботу таких систем.

Розглянемо принцип роботи моноімпульсної РЛС на прикладі найпростішої амплітудно-різницевій РЛС, в якій для визначення направлення на ціль порівнюються амплітуди сигналів, що приймаються двома каналами станції (для пеленгації в одній площині).

Характеристики направленості антен каналів утворюють рівносильне направлення. Сигнали, що приймаються кожною із антен, підсилюються окремими приймальними пристроями, детектуються, і потім знаходиться їх різниця. Сигнал різниці подається на схему управління антеною, яка повертає антену так, щоб неперервно суміщати рівносигнальний напрямок з напрямком на ціль.

Окрім амплітудних моноімпульсних РЛС, можуть бути фазо-різницеві і фазові сумарно-різницеві РЛС. Відрізняються вони від вищеописаної тільки тим, що виконується порівняння не амплітуд, а фаз [5].

Система, яка розглядається в дипломному проекті, призначена для роботи в складі комплексу пасивної моноімпульсної радіолокаційної станції з метою виявлення і визначення місцезнаходження, курсу і параметрів руху джерел радіовипромінювання повітряного, наземного і морського базування [CTA].

Знімання і обробка радіолокаційної інформації - процес отримання можливих відомостей про цілі, що знаходяться в зоні видимості радіолокаційної станції.

Фізичною основою для отримання даних являються сигнали радіолокаційної станції. До них відносяться:

сигнали з виходу радіоприймача;

імпульс запуску передатчика РЛС, що визначає початок відліку часу затримки відбитого сигналу;

сигнали, що характеризуються просторовим положенням антени радіолокаційної станції.

В результаті обробки радіолокаційної інформації отримують відмітку. Відмітка - це сукупність всіх можливих даних про ціль: координати, висота, швидкість, курсовий шлях, час локації. Крім того в склад відмітки може включатися ряд інших ознак, державна приналежність, номер цілі, важливість, тип, достовірність і т.д.

Сигнали, які несуть потрібну інформацію для спостерігача (оператора), називаються корисними сигналами. Всі ті причини, які викликають спотворення корисного сигналу і руйнують інформацію про ціль, являються завадами. До них відносяться шуми прийомного тракту, різні штучні активні і пасивні завади. Разом з тим, як завади при автоматичній обробці інформації виступають такі фактори, як похибки вимірювання координат, збої в каналах передачі, порушення функціонування окремих елементів системи обробки і т.д. Як правило, всі корисні сигнали супроводжуються завадами, тому в процесі обробки виникає проблема виділення корисного сигналу із завад. Усунути повністю шкідливий вплив завад не вдається, в зв’язку з чим результати обробки завжди містять похибки.

Обробка інформації може бути напівавтоматичною, коли в процесі обробки бере участь людина, яка виконує деякі функції обробки, і автоматична, де всі функції виконуються без участі людини.

Розрізняють три етапи обробки радіолокаційної інформації: первинна, вторинна і третинна [5].

Первинна обробка полягає у виявленні сигналу цілі і вимірі її координат з відповідними якостями, а також похибками. Вторинна обробка передбачає визначення параметрів траєкторії кожної цілі за сигналами однієї або ряду позицій РЛС, включаючи операції ототожнення відміток цілей. При третинній обробці об'єднуються параметри траєкторій цілей, отриманих різними приймальними пристроями РЛС з ототожненням траєкторій.

Розглянемо кожен з перелічених етапів більш детально.

Змістом первинної обробки радіолокаційних сигналів являється:

внутрішньоперіодична і міжперіодична обробка сигналів;

автоматичне виявлення корисних сигналів в суміші сигналів, шумів і завад, що поступають з виходу приймача;

автоматичне знімання координат цілі.

Первинна обробка РЛІ починається з виявлення корисного сигналу в шумах. Цей процес складається з декількох етапів: виявлення одиночного сигналу, виявлення пакета сигналів, формування повного пакета сигналів, визначення дальності до мети та її азимута. Всі ці етапи реалізуються з використанням оптимальних алгоритмів, заснованих на критеріях мінімуму помилок прийняття рішення та результатів вимірювання. Таким чином, операції при первинній обробці, РЛС може виконувати самостійно.

В склад приймача сучасної РЛС входять узгоджувальний фільтр одиночних імпульсів, пристрій міжперіодичної обробки, накопичувач і пристрій оптимальної обробки сигналів цілі, що рухається, на фоні пасивних завад. Додаткові пристрої захисту від завад, що викликані гідрометеоутвореннями, а також іншими радіозасобами (взаємні завади) разом з автоматичним виявлювачем і пристроєм автоматичного знімання координат цілі утворюють звичайно єдину апаратуру первинної обробки інформації (АПОІ).

Для первинної обробки застосовують спеціалізовані аналогові, дискретно-аналогові і цифрові пристрої. Якщо первинна обробка здійснюється в РЛС за один період обзору, то при вторинній обробці використовується інформація від наступних періодів обзору, що забезпечує визначення параметрів траєкторій цілей. Для цього застосовуються ЕОМ з гнучкою програмою.

Автоматичний виявлювач - пристрій для прийняття рішення про наявність або відсутність корисного сигналу на виході радіолокаційного приймача після оптимальної обробки без участі людини-оператора. В автоматичних виявлювачах РЛС використовуються цифрові обчислювальні операції, в яких функції пристрою міжперіодичної обробки і вирішуючого пристрою переплетені. Тому часто міжперіодична обробка здійснюється двічі: в самому радіолокаційному приймачеві, а потім у виявлювачеві.

Як правило, в таких цифрових виявлювачах застосовується квантування на два рівні (бінарні виявлювачі). При цьому лічильник підраховує кількість перевищень порогу. Рішення про наявність сигналу приймається, коли число перевищень більше заданого числа (порога) при даному числі спостережень. Рішення про відсутність сигналу (наявність тільки шуму) приймається, якщо порогове число перевищень не досягається. При скануванні антени для кожного елемента дальності виділяється «вікно», що захоплює N періодів повторення, причому більш стара інформація «стирається» при надходженні нової [2].

Інформація, отримана в процесі первинної обробки, не позбавлена впливу завад, дія яких проявляється в тому, що пристрій первинної обробки може видавати хибні відмітки і втрачати відмітки про ціль. Крім того, впливом завад обумовлені похибки вимірювання координат.

Вторинна обробка інформації являється наступною стадією отримання відомостей про ціль і призначена для усунення хибних відміток, відновлення пропущених відміток від цілі і зменшення похибок вимірювання координат. Разом з цим можуть виконуватись додаткові функції, пов’язані з обчисленням швидкості і курсу цілі.

Виконання цих функцій можливе по результатам декількох обзорів РЛС, тому можна вважати, що вторинна обробка - це обробка інформації за декілька обзорів.

Закономірність розташування хибних відміток і відміток від цілі в кожному наступному обзорі РЛС зовсім різні. Хибні відмітки з’являються без всякого зв’язку одна з одною від обзору до обзору, тому що вони утворені некорельованими випадковими сплесками шуму. Що стосується відміток від цілі, то їх розташування обумовлене закономірностями руху цілі в просторі, внаслідок чого між відмітками попередніх і наступних обзорів існує кореляція (зв’язок). Дійсно, якщо спостерігати подібну картину на індикаторі РЛС, то можна побачити, що відмітки від цілі розташовуються повздовж траси руху цілі, в той час як хибні виникають хаотично в різних місцях екрану.

Дана відмінність в закономірностях розташування відміток лежить в основі вторинної обробки.

Процес вторинної обробки протікає наступним чином. Припустимо, що спостерігач має три відмітки від однієї цілі за три попередні обзори. В наступному обзорі з’являється декілька відміток і потрібно вирішити, яка з них належить цілі (трасі) і які являються хибними. Це робиться в два етапи.

По-перше, обчислюється точка, в якій очікується поява наступної відмітки. Для цього по трьом попереднім координатам прокладається найкращим чином траса, обчислюється швидкість і визначається ймовірність положення майбутньої відмітки.

По-друге, аналізується положення всіх відміток нового обзору відносно екстраполяційної відмітки і із них обирається відмітка від цілі. Вибір здійснюють на основі порівняння ймовірностей приналежності відміток трасі. Та відмітка, яка має найбільшу ймовірність, вважається відміткою від цілі.

Для прогнозування потрібно знати закономірність руху цілі.

В загальному випадку траєкторія цілі представляється складною і часто випадковою функцією, описати яку надзвичайно важко. Тому в багатьох випадках практично обмежуються спрощеною моделлю прямолінійного рівномірного руху цілі. Вона цілком прийнятна в тих випадках, коли спостерігається не вся траєкторія, а її невелика ділянка, яка достатньо точно описується рівнянням прямої лінії.

В інших випадках вважають, що ціль може маневрувати. Тоді на обмеженому інтервалі спостерігання траєкторію цілі, що маневрує, прогнозують поліномом другого степеня.

Вибором моделі руху цілі визначаються алгоритми екстраполяції відміток. Найбільш прості розрахунки отримуються у випадку моделі прямолінійного руху.

Третинна обробка - обробка інформації, що поступає від декількох РЛС. Призначення третинної обробки полягає в тому, щоб зібрати інформацію про декілька РЛС і об’єднати її, склавши єдину загальну картину повітряної обстановки.

У зв’язку з тим що зони обзору РЛС часто перекриваються, висновки про одну і ту ж ціль можуть поступати на обробку одразу від декількох станцій. В ідеальному випадку такі відмітки повинні накладатись одна на одну. Проте на практиці співпадіння не спостерігаються через систематичні і випадкові похибки в вимірюванні координат цілей і різного часу локації. В силу цих причин виникають ускладнення при об’єднанні інформації, коли необхідно вирішити питання про те, скільки цілей є в дійсності. Адже неспівпадання відміток може бути або по причині помилок в координатах відмітки і різного часу локації, або ж тому, що є декілька цілей, що створюють ці відмітки.

Дана задача являється головною в третинній обробці. Для її здійснення виконують наступні функції:

збір донесень, що поступають від РЛС;

приведення відміток до єдиної системи координат і до єдиного часу відліку;

ототожнення відміток для установлення приналежності їх до цілей;

усереднення координат декількох ототожнених відміток для отримання однієї відмітки з більш точними координатами.

Ці функції виконуються з використанням всіх компонентів відмітки: координат, висоти, швидкості, часу локації, номеру цілі, приналежності та ін.

Технічні пристрої третинної обробки реалізуються на базі спеціальних ЕОМ. Третинна обробка являється завершальним етапом отримання інформації про повітряну обстановку.

2.2 Приклади систем збору і обробки радіолокаційної інформації

Пристрій 9С467-1 призначено для автоматизації процесів збору, обробки, видачі на сповіщення даних про повітряні умови, управління радіолокаційними станціями, радіотехнічними підрозділами і частинами військ протиповітряної оборони сухопутних військ (ППО СВ).

У всіх варіантах бойового застосування пристрій 9С467-1 забезпечує вирішення наступних завдань:

збір, обробку та відображення інформації про повітряну обстановку, що надходить одночасно від шести джерел:

трьох підлеглих постів ПОРИ-П2;

РЛС КО 9С15М "Обзор";

РЛС СО 9С19М1 "Імбир";

чергової РЛС КО 1Л13 "Небо-СВ» або РЛС КО 9С18 "Купол".

зав'язку трас і супровід цілей в автоматичному і напівавтоматичному режимах;

автоматичну і автоматизовану видачу на виносний командний пункт (ВКП) узагальнених даних про повітряну обстановку;

отримування і відображення команд і сигналів від ВКП і видача йому донесень;

управління режимами роботи РЛС;

постановку задач на супровід цілей радіолокаційним ротах, які мають пости ПОРИ-П2;

отримування і відображення на індикаторах інформації взаємодії з авіацією, що надходить від ВКП:

коридори прольоту своїх літаків;

зони чергування в повітрі своєї авіації;

відповідальні сектори розвідки і т. д.

обробку пеленгових напрямів, розкриття постановників активних перешкод і прикривання цілей.

формування зон заборони видачі інформації та зон автоматичної зав'язки трас цілей;

тренування бойової обслуги по імітованим цілям (до 50 ц.).

Склад виробу:

МП200 (МП200М) - апаратна машина;

МП203 (МП203М) - машина сполучення;

ЕД2x30-Т400-1РА1М1 - дизельна електростанція.

Пристрій 9С467-2 використовується в декількох призначеннях:

як джерело інформації авіаційних центрів обробки РЛ інформації;

як пост прийому і обробки радіолокаційної інформації від сполучених РЛ засобів;

як уніфіковане джерело інформації про повітряну обстановку вищих командних пунктів, обладнаних виробами:

С716-8/2 (розвідувально-інформаційний центр армії);

С467-1 (командний пункт радіотехнічного батальйону бригади);

С52 (командний пункт зенітної ракетної бригади "С-300" або "Бук").

Джерелами інформації для пристрою 9С467-2 можуть бути типи РЛС і ПРВ, які не перебувають на озброєнні військ ППО СВ, а використовуються у ВПС і ППО, а також перебувають на озброєнні:

РЛС типу П-19 (1РЛ134) або 1РЛ128Д;

РЛС типу П-18 (1РЛ131);

РЛС типу "Купол" (9С18М);

-2 ПРВ (рухомий радіовисотомір) типу ПРВ-9 (1РЛ19), ПРВ-16 (1РЛ132).

Апаратура пристрою 9С467-2 забезпечує:

прийом і відображення на 3-х індикаторах знімання площинних координат РЛ інформації, що надходить від 2-х РЛС типу П-18 (П-12), П-19 (П-15), 1РЛ128Д (1РЛ111Д) та їх модифікацій;

прийом і відображення на індикаторі знімання висоти РЛ інформації, що надходить від 2-х ПРВ типу ПРВ-9 (1РЛ-19), ПРВ-16 (1РЛ132);

прийом і відображення на 3-х індикаторах знімання площинних координат РЛ інформації, що надходить від 3-координатної РЛС типу "Купол" 9С18М по телекодового каналу, обробку та супровід до 30 повітряних об'єктів (цілей і своїх літаків) в умовах перешкод;

формування і видачу на вищестоящий командний пункт координат, параметрів руху і характеристик (ознака приналежності, тип, кількість в групі, ознака маневру, польотної інформації) цілей і своїх літаків;

формування і видачу на вищестоящий командний пункт донесень (кодоване повідомлення двома цифрами) про стан, положення, бойової готовності і бойової діяльності;

прийом і відображення від вищого командного пункту команд і розпоряджень (кодоване повідомлення двома цифрами);

управління бойовими діями обслуги поста і обслуг підлеглих РЛ засобів;

тренування бойової обслуги не більш ніж по 16 імітованим цілям.

Крім того, апаратура 9С467-2 дозволяє приймати РЛ інформацію від ПРВ, що працює в режимі кругового огляду і від автоматичного радіопеленгатора типу АРП-6.

До складу 9С467-2 входять:

пристрій МП-201 - апаратна машина;

пристрій МП-202 - машина сполучення і ЗІП;

електростанція ЕД2х30 - Т400 - 1РАМ.

До складу апаратури входять кілька основних систем.

Обчислювальна система апаратної машини призначена для первинної та вторинної обробки радіолокаційної інформації, кодування і дешифрування повідомлень, переданих по каналах телекодового зв'язку, формування даних, які видаються на пристрої відображення інформації і управління радіовисотоміром.

До складу обчислювальної системи входять:

електронно-обчислювальна машина "Аргон-15А-48" (1 шт.);

пристрій введення-виведення даних 205-Н-1 (1 шт.);

пристрій сполучення та обміну 126н-1 - (1 шт.);

пристрій первинної обробки сигналів 203Н (2 шт.);

пристрій попередньої селекції 136Н (1 шт.);

оперативні запам'ятовуючі пристрої В200 (2 шт.);

пристрій програмної обробки 119н (1 шт.).

Апаратура передачі даних призначена для прийому і передачі інформації, представленої в цифровій формі. Вона сполучається, з одного боку, з обчислювальною системою МП201, а з іншого боку - із засобами зв'язку, розташованими як в апаратній машині, так і поза нею.

До апаратури передачі даних належать:

блок С23М (1 шт.);

блок С23-1 (2 шт.);

блок сполучення з каналами зв'язку С200 (1 шт.);

апарат засекречування Т-800Е (1 шт.);

блок комутації провідних ліній зв'язку С25 (1 шт.).

Технічні характеристики пристрою 9С467-2.

Засоби відображення РЛ інформації пристрою 9СМ467-2 можуть працювати в масштабах 50, 100, 150, 200, 300, 400, 600 і 800 км.

Точність видачі координат в залежності від масштабу - 800 - 1200 м.

Точність видачі параметрів руху - 40 м / с.

Темп поновлення координат X, Y по кожній цілі не рідше одного разу на 10 - 12 с, координати H - 1,5 хв.

Час розгортання не більше 45 хв, включаючи розгортання кабелів сполучення.

Час включення не більше 5 хв.

Електроживлення 380 В - 50 Гц.

Споживана потужність:

пристрій МП-201 - не більше 18,0 кВт;

пристрій МП-202 - не більше 8 кВт;

пристрій МП-202 В - не більш 10 кВт.

Пристрій 9С467-2 забезпечує роботу в режимах:

бойової;

черговий;

тренаж.

Структурна схема

Основні функції по сполученню з РЛС і ПРВ виконує апаратура сполучення з радіолокаційними засобами (2 прилади 401Н, коробка КР-14, пульт Д-206). Прилад 401-Н перетворює аналогові сигнали синхронно-слідкуючого приводу (сельсинів грубого і точного відліків), що задають азимутальні положення антени РЛС в двійковий цифровий код азимута і формує імпульси азимутальних відміток, синхронізовані імпульсом запуску РЛС. Імпульси запуску з кабельного вводу надходять на пристрій комутації і посилення відеосигналів (225Н), посилюються і надходять на прилад 401Н. Відмітки дальності (ВД), сформовані в приладі 401Н по імпульсам запуску, разом з кодом азимута і імпульсами запуску надходять через прилад 225Н на пристрій керування відображенням первинної інформації (218Н).

За імпульсам запуску в приладі 218Н проводиться синхронізація радіально-кругових розгорток на ІКО. Код азимута і імпульси запуску з виходу приладу 401Н надходять на апаратуру первинної обробки інформації (203Н) і пристрій тренажу (209Н). Луна-сигнали і сигнали впізнання з кабельного вводу надходять на прилад 225Н, де комутуються в залежності від обраного на робочих місцях типу РЛС і надходять на відповідні робочі місця. Луна-сигнали, крім того, надходять на прилади 203Н.

Луна-сигнали, сигнали впізнання, відмітки дальності і азимута здійснюють якісну модуляцію радіальної розгортки дальності на екранах індикаторів, відтворюючи при обертанні антени РЛС радіолокаційну обстановку.

У тракт луна-сигналів в приладі 225Н можуть бути подані луна-сигнали (ЕХО-Д) з пристрою тренажу 209-Н та ЕХО-1, ЕХО-2 з пристрою первинної обробки (прилади 203Н). На екран індикатора знімання висоти (РМ4) надходять луна-сигнали від ПРВ. Через пристрій керування відображення висоти (226Н) з приладу 401Н надходить код, під впливом якого здійснюється створення растрової розгортки на екрані індикатора РМ4.

При скануванні антени ПРВ по куту місця на екрані індикатора РМ4 відображається зона шириною 12,8 км по дальності. Причому середина зони відповідає дальності до мети. Всього на екрані індикатора відображається 6 зон. Вивід антени ПРВ на заданий азимут здійснюється під впливом керуючих напруг, сформованих приладами 401Н за даними, що надходять від ЕОМ.

Основні дії з супроводу цілей і введення інформації в ЕОМ оператор здійснює з пульта управління (Д-201) свого робочого місця. Оператори по команді начальника розрахунку виробляють упізнання, ручне захоплення і введення в ЕОМ координат, зазначених начальником цілей, після чого ціль береться на напівавтоматичне супровід. Оператор знімання висоти здійснює видачу цілевказання по ПРВ і вводить в ЕОМ значення висоти. Вибір режиму розпізнавання здійснюється з пульта Д-206.

Електронно-обчислювальна машина А-15 здійснює обмін інформацією між технічними засобами, зберігання та обробку РЛІ, управляє роботою всіх технічних засобів. Для забезпечення роботи ЕОМ оператор з пульта управління вводить вказівки, директиви. Інформація від ЕОМ (координати) і характеристики цілі через пристрій введення-виведення інформації (205Н) надходять у пристрій програмної обробки (119н, 126н), яке видає інформацію на апаратуру передачі даних (С-23М) і на індикатори для контролю за роботою ЕОМ. З виходу апаратури передачі даних інформація надходить в канал зв'язку для передачі на вищий командний пункт.

Інформація від РЛС типу "Купол" приймається радіоприймачем Р-173П, надходить через апаратуру передачі даних (С-23-1) на пристрій програмної обробки (126н-1). З приладу 126н-1, інформація надходить в ЕОМ. Після обробки в ЕОМ інформація через пристрій програмної обробки надходить на індикатори робочих місць. Вся інформація, яка надходить від ЕОМ, відображається на екрані індикатора у вигляді формуляра. Крім того, додаткова інформація, на вимогу оператора, може відображатися на табло відображення (І-200), яке управляється пристроєм управління (У-203).

Для підвищення точності супроводу цілі після "зав'язки" траси можуть бути передані на автоматичний супровід апаратурі первинної обробки інформації (203Н, 136Н). Апаратура пристрою 9С467-2 дозволяє здійснювати тренування бойової обслуги. Для організації режиму тренажу служить прилад 209Н, який управляється ЕОМ.

Пристрій 9С467-2 має можливість видачі інформації на виносне робоче місце.

2.3 Елементна база

Спеціалізована цифрова обробка сигналів (ЦОС) - потужний засіб підвищення ефективності функціонування сучасних РЛС. До числа основних переваг ЦОС можна віднести отримання стабільних характеристик РЛС в широкому діапазоні умов експлуатації; можливість реалізації складних, в тому числі адаптивних, алгоритмів обробки без втрат для точності і інших показників ефективності; зниження енергоспоживання, маси і габаритів апаратури; простоту настройки і регулювання апаратури; підвищення її надійності і технологічності; можливість модернізації апаратури за рахунок модифікації програмного забезпечення. Технічні характеристики пристроїв, що реалізують алгоритми обробки складних сигналів, в значній мірі визначається раціональним вибором елементної бази. При виборі елементної бази слід орієнтуватись на нові, щойно розроблені комплектуючі виробу, хоча такий підхід має ряд недоліків:

при розробці доводиться спиратись на досвід роботи з іншими елементами, що в ряді випадків може гальмувати процес розробки;

деяка невизначеність щодо серійних поставок даних елементів;

певний ризик по припиненню їх виробництва або випуску модифікацій;

відсутність легкодоступної навчально-методичної літератури по проектуванню і опису типових схем реалізації.

Один із можливих напрямків побудови такого пристрою оснований на використанні готових модулів, представлених на ринку такими фірмами, як Nallatech, Xilinx, «Инструментальные системы», Signatec. Найкраще відношення технічних характеристик і ціни представлено компанією Signatec. Компанія Signatec спеціалізується на розробці ІВМ РС сумісних плат і систем високошвидкісного вводу-виводу для радарних систем, неруйнівного контролю, спектроскопії та інших, що потребують обробки великого об’єму даних в реальному часі.

3. ВИБІР ТА ОБҐРУНТУВАННЯ СТРУКТУРНОЇ СХЕМИ СИСТЕМИ

Для отримання інформації про координати і характеристики радіолокаційних цілей прийняті сигнали в радіолокаційних станціях піддаються різного роду обробці.

Така обробка прийнятих радіолокаційних сигналів ведеться по всім ланкам РЛС, включаючи антену, приймач, вимірювачі, пристрої обчислювальної техніки і може бути охарактеризована сукупністю математичних операцій (алгоритмами обробки), які необхідно виконувати для визначення тих чи інших параметрів сигналів. Однак, не дивлячись на математичну спільність між всіма видами обробки в тракті РЛС, на кожному її етапі вирішуються свої задачі і використовується, як правило, різна техніка. В зв’язку з цим, наряду з загальною задачею визначення оптимальних алгоритмів обробки сигналу в цілому, яка вирішується при проектуванні РЛС, виникає задача вибору оптимальних методів обробки сигналів і способів їх реалізації для різних її етапів.

Процес обробки радіолокаційних сигналів і отриманих при цьому даних можна розділити на два етапи: етап добування первинної радіолокаційної інформації і етап обробки даних по первинній інформації.

Обробка радіолокаційних сигналів на першому етапі виконується рядом радіотехнічних пристроїв, таких, як антена, приймач, пристрої фільтрації і вимірювання параметрів сигналів. Пристрої фільтрації і вимірювання параметрів сигналів займають, як правило, значне місце в загальному комплексі радіотехнічної апаратури РЛС і визначають більшість її основних характеристик.

Добування радіолокаційної інформації забезпечується вимірюванням різних параметрів відбитого від цілі сигналу. Для визначення направлення приходу сигналу (кутових координат цілі) може використовуватись вимірювання різниці фаз, амплітуд або часу запізнення між сигналами, прийнятими різними антенними приймачами. Дальність і швидкість переміщення цілі визначається вимірюванням відповідно часу запізнення і зсуву частоти між відбитим і зондуючим сигналами. Протяжність і характер руху цілі оцінюється за результатами аналізу фазочастотної характеристики відбитих сигналів.

В реальних РЛС можна, як правило, виділити декілька функціонально завершених систем, в кожній із яких прийняті радіолокаційні сигнали піддаються обробці по тому чи іншому параметру. Так, наприклад, в антенних і приймальних системах сигнали селектуються за направленням приходу у вигляді поляризації, а в системах фільтрації і вимірювання обробка сигналу здійснюється за такими його параметрами, як амплітуда, час запізнення, частота і фаза.

Враховуючи, що питання, пов’язані з вимірюванням направлення приходу сигналів, можуть бути розглянуті окремо, для систем фільтрації і вимірювання можна сформулювати обмежені вимоги, що стосуються обробки сигналу тільки в одному антенному приймальному каналі. Основними задачами системи обробки сигналів в цьому випадку будуть:

виявлення на вході приймальних каналів корисних луна-сигналів, яке виконується з високим ступенем надійності при наявності на вході приймального каналу інших сигналів і різного роду завад;

вимірювання параметрів відбитих сигналів для визначення поточних координат цілей, яке має здійснюватись із заданою точністю при наявності на вході інших сигналів і завад;

добування некоординатної інформації, що визначає форму цілі, характер її руху, шляхом аналізу тонкої структури відбитого сигналу;

очищення первинної радіолокаційної інформації від хибних даних, що викликані завадами, з метою виключення перевантаження систем вторинної обробки радіолокаційної інформації;

перетворення в стандартні повідомлення і кодування даних, отриманих в результаті первинної обробки сигналів, для введення цих даних в системи вторинної радіолокаційної інформації, в якості яких, як правило, використовуються електронні цифрові обчислювальні машини (ЕЦОМ).

Якість системи обробки сигналу може характеризуватись рядом показників, що відображають її інформаційні і конструктивно-експлуатаційні характеристики. До основних інформаційних показників системи обробки сигналу відносяться:

чутливість системи до порогових сигналів;

роздільна здатність системи за заданим параметром сигналу;

точність вимірювання параметрів сигналу;

пропускна здатність системи (темп обробки сигналів і видачі інформації);

завадозахищеність системи.

Основними конструктивно-експлуатаційними показниками системи можуть являтись:

надійність системи;

виробнича і експлуатаційна складність;

вага і габарити.

У відповідності з основними задачами, що виконуються системою обробки сигналів, зручно виділити два режими її роботи: режим виявлення і режим вимірювання. В залежності від тактико-технічного призначення РЛС ці режими можуть бути суміщені в часі або здійснюватись роздільно.

В міру того як відбувається виявлення сигналів, система переходить в режим, при якому проводиться уточнення параметрів виявлених сигналів. В цьому режимі вже використовуються сигнали та системи обробки з більш високими характеристиками точності вимірювання.

Застосування послідовних методів обробки сигналу вимагає додаткових часових затрат, внаслідок чого системи, що реалізують такі методи, мають порівняно невисоку пропускну здатність і можуть використовуватися для малоцільових РЛС. У випадку, коли потрібно проводити обробку одночасно по дуже великій кількості сигналів, а часу на їх обробку мало, доводиться використовувати паралельний метод роботи системи, при якому режими виявлення і вимірювання суміщені. Однак при цьому точність і роздільна здатність системи в значній мірі обмежуються її складністю і вартістю.

В реальних умовах слідкування за багатьма цілями, що рухаються з великими швидкостями, людина не в змозі оперативно оцінювати різноманіття обстановки, що склалася, користуючись тільки візуальними індикаторами. У зв’язку з цим виникає проблема передачі частини або всіх функцій людини-оператора при обробці радіолокаційної інформації обчислювальним пристроєм, тобто проблема побудови автоматизованих систем обробки радіолокаційної інформації.

Автоматизація процесів обробки радіолокаційної інформації може бути частинною або повною. При частинній автоматизації створюються так звані напівавтоматичні системи обробки.

Людина-оператор (ОП) входить в напівавтоматичну систему як її найважливіша ланка, без якої робота системи неможлива (рис. 3.1). В автоматичних системах всі операції обробки виконуються за допомогою обчислювальних пристроїв. Функції людини в таких системах в основному обмежуються спостеріганням за роботою системи і її технічним обслуговуванням (рис. 3.1).

Для автоматизації процесів обробки необхідно перш за все розробити формалізовані правила (алгоритми) виконання всіх її операцій. Теоретичною базою для алгоритмізації процесів обробки являється теорія статистичних рішень і статистична теорія радіолокації. Отримані із теорії оптимальні алгоритми забезпечують максимальний ефект виконання операцій в сенсі вибраних критеріїв оптимальності, але без врахування можливостей реалізації.

Рис. 3.1 - Принципи побудови системи оброки радіолокаційної інформації

Базою для реалізації автоматизованої системи обробки радіолокаційної інформації є в першу чергу ЦОМ, а також спеціалізовані аналогові і дискретні обчислювальні пристрої. Система обробки, реалізована на ЦОМ і інших спеціалізованих цифрових обчислювальних пристроях, називається цифровою системою обробки радіолокаційної інформації, а сам процес обробки називається цифровою обробкою радіолокаційної інформації.

При реалізації системи обробки на ЦОМ повинні враховуватись наступні особливості останніх як дискретних перетворювачів інформації:

для обробки на ЦОМ інформація має бути представлена в дискретному вигляді і закодована двійковим кодом (або іншими кодами, з якими оперує ЦОМ);

перетворення інформації в ЦОМ відбувається послідовно по тактам; об’єм інформації, що зберігається і перетворюється в кожному такті, являється кінцевим.

Перша із указаних особливостей обумовлює необхідність попередньої дискретизації і кодування радіолокаційних сигналів для обробки на ЦОМ. Дискретизація неминуче веде до втрат в пороговому сигналі і, як наслідок, до втрат в якості обробки в порівнянні з оптимальною обробкою неперервних (неквантованих) сигналів. Розробка оптимальних (з мінімальними втратами інформації) методів дискретизації радіолокаційних сигналів являється специфічною задачею, що виникає при реалізації цифрової системи обробки радіолокаційної інформації.

Із другої особливості ЦОМ як дискретного перетворювача інформації виходить обмеженість (скінченність) її швидкодії. Це в свою чергу призводить до обмеження пропускної здатності систем, побудованих на базі ЦОМ. Якщо тепер врахувати необхідність одночасної обробки інформації про безліч цілей, що знаходяться в зоні обзору РЛС в реальному масштабі часу, то виникає проблема забезпечення потрібної пропускної здатності цифрової системи обробки. Для розв’язання цієї проблеми в багатьох випадках доводиться спрощувати (видозмінювати) алгоритми основних операцій обробки з метою їх пристосування для реалізації на ЦОМ з заданою обмеженою продуктивністю або взагалі відмовитись від автоматизації деяких операцій.

Таким чином, розробка алгоритмів виконання основних операцій обробки, що забезпечують прийнятні якісні характеристики вихідної інформації при одночасному врахуванні можливостей їх реалізації на ЦОМ з обмеженою продуктивністю, являється однією з основних задач автоматизації процесів обробки на базі ЦОМ.

Алгоритмізація процесів обробки здійснюється на початковій стадії проектування системи обробки радіолокаційної інформації. В подальшому необхідно пов’язати між собою окремі елементарні алгоритми і розробити комплексний алгоритм системи з врахуванням реалізації на конкретній ЦОМ, визначити ступінь автоматизації операції і етапів обробки, розподілити функції між людиною-оператором і ЦОМ в системі і т. д. Рішення перечислених задач має супроводжуватись аналізом ефективності побудови окремих підсистем і системи в цілому по «зовнішнім» (заданим споживачами радіолокаційної інформації) або «внутрішнім» (специфічним для радіолокаційної системи) критеріям оптимальності.

Виявлення сигналів та вимірювання їх параметрів в умовах різного роду завад є основними завданнями радіолокаційних систем обробки сигналів. Тому оптимізація алгоритмів роботи системи має бути в першу чергу проведена за тими її показниками, які характеризують якість виконання системою цих завдань.

Наявність завад і випадкових флуктуацій в параметрах оброблюваних сигналів робить завдання виявлення сигналів та вимірювання їх параметрів предметом теорії статистичних рішень, на основі якої оптимальний тракт обробки сигналу може бути розбитий на два основних пристрої - пристрій оптимальної фільтрації сигналу і вирішуючий пристрій (пристрій логічної обробки сигналу) (рис. 3.2).

Рис. 3.2 - Спрощена структурна схема каналу обробки сигналу

Оптимальний пристрій фільтрації, що забезпечує найкраще виділення сигналу з завад і розрізнення, має формувати на своєму виході деякий сигнальний рельєф, що характеризує розподіл апостеріорної ймовірності. Вирішуючий пристрій має виконувати аналіз сигнального рельєфу та у відповідності до вибраного критерію виносити рішення про наявність сигналу або робити оцінку його вимірюваного параметра.

Для радіолокаційних систем розподіл апріорної щільності ймовірності наявності сигналу або значення його параметра в певному інтервалі його величин може бути прийняте рівномірним. Тому, як для задач виявлення сигналів, так і для задач вимірювання його параметрів, оптимальний пристрій фільтрації має формувати на свій вихід сигнальний рельєф, що відображає функцію правдоподібності або монотонну залежність від неї. Зазвичай цією функцією є логарифмічна залежність виду ln L [х (t)].

Наявність завад і різного роду спотворень сигналу призводять до того, що вироблена оцінка параметра сигналу відрізняється від його істинного значення. Помилки вимірювання характеризують точність систем вимірювання.

Алгоритми обробки сигналів, що характеризують операції формування апостеріорних ймовірностей або функції правдоподібності, в значній мірі залежить як від характеру завад, присутніх в суміші з сигналом на вході тракту обробки, так і від характеру і просторового розподілу цілей, що визначають кількість і параметри, одночасно присутніх на вході системи обробки сигналів. Велике різноманіття видів завад і можливість їх поєднання з розподілом параметрів сигналів ускладнює рішення задачі їх оптимальної обробки в загальному вигляді. В даний час задача виявлення, розрізнення та вимірювання параметрів сигналів в умовах завад найбільш повно вирішені лише для обмеженого виду завад і найпростіших розподілів параметрів сигналів, що перекриваються. У разі, коли форма і частота луна-сигналів відомі і вони не перекриваються за часом на вході каналу обробки, а розподіл завад близький до нормального, функціональна схема обробки каналу сигналу, що реалізує алгоритм оптимальний для виявлення сигналу або вимірювання його параметрів, може бути представлена так, як це зображено на рис. 3.3.

Рис. 3.3 - Структурна схема каналу обробки поодинокого сигналу

У випадку багатоканальної системи, схема матиме вигляд, зображений на рис. 3.4.

Рис. 3.4 - Структурна схема багатоканальної обробки

Коли розподіл завад різко відрізняється від нормального, наприклад, коли завади носять імпульсний характер, оптимальний канал обробки сигналу містить перед схемою когерентної фільтрації нелінійні елементи і схеми зі змінними параметрами, завданням яких є обмеження амплітуд вхідних коливань та їх стробування в часі. При цьому схема каналу обробки в найпростішому випадку може мати вигляд рис. 3.5. Така схема каналу обробки являється з практичної точки зору найбільш загальною, так як наявність нелінійних схем і схем зі змінними параметрами може мати місце в каналах обробки сигналу і при гаусових завадах. В цьому випадку присутність таких схем може бути обумовлено необхідністю обмеження динамічного діапазону амплітуд оброблюваного коливання, так як цей діапазон може значно перевищувати інтервал лінійності реальних схем фільтрації та логічної обробки сигналу.

Рис. 3.5 - Структурна схема каналу обробки при імпульсних завадах

Як випливає з вищезазначеного, оптимальні алгоритми обробки сигналів вимагають реалізації достатньо складних пристроїв фільтрації і логічної обробки сигналів, особливо якщо в процесі роботи РЛС відбувається зміна характеру завад і розподіл параметрів луна-сигналів. Практична реалізація таких складних пристроїв обробки сигналів утруднена. У зв'язку з цим реальні пристрої для складних систем обробки виконують зазвичай квазіоптимальні алгоритми, які в допустимому відношенні лише наближаються до оптимальних. Фактори, що обумовлюють квазіоптимальність алгоритму обробки сигналу, різні і в значній мірі визначаються видом сигналу, параметрами завад і структурою системи обробки. Тому оцінку відхилення алгоритмів від оптимальних доцільно проводити безпосередньо при розгляді принципів побудови і технічної реалізації конкретних систем і відповідних пристроїв обробки сигналів.

Для подальшої розробки системи будемо використовувати структурну схему, зображену на рис. 3.6.

Рис. 3.6 - Структурна схема системи прийому і обробки радіосигналів РЛС

Для коректної роботи пристрою дискретизації і кодування сигналів в каналі використовують підсилювач, який підсилює амплітуду сигналу до потрібного рівня для подальшої оцифровки.

Будемо використовувати малошумлячий підсилювач, так як він вносить значно менше завад в підсилювальний сигнал.

Пристрій дискретизації і кодування використовується для представлення інформації в дискретному вигляді і кодування двійковим кодом (або іншими кодами, з якими оперує ЦОМ) для подальшої її обробки на ЦОМ.

Пристрій первинної обробки здійснює виявлення корисного сигналу в шумах, визначення координат цілі, кодування координат цілі, присвоєння номерів цілям.

У напівавтоматичній системі автоматичного керування ці функції виконує людина-оператор. Результати обробки інформації від всіх каналів відображаються на пристрої відображення.

4. РОЗРОБКА ФУНКЦІОНАЛЬНОЇ ТА ПРИНЦИПІАЛЬНОЇ СХЕМ БЛОКІВ

.1. Визначення повного функціонального складу схеми

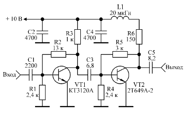
Як було зазначено раніше, для коректної роботи пристрою дискретизації і кодування сигналів в каналі використовують підсилювач, який піднімає амплітуду сигналу до потрібного рівня для подальшої оцифровки. Для цього будемо використовувати широкосмуговий малошумлячий підсилювач діапазону 20…600 МГц. Принципова схема такого пристрою зображена на рис. 4.1.

Рис. 4.1 - Принципова схема широкосмугового малошумлячого підсилювача

Технічні характеристики підсилювача:

смуга робочих частот - 20...600 МГц;

нерівномірність амплітудно-частотної характеристики - 1 дБ;

коефіцієнт підсилення - 25 дБ;

коефіцієнт шуму, не більше - 2,5 дБ;

опір генератора і навантаження - 50 Ом;

споживаний струм - 40 мА;

напруга джерела живлення - 10 В;

габаритні розміри - 35х20 мм.

Підсилювач містить два каскади підсилення на транзисторах VT1 і VT2 і два ланцюги корекції першого порядку (елементи С3, С5). Вхідний і вихідний каскади підсилювача працюють в режимі класу А з струмами споживання 5 мА і 33 мА відповідно, які встановлюють підбором номіналів резисторів R2 і R5. Друкована плата розмірами 35х20 мм виготовлена ​​з фольгованого з двох сторін склотекстоліту товщиною 2...3 мм. Торці друкованої плати металізовані за допомогою металевої фольги, припаяної до нижньої і верхньої частин плати. Металізація необхідна для усунення паразитних резонансів, що спотворюють форму амплітудно-частотної характеристики. Налаштування підсилювача полягає в наступному. Спочатку за допомогою резисторів R2 і R5 встановлюють струми спокою транзисторів підсилювача. Потім підбором номіналів конденсаторів С3 і С5 вирівнюють його амплітудно-частотну характеристику. Замість транзистора вихідного каскаду 2Т649А-2 можна використовувати транзистор КТ939А. У цьому випадку буде потрібно деяка переробка друкованої плати підсилювача.

Плата PDA 16-60-120-MS являє собою двохканальний аналого-цифровий перетворювач, який має наступні технічні характеристики:

тип роз’ємів вхідних сигналів, сигналів запуску, тактового і вихідного сигналів: SMA;

шкала напруги вхідних сигналів: 2,50 В; 1,67 В; 1,00 В; 667 мВ; 400 мВ; 267 мВ;

вхідний опір: 50 Ом;

розрядність: 16 біт;

частота оцифровки: до 160 МГц;

ширина смуги вхідного сигналу: 50 МГц;

частота сигналу зовнішнього тактування: 10 - 160 МГц;

високошвидкісна паралельна шина SAB: 500 Мбай/с, в залежності від області застосування можливо до 1 Гбайт/с (64 біт/125 МГц);

зовнішня шина: 64-розрядна РСІ-Х (до 100 МГц);

споживана потужність: +12 В, 400 мА; +5 В, 1,5 А; +3,3 В, 2,3 А.

Зовнішній вигляд плати аналого-цифрового перетворення зображено на рис. 4.2.

Рис. 4.2 - Плата аналого-цифрового перетворення PDA 16-60-120-MS

Плата РМР 1000-2 цифрової обробки сигналів має наступні технічні характеристики:

кількість процесорів: 9 Texas Instruments 320C6414;

тактова частота процесора: 1ГГц;

об’єм внутрішньої пам’яті: 576 Мбайт (64 Мбайт SDRAM на кожен процесор);

пропускна здатність шини SAB: 500 Мбайт/с, в залежності від області застосування можливо до 1 Гбайт/с (64 біт/125 МГц);

зовнішня шина: 64-розрядна шина РСІ-Х (до 100 МГц);

споживана потужність: 4,2 Вт.

Зовнішній вигляд плати цифрової обробки сигналів зображено на рис. 4.3.

Рис. 4.3 - Плата цифрової обробки сигналів РМР 1000-2

Для управління модулями обробки сигналів PDA 16-60-120-MS і РМР 1000-2, а також рішення задач місцезнаходження джерел сигналів, запису формулярів виявлених сигналів, інтерфейсу з оператором, передачі/прийому даних між блоками комплексу використовується комп’ютер на базі плати РСЕ-5120, що являє собою одноплатний промисловий комп’ютер стандарту PICMG 1.3 з підтримкою ЦП Core Duo на базі чипсету Intel 945G, і має наступні характеристики:

процесор: Socket LGA 775 для Intel Core 2 Duo, Pentium Dual-Core, Celeron 400 (Pentium D не підтримується);

чипсет: Intel 945G + ICH7R;

системна шина 533/800/1066 МГц;

ОЗУ: 4x DIMM DDR2 533/667 МГц до 4 Гбайт;

відеоконтролер: Intel GMA 950, 224 Мбайт, VGA;

шина розширення: 1x PCI Express x16 и 4х PCI Express x1, 32-бит/33 МГц PCI;: 4x 300 Mбайт/сек, Програмний RAID 0, 1, 10, 5;: 1x ATA 100/66/33;: 2x 10/100/1000Base-T, Intel 82573V;

порти вводу/виводу: 8x USB 2.0, 4x USB 2.0 (на кросплаті), 3x RS-232, 1x RS-232/422/485, LPT, FDD, PS/2;

сторожовий таймер;

аудіо: AC97 через модуль PCA-AUDIO-00A1E.

споживана потужність: 3,5 Вт.

Зовнішній вигляд плати РСЕ-5120 зображено на рис. 4.4.

Рис. 4.4 - Плата РСЕ-5120

4.3 Розрахунок основних параметрів схеми

Виберемо як зондуючий сигнал простий сигнал з базою рівною 1 (радіоімпульси з прямокутною огинаючої, рис. 4.5). Вибір є попереднім. Після розрахунку імпульсної потужності передавача Pи, якщо вона перевищить допустимий для наземних РЛС значення 1 МВт / имп, задамося прийнятною імпульсною потужністю і візьмемо в якості зондуючого сигналу складний сигнал.

Рис. 4.5 - Часова і спектральна діаграми радіоімпульсів, відбитих від цілі

Рис. 4.6 - Часова і спектральна діаграми сигналу на виході лінійної частини радіоприймального пристрою (РПП)

Рис. 4.7 - Часова і спектральна діаграми відеоімпульсів на виході детектора РПП

Дані для розрахунку:

дальність: R=150 км;

розрізнення по дальності: DR=150 м;

сумарна похибка: s =10 м;

ЕПР цілі: sц=2 м2;

швидкість цілі: Vц=400 м/с;

довжина хвилі: l=0,23 м.

Розрахунок параметрів сигналу:

Вибір частоти проходження і тривалості імпульсів проводиться з умови однозначного виміру параметрів цілей на максимальній дальності.

Період повторення імпульсу:


Частота слідування імпульсів:

 

Тривалість імпульсу:


У схемі супроводу по дальності РЛС визначається часовий зсув чергового луна-сигналу супроводжуваної цілі по відношенню до слідкуючих імпульсів, часове положення яких відповідає оцінці затримки сигналу цілі. Тому час встановлення переднього фронту видеоімпульса (рис. 4.6) має лежати в межах:

.

За цим параметром визначається смуга пропускания лінійної частини РПП. Приймемо τу=0,2 мкс.

У РЛС супроводу, що вимірюють дальність і два кути, використовують голчастий промінь. Ширина променя антени однакова у всіх площинах і визначається розрізненням по куту q0,5=Da=Db. Приймемо його рівним 1,5о.

Основною характеристикою якості роботи радіолокаційної станції, виходячи з її цільового призначення, є точність стеження. Показниками точності є похибки роботи системи. Розрізняють динамічну і флуктаційну похибки. Динамічної похибкою sд є похибка по заданому впливу, а флуктаційну sф в даному випадку пов'язана з власним шумом приймача.

Оптимізація системи по точності полягає у виборі оптимального коефіцієнта підсилення розімкнутої системи КУопт, при якому маємо мінімум середньоквадратичної помилки

.

Як видно із графіка (рис. 4.8) залежності sд і sф від КУ, в оптимальному режимі sф=sд, звідки


Рис. 4.8

Необхідно враховувати втрати у відношенні сигнал/шум, що виникають через наступні причини:

втрати при розповсюдженні радіохвиль ρ1 = 1...3 дБ;

втрати в антенно-фідерному тракті ρ2 = 1 дБ;

втрати при амплітудному детектуванні ρ 3 = 1...5 дБ;

втрати на квантування ρ 4 = 2 дБ.

Сумарний коефіцієнт втрат: ρ = Sρi = 5...10 дБ.

Приймемо ρ = 10 [дБ] = 3,16 [раз].

Відношення сигнал/шум з врахуванням втрат:

(Рс/Рш)×ρ = 0,45×3,16 » 1,42.

Визначення параметрів антени.

Коефицієнт направленої дії (КНД):


Приймемо коефіцієнт корисної дії (КПД) антени рівним: h=0,95.

Коефіцієнт підсилення:


Розрахунок необхідної потужності передавача РЛС проводимо на основі рівняння дальності радіолокації, без урахування впливу Землі (висота об'єктів достатня):


де sц - ефективна площа розсієння цілі;- коефіцієнт спрямованої дії передавальної антени;- коефіцієнт спрямованої дії приймальної антени;

λ - довжина хвилі;- потужність передавача сигналу на вході приймача.

Потужність відбитого від цілі сигналу на вході приймача або пороговий сигнал виявлення виразимо через характеристики приймача:


де q - відношення сигнал / шум на вході приймача, необхідне для виявлення цілей з заданими ймовірностями;- постійна Больцмана 1,38 · 10-23 Дж / К;- коефіцієнт шуму (для більшості приймачів дорівнює 6 ... 9);- температура навколишнього середовища 290 К;

Вn - шумова смуга пропускання переддетекторного фільтра приймача.

Так як ймовірність правильного виявлення РПВ = 0,95 і ймовірність помилкової тривоги РЛС = 10-4, то визначаємо відношення сигнал / шум q = 32 дБ або q = 1585. Задамося шумовою смугою пропускання приймача, Вn = ± 100 Гц, так як швидкість руху цілей у шлюзі не перевищує 2 м/с, то максимальний доплерівский зсув при довжині хвилі l = 0,04 м складе fд = 100Гц.


Таким чином, з урахуванням вищенаведених співвідношень, рівняння дальності прийме вигляд:


Потужність передавача становить 30 мВт.

Отримаємо дані для вибору блоку живлення системи, що розробляється. Вони представлені у вигляді таблиці 4.1.

Таблиця 4.1

Назва плати

Потужність споживання, Вт

Кількість

Загальна потужність, Вт

Малошумлячий підсилювач

0,4

4

1,6

PDA 16-60-120-MS

4,8

2

9,6

РМР 1000-2

4,2

2

8,4

РСЕ-5120

3,5

1

3,5

Всього:

23,1


Виходячи з отриманих розрахунків, оберемо блок живлення фірми Advantech PS-400ATX-ZBE 400W, який має наступні характеристики:

потужність: 400 Вт;

система охолодження: 1 вентилятор;

діаметр вентилятора: 80 мм;

має захист від перенапруги;

має захист від короткого замикання;

габарити: 150х86х140 мм.

Зовнішній вигляд блока живлення показано на рис. 4.9.

Рис. 4.9 - Блок живлення PS-400ATX-ZBE 400W

4.4 Алгоритми обробки вторинної радіолокаційної інформації

В процесі первинної обробки інформації формуються відмітки, які можуть бути істинними, тобто отриманими від реальних цілей, або ж помилковими, що з'явилися внаслідок впливу різного виду природних і штучних перешкод. Так як при первинній обробці використовуються сигнали, отримані за один огляд і сформовані за ним позначки, не дозволяють визначати рух об'єкта. Отже, не можна і виявити рухому ціль. Потрібно мати відмітки хоча б за два або декілька оглядів, щоб визначити їх приналежність до рухомого об'єкту, обчислити швидкість та інші параметри руху. Обробка відміток, отриманих за кілька оглядів радіолокаційної станції (РЛС), для виявлення і безперервного спостереження за траєкторіями повітряного об’єкту (ПО), називається вторинною обробкою інформації (ВОІ).

В ВОІ виділяють два етапи:

) виявлення траєкторії (прийняття рішення про наявність в просторі рухається ВО);

) супровід траєкторії (регулярне обчислення параметрів траєкторії, стеження за траєкторією).

Якщо ці етапи обчислюються автоматично, то вони називаються відповідно автозахоплення і автосупроводження.

Рис. 4.10

Розглянемо зміст цих етапів:

Виявлення траєкторії починається з надходженням першої відмітки від системи первинної обробки. Навколо неї виділяється простір, в межах якого може виявитися відмітка ПО в наступному огляді за рахунок його переміщення. Цей простір називається стробом. Розмір строба вибирається виходячи з можливої швидкості даного типу цілі, його маневрених якостей і помилок вимірювання. У площині він має форму кільця з розмірами:

= Vц min To;= Vц max To,

де: Vц min и Vц max - можливі найменша і найбільша швидкості передбачуваних типів ВО у виділеному просторі;- період обзору РЛС.

У це кільце, в наступному огляді, можуть потрапити одна або кілька відміток (1,2, 3 ...) кожну з яких можна віднести до першої (поки немає інформації про рух ВО, жодній з відміток, що потрапили в строб, немає підстав віддавати перевагу ). За першими парам відміток обчислюються швидкості передбачуваних ВО, вважаючи рух їх рівномірним і прямолінійним.

З використанням відомих швидкостей обчислюються екстрапольовані точки на наступний, 3-й огляд, а навколо них будуються строби, розміри яких визначаються помилками вимірювань координат (помилками обчислення координат при первинній обробці) і помилками екстраполяції координат.

Якщо б ці помилки не мали місця, і дві перші позначки, за якими обчислена швидкість, дійсно належали рухомої цілі, то відмітка в третьому огляді точно збіглася б з екстрапольованою. Однак через зазначені помилки такого збігу не буде, тому потрібно будувати строб певних розмірів з урахуванням можливого розсіювання відміток щодо екстрапольованої точки, щоб відмітка з імовірністю, близькою до одиниці не була втрачена.

Строби ж будуються для того, щоб при обробці інформації з певної траєкторії аналізувати ситуацію не у всьому просторі, а тільки поблизу траєкторії. Цим скорочуються непродуктивні витрати машинного часу для аналізу свідомо не відносяться до даної траєкторії відміток, що знаходяться поза строба. У наступному третьому огляді в побудовані строби можуть потрапити або не потрапити позначки. Там де є відмітка, її вважають належить передбачуваної траєкторії.

В процесі супроводу виконуються наступні операції:

) оцінка параметрів траєкторії ПО (координат, що становлять швидкості, і т.д.) по дискретним даними, що надходять в моменти часу t1, t2, t3, ...;

) екстраполяція параметрів траєкторії на один або декількох оглядів;

) виділення попереджувальних області, в яку із заданою вірогідністю повинна потрапити нова відмітка ВО (стробування простору, строб може бути в площині прямокутних координат з розмірами 2Dyc, 2Dxc);

) звірення нових відміток, що потрапили в строб, для вибору однієї з якої і буде продовжуватись траєкторія (селекція відміток у строб).

У разі попадання декількох поточних оцінок (ТО), то істинною ТО вважається найближчою до ЕТ.

У разі непотрапляння в строб жодної позначки, як істинної приймається ЕТ, по якій триває траєкторія, розміри строба супроводу збільшуються.

Особливість процесу супроводу полягає в наявності критерію скидання траєкторії з супроводу. Основним критерієм при ухваленні рішення про скидання траєкторії з супроводу, є наявність перепусток на l оглядах поспіль відміток у строб супроводу.

Експерименти показують, що допустима кількість пропусків не повинна перевищувати 10, тому що на кожному кроці розміри стробів повинні збільшуватися відповідно до сумарних помилок вимірювання та екстраполяції по відношенню до дозволяючих обсягом РЛС. У застосовуваних КСА критерій скидання вибирають рівним 5.

Порівнюючи операції, що виконуються в процесі виявлення і супроводу, можна помітити, що операції в них подібні. Проте в процесі супроводу операції з метою отримання більш якісної інформації про ВО виконуються точніше.

Таким чином, в процесі виявлення та супроводження траєкторії виконуються операції:

) оцінка координат;

) екстраполяція;

) виявлення маневру;

) стробування;

) звірення.

Відповідно до вищезазначених принципів, процес виявлення нової траєкторії починається з утворення навколо позначки, що не потрапила в строби супроводу інших ПО, початкового строба первинного захоплення, розміри якого залежать від максимально можливого переміщення цілі за період огляду. При відсутності попадання відміток у строб автозахоплення на наступних оглядах початкова траєкторія скидається як помилкова.

Після виявлення траєкторії визначається напрямок руху ВО, що дозволяє екстраполювати і формувати строби, підтвердження траєкторії на наступних оглядах, при попаданні в них приймається остаточне рішення про підтвердження траєкторії.

Алгоритм послідовного згладжування координат траєкторії руху ВО.

Суть методу послідовного згладжування (оцінки) координат.

Нехай в момент часу t (n-1) де n число вимірювань, нам відомі оцінка координати (n-1) і оцінка швидкості (n-1). Знаючи їх і модель руху повітряного об'єкта можна визначити (наприклад, при прямолінійному і рівномірному русі) екстрапольоване значення координати.

Xэn=n-1+xn-1(tn-tn-1),

де: Xэn - екстрапольоване значення на n вимірі;

У момент часу tn надійшло виміряне значення координати Хn.

Потрібно за виміряним і екстраполювати значенням отримати оцінку координати на момент часу tn:

n=Xэn+Ln(Xn-Xэn),

де: Ln-коефіцієнт згладжування. Значення Ln можна виразити через кількість вимірювань n.

= 2 (2n-1) / n (n +1)

Однак на практиці звичайно користуються кількістю коректур k = n-1.

= 2 (2k +1) / (k +1) (k +2)

Розглянутий метод не вимагає великих обсягів пам'яті ЕОМ, так як в процесі розрахунків використовуються тільки два значення - екстрапольоване значення координати на момент згладжування (Xеn) і виміряне значення на момент згладжування (Xn). Крім того, результати обчислень видаються відразу, після отримання виміряного значення (не потрібно накопичення значень) і немає обмежень по кількості вимірювань, що і пояснює застосування даного алгоритму в створених комплексах.

При послідовному згладжуванні швидкості повітряного об'єкта на n період огляду маємо згладжене значення швидкості в n-1 огляду і розрахованим значенням швидкості в n огляді. Для рівномірного і прямолінійного руху, за аналогією з алгоритмом згладжування координат можна записати алгоритм згладжування швидкості.

xn=xn-1 + Bn(Xn-Xэn)/T,

де: Bn = 6 / n (n +1) n кількість вимірювань. Через кількість коректур

= 6 / (k +1) (k +2);

- час пройшли між вимірами на n-1 кроці і вимірюванням на n кроці.

Якість функціонування бойових алгоритмів в КСА КП істотно залежить від правильної оцінки закону руху ПО.

Цю задачу виявлення факту зміни характеру руху повітряного об'єкта, з подальшою адаптацією бойових алгоритмів, вирішують спеціальні пристрої (або алгоритми) виявлення маневру повітряного об'єкта.

Питання про наявність маневру вирішується в залежності від типу бойових алгоритмів, оцінки траєкторії руху повітряного об'єкта. Проте в основі будь-яких критеріїв лежить перевірка статичних гіпотез. Для оптимальних алгоритмів оцінки параметрів траєкторії, маневр визначається шляхом порівняння величини відхилення виміряного значення координати від екстрапольоване з деяким порогом dX.

- Xеn >= dX

Крім того, на практиці використовують критерій збільшень курсу і швидкості, отриманих в сусідніх оглядах РЛС. Тобто завдання вибору критерію маневру мети зводиться до вибору величини порогу, який визначається з тактико-технічних характеристик РЛС, ВО і помилок алгоритмів.

Існують фізичні і математичні методи стробування, відрізняються вони тільки методом реалізації. Розміри стробів обчислюються на основі помилок алгоритмів, тактико-технічних характеристик РЛС, маневрених можливостей ВО і заданої ймовірністю попаданням в строб істинних відміток траєкторії руху ВО. При наявності маневру, чи пропуску позначки в траєкторії розміру строба доцільно збільшити. Належність позначки визначається

| Xn - Xеn | = <dX.

При супроводі траєкторії повітряного об'єкту в строб, крім справжніх позначок, можуть потрапляти неправдиві позначки та відмітки, що належать іншим траєкторіях. Це створює невизначену ситуацію при відборі позначки для продовження траєкторії повітряного об'єкту. Усунення цієї невизначеності здійснюється на етапі звірення.

Найбільш широко застосовуються методи звірення:

) метод одного строба;

) метод мінімальних еліптичних відношень;

) метод найменших відстаней.

Метод одного строба полягає в тому, що навколо ЕТ, виставляється строб. Логіка ухвалення рішення зводиться до наступних правил:

) якщо в строб потрапила відмітка, то вважається, що вона належить даній траєкторії;

) якщо в строб не потрапила жодна відмітка, то в якості позначки повітряного об'єкта приймається екстрапольована точка;

) при попаданні в строб декількох відміток за справжню відмітку може бути прийнята відмітка, яка перша потрапила в строб, або всі відмітки, що потрапили в строб. В цьому випадку будуть формуватися кілька помилкових траєкторій, які надалі відсікаються.

Метод мінімальних еліптичних відношень полягає в обчисленні для кожної з відміток, що потрапила в строб, еліптичного відхилення:

,

де: Х2 , Y2 відстань між ЕТ і поточної точки;

,  - помилки визначення Х , Y.

Рішення про вибір істинної позначки приймається по мінімуму. Даний метод дає оптимальне рішення при попаданні в строб більше однієї позначки, але для його застосування необхідно знати характеристики розсіювання відміток.

Метод найменших відстаней полягає в обчисленні для кожної з відміток, що потрапила в строб відхилення і вибір поточної позначки для продовження траєкторії ВО вибирається по мінімуму R.

При отриманні ТТ і маючи вибірку попередніх значень ми виробляємо згладжування в поточний момент часу.

,

 - коефіцієнт (вага поточного вимірювання);

 - коефіцієнт (вага поточного вимірювання).


Траєкторія польоту ПО представляється у вигляді полінома n-го ступеня. Траєкторію ПО будемо ділити на ділянки прямолінійного і рівномірного руху і ділянки маневрування, які чергуються випадковим для наземного спостерігача (системи обробки) чином. Маневрування ВО може бути по швидкості та напрямку. Маневрування за швидкістю обмежується допустимим тангенціальним прискоренням, що не перевищує 1g. Маневрування за напрямом (віраж) може здійснюватися зі значно більшою перевантаженням, порядку (3-5) g. У простому випадку можна припустити, що основним видом маневрування ВО є віраж за курсом на постійній висоті з постійним нормальним прискоренням (перевантаженням), тобто по дузі кола. В цьому випадку проекція траєкторії ВО на горизонтальну площину, являє собою послідовність прямолінійних відрізків, сполучених дугами кіл різного радіусу. При прямолінійному і рівномірному русі оцінку і екстраполяцію ми вже розглянули, а при виявленні маневру нам потрібно використовувати для представлення траєкторії ВО поліном більш високого порядку.

Алгоритм обробки сигналів представлений на рис. 4.11.

Рис. 4.11

4.5 Вибір елементної бази

Одним із можливих напрямків побудови системи прийому і обробки радіосигналів пасивної моноімпульсної РЛС може бути напрямок, оснований на використанні готових модулів, представлених на ринку такими фірмами, як Nallatech, Xilinx, «Инструментальные системы», Signatec.

Підприємство Signatec є одним з провідних російських розробників професійного обладнання в галузі збору, розподілу та обробки інформації для суб'єктів оперативно-розшукової діяльності, а також рішень для операторів зв'язку і виробників телекомунікаційного обладнання.

Компанія Signatec спеціалізується на розробці РС-сумісних плат і систем високошвидкісного введення-виведення для таких додатків як радарні системи, неруйнівний контроль, спектроскопія та інших, що вимагають обробки великого обсягу даних в реальному часі.

Смуга пропускання плат серії PX з шиною PCI досягає 2 ГГц, а паралельне застосування декількох плат робить інтегральну продуктивність системи практично неообмеженою. Крім плат, що встановлюються в будь РС-сумісний комп'ютер, компанія Signatec поставляє готові вимірювальні комплекси IC2000 з масивом пам'яті для зберігання даних до 96 терабайт. Засновані на спеціалізованій шині SAB, ці системи можуть в реальному часі обробляти потоки даних і телеметрії об'ємом до 2,8 Гігабайт в секунду.

4.4 Забезпечення завадозахищеності

При роботі радіолокаційної станції доводиться мати справу з різного роду завадами, що ускладнюють виявлення і спостерігання цілей. Радіолокаційні завади можуть виникати мимовільно і можуть створюватись противником навмисно.

Мимовільними завадами радіолокаційним станціям являються: внутрішні шуми приймача, атмосферні завади, завади від роботи різних електричних установок і завади від місцевих предметів. Із цих завад найбільше значення для радіолокаційних станцій мають внутрішні шуми приймача і завади від місцевих предметів.

Навмисні радіолокаційні завади створюються противником з метою пригнічення роботи радіолокаційних станцій. Такі завади бувають активними і пасивними.

Активні завади створюються спеціальними генераторами завад, що установлюються на літаках, на кораблях або на землі. Джерела активних завад випромінюють радіохвилі, які сприймаються антеною радіолокаційної станції разом з корисними сигналами і створюють на екранах індикаторів характерні зображення, що затрудняють виявлення цілей, що з’являються в зоні дії завади. Особливо сильну дію на радіолокаційну станцію чинять завади, частота яких рівна частоті радіолокаційної станції або близька до неї.

Пасивні завади зазвичай створюються металізованими стрічками, виготовленими із алюмінієвої фольги. Ці стрічки упаковують в пакети і розсипають з літака-постачальника завад.

Якщо радіолокаційна станція опромінює «хмару» металізованих стрічок, то відбиті від цих стрічок радіохвилі підсилюються приймачем радіолокаційної станції, як і корисні сигнали, і на індикаторах створюються імпульси, схожі імпульсам від множини цілей.

Відображення від місцевих предметів: нерівностей місцевості, дерев, будівель, морських хвиль, хмар, дощу і т. д. також створюють завади на індикаторах, що ускладнюють виявлення цілі. Ці завади особливо сильні при роботі по наземним і надводним цілям.

Дія радіолокаційних завад будь-якого виду порушує нормальну роботу радіолокаційної станції. Тому використовують різні засоби захисту станцій як від активних, так і від пасивних завад.

Дія завад зменшується зі зменшенням ширини діаграми спрямованості антени станції, так як при цьому обмежуються направлення, з яких завада діє на станцію. У зв’язку з цим радіолокаційні станції сантиметрового діапазону, що мають вузькі діаграми спрямованості, більш завадозахищені, ніж станції метрового діапазону. Зменшення довжини імпульсів підвищує стійкість станції до дії пасивних завад, так як підвищується її роздільна здатність по дальності.

Одним із методів захисту від активних завад являється зміна частоти передатчика і перестройка приймача. Після кожної зміни частоти персоналу станції, що створює завади, буде потрібен час для визначення сигналів радіолокаційної станції, визначення її нової частоти і перестройки передатчика завад. На протязі цього часу прийом відбитих сигналів буде вільним від дії завад.

Особлива увага приділяється застосуванню схем, що підвищують стійкість радіолокаційних приймачів проти дії різних завад.

Робота всіх схем захисту приймачів від завад ґрунтується на використанні відмінності сигналу від завади.

Завада може відрізнятись від сигналу частотою коливань, тривалістю дії, частотою повторення (для імпульсної завади), амплітудою, часом поступання і т. д. Крім того, напрямок поступання завади може відрізнятися від напрямку максимальної чутливості антени станції. Джерело завад може бути нерухомим (наприклад, місцевий предмет) або переміщатись зі швидкістю, що відрізняється від швидкості переміщення цілі (літак в хмарі металізованих стрічок) і т. д.

Найбільш простим, але достатньо ефективним методом захисту від завад, що відрізняються по своїй частоті від частоти сигналу, являється застосування загороджувальних фільтрів.

Одна зі схем загороджувальних фільтрів зображена на рис. 4.12.

Рис. 4.12 - Загороджувальний фільтр

Фільтр являє собою паралельний резонансний контур . Опір  служить для компенсації втрат в контурі і підвищення точності його настройки. При настройці цього контуру на частоту завади його резонансний опір виходить досить великим, що і зумовлює значне ослаблення завади. Для корисних сигналів, що мають частоту, відмінну від резонансної, фільтр має малий опір і сигнали ослаблюються ним незначно. При регулюванні опору змінюється добротність контуру і ширина його смуги пропускання. При відсутності завад фільтр відключається, щоб не відбувалось ослаблення сигналів.

Загороджувальні фільтри добре захищають від неперервно діючої завади (синусоїдальної немодульованої або модульованої), при умові якщо основна частота завади значно відрізняється від частоти сигналу. Якщо ця умова не виконується, фільтр виявляється безкорисним.

Часто для боротьби з завадами застосовується часова селекція, що використовує неодночасне поступання сигналів і завад. Для цього один із каскадів приймача, що називається селекторним, підтримується в закритому стані весь час, окрім моменту очікуваного поступання сигналу від цілі. В цей момент на каскад подається відкриваючий імпульс, і сигнал вільно проходить приймач; завади ж, що поступають в інший час, на виході приймача не з’являються. Імпульс, що відчиняє селекторний каскад, називається стробом або селекторним імпульсом. Момент виникнення строб-імпульсу узгоджується з моментом поступання сигналу від вибраної оператором цілі. Довжина строб-імпульсу може бути більше або менше довжини сигналу. Застосування дуже короткого строб-імпульсу (ультразвукового стробу) дозволяє значно підвищити завадостійкість станції і підвищити надійність роботи системи автоматичного супроводження цілі.

Часову селекцію неможна застосовувати для пригнічення неперервної завади, особливо шумової.

5. КОНСТРУКТОРСЬКА ЧАСТИНА

радіолокаційний станція загороджувальний фільтр

Фірма Schroff входить у промислову групу Pentair Enclosures, що є одним із найбільших у світі виробників корпусів, шаф і стійок для електронного і електротехнічного устаткування. Загальна кількість найменувань виробів, що поставляються фірмою Schroff, становить близько 20 тисяч, що дозволяє вибрати базову конструкцію і додаткові приналежності практично для будь-якої задачі.

Гнучке сучасне виробництво Schroff і Pentair Enclosures, сертифіковане по стандарту ІSO 9001, а також стандарту по захисту навколишнього середовища ІSO 14001 і розміщене в багатьох країнах Західної Європи й у США, гарантує найвищу якість і невисоку вартість продуктів.

Основні лінії продукції Schroff є такими:

1)  і метричні шафи й стояки для електронного, комунікаційного й лабораторного устаткування, призначені для використання як в офісних, так і в промислових умовах;

) допоміжне устаткування для шаф і стояків, включаючи засоби для зручного монтажу устаткування, укладання й комутації кабелів, електромагнітного захисту й розподіленого електромагнітного захисту й розподіленого безперебійного живлення;

) спеціалізовані шафи для розміщення серверного й мережевого устаткування, в тому числі комутаційні;

) комутаційні шафки для оптичних кабелів;

) приладові корпуси для монтажу різних електронних блоків і модулів;

) настінні сталеві електротехнічні ящики й електроізоляційні пластикові ящики й корпуси різних типорозмірів;

) корпуси й деталі субблоків для  і метричних модулів, у тому числі з електромагнітним захистом і для мобільних застосувань, з великим вибором допоміжного устаткування;

) напрямні, з’єднувачі, шини живлення й заземлення, тестові й макетні плати, кросплати для найпоширеніших шин, компоненти й гнізда для встановлення на передній панелі;ф

) спеціалізовані версії приладових і  корпусів для устаткування на основі найпоширеніших електричних шин типу VME, VME64x, CompactPCI і інших із вбудованими системами живлення, охолодження й електромагнітного захисту;

) засоби підтримання клімату в корпуса, включаючи кондиціонери, вентилятори, нагнітачі, нагрівачі й керуючу електроніку з уніфікованими засобами під’єднання.

Монтажні корпуси й шафи ConceptLine призначені для встановлення клемників на стандартну DIN-рейку, розміщення устаткування на монтажній платі, а також для монтажу  устаткування (при ширині 600мм). Вони мають наступні переваги:

) міцний сталевий суцільнозварний корпус;

) відкриті металеві двері;

) високий ступінь захисту від впливів навколишнього середовища (пиловологонепроникні);

) вбудована знімна плата для встановлення з’єднувачів або кабельних сальників;

) стаціонарні монтажні плати з можливістю встановлення на довільній глибині, оцинковані;

) вертикальні тримачі для  устаткування з можливістю встановлення на довільній глибині;

) різні варіанти навішення дверей з можливістю обмеження кута відкривання;

) різні варіанти замків, у тому числі навісні;

) зручне кріплення до стіни;

) система заземлення.

Ряд типорозмірів ConceptLine наведений у табл. 5.1.

Таблиця 5.1

Висота, мм

Ширина, мм

Глибина, мм

300

250

150

400

300

220

500

400

320

600

500

420

700

600


800

800


1000

1000


1200




Крім того, існують монтажні корпуси й шафи ConceptLine з нержавіючої сталі. Вони призначені для встановлення клемників на стандартну DIN-рейку, розміщення устаткування на монтажній платі, а також монтажу  устаткування. Їх основні особливості такі:

) допускають використання поза межами закритих приміщень;

) міцний суцільнозварний корпус із нержавіючої сталі;

) відкидні металічні двері;

) високий ступінь захисту від впливів навколишнього середовища (пиловологонепроникні);

) спеціальна кришка для кращого захисту від дощу й снігу;

) спеціальне пристосування для кріплення на стовпи й труби;

) різні варіанти замків, у тому числі навісні.

Ряд типорозмірів ConceptLine з нержавіючої сталі наведений в табл. 5.2.

Таблиця 5.2

Висота, мм

Ширина, мм

Глибина, мм

300

250

150

400

300

220

500

400

320

600

500


800

600


1000

800


1200

1000



Корпуси серії ConceptLine продовжують удосконалюватися.

Дуже серйозні зміни відбулися в найбільш популярних настінних шафах із шарнірними дверцятами серії ConceptLine:

) на чверть збільшилася кількість типорозмірів стандартних корпусів з металевими дверцятами, в основному за рахунок появи більших корпусів для кожної із припустимих глибин (150, 220, 320 і 420 мм);

) на доповнення до шаф глибиною 420 мм з’явилися шафи із заскленими дверцятами глибиною 320 мм;

) як і в інших лініях продуктів, з’явилися оцинковані монтажні плати;

) розширилися також номенклатура типорозмірів серії шаф з нержавіючої сталі. Тут, навпаки, з’явилися менш габаритні варіанти шаф із глибиною 320 мм;

) дуже важливим нововведенням є випуск спеціальної версії шаф ConceptLine з підвищеним ступенем електромагнітного захисту. ConceptLine ЕМС забезпечує пригнічення завад у діапазоні від 30 МГц до 1 ГГц на рівні 70-40 дБ. При цьому зберігається високий ступінь захисту від впливів навколишнього середовища.

Зовнішній вигляд вибраного для розміщення устаткування корпусу ІРС-611 показаний на рис. 5.1.

Рис. 5.1 - Корпус для промислового комп’ютера/сервера підвищеної функціональності РСІ-611

Характеристики:

) можливість установки промислової процесорної плати формату PICMG з 32- або 64-розрядної шини PCI, а також промислової материнської плати формату ATX;

) до 14 слотів розширення (ISA, PCI 32- або 64-розрядні);

) можливість установки трьох 5,25" і одного 3,5" приводів;

) джерело живлення ATX потужністю до 400 Вт, можливість установки резервованого ДЖ ATX 400 Вт;

) система виявлення і оповіщення про відмови;

) габаритні розміри 482×177×480 мм;

) маса 14 кг.

6. ОЦІНКА НАДІЙНОСТІ СИСТЕМИ

Надійність - один із основних показників якості технічних систем (приладів) автоматики, телемеханіки, обчислювальної техніки та інших технічних виробів. Забезпечення надійності роботи є однією з основних задач розробки та експлуатації техніки.

Для оцінки надійності підсистеми введення сигналів від датчиків температури застосовуємо модель пристрою, що являє групу послідовно з’єднаних і незалежних елементів, яка не має резервованих елементів. У цьому випадку відмова будь-якого з елементів викликає відмову системи, але не впливає на надійність інших елементів системи. Таким чином, безвідмовна робота системи можлива тільки при збереженні працездатності усіх елементів послідовного з’єднання.

Структура логічної схеми розроблюваного пристрою для наближеного розрахунку надійності зображена на рис. 6.1.

Рис. 6.1

Основні показники надійності системи з послідовним з’єднанням елементів визначаються таким чином.

Ймовірність безвідмовної роботи -го елемента при показниковому законі розподілу напрацювання до відмови:

, (6.1)

де  - інтенсивність відмов -го елемента.

Інтенсивність відмов системи із  елементів:

.(6.2)

Середнє напрацювання до відмови системи в цілому:

. (6.3)

При проведенні розрахунку надійності пристрою, що проектується, його однотипні елементи об’єднуємо в групи. Інтенсивність відмов пристрою буде визначатись за формулою:

,(6.4)

де  - інтенсивність відмов -го елемента;

 - кількість однотипних елементів -ої групи;

 - кількість груп (типів) елементів в пристрої.

Дані для розрахунку інтенсивності відмов системи зведемо в табл. 6.1.

Таблиця 6.1

Найменування

Кількість, шт.



1

Малошумлячий підсилювач

0,5

4

2,0

2

Аналого-цифровий перетворювач PDA 16-60-120-MS

0,7

2

1,4

3

Плата цифрової обробки сигналів РМР 1000-2

4,0

2

8,0

4

Одноплатний промисловий комп’ютер РСЕ-5120

0,7

1

0,7

5

Блок живлення PS-400ATX-ZBE 400W

1,6

1

1,6

Всього:

13,7


Таким чином інтенсивність відмов системи:


Середнє напрацювання до відмови системи в цілому:


Залежність ймовірності безвідмовної роботи пристрою, який розробляється, від часу роботи:


При виконанні розрахунків надійності пристрою визначають , а потім по деяким точкам апроксимують криву , яка наглядно характеризує зміну ймовірності безвідмовної роботи зі збільшенням часу експлуатації.

Залежність ймовірності безвідмовної роботи системи від часу роботи приведемо до табл. 6.1.

Таблиця 6.1

№ з/п

, год.


1

100

0,998631

2

500

0,993173

3

1000

0,986393

4

5000

0,933793

5

0,87197

6

20000

0,760332

7

30000

0,662987

8

40000

0,578105

9

50000

0,50409

10

100000

0,254107

11

200000

0,06457

12

220000

0,049095


Графік ймовірності безвідмовної роботи, який побудований на підставі табл. 6.2, зображений на рис. 6.2.

Рис. 6.2 - Графік ймовірності безвідмовної роботи системи

7. ОХОРОНА ПРАЦІ

Радіолокаційна станція - об'єкт підвищеної небезпеки. Наявність небезпечних і шкідливих виробничих факторів при роботі на РЛС обумовлено специфікою праці. Завдання охорони праці полягає в забезпеченні працюючому таких умов праці, щоб при максимальній продуктивності стомлюваність його була мінімальною. Зокрема, охорона праці розглядає наявність небезпечних і шкідливих факторів при роботі на РЛС, передбачає заходи щодо попередження нещасних випадків і професійних захворювань. Згідно ГОСТ 12.003-74 небезпечні та шкідливі виробничі фактори поділяються за природою дії на наступні групи:

фізичні;

хімічні;

психофізіологічні.

Одним з джерел небезпечного впливу на людину є радіолокаційна станція. Згідно ГОСТ 120.003-74 при роботі з РЛС на людину діють групи фізичних і психофізіологічних факторів. До фізичних у разі роботи з РЛС відносяться:

підвищений рівень електромагнітних випромінювань;

підвищене значення напруженості в електричному ланцюзі, замикання якого може статися через людину.

Психофізична група факторів поділяється на:

фізичні перевантаження;

нервово-психічні перевантаження.

При роботі з РЛС виділяються нервово-психічні перевантаження, що виявляються в розумовому перенапруженні.

7.1 Біологічна дія НВЧ-випромінювання на організм людини

Вплив потужних електромагнітних полів на людину призводить до певних зрушень в нервово-психічній і фізіологічній діяльності, проте як припускають, «багатоступенева» система захисту організму від шкідливих сигналів, що здійснюється на всіх рівнях від молекулярного до системного, в значній мірі знижує шкідливість дії «випадкових» для організму потоків інформації. Тому, мабуть, якщо і спостерігається певна реакція на ці поля, то тут потрібно говорити скоріше про, фізіологічний в загальному сенсі, ніж про патологічний вплив електромагнітної енергії. Незважаючи на те, що нетеплові, або специфічні ефекти впливу радіохвиль відкриті відносно давно, визначальним для нормування небезпеки роботи в умовах впливу електромагнітного випромінювання (ЕМВ) у багатьох країнах поки прийнята ступінь їх теплового впливу.

Для з'ясування біофізики дії теплового випромінювання надвисокої частоти (НВЧ) на живі організми розглянемо коротко фактори, що визначають нагрів тканин при опроміненні їх ЕМВ.

Існування втрат на струми провідності та зміщення в тканинах організму призводить до утворення тепла при опроміненні. Кількість тепла що виділяється в одиницю часу речовиною із середнім питомим опором (Ом / см) при впливі на нього роздільно електричної (Е) і магнітною (Н) складових на частоті f (Гц) визначається наступними залежностями:

= 8,4×10×f×E (Дж/хв)п = 8,4×10×f×H (Дж/хв)

Частка втрат у загальній величині поглиненої теплом енергії зростає з частотою.

Наявність відбиття на границі «повітря-тканина» призводить до зменшення теплового ефекту на всіх частотах приблизно однаково.

Таблиця 7.1 - Коефіцієнт відбиття Ко від границі між тканинами при різних частотах.

Границі

Частота, МГц


100

200

400

1000

3000

10000

24500

повітря-шкіра

0.758

0.684

0.623

0.57

0.55

0.53

0.47

шкіра-жир

0.340

0.227

-

0.231

0.190

0.230

0.22

жир-м’язи

0.355

0.351

0.33

0.26

-

-

-


З урахуванням Ко щільність потужності, що поглинається тілом, буде дорівнює:

Ппогл = П×( 1- Ко),

де П - щільність потоку потужності.

Глибина проникнення енергії СВЧ вглиб тканин залежить від резисторних і діелектричних властивостей тканини і від частоти.

Таблиця 7.2 - Глибина проникнення енергії НВЧ в різні тканини при зміні поля в е раз в частках довжини хвиль

Тканина

l, см


300

150

75

30

10

3

1.25

0.86

Головний мозок

0.012

0.028

0.028

0.064

0.048

0.053

0.059

0.043

Кришталик ока

0.029

0.030

0.056

0.098

0.050

0.057

0.055

0.043

Скловидне тіло

0.007

0.011

0.019

0.042

0.054

0.063

0.036

0.036

Жир

0.068

0.083

0.120

0.210

0.240

0.370

0.270

-

М’язи

0.011

0.015

0.025

0.050

-

0.100

-

-

Шкіра

0.012

0.018

0.029

0.056

0.066

0.063

0.058

-


Сумірність розмірів тіла з довжиною хвилі призводить до появи істотної частотної залежності взаємодії поля з тілом. Ефект опромінення тіла людини сильно залежить від поляризації і ракурсу освітлення його радіохвилями НВЧ.

Існування між різними шарами тіла шарів з малою діелектричною проникністю призводить до виникнення резонансів - стоячих хвиль великої амплітуди, які призводять до так званих, мікронагрівів.

Перерозподіл теплової енергії між сусідніми тканинами через кров поряд з конвенційною віддачею енергії тепловіддачі в навколишній простір багато в чому визначає температуру нагріву ділянок тіла. Саме через погіршену систему відводу тепла від деяких середовищ (очі і тканини сім'яників - в них дуже мало кровоносних судин), ці органи тіла найбільш уразливі для опромінення. Критичним для очей вважається підвищення температури на 10 °С. Висока чутливість сім'яників до опромінення пов'язана з відомим фактом, що при нагріванні їх всього на 1 град. С виникає часткова або повна тимчасова стерилізація.

Крім теплової дії радіохвиль НВЧ на живий організм, спостерігається і специфічна їх дія.

Найбільш загальним ефектом дії радіохвиль на організм людини (електромагнітних випромінювань малих рівнів) є дезадонтація - порушення функцій механізму, що регулюють пристосувальні реакції організму до змін умов зовнішнього середовища (до тепла, холоду, шуму, психологічних травм і т. д.). Тобто дія НВЧ поля є типовим стресом.

До специфічних ефектів впливу поля також відносяться:

кумуляція - призводить до того, що при дії переривчастого опромінення сумарних ефект накопичується і залежить від величини ефекту з самого початку впливу;

сенсибілізація - полягає в підвищенні чутливості організму після слабкого радіоопромінення до подальших дій;

стимуляція - поліпшення під впливом поля загального стану організму або чутливості його органів.

В Україні проводяться дослідження, спрямовані на з'ясування професійної шкідливості НВЧ радіохвиль. Дослідження дозволили виявити в осіб, що піддаються хронічному НВЧ впливу, певні зміни з боку нервової та серцево-судинної систем, ендокринних залоз, крові і лімфи, хоча в переважній більшості випадків ці зміни носять оборотний характер. При хронічній дії СВЧ поля були виявлені також випадки помутніння кришталика і зниження нюхової чутливості людини.

При великій потужності НВЧ тілом поглинається більше 5-10 мВт / см, і як правило, спостерігається негативний вплив опромінення, з'являється підвищена стомлюваність, слабкість, млявість, розбитість, дратівливість, запаморочення. Іноді спостерігається припливи до голови, відчуття жару, статева слабкість, напади нудоти, потемніння в очах. Вивчаються генетичні наслідки впливу радіохвиль.

7.2 Захист обслуговуючого персоналу від НВЧ випромінювань

Радіолокаційна станція включає в себе потужні НВЧ пристрої, в яких генератори високочастотної енергії мають потужність близько сотень кіловат в імпульсному режимі. Навіть якщо невелика частина цієї потужності просочується в навколишній простір, це може становити небезпеку для оточуючих: вплив досить потужного НВЧ випромінювання на зір, нервову систему та інші органи людини може викликати серйозні хворобливі явища. Тому при роботі з потужними джерелами НВЧ енергії необхідно неухильно дотримуватися вимог техніки безпеки.

У нашій країні встановлено безпечна норма НВЧ випромінювання, так звана санітарна норма - 10 мкВт / см. Вона означає, що в місці знаходження обслуговуючого персоналу потужність потоку НВЧ енергії не може перевищувати 10 мкВт на кожен квадратний сантиметр поверхні. Ця норма була взята з багаторазовим запасом. Так, наприклад, в США в 60-ті роки була норма в 1000 раз більшою - 10 мВт / см.

Слід зазначити, що в при віддаленні від місць випромінювання НВЧ від резонаторних камер або хвилеводних систем, де проводиться обробка за допомогою НВЧ енергії, - потік випромінювання енергії швидко слабшає (обернено пропорційно квадрату відстані). Тому можна встановити безпечну відстань, де рівень випромінювання нижче норми, і виконати її у вигляді огорожі, за яку не можна заходити під час виконання технологічного процесу. При цьому захисні пристрої виходять досить простими і недорогими.

В даний час існує декілька видів як твердих, тик і м'яких (типу гуми) поглинаючих матеріалів, які вже при товщині в кілька міліметрів забезпечують практично повне поглинання НВЧ енергії, що просочується.

Поглинаючий матеріал закладається в щілини між тими металевими деталями резонаторних камер або хвилеводних структур, які не можуть бути з'єднані зварюванням або паянням.

Запобігання випромінюванню через отвір для спостереження чи подачі повітря здійснюється застосуванням металевих трубок досить малого внутрішнього діаметра і необхідної довжини. Такі трубки є позамежними хвилеводами і практично не пропускають НВЧ енергію. Необхідно, щоб внутрішній радіус R був у 10...15 разів менше робочої довжини хвилі. В цьому випадку погонне загасання (в децибелах на сантиметр) на нижчому типі хвилі H11 може бути приблизно визначено за формулою: L = 16 / R, а загальне загасання при довжині трубки l стає рівним 16l / R дБ.

Розглянемо чисельний приклад. Нехай робоча довжина хвилі λ = 23 см. Візьмемо трубку з внутрішнім радіусом R = 1,5 см. Користуючись формулою для L, визначимо, що на кожному сантиметрі довжини трубки погонне загасання

= 16/1, 5 = 10,8 дБ / см.

Якщо потужність СВЧ коливань резонатора становить 1 кВт, а поза трубки вважатимемо припустимою потужність 1 мкВт, то на довжині трубки л має бути ослаблення 1кВт/1мкВт = 1/106 = 10-6 разів, або 60 дБ. Довжина трубки буде

= 60 / L = 60/10, 8 = 5,17 см.

Остаточно довжину трубки з внутрішнім діаметром 15 мм можна прийняти рівною 5 см. Як бачимо, безпечний рівень випромінювання може бути отриманий при не дуже довгих трубках і при досить великих діаметрах.

Для промислових установок НВЧ характерна необхідність багаторазового відкривання і закривання люків завантаження та інших дій. Від цих операцій захисні пристрої, особливо контактні, поступово зношуються. Крім того, з плином часу контактні поверхні окислюються. В результаті випромінювання може зрости в кілька разів і навіть на один-два порядки. Тому необхідні систематичне спостереження за станом захисних пристроїв, проведення періодичних вимірів рівня випромінювання. Звідси й жорсткі вимоги до надійності захисних пристроїв. Щоб в експлуатації норми опромінення не були перевищені, заводські здавальні норми на випромінювання роблять жорсткішими. Так, в Японії допускається збільшення випромінювання від заводських норм до експлуатаційних при кількості відкривань більше 100 тис. разів. Власне, за таких умов і проводяться періодичні заводські випробування захисних пристроїв.

ВИСНОВКИ

В дипломному проекті було розроблено систему цифрового прийому і обробки радіосигналів. Вона має високу ефективність розроблених технічних рішень і алгоритмів, а також доцільність застосування серійних цифрових модулів на етапі розробки макетів складних радіотехнічних систем для мінімізації часових і фінансових затрат. Реалізована система відповідає показникам, заданим в технічному завданні, відповідає вимогам надійності, має високі економічні показники.

ДЖЕРЕЛА ІНФОРМАЦІЇ

1.     Бакулев П.А. Радиолокационные системы. Учебник для вузов. - М.: Радиотехника. 2004. - 320 с.

2.      Кузьмин С.З. Основы теории цифровой обработки радиолокационной информации. М., «Советское радио», 1974. - 432 с.

.        Лихарев В.А. Цифрвые методы и устройства в радиолокации. М., «Советское радио», 1973. - 456 с.

.        Слока В.К. Вопросы обработки радиолокационных сигналов. - М.: советское радио, 1970. - 256 с.

.        Слуцкий В.З., Фогельсон Б.И. Импульсная техника и основы радиолокации. Изд. 3-е, переработ. и дополн. М., Воениздат, 1975. - 439 с.

.        Сосулин Ю.Г. Теоретические основы радиолокации и радионавигации: Учеб. Пособие для вузов. - М.: Радио и связь, 1992. - 304 с.

.        Справочник по основам радиолокационной техники. Под редакцией В.В. Дружинина. Военное издательство, 1967. - 768 с.

.        Справочник по радиолокации. Под ред. М. Сколника. Нью-Йорк, 1970. Пер. с англ. (в четырех томах) под общей ред. К.Н. Трофимова. Том 1. Основы радиолокации. Под ред. Я.С. Ицхоки. М., «Сов. радио», 1976. - 456 с.

.        Теоретические основы радиолокации. Под ред. Ширмана Я. Д. Учебное пособие для вузов. М., изд-во «Советское радио», 1970. - 560 c.

.        Финкельштейн М. И. Основы радиолокации: Учебник для вузов. - 2-е изд., перераб. и доп. - М.: Радио и связь, 1983. - 536 с.

Похожие работы на - Система обробки сигналів радіолокаційної станції

 

Не нашли материал для своей работы?
Поможем написать уникальную работу
Без плагиата!
Без нейросетей!