Освещение помещений

  • Вид работы:
    Курсовая работа (т)
  • Предмет:
    Физика
  • Язык:
    Русский
    ,
    Формат файла:
    MS Word
    457,31 Кб
  • Опубликовано:
    2013-05-05
Вы можете узнать стоимость помощи в написании студенческой работы.
Помощь в написании работы, которую точно примут!

Освещение помещений

Исходные данные

Вариант 9

Объект измерения, условия измерения

Предельные значения измеряемой величины,

Относительная погрешность измерений

Допуск, мкм

Освещенность помещения

500 Лк

3,0%

-

Xi

Xi

1.

500,125

11.

500,409

2.

500,231

12.

500,271

3.

500,322

13.

605,998

4.

860,811

14.

501,375

5.

500,641

15.

500,663

6.

500,011

16.

500,294

7.

500,023

17.

500,621

8.

420,543

18.

500,000

9.

500,738

19.

505,350

10.

500,581

20.

500,512



Глоссарий

Абсолютный порог яркости - наименьшая воспринимаемая яркость.

Аварийное освещение - освещение, позволяющее не прекращать работу в случае аварии в сети обычного освещения.

Балластное сопротивление - это устройство, обеспечивающее горение разрядной лампы в заданном рабочем режиме.

Блескость - свойство световых приборов или светящих поверхностей при неблагоприятном соотношении между их яркостью, силою света и яркостью окружающего пространства нарушать условия комфортного зрения или ухудшать контрастную чувствительность, или оказывать одновременно оба эти действия.

Боковое естественное освещение - естественное освещение помещения через световые проемы в наружных стенах
В зависимости от высоты солнца естественное освещение делится на периоды эффективного утреннего и вечернего, нормального, зенитного и сумеречного освещения.
В характерный разрез помещения должны попадать - участки с наибольшим количеством рабочих мест; и - точки рабочей зоны, наиболее удаленные от световых проемов.

Вакуумная лампа - лампа накаливания со светящим телом, находящимся в колбе, из которой выкачан воздух.

Верхнее естественное освещение - естественное освещение помещения через фонари, световые проемы в стенах в местах перепада высот здания.

Взрывозащищенный светильник - светильник закрытой конструкции, отвечающий правилам применения во взрывоопасной среде.

Видеоэкология - научное направление, занимающееся изучением видимой среды как экологического фактора.

Встраиваемый ПРА - ПРА, рассчитанный только на встраивание в светильник, коробку, кожух и т.п. Отсек блока управления в основании опоры для светильника наружного освещения считают кожухом.

Встроенный светильник - светильник, вмонтированный в потолок, стену или другую поверхность.

Двусветное освещение - расположение окон друг над другом для лучшего освещения глубоких помещений.

Дежурное освещение - освещение в нерабочее время.

Дневное освещение - освещение, создаваемое естественными дневными источниками света.

Естественное верхнее <#"669948.files/image001.gif">

Рис. 1. Общий вид люксметра

1.3 Люксметр Ю-117

Данная методика предназначена для производства измерения освещенности, создаваемой лампами накаливания и естественным светом, источники которого расположены произвольно относительно светоприемника люксметра Ю117.

Переносной фотоэлектрический люксметр Ю117 общепромышленного назначения применяется для контроля освещенности в промышленности, сельском хозяйстве, на транспорте и других отраслях народного хозяйства, а также для исследований, проводимых в научных, конструкторских и проектных организациях.

Область применения прибора

Предназначен для измерения освещенности, создаваемой лампами накаливания и естественным светом, источники которого расположены произвольно относительно светоприемника люксметра.

Переносной фотоэлектрический люксметр Ю-117 общепромышленного назначения, применяется для контроля освещенности в промышленности, в сельском хозяйстве, на транспорте и других отраслях народного хозяйства, а также для исследований, проводимых в научных, конструкторских и проектных организациях.

Технические характеристики.

Люксметр Ю117 предназначен для измерения освещенности, создаваемой лампами накаливания и естественным светом, источники которого расположены произвольно относительно светоприемника люксметра. Переносной фотоэлектрический люксметр Ю117 общепромышленного назначения применяется для контроля освещенности в промышленности, сельском хозяйстве, на транспорте и других отраслях народного хозяйства, а также для исследований, проводимых в научных, конструкторских и проектных организациях.

Вид климатического исполнения У категории 3.1 по ГОСТ 15150-69, но для рабочих значений температуры от минус 10 до плюс 35 гр.цельсия и относительной влажности до 80% при 20 гр. цельсия.

Технические параметры прибора:

Диапазон измерений люксметра от 0,1 до 100000 lx .Пределы допускаемой погрешности люксметра в основном диапазоне измерений от 2 до 100 lx без насадок соответствуют ±10% от значения измеряемой освещенности, а вдиапазоне от 0,1 до 0,2 lx (без насадок) - ±30% от значения измеряемой освещенности.

Увеличение допускаемой погрешности при переходе с основного диапазона измеренийна остальные диапазоны измерений, посредством установления или удалениясоответствующих насадок, не привышает ± 5 от значения измеряемой освещенности.

Люксметр является восстанавливаемым изделием.

Полный средний срок службы не менее 10 лет.

Габаритные размеры:

измерителя люксметра - 210х125х85

фотоэлемента - 185х105х55

футляра - 300х155х135

Рабочие условия эксплуатации прибора:

) температура окружающего воздуха, °С от 0 до 40

) относительная влажность воздуха при температуре окружающего воздуха 25°С, % 65±15

) атмосферное давление, кПа 86-107

) для питания прибора используется батарея типа "Крона" ТУ 16 729.060-91.

Устройство и работа люксметра.

Люксметр состоит из измерителя люксметра и отдельного фотоэлемента с насадками. На передней панели измерителя имеются кнопки переключателя и табличка со схемой, связывающей действие кнопок и используемых насадок с диапазонами измерений, приведенных в табл. 1

Прибор магнитоэлектрической системы имеет две шкалы: 0-100 и 0-30. На каждой шкале точками отмечено начало диапазона измерений: на шкале 0-100 точка находится над отметкой 20, на шкале 0-30 точка находится над отметкой 5. Прибор имеет корректор для установки стрелки в нулевое положение.

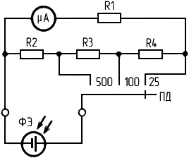
Рис. 3. Принципиальная электрическая схема люксметра Ю-117

На боковой стенке корпуса измерителя расположена вилка для присоединения селенового фотоэлемента.

Селеновый фотоэлемент находится в пластмассовом корпусе и присоединяется к измерителю шнуром с розеткой, обеспечивающей правильную полярность соединения. Длина шнура - 1,5м. Светочувствительная поверхность фотоэлемента составляет около 30 см2.

Для уменьшения косинусной погрешности применяется насадка на фотоэлемент, состоящая из полусферы, выполненной из белой светорассеивающей пластмассы, и непрозрачного пластмассового кольца, имеющего сложный профиль. Насадка обозначена буквой К, нанесенной на ее внутреннюю сторону. Эта насадка применяется не самостоятельно, а совместно с одной из трех других насадок, имеющих обозначение М, Р, Т.

Каждая из этих трех насадок совместно с насадкой К образует три поглотителя с общим номинальным коэффициентом ослабления 10, 100, 10000 и применяется для расширения диапазонов измерений.

Насадки К, М, Р и Т могут использоваться только в том люксметре, для которого они предназначены.

2. Разработка методики измерения

Для подготовки к измерению установите измеритель люксметра в горизонтальное положение. Проверьте, находится ли стрелка прибора на нулевом делении шкалы, для чего нажмите кнопку ВЫКЛ (фотоэлемент должен быть отключен). В случае необходимости с помощью корректора установите стрелку на нулевую отметку шкалы.

Перед измерением освещенности в диапазонах, где работает усилитель, то есть от 0.1 до 10 lx без насадок и от 2 до 100 lx с насадками КМ, проверьте напряжение батарей питания и установку нуля. Для проверки напряжения батарей питания усилителя нажмите кнопку КОНТРОЛЬ ПИТАНИЯ. При этом стрелка прибора должна отклоняться на участок шкалы, отмеченный черным сектором. Если стрелка прибора не отклоняется на черный сектор, замените батареи.

Для проверки установки нуля нажмите кнопку УСТАНОВКА НУЛЯ на 3-5 мин (тем самым произведя подогрев усилителя измерителя) и, при необходимости, поворотом ручки потенциометра установите стрелку измерительного прибора на нулевую отметку шкалы. Затем подключите фотоэлемент к измерителю и производите измерения.

При измерениях не допускайте длительного воздействия на фотоэлемент освещенности, превышающей конечное значение шкалы. Для того, чтобы предохранить прибор от перегрузок, начинайте измерения, включив переключатель, соответствующий положению 100000 lx, а на фотоэлемент наденьте насадки КТ. Если стрелка прибора отклоняется менее чем на 20 делений, замените насадку Т на насадку Р, затем на насадку М. Применяйте насадку К только совместно с одной из насадок Т,Р или М.

Порядок отсчета измеряемой освещенности следующий: против нажатой кнопки определяют выбранное с помощью насадок (или без насадок) наибольшее значение диапазонов измерений. Если нажата кнопка, против которой нанесены наибольшие значения диапазонов измерений: 1, 10, 100 и т. д., то следует пользоваться для отсчета показателей шкалой 0-100. Если нажата кнопка, против которой нанесены наибольшие значения диапазонов измерений: 3, 30, 300 и т. д., то следует пользоваться для отсчета показателей шкалой 0-30. Показания прибора в делениях по соответствующей шкале умножают на общий номинальный коэффициент ослабления, зависящий от применяемых насадок.

Измерения в диапазоне 0.1-0.2 lx без насадок производите по шкале 100 при нажатой кнопке диапазона измерений 0.2-1 lx.

Закончив измерения, нажмите кнопку ВЫКЛ, наденьте на фотоэлемент насадку Т и, отсоединив от измерителя, уложите его в крышку футляра. Если измерения производятся с перерывом более 7 дней, отсоедините батареи от измерителя и держите их отдельно.

3. Определение погрешности измерений

Пределы допускаемой погрешности люксметра в основном диапазоне измерений соответствуют ±10% от значения измеряемой освещенности, а в диапазоне от 0.1 до 0.2 lx (без насадок), расширяющем возможности измерения, - ±30% от значения измеряемой освещенности.

Увеличение допускаемой погрешности при переходе с основного диапазона измерений на неосновные диапазоны посредством установления или удаления соответствующих насадок, не превышает плюс или минус 5% от значения измеряемой освещенности.

Пределы допускаемой дополнительной косинусной погрешности люксметра соответствуют величинам, указанным в таблице прибора.

Допускаемое изменение показаний люксметра при переходе от измерения освещенности, создаваемой источником света с цветовой температурой 2800 К (нормированного для градуировки, испытаний и проверки), к освещенности, создаваемой источниками света с цветовой температурой 4800 или 6500 К, не превышает ±10% от значения измеряемой освещенности в диапазонах измерений с применением насадок; изменение показаний люксметра в диапазонах измерений без насадок - не нормируется.

Источники света с цветовой температурой 2800, 4800 и 6500 К, воспроизводящие соответственно условия искусственного освещения электрическими лампами накаливания, прямого солнечного освещения и освещения рассеянным дневным светом, определяются как источники света с относительным спектральным распределением плотности потока излучения в видимой области спектра (от 400 до 700 нм) такой же, как и у абсолютного черного излучателя при температурах 2800, 4800 и 6500 К.

Время успокоения подвижной части измерителя люксметра не превышает 4 с.

Допускаемое изменение показаний люксметра, вызванное отклонением температуры окружающего воздуха от 20°С до любой температуры в диапазоне от минус 10°С до плюс 35°С, не превышает ±1% от измеряемой величины на каждый 1°С.

4. Алгоритм обработки результатов измерений

Исходные данные

xi (x1, x2, x3,……………xn); n=; Р=%, α=0,05










да                                                                        нет













Обработка результатов измерений:

.=

=

=

,125-519,97595=(-19,85095)2=394,06021

,231-519,97595=(-19,74495)2=389,86305

,322-519,97595=(-19,65395)2=386,27775

,811-519,97595=(340,83505)2=116168,53130

,641-519,97595=(-19,33495)2=373,84029

,011-519,97595=(19,96495)2=398,59922

,023-519,97595=(-19,95295)2=398,12021

,543-519,97595=(-99,43295)2=9886,91154

,738-519,97595=(-19,23795)2=370,09872

,581-519,97595=(-19,39495)2=376,16408

,409-519,97595=(-19,56695)2=382,86553

,271-519,97595=(-19,70495)2=388,28505

,998-519,97595=(86,02205)2=7399,79308

,375-519,97595=(-18,60095)2=345,99534

,663-519,97595=(-19,31295)2=372,99003

,294-519,97595=(-19,68195)2=387,37915

,621-519,97595=(-19,35495)2=374,61408

,350-519,97595=(-14,62595)2=213,91841

,512-519,97595=(-19,46395)2=378,84534

Sx =  =

=  =

=

= 85,257

r =

rкр = 2,78

rкр  результат содержит грубую погрешность, исключается

.=

=

=

,125-496,01281=(4,11219)2=19,46742

,231-496,01281=(4,21819)2=17,79312

,322-496,01281=(4,30919)2=18,56911

,641-496,01281=(4,62819)2=24,42014

,011-496,01281=(3,99819)2=15,98552

,023-496,01281=(4,01019)2=16,08162

,543-496,01281=(-75,46981)2=6595,69222

,738-496,01281=(4,72519)2=22,32742

,581-496,01281=(4,65819)2=20,86835

,409-496,01281=(4,39619)2=19,32648

,271-496,01281=(4,25819)2=18,13218

,998-496,01281=(109,95519)2=12096,742013

,375-496,01281=(5,36219)2=28,75308

,663-496,01281=(4,65019)221,62426

,294-496,01281=(4,28119)2=18,32858

,621-496,01281=(4,60819)2=21,23541

,000-496,01281=(3,98719)2=15,89768

,350-496,01281=(9,33719)2=87,18311

,512-496,01281=(4,49919)2=20,24271

Sx =  =

=  =

=

r =

rкр = 2,78

rкр  результат не содержит грубую погрешность, не исключается

r =

rкр = 2,78

rкр  результат содержит грубую погрешность, исключается

.=

=

=

Sx =  =

= =

=

r =

rкр = 2,78

rкр  результат содержит грубую погрешность, исключается

r =

rкр = 2,78

rкр  результат не содержит грубую погрешность, не исключается

.=

=

=

Sx =  =

=  = 1,2421

r =

rкр = 2,78

rкр  результат содержит грубую погрешность, исключается

.=

=

Sx =  =

=  = 0,3528

r =

rкр = 2,78

rкр  результат не содержит грубую погрешность, не исключается

6 .

 

 

 

 

P=95%

Заключение

В курсовом проекте была проделана работа по определению средств измерений для измерения освещенности помещения. Также в данной работе приведена методика измерения освещенности, общие технические, конструкционные, эксплуатационные требования, предъявляемые к выбранному прибору и обработка результатов исключением грубой погрешности.

Освещённость - физическая величина, характеризующая освещение поверхности, создаваемое световым потоком, падающим на поверхность. Освещённость прямо пропорциональна силе источника света.

Освещенность помещения измеряется непосредственно с помощью специальных приборов. При выборе средств измерений учитываются их метрологические параметры, эксплуатационные факторы (организационная форма контроля, особенности конструкции и размеры изделий, производительность оборудования), экономические соображения и др. Важное значение имеет правильный выбор допускаемой погрешности средств измерений: недостаточная точность измерений приводит к снижению качества продукции и увеличению ее себестоимости, завышенная точность повышает трудоемкость и стоимость измерений и ведет к увеличению затрат на производство. Измерение освещенности производят в соответствии с ГОСТ 24940-96 (Межгосударственный стандарт "Здания и сооружения. Методы измерения освещенности"). Для измерения освещенности следует использовать люксметры с измерительными преобразователями излучения, имеющими спектральную погрешность не более 10 %.

Люксметры - это наиболее доступные и популярные светоизмерительные приборы, из числа которых был выбран люксметр Ю-117 , так как его метрологические характеристики соответствуют данной погрешности и прибор обладает следующими достоинствами: простотой конструкции и методикой измерений, возможностью измерения освещенности, высокой перегрузочной способностью

Также в работе приведено оформление результатов поверки и обработка результатов измерений. Был рассмотрен определенный ряд значений, в котором были найдены и исключены согласно алгоритму грубые погрешности.

В данном проекте были закреплены теоретические знания и практические навыки по дисциплине - «Метрология», систематизированы и закреплены теоретических знаний по методикам измерений и обработке результатов измерений исходных данных, теоретически и практически ознакомилась с выбранным прибором измерений, рассмотрела объекты исследования, подробно изучила прибор для измерения освещенности- люксметр Ю-117.

Список используемых источников

1.     Безопасность жизнедеятельности/ Н.Г. Занько. Г.А. Корсаков, К. Р. Малаян и др. Под ред. О.Н. Русака. - С.-П.: Изд-во Петербургской лесотехнической академии, 1996.

2.      Крылов В.К. Освещение производственных объектов. - М., ВЗИИТ, 1995.

.        Безопасность жизнедеятельности: Учебное пособие. Ч.2 /Е.А. Резчиков, В.Б. Носов, Э.П. Пышкина, Е.Г. Щербак, Н.С. Чверткин /Под редакцией Е.А. Резчикова. М.: МГИУ, - 1998.

.        СНиП 23-05-95. Строительные нормы и правила РФ. Естественное и искусственное освещение. М.: Информрекламиздат, 1995.

.        Безопасность технологических процессов. Справочник / С.В.Белов, В.С. Бринза, Б.С.Векшин и др. М.: Машиностроение, 1985. - с. 402-406.

.        Справочная книга по светотехнике /Под ред. Ю.Б. Айзенберга. М.: Энергоатомиздат, 1995.

.        Девисилов В.А. Освещение и здоровье человека //Безопасность жизнедеятельности / - М.: ООО «Издательство «Новые технологии», 2003. - №7. Приложение, с.12-13

.        Димов Ю.В. «Метрология, стандартизация и сертификация»; Учебник для вузов 2-е изд.-Спб: Питер, 2006-433с, ил.

.        Бурсиан Э.В. «Физические приборы»; Учеб. Пособие для студентов - М: Просвещение 1984-271 с.

.        Оболенцев Ю. Б. Гнидин Э. Л. "Электрическое освещение общепромышленных помещений" - М.: Энергоатомиздат, 1990.

.        В.Т. Иванченко «Определение освещенности помещений естественным светом»

.        «Охрана труда в химической промышленности» Г.В. Макаров, А.Я.Ясин 1989г.

13.   Безопасность жизнедеятельности. Учебник для вузов / С.В. Белов, А.В. Ильницкая, А.Ф. Козьяков и др.; Под общ. ред. С.В. Белова. - М.: Высш. шк., 1999.

14.    Естественное и искусственное освещение. - М.: Стройиздат, 1980.

.        Клюев С.А. Освещение производственных помещений. - М.: Энергия, 1979.

.        Электроснабжение объектов строительства Щербаков Е. Ф.

17.   Безопасность жизнедеятельности - Никифоров Л.Л.

18.    Оболенцев Ю.Б. <http://padabum.com/search.php?author=%D0%9E%D0%B1%D0%BE%D0%BB%D0%B5%D0%BD%D1%86%D0%B5%D0%B2%20%D0%AE.%D0%91.> Гиндин Э.Л. <http://padabum.com/search.php?author=%D0%93%D0%B8%D0%BD%D0%B4%D0%B8%D0%BD%20%D0%AD.%D0%9B.> Электрическое освещение общепромышленных помещений

24.Лесман Е.А. Освещение административных здании и помещений

25.Освещение при студийной фотосъемке, Кэлви Тэйлор-Хоу

. Охрана труда в химической промышленности./ Г. В. Макаров, А. Я. Ясин.


Не нашли материал для своей работы?
Поможем написать уникальную работу
Без плагиата!
Без нейросетей!