Розробка мікроконтролерного крокового електроприводу з кроковим двигуном
ВСТУП
Сучасні високі вимоги до виробництва
різних механізмів та якість виготовлених виробів можуть забезпечуватись тільки
на основі автоматизації побутових електроприводів. Успіх автоматизації значною
мірою залежить від технічних засобів її реалізації, тобто від індивідуальних
властивостей всіх окремих пристроїв або елементів, сукупність яких утворює
побутову електромеханічну систему - автоматизований електропривод. Елементна
база, що практично забезпечує автоматизацію і реалізовує необхідні властивості систем
електроприводу, тобто з розвитком мікроконтролерної техніки, постала проблема
використання здобутків цього розвитку в електроприводі. З огляду на те, що
мікроконтролерна техніка в даний час розвинулась досить широко, вона практично
витіснила морально застарілі елементи електроприводу. Це факт пояснюється тим,
що електричні апарати керування електродвигунами, які використовуються, є
досить громіздкими, енергозатратними, в той час як мікроконтролери володіючи
най оптимальнішими характеристиками, коштують дешевше.
Одним із видів електричних двигунів,
які найбільш органічно поєднуються з мікропроцесорною технікою є кроковий
двигун (КД). Саме швидкістю, часом, напрямком і послідовністю комутації легко
справляється мікроконтролер.
Крокові двигуни широко використовуються
в принтерах, автоматичних інструментах, приводах дисководів, автомобільних
приладових панелях і інших приладах, що вимагають високої точності
позиціонування і мікропроцесорного управління. Як відомо, таке управління
вимагає використовування спеціальної логіки і високоточних драйверів. Головна
перевага крокових приводів - низька ціна, в середньому в 1,5-2 рази дешевший
сервопривід. Кроковий привід як недорога альтернатива сервоприводу найкращим
чином підходить для автоматизації окремих вузлів і систем, де не потрібна
висока динаміка.
У наш час випускається безліч різних
типів крокових двигунів на всі випадки життя. Однак правильно вибрати тип
двигуна - це ще пів справи. Не менш важливо правильно спроектувати схему
керування і алгоритм його роботи, що часто визначається програмою
мікроконтролера, техніка на основі мікроконтролерів є дуже поширеною і
актуальною за рахунок того, що мікроконтролери дають можливість виконувати дуже
складні завдання, які недоступні звичайним аналоговим пристроям.
1. РОЗРОБКА ТЕХНІЧНОГО ЗАВДАННЯ ТА
ТЕХНІЧНИХ УМОВ
Згідно завдання на курсове
проектування необхідно розробити мікроконтролерний електропривід з кроковим
двигуном (КД).
Електропривід повинен забезпечувати
вимірювання приємистості двигуна, струму споживання та потужності споживання:
- напруга живлення постійного струму
22 В;
струм в колі фазової обмотки (7,5 ±
0,1) А;
одиничний крок 1,5 .
Електропривід може використовуватись
в закритих приміщенях при наступних умовах:
середовище не вибухонебезпечне;
відносна вологість повітря 90 % при
+ 20 °С ;
температура навколишнього середовища
від 10 до 30 °С.
2. АНАЛІТИЧНИЙ ОГЛЯД ЛІТЕРАТУРНИХ
ДЖЕРЕЛ
.1 Основні види схем керування
кроковими двигунами
Однією з найважливіших проблем при
використовуванні КД є розробка систем керування без зворотного і із зворотним
зв'язком по положенню ротора.
Проста система керування для КД
показана на схемі рис. 2.4. Для зручності пояснення вона розділена на дві
частини, КД в прикладі чотирьох фазний на рис. 2.4 а, представлена частина
системи керування від логічного блоку до двигуна [1].
Сигнал керування, що приходить на
логічний блок, забезпечує подачу сигналу керувань на комутатор, тим самим
сприяючи переміщенню ротора двигуна на один крок. Напрям обертання визначається
логічним станом входу, тобто Н - рівень для обертання за годинниковою стрілкою
і L - рівень проти годинникової стрілки. В деяких випадках застосовуються
логічні блоки з не залежним від напряму вихідним сигналом. Якщо один інкремент
руху здійснюється за один крок, то на схемі (рис. 2.4, а) представлена вся
система керування.
- логічний блок; 2 - комутатор; 3 -
двигун; 4 - вхідний контролер.
Малюнок 2.1 - Схема системи
керування КД
Але якщо кроків два або більше, то
перед логічним блоком необхідно поставити ще один пристрій для створення
відповідного інкременту ланцюжка вхідних імпульсів. Цей пристрій називається
вхідним контроллером (рис. 2.1, б). У складних випадках функцію вхідного
контроллера виконують такі електронні пристрої, як мікропроцесори, які
генерують ланцюжки імпульсів для прискорення або уповільнення руху оптимальним
чином. На закінчення приведений приклад використовування мікропроцесора в схемі
управління без зворотного зв'язку. Логічний блок - це логічна схема, яка керує
послідовністю збудження обмоток відповідно до надходження вхідних імпульсів.
Звичайно логічний блок складається з регістра зрушення і логічних схем
(функцій) таких, як НІ -I, НІ - АБО і т.д. В даний час як регістр зрушення
застосовують універсальні схеми. Проте для конкретних цілей можна сконструювати
необхідний логічний блок підбором відповідної інтегральної мікросхеми, що
реалізовує тригер з логічним входом, що спрацьовує по зворотному фронту сигналу
управління (тригери JK - FF), і логічних схем. Базисні функції схем і тригерів
приведені у таблиці. 2.1.
Тригер JK - FF реалізує функцію, що
задається таблицею і виконувану тоді, коли на вхід поступає сигнал Н. Якщо на
вхід поступає сигнал L, то на виході Q буде сигнал L, а на Q-Н. Тому замість
складання логічного блоку з набору відповідних інтегральних мікросхем можна
використовувати універсальні логічні блоки, розроблені для КД [1].
При з'єднання логічного блоку і
інвертування, вихідний сигнал подається на вхід силового інвертора
(комутатора), який керує включенням обмоток двигуна.
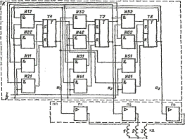
Розглянемо схему керування кроковим
електроприводом представленій на (рис.2.5), яка містить комутатор К і
підсилювач потужності (ПП) у вигляді релейних підсилювачів П1 - П3, які
включають і відключають обмотки двигуна КД.
Нехай тригери Т2 і ТЗ знаходяться в
одиничному стані, а тригер ТІ в нульовому; тоді відкритий релейний підсилювач
П1 і струм проходить по обмотці першої фази. У цьому стані підготовлені до
пропуску імпульсів з входу І ячейки И21, И41 і И51, аз входу II - ячейки И22, И32,
И62.
Таблиця 2.1- Логічні блоки та їх
функції
Якщо імпульси поступають по входу І,
то перший імпульс через ячейку И41 поставить тригер Т2 в «0 », підтвердить стан
« 0 » тригера ТІ через ячейку И21 і стан « 1 » тригера ТЗ через ячейку И51.
Таким чином, після проходження першого імпульса під струмом знаходитимуться
фази 1 до 2. Другий імпульс пройде через ячейки И11, И41 і И51, поставить
тригер ТІ в « 1 », підтвердить « 0 » тригера Т2 і « 1 » тригера ТЗ.
Малюнок 2.5 - Схема управління
кроковим електроприводом
Після другого імпульсу припиниться
струм у фазі 1, а фаза 2 залишиться під струмом. При проходженні шести
імпульсів по входу І утримується порядок комутації струмів у фазах: 1-1,2-2-2,
3-3-3, 1. Якщо імпульси поступають по входу II, то вони потрапляють на тригери
через схеми збігів другої групи И12, И22, И32, И42, И52, И62 і забезпечують
зворотний порядок комутації 1-1,3-3-3,2-2-2, 1 [4].
Зв'язок відтворюючої й
програмно-задаючої частин позиційної системи ЧПУ з КД ілюструється
функціональною схемою рис. 2.6. Числова програма П через пристрій введення (ПВ)
вводиться в лічильник Лч. Після закінчення запису цифрової інформації і
формування команди пуску в прямому (В) або зворотному (Н) напрямі відкриється
схема збігу И1 і імпульси від генератора ГТІ почнуть поступати через ячейки И2
і ИЗ на розподільник імпульсів (РИ) і одночасно на вхід віднімання лічильника
Лч. При відпрацюванні числа кроків, заданого програмою, лічильник буде встановлений
в нуль і на виході схеми АБО - НІ з'явиться логічна одиниця. Тригер Т
встановиться в нульовий стан, і подальше надходження імпульсів на лічильник і
схему управління КД припиниться. Швидкість КД може встановлюватися і
змінюватися в циклі позиціонування за допомогою блоку завдання швидкості, що є
керованим дільником частоти (на схемі не показаний).
Малюнок 2.6 - Схема управління
кроковим електроприводом із замкнутим принципом
Схема, подібна розглянутій, може будуватися
за замкнутим принципом. Тоді рух ІО контролюється імпульсним датчиком положення
і списування з лічильника здійснюється імпульсами датчика по каналу 6 (штрихові
лінії на рис. 2.6).
Канал а від схеми И1 на лічильник в
цьому випадку відключається. Проте побудова замкнутих систем ЧПУ з КД
недоцільна, оскільки поліпшені якості замкнутих систем легше досягаються при
використовуванні регульованих двигунів безперервної дії.
Крокові двигуни мають нижчі
енергетичні показники, ніж регульовані двигуни безперервної дії. Тому
застосування їх на великі моменти навантаження не завжди доцільне. Крім того,
із збільшенням габаритів КД знижується допустима частота, що приводить до
збільшення кроку при заданій швидкості 10. Це знижує якість обробки виробів
[4].
Отож інвертор можна буде назвати
комутатором двигуна або просто комутатором. Простим способом з'єднання є
безпосереднє, як показано на (рис. 2.7, а, б). Але якщо вихідні сигнали
логічного блоку недостатні для управління силовими транзисторами, то необхідно
між комутатором і логічним блоком включити підсилювач, як це показано на (рис.
2.7, в, г).
а, б - безпосереднє; в, г - між
блоком і інвертором ввімкнений підсилювач.
Малюнок 2.7 - Приклад з'єднання
логічного блока та інвертора
При розробці комутатора обмотку КД
представляють на схемі заміщення послідовним з'єднанням індуктивності і
резистора. Крім того, при обертанні ротора в обмотках виникає ЕДС. Отже,
еквівалентна схема заміщення КД виглядає, як показано на рис. 2.8. Перш за все
слід розглянути якнайгірші умови експлуатації двигуна і силових транзисторів для
різних значень напруги живлення. Оскільки КД розробляють для отримання
максимальної потужності в мінімальному об'ємі, значення температури може
досягати порядка 100 °С і, таким чином, опір обмотки підвищується на 20 - 25 %.
Малюнок 2.8 - Еквівалентна схема
заміщення для обмоток КД
При замиканні транзистора (див. рис.
2.8) через наявність індуктивності L (di/dt) виникає ЕДС самоіндукції, яка може
привести до виходу з ладу транзистора. Існують різні способи зниження перенапруження
і захисту транзистора:
діоди зворотного струму. Якщо
паралельно з обмоткою включений діод, як це показано на рис. 2.9, то після
виключення транзистора струм об мотки замикається через нього. У цій схемі не
буває великих змін струму при виключенні і потенціал колектора рівний напрузі
живлення Е плюс падіння напруги на відкритому діоді.
Цей спосіб захисту простий, проте
струм в обмотці протікає протягом деякого часу після замикання транзистора, що
приводить до появи гальмівного моменту [1].
Малюнок 2.9 - Діодний захист
- діодно - резисторнии захист . Для
швидкого демпфування струму послідовно з діодом включається резистор, як
показано на рис. 2.10. Напруга УСе на колекторі при відключенні рівна:
де Е - напруга живлення;
І - струм в обмотці до виключення
транзистора;- опір резистора;- падіння напруги на діоді.
Малюнок 2.10 - Діодно - резисторнии
захист
Чим більше RS, тим швидше затухає
струм після виключення транзистора і вищий потенціал колектора. Таким чином,
швидке зменшення струму в обмотці приводить до великих перенапружень на
транзисторі [1].
- захист за допомогою стабілітрона.
Часто послідовно із звичним діодом включають стабілітрон, як показано на рис.
2.11.
Малюнок 2.11- Захист за допомогою
стабілітрона
В порівнянні з двома попередніми
схемами в цій зменшення струму після виключення відбувається швидше (рис.
2.12). Особливістю даного способу є те, що потенціал колектора рівний напрузі
живлення плюс напруга пробою стабілітрона, яка не залежить від струму. Це
спрощує визначення максимуму потенціалу колектора.
При розробці (КД), а також систем
управління ними, часто доводиться перебрати безліч різних варіантів
багатофазних послідовностей імпульсів, що подаються на обмотки двигуна.
Побудова системи управління (СУ) на дискретних елементах при цьому стає
трудомістким процесом. Тому вирішено було зробити систему управління так, щоб
її можна було легко перепрограмувати під конкретний двигун. Досить просто ця
задача розв'язується з використанням РІС - контролерів фірми Місrосhір,
наприклад, РІС16Р84.
1 - діод; 2 - діод і резистор; 3 -
діод і стабілітрон.
Малюнок 2.12 - Порівняльні дії
різних схем захисту
Контролер має достатню кількість
портів введення-виведення і необхідну швидкодію, допускає той, що багатократне
перепрограмує, не є дорогим і дефіцитним. Нижче на рисунку приведена електрична
принципова схема СУ.
Розглянемо схему керування 4 -
фазним КД [3], яка дозволяє встановлювати частоту імпульсів, постійне
прискорення чи сповільнення, різні режими комутації фаз.
Малюнок 2.13 - Схема електрична
принципова системи управління крокового двигуна на РІС - контролері
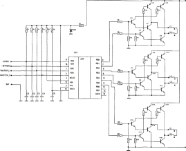
Основою пристрою (рис. 2.14) є
мікроконтролер U1 типу АТ90S2313 фірми Аtmel. Сигнали управління обмотками
двигуна формуються на портах РВ4 - РВ7 програмно.
Для комутації обмоток
використовуються по два включених паралельно польових транзистора типа КП505А,
всього 8 транзисторів (VТ1 - VТ8). Ці транзистори мають корпус ТО - 92 і можуть
комутувати струм до 1,4 А, опір каналу складає близько 0,3 Ом.
Малюнок 2.14 - Принципова схема
керування 4 - фазного крокового
двигуна
Для того, щоб транзистори
залишалися закритими під час дії сигналу «скидання» мікроконтролера (порти в
цей час знаходяться у z - стані), між затворами і витоками включені резистори
R11 - R14. Для обмеження струму перезарядки місткості затворів встановлені
резистори R6 - R9. Даний контроллер не претендує на високі швидкісні
характеристики, тому цілком влаштовує повільний спад струму фаз, який
забезпечується шунтуванням обмоток двигуна діодами VD2 -VD5. Для підключення
крокового двигуна є 8 - контактний роз'єм ХРЗ, який дозволяє підключити двигун,
що має два окремі виводи від кожної обмотки (як, наприклад, ДШИ).
Для двигунів з внутрішнім з'єднанням
обмоток один або два загальні контакти роз'єму залишаться вільними. Необхідно
відзначити, що контроллер може бути використаний для управління двигуном з
великим середнім струмом фаз. Для цього тільки необхідно замінити транзистори
VТ1 - VТ8 і діоди VD2 - VD5 більш потужнішими. Причому в цьому випадку
паралельне включення транзисторів можна не використовувати. Самими відповідними
є МОП - транзистори, керовані логічним рівнем. Наприклад, це КП723Г, КП727В і
інші.
Стабілізація струму здійснюється за
допомогою ШИМ, яка теж реалізована програмно. Для цього використовуються два
датчики струму R15 і R16. Сигнали, зняті з датчиків струму, через ФНЧ R17С8 і
R18С9 поступають на входи компараторів U3A і U3В. ФНЧ запобігають помилкові
спрацьовування компараторів унаслідок дії перешкод. На другий вхід кожного
компаратора повинна бути подане опорна напруга, яка і визначає піковий струм в
обмотках двигуна. Ця напруга формується мікроконтролером за допомогою
вбудованого таймера, що працює в режимі 8-бітової ШИМ. Для фільтрації сигналу
ШИМ використовується двохланковий ФНЧ R19С10R22С11. Одночасно резистори R19,
R22 і R23 утворюють дільника, який задає масштаб регулювання струмів фаз. В
даному випадку максимальний піковий струм, відповідний коду 255, вибраний 5,11
А, що відповідає напрузі 0,511 В на датчиках струму. Враховуючи той факт, що
постійна складова на виході ШИМ міняється від 0 до 5 В, необхідний коефіцієнт
розподілу рівний приблизно 9,7. Виходи компараторів підключені до входів переривань
мікроконтролера INT0 і INT1 [3].
Для управління роботою двигуна є два
логічні входи: FWD (вперед) і REW (назад), підключених до роз'єму ХР1. При
подачі низького логічного рівня на один з цих входів, двигун починає обертатися
на заданій мінімальній швидкості, поступово розгониться із заданим постійним
прискоренням.
Розгін завершується, коли двигун
досягає заданої робочої швидкості. Якщо подається команда зміни напряму
обертання, двигун з тим же прискоренням гальмується, потім реверсує і знову
розгониться.
Окрім командних входів, є два входи
для кінцевих вимикачів, підключених до роз'єму ХР2. Кінцевий вимикач вважається
тим, що спрацював, якщо на відповідному вході присутній низький логічний
рівень. При цьому обертання в даному напрямі заборонено. При спрацьовуванні
кінцевого вимикача під час обертання двигуна він переходить до гальмування із
заданим прискоренням, а потім зупиняється.
Командні входи і виходи кінцевих
вимикачів захищені від перенапружень ланцюжками R1VD6, R2VD7, R3VD8 і R4VD9, що
складаються з резистора і стабілітрона.
Живлення мікроконтролера формується
за допомогою мікросхеми стабілізатора яка одночасно виконує функції монітора
живлення. При пониженні напруги живлення нижче встановленого порогу ця
мікросхема формує для мікроконтролера сигнал «скидання». Живлення на
стабілізатор подається через діод VD1, який разом з конденсатором С6 зменшує
пульсації, викликані комутаціями щодо могутнього навантаження, яким є кроковий
двигун. Живлення на плату подається через 4 - контактний роз'єм ХР4, контакти
якого задублювали [3].
Недоліком даної схеми керування КД є
великий перелік елементів, що є економічно не вигідним. По-друге, використаня
паралельної роботи польових транзисторів VТ1 - VТ8 - їх 8, хоча можна
використати всього лиш 4, але із більшим струмом З А. Досить громіздкою є
система стабілізації напруги, до того для живлення необхідне вже живлення
постійного струму необхідної напруги.
. РОЗРОБКА СХЕМ ЕЛЕКТРОПРИВОДУ З
КРОКОВИМ ДВИГУНОМ
.1 Розробка варіантів структурної
схеми електропривода та прийняття рішення принципу його побудови
.1.1 Структурна схема по першому
варіанту
Розглянемо найпростішу схему
керування кроковим двигуном без стабілізації струму в обмотках (рис. 3.1). Вона
складається з наступних вузлів: керування; мікроконтролера; транзисторних
силових ключів; стабілізації напруги; живлення; крокового двигуна. Схема працює
наступним чином, за допомогою вузла керування в мікроконтролер подається сигнал
на виконання певної програми, мікроконтролер в залежності від того яка програма
виконується подає певну часову послідовність керуючих сигналів на вузол
транзисторних силових ключів, які в свою чергу в необхідній послідовності
комутують обмотки крокового двигуна. Живлення мікроконтролера здійснюється за
допомогою вузла стабілізації напруги. Недоліком цієї схеми є те, що струм в
обмотках крокового двигуна є нестабільним, що може призвести до нестабільності
роботи на високих швидкостях. До того дана схема не контролює відпрацювання
програми, що може призвести до втрати кроків.
Малюнок 3.1 - Структурна схема
керування кроковим двигуном без стабілізації струму в обмотка
Недоліки, що повязані із
нестабільністю роботи на високих швидкостях усуваються у схемі керування
кроковим двигуном з стабілізацією струму в обмотках (рис. 3.2). Для цього схема
доповнюється компаратором та датчиком струму в обмотках КД, які контролюють і
забеспечують стабілізацію струму в обмотках, що гарантує надійну роботу системи
на високих швидкостях та навантаженнях.
3.1.3 Структурна схема по третьому
варіанту
Схеми (рис. 3.1, 3.2) не забеспечуть
контролю відпрацювання КД заданої програми. Для цього в схему керування
кроковим двигуном з стабілізацією струму в обмотках, введено датчики зворотного
звязку та схему обробки сигналу (рис 3.3). Ця схема є дещо складніша ніж
попередні так-як в ній для забезпечення зворотного зв'язку необхідний
додатковий пристрій, який вимірює частоту кроків (або частоту обертання) ротора
крокового двигуна. Основною перевагою такої схеми є те, що вона здійснює
контроль за кількістю кроків яку відпрацьовує двигун і порівнює її із заданою.
Завдяки цьому система стає надійнішою, значно зменшується ймовірність втрати
кроків, підвищується стабільність роботи на високих швидкостях.
Недоліком цієї схеми є дещо більша
складність у технічній реалізації, так і створення програмного забеспечення.
.1.4 Структурна схема по четвертому
варіанту
При вивчені та дослідженні крокових
двигунів важливо візуально спостерігати порядок комутації підключення обмоток
КД. Тому доцільно ввести в структуру стенда вузол комутації обмоток.
Таким чином структурна схема стенда
буде мати вигляд представленій на рис.3.4, яка складається із мікроконтролера,
блока живлення та п'яти вузлів: керування; стабілізації напруги; комутації;
індикації швидкості обертання ротора КД; індикації порядку комутації обмоток.
Мікроконтролер працює за програмою,
яку необхідно за допомогою програматора завантажити в пам'ять мікроконтролера
до його установки у прилад. Інформацію про режими роботи двигуна мікроконтролер
виводить на вузол індикації, що представляє собою десяти розрядний індикатор.
.1.5 Висновки
Врахувавши переваги та недоліки всіх
розглянутих варіантів структурних схем, можна констатувати наступне:
схема по першому варіанту є
найпростішою з точки зору її побудови та реалізації, але вона не має необхідних
сервісних функцій;
схема по другому варіанту
відрізняється від попередньою лише наявністю датчика контролю струму обмоток КД
та вузла компараторів, що являється її перевагою;
у схему по третьому варіанту в
порівнянні із попередніми введені вузол датчика кількості кроків КД та вузол
обробки сигналу. Це звичайно надає їй певні переваги, але одночасно ускладнює
її конструктивну реалізацію та підвищує вартість;
особливістю схеми по четвертому
варіанту являється, відносно широкі функціональні можливості та простота, а
також наявність індикації результатів відпрацювання програми КД і індикації
порядку комутації обмоток.
Одже остаточно приймаємо структурну
схему по першому варіанту.
.2 Розробка схеми електричної
принципової електропривода
Вихідними даними для розробки вузлів
є основні параметри крокового двигуна типу ШД - 5 МУЗ.
Технічні характеристики КД наведені
у таблиці 4.1.
3.1 Розробка вузла мікроконтролера
.1.1 Вибір мікроконтролера
Задачу керування електричними
двигунами можна реалізувати на базі універсальних мікропроцесорів або
спеціалізованих мікроконтролерів.
Використання мікроконтролерів є у
даному випадку більш оправданим, оскільки вони містять в собі одночасно пам'ять
(оперативну та постійну), блок обчислення, генератор тактової частоти, а також
такі елементи як вбудовані порти вводу/виводу. Таким чином більш доцільним у
даному випадку є застосування мікроконтролера.
Сучасна електронна промисловість
надає широкий вибір, різних за своїми характеристиками, мікроконтролерів та
мікропроцесорів. Наприклад, 8 - бітні мікроконтролери фірм Intel 8048, 8051, 16
- бітні 80196, 80296, i960, StrongArm, мікропроцесори 8080, 8086, 80x86,
Pentium. Історично, одним з перших та найбільш популярних є мікроконтролери на
базі ядра контролера Intel 8051 (сімейство МСS - 51). Найбільш простими за
функціональністю є 8 - бітні СІSС - процесори. Вони характеризуються низькою
швидкодією, великим розміром програмного коду, і є найбільш поширеним саме
через простоту набору команд [7].
Поряд з даним широкого застосування
отримав мікроконтролер фірми МісгоСhір, що виготовляє велику кількість
високоефективних мікропроцесорів на базі RISC - ядра. Це як прості
мікроконтролери серій РІС12, РІС14, які мають корпус лише на 8 - 16 виводів та
однократно програмовану пам'ять (ОТР RОМ) розміром від 256 до 2048 команд,
тактовою частотою до 8 МГц; так і більш потужніші РІС17, РІС18, що
характеризуються більш великою пам'яттю на 16 - 32 тисяч команд, широко
розгалуженою системою вбудованих багатофункціональних портів, високою тактовою
частотою (до 40 МГц) та ефективністю виконання програмного коду до 1
команда/такт. Більшість мікроконтролерів характеризуються відокремленням
пам'яті даних та команд. Мікроконтролери фірма МісгоСhір не є виключенням.
Однак, вони мають розрядність від 12 до 16 біт на одну команду в залежності від
сімейства, при 8 бітній розрядність пам'яті.
Фірма Аtmel пропонує поряд з
аналогами МСS - 51 (серія АТ89), 8 - бітні RІSС мікроконтролери сімейств АТ90
та АТ91. Окрім цього, сімейства серії АТ89, фірма Аtmel виробляє 8 - бітні RISС
мікроконтролери сімейства АТ90 (АТ90S2222, АТ90S8535 та ін.), а також сімейство
АТmеgа (АТmеgа8, АТmеgа16, АТmеgа163, АТmеgа48 та ін.), сімейство АТ91 Аrm
Тhumb представлені потужними 32 - бітними мікроконтролерами.
Заслуговують на увагу
мікроконтролери на базі ядра МSР430 фірми Texas Instrument. Це ядро дозволяє
виконувати програми із тактовою частотою до 40 МГц, одночасно маючи найнижчий
серед усіх мікроконтролерів струм споживання - 25 мкА.
Мікроконтролери від Аnalog Device є
найбільш популярними процесорами для обробки аналогової інформації (DSР,
(digital signal procesor).
Фірма Моtorola відома своїми
потужними мікроконтролерами серій МС6800 та МС68000. Мікроконтролери сімейства
DSР56001 більш орієнтовані на обробку аналогової інформації.
Виробництвом мікроконтролерів
займаються також фірми - Analog Device, Dallas semiconductor, ISSI, National
Semiconductor,NEС, Рhilips, SGS-Thomson, Siemens, ТDK, ТЕМІС, та ряд інших.
Перевагою сучасних мікроконтролерів
сумісність за живленням, розташуванням виводів, та здатність підтимувати
програмне забезпечення попередніх моделей. Серед вище розглянутих, вимогам
простоти та швидкодії задовольняють мікроконтролери серії АТmegа. Таким чином
для схеми вибираємо 8-ми розрядний АVR мікроконтролер з 2 Кбайт Flash памятю з
внутрисистемного програмування типу АТ90S2313, цокольовка якого приведена на
рис.4.1 [7].
Для побудови вузла мікронотролера
необхідно забезпечити стабільність частоти роботи за допомогою кварцового
резонатора. Автоматичний скид мікроконтролера забезпечується RC - колом. Схема
вузла мікронтролера представлена на рис.3.5.
Малюнок 3.5 - Виводи мікроконролера
АТ90S231
Вибираємо конденсатори СІ типу К10-
17- 16 ємністю 0,1 мкФ , С2 типу К10 - 7В ємністю 4,7 мкФ з номінальною
напругою 16 В, СЗ і С4 типу К50 - 15 ємністю 22 мкФ. Кварцовий резонатор QZ21 з
частотою 4 МГц. Резистор R1 типу С2 - 23 - 0,125 - 62 кОм + 10 % [9].
3.2 Розробка вузла комутації обмоток
КД
Вузол комутації забезпечує
підключення обмоток КД до джерела живлення постійного струму у необхідній
послідовності згідно команд які поступають з вузла МК. Основними вимогами до
розробки вузла комутації є:
висока швидкодія;
гнучкість керування;
низькі втрати потужності в
електронних ключах;
захист схеми керування від силового
кола;
захист схеми від ЕРС самоіндукції
фазних обмоток КД.
В якості перемикаючих елементів
можуть бути електронні ключі на біполярних або польових транзисторах. Для
забезпечення електричних втрат доцільніше використовувати ключі на польових
транзисторах, оскільки вони мають менший опір у відкритому стані ніж ключі ніж
ключі на біполярних транзисторах. Обираємо уніполярний транзистор ІRFZ4N
зарубіжного виробництва. На рис.3.7 показана його внутрішня схема (а), та
зовнішній вигляд (б).
Параметри транзистора ІRFZ44N [8].
логічний рівень - НІ;
напруга пробою стік-витік Vdss = 55
В;
опір стік-витік відкритого
транзистора Rds = 0,024 Ом;
постійний струм стоку, при
температурі 25°С, Id= 41 А;
постійний струм стоку, при температурі
100°С, Іd = 29 А;
максимальний тепловий опір
кристал-корпус R = 1,8 °С/Вт;
максимальна розсіювана потужність Рd
= 10 Вт.
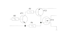
Для забеспечення керування вихідним
ключем застосуємо два транзистори VТ1, VТ2 та резистори R1, R2, RЗ.
Схема вузла комутації представлена
на рис.3.8.
Малюнок 3.8 - Схема вузла комутації
Для вузла комутації вибираємо такі
елементи [6]:
транзистор VТ1 типу КТЗ102А ;
транзистор VТ2 типу КТЗ107А;
резистори R2, RЗ типу С2 - 23 -
0,125 - 12 кОм ± 10 %;
резистор R4 типу С2 - 23 - 0,125 - 2
кОм ± 10 %.
Для забезпечення перемикання обмоток
двигуна необхідно шість аналогічних вузлів комутації.
.3 Розробка вузла керування
Вузол керування мікроконтролера
представляє собою набір із шести кнопок, за допомогою яких можна задавати різні
режими роботи: «Пуск», «Стоп», «Прискорення», «Сповільнення», «300», «Реверс».
.4 Розробка вузлів індикації режимів
роботи та порядку комутації обмоток КД
Для забезпечення індикації режимів
роботи схеми дослідження КД використовуємо десятирозрядний рідкокристалічний
індикатор з вбудованим контролером типу НТ1613, який через резисторні дільники
підєднується до виводів мікроконтролера РDО - РD1 (рис.3.9). Для згладжування
пульсацій напруги живлення індикатора використовується конденсатор С5 типу К10
- 17 - 1б ємністю 47 мкФ 16 В [9].
Малюнок 3.9 - Вузол індикації
режимів роботи КД
Для вузла індикації режимів роботи
КД елементи [9]:
резистори R5, R6 типу С2 - 23 -
0,125 - 10 кОм ± 10 %;
резистор R7 типу С2 - 23 - 0,125 -
12 кОм ± 10 %;
резистори R8, R9, R10 типу С2 - 23 -
0,125 - 4,3 кОм ± 10 %.
Для індикації порядку комутації
обмоток КД використовуємо світлодіоди типу АЛ307Г.
.5 Розробка блока живлення
кроковий електропривід
мікроконтролер
Блок живлення забезпечує подачу
необхідних напруг для живлення обмоток КД та схеми керування.
Отже поставимо необхідні вимоги до
схеми живлення:
постійний струм;
стабільність напруги;
можливість регулювання напруги
живлення;
згладженість пульсацій напруги;
захист від перенавантажень.
Живлення всього блоку буде
забезпечена від мережі змінного струму 220 В. Розрахункова потужність обраного
КД ШД-5 МУЗ :
Блок живлення складається з силового
трансформатора, випрямляча, та стабілізатора напруги. Напруга живлення обмоток
буде поступати з виходу схеми випрямлення. Для живлення кіл схеми керування
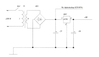
служить вузол стабілізації. Схема блока живлення представлена на рис. 3.10.
Вузол стабілізації напруги
складається із інтегральної мікросхеми стабілізатора DA1 стабілітрона УD2,
транзистора VТЗ.
Вибір елементів блока живлення [9]:
конденсатори:
С6 типу К50 - 35 ємністю 10000 мкФ
напругою 50 В;
С7 - типу К50 - 35 220 мкФ - 25 В;
С8 - типу К50 - 35 220 мкФ - 16 В;
резистори:
R11 типу С2 - 23 - 0,125 - 10 кОм +
10 %;типу С2 - 23 - 0,125 - 1 кОм ± 10 %;
діод VD1типуКВРС1502W;
стабілітрон VD2 типу Д814Д;
світлодіод HL1 типу АЛ307БМ;
транзистор VТ4 типу КТ817Г;
інтегрований стабілізатор напруги
DА1 типу К142ЕН5А.
.6 Принцип дії схеми електричної
принципової
Схема електрична принципова
приведена на креслені та у додатках.
Для обертання вала двигуна необхідно
подавати на його обмотки напругу 18...20
В при сумарному споживаному струмі 7,5 А.
Для комутації обмоток двигуна
служать польові транзистори великої потужності з малим опором відкритого
каналу, опір відкритого каналу складає лише 0,035 Ом (VТ14-VТ19). Це дозволяє
зменшити енергетичні втрати. Формувачем імпульсів змінної шпарності служить
аналогічний польовий транзистор VТ20, увімкнений у загальний ланцюг живлення
обмоток двигуна. Для забезпечення достатньої амплітуди імпульсів на затворах
польових транзисторів, їхні вузли живляться напругою 12 В, яку знімають із
першого ступеня стабілізатора напруги на транзисторі VТ1 і стабілітроні VD2.
Для живлення мікроконтролера DD1
напругою 5 В передбачена друга ступінь - інтегральний стабілізатор DA1.
Інформацію про режим роботи двигуна мікроконтролер виводить на цифровий
десятирозрядний рідинно кристалічний індикатор HG1 з вбудованим контролером
НТ1613.
Для запуску двигуна служить кнопка
SВ1 - для зупинки SВ2. Частоту обертання вибирають із трьох можливих фіксованих
значень натисканнями на кнопки SВЗ й SВ4. Якщо задана частота більше
мінімальної, розгін відбувається із секундними затримками на кожному із
проміжних значень. При натисканні й утриманні кнопки SВ5 вал обертається з
мінімальною частотою (300 об/хв) незалежно від стану інших кнопок і заданої
робочої швидкості. За допомогою кнопки SБ6 змінюють напрямок обертання.
Індикатор приладу відображає умовний номер режиму роботи, напрямок обертання
(символ І_ - проти годинникової стрілки, символ _І - за годинниковою стрілкою)
і значення його частоти (300, 400 або 500).
У вузол керування рекомендується
встановити два вентилятори. Перший повинен обдувати тепловідвід, на якому
укріплені польові транзистори VТ14-VТ20 і діодний міст VD1, а другий - інші
елементи блоку, особливо конденсатори С1 і С9, які сильно нагріваються великим
імпульсним струмом.
. РОЗРАХУНОК ВУЗЛІВ ПРИНЦИПОВОЇ
СХЕМИ ПРИВОДА
.1 Розрахунок потужності споживання
блока керування
Сумарна потужність споживання блоком
керування дорівнює сумі потужностей, що споживаються всіма елементами схеми .
(4.1)
, (4.2)

Потужність споживання мікронтролером
АТ903213 у Вт:
, (4.3)
де Uж - напруга живлення, В;
Ісп - споживаний струм, А.
Потужність споживання індикатором у
Вт:
, (4.4)
де Uж - напруга живлення, В;
Ісп - споживаний струм, А.
Потужність споживання резсторами у
Вт:
, (4.5)
де PR - потужність резистора,Вт;-
кількість, шт.
Потужність що виділяється на
вихідних каскадах ключів у Вт:
(4.6)
де РВК1 - потужність каскадного
ключа,Вт;- кількість елементів,шт.
Потужність що виділяється на
транзисторі VT20 у Вт:
(4.6)
Потужність що виділяється на
транзисторі VT1 у Вт:
(4.7)
Потужність що виділяється на
мікросхемі DA1 у Вт:
(4.8)
Сумарна потужність споживання блоку
керування у Вт:
(4.9)
.2 Розрахунок блока живлення
(Малюнок 4.1)
4.2.1 Розрахунок схеми випрямлення
Вихідні дані:
випрямлена напруга Uно=18В;
випрямлений струм I0 =7,5 А;
напруга мережі U1=220 B;
частота мережі f=50 Гц.
Малюнок 4.1 - Схема вузла живлення
Для вибору типу діодів визначаємо
зворотну напругу у В:
(4.10)
де U0 - випрямлена напруга
;
приймаємо U0=22 B.
Середній струм у А:
, (4.11)
де I0 - випрямлений струм, А.
Вибираємо діодну зборку типу 2Ц414А
для якої [9, с.48]:
Постійна зворотня напруга Uзвр = 50
В;
Середній випрямлений струм Iср = 10
А.
Розрахунок трансформатора Т1
Визначаємо опір трансформатора у Ом:
(4.13)
де U0 - випрямлена напруга,
В;
I0 - струм навантаження, мА.
Напруга U2 на вторинній обмотці
трансформатора у В:
(4.14)
де Ri = 0,25 Ом - опір
діодної зборки.
Струм вторинної I1 і
первинної I2 обмоток трансформатора у А:
(5.15)
(4,16)
Обраховуємо габаритну потужність
трансформатора, яка для двохнапівперіодної схеми визначається виразом у В*А:
(4.17)
де U2 - напруга на вторинній
обмотці трансформатора, В;
I2 - струм первинної обмотки
трансформатора, мА:
Визначивши габаритну потужність
трансформатора, знаходимо додаток площі перерізу осердя трансформатора Qc на
площину вікна осердя Q0. З раніше отриманих розрахунків маємо змогу визначитися
з вибором проводу. При цьому отримуємо:
Розглянувши таблицю, в якій
приведені основні дані типових Ш-подібних пластин, по значеню
вибираємо
для осердя трансформатора пластини типу УШ40
, шириною
середнього стержня осердя а=4 см, висотою вікна h=7,2 см і шириною вікна b=2,6
см. При цьому отримуємо наступне значення:
(4.19)
Необхідна товщина пакета
пластин обраховується за наступною формулою:
(4.20)
де Qc - площі перерізу осердя
трансформатора, см2;
а - ширина середнього стержня
осердя, см.
Визначаємо число витків w і
товщину провідника первинної d і вторинної обмоток трансформатора:
витка; (4.21)
витка; (4.22)
(4.23)
(4.24)
Для первинної обмотки вибираємо
мідні обмотувальні проводи діаметрами d1 = 0,8 мм, для вторинної - d2 =2,12 мм,
марки ПЕВ-2 [9].
.3 Вибір ємнісного фільтра
(4.25)
Так як конденсатор
нагрівається великим імпульсним струмом, то обираємо конденсатор призначений
для роботи при підвищеній температурі (1050 С) і з мінімальним значенням
еквівалентного послідовного опору типу К50-16 ємністю 10000 мкФ напругою 50В
[9].
4.4 Вибір мікросхеми стабілізатора
Вихідні дані:
Вхідна напруга 7,5<UBX<15B;
Вихідна напруга Uвих = (5±0,1) B;
Максимальний пропускний струм Imax =
3 A.
Схема стабілізатора представлена на
рисунку 4.2.
Вибираємо інтегральний стабілізатор напруги
К142УН5А.
Максимальна розсіювана потужність
Pmax = 10 Вт.
Малюнок 4.2 - Схема стабілізатора
Для згладжування пульсацій вибираємо
конденсатори типу К50 - 16СЗ ємністю 220 мкФ і робочою напругою 25 В і С6
ємністю 220 мкФ і робочою напругою 16 В.
ВИСНОВКИ
В результаті виконання курсового
проекту проведений огляд літературних джерел в якому приведені короткі
відомості про крокові двигуни та основні схеми керування ними. На основі
аналізу літературних джерел розробленні варіанти структурних схем та прийнято
обгрунтоване рішення з проектування мікроконтролерного електроприводу та його
структурної схеми.
На основі вибраної структурної схеми
розроблені вузли принципової схеми, предсавлена повна електична приципова схема
електропривода та її принцип дії. Проведенні розрахунки основних вузлів
принципової схеми, розроблена конструкція та основні заходи з технічного
обслуговування та ремонта привода.
Мікроконтролерний електропривод
повністю відповідає вимогам на курсове проектування та проведеним розрахункам.
Електропривод може використовуватися з метою наукових досліджень повязаних з
зняттям характеристик та визначенням параметрів із застосуванням крокових
двигунів, на основі яких можна приймати рішення при можливості застосування в
електропобутовій техніці. Крім того електропривод буде застосовуватися в
навчальному прцесі при виконанні лабораторних робіт з дисциплін «Спеціальні
електричні машини» та «Теорія електропривода» зі спеціальності «Електропобутова
техніка».
ПЕРЕЛІК ПОСИЛАНЬ
1.
Колонтаєвський Ю.П., Сосков А.Г. Промислова електроніка та мікро
схемотехніка:
теорія і практикум. За ред. А.Г. Соскова. - К.: Каравела, 2003.-386с
.
Малинівський С.М. Загальна електротехніка: Підручник. -Львів: видавництво
"Бескид Біт",2003. 640с.
.
Мазель К.Б. Трансформатори злектропитания.- М.: Энергоиздат, 1982.-80с, ил.
.
В.О. Шереметьев, Вартабедян В.А. Електротехніка Київ-1967.
.
Б.С. Гершунський Основы електроники и микроелектроники К.:1987,-4
.
Бочаров Л. Н. и др. Расчет злектронннх устройств на транзисторах / Бочаров Л.
Н., Жеребняков С. К., Колесников И. Ф. - М.: Знергия, 1978. -208 с, ил. -
(массовая радиобиблиотека: Вып. 963).
.
Полупроводниковые прибори: диоды, тиристори, оптоелектронние прибори. Справочник
/А. В. Баюков, А. Б. Гитцевич, Н. А. Зайцев и др.; Под общ. Ред. Н. Н.
Горюнова. - М.: Знергоздат, 1982. - 744 с, ил.
.
Партола О. Н. Радиокомпоненти и материалн: Справочник. - К.: Радиомотор, М.:
КубК - а, 1998. - 720с: ил.
.
Грумбина А. Б. Злектрические машини и источники питання радиозлектронннх
устройств: Учебник для техникумов. - М.; Знергоиздат, 1990. - 368с.