|
УСС
|
Напруга
живлення
|
|
GND
|
Загальний
провід
|
|
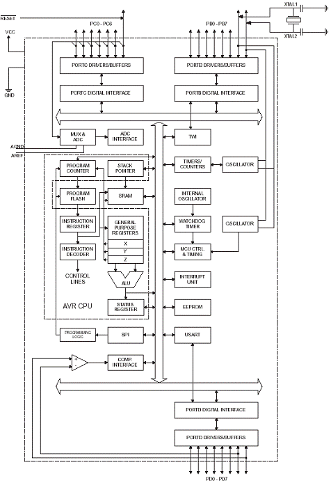
PortА
(РА2. РА0)
|
Порт
А - трьохрозряднийдвонаправлений порт вводу-виводу. Кожна з ліній порта має можливість
підключення внутрішнього навантажувального резистора. Підключення резистора
виробляється програмним шляхом тільки в тому випадку, якщо даний конкретний
вивід знаходиться в режимі вводу. Коли резистор підключений, він створює
вихідний витікаючий струм для зовнішніх пристроїв, які формують низький
логічний рівень. Вихідний буфер кожної лінії порту А має симетричний каскад з
високою навантажувальною здатністю. Після системного скидання всі виводи
порту А переходять в високоімпендантний стан (режим введення без
навантажувального резистора) навіть в тому випадку, якщо системний генератор
не працює. Усі виводи порту А, крім своїх основних функцій, мають також і
альтернативні.
|
|
Port В
(РВ7. РВ0)
|
Порт
В - восьми розрядний двонаправлений порт вводу-виводу. Кожна з ліній порта має
можливість підключення внутрішнього навантажувального резистора. Підключення
відбувається програмним шляхом тільки в тому випадку, якщо даний конкретний
вивід знаходиться в режимі вводу. Коли резистор підключений, він створює
вихідний витікаючий струм для зовнішніх пристроїв, які формують низький
логічний рівень. Вихідний буфер кожної лінії порту А має симетричний каскад з
високою навантажувальною здатністю. Після системного скидання всі виводи
порту В переходять в високоімпендантний стан (режим введення без
навантажувального резистора) навіть в тому випадку, якщо системний генератор
не працює. Усі виводи порту В, крім своїх основних функцій, мають також і
альтернативні.
|
|
PortD
(РО6. РБО)
|
Порт
D - семирозрядний двонаправлений порт вводу-виводу. Кожна з ліній порту має можливість
підключення внутрішнього навантажувального резистора. Підключення резистора
відбувається програмним шляхом тільки в тому випадку, якщо даний конкретний
вивід знаходиться в режимі введення. Коли резистор підключений, він створює
вихідний витікаючий струм для зовнішніх пристроїв, які формують низький
логічний рівень. Вихідний буфер кожної лінії порту А має симетричний каскад з
високою навантажувальною здатністю. Після системного скидання всі висновки
порту D переходять в високоімпендантний стан (режим вводу без
навантажувального резистора) навіть в тому випадку, якщо системний генератор
не працює. Усі виводи порту D, крім своїх основних функцій, мають також і
альтернативні.
|
|
RESET
|
Вхід
скидання. Низький
рівень на цьому вході з тривалістю не менше мінімально допустимого значення
призведе до повного скидання мікроконтролера навіть в тому випадку, коли не
працює тактовий генератор. Мінімально допустимі значення для сигналів
скидання наведені в табл.1.15. Більш короткий імпульс не гарантує нормального
скидання. Вхід скидання має альтернативні функції лінії РА2 і лінії dW.
|
|
ХТАL1
|
Інвертуючий
вхід для кварцового резонатора, вхід зовнішнього генератора. Вхід ХТАL1 має альтернативну
функцію. Він може використовуватися як лінія РА0.
|
|
ХТАL2
|
Вихід
на зовнішній резонатор. Вивід ХТАL2маєальтернативнуфункцію. Вінможевикористовуватися як
лінія РА1.
|
Отже, цифровий пристрій являє собою
мікропроцесорний програмований пристрій, що володіє наступними особливостями:
·
Поширений мікроконтроллер ATmega8.
·
Три незалежних виконавчих канали. (Два канали таймери, один канал
термостат)
·
Незалежні тимчасові інтервали таймерів для кожного каналу.
·
Кожен канал таймера, має по три настроюваних періоду включення -
виключення, для виконавчих пристроїв.
·
Режим роботи таймера, добовий з 00: 00. до 23: 59.
·
Точність програмованих таймерів від 1 хвилини. Загальною
складністю для кожного каналу, від 1 хвилини до 24 годин.
·
Повне управління таймером за допомогою 4-х кнопок.
·
Управління від зовнішнього датчика (Виносний фотодатчик.)
·
Спільна або незалежна робота каналів таймера і фотодатчика.
·
ЖК графічний дисплей.
·
Російськомовний інтерфейс.
·
Індикація стану каналів таймера на дисплей.
·
Функція загального скидання з користувацького меню.
Термостат (DS18b20):
·
Діапазон вимірюваної температури - 55° C +125° C
·
Точність показань 0.1° C
·
Регульований (настроюється) діапазон температури від +20° C до
+30° C
·
Регульований (настроюється) гістерезис від 0 до 9,9° C
·
Управління від зовнішнього датчика (ВКЛ. - ВИКЛ.)
Годинник реального часу (DS1307):
·
Містить у собі годинник, календар.
·
Точність установки, 1 сек.
·
Резерв ходу годинника з запасом ходу до 10 років при відсутності
зовнішнього живлення.
·
Програмна коригування похибки ходу годинника.
Таймер не боїться перебоїв в електроживленні і
може керувати практично будь навантаженням, включаючи і енергозберігаючі лампи
будь-якого типу (так як на його виході використовуємо реле, фізично вони діють
як звичайний механічний вимикач).
Є можливість використання управління кожного
каналу з прив'язкою від зовнішнього датчика, якщо це фотодатчик, до періоду
день-ніч, відповідно викл. освітлювальних приладів вдень, і включення
освітлення (якщо цей період поставлено користувачем), в сутінки і вночі.
В якості датчика може використовуватися
фоторезистор або фототранзистор. Вибір використання опції управління від
зовнішнього датчика, проводиться за бажанням користувача з користувальницького
меню, для кожного каналу окремо.
Ця опція, управління від зовнішнього датчика,
надає користувачеві, використання цього пристрою в різних варіантах комбінацій
застосування. Наприклад: застосування цього додаткового управління, спочатку
передбачалося для використання в зовнішньому освітленні, але використовуючи
комбінації вхід - таймер, термостат - вихід, термостат - таймер, вхід -
термостат, вихід - таймер, можна придумати в різних варіантах застосування
цього пристрою.
Установка періодів включення
Відрізок часу установки активності діапазону на
включення, з 00: 00. до 23: 59. У зв'язку з тим, щоб не було проміжку
невключення виконавчого пристрою з 23: 59. до 00: 00., час таймер рахує так,
тут на це потрібно звернути увагу.
з 00: 01. до 00: 01. дорівнює 1 хвилині,
або з 00: 00. до 00: 01. дорівнює 2-м хвилинах.
Або з 00: 00. до 23: 59. Складає рівно 24 години.
Якщо потрібно, щоб період був неактивний, час
потрібно виставляти так включення 00: 01. вимкнення 00: 00. При неактивності
періоду каналу, різниця повинна бути, мінус одна хвилина мінімум.
Поточний стан навантаження показується в режимі
основного екрану графічними символами 1 і 2, відповідні номерам каналів
таймера.
Стан функції день - ніч відображається в режимі
основного екрану, такими собі графічними символами сонця і місяця. Всі дані
налаштувань, періодів включення - виключення, автоматично зберігаються в
незалежній пам'яті МК.
Натискання кнопки + ^ призведе всі налаштування
значення каналів за замовчуванням 00: 01.00: 00., Якщо раніше було встановлено
коригування секунд, також стане в ± 0. Всі дії і параметри установок
відображаються на ЖКД. Всі написи меню російською мовою.
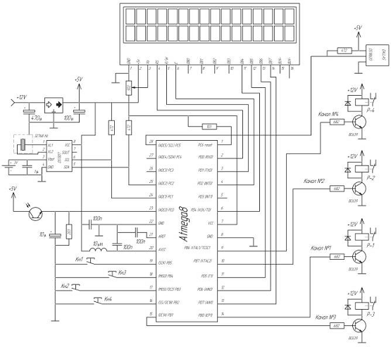
Рис.2.4 Електрична схема пристрою керування.
Основні компоненти схеми:
– ЖКД 16х2 на базі контролера HD44780
– Мікроконтролер ATmega8
– Спеціалізована годинна мікросхема DS1307
(веде підрахунок реального часу в секундах, хвилини, години, дні, місяць і рік
аж до 2100 р.)
– Кварц 32768 Гц
– Батарейка 3V
– Танталовий конденсатор
– Цифровий датчик температури DS18b20.
Реле для виконавчих пристроїв на 12V
2.3
Розрахунок та характеристика первинних засобів автоматизації
Основні функції, виконувані подібними системами,
- контроль і керування, обмін даними, обробка, нагромадження й зберігання
інформації, формування сигналів тривог, побудова графіків і звітів.
Автоматизована система керування технологічними
процесами - сукупність апаратно-програмних засобів (SCADA - система, датчики,
виконавчі механізми, контролери, операційна система реального часу, пульти
оператора), що здійснюють контроль і керування виробничими й технологічними
процесами; підтримуючи зворотний зв'язок і активно впливаючи на хід процесу при
відхиленні його від заданих параметрів; забезпечуючи регулювання й оптимізацію
керованого процесу.- система диспетчерського керування й збору даних.
Спеціальне програмне забезпечення, що вирішує завдання введення-виведення
інформації в системі АСК ТП, відстеження аварійних і передаварійних ситуацій,
обробка й виведення на пульт оператора графічної інформації про процес,
підтримування звітів про виконання технологічного процесу. У світі існують
десятки типів подібних систем.
Датчик - пристрій, що перетворить фізичні
параметри технологічного процесу в електричні сигнали, що надходять надалі на
контролер.
Виконавчий механізм - пристрій, що перетворить
електричні сигнали у фізичні впливи, які здійснюють керування параметрами
технологічного процесу в автоматичному або ручному режимі.
Контролер - пристрій, призначений для одержання в
реальному часі інформації з датчиків, перетворення її й обміну з іншими
компонентами системи автоматизації (комп'ютер оператора, монітор, база даних
тощо), а також для керування виконавчими механізмами.
ОСРЧ - операційна система реального часу. Такі
системи забезпечують гарантований час доступу до комп'ютерних ресурсів, і
реагують на незаплановані зовнішні події і підтримують скороминучі (мілі - і
мікросекунди) технологічні процеси.
Пульт оператора (автоматизоване робоче місце
оператора, АРМ) - спеціально обладнане місце для обслуговуючого персоналу, куди
надходить уся інформація про технологічний процес. У низці випадків оператор
може втрутитися в хід процесу й перевести його на ручне керування.
Впровадження АСК ТП широко поширюються в різних
секторах вітчизняної економіки - нафтовій й газовій промисловості, хімії й
нафтохімії, металургії, енергетиці. Останнім часом АСК ТП починають проникати в
такі сфери, як керування дорожнім рухом, медицина, машинобудування, ЖКГ.
Окремий напрям їхнього застосування становить військова й космічна техніка, де
системи автоматизації використовують як убудовані засоби контролю й керування.
Системи промислової автоматизації одержали широке
поширення на західному ринку в середині 70 років, коли комп'ютерні технології
вийшли на рівень, що зробив виправданим їхнє масове використання у виробництві.
Формування сектора АСК ТП у нашій країні почалося
наприкінці 80-х - початку 90-х років, коли спеціалізовані проектні інститути,
що вивчають питання автоматизації технологічних процесів у рамках однієї
галузі, не змогли оперативно й ефективно інтегруватися в умови нової економіки.
Їхнє місце стали займати комерційні організації, що спеціалізуються в галузі
автоматизації технологічних процесів у широкому спектрі завдань. Нині ринок АСК
ТП можна вважати цілком сформованою структурою, лідерами якого є великі
компанії, що виконують комплексні проекти "під ключ", незалежно від
галузі автоматизовуваного підприємства. Дрібніші компаній, в основному,
постачають комплектуючі і виконують невеликі проекти.
В останні роки намітилася виражена тенденція до
інтеграції систем категорій АСК ТП і АСКВ ("автоматизована система
керування виробництвом"). При цьому комплексна система автоматизації є
трирівневою пірамідою керування промисловим підприємством.
Будь-який сигнал може виступати вхідним або
вихідним параметром системи або об’єкта керування, який являється результатом
роботи оператора. В технології автоматичного управління (ТАУ) та цифровій
обробці сигналів (ЦОС), при ідентифікації та моделюванні завжди постає задача
побудови та дослідження передаточної функції, яка являється його динамічною
характеристикою.
Отже розглянемо, в першу чергу, саме поняття
сигналу, його види та методи обробки.
Сигнал (в теорії інформації і
зв'язку) - матеріальний носій інформації, який використовується для передачі
повідомлень за системою зв'язку. Сигнал, на відміну від повідомлення, може
генеруватися, але його прийом не обов'язковий (повідомлення має бути прийняте
приймаючою стороною, інакше воно не є повідомленням, а всього лише сигналом).
Сигналом може бути будь-який фізичний процес,
параметри якого змінюються відповідно до переданим повідомленням. На практиці
найчастіше використовуються електричні сигнали. При цьому носієм інформації є
змінюються в часі струм або напруга в електричному ланцюзі. Електричні сигнали
легше обробляти, ніж інші, вони сумісні із широко поширеними електронними
пристроями.
Сигнал, детермінований або випадковий, описують
математичної моделлю, функцією, що характеризує зміна параметрів сигналу.
Математична модель подання сигналу, як функції часу, є основною концепцією
теоретичної радіотехніки та теорії автоматичного керування, що виявилася
важливою, як для аналізу, так і для синтезу радіотехнічних пристроїв і систем
автоматичного керування. У радіотехніці альтернативою сигналу, який несе
корисну інформацію, є шум - зазвичай випадкова функція часу, взаємодіє
(наприклад, шляхом додавання) з сигналом і спотворює його. Основним завданням
теоретичної радіотехніки та ЦОС є отримання корисної інформації з сигналу з
обов'язковим урахуванням шуму.
Класифікація сигналів.
За фізичної природи носія інформації, сигнали
поділяються:
·
електричні,
·
електромагнітні,
·
оптичні,
·
акустичні
·
та ін.;
Аналоговий сигнал (АС). Більшість сигналів мають аналогову
природу, тобто безперервно змінюються в часі і можуть приймати будь-які
значення на деякому інтервалі. Аналогові сигнали описуються деякою математичною
функцією часу. Приклад АС - гармонійний сигнал -
. Аналогові сигнали використовуються в
телефонії, радіомовлення, телебачення. Ввести такий сигнал в комп'ютер і
обробити його неможливо, тому що на будь-якому інтервалі часу він має
нескінченну безліч значень, а для точного (без похибки) представлення його
значення потрібні числа нескінченної розрядності. Тому необхідно перетворити аналоговий
сигнал так, щоб можна було уявити його послідовністю чисел заданої розрядності.
Дискретний сигнал. Дискретизація аналогового сигналу
полягає в тому, що сигнал представляється у вигляді послідовності значень,
узятих в дискретні моменти часу. Ці значення відліку Δt називаються - інтервалом дискретизації.
Квантований сигнал. При квантуванні вся область
значень сигналу розбивається на рівні, кількість яких повинна бути подана в
числах заданої розрядності. Відстані між цими рівнями називаються - кроком
квантування Δ.
Число цих рівнів N (від 0 до N-1). Кожному рівню присвоюється
деяке число. Відлік сигналу порівнюються з рівнями квантування і в якості
сигналу вибирається число, відповідне деякому рівню квантування. Кожен рівень
квантування кодується двійковим числом з n розрядами. Число рівнів
квантування N і число розрядів n двійкових чисел, що кодують ці
рівні, пов'язані співвідношенням n ≥ log 2 (N).
Цифровий сигнал. Для того щоб представити
аналоговий сигнал послідовністю чисел кінцевої розрядності, його слід спочатку
перетворити в дискретний сигнал, а потім піддати квантування. У результаті
сигнал буде представлений таким чином, що на кожному заданому проміжку часу
відомо наближене (квантування) значення сигналу, яке можна записати цілим
числом. Якщо записати ці цілі числа в двійковій системі, вийде послідовність
нулів та одиниць, що і буде цифровим сигналом.
Тепер детальніше розглянемо дискретні
сигнали.
Уся множина точок містить у собі нескінченну кількість
інформації, тому вона часто є малопридатна для сприйняття, аналізу та
ефективного оброблення і потребує стиску первинної інформації без суттєвої
втрати корисної інформації.
іншого боку, неідеальність та нестабільність характеристик
апаратури та ліній зв'язку (середовища), у яких поширюється аналоговий сигнал,
завжди супроводжується спотворенням його форми та втратою корисної інформації.
Зменшення спотворень та часткове усунення вказаних втрат
можна досягти перетворенням неперервного сигналу в дискретний у часі або на
множині значень, що еквівалентно представленню його скінченою множиною точок.
Таке перетворення сигналу полегшує зберігання та оброблення
інформації, дає змогу збільшувати кількість сигналів, які поширюються по одному
й тому ж каналу зв'язку (ущільнювати канали зв'язку), проводити стискання
первинної інформації тощо.
У простішому випадку сигнал можна описати множиною його
миттєвих значень
у фіксовані моменти часу
(рис.2.1а). Такий процес перетворення
аналогового сигналу називають дискретизацією, а миттєві значення
дискретизованого сигналу - відліками.
На рис.2.1а відліки позначені вертикальними стрілками,
висота яких відповідає значенням
відліків дискретизованого сигналу
.
Заміна неперервної множини миттєвих значень сигналу
множиною дискретних значень
називають квантуванням (рис.2.1б). З рисунка
бачимо, що при квантуванні аналоговий сигнал змінюється меншим (або більшим)
найближчим дискретним значенням
з деякою похибкою, яку можна допустити.
Віддаль між рівнями квантування називають інтервалом
квантування.
Часто аналоговий сигнал одночасно дискретизують у часі і
квантують за рівнем (рис.2.1в). Таке перетворення сигналу забезпечують
спеціальні пристрої - аналого-цифрові перетворювачі (АЦП). У цьому випадку
перетворенний сигнал називають цифровим.
Рис. 2.5 Способи перетворення аналогового сигналу у
дискретизований (а), квантований (б) та цифровий (в)
Можливість заміни аналогового сигналу дискретним та вибір
способу такого перетворення залежить від спектрального складу або швидкості
зміни в часі первинного аналогового сигналу, а також можливої похибки
перетворення первинного сигналу у дискретний.
Розглянемо ці питання детальніше.
Квантування неперервних сигналів за рівнем
Квантування сигналів за рівнем широко використовують у
пристроях цифрового оброблення інформації, інформаційно-вимірювальних системах,
системах автоматичного керування тощо.
При квантуванні сигналу за рівнем неперервна множина
значень сигналу
замінюється множиною дискретних значень.
Маючи це на меті, у діапазоні неперервних значень сигналу
вибирають скінченну кількість дискретних
значень (дискретних рівнів) і в кожен момент часу значення сигналу
замінюється найближчим дискретним
значенням. Отже, унаслідок квантування неперервний аналоговий сигнал
замінюється ступінчастою функцією
. На практиці квантування здійснюється заміною значення сигналу
найближчим меншим дискретним значенням,
як показано на рис.2.6а.
Рис.2.6 (а) - заміна неперервного сигналу
ступінчастою функцією
із найближчим меншим значенням; (б) -
характер зміни похибки квантування
Відстань
між сусідніми дискретними рівнями називають кроком квантування
або інтервалом квантування.
Якщо крок квантування незмінний, то квантування називають
рівномірним. Рівномірне квантування найпоширеніше, тому що воно технічно
реалізується достатньо просто. Оскільки при квантуванні миттєве значення
сигналу замінюється найближчим дискретним значенням, то при цьому появляється
методична похибка, яку прийнято називати шумом квантування. Очевидно, що
похибка квантування має випадковий характер і її абсолютне значення у будь-який
момент часу дорівнює різниці між квантованим значенням
та миттєвим значенням сигналу
:
. (2.1)
рис.2б показано характер зміни абсолютного значення похибки
квантування при заміні дійсного миттєвого значення сигналу найближчим меншим дискретним
значенням, звідки видно, що за такого способу квантування абсолютна похибка
завжди від'ємна і лежить у межах
.
Наявність методичної похибки означає, що суттєвою
відмінністю процесу квантування за рівнем від дискретизації у часі є те, що
після реалізації процесу квантування неперервний сигнал не можна відновити з
похибкою, меншою за половину інтервалу квантування.
Закон розподілу похибки квантування як випадкової величини
залежить від закону розподілу миттєвих значень сигналу
. Приймемо, що при достатньо великій
кількості рівнів квантування похибка квантування підлягає рівномірному законові
розподілу ймовірностей, одновимірна густина розподілу якого зображена на
рис.2.7.
Рис.2.7 Одновимірна густина розподілу ймовірностей
похибки квантування
Отже, згідно з рис.2.7 можна записати:

(2.2)
Математичне сподівання похибки квантування (момент першого
порядку):
. (2.3)
Дисперсія похибки квантування (момент другого порядку):
. (2.4)
Середня квадратична похибка квантування:
. (2.5)
Як випливає з (2.5), середня квадратична похибка
квантування зменшується із зменшенням інтервалу дискретизації, тобто із
збільшенням кількості рівнів квантування. Треба відзначити, що можливий інший
спосіб квантування неперервного сигналу за рівнем, згідно з яким миттєве
значення сигналу
замінюється найближчим меншим або більшим
дискретним значенням - залежно від того, котре з них ближче до миттєвого
значення, як показано на рисунку 2.8а. Характер зміни похибки для цього способу
квантування зображено на рисунку 1.4б. Як видно з рис.2.8б, похибка квантування
змінюється у межах від
до
. Прийнявши, що закон розподілу ймовірностей цієї похибки теж є
рівномірний, знаходимо, що її математичне очікування
, дисперсія
, середня квадратична похибка, як і в
попередньому випадку, дорівнює
.
Рис.2.8 (а) - заміна неперервного сигналу
ступінчастою функцією
із найближчим значенням (меншим або
більшим); (б) - характер зміни похибки квантування
Якщо інтервал дискретизації не є постійним, то квантування
називають нерівномірним. Нерівномірне квантування застосовують тоді, коли
відомо, що ймовірність розподілу миттєвих значень сигналу по шкалі рівнів
неоднакова. При цьому ті значення сигналу
, ймовірність появи яких велика, передаються з меншою похибкою
квантування, а малоймовірні значення з більшою похибкою.
Отже, унаслідок нерівномірного квантування зменшується
дисперсія похибки квантування.
Основні поняття про інформаційні моделі
сигналів
Основним завданням радіоелектронних систем та пристроїв є
передавання, приймання, перетворення та зберігання інформації, яка подана у
вигляді електричних сигналів. Зрозуміло, що при цьому одним із найважливіших
питань є питання про кількісну міру переданої інформації або про інформаційні
моделі сигналів.
Раніше було сказано, що сигнал, прийнятий на приймальному
пункті, несе нову інформацію для кореспондента лише в тому разі, коли є
невизначеність щодо стану джерела інформації, тобто коли кореспондент не знає
точно про конкретний стан джерела інформації. Тому питання про кількість
прийнятої інформації безпосередньо пов'язане з мірою невизначеності щодо
переданого повідомлення.
Наприклад, якщо при багаторазовому прийманні сигналу від
конкретного джерела отримуємо однаковий результат (тобто невизначеність
відсутня), то кореспондент (спостерігач) знатиме наперед результат такого
досліду і не отримає ніякої нової інформації.
Якщо ж під час приймання сигналу можливі два різні
рівноймовірні результати, то в цьому разі кореспондент кожен раз може отримати
результат, який йому заздалегідь невідомий, тобто сигнал містить певну
інформацію. Очевидно, що чим більше різних рівноймовірних значень можна
отримати під час приймання сигналу, тим більшу кількість інформації містить цей
сигнал.
Розглянемо більш загальний випадок, коли джерело інформації
може передавати незалежні й несумісні повідомлення 
з імовірностями, які дорівнюють відповідно
. Очевидно, що чим менша апріорна
ймовірність появи конкретного повідомлення, тим більшу кількість інформації
воно несе. Отже, звідси випливає, що за кількісну міру інформації, яку несе
конкретне повідомлення
, доцільно прийняти величину, обернену
апріорній імовірності появи цього повідомлення, тобто
.практиці прийнято зручнішу логарифмічну
міру кількості інформації, яка міститься у повідомленні
:
. (2.6)
Із (6) бачимо, що при значенні ймовірності появи
повідомлення
, яке дорівнює одиниці, кількість
інформації, що її несе це повідомлення, дорівнює нулеві. Вираз (2.6) одночасно
характеризує також апріорну невизначеність повідомлення
, і тому його можемо використати і для
кількісної оцінки невизначеності, яку називають частинною ентропією:
. (2.7)
Зауважимо, що термін "ентропія" у термодинаміці
характеризує середню невизначеність стану системи молекул речовини. Залежно від
вибору основи логарифму а у виразах (2.6) та (2.7) отримуємо різні одиниці
вимірювання кількості інформації та ентропії. Так, при використанні десяткових
логарифмів (a = 10) кількість інформації та ентропії визначають у дітах, при
використанні двійкових логарифмів (a = 2) - у бітах, а при використанні
натуральних логарифмів (а = е = 2,718281828) - у нітах. Оскільки пристрої
цифрового оброблення інформації та електронно-обчислювальні машини використовують
двійкову систему числення, то найпоширенішими є двійкові одиниці вимірювання
кількості інформації - біти. Середню (на одне повідомлення) кількість
інформації та ентропії для усієї сукупності {x} випадкових повідомлень
, апріорні ймовірності появи яких
відповідно дорівнюють
, можемо визначити за формулою:
(2.8)
. (2.9)
Зауважимо, що не зважаючи на збіг виразів (2.8) та (2.9),
кількість інформації
та ентропія
принципово відрізняються між собою.
Так, ентропія є об’єктивною характеристикою джерела
повідомлення, і вона може бути апріорно розрахована (тобто до отримання
повідомлення), якщо відомі статистичні характеристики повідомлень.
Характеристика
є апріорна, тобто така, яка визначає кількість інформації,
отриманої під час прийняття повідомлень.
Іншими словами, ентропія
- це міра нестачі інформації про стан джерела повідомлень.
Очевидно, що у процесі надходження повідомлень про стан джерела його ентропія
зменшується.
Із (2.9) випливає, що у разі, коли
повідомлень є рівноймовірними (тобто
ймовірність появи кожного повідомлення дорівнює
), то середня кількість інформації, яку несе одне повідомлення,
дорівнює:
. (2.10)
Наприклад, якщо користуватися алфавітом, що складається з
32 букв, і посилати рівномірні повідомлення з п’яти літер, то загальна
кількість п’ятилітерних повідомлень дорівнює кількості розміщень із 32 по 5,
тобто
.
Отже, одне повідомлення несе в середньому
біт інформації.
Із викладеного раніше зрозуміло, що формула (2.10) описує
ентропію дискретних повідомлень. Аналіз показує, що ентропія дискретних
повідомлень має такі основні властивості:
. Оскільки ймовірності появи окремих повідомлень
є невід’ємними і лежать у проміжку
, то ентропія є величина дійсна, додатна і
обмежена.
. Ентропія детермінованих повідомлень дорівнює
нулеві.
. Ентропія
рівномірних повідомлень максимальна і дорівнює
, причому вона зростає з ростом кількості
повідомлень.
. Якщо два повідомлення є альтернативними, тобто
вони мають властивість:
, то ентропія може змінюватися у межах від
нуля до одиниці (у двійкових одиницях).
Справді, у цьому випадку ентропія дорівнює:
. (2.11)
Із (11) випливає, що ентропія дорівнює нулеві за умов:
а)
,
;б)
,
. (2.12)
Якщо обидва повідомлення є рівномірними (тобто
), то ентропія набирає максимального
значення, яке дорівнює одиниці:
біт.
Неперервне повідомлення можемо розглядати як випадкову
величину, котра характеризується одновимірною густиною розподілу ймовірності
(рис.2.5).
Замінимо функцію
ступінчастою (рис.2.9) так, щоб усередині кожної ділянки
дотримувалася умова:
. (2.13)
Рис. 2.9 Одновимірна густина розподілу ймовірностей
неперервного повідомлення
Вираз (2.13) описує ймовірність
потрапляння випадкової величини
в інтервал
при зміні неперервного повідомлення дискретним. Очевидно, що така
заміна буде точніша, чим меншими будуть інтервали
.
Ентропія отриманого дискретного повідомлення, згідно з (11),
визначена у двійкових одиницях, дорівнює:
. (2.14)
Для визначення ентропії неперервного повідомлення здійснимо
граничний перехід при
:
. (2.15)
У (2.15) враховано, що
.
З виразу (2.15) видно, що ентропія неперервного
повідомлення має дві складові, першу з яких визначає закон розподілу
ймовірностей повідомлення, а друга прямує до нескінченності при
. Проте в реальних умовах відлік
повідомлень на приймальному пункті ведеться у дискретних точках, тому що
апаратура має скінченну роздільну здатність та скінченну точність, а інтервал
має скінченну величину. Це означає, що
друга складова у (15) є постійною величиною і не розглядається.
Отже, ентропію неперервного повідомлення визначає перша
складова (2.15), яку називають диференціальною ентропією.
. (2.16)
Зауважимо, що якщо величина
є безрозмірна, то диференціальну ентропію можна визначити у
двійкових одиницях - бітах. Ha відміну від ентропії дискретних повідомлень
величина
залежить від масштабу x, тобто від вибору
одиниць вимірювання. Зокрема,
може приймати від’ємні значення. Тому диференціальна ентропія,
узята окремо, не може служити абсолютною мірою невизначеності неперервного
повідомлення.
2.4
Розробка програми керування пристроєм
Для виконання даного проекту було обрано
програмний компілятор CodeVision на базі мікроконтролерів фірми AVR.- це
крос-компілятор Сі, інтегроване середовище розробки (IDE - інтегроване
середовище розробки) і автоматичний генератор програм (CodeWizardAVR),
розроблені для сімейства AVR-мікроконтролерів фірми Atmel. Програма є
32-бітовим додатком, що працює під операційними системами Windows 95, 98, NT 4,
2000 і ХР.забезпечує виконання майже всіх елементів мови Сі, які дозволені
архітектурою AVR, з деякими доданими характеристиками, які реалізують перевагу
специфіки архітектури AVR. IDE має програмне забезпечення вбудованого
внутрішньосхемного програматора чіпів AVR, який дозволяє автоматично передавати
програми в мікроконтролерний чіп після успішної компіляції. CodeVisionAVR також
містить автоматичний генератор програм - CodeWïzardAVR, який дозволяє
написати за кілька хвилин весь код. Програма керування пристроєм на мові
програмування Сi матиме наступний вигляд:
#include <Atmega8. h>main (void)
{
// Crystal Oscillator division factor: 1
#ifdef _OPTIMIZE_SIZE_
#pragma optsize+
#endif
// Input/Output Ports initialization
// Port A initialization
// Func2=In Func1=In Func0=In
// State2=T State1=T
State0=T=0x00;=0x00;_humidity (void) {_value;_value;m = 0.147929
// Port B initialization
// Func7=In Func6=In Func5=In Func4=In Func3=In
Func2=In Func1=In Func0=In
// State7=T State6=T State5=T State4=T State3=T
State2=T State1=T State0=T=0x00;=0x00;
// Port D initialization
// Func6=In Func5=In Func4=In Func3=In Func2=In
Func1=In Func0=In
// State6=T State5=T State4=T State3=T State2=T
State1=T State0=T=0x00;=0x00;
// Timer/Counter 0 initialization
// Clock source: System Clock
// Clock value: Timer 0 Stopped
// Mode: Normal top=FFh
// OC0A output: Disconnected
// OC0B output:
DisconnectedA=0x00;B=0x00;=0x00;A=0x00;B=0x00;
// Timer/Counter 1 initialization
// Clock source: System Clock
// Clock value: Timer1 Stopped
// Mode: Normal top=FFFFh
// OC1A output: Discon.
// OC1B output: Discon.
// Noise Canceler: Off
// Input Capture on Falling Edge
// Timer1 Overflow Interrupt: Off
// Input Capture Interrupt: Off
// Compare A Match Interrupt: Off
// Compare B Match Interrupt:
OffA=0x00;B=0x00;H=0x00;L=0x00;AH=0x00;AL=0x00;BH=0x00;BL=0x00;
// External Interrupt (s) initialization
// INT0: Off
// INT1: Off
// Interrupt on any change on pins PCINT0-7:
Off=0x00;=0x00;
// Timer (s) /Counter (s) Interrupt (s)
initialization=0x00;
// Mode: Disabled
// Clock source: Register & Counter=no clk.
// USI Counter Overflow Interrupt: Off=0x00;
// Analog Comparator initialization
// Analog Comparator: Off
// Analog Comparator Input Capture by
Timer/Counter 1: Off=0x80;(1)
{(PORTB.0==1); do (PORTB.3=0)(PORTB.0==1)
{delay_ms (200);.1=1; PORTB.2=1; PORTB.3=1;
PORTB.4=1;_ms (200);.4=1; PORTB.5=1; PORTB.6=1;_ms (200); }PORTB.1=0;
PORTB.2=0; PORTB.3=0; PORTB.4=0;_ms (200);.7=1; PORTB.8=1;_ms (200);.8=1;_ms
(200);.7=1;_ms (200);.6=1;_ms (200);.5=1;_ms (200);.1=1; PORTB.2=1; PORTB.3=1;
PORTB.4=1;_ms (200); };
}
2.5
Моделювання, функціонування розробленого пристрою засобами схемних симуляторів
Навіть тоді, коли є в наявності повністю готова і
розрахована електрична схема плати, перед тим як приступати до її виготовлення
бажано перевірити її на помилки. Щоб запобігти марній витраті матеріалів і
деталей сучасне програмне забезпечення дозволяє створити віртуальну модель
схеми мікроконтролера.
Для створення проекту даної плати було обрано
PROTEUS VSM - пакет програм для автоматизованого проектування (САПР)
електронних схем, компанії LabcenterElectronics (Великобританія).
Пакет являє собою систему схемотехнічного
моделювання, що базується на основі моделей електронних компонентів прийнятих в
PSpice. Відмінною рисою пакета PROTEUS VSM є можливість моделювання роботи
програмованих пристроїв: мікроконтролерів, мікропроцесорів, DSP і інш.
Бібліотека компонентів містить довідкові дані. Додатково в пакет PROTEUS VSM
входить система проектування друкованих плат. Пакет Proteus складається з двох
частин, двох підпрограм: ISIS - програма синтезу та моделювання безпосередньо
електронних схем і ARES - програма розробки друкованих плат. Разом з програмою
встановлюється набір демонстраційних проектів для ознайомлення.
Пакет є комерційним. Безкоштовна ознайомча версія
характеризується повною функціональністю, але не має можливості збереження
файлів.
Примітною особливістю є те, що в ARES можна
побачити 3D-модель друкованої плати, що дозволяє розробнику оцінити свій
пристрій ще на стадії розробки.
Даний проект, був виконаний в середовищі Proteus,
згідно зі схемою. При встановленні різних значень на датчиках температури і
вологості контролер виводив відповідні значення і слав сигнали на відповідні
виконавчі механізми, реагуючи на зміну параметрів. Оскільки в Proteus неможливо
створити виконавчий механізм, замість, нього було встановлено індикатор
сигналу. Коли на порт PD3 вивелась напруга індикатор засвітився, на виконавчий
механізм подається сигнал.
Рис.2.11. Модель схеми керування в
PROTEUS.
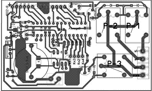
Рис.2.12. Схема друкованої плати пристрою
3.
Конструктивна частина
3.1
Технологія виготовлення друкованої плати
Для виконання мікросхеми найбільш доступною і
надійною є лазерно-прасувальна технологія (ЛУТ) виготовлення друкованих плат.
Вона вирізняється простотою та не вимагає багато часу і матеріалів.
Лазерно-прасувальна технологія включає в себе 7 етапів:
Етап 1: Креслимо рисунок плати. Це робиться в
спеціальному векторному графічному редакторі ARES, програмі системи PROTEUS.
Програма будує рисунок автоматично на основі попередньо побудованої в PROTEUSі
схеми.
Етап 2: Зі склотекстоліту вирізається заготовка
плати з припуском не менше 5 мм. Потім сторону, на якій будуть провідники,
ретельно зачищаємо, поки вся поверхня не покриється дрібними подряпинами,
придбавши золотистий колір не окисленої міді. Після цього знежирюємо всю
поверхню спиртом і даємо останньому повністю випаруватися. Самі ж в цей час
переходимо до наступного кроку.
Етап 3. На лазерному принтері друкується малюнок
доріжок на дуже тонкому крейдованому папері. При друку залишаємо краю приблизно
в половину відповідного розміру плати (зліва і справа - половину ширини, зверху
і знизу - висоти).
Етап 4. Отриману роздруківку кладемо на стіл
зображенням вгору. Готуємо смужки скотчу шириною сантиметр-два і довжиною в
залежності від розмірів плати. Накладаємо заготівлю плати на папір
підготовленою стороною до зображення і загортаємо краї паперу, фіксуючи папір
приготованими смужками скотчу. Папір повинен бути злегка натягнутий, щоб плата
не могла зміститися всередині обгортки. Після цього беремо звичайну праска,
включений на максимальну температуру і ставиться на загорнуту в папір плату з
боку малюнка. Плата прогрівається 20-30 сек. під власною вагою праски, після
чого праска кілька разів з натиском проводиться по поверхні плати.
Етап 5. Після охолодження знімаємо зовнішню
папір і зрізуємо папір із зворотного боку плати. Потім кидаємо плату з
прилиплим папером в гарячу воду і чекаємо, поки папір не розмокне. Коли це
станеться, папір можна буде відокремити від плати, а тонер залишиться. Під
водою вручну видаляємо залишки паперу. Після того, як плата висохла,
перевіряємо її на дефекти. При відсутності провідників там, де вони повинні
бути, можна підправити малюнок лаком або водонезмивним маркером.
Етап 6. Травимо плату в хлорному залізі. Плата
повинна лежати малюнком вниз (щоб продукти реакції опускалися на дно, а не
лежали на платі), але при цьому потрібно забезпечити доступ розчину. Після
того, як малюнок повністю протравлений, плату виймають, заклеюють сторону з
малюнком скотчем, щоб уникнути подальшого протравлювання доріжок, після чого
перевертають і стравлюють фольгу з боку деталей.
Етап 7. Змиваємо тонер, потім свердлимо отвори,
вирізаємо плату по необхідному контуру, покриваємо каніфольним лаком, лудимо
контактні площадки. Далі можна приступати до монтажу деталей.
3.2
Розрахунок елементів пристрою
До портів мікроконтролера ХТAL1 та ХТAL2
під’єднано конденсатори та, між якими розташований кварцовий резонатор ZQ,
призначений для того, щоб задавати такт роботи мікроконтролера. Його частота
f=1 МГц.
Візьмемо
пФ.
Для того щоб забезпечити подавлення
високочастотних завад живлення кожної мікросхеми, безпосередньо близько до її
корпусу шунтуються керамічні конденсатори, а саме С7, С10, С8 ємність яких не
перевищує 0,1 мкФ. Звідси випливає, що ємність конденсаторів С7=С10=С8=0,1 мкФ.
Для подавлення низькочастотних завад і пульсацій використовуємо електролітичні
конденсатори С6 ємність, якого також не повинна перевищувати 0,1 мкФ. Отже С6=0,1
мкФ
Конденсатори С13, С14 призначені для забезпечення
функціонування мікросхеми МАХ 232. Згідно з документацією цієї мікросхеми
ємність конденсаторів С13= С14 =0,1 мкФ. Обираємо конденсатори С8= С9=0,1 мкФ.
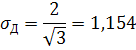
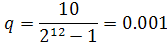
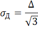
Розрахуємо похибку квантування АЦП. Розрахунок
проведемо за такою формулою:
де n - розрядність АЦП n=12; Uref
- напруга АЦП; Uref = 10 (В).
Підставивши значення, отримаємо:
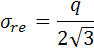
Розрахунок СКВ похибки квантування за такою формулою:
Отримаємо:
Розрахуємо похибку, яка буде виникати за рахунок
недосконалості датчика.
Розрахунок СКВ похибки датчика за такою формулою:
Підставивши значення, отримаємо:
Розрахуємо загальне СКВ похибки датчиків за такою
формулою:
Підставивши значення, отримаємо:
Розраховуємо обмежуючі резистори що підводяться
до датчиків.
Номінальний струм датчика LM335Z Iн=0,25 mA. Опір
обмежуючого резистора для датчика LM335Z розраховуємо за законом Ома:
Номінальний струм інтерфейса для мікросхеми
ATmega8 Iн=10 mA. Розрахунок обмежуючого резистора для ATmega8:
Оскільки в промисловості резистори 500 Ом не
випускають беремо резистори 4,7 кОм.
Номінальний струм інтерфейса для датчика 74НС4060
Iн=10 mA. Розрахунок обмежуючого резистора для датчика вологості типу HONEYWELL
HCH-1000-002:
Через два різні виводи, що поступають, ставимо
два резистори стандартних номіналів 1 кОм і 1,6 кОм.
3.3
Послідовність монтажу засобів автоматизації
Деталі на плату було змонтовано поверхневим
монтажем. Поверхневий монтаж - технологія виготовлення електронних виробів на
друкованих платах, а також пов'язані з даною технологією методи конструювання
друкованих вузлів.
Технологію поверхневого монтажу друкованих плат
також називають ТМП (технологія монтажу на поверхню), SMT (surfacemounttechnology)
і SMD-технологія (від surfacemounteddevice - прилад, монтуємий на поверхню), а
компоненти для поверхневого монтажу також називають чип-компонентами. Дана
технологія є найбільш поширеним на сьогоднішній день методом конструювання і
складання електронних вузлів на друкованих платах. Основним її відмінністю від
"традиційної" технології наскрізного монтажу в отвори є те, що
компоненти монтуються на поверхню друкованої плати, проте переваги технології
поверхневого монтажу друкованих плат проявляються завдяки комплексу
особливостей елементної бази, методів конструювання і технологічних прийомів
виготовлення друкованих вузлів.
Дана схема була виконана методом пайки
оплавленням припайної пасти. Компоненти для поверхневого монтажу не вимагають
спеціальної підготовки перед установкою. Після протравлення та очищення плати,
як правило, виконується наступна послідовність операцій:
. Нанесення паяльної пасти. Паяльна паста
наноситься на контактні площадки. При виконанні цієї операції необхідно
отримання відбитків, що містять певний обсяг пасти. Недостаток пасти може
призводити до відсутності з'єднання, надлишок - до перемичок і низької міцності
з'єднання. Обсяг пасти залежить від конструкції конкретного компонента та
розміру контактної площадки.
. Установка компонентів. Установка компонентів
здійснюється вручну за допомогою пінцета та спеціального тримача для мікросхем.
. Процес оплавлення припою, що міститься в
паяльної пасти, виконується в печах шляхом нагрівання друкованої плати з
компонентами. Нагрівання найчастіше здійснюють через застосування ІФ-ламп.
. Омивання плати (в залежності від активності
флюсу) і нанесення захисних покриттів.
4.
Енергетична частина
4.1
Розрахунок витрат енергоносіїв на засоби автоматизації
По даних підприємства при використанні систем
підтримання температури та освітлення встановлена потужність системи складає:
- Система
підтримання температури - 2кВт/год
- Освітлення
приміщень - 0,3 кВт/год
Тоді, витрати електроенергії на ці системи в день
складають:
Враховуючи, що автоматика працює 252 дні по 8
год, одержимо:

Після проведення автоматизації системи споживають менше
електроенергії за рахунок зменшення часу роботи нагрівачів та засобів
освітлення. Річна електроенергія, яку споживає ця система після автоматизації в
середньому становить: 2548 кВт.
Схема керування, яку ми вводимо споживає 0,04 кВт в день.
Знаходимо витрати енергії схеми 
в рік:
Економічний ефект утвориться в основному за рахунок
зменшення споживання електроенергії систем підтримання температури та
освітлення, так як системи тепер працюють лише у визначений час коли потрібно.
5.
Охорона праці
5.1
Заходи техніки безпеки
Для безпечного проведення робіт необхідно
виконувати наступні організаційні заходи:
призначити працівників, відповідальних за
безпечне проведення робіт;
видати наряд або розпорядження;
видати дозвіл на підготовку робочих місць;
підготувати робочі місця;
здійснити допуск до робіт;
організувати нагляд при виконанні роботи;
організувати перехід на інше робоче місце;
оформити перерви в роботі та її закінчення.
При цьому відповідальними за безпечне проведення
робіт є:
працівник, що видає наряд або розпорядження;
працівник, що дає дозвіл на підготовку робочого
місця і на допуск;
працівник, що підготовляє робоче місце;
працівник, що допускає до роботи;
керівник робіт;
виконавець робіт;
працівник, що здійснює нагляд за безпечним
виконанням робіт;
член бригади.
Керівник робіт призначається у разі виконання
робіт за нарядом. Необхідність призначення керівника робіт, що виконуються за
розпорядженням, визначає той працівник, який віддає такі розпорядження.
У кожної з відповідальних осіб є чітко
сформульовані обов'язки. Так, керівник робіт відповідає за:
призначення виконавця робіт з тих осіб, які
затверджені списками;
кількісний склад бригади, який зумовлюється
необхідністю забезпечення нагляду за бригадою з боку виконавця робіт
(наглядача);
достатність кваліфікації працівників, включених
до складу бригади;
чіткість і повноту інструктажу виконавцю робіт
(наглядачеві) і членам бригади;
виконання заходів безпеки, передбачених нарядом
чи розпорядженням, та за їх достатність;
наявність і придатність до застосування засобів
захисту, інструменту, інвентарю, приладів, необхідних для проведення робіт;
щоденний огляд лісів перед допуском бригади до
роботи;
організацію і безпечне виконання робіт та
дотримання вимог щодо Правил з безпеки робіт.
Керівник робіт разом із виконавцем робіт має
приймати робоче місце від допускаючого і перевіряти виконання заходів безпеки,
зазначених у наряді. Крім того, він має здійснювати періодичний контроль за
роботою бригад щодо дотримання вимог правил безпеки і зобов'язаний усунути від
роботи членів бригад, що порушують правила, а також тих, хто перебуває в стані
алкогольного чи наркотичного сп'яніння.
Керівник газонебезпечних робіт має здійснювати
безпосереднє керівництво роботою з наступною перевіркою герметичності ділянки,
що ремонтується.
Керівниками робіт за нарядом призначають
керівників і фахівців структурних підрозділів і підрядних організацій, що мають
для цього достатню кваліфікацію.
Виконавець робіт відповідає за наступне:
виконання заходів безпеки, передбачених нарядом
чи розпорядженням, і за їхню достатність;
дотримання ним самим і членами бригади вимог
інструкцій з охорони праці й виконання заходів безпеки, визначених нарядом,
проектами проведення робіт, технологічними процесами і технічними умовами;
чіткість і повноту інструктажу і вказівок, що він
дає членам бригади безпосередньо на робочому місці;
наявність, придатність і правильність
застосування засобів захисту інструменту, інвентарю і приладів у процесі
проведення робіт;
стан збереження встановлених на робочому місці
огорож, знаків безпеки, замикальних пристроїв протягом робочої зміни.
Виконавцями робіт за нарядами і розпорядженнями
призначають працівників підрозділів підприємства і підрядних організацій, що
мають кваліфікацію не нижче IV розряду. При ремонті допоміжного устаткування
допускається призначення виконавцями робіт працівників, що мають III розряд.
Черговий чи працівник зі складу
оперативно-виробничих працівників, що підготовляє робоче місце, відповідає за
правильне і точне виконання зазначених у наряді (розпорядженні) заходів для
підготовки робочого місця.
Допускаючий відповідає за такі заходи:
правильність підготовки робочих місць, повноту
вжитих заходів безпеки, необхідних для проведення робіт, і їх відповідність
характеру і місцю роботи;
правильність допуску до роботи і повноту
інструктажу керівника робіт і виконавця робіт (наглядаючого).
Іноді при виконанні ряду робіт у безпосередній
близькості від діючого устаткування, наприклад, будівельниками, різноробочими,
такелажниками й іншими працівниками, призначаються наглядачі, що мають право
бути виконавцями робіт.
Наглядачі відповідають за наступне:
захист членів бригади від впливу на них
виробничих факторів з боку діючого технологічного устаткування (стежить, щоб
працівники не наближалися на небезпечну відстань до працівника устаткування і
комунікацій, забезпечує безпечні умови для проходження оперативних працівників
до робочого місця тощо);
відповідність підготовленого робочого місця
вимогам, зазначеним у наряді;
наявність і збереженість встановлених на робочому
місці огорож, захисних засобів, плакатів і попереджувальних знаків безпеки.
Відповідальним за безпеку технології проведення
робіт працівниками при виконанні ними цих робіт є виконавець робіт, що має
постійно перебувати на робочому місці.
Члени бригади відповідають за наступне:
виконання ними вимог інструкцій з охорони праці і
заходів безпеки, отриманих при інструктажі перед допуском до роботи і під час
її проведення;
застосування засобів захисту, спецодягу і
справність використовуваних інструменту і приладів. -
5.2
Протипожарний захист
Робота з організації і забезпечення пожежної
безпеки на підприємстві покладається на його керівника, а в цехах, службах,
відділах і дільницях наказом керівника підприємства - на відповідних
керівників.
Постійно діюча пожежно-технічна комісія
створюється на кожному підприємстві і очолюється головним інженером
підприємства. Комісія проводить пожежно-технічне обстеження цехів, дільниць
підприємства, розробляє заходи щодо зниження пожежної небезпеки окремих
технологічних процесів і пожежної безпеки виробничих приміщень, обладнання,
складів і всього підприємства загалом.
Пожежна охорона підприємства забезпечується
добровільною пожежною дружиною (ДПД) і бойовими розрахунками в цехах, відділах,
змінах, що складаються із службовців та інженерно-технічних працівників. З
робітниками та інженерно-технічними працівниками, які влаштовуються на роботу,
проводиться вступний загальний інструктаж з пожежної безпеки на підприємстві.
Первинний інструктаж для них проводиться безпосередньо на робочому місці
керівником з показуванням прийомів праці, що забезпечують пожежну і вибухову
безпеку. Робітники, пов'язані з пожежонебезпечними речовинами і матеріалами,
проходять додатково навчання за програмою пожежно-технічного мінімуму з
подальшою перевіркою знань.
Пожежна охорона підприємств контролюється
органами Державного пожежного нагляду, Головним управлінням пожежної охорони
Міністерства внутрішніх справ України, відділами Державного пожежного нагляду,
відділами внутрішніх справ, виконавчих комітетів, міських, районних Рад
народних депутатів, частинами пожежної охорони міст, селищ міського типу і
районних центрів.
Державний пожежний нагляд виконує такі функції:
використовує контроль забезпечення об'єктів
народного господарства і населених пунктів коштами на протипожежний захист,
пожежною технікою і дотримання правил і норм пожежної безпеки;
розробляє рекомендації з посилення протипожежного
захисту об'єктів народного господарства і сприяє їх реалізації;
розробляє правила пожежної безпеки будівель,
споруд із зацікавленими організаціями;
готує висновки згідно з проектами стандартів, що
встановлюють вимоги пожежної безпеки, а також стандартів і технічних умов на
пожежну техніку;
контролює виконання проектними і будівельними
організаціями протипожежних вимог;
в складі державних комісій приймає в експлуатацію
підприємства, будівлі і споруди; бере участь у розв'язанні питань організації
пожежної охорони об'єктів народного господарства;
веде пропаганду з питань боротьби з пожежами.
Пожежно-профілактична робота на підприємстві проводиться:
керівним складом воєнізованої та професійної
пожежної охорони;
членами добровільних пожежних дружин і
пожежниками на громадських засадах;
уповноваженими штатними особами, відповідальними
за пожежну безпеку;
членами пожежно-технічних комісій.
Організація, проведення пожежно-профілактичних
заходів і контроль за дотриманням протипожежного режиму покладені на керівників
служби підприємств. Керівники служби зобов'язані:
встановити на кожному об'єкті служби відповідний
протипожежний режим і зобов'язати суворо дотримуватися його всіма працівниками
служби;
вжити заходів щодо негайної ліквідації виявлених
недоліків з пожежної безпеки і забезпечити інструктаж з пожежної безпеки для
всіх робітників і службовців;
проводити постійну роз'яснювальну роботу з питань
пожежної безпеки.
Випадки виникнення пожежі ретельно аналізуються
комісією, що призначається керівником підприємства. На основі матеріалів
розслідування розробляються профілактичні протипожежні заходи.
Протипожежний режим - комплекс встановлених норм
поведінки людей, правил виконання робіт і експлуатації об'єкта, спрямованих на
забезпечення його пожежної безпеки.
Пожежна профілактика - комплекс організаційних і
технічних заходів, спрямованих на забезпечення безпеки людей, на запобігання
пожежі, обмеження її поширення, а також створення умов для успішного гасіння
пожежі.
Пожежна профілактика буде ефективною, якщо
постійно ведеться дослідження пожежної небезпеки об'єктів, приміщень і
процесів.
5.3
Заходи техніки безпеки при виконанні монтажних робіт
Безпечне виконання заготівельних і монтажних
робіт вимагає строгого дотримання працівниками правил техніки безпеки. Кожний
працівник повинен добре знати й виконувати безпечні приймання роботи. Тільки
при цьому умові можна попереджати нещасні випадки
. Виробничий травматизм відбувається внаслідок
ряду причин:
неправильна організація робіт, допущення до
роботи осіб, що не одержали інструктажу з безпечного її виконання;
відсутність або несправність огороджень і
запобіжних обладнань;
несправний стан інструмента і пристосувань;
неправильне обслуговування встаткування і
механізмів;
зневага працівниками заходами обережності
. При користуванні вантажопідйомними механізмами необхідно
строго дотримувати наступних правил:
не можна застосовувати вантажопідйомні механізми,
розраховані на вагу, менший чому вага вантажу, що піднімається;
вантажопідйомні механізми повинні мати справно
діючі гальма, у зубчастих і черв'ячних передачах не повинне бути ніяких
ушкоджень;
вантажопідйомні механізми повинні бути атестовані
відповідним порядком, експлуатація механізмів без атестації або із простроченим
строком чергової атестації заборонена;
при переміщенні ваг не можна перебувати під
вантажем, а також у місцях, де може виявитися вантаж у випадку обриву троса
. При користуванні слюсарним інструментом
необхідно дотримувати наступних правила техніки безпеки:
забороняється користуватися інструментом
несправним або не відповідним до виконуваної роботи;
бойки молотків і кувалд повинні мати гладку,
злегка опуклу поверхню; і молотки й кувалди повинні бути міцно насаджені на
рукоятки й закріплені на них клинами;
не можна застосовувати зубила й шлямбури зі
збитими потилицями;
не можна застосовувати для роботи напилки,
ножівки й викрутки без ручок або з розколотими й погано закріпленими ручками;
при роботі трубними й гайковими ключами не
допускається надягати відрізки труби на ручки ключів і застосовувати металеві
підбивки під губки ключів
. При користуванні електроінструментом необхідно
строго дотримувати правил техніки електробезпечності:
неприпустимо працювати близько струмоведучих
частин, не захищених огородженнями, кожухами;
металеві кожухи, електродвигуни, електродрилі,
металеві частини пускових приладів, верстатів і інших обладнань, які можуть
виявитися під напругою у випадку ушкодження ізоляції, повинні бути заземлені;
для переносних електричних світильників при
міняти напругу не вище 36 В;
проведення, що проводять електрострум до
зварювального апарата й від зварювального апарата до місця зварювання, повинні
бути ізольовані і захищені від дії високих температур і механічних ушкоджень
. При проведенні зварювальних робіт необхідно:
закривати особа спеціальними щитками, для того
щоб захистити очі від шкідливої дії світлового й невидимого ультрафіолетового й
інфрачервоного випромінювання;
для усунення причин, що сприяють виникненню пожеж
при проведенні зварювальних робіт, необхідно ретельно захищати дерев'яні й інші
легко займисті частини й конструкції будинків від запалення листовим азбестом;
після закінчення зварювальних робіт слід ретельно
перевіряти приміщення й зону, де проводилися зварювальні роботи, і не залишати
відкритого полум'я й тліючих предметів.
6.
Економічна частина
Розрахунок вартості засобів автоматики
Для автоматизації регулювання параметрами
температури і вологості потрібні наступні засоби автоматизації: Дисплей 16х2 на
базі контролера HD44780, мікроконтролер ATmega8, годинна мікросхема DS1307,
датчик температури DS18b20, реле для виконавчих пристроїв 12V.
Вартість засобів автоматизації
Таблиця 6.1
|
№ п/п
|
Назва
обладнання
|
Марка
|
Один.
вимір.
|
Кількість
|
Ціна,
грн.
|
Вартість,
грн.
|
|
1
|
2
|
3
|
4
|
5
|
6
|
7
|
|
1
|
Дисплей
16х2
|
HD44780
|
шт.
|
1
|
24
|
24
|
|
2
|
Годинна
мікросхема
|
DS1307
|
шт.
|
1
|
32
|
32
|
|
3
|
Мікроконтролер
|
ATmega8
|
шт.
|
1
|
43,5
|
43,5
|
|
4
|
Датчик
температури
|
DS18b20
|
шт.
|
1
|
11
|
11
|
|
5
|
Реле
виконавчих механізмів
|
|
шт.
|
1
|
53
|
53
|
|
6
|
Текстолітова
плитка
|
|
шт.
|
1
|
28.70
|
28,70
|
|
7
|
Радіодеталі
|
|
шт.
|
19
|
-
|
87,25
|
|
Разом
|
|
|
|
|
279,45
|
Розрахунок вартості монтажних засобів
Вартість монтажних засобів
Таблиця 6.2
|
№ п/п
|
Назва
матеріалів
|
Один.
вимір.
|
Кількість
|
Ціна,
грн.
|
Вартість,
грн.
|
|
1
|
2
|
3
|
4
|
5
|
6
|
|
1
|
Електропровід
4*2,5
|
м
|
20
|
2
|
40,00
|
|
2
|
Кріплення
для проводу
|
шт.
|
120
|
0,50
|
60,00
|
|
Разом
|
|
|
|
100,00
|
Розрахунок заробітної плати
Встановлення засобів автоматизації буде
здійснювати 2 чоловіка:
робітник - ІІІ розряду;
робітники - ІV розряду;
які затратять на ці роботи 36 людино - годин
(згідно сіткового графіка).
Заробітну плату слід нарахувати по такій схемі:
З = Тф*ТСсер
де Тф - фактично затрачено час на
роботу, годин
ТСсер - середня тарифна ставка, грн.
ТСсер = 15,70+16,30/2=16/2=16 (грн).
З = 36 * 16 =576 (грн)
Розрахунок відрахувань на соціальне страхування
Суму відрахувань на соцстрах слід вирахувати,
виходячи із ставки 37,5% від фонду оплати праці:
В=576·0,375=216 (грн.)
Розрахунок загальновиробничих витрат
Загальновиробничі витрати, пов’язані з
обслуговуванням виробництва, по даних підприємства прийняті в розмірі 30-40 %
від фонду оплати праці:
ЗВВ=576·0,4=230,4 (грн.)
Розрахунок суми витрат на автоматизацію
Сума витрат на автоматизацію
Таблиця 6.3
|
№ п/п
|
Назва
витрат
|
Сума,
грн.
|
|
1
|
2
|
3
|
|
1
|
Вартість
засобів автоматизації
|
279,45
|
|
2
|
Вартість
монтажних матеріалів
|
100
|
|
5
|
Зарплата
|
576
|
|
6
|
Відрахування
на соцстрах
|
216
|
Загальновиробничі
витрати
|
230,4
|
|
8
|
Інші
витрати (3%)
|
45
|
|
Разом
|
1446
|
Розрахунок економії від впровадження
автоматизації
Згідно енергетичної частини будемо розраховувати
економію використання електричної енергії.
До автоматизації - 4636,8 кВт
Після автоматизації - 2548 кВт
Сума витрат на електроенергію буде скаладати:
До автоматизації:

Після автоматизації:

Сума економії складає:

Економія - 44%
6.1
Розрахунок економічної ефективності автоматизації технологічного процесу
Термін окупності витрат, пов’язаних з
впровадженням автоматизації, визначають по формулі:

,
деВ - сума витрат по автоматизації, грн. (таблиця 2.1)
Е - сума економії, досягнутої за рахунок автоматизації,
грн.

Коефіцієнт економічної ефективності визначають по формулі:


.
Висновок про економічну доцільність проекту автоматизації:
В результаті автоматизації цеху було впроваджено засоби
автоматизації, які дозволяють автоматично контролювати температуру, та
освітлення приміщень.
Враховуючи термін окупності витрат 0,5 року та фактичний
коефіцієнт економічної ефективності 1,73 можна зробити висновок, що даний
проект автоматизації є економічно доцільним.
7.
Список використаної літератури
1. Белов А.В. "Микроконтроллеры AVR в радиолювительской
практике" - Наука и Техника, Санкт-Петербург, 2007.
2. Абраменко І.Г., Абраменко Д. І "Теорія автоматичного
керування. Курс лекцій", - Харків - ХНАМГ. 2008.
. Технічна документація Atmega8 компанії Atmel.
. Богиня Д.П., Грішнова О.А. "Основи економіки праці:
Навч. Посібник". - К.: Знання-Прес, 2002.
. Грінченко А.Г. Теорія автоматичного управління: Навч.
посібник. - Харків: ХДПУ, 2000.