|
M
|
Q11
|
Q10
|
Q9
|
Q8
|
Q7
|
Q6
|
Q5
|
Q4
|
Q3
|
Q2
|
Q1
|
Z2
|
Z1
|
10-е число
|
|
0
|
0
|
0
|
0
|
0
|
0
|
0
|
0
|
0
|
0
|
0
|
0
|
0
|
1
|
1
|
|
0
|
1
|
0
|
0
|
0
|
0
|
0
|
0
|
0
|
0
|
0
|
0
|
0
|
0
|
0
|
|
0
|
1
|
1
|
0
|
0
|
0
|
0
|
0
|
0
|
0
|
0
|
0
|
0
|
0
|
0
|
|
0
|
1
|
1
|
1
|
0
|
0
|
0
|
0
|
0
|
0
|
0
|
0
|
0
|
0
|
0
|
|
0
|
1
|
1
|
1
|
1
|
0
|
0
|
0
|
0
|
0
|
0
|
0
|
0
|
1
|
1
|
|
0
|
1
|
1
|
1
|
1
|
1
|
0
|
0
|
0
|
0
|
0
|
0
|
0
|
0
|
0
|
|
0
|
1
|
1
|
1
|
1
|
1
|
1
|
0
|
0
|
0
|
0
|
0
|
1
|
0
|
2
|
|
0
|
1
|
1
|
1
|
1
|
1
|
1
|
1
|
0
|
0
|
0
|
0
|
0
|
0
|
0
|
|
0
|
1
|
1
|
1
|
1
|
1
|
1
|
1
|
0
|
0
|
0
|
1
|
1
|
3
|
|
0
|
1
|
1
|
1
|
1
|
1
|
1
|
1
|
1
|
1
|
0
|
0
|
0
|
0
|
0
|
|
0
|
1
|
1
|
1
|
1
|
1
|
1
|
1
|
1
|
1
|
1
|
0
|
0
|
0
|
0
|
|
0
|
1
|
1
|
1
|
1
|
1
|
1
|
1
|
1
|
1
|
1
|
1
|
0
|
0
|
0
|
|
0
|
0
|
1
|
1
|
1
|
1
|
1
|
1
|
1
|
1
|
1
|
1
|
1
|
1
|
3
|
|
0
|
0
|
0
|
1
|
1
|
1
|
1
|
1
|
1
|
1
|
1
|
1
|
0
|
0
|
0
|
|
0
|
0
|
0
|
0
|
1
|
1
|
1
|
1
|
1
|
1
|
1
|
1
|
1
|
0
|
2
|
|
0
|
0
|
0
|
0
|
0
|
1
|
1
|
1
|
1
|
1
|
1
|
1
|
0
|
0
|
0
|
|
0
|
0
|
0
|
0
|
0
|
0
|
1
|
1
|
1
|
1
|
1
|
1
|
0
|
0
|
0
|
|
0
|
0
|
0
|
0
|
0
|
0
|
0
|
1
|
1
|
1
|
1
|
1
|
0
|
0
|
0
|
|
0
|
0
|
0
|
0
|
0
|
0
|
0
|
0
|
1
|
1
|
1
|
1
|
0
|
1
|
1
|
|
0
|
0
|
0
|
0
|
0
|
0
|
0
|
0
|
0
|
1
|
1
|
1
|
0
|
0
|
0
|
|
0
|
0
|
0
|
0
|
0
|
0
|
0
|
0
|
0
|
0
|
1
|
1
|
1
|
0
|
2
|
|
1
|
0
|
0
|
0
|
0
|
0
|
0
|
0
|
0
|
0
|
0
|
0
|
1
|
0
|
2
|
|
1
|
1
|
0
|
0
|
0
|
0
|
0
|
0
|
0
|
0
|
0
|
0
|
0
|
1
|
1
|
|
1
|
1
|
1
|
0
|
0
|
0
|
0
|
0
|
0
|
0
|
0
|
0
|
0
|
1
|
1
|
|
1
|
1
|
1
|
1
|
0
|
0
|
0
|
0
|
0
|
0
|
0
|
0
|
0
|
0
|
0
|
|
1
|
1
|
1
|
1
|
1
|
0
|
0
|
0
|
0
|
0
|
0
|
0
|
0
|
0
|
0
|
|
1
|
1
|
1
|
1
|
1
|
1
|
0
|
0
|
0
|
0
|
0
|
0
|
1
|
0
|
2
|
|
1
|
1
|
1
|
1
|
1
|
1
|
1
|
0
|
0
|
0
|
0
|
0
|
0
|
0
|
0
|
|
1
|
1
|
1
|
1
|
1
|
1
|
1
|
1
|
0
|
0
|
0
|
0
|
0
|
0
|
0
|
|
1
|
1
|
1
|
1
|
1
|
1
|
1
|
1
|
1
|
0
|
0
|
0
|
0
|
1
|
1
|
|
1
|
1
|
1
|
1
|
1
|
1
|
1
|
1
|
1
|
1
|
0
|
0
|
0
|
1
|
1
|
|
1
|
1
|
1
|
1
|
1
|
1
|
1
|
1
|
1
|
1
|
0
|
1
|
0
|
2
|
|
1
|
1
|
1
|
1
|
1
|
1
|
1
|
1
|
1
|
1
|
1
|
1
|
0
|
0
|
0
|
|
1
|
0
|
1
|
1
|
1
|
1
|
1
|
1
|
1
|
1
|
1
|
1
|
0
|
0
|
0
|
|
1
|
0
|
0
|
1
|
1
|
1
|
1
|
1
|
1
|
1
|
1
|
1
|
0
|
1
|
1
|
|
1
|
0
|
0
|
0
|
1
|
1
|
1
|
1
|
1
|
1
|
1
|
1
|
0
|
0
|
0
|
|
1
|
0
|
0
|
0
|
0
|
1
|
1
|
1
|
1
|
1
|
1
|
1
|
0
|
0
|
0
|
|
1
|
0
|
0
|
0
|
0
|
0
|
1
|
1
|
1
|
1
|
1
|
1
|
0
|
0
|
0
|
|
1
|
0
|
0
|
0
|
0
|
0
|
0
|
1
|
1
|
1
|
1
|
1
|
1
|
0
|
2
|
|
1
|
0
|
0
|
0
|
0
|
0
|
0
|
0
|
1
|
1
|
1
|
1
|
0
|
0
|
0
|
|
1
|
0
|
0
|
0
|
0
|
0
|
0
|
0
|
0
|
1
|
1
|
1
|
0
|
1
|
1
|
|
1
|
0
|
0
|
0
|
0
|
0
|
0
|
0
|
0
|
0
|
1
|
1
|
1
|
0
|
2
|
Схема, состоящая из представленного на рисунке 3
счетчика Джонсона на базе D-триггеров
и преобразователя кодов, представлена на рисунке 4. Для построения схемы
преобразователя кодов на элементах «И-НЕ» использованы микросхемы КР1533ЛА3,
КР1533ЛА1, КР1533ЛА2, КР1533ЛА22 и КР1533ЛР11.
Рисунок 4 - Генератор чисел на базе счетчика
Джонсона с преобразователем кода на «И-НЕ»
Нагрузка по току на источник входного сигнала
начальной установки (R):
Iвх1(R)
= 0,02мА, Iвх0(R)
= 0,1мА.
Нагрузка по току на источник входного
синхросигнала (C):
Iвх1(С) =
0,02мА, Iвх0(С) =
0,1мА.
Нагрузка по току на источник входного сигнала
режима (M):
Iвх1(М) =
0,02мА, Iвх0(М) =
0,1мА.
По входным сигналам данная схема удовлетворяет
условиям ТЗ.
Выходные сигналы Z1
и Z2
снимаются с микросхем КР1533ЛА22, выходной ток которой составляет не менее
30мА, что удовлетворяет условию ТЗ.
Время переключения схемы по входу «R»
(Tпер.R)
равно tзд.(КР1533ЛА3) + tзд.(КР1533ТМ8)
по входу «R» + tзд.(КР1533ЛА3)
+ tзд.(КР1533ЛА2) + tзд.(КР1533ЛР11)
+ tзд.(КР1533ЛА22)
=11+23+11+12+20+8 (нс) =85нс.
Время формирования выходных сигналов ГЧ (Tформ.R)
равно tзд.(КР1533ЛА3) + tзд.(КР1533ТМ8)
по входу «R» + tзд.(КР1533ЛА3)
+ tзд.(КР1533ЛА2) + tзд.(КР1533ЛР11)
+ tзд.(КР1533ЛА22)
=11+23+11+12+20+8 (нс) =85нс.
Время переключения схемы по входу «С» (Tпер.С)
равно tзд.(КР1533ЛА3) + tзд.(КР1533ТМ8)
по входу «С» + tзд.(КР1533ЛА3)
+ tзд.(КР1533ЛА2) + tзд.(КР1533ЛР11)
+ tзд.(КР1533ЛА22)
=11+17+11+12+20+8 (нс) =79
Время формирования выходных сигналов ГЧ (Tформ.С)
равно tзд.(КР1533ЛА3) + tзд.(КР1533ТМ8)
по входу «С» + tзд.(КР1533ЛА3)
+ tзд.(КР1533ЛА2) + tзд.(КР1533ЛР11)
+ tзд.(КР1533ЛА22)
=11+17+11+12+20+8 (нс) =79
Таким образом схема не удовлетворяет условия ТЗ
по задержке.
.1.2.3 Генератор чисел на базе счетчика Джонсона
с преобразователем кода Джонсона на «монтажном ИЛИ»
Проанализировав таблицу 6, делаем вывод, что
этот метод построения генератора чисел уступает ранее рассмотренному по
критерию оптимизации, в связи с наличием большего числа конъюнктивных термов
при минимизации таблицы истинности по “0”.
.1.2.4 Генератор чисел на базе счетчика Джонсона
с преобразователем кода Джонсона на мультиплексорах
Для построения такого генератора потребуются
мультиплексоры с большим числом адресных входов, которых нет в наборе ИМС серии
КР1533. Для реализации такого мультиплексора на основе имеющихся, потребуется
использование многокаскадных схем, нам потребуется более 5 корпусов микросхемы
КР1533КП7, что приведёт к выходу за пределы потребляемой мощности.
.1.2.5 Генератор чисел на базе счетчика Джонсона
с преобразователем кода Джонсона на элементах «И-ИЛИ-НЕ»
Выполним минимизацию таблицы 5.
Схема генератора приведена на рисунке 5.
Рисунок 5 - Генератор чисел на базе счетчика
Джонсона с преобразователем кода на «И-ИЛИ-НЕ»
Нагрузка по току на источник входного сигнала
начальной установки (R):
Iвх1(R)
= 0,02мА, Iвх0(R)
= 0,1мА.
Нагрузка по току на источник входного синхросигнала
(C):
Iвх1(С) =
0,02мА, Iвх0(С) =
0,1мА.
Нагрузка по току на источник входного сигнала
режима (M):
Iвх1(М) =
0,02мА, Iвх0(М) =
0,1мА.
По входным сигналам данная схема удовлетворяет
условиям ТЗ.
Время переключения схемы по входу «R»
(Tпер.R)
равно tзд.(КР1533ЛН8) + tзд.(КР1533ТМ8)
по входу «R» + tзд.(КР1533ЛА3)+
tзд.(КР1533ЛА2) + tзд.(КР1533ЛР11)
= 7+23+11+12+20 (нс) =73нс.
Время формирования выходных сигналов ГЧ (Tформ.R)
равно tзд.(КР1533ЛН8)+ tзд.(КР1533ТМ8)
по входу «R» + tзд.(КР1533ЛА3)+
tзд.(КР1533ЛА2) + tзд.(КР1533ЛР11)
= 7+23+11+12+20 (нс) =73нс.
Время переключения схемы по входу «С» (Tпер.С)
равно tзд.(КР1533ЛН8)+ tзд.(КР1533ТМ8)
по входу «C» + tзд.(КР1533ЛА3)+
tзд.(КР1533ЛА2) + tзд.(КР1533ЛР11)
+ tзд.(КР1533ЛН8) =
7+17+11+12+20 (нс) =67нс.
Время формирования выходных сигналов ГЧ (Tформ.С)
равно tзд.(КР1533ЛН8)+ tзд.(КР1533ТМ8)
по входу «C» + tзд.(КР1533ЛА3)+
tзд.(КР1533ЛА2) + tзд.(КР1533ЛР11)
= 7+17+11+12+20 (нс) =67нс.
Длительность выходных сигналов ГЧ при
переключении по входу «R»
будет не менее 1,5Т-Тформ.R
= 111-73 (нс)=38нс.
Длительность выходных сигналов ГЧ при
переключении по входу «С» будет не менее Т -Тформ.С = 74 нс -67 нс = 7нс.
Таким образом, минимальная длительность выходных
сигналов ГЧ равна 7нс.
Потребляемая мощность схемы: Р =Ucc*(3*Icc(КР1533ТМ8)
+ 1*Icc(КР1533ЛН1)
+ 5*Icc(КР1533ЛА3)
+ 4*Icc(КР1533ЛА2)
+ 1*Icc(КР1533ЛР11)=
5,5*(3*14+4,2+5*3+4*0,9+2,8)=371мВт.
Выходные сигналы Z1
и Z2
снимаются с микросхем КР1533ЛН8 выходной ток которой составляет не менее 30мА,
что удовлетворяет условию ТЗ.
Количество ИМС, использованных в составе схемы
ГЧ -14шт.
Схема удовлетворяет всем требованиям ТЗ.
Начальная установка ГЧ производится при подаче
нулевого сигнала на вход сброса ГЧ (R)
. При этом счетчик Джонсона устанавливается в исходное 0-ое состояние и на
выходах преобразователя кодов в соответствии с заданным сигналом «М» режимом
работы, устанавливается значение первого числа из заданной последовательности
чисел. После снятия сигнала сброса по каждому синхроимпульсу к значению счетчика
Джонсона прибавляется «1» и на выходах преобразователя кодов формируется
очередное число последовательности.
После того, как счетчик Джонсона достиг своего
максимального значения (5), по следующему синхроимпульсу он обнуляется и цикл
работы ГЧ повторяется.
.2 Генератор чисел на базе двоичного счетчика
.2.1 Способы построение двоичного счетчика и
выбор оптимального в соответствии с критерием оптимизации
3.2.1.1 Построение параллельного суммирующего
двоичного счетчика на базе JK-триггера
Таблица переходов параллельного счетчика с
модулем пересчета 21, построенного на основе JK
- триггеров представлена в таблице 7.
Таблица 6.
|
Текущее
значение разрядов в такте t
|
Значение
разрядов в следующем такте t+1
|
Сигналы
возбуждения триггеров
|
|
10-е
число
|
Q5
|
Q4
|
Q3
|
Q2
|
Q1
|
10-е
число
|
Q5
|
Q4
|
Q3
|
Q2
|
Q1
|
J5
|
K5
|
J4
|
K4
|
J3
|
K3
|
J2
|
K2
|
J1
|
K1
|
|
0
|
0
|
0
|
0
|
0
|
0
|
1
|
0
|
0
|
0
|
0
|
1
|
0
|
-
|
0
|
-
|
0
|
-
|
0
|
-
|
1
|
-
|
|
1
|
0
|
0
|
0
|
0
|
1
|
2
|
0
|
0
|
0
|
1
|
0
|
0
|
-
|
0
|
-
|
0
|
-
|
1
|
-
|
-
|
1
|
|
2
|
0
|
0
|
0
|
1
|
0
|
3
|
0
|
0
|
0
|
1
|
1
|
0
|
-
|
0
|
-
|
0
|
-
|
-
|
0
|
1
|
-
|
|
3
|
0
|
0
|
0
|
1
|
1
|
4
|
0
|
0
|
1
|
0
|
0
|
0
|
-
|
0
|
-
|
1
|
-
|
-
|
1
|
-
|
1
|
|
4
|
0
|
0
|
1
|
0
|
0
|
5
|
0
|
0
|
1
|
0
|
1
|
0
|
-
|
0
|
-
|
-
|
0
|
0
|
-
|
1
|
-
|
|
5
|
0
|
1
|
0
|
1
|
6
|
0
|
0
|
1
|
1
|
0
|
0
|
-
|
0
|
-
|
-
|
0
|
1
|
-
|
-
|
1
|
|
6
|
0
|
0
|
1
|
1
|
0
|
7
|
0
|
0
|
1
|
1
|
1
|
0
|
-
|
0
|
-
|
-
|
0
|
-
|
0
|
1
|
-
|
|
7
|
0
|
0
|
1
|
1
|
1
|
8
|
0
|
1
|
0
|
0
|
0
|
0
|
-
|
1
|
-
|
-
|
1
|
-
|
1
|
-
|
1
|
|
8
|
0
|
1
|
0
|
0
|
0
|
9
|
0
|
1
|
0
|
0
|
1
|
0
|
-
|
-
|
0
|
0
|
-
|
0
|
-
|
1
|
-
|
|
9
|
0
|
1
|
0
|
0
|
1
|
10
|
0
|
1
|
0
|
1
|
0
|
0
|
-
|
-
|
0
|
0
|
-
|
1
|
-
|
-
|
1
|
|
10
|
0
|
1
|
0
|
1
|
0
|
11
|
0
|
1
|
0
|
1
|
1
|
0
|
-
|
-
|
0
|
0
|
-
|
-
|
0
|
1
|
-
|
|
11
|
0
|
1
|
0
|
1
|
1
|
12
|
0
|
1
|
1
|
0
|
0
|
0
|
-
|
-
|
0
|
1
|
-
|
-
|
1
|
-
|
1
|
|
12
|
0
|
1
|
1
|
0
|
0
|
13
|
0
|
1
|
1
|
0
|
1
|
0
|
-
|
-
|
0
|
-
|
0
|
0
|
-
|
1
|
-
|
|
13
|
0
|
1
|
1
|
0
|
1
|
14
|
0
|
1
|
1
|
1
|
0
|
0
|
-
|
-
|
0
|
-
|
0
|
1
|
-
|
-
|
1
|
|
14
|
0
|
1
|
1
|
1
|
0
|
15
|
0
|
1
|
1
|
1
|
1
|
0
|
-
|
-
|
0
|
-
|
0
|
-
|
0
|
1
|
-
|
|
15
|
0
|
1
|
1
|
1
|
1
|
16
|
1
|
0
|
0
|
0
|
0
|
1
|
-
|
-
|
1
|
-
|
1
|
-
|
1
|
-
|
1
|
|
16
|
1
|
0
|
0
|
0
|
0
|
17
|
1
|
0
|
0
|
0
|
1
|
-
|
0
|
0
|
-
|
0
|
-
|
0
|
-
|
1
|
-
|
|
17
|
1
|
0
|
0
|
0
|
1
|
18
|
1
|
0
|
0
|
1
|
0
|
-
|
0
|
0
|
-
|
0
|
-
|
1
|
-
|
-
|
1
|
|
18
|
1
|
0
|
0
|
1
|
0
|
19
|
1
|
0
|
0
|
1
|
1
|
-
|
0
|
0
|
-
|
0
|
-
|
-
|
0
|
1
|
-
|
|
19
|
1
|
0
|
0
|
1
|
1
|
20
|
1
|
0
|
1
|
0
|
0
|
-
|
0
|
0
|
-
|
1
|
-
|
-
|
1
|
-
|
1
|
|
20
|
1
|
0
|
1
|
0
|
0
|
0
|
0
|
0
|
0
|
0
|
0
|
-
|
1
|
0
|
-
|
-
|
1
|
0
|
-
|
0
|
-
K5=Q3
J4=Q1Q2Q3
K4=Q1Q2Q3
J3=Q1Q2
K3=Q1Q2 Q5
J2=Q1
K2=Q1
J1=
K1=1
Схема счётчика представлена на
рисунке 6.
Рисунок 6 - Параллельный двоичный
счетчик на базе JK-триггера.
Нагрузка по току со стороны источника входного
сигнала начальной установки:
Iвх1( R
) = 0,02мА, Iвх0( R
) = 0,1мА.
Нагрузка по току со стороны источника входного
сигнала синхроимпульса:
Iвх1( С )
= 0,02мА, Iвх0( С )
=0,1мА.
По нагрузке на входные сигналы данная схема
удовлетворяет условиям ТЗ.
Время формирования выходных сигналов счетчика по
входу «R» (Тформ.R)
равно tзд.(КР1533ЛИ1) + tпер.(КР1533ТВ9)
по входу «R» =14+19=33 (нс).
Задержка переключения счетчика по входу «R»
(Тпер.R) равна tпер.(КР1533
ЛИ1) + tпер.(КР1533ТВ9) по
входу «R» + время
опережения установки информации по входам «J»
и «K» относительно
фронта спада на входе «С» триггера =14+19 +14+22 (нс) =69нс.
Время формирования выходных сигналов счетчика по
входу «C» (Тформ.C)
равно tпер.(КР1533 ЛИ1) + tпер.(КР1533ТВ9)
по входу «C» = 14+18=32 (нс)
Задержка переключения счетчика по входу «C»
(Тпер.C) равна tпер.
(КР1533 ЛИ1) + tпер.(КР1533ТВ9)
по входу «C» + tпер.(КР1533
ЛЛ1) + время опережения установки информации по входам «J»
и «K» относительно
фронта спада на входе «С» триггера = 14+18+14+22 (нс) =68нс.
3.2.1.2 Построение параллельного суммирующего
двоичного счетчика на базе D-триггера
Таблица переходов параллельного счетчика с
модулем пересчета 21, построенного на основе D-триггеров
представлена в таблице 7.
Таблица 7.
|
Текущее
значение разрядов в такте t
|
Значение
разрядов в следующем такте t+1
|
Сигналы
возбуждения триггеров
|
|
10-е
число
|
Q5
|
Q4
|
Q3
|
Q2
|
Q1
|
10-е
число
|
Q5
|
Q4
|
Q3
|
Q2
|
Q1
|
D5
|
D4
|
D3
|
D2
|
D1
|
|
0
|
0
|
0
|
0
|
0
|
0
|
1
|
0
|
0
|
0
|
0
|
1
|
0
|
0
|
0
|
0
|
1
|
|
1
|
0
|
0
|
0
|
0
|
1
|
2
|
0
|
0
|
0
|
1
|
0
|
0
|
0
|
0
|
1
|
0
|
|
2
|
0
|
0
|
0
|
1
|
0
|
3
|
0
|
0
|
0
|
1
|
1
|
0
|
0
|
0
|
1
|
1
|
|
3
|
0
|
0
|
0
|
1
|
1
|
4
|
0
|
0
|
1
|
0
|
0
|
0
|
0
|
1
|
0
|
0
|
|
4
|
0
|
0
|
1
|
0
|
0
|
5
|
0
|
0
|
1
|
0
|
1
|
0
|
0
|
1
|
0
|
1
|
|
5
|
0
|
0
|
1
|
0
|
1
|
6
|
0
|
0
|
1
|
1
|
0
|
0
|
0
|
1
|
1
|
0
|
|
6
|
0
|
0
|
1
|
1
|
0
|
7
|
0
|
0
|
1
|
1
|
1
|
0
|
0
|
1
|
1
|
1
|
|
7
|
0
|
0
|
1
|
1
|
1
|
8
|
0
|
1
|
0
|
0
|
0
|
0
|
1
|
0
|
0
|
0
|
|
8
|
0
|
1
|
0
|
0
|
0
|
9
|
0
|
1
|
0
|
0
|
1
|
0
|
1
|
0
|
0
|
1
|
|
9
|
0
|
1
|
0
|
0
|
1
|
10
|
0
|
1
|
0
|
1
|
0
|
0
|
1
|
0
|
1
|
0
|
|
10
|
0
|
1
|
0
|
1
|
0
|
11
|
0
|
1
|
0
|
1
|
1
|
0
|
1
|
0
|
1
|
1
|
|
11
|
0
|
1
|
0
|
1
|
1
|
12
|
0
|
1
|
1
|
0
|
0
|
0
|
1
|
1
|
0
|
0
|
|
12
|
0
|
1
|
1
|
0
|
0
|
13
|
0
|
1
|
1
|
0
|
1
|
0
|
1
|
1
|
0
|
1
|
|
13
|
0
|
1
|
1
|
0
|
1
|
14
|
0
|
1
|
1
|
1
|
0
|
0
|
1
|
1
|
1
|
0
|
|
14
|
0
|
1
|
1
|
1
|
0
|
15
|
0
|
1
|
1
|
1
|
1
|
0
|
1
|
1
|
1
|
1
|
|
15
|
0
|
1
|
1
|
1
|
1
|
16
|
1
|
0
|
0
|
0
|
0
|
1
|
0
|
0
|
0
|
0
|
|
16
|
1
|
0
|
0
|
0
|
0
|
17
|
1
|
0
|
0
|
0
|
1
|
1
|
0
|
0
|
0
|
1
|
|
17
|
1
|
0
|
0
|
0
|
1
|
18
|
1
|
0
|
1
|
0
|
1
|
0
|
0
|
1
|
0
|
|
18
|
1
|
0
|
0
|
1
|
0
|
19
|
1
|
0
|
0
|
1
|
1
|
1
|
0
|
0
|
1
|
1
|
|
19
|
1
|
0
|
0
|
1
|
1
|
20
|
1
|
0
|
1
|
0
|
0
|
1
|
0
|
1
|
0
|
0
|
|
20
|
1
|
0
|
1
|
0
|
0
|
0
|
0
|
0
|
0
|
0
|
0
|
0
|
0
|
0
|
0
|
0
|
D5=Q1Q2Q3Q4
D4= Q4 Q4 Q4 Q1Q2Q3
D3=Q1Q2 Q3 Q3
D2=Q1 Q2
D1=
Схема параллельного двоичного
счетчика на базе D-триггера с модулем пересчета 21, в
ней используются ИМС КР1533ЛН1, КР1533ЛА3, КР1533ЛА1, КР1533ЛА4 и КР1533ТМ9.
Схема счётчика представлена на
рисунке 7.
Рисунок 7 - Параллельный двоичный
счетчик на базе D-триггера.
Нагрузка по току со стороны источника входного
сигнала начальной установки:
Iвх1( R
) = 0,02мА, Iвх0( R
) = 0,1мА.
Нагрузка по току со стороны источника входного
сигнала синхроимпульса:
Iвх1(С) =
0,02мА, Iвх0(С)
=0,1мА.
По нагрузке на входные сигналы данная схема
удовлетворяет условиям ТЗ.
Время формирования выходных сигналов счетчика по
входу «R» (Тформ.R)
равно tпер.(КР1533ТМ9) по
входу «R» = 23 (нс).
Задержка переключения счетчика по входу «R»
(Тпер.R) равна tпер.(КР1533ТМ9)
по входу «R» + tпер.(
КР1533ЛН1) + tпер.(КР1533ЛА4)+tпер.(КР1533ЛА1)
+ время опережения установки информации по входам «J»
и «K» относительно
фронта спада на входе «С» триггера = 23+11+11+11+10 =66нс.
Время формирования выходных сигналов счетчика по
входу «С» (Тформ.С) равно tпер.(КР1533ТМ9)
по входу «С» = 17 (нс).
Задержка переключения счетчика по входу «С»
(Тпер.С) равна tпер.(КР1533ТМ9)
по входу «С» + tпер.(
КР1533ЛН1) + tпер.(КР1533ЛА4)+tпер.(КР1533ЛА1)
+ время опережения установки информации по входам «J»
и «K» относительно
фронта спада на входе «С» триггера = 17+11+11+11+10 =60нс.
.2.1.33. Построение двоичного суммирующего
счетчика с модулем пересчета 21 на базе СИС КР1533ИЕ19
Таблица истинности для функции обнуления
счетчика представлена в таблице 8.
Таблица 8.
|
N
|
Q5
|
Q4
|
Q3
|
Q2
|
Q1
|
F
|
|
1
|
0
|
0
|
0
|
0
|
0
|
0
|
|
2
|
0
|
0
|
0
|
0
|
1
|
0
|
|
3
|
0
|
0
|
0
|
1
|
0
|
0
|
|
4
|
0
|
0
|
0
|
1
|
1
|
0
|
|
5
|
0
|
0
|
1
|
0
|
0
|
0
|
|
6
|
0
|
0
|
1
|
0
|
1
|
0
|
|
7
|
0
|
0
|
1
|
1
|
0
|
0
|
|
8
|
0
|
0
|
1
|
1
|
1
|
0
|
|
9
|
0
|
1
|
0
|
0
|
0
|
0
|
|
10
|
0
|
1
|
0
|
0
|
1
|
0
|
|
11
|
0
|
1
|
0
|
1
|
0
|
0
|
|
12
|
0
|
1
|
0
|
1
|
1
|
0
|
|
13
|
0
|
1
|
1
|
0
|
0
|
0
|
|
14
|
0
|
1
|
1
|
0
|
1
|
0
|
|
15
|
0
|
1
|
1
|
1
|
0
|
0
|
|
16
|
0
|
1
|
1
|
1
|
1
|
0
|
|
17
|
1
|
0
|
0
|
0
|
0
|
0
|
|
18
|
1
|
0
|
0
|
0
|
1
|
0
|
|
19
|
1
|
0
|
0
|
1
|
0
|
0
|
|
20
|
1
|
0
|
0
|
1
|
1
|
0
|
|
21
|
1
|
0
|
1
|
0
|
0
|
1
|
|
22
|
1
|
0
|
1
|
0
|
1
|
*
|
|
23
|
1
|
0
|
1
|
1
|
0
|
*
|
|
24
|
1
|
0
|
1
|
1
|
1
|
*
|
|
25
|
1
|
1
|
0
|
0
|
0
|
*
|
|
26
|
1
|
1
|
0
|
0
|
1
|
*
|
|
27
|
1
|
1
|
0
|
1
|
0
|
*
|
|
28
|
1
|
1
|
0
|
1
|
1
|
*
|
|
29
|
1
|
1
|
1
|
0
|
0
|
*
|
|
30
|
1
|
1
|
1
|
0
|
1
|
*
|
|
31
|
1
|
1
|
1
|
1
|
0
|
*
|
|
32
|
1
|
1
|
1
|
1
|
1
|
*
|
|
Q1
|
|
|
|
Q1
|
|
|
|
Q2
|
0
|
0
|
0
|
0
|
|
Q2
|
0
|
*
|
*
|
0
|
|
|
0
|
0
|
0
|
0
|
Q4
|
|
*
|
*
|
*
|
*
|
Q4
|
|
|
0
|
0
|
0
|
0
|
|
|
*
|
*
|
*
|
|
|
0
|
0
|
0
|
0
|
|
|
0
|
*
|
1
|
0
|
|
|
|
Q3
|
|
|
|
|
Q3
|
|
|
|
|
|
Схема двоичного счетчика с модулем пересчета 21
на базе СИС, использующая микросхемы КР1533ИЕ19 и КР1533ЛИ1 представлена на
рисунке 7. Микросхема КР1533ЛИ1 служит для реализации функции сброса (F)
при достижении счетчиком максимального значения.
Рисунок 8 - Двоичный суммирующий счетчик на базе
СИС КР1533ИЕ19
Нагрузка по току со стороны источника входного
сигнала начальной установки:
Iвх1( R
) = 0,02мА, Iвх0( R
) = 0,2мА.
Нагрузка по току со стороны источника входного
сигнала синхроимпульса:
Iвх1( С )
= 0,02мА, Iвх0( С )
=0,1мА.
По входным сигналам данная схема удовлетворяет
условиям ТЗ.
Задержка переключения счетчика по входу «С»
равна 2*tпер(КР1533ИЕ19) + tпер(КР1533ЛИ1)
+ время установления сигнала «F»
относительно входа «С» =2*56+14+20 (нс) = 146нс.
Максимальное время формирование выходных
сигналов счетчика по входу «С» равно 2*tзд.(КР1533ИЕ19)
по входу «С» =112 нс.
Приходим к выводу, что схема не удовлетворяет ТЗ
по задержке. Построим тот же счётчик на ИМС КР1533ИЕ18.
Рисунок 9 - Двоичный суммирующий счетчик на базе
СИС КР1533ИЕ18
Нагрузка по току со стороны источника входного
сигнала начальной установки:
Iвх1( R
) = 0,02мА, Iвх0( R
) = 0,2мА.
Нагрузка по току со стороны источника входного
сигнала синхроимпульса:
Iвх1( С )
= 0,02мА, Iвх0( С )
=0,1мА.
По входным сигналам данная схема удовлетворяет
условиям ТЗ.
Задержка переключения счетчика по входу «С»
равна tпер(КР1533ЛА3) + tпер(КР1533ИЕ18)
+ время установления сигнала «F»
относительно входа «С» =11+17+15 = 43нс.
Максимальное время формирование выходных
сигналов счетчика по входу «С» равно tзд.(КР1533ЛА3)
+ tзд.(КР1533ИЕ18) по
входу «С» =11+17= 28нс.
Установка схемы в исходное состояние по сигналу
«R» происходит
синхронно. Таким образом нам удалось подогнать схему под ТЗ. Итого 3 корпуса.
.2.1.4 Выбор способа построения двоичного
счетчика.
Таблица 9.
|
Метод
построения счетчика Джонсона
|
T формR.
|
T перR.
|
T формC.
|
T перC.
|
Кол-во
корпусов
|
|
Параллельный
суммирующий двоичный счетчик на базе JK-триггера.
|
33нс.
|
69нс.
|
32нс.
|
68нс.
|
6
|
|
Параллельного
суммирующий двоичный счетчик на базе D-триггера.
|
23нс.
|
66нс.
|
17нс.
|
60нс.
|
8
|
|
Двоичный
суммирующий счетчик на базе СИС КР1533ИЕ18
|
-
|
-
|
28
|
43
|
3
|
Как видно из таблицы 9, наилучшим вариантом
построения является Двоичный суммирующий счетчик на базе СИС КР1533ИЕ18, для
его реализации требуется наименьшее количество микросхем.
3.2.2 Построение генератора чисел на базе двоичного
счетчика на базе СИС КР1533ИЕ18
.2.2.1 Генератор чисел на базе двоичного
счетчика с преобразователем кодов на элементах «И-НЕ».
Таблица истинности для преобразователя кодов,
реализующего выходные функции ГЧ в зависимости от значений счетчика и заданного
режима работы ГЧ приведена в таблице 10.
Таблица 10.
|
N-такта
|
M
|
Q5
|
Q4
|
Q3
|
Q2
|
Q1
|
Z2
|
Z1
|
10-е число
|
|
0
|
0
|
0
|
0
|
0
|
0
|
0
|
0
|
1
|
1
|
|
1
|
0
|
0
|
0
|
0
|
0
|
1
|
0
|
0
|
0
|
|
2
|
0
|
0
|
0
|
0
|
1
|
0
|
0
|
0
|
0
|
|
3
|
0
|
0
|
0
|
0
|
1
|
1
|
0
|
0
|
0
|
|
4
|
0
|
0
|
0
|
1
|
0
|
0
|
0
|
1
|
1
|
|
5
|
0
|
0
|
0
|
1
|
0
|
1
|
0
|
0
|
0
|
|
6
|
0
|
0
|
0
|
1
|
1
|
0
|
1
|
0
|
2
|
|
7
|
0
|
0
|
0
|
1
|
1
|
1
|
0
|
0
|
0
|
|
8
|
0
|
0
|
1
|
0
|
0
|
0
|
1
|
1
|
3
|
|
9
|
0
|
0
|
1
|
0
|
0
|
1
|
0
|
0
|
0
|
|
10
|
0
|
0
|
1
|
0
|
1
|
0
|
0
|
0
|
0
|
|
11
|
0
|
0
|
1
|
0
|
1
|
1
|
0
|
0
|
0
|
|
12
|
0
|
0
|
1
|
1
|
0
|
0
|
1
|
1
|
3
|
|
13
|
0
|
0
|
1
|
1
|
0
|
1
|
0
|
0
|
0
|
|
14
|
0
|
0
|
1
|
1
|
1
|
0
|
1
|
0
|
2
|
|
15
|
0
|
0
|
1
|
1
|
1
|
1
|
0
|
0
|
0
|
|
16
|
0
|
1
|
0
|
0
|
0
|
0
|
0
|
0
|
0
|
|
17
|
0
|
1
|
0
|
0
|
0
|
1
|
0
|
0
|
0
|
|
18
|
0
|
1
|
0
|
0
|
1
|
0
|
0
|
1
|
1
|
|
19
|
0
|
1
|
0
|
0
|
1
|
1
|
0
|
0
|
0
|
|
20
|
0
|
1
|
0
|
1
|
0
|
0
|
1
|
0
|
2
|
|
0
|
1
|
0
|
0
|
0
|
0
|
0
|
1
|
0
|
2
|
|
1
|
1
|
0
|
0
|
0
|
0
|
1
|
0
|
1
|
1
|
|
2
|
1
|
0
|
0
|
0
|
1
|
0
|
0
|
1
|
1
|
|
3
|
1
|
0
|
0
|
0
|
1
|
1
|
0
|
0
|
0
|
|
4
|
1
|
0
|
0
|
1
|
0
|
0
|
0
|
0
|
0
|
|
5
|
1
|
0
|
0
|
1
|
0
|
1
|
1
|
2
|
|
6
|
1
|
0
|
0
|
1
|
1
|
0
|
0
|
0
|
0
|
|
7
|
1
|
0
|
0
|
1
|
1
|
1
|
0
|
0
|
0
|
|
8
|
1
|
0
|
1
|
0
|
0
|
0
|
0
|
1
|
1
|
|
9
|
1
|
0
|
1
|
0
|
0
|
1
|
0
|
1
|
1
|
|
10
|
1
|
0
|
1
|
0
|
1
|
0
|
1
|
0
|
2
|
|
11
|
1
|
0
|
1
|
0
|
1
|
1
|
0
|
0
|
0
|
|
12
|
1
|
0
|
1
|
1
|
0
|
0
|
0
|
0
|
0
|
|
13
|
1
|
0
|
1
|
1
|
0
|
1
|
0
|
1
|
1
|
|
14
|
1
|
0
|
1
|
1
|
1
|
0
|
0
|
0
|
0
|
|
15
|
1
|
0
|
1
|
1
|
1
|
1
|
0
|
0
|
0
|
|
16
|
1
|
1
|
0
|
0
|
0
|
0
|
0
|
0
|
0
|
|
17
|
1
|
1
|
0
|
0
|
0
|
1
|
1
|
0
|
2
|
|
18
|
1
|
1
|
0
|
0
|
1
|
0
|
0
|
0
|
0
|
|
19
|
1
|
1
|
0
|
0
|
1
|
1
|
0
|
1
|
1
|
|
20
|
1
|
1
|
0
|
1
|
0
|
0
|
1
|
0
|
2
|
Для минимизации используем программу “Carno
Minimazer
v1.6”
Воспользуемся в качестве основы для построения
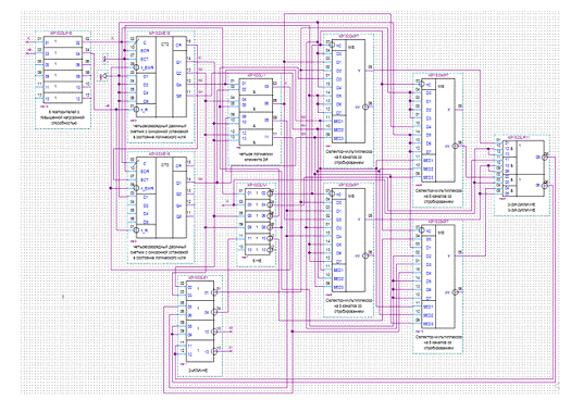
ГЧ схемой двоичного суммирующего счетчика на базе СИС КР1533ИЕ18. Полученная
схема, построенная на микросхемах КР1533ЛП16, КР1533ИЕ18, КР1533ЛА3, КР1533ЛА4,
КР1533ЛН1, КР1533ЛА1, КР1533ЛА2 КР1533ЛР11. Схема представлена на рисунке 10.
Рисунок 10 - Генератор чисел на базе двоичного
суммирующего счетчика с преобразователем кодов на элементах «И-НЕ».
Выходные сигналы Z1
и Z2
снимаются с усилителя КР1533ЛП16, выходной ток которого составляет не менее
30мА, что удовлетворяет условию ТЗ.
Время формирования выходных сигналов ГЧ по входу
«С» равно tпер.(КР1533ЛП16) + tпер.(КР1533ИЕ18)
по входу «С» + tпер.(КР1533ЛН1)
+ tпер.(КР1533ЛА1) + tпер.(КР1533ЛА2)
+ tпер.(КР1533ЛР11) + tпер.(КР1533ЛА3)
= 8+17+11+11+12+20+11=90
Задержка переключения ГЧ по входу «C»
равно времени переключения по входу «С» использованного счетчика + tпер.(КР1533ЛН1)
+ tпер.(КР1533ЛА1) + tпер.(КР1533ЛА2)
+ tпер.(КР1533ЛР11) + tпер.(КР1533ЛА3)
=43 + 11+11+12+20+11=108нс.
Установка схемы в исходное состояние по сигналу
«R» происходит
синхронно.
Построенная схема не удовлетворяет ТЗ по
критериям задержки. При замене всех логических элементов на более мощные
аналоги резко возрастает и выходит за критерии потребляемая мощность.
3.2.2.2 Генератор чисел на базе двоичного
счетчика с преобразователем кодов на «монтажном ИЛИ»
Проанализировав таблицу 9 и выполнив минимизацию
функций по “0”, с помощью программы “Carno
Minimizer
v1.6”, приходим к
выводу, что при минимизации по “0”, получается больше термов, чем при
минимизации по “1”, что приведёт только к усложнению схемы. Поэтому этот метод
нам не подойдёт.
.2.2.3 Генератор чисел на базе двоичного
счетчика, с преобразователем кодов на мультиплексорах с четырьмя адресными
входами
Таблица истинности для преобразователя кодов,
реализующего выходные функции ГЧ в зависимости от значений счетчика и заданного
режима работы приведена в таблице 11.
Таблица 11.
|
А3(M)
|
А2(Q5)
|
А1(Q4)
|
A0(Q3)
|
Q2
|
Q1
|
Z2
|
Входы
|
Сигнал
|
Z1
|
Входы
|
Сигнал
|
|
0 0 0 0
|
0
0 0 0
|
0 0
0 0
|
0 0 0 0
|
0 0
1 1
|
0 1
0 1
|
0
0 0 0
|
B0
|
0
|
1
0 0 0
|
D0
|
|
|
0 0 0 0
|
0
0 0 0
|
0 0 0 0
|
1 1 1 1
|
0 0
1 1
|
0 1
0 1
|
0
0 1 0
|
B1
|
|
1
0 0 0
|
D1
|
|
|
0 0 0 0
|
0
0 0 0
|
1 1 1 1
|
0 0
0 0
|
0 0
1 1
|
0 1
0 1
|
1
0 0 0
|
B2
|
|
1
0 0 0
|
D2
|
|
|
0 0 0 0
|
0
0 0 0
|
1 1 1 1
|
1 1 1 1
|
0 0
1 1
|
0 1
0 1
|
1
0 1 0
|
B3
|
|
1
0 0 0
|
D3
|
|
|
0 0 0 0
|
1
1 1 1
|
0 0 0 0
|
0 0 0 0
|
0 0
1 1
|
0 1
0 1
|
0
0 0 0
|
B4
|
0
|
0
0 1 0
|
D4
|
|
|
0 0 0 0
|
1
1 1 1
|
0 0 0 0
|
1 1 1 1
|
0 0
1 1
|
0 1
0 1
|
1
- - -
|
B5
|
1
|
0
- - -
|
D5
|
0
|
|
0 0 0 0
|
1
1 1 1
|
1 1 1 1
|
0 0 0 0
|
0 0
1 1
|
0 1
0 1
|
-
- - -
|
B6
|
1
|
-
- - -
|
D6
|
0
|
|
0 0 0 0
|
1
1 1 1
|
1 1 1 1
|
1 1 1 1
|
0 0
1 1
|
0 1
0 1
|
-
- - -
|
B7
|
1
|
-
- - -
|
D7
|
0
|
|
1
1 1 1
|
0
0 0 0
|
0 0 0 0
|
0 0 0 0
|
0 0
1 1
|
0 1
0 1
|
1
0 0 0
|
B8
|
|
0
1 1 0
|
D8
|
|
|
1
1 1 1
|
0
0 0 0
|
0 0 0 0
|
1 1 1 1
|
0 0
1 1
|
0 1
0 1
|
0
1 0 0
|
B9
|
|
0
0 0 0
|
D9
|
0
|
|
1
1 1 1
|
0
0 0 0
|
1 1 1 1
|
0 0 0 0
|
0 0
1 1
|
0 1
0 1
|
0
0 1 0
|
B10
|
|
1
1 0 0
|
D10
|
|
|
1
1 1 1
|
0
0 0 0
|
1 1 1 1
|
1 1 1 1
|
0 0
1 1
|
0 1
0 1
|
0
0 0 0
|
B11
|
0
|
0
1 0 0
|
D11
|
|
|
1
1 1 1
|
1
1 1 1
|
0 0 0 0
|
0 0 0 0
|
0 0
1 1
|
0 1
0 1
|
0
1 0 0
|
B12
|
|
0
0 0 1
|
D12
|
|
|
1
1 1 1
|
1
1 1 1
|
0 0 0 0
|
1 1 1 1
|
0 0
1 1
|
0 1
0 1
|
1
- - -
|
B13
|
1
|
0
- - -
|
D13
|
0
|
|
1
1 1 1
|
1 1 1 1
|
0 0 0 0
|
0 0
1 1
|
0 1
0 1
|
-
- - -
|
B14
|
1
|
-
- - -
|
D14
|
0
|
|
1
1 1 1
|
1
1 1 1
|
1 1 1 1
|
1 1 1 1
|
0 0
1 1
|
0 1
0 1
|
-
- - -
|
B15
|
1
|
-
- - -
|
D15
|
0
|
Воспользуемся в качестве основы для построения
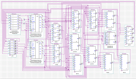
ГЧ схемой двоичного суммирующего счетчика на базе СИС КР1533ИЕ18. Полученная
схема, построенная на микросхемах КР1533ИЕ18, КР1533ЛИ1, КР1533ЛН1, КР1533ЛИ1,
КР1533КП7, КР1533ЛР11. Схема представлена на рисунке 11.
Рисунок 11 - Генератор чисел на базе двоичного
суммирующего счетчика с преобразователем кодов на мультиплексорах.
Нагрузка по току со стороны источника входного
сигнала начальной установки:
Iвх1( R
) = 0,02мА, Iвх0( R
) = 0,2мА.
Нагрузка по току со стороны источника входного
сигнала синхроимпульса:
Iвх1( С )
= 0,02мА, Iвх0( С )
=0,1мА.
По входным сигналам данная схема удовлетворяет
условиям ТЗ.
Выходные сигналы Z1
и Z2
снимаются с микросхем КР1533ЛЕ1, служащая инвертором выходных сигналов, снятых
с КР1533ЛР11, выходной ток которой составляет не менее 30мА, что удовлетворяет
условию ТЗ.
Р =Ucc*(2*Icc(КР1533ИЕ18)
+ 1*Icc(КР1533ЛП16)
+ 1*Icc(КР1533ЛИ1)
+ 1*Icc(КР1533ЛН1)
+ 1*Icc(КР1533ЛЕ1)
+ 4*Icc(КР1533КП7)
+ 1*Icc(КР1533ЛР11)
=5,5*(2*21 + 1*10,6 + 1*4 + 1*4,2 + 1*4 + 4*12 + 1*2,8)=588,1мВт.
Таким образом, схема не удовлетворяет
требованиям ТЗ по потребляемой мощности.
Генератор чисел на базе двоичного счетчика с
преобразователем кодов на И-ИЛИ-НЕ
Проанализировав таблицу 9 и выполнив минимизацию
функций по “0”, с помощью программы “Carno
Minimizer
v1.6”, приходим к
выводу, что при минимизации по “0”, получается больше термов, чем при
минимизации по “1”, что приведёт только к усложнению схемы. Поэтому этот метод
нам не подойдёт.
.3 Генератор чисел на базе кольцевого счетчика
.3.1 Варианты построение кольцевого счетчика и
выбор оптимального в соответствии с критерием оптимизации
.3.1.1 Построение кольцевого счетчика на базе
сдвигового регистра, в качестве которого использована СИС
Построим кольцевой счетчик на базе микросхемы
КР1533ИР13, которая представляет собой восьмиразрядный сдвиговый регистр. Для
построения счётчика с модулем пересчёта 21 потребуется 3 корпуса КР1533ИР13.
Предварительно рассчитав потребляемую мощность: Р=Ucc*3*Icc(КР1533ИР13)=5,5*3*40=660,
приходим к выводу, что счётчик не будет удовлетворять критерию потребляемой
мощности. Дальнейшее построение счётчика не имеет смысл.
.3.1.2 Построение кольцевого счетчика на базе
счетчика Джонсона с дешифратором кода Джонсона
В качестве основы для построения
рассматриваемого типа кольцевого счетчика целесообразно использовать ранее
разработанную оптимальную схему счетчика Джонсона, представленную на рисунке 3.
Таблица истинности для дешифратора кода Джонсона представлена в таблице 12.
Таблица 12.
|
N-такта число)
|
Состояние
|
Кольцевой
счетчик
|
|
Q11
|
Q10
|
Q9
|
Q8
|
Q7
|
Q6
|
Q5
|
Q4
|
Q3
|
Q2
|
Q1
|
Y1
|
Y2
|
Y3
|
Y4
|
Y5
|
Y6
|
Y7
|
Y8
|
Y9
|
Y10
|
Y11
|
Y12
|
Y13
|
Y14
|
Y15
|
Y16
|
Y17
|
Y18
|
Y19
|
Y20
|
Y21
|
| 0 |
0
|
0
|
0
|
0
|
0
|
0
|
0
|
0
|
0
|
0
|
0
|
1
|
0
|
0
|
0
|
0
|
0
|
0
|
0
|
0
|
0
|
0
|
0
|
0
|
0
|
0
|
0
|
0
|
0
|
0
|
0
|
0
|
| 1 |
1
|
0
|
0
|
0
|
0
|
0
|
0
|
0
|
0
|
0
|
0
|
0
|
1
|
0
|
0
|
0
|
0
|
0
|
0
|
0
|
0
|
0
|
0
|
0
|
0
|
0
|
0
|
0
|
0
|
0
|
0
|
0
|
| 2 |
1
|
1
|
0
|
0
|
0
|
0
|
0
|
0
|
0
|
0
|
0
|
0
|
0
|
1
|
0
|
0
|
0
|
0
|
0
|
0
|
0
|
0
|
0
|
0
|
0
|
0
|
0
|
0
|
0
|
0
|
0
|
0
|
| 3 |
1
|
1
|
1
|
0
|
0
|
0
|
0
|
0
|
0
|
0
|
0
|
0
|
0
|
0
|
1
|
0
|
0
|
0
|
0
|
0
|
0
|
0
|
0
|
0
|
0
|
0
|
0
|
0
|
0
|
0
|
0
|
0
|
| 4 |
1
|
1
|
1
|
1
|
0
|
0
|
0
|
0
|
0
|
0
|
0
|
0
|
0
|
0
|
0
|
1
|
0
|
0
|
0
|
0
|
0
|
0
|
0
|
0
|
0
|
0
|
0
|
0
|
0
|
0
|
0
|
0
|
| 5 |
1
|
1
|
1
|
1
|
1
|
0
|
0
|
0
|
0
|
0
|
0
|
0
|
0
|
0
|
0
|
0
|
1
|
0
|
0
|
0
|
0
|
0
|
0
|
0
|
0
|
0
|
0
|
0
|
0
|
0
|
0
|
0
|
| 6 |
1
|
1
|
1
|
1
|
1
|
1
|
0
|
0
|
0
|
0
|
0
|
0
|
0
|
0
|
0
|
0
|
0
|
1
|
0
|
0
|
0
|
0
|
0
|
0
|
0
|
0
|
0
|
0
|
0
|
0
|
0
|
0
|
| 7 |
1
|
1
|
1
|
1
|
1
|
1
|
1
|
0
|
0
|
0
|
0
|
0
|
0
|
0
|
0
|
0
|
0
|
0
|
1
|
0
|
0
|
0
|
0
|
0
|
0
|
0
|
0
|
0
|
0
|
0
|
0
|
0
|
| 8 |
1
|
1
|
1
|
1
|
1
|
1
|
1
|
1
|
0
|
0
|
0
|
0
|
0
|
0
|
0
|
0
|
0
|
0
|
1
|
0
|
0
|
0
|
0
|
0
|
0
|
0
|
0
|
0
|
0
|
0
|
0
|
| 9 |
1
|
1
|
1
|
1
|
1
|
1
|
1
|
1
|
1
|
0
|
0
|
0
|
0
|
0
|
0
|
0
|
0
|
0
|
0
|
0
|
1
|
0
|
0
|
0
|
0
|
0
|
0
|
0
|
0
|
0
|
0
|
0
|
| 10 |
1
|
1
|
1
|
1
|
1
|
1
|
1
|
1
|
1
|
1
|
0
|
0
|
0
|
0
|
0
|
0
|
0
|
0
|
0
|
0
|
0
|
1
|
0
|
0
|
0
|
0
|
0
|
0
|
0
|
0
|
0
|
0
|
| 11 |
1
|
1
|
1
|
1
|
1
|
1
|
1
|
1
|
1
|
1
|
1
|
0
|
0
|
0
|
0
|
0
|
0
|
0
|
0
|
0
|
0
|
0
|
1
|
0
|
0
|
0
|
0
|
0
|
0
|
0
|
0
|
0
|
| 12 |
0
|
1
|
1
|
1
|
1
|
1
|
1
|
1
|
1
|
1
|
1
|
0
|
0
|
0
|
0
|
0
|
0
|
0
|
0
|
0
|
0
|
0
|
0
|
1
|
0
|
0
|
0
|
0
|
0
|
0
|
0
|
0
|
| 13 |
0
|
0
|
1
|
1
|
1
|
1
|
1
|
1
|
1
|
1
|
1
|
0
|
0
|
0
|
0
|
0
|
0
|
0
|
0
|
0
|
0
|
0
|
0
|
0
|
1
|
0
|
0
|
0
|
0
|
0
|
0
|
0
|
| 14 |
0
|
0
|
0
|
1
|
1
|
1
|
1
|
1
|
1
|
1
|
1
|
0
|
0
|
0
|
0
|
0
|
0
|
0
|
0
|
0
|
0
|
0
|
0
|
0
|
0
|
1
|
0
|
0
|
0
|
0
|
0
|
0
|
| 15 |
0
|
0
|
0
|
0
|
1
|
1
|
1
|
1
|
1
|
1
|
1
|
0
|
0
|
0
|
0
|
0
|
0
|
0
|
0
|
0
|
0
|
0
|
0
|
0
|
0
|
0
|
1
|
0
|
0
|
0
|
0
|
0
|
| 16 |
0
|
0
|
0
|
0
|
0
|
1
|
1
|
1
|
1
|
1
|
1
|
0
|
0
|
0
|
0
|
0
|
0
|
0
|
0
|
0
|
0
|
0
|
0
|
0
|
0
|
0
|
0
|
1
|
0
|
0
|
0
|
0
|
| 17 |
0
|
0
|
0
|
0
|
0
|
0
|
1
|
1
|
1
|
1
|
1
|
0
|
0
|
0
|
0
|
0
|
0
|
0
|
0
|
0
|
0
|
0
|
0
|
0
|
0
|
0
|
0
|
0
|
1
|
0
|
0
|
0
|
| 18 |
0
|
0
|
0
|
0
|
0
|
0
|
0
|
1
|
1
|
1
|
1
|
0
|
0
|
0
|
0
|
0
|
0
|
0
|
0
|
0
|
0
|
0
|
0
|
0
|
0
|
0
|
0
|
0
|
0
|
1
|
0
|
0
|
| 19 |
0
|
0
|
0
|
0
|
0
|
0
|
0
|
0
|
1
|
1
|
1
|
0
|
0
|
0
|
0
|
0
|
0
|
0
|
0
|
0
|
0
|
0
|
0
|
0
|
0
|
0
|
0
|
0
|
0
|
1
|
0
|
| 20 |
0
|
0
|
0
|
0
|
0
|
0
|
0
|
0
|
0
|
1
|
1
|
0
|
0
|
0
|
0
|
0
|
0
|
0
|
0
|
0
|
0
|
0
|
0
|
0
|
0
|
0
|
0
|
0
|
0
|
0
|
0
|
1
|
|
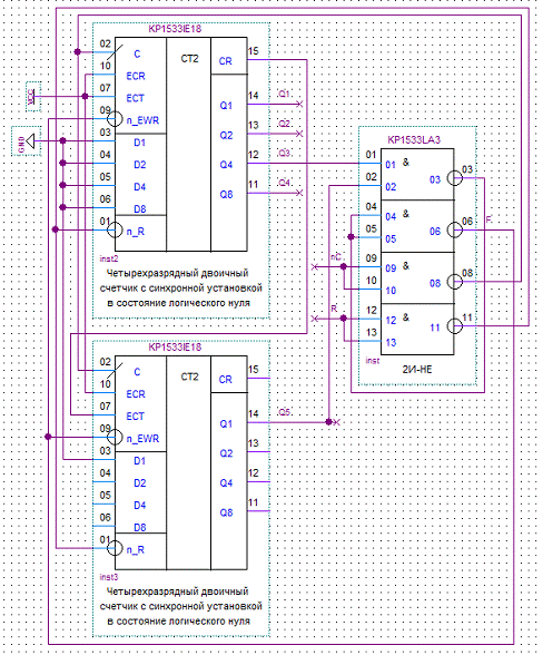
Схема кольцевого счетчика на базе счетчика
Джонсона (представленного на рисунке 3) с дешифратором кода Джонсона, собранная
на микросхемах КР1533ТМ8и КР1533ЛИ1 представлена на рисунке 12.
Рисунок 12 - Кольцевой счетчик на базе счетчика
Джонсона с дешифратором кода Джонсона
Таким образом, для построения счётчика
потребовалось 9 корпусов.
Нагрузка по току со стороны источника входного
сигнала начальной установки:
Iвх1( R
) = 0,02мА, Iвх0( R
) = 0,1мА.
Нагрузка по току со стороны источника входного
сигнала синхроимпульса:
Iвх1( С )
= 0,02мА, Iвх0( С )
= 0,1мА.
По входным сигналам данная схема удовлетворяет
условиям ТЗ.
Время формирования выходных сигналов счетчика по
входу «R» (Tформ.R)
равно tзд.(КР1533ЛИ1) + tзд.(КР1533ТМ8)
по входу «R» =14+23 (нс) =37
нс.
Время формирования выходных сигналов счетчика по
входу «С» (Tформ.С) равно tзд.(КР1533ЛИ1)+
tзд.(КР1533ТМ8) по
входу «С» =14+17 (нс) =31с.
Задержка переключения счетчика по входу «R»
(Tпер.R)
равна tзд.(КР1533ТМ8) по
входу «R» + 2*tзд.(КР1533ЛИ1)
+время предустановки сигналов на входах «D»
микросхемы DD1
относительно переднего фронта сигнала «С» =23+2*14+10 (нс) =61 нс.
Задержка переключения счетчика по входу «С» (Tпер.С)
равна tзд(КР1533ТМ8) по
входу «С» +2* tзд.(КР1533ЛИ1) +
время предустановки сигналов на входах «D»
микросхемы DD1
относительно переднего фронта сигнала «С» =17+2*14+10 (нс) =55 нс.
.3.1.3 Построение кольцевого счетчика на базе
сдвигового регистра, построенного на D-триггерах
Так как длина нашей последовательности равна 21,
то для построения такого счётчика нам понадобится 4 корпуса ИМС КР1533ТМ9,
которая представляет собой шесть триггеров D
-типа с прямыми выходами, что соответствует длине нашей последовательности.
Схема приведена на рисунке 11.
Рисунок 12 - Кольцевой счетчик на базе D-триггеров
Рассчитав мощность: Р=Ucc*4*Icc(КР1533ТМ9)=5,5*4*19=418мВ,
приходим к выводу, что схема не удовлетворяет условие ТЗ по потребляемой
мощности. Можно заменить микросхему КР1533ТМ9 на другую. В составе серии
микросхем, представляющих собой D-триггеры
с синхровходом мы можем воспользоваться КР1533ТМ2, представляющую собой 2 D-триггера
с синхровходом. Для построения счётчика на базе такой микросхемы потребуется 11
корпусов, что превышает АЗ счётчика, рассмотренного в предыдущем пункте.
.3.1.4 Построение кольцевого счетчика на базе
двоичного счетчика с дешифратором
Таблица истинности для дешифратора двоичного
кода, формируемого счетчиком, представлена в таблице 13. Поскольку данный
дешифратор является неполным, его выходные функции могут быть минимизированы.
Таблица 13.
|
N-такта (число)
|
Состояние
дв. cчетчика
|
Выходы
кольцевого счетчика
|
|
Q5
|
Q4
|
Q3
|
Q2
|
Q1
|
Y1
|
Y2
|
Y3
|
Y4
|
Y5
|
Y6
|
Y7
|
Y8
|
Y9
|
Y10
|
Y11
|
Y12
|
Y13
|
Y14
|
Y15
|
Y16
|
Y17
|
Y18
|
Y19
|
Y20
|
Y21
|
|
0
|
0
|
0
|
0
|
0
|
0
|
1
|
0
|
0
|
0
|
0
|
0
|
0
|
0
|
0
|
0
|
0
|
0
|
0
|
0
|
0
|
0
|
0
|
0
|
0
|
0
|
0
|
|
1
|
0
|
0
|
0
|
0
|
1
|
0
|
1
|
0
|
0
|
0
|
0
|
0
|
0
|
0
|
0
|
0
|
0
|
0
|
0
|
0
|
0
|
0
|
0
|
0
|
0
|
0
|
|
2
|
0
|
0
|
0
|
1
|
0
|
0
|
0
|
1
|
0
|
0
|
0
|
0
|
0
|
0
|
0
|
0
|
0
|
0
|
0
|
0
|
0
|
0
|
0
|
0
|
0
|
0
|
|
3
|
0
|
0
|
0
|
1
|
1
|
0
|
0
|
0
|
1
|
0
|
0
|
0
|
0
|
0
|
0
|
0
|
0
|
0
|
0
|
0
|
0
|
0
|
0
|
0
|
0
|
0
|
|
4
|
0
|
0
|
1
|
0
|
0
|
0
|
0
|
0
|
0
|
1
|
0
|
0
|
0
|
0
|
0
|
0
|
0
|
0
|
0
|
0
|
0
|
0
|
0
|
0
|
0
|
0
|
|
5
|
0
|
0
|
1
|
0
|
1
|
0
|
0
|
0
|
0
|
0
|
1
|
0
|
0
|
0
|
0
|
0
|
0
|
0
|
0
|
0
|
0
|
0
|
0
|
0
|
0
|
0
|
|
6
|
0
|
0
|
1
|
1
|
0
|
0
|
0
|
0
|
0
|
0
|
0
|
1
|
0
|
0
|
0
|
0
|
0
|
0
|
0
|
0
|
0
|
0
|
0
|
0
|
0
|
0
|
|
7
|
0
|
0
|
1
|
1
|
1
|
0
|
0
|
0
|
0
|
0
|
0
|
0
|
1
|
0
|
0
|
0
|
0
|
0
|
0
|
0
|
0
|
0
|
0
|
0
|
0
|
0
|
|
8
|
0
|
1
|
0
|
0
|
0
|
0
|
0
|
0
|
0
|
0
|
0
|
0
|
0
|
1
|
0
|
0
|
0
|
0
|
0
|
0
|
0
|
0
|
0
|
0
|
0
|
|
9
|
0
|
1
|
0
|
0
|
1
|
0
|
0
|
0
|
0
|
0
|
0
|
0
|
0
|
0
|
1
|
0
|
0
|
0
|
0
|
0
|
0
|
0
|
0
|
0
|
0
|
0
|
|
10
|
0
|
1
|
0
|
1
|
0
|
0
|
0
|
0
|
0
|
0
|
0
|
0
|
0
|
0
|
0
|
1
|
0
|
0
|
0
|
0
|
0
|
0
|
0
|
0
|
0
|
0
|
|
11
|
0
|
1
|
0
|
1
|
1
|
0
|
0
|
0
|
0
|
0
|
0
|
0
|
0
|
0
|
0
|
0
|
1
|
0
|
0
|
0
|
0
|
0
|
0
|
0
|
0
|
0
|
|
12
|
0
|
1
|
1
|
0
|
0
|
0
|
0
|
0
|
0
|
0
|
0
|
0
|
0
|
0
|
0
|
0
|
0
|
1
|
0
|
0
|
0
|
0
|
0
|
0
|
0
|
0
|
|
13
|
0
|
1
|
1
|
0
|
1
|
0
|
0
|
0
|
0
|
0
|
0
|
0
|
0
|
0
|
0
|
0
|
0
|
0
|
1
|
0
|
0
|
0
|
0
|
0
|
0
|
0
|
|
14
|
0
|
1
|
1
|
1
|
0
|
0
|
0
|
0
|
0
|
0
|
0
|
0
|
0
|
0
|
0
|
0
|
0
|
0
|
0
|
1
|
0
|
0
|
0
|
0
|
0
|
0
|
|
15
|
0
|
1
|
1
|
1
|
1
|
0
|
0
|
0
|
0
|
0
|
0
|
0
|
0
|
0
|
0
|
0
|
0
|
0
|
0
|
0
|
1
|
0
|
0
|
0
|
0
|
0
|
|
16
|
1
|
0
|
0
|
0
|
0
|
0
|
0
|
0
|
0
|
0
|
0
|
0
|
0
|
0
|
0
|
0
|
0
|
0
|
0
|
0
|
0
|
1
|
0
|
0
|
0
|
0
|
|
17
|
1
|
0
|
0
|
0
|
1
|
0
|
0
|
0
|
0
|
0
|
0
|
0
|
0
|
0
|
0
|
0
|
0
|
0
|
0
|
0
|
0
|
0
|
1
|
0
|
0
|
0
|
|
18
|
1
|
0
|
0
|
1
|
0
|
0
|
0
|
0
|
0
|
0
|
0
|
0
|
0
|
0
|
0
|
0
|
0
|
0
|
0
|
0
|
0
|
0
|
0
|
1
|
0
|
0
|
|
19
|
1
|
0
|
0
|
1
|
1
|
0
|
0
|
0
|
0
|
0
|
0
|
0
|
0
|
0
|
0
|
0
|
0
|
0
|
0
|
0
|
0
|
0
|
0
|
0
|
1
|
0
|
|
20
|
1
|
0
|
1
|
0
|
0
|
0
|
0
|
0
|
0
|
0
|
0
|
0
|
0
|
0
|
0
|
0
|
0
|
0
|
0
|
0
|
0
|
0
|
0
|
0
|
0
|
1
|
|
21
|
1
|
0
|
1
|
0
|
1
|
*
|
*
|
*
|
*
|
*
|
*
|
*
|
*
|
*
|
*
|
*
|
*
|
*
|
*
|
*
|
*
|
*
|
*
|
*
|
*
|
|
22
|
1
|
0
|
1
|
1
|
0
|
*
|
*
|
*
|
*
|
*
|
*
|
*
|
*
|
*
|
*
|
*
|
*
|
*
|
*
|
*
|
*
|
*
|
*
|
*
|
*
|
*
|
|
23
|
1
|
0
|
1
|
1
|
1
|
*
|
*
|
*
|
*
|
*
|
*
|
*
|
*
|
*
|
*
|
*
|
*
|
*
|
*
|
*
|
*
|
*
|
*
|
*
|
*
|
*
|
|
24
|
1
|
1
|
0
|
0
|
0
|
*
|
*
|
*
|
*
|
*
|
*
|
*
|
*
|
*
|
*
|
*
|
*
|
*
|
*
|
*
|
*
|
*
|
*
|
*
|
*
|
*
|
|
25
|
1
|
1
|
0
|
0
|
1
|
*
|
*
|
*
|
*
|
*
|
*
|
*
|
*
|
*
|
*
|
*
|
*
|
*
|
*
|
*
|
*
|
*
|
*
|
*
|
*
|
*
|
|
26
|
1
|
1
|
0
|
1
|
0
|
*
|
*
|
*
|
*
|
*
|
*
|
*
|
*
|
*
|
*
|
*
|
*
|
*
|
*
|
*
|
*
|
*
|
*
|
*
|
*
|
*
|
|
27
|
1
|
1
|
0
|
1
|
1
|
*
|
*
|
*
|
*
|
*
|
*
|
*
|
*
|
*
|
*
|
*
|
*
|
*
|
*
|
*
|
*
|
*
|
*
|
*
|
*
|
*
|
|
28
|
1
|
1
|
1
|
0
|
0
|
*
|
*
|
*
|
*
|
*
|
*
|
*
|
*
|
*
|
*
|
*
|
*
|
*
|
*
|
*
|
*
|
*
|
*
|
*
|
*
|
*
|
|
29
|
1
|
1
|
1
|
0
|
1
|
*
|
*
|
*
|
*
|
*
|
*
|
*
|
*
|
*
|
*
|
*
|
*
|
*
|
*
|
*
|
*
|
*
|
*
|
*
|
*
|
*
|
|
30
|
1
|
1
|
1
|
1
|
0
|
*
|
*
|
*
|
*
|
*
|
*
|
*
|
*
|
*
|
*
|
*
|
*
|
*
|
*
|
*
|
*
|
*
|
*
|
*
|
*
|
*
|
|
31
|
1
|
1
|
1
|
1
|
1
|
*
|
*
|
*
|
*
|
*
|
*
|
*
|
*
|
*
|
*
|
*
|
*
|
*
|
*
|
*
|
*
|
*
|
*
|
*
|
*
|
*
|
Для построения такого счётчика потребуется не
менее 21 корпуса ИМС КР1533ЛА2, что превышает АЗ счётчиков, рассмотренных в
пункте 4.3.1.2.
3.3.1.5 Выбор способа построения кольцевого
счетчика
Таблица 14.
|
Метод
построения счетчика Джонсона
|
T формR.
|
T перR.
|
T формC.
|
T перC.
|
Мощность,
(мВт)
|
Кол-во
корпусов
|
|
Построение
кольцевого счетчика на базе сдвигового регистра, в качестве которого
использована СИС
|
-
|
-
|
-
|
-
|
660
|
3+
|
|
Кольцевой
счетчик на базе счетчика Джонсона с дешифратором кода Джонсона
|
37нс.
|
61нс.
|
31нс.
|
55нс.
|
-
|
9
|
|
Кольцевой
счетчик на базе D-триггеров
|
-
|
-
|
-
|
-
|
418
|
11
|
|
Кольцевого
счетчик на базе двоичного счетчика с дешифратором
|
-
|
-
|
-
|
-
|
-
|
21+
|
Как видно из таблицы 14, наилучшим вариантом
построения является Кольцевой счетчик на базе счетчика Джонсона с дешифратором
кода Джонсона, для его реализации требуется наименьшее количество микросхем.
.3.2 Построение генератора чисел на базе
кольцевого счетчика
Таблица соответствий выходов кольцевого счетчика
формируемым числам представлена в таблице 15.
Таблица 15
|
Режим
|
M=0
|
M=1
|
|
Y1
|
Y2
|
Y3
|
Y4
|
Y6
|
Y7
|
Y8
|
Y9
|
Y10
|
Y11
|
Y12
|
Y13
|
Y14
|
Y15
|
Y16
|
Y17
|
Y18
|
Y19
|
Y20
|
Y21
|
Y1
|
Y2
|
Y3
|
Y4
|
Y5
|
Y6
|
Y7
|
Y8
|
Y9
|
Y10
|
Y11Y12Y13Y14Y15Y16Y17Y18Y19Y20Y21
|
| 10-е число |
1
|
0
|
0
|
0
|
1
|
0
|
2
|
0
|
3
|
0
|
0
|
0
|
3
|
0
|
2
|
0
|
0
|
0
|
1
|
0
|
2
|
2
|
1
|
1
|
0
|
0
|
2
|
0
|
0
|
1
|
1
|
20010002012
|
| Z1 |
1
|
0
|
0
|
0
|
1
|
0
|
0
|
0
|
1
|
0
|
0
|
0
|
1
|
0
|
0
|
0
|
0
|
0
|
1
|
0
|
0
|
0
|
1
|
1
|
0
|
0
|
0
|
0
|
0
|
1
|
1
|
00010000010
|
| Z2 |
0
|
0
|
0
|
0
|
0
|
0
|
1
|
0
|
1
|
0
|
0
|
0
|
1
|
0
|
1
|
0
|
0
|
0
|
0
|
0
|
1
|
1
|
0
|
0
|
0
|
0
|
1
|
0
|
0
|
0
|
0
|
10000001001
|
|
|
|
|
|
|
|
|
|
|
|
|
|
|
|
|
|
|
|
|
|
|
|
|
|
|
|
|
|
|
|
|
|
|
Из таблицы следует, что выражения для выходных
функций ГЧ (Z1 и Z2)
будут иметь следующий вид:
Для реализации полученных булевых функций
требуются логические элементы «И-НЕ» с количеством входов не менее 10 и 9.
Таких элементов нет, поэтому будем использовать каскад из логических элементов
«3И» микросхемы КР1533ЛИ3 с задержкой 10 нс и логических элементов с повышенной
нагрузочной способностью «4И-НЕ» микросхемы КР1533 ЛА22 с задержкой 8 нс. Для
построения схемы воспользуемся кольцевым счетчиком на базе счетчика Джонсона с
дешифратором кода Джонсона.
Такая схема ГЧ на базе кольцевого счетчика с
преобразователем кодов c
применением логических элементов «И-НЕ» и «И», построенная на микросхемах
КР1533ТМ8, КР1533ЛА3, КР1533ЛИ1, КР1533ЛИ3 и КР1533ЛА22 представлена на рисунке
13.
Рисунок 13 - Генератор чисел на базе кольцевого
счетчика с преобразователем кодов на элементах «И-НЕ» и «И»
Время переключения ГЧ по входу «С» (Тпер.С) и
время формирования выходных сигналов ГЧ по входу «С» (Тформ.С) равно tзд.(КР1533ТМ8)
по входу «С» + tзд.(КР1533ЛА3)
+ tзд.(КР1533ЛИ1) + tзд.(КР1533ЛИ3)
+ tзд.(КР1533ЛА22)=
23+11+14+10+8=66
Потребляемая мощность: Р =Ucc**(3*Icc(КР1533ТМ8)
+ 6*Icc(КР1533ЛА3)
+ 5*Icc(КР1533ЛИ1)
+ 2*Icc(КР1533ЛИ3)
+ 1*Icc(КР1533ЛА22)
= 5,5*(3*14 + 6*3 + 5*4 + 2*3 + 1*3,9)=494,45
Таким образом, построенный генератор не отвечает
требованиям ТЗ по потребляемой мощности.
.4 Генератор чисел на основе сдвигового регистра
.4.1 Генератор чисел на основе сдвигового
регистра, построенного на СИС
В данном методе необходимо разложить все числа
двух последовательностей на разряды в виде двоичных последовательностей и
реализовать каждую двоичную последовательность на отдельном циклическом
сдвиговом регистре путем первоначальной загрузки двоичной последовательности в
разрядную сетку регистра и дальнейшего сдвига последовательности в сторону
разрядов первых чисел последовательности и считыванием этих разрядов. Эта
методика наглядно демонстрирует схема сдвига разрядов с указанием исходных
состояний разрядов регистров, представленная на рисунке 14.
Рисунок 14 - Схема сдвига разрядов
Предварительно рассчитав аппаратные затраты,
приходим к выводу, что для построения такого генератора потребуется 6 корпусов
ИМС КР1533ИР13, по 3 корпуса на Zn.
Рассчитаем потребляемую мощность такого генератора Р = Ucc*6*Icc(КР1533ИР13)=5,5*6*40=1320мВт.
Таким образом, этот метод построения генератора не удовлетворяет критерию ТЗ по
мощности.
.4.2 Генератор чисел на основе сдвигового
регистра построенного на триггерах
В связи с тем, что начальное состояние сдвиговых
регистров зависит от выбранного режима работы ГЧ, для построения схемы
сдвиговых регистров можно использовать только триггеры со входами асинхронной
установки в «0» и «1». Среди микросхем серии КР1533 этим требованиям отвечают
микросхемы КР1533ТМ2 и КР1533ТB9.
Для построения такого счётчика потребуется по меньшей мере 21 корпус ИМС. Для
КР1533ТМ2, придётся на выходе ставить усилители по току, что внесёт
дополнительные АЗ, поэтому выбираем КР1533ТB9.
Схема сдвига разрядов с указанием исходных
состояний триггеров представлена на рисунке 15.
Рисунок 15 - Схема сдвига разрядов с указанием
исходных состояний триггеров.
Предварительно посчитав потребляемую мощность:
Р = Ucc*21*Icc(КР1533ТВ9)=5,5*21*4,5=519,75мВ,
приходим к выводу, что данная схема превышает
критерий по мощности.
.5 Параллельный генератор чисел на базе
триггеров
.5.1 Параллельный генератор чисел на базе D
- триггеров
Таблица переходов параллельного ГЧ и функций
возбуждения D-триггеров
представлена в табл. 16.
Таблица 16.
|
M
|
10-e
|
Q6(Z2)
|
Q5(Z1)
|
Q4
|
Q3
|
Q2
|
Q1
|
10-e
|
Q6
|
Q5
|
Q4
|
Q3
|
Q2
|
Q1
|
D6
|
D5
|
D4
|
D3
|
D2
|
D1
|
|
0
|
1
|
0
|
1
|
0
|
0
|
0
|
0
|
0
|
0
|
0
|
0
|
0
|
0
|
0
|
0
|
0
|
0
|
0
|
0
|
0
|
|
0
|
0
|
0
|
0
|
0
|
0
|
0
|
0
|
0
|
0
|
0
|
0
|
0
|
0
|
1
|
0
|
0
|
0
|
0
|
0
|
1
|
|
0
|
0
|
0
|
0
|
0
|
0
|
0
|
1
|
0
|
0
|
0
|
0
|
0
|
1
|
0
|
0
|
0
|
0
|
0
|
1
|
0
|
|
0
|
0
|
0
|
0
|
0
|
0
|
1
|
0
|
1
|
0
|
1
|
0
|
0
|
0
|
1
|
0
|
1
|
0
|
0
|
0
|
1
|
|
0
|
1
|
0
|
1
|
0
|
0
|
0
|
1
|
0
|
0
|
0
|
0
|
0
|
1
|
1
|
0
|
0
|
0
|
0
|
1
|
1
|
|
0
|
0
|
0
|
0
|
0
|
0
|
1
|
1
|
2
|
1
|
0
|
0
|
0
|
0
|
0
|
1
|
0
|
0
|
0
|
0
|
0
|
|
0
|
2
|
1
|
0
|
0
|
0
|
0
|
0
|
0
|
0
|
0
|
0
|
1
|
0
|
0
|
0
|
0
|
0
|
1
|
0
|
0
|
|
0
|
0
|
0
|
0
|
0
|
1
|
0
|
0
|
3
|
1
|
1
|
0
|
0
|
0
|
0
|
1
|
1
|
0
|
0
|
0
|
0
|
|
0
|
3
|
1
|
1
|
0
|
0
|
0
|
0
|
0
|
0
|
0
|
1
|
0
|
1
|
0
|
0
|
0
|
1
|
0
|
1
|
|
0
|
0
|
0
|
0
|
0
|
1
|
0
|
1
|
0
|
0
|
0
|
0
|
1
|
1
|
0
|
0
|
0
|
0
|
1
|
1
|
0
|
|
0
|
0
|
0
|
0
|
0
|
1
|
1
|
0
|
0
|
0
|
0
|
0
|
1
|
1
|
1
|
0
|
0
|
0
|
1
|
1
|
1
|
|
0
|
0
|
0
|
0
|
0
|
1
|
1
|
1
|
3
|
1
|
1
|
0
|
0
|
0
|
1
|
1
|
1
|
0
|
0
|
0
|
1
|
|
0
|
3
|
1
|
1
|
0
|
0
|
0
|
1
|
0
|
0
|
0
|
1
|
0
|
0
|
0
|
0
|
0
|
1
|
0
|
0
|
0
|
|
0
|
0
|
0
|
0
|
1
|
0
|
0
|
0
|
2
|
1
|
0
|
0
|
0
|
0
|
1
|
1
|
0
|
0
|
0
|
0
|
1
|
|
0
|
2
|
1
|
0
|
0
|
0
|
0
|
1
|
0
|
0
|
0
|
1
|
0
|
1
|
0
|
0
|
0
|
1
|
0
|
1
|
0
|
|
0
|
0
|
0
|
0
|
1
|
0
|
0
|
1
|
0
|
0
|
0
|
1
|
0
|
1
|
1
|
0
|
0
|
1
|
0
|
1
|
1
|
|
0
|
0
|
0
|
0
|
1
|
0
|
1
|
0
|
0
|
0
|
0
|
1
|
1
|
0
|
0
|
0
|
0
|
1
|
1
|
0
|
0
|
|
0
|
0
|
0
|
0
|
1
|
0
|
1
|
1
|
1
|
0
|
0
|
0
|
0
|
1
|
1
|
0
|
0
|
0
|
0
|
1
|
1
|
|
0
|
1
|
0
|
0
|
0
|
0
|
1
|
1
|
0
|
0
|
0
|
1
|
1
|
0
|
1
|
0
|
0
|
1
|
1
|
0
|
1
|
|
0
|
0
|
0
|
0
|
1
|
1
|
0
|
0
|
2
|
1
|
0
|
0
|
0
|
1
|
0
|
1
|
0
|
0
|
0
|
1
|
0
|
|
0
|
2
|
1
|
0
|
0
|
0
|
1
|
0
|
2
|
1
|
0
|
0
|
0
|
0
|
0
|
1
|
0
|
0
|
0
|
0
|
0
|
|
1
|
2
|
1
|
0
|
0
|
0
|
0
|
0
|
1
|
0
|
1
|
0
|
0
|
0
|
0
|
0
|
1
|
0
|
0
|
0
|
0
|
|
1
|
1
|
0
|
1
|
0
|
0
|
0
|
0
|
1
|
0
|
1
|
0
|
0
|
0
|
1
|
0
|
1
|
0
|
0
|
0
|
1
|
|
1
|
1
|
0
|
1
|
0
|
0
|
0
|
1
|
0
|
0
|
0
|
0
|
0
|
0
|
0
|
0
|
0
|
0
|
0
|
0
|
0
|
|
1
|
0
|
0
|
0
|
0
|
0
|
0
|
0
|
0
|
0
|
0
|
0
|
0
|
0
|
1
|
0
|
0
|
0
|
0
|
0
|
1
|
|
1
|
0
|
0
|
0
|
0
|
0
|
1
|
2
|
1
|
0
|
0
|
0
|
0
|
1
|
1
|
0
|
0
|
0
|
0
|
1
|
|
1
|
2
|
1
|
0
|
0
|
0
|
0
|
1
|
0
|
0
|
0
|
0
|
0
|
1
|
0
|
0
|
0
|
0
|
0
|
1
|
0
|
|
1
|
0
|
0
|
0
|
0
|
0
|
1
|
0
|
0
|
0
|
0
|
0
|
0
|
1
|
1
|
0
|
0
|
0
|
0
|
1
|
1
|
|
1
|
0
|
0
|
0
|
0
|
0
|
1
|
1
|
1
|
0
|
1
|
0
|
0
|
1
|
0
|
0
|
1
|
0
|
0
|
1
|
0
|
|
1
|
1
|
0
|
1
|
0
|
0
|
1
|
0
|
1
|
0
|
1
|
0
|
0
|
1
|
1
|
0
|
1
|
0
|
0
|
1
|
1
|
|
1
|
1
|
0
|
1
|
0
|
0
|
1
|
1
|
2
|
1
|
0
|
0
|
0
|
1
|
0
|
1
|
0
|
0
|
0
|
1
|
0
|
|
1
|
2
|
1
|
0
|
0
|
0
|
1
|
0
|
0
|
0
|
0
|
0
|
1
|
0
|
0
|
0
|
0
|
0
|
1
|
0
|
0
|
|
1
|
0
|
0
|
0
|
0
|
1
|
0
|
0
|
0
|
0
|
0
|
0
|
1
|
0
|
1
|
0
|
0
|
0
|
1
|
0
|
1
|
|
1
|
0
|
0
|
0
|
0
|
1
|
0
|
1
|
1
|
0
|
1
|
0
|
1
|
0
|
0
|
0
|
1
|
0
|
1
|
0
|
0
|
|
1
|
1
|
0
|
1
|
0
|
1
|
0
|
0
|
0
|
0
|
0
|
0
|
1
|
1
|
0
|
0
|
0
|
0
|
1
|
1
|
0
|
|
1
|
0
|
0
|
0
|
0
|
1
|
1
|
0
|
0
|
0
|
0
|
0
|
1
|
1
|
1
|
0
|
0
|
0
|
1
|
1
|
1
|
|
1
|
0
|
0
|
0
|
0
|
1
|
1
|
1
|
0
|
0
|
0
|
1
|
0
|
0
|
0
|
0
|
0
|
1
|
0
|
0
|
0
|
|
1
|
0
|
0
|
0
|
1
|
0
|
0
|
0
|
2
|
1
|
0
|
0
|
0
|
1
|
1
|
1
|
0
|
0
|
0
|
1
|
1
|
|
1
|
2
|
1
|
0
|
0
|
0
|
1
|
1
|
0
|
0
|
0
|
1
|
0
|
0
|
1
|
0
|
0
|
1
|
0
|
0
|
1
|
|
1
|
0
|
0
|
0
|
1
|
0
|
0
|
1
|
1
|
0
|
1
|
0
|
1
|
0
|
1
|
0
|
1
|
0
|
1
|
0
|
1
|
|
1
|
1
|
0
|
1
|
0
|
1
|
0
|
1
|
2
|
1
|
0
|
0
|
1
|
0
|
0
|
1
|
0
|
0
|
1
|
0
|
0
|
|
1
|
2
|
1
|
0
|
0
|
1
|
0
|
0
|
1
|
0
|
1
|
0
|
0
|
0
|
0
|
0
|
1
|
0
|
0
|
0
|
Проминимизировав D1
замечаем, что для реализации функции потребуется не менее 12 корпусов
КР1533ЛА2. Таким образом видно, что аппаратные затраты для реализации
генератора превысят рассмотренные ранее в пункте 4.1.2.4.
3.5.2 Параллельный генератор чисел на базе JK-триггеров
Таблица 17.
|
M
|
10-e
|
Q6(Z2)
|
Q5(Z1)
|
Q4
|
Q3
|
Q2
|
Q1
|
10-e
|
Q6
|
Q5
|
Q4
|
Q3
|
Q2
|
Q1
|
J1K1
|
|
0
|
1
|
0
|
1
|
0
|
0
|
0
|
0
|
0
|
0
|
0
|
0
|
0
|
0
|
0
|
0
-
|
|
0
|
0
|
0
|
0
|
0
|
0
|
0
|
0
|
0
|
0
|
0
|
0
|
0
|
0
|
1
|
1
-
|
|
0
|
0
|
0
|
0
|
0
|
0
|
0
|
1
|
0
|
0
|
0
|
0
|
0
|
1
|
0
|
-1
|
|
0
|
0
|
0
|
0
|
0
|
0
|
1
|
0
|
1
|
0
|
1
|
0
|
0
|
0
|
1
|
1
-
|
|
0
|
1
|
0
|
1
|
0
|
0
|
0
|
1
|
0
|
0
|
0
|
0
|
0
|
1
|
1
|
- 0
|
|
0
|
0
|
0
|
0
|
0
|
0
|
1
|
1
|
2
|
1
|
0
|
0
|
0
|
0
|
0
|
- 1
|
|
0
|
2
|
1
|
0
|
0
|
0
|
0
|
0
|
0
|
0
|
0
|
0
|
1
|
0
|
0
|
0
-
|
|
0
|
0
|
0
|
0
|
0
|
1
|
0
|
0
|
3
|
1
|
1
|
0
|
0
|
0
|
0
|
0
-
|
|
0
|
3
|
1
|
1
|
0
|
0
|
0
|
0
|
0
|
0
|
0
|
0
|
1
|
0
|
1
|
1
-
|
|
0
|
0
|
0
|
0
|
0
|
1
|
0
|
1
|
0
|
0
|
0
|
0
|
1
|
1
|
0
|
-
1
|
|
0
|
0
|
0
|
0
|
0
|
1
|
1
|
0
|
0
|
0
|
0
|
0
|
1
|
1
|
1
|
1
-
|
|
0
|
0
|
0
|
0
|
0
|
1
|
1
|
1
|
3
|
1
|
1
|
0
|
0
|
0
|
1
|
-
0
|
|
0
|
3
|
1
|
1
|
0
|
0
|
0
|
1
|
0
|
0
|
0
|
1
|
0
|
0
|
0
|
-
1
|
|
0
|
0
|
0
|
0
|
1
|
0
|
0
|
0
|
2
|
1
|
0
|
0
|
0
|
0
|
1
|
1
-
|
|
0
|
2
|
1
|
0
|
0
|
0
|
0
|
1
|
0
|
0
|
0
|
1
|
0
|
1
|
0
|
-
1
|
|
0
|
0
|
0
|
0
|
1
|
0
|
0
|
1
|
0
|
0
|
0
|
1
|
0
|
1
|
1
|
-
0
|
|
0
|
0
|
0
|
0
|
1
|
0
|
1
|
0
|
0
|
0
|
0
|
1
|
1
|
0
|
0
|
0
-
|
|
0
|
0
|
0
|
0
|
1
|
0
|
1
|
1
|
1
|
0
|
0
|
0
|
0
|
1
|
1
|
-
0
|
|
0
|
1
|
0
|
0
|
0
|
0
|
1
|
1
|
0
|
0
|
0
|
1
|
1
|
0
|
1
|
-
0
|
|
0
|
0
|
0
|
0
|
1
|
1
|
0
|
0
|
2
|
1
|
0
|
0
|
0
|
1
|
0
|
0
-
|
|
0
|
2
|
1
|
0
|
0
|
0
|
1
|
2
|
1
|
0
|
0
|
0
|
0
|
0
|
0
-
|
|
1
|
2
|
1
|
0
|
0
|
0
|
0
|
0
|
1
|
0
|
1
|
0
|
0
|
0
|
0
|
0
-
|
|
1
|
1
|
0
|
1
|
0
|
0
|
0
|
0
|
1
|
0
|
1
|
0
|
0
|
0
|
1
|
1
-
|
|
1
|
1
|
0
|
1
|
0
|
0
|
0
|
1
|
0
|
0
|
0
|
0
|
0
|
0
|
0
|
-
1
|
|
1
|
0
|
0
|
0
|
0
|
0
|
0
|
0
|
0
|
0
|
0
|
0
|
0
|
0
|
1
|
1
-
|
|
1
|
0
|
0
|
0
|
0
|
0
|
0
|
1
|
2
|
1
|
0
|
0
|
0
|
0
|
1
|
- 0
|
|
1
|
2
|
1
|
0
|
0
|
0
|
0
|
1
|
0
|
0
|
0
|
0
|
0
|
1
|
0
|
- 1
|
|
1
|
0
|
0
|
0
|
0
|
0
|
1
|
0
|
0
|
0
|
0
|
0
|
0
|
1
|
1
|
1 -
|
|
1
|
0
|
0
|
0
|
0
|
0
|
1
|
1
|
1
|
0
|
1
|
0
|
0
|
1
|
0
|
-
1
|
|
1
|
1
|
0
|
1
|
0
|
0
|
1
|
0
|
1
|
0
|
1
|
0
|
0
|
1
|
1
|
1
-
|
|
1
|
1
|
0
|
1
|
0
|
0
|
1
|
1
|
2
|
1
|
0
|
0
|
0
|
1
|
0
|
-
1
|
|
1
|
2
|
1
|
0
|
0
|
0
|
1
|
0
|
0
|
0
|
0
|
0
|
1
|
0
|
0
|
0
-
|
|
1
|
0
|
0
|
0
|
0
|
1
|
0
|
0
|
0
|
0
|
0
|
0
|
1
|
0
|
1
|
1
-
|
|
1
|
0
|
0
|
0
|
0
|
1
|
0
|
1
|
1
|
0
|
1
|
0
|
1
|
0
|
0
|
-
1
|
|
1
|
1
|
0
|
1
|
0
|
1
|
0
|
0
|
0
|
0
|
0
|
0
|
1
|
1
|
0
|
0
-
|
|
1
|
0
|
0
|
0
|
0
|
1
|
1
|
0
|
0
|
0
|
0
|
0
|
1
|
1
|
1
|
1
-
|
|
1
|
0
|
0
|
0
|
0
|
1
|
1
|
1
|
0
|
0
|
0
|
1
|
0
|
0
|
0
|
-1
|
|
1
|
0
|
0
|
0
|
1
|
0
|
0
|
0
|
2
|
1
|
0
|
0
|
0
|
1
|
1
|
1
-
|
|
1
|
2
|
1
|
0
|
0
|
0
|
1
|
1
|
0
|
0
|
0
|
1
|
0
|
0
|
1
|
-
0
|
|
1
|
0
|
0
|
0
|
1
|
0
|
0
|
1
|
1
|
0
|
1
|
0
|
1
|
0
|
1
|
- 0
|
|
1
|
1
|
0
|
1
|
0
|
1
|
0
|
1
|
2
|
1
|
0
|
0
|
1
|
0
|
0
|
- 1
|
|
1
|
2
|
1
|
0
|
0
|
1
|
0
|
0
|
1
|
0
|
1
|
0
|
0
|
0
|
0
|
0
-
|
Проанализировав таблицу 17 выполнив минимизацию
функций
Приходим к выводу, что для реализации этой
функции потребуется 7 корпусов КР1533ЛА2, КР1533ЛН1, КР1533ЛР11 и КР1533ТВ9,
итого 10 корпусов. В дальнейшем, для построения такого генератора нам
потребуется ещё минимум 2 корпуса КР1533ТВ9, 5 корпусов КР1533ЛР11 и несколько
КР1533ЛА2. Таким образом, очевидно, что данный вариант по АЗ превышает ранее
рассмотренный в пункте 4.1.2.4.
4. Сравнительный анализ рассмотренных способов
построения ГЧ
Таблица 18.
T формR.
|
T перR.
|
T формC.
|
T перC.
|
Длительность
выходных сигналов ГЧ (нс)
|
Мощность,
(мВт)
|
Кол-во
корпусов
|
|
Техническое
задание
|
106
|
111
|
69
|
74
|
5
|
400
|
46
|
|
Генератор
чисел на базе счетчика Джонсона с преобразователем кода Джонсона на элементах
«И-ИЛИ-НЕ»
|
73нс.
|
73нс.
|
67нс.
|
67нс.
|
7
|
371
|
14
|
Выбор наилучшего варианта определяется критерием
оптимизации. При разработке данного генератора чисел в качестве такого критерия
выступает минимум АЗ. В процессе рассмотрения способов построения генератора
чисел было установлено, что только Генератор чисел на базе счетчика Джонсона с
преобразователем кода Джонсона на элементах «И-ИЛИ-НЕ», рассмотренный в пункте
4.1.2.4, удовлетворяет заданным критериям, он же является оптимальным. Для
построения такого генератора с модулем пересчёта 21, потребуется 14 корпусов
ИМС серии КР1533.
5. Техническое описание генератора чисел
Начальная установка ГЧ производится при подаче
нулевого сигнала на вход сброса ГЧ (R).
При этом, в соответствии с заданным сигналом (М) режимом работы, асинхронно
устанавливается исходное значение всех триггеров, а на выходах ГЧ формируется
первое число из заданной последовательности чисел. После снятия сигнала сброса
ГЧ (R) по каждому
синхроимпульсу в пределах каждого из циклических регистров «Х» и «Y»
происходит сдвиг и на выходах преобразователя кодов (Z1
и Z2) формируется
очередное число из заданной последовательности чисел.
После поступления каждых 21 синхроимпульсов
циклические сдвиговые регистры возвращаются в исходное состояние и цикл работы
ГЧ повторяется.
Заключение
В ходе работы над проектом была рассмотрена
задача разработки генератора чисел. На основе анализа технического задания из
множества вариантов был выбран оптимальный вариант её решения, который отвечает
всем условиям технического задания.
Была проведена детальная проработка большинства
вариантов проектирования генератора чисел. В ходе работы производился расчет
всех необходимых для анализа параметров.
Все схемы проходили проверку на
работоспособность в виде модели в системе проектирования Quartus II 9.1sp2 Web
Edition. Для минимизации логических функций более, чем от 5 переменных
использовалась программа “Carno
Minimiser
v1.6”.
Список литературы
1. И.И. Петровский, А.В.
Прибыльский, А.А. Троян, В.С. Чувелев. Логические ИС КР1533, КР1554.
Справочник. Часть 1,2. "БИНОМ", Москва, 1993.
. В.Л. Шило. Популярные цифровые
микросхемы. «Радио и Связь», Москва, 1987.
. В.И. Бойко, А.Н. Гуржий, В.Я.
Жуйков, А.А. Зори, В.М. Спивак, В.В. Багрий. Схемотехника электронных систем.
Цифровые устройства.
Приложение 1
Схема электрическая принципиальная и Перечень
элементов
Схема электрическая принципиальная
Генератор чисел