Проектирование электронно–импульсного металлоискателя

  • Вид работы:
    Курсовая работа (т)
  • Предмет:
    Информатика, ВТ, телекоммуникации
  • Язык:
    Русский
    ,
    Формат файла:
    MS Word
    814,47 Кб
  • Опубликовано:
    2013-05-28
Вы можете узнать стоимость помощи в написании студенческой работы.
Помощь в написании работы, которую точно примут!

Проектирование электронно–импульсного металлоискателя

СОДЕРЖАНИЕ

ВВЕДЕНИЕ

. РАСЧЕТНО-ПРОЕКТИРОВОЧНЫЙ РАЗДЕЛ

.1 Назначение и технические характеристики устройства

.2 Разработка электрической структурной схемы

.3 Выбор элементной базы

.4 Разработка электрической принципиальной схемы

.5 Принцип действия

. ЭНЕРГО- И МАТЕРИАЛОСБЕРЕЖЕНИЕ

. ОХРАНА ТРУДА

. ОХРАНА ОКРУЖАЮЩЕЙ СРЕДЫ

ЗАКЛЮЧЕНИЕ

ВВЕДЕНИЕ

Темой курсового проекта является разработка металлоискателя.

Объектом исследования являются различные методы поиска металла под землей.

Предметом исследования являются датчики, используемые для обнаружения металла под землей.

Цель исследования: провести теоретические исследования методов нахождения металлов под землей, и на основе самого прогрессирующего метода сконструировать металлоискатель.

Задачи:

.Исследовать процессы нахождения металла;

. Создание структурной и принципиальной схемы металлоискателя;

. Исследование звукового и визуального вывода информации.

Теоретическая значимость: детально проработать материалы по современным металлоискателям, исследовать новейшие схемы функционирования металлоискателей и особенности их работы.

Практическая значимость заключается в том, что металлоискатель способен находить и распознавать металлы, как на чистой территории, так и на сильно загрязненной.

импульсный металлоискатель схема датчик

1. РАСЧЕТНО-ПРОЕКТИРОВОЧНЫЙ РАЗДЕЛ

1.1 Назначение и технические характеристики устройства

Металлоискатель - это электронный прибор, позволяющий обнаруживать металлические предметы в нейтральной или слабопроводящей среде за счет их проводимости.

В настоящее время существует 2 вида металлоискателей:

Индукционные металлоискатели;

Наиболее распространенная и востребованная разновидность металлоискателей - это приборы, работающие по т.н. принципу баланса индукции (IB). Основные их преимущества - это способность различать металлические объекты по их проводимости и ферромагнитным свойствам, а также способность отстраиваться от грунта.

Представляют собой разновидность приборов типа «приём-передача», содержат только одну катушку, которая одновременно является и передающей и приёмной.

Импульсные металлоискатели;

Принцип работы основан на возбуждении в зоне расположения металлического объекта импульсных вихревых токов и измерении вторичного электромагнитного поля, которое наводят эти токи. В данном случае, возбуждающий сигнал передается в катушку датчика не постоянно, а периодически, в виде импульсов. В проводящих объектах наводятся затухающие вихревые токи, которые возбуждают затухающее электромагнитное поле. Поле, в свою очередь, наводит в катушке датчика затухающий ток. Соответственно, в зависимости от проводящих свойств и размера объекта, сигнал меняет свою форму и длительность.

Достоинства: нечувствительность к минерализированному грунту, простота конструкции датчика.

Недостатки: повышенное потребление энергии, слабые возможности дискриминации.

Для выполнения курсового проекта будет выбран импульсный металлоискатель. Он применяется в различных сферах деятельности человека: в строительстве или ремонте, в охранных структурах и криминалистике, в деревообрабатывающей промышленности, при добыче полезных ископаемых, при археологических раскопках и т.д.

1.2 Разработка структурной схемы

При разработке структурной схемы импульсного металлоискателя необходимо определить и учесть назначение каждого функционального узла и связей между ними.

Рисунок 1 - Структурная схема импульсного металлоискателя

Структурная схема состоит из следующих блоков:

Микроконтроллер - помимо общего управления всеми узлами осуществляет формирование импульсной последовательности.

Дифференциальный усилитель - служит для усиления сигнала, напряжение которого выше напряжения питания и привязке его к потенциалу +5В.

Приемный усилитель - производит дальнейшее усиление, имеет большой коэффициент усиления.

Интегратор 1 - производится измерение полезного сигнала. Во время прямого интегрирования происходит накопление полезного сигнала в виде напряжения, которое во время обратного интегрирования преобразуется в длительность импульса.

Интегратор 2 - имеет большую постоянную интегрирования и служит для балансировки усилительного тракта по постоянному току.

Мощный ключ - производит импульсное накопление энергии в катушке.

1.3 Выбор элементной базы

Дифференциальный и приемный усилители построены на микросхеме TL074CN- 4-канальный малошумящий операционный усилитель с малым температурным дрейфом для работы в бытовом диапазоне температур (0..+70°С). Входные каскады TL074CN выполнены на полевых транзисторах, что обеспечивает высокое входное сопротивление ОУ.

Рисунок 1 - Внешний вид микросхемы TL074CN

Таблица 1 - Основные технические параметры микросхемыTL074CN

Технические параметры

Значение

Количество каналов

4

Напряжение питания

±18В

Частота

4МГц

Напряжение смещения

7,5мВ

Температурный диапазон

0ºС …70ºС

Тип корпуса

DIP-14


Логический инвертор и интегратор 1 построены на микросхемеК561КТ3, которая содержит четыре цифро-аналоговых ключевых элемента.

Микросхема используется для построения различного рода коммутаторов как цифровых, так и аналоговых сигналов.Ключи микросхемы позволяют коммутировать сигналы с амплитудой в пределах от нуля до напряжения питания микросхемы (+Vdd). Ключи управляются цифровыми уровнями (0/1), которые зависят от напряжения питания.

Типовые применения микросхемы К561КТ3: Коммутаторы звуковых сигналов в звуко-усилительной аппаратуре, изменение коэффициента усиления ОУ (по цепи ОС), переключатели-мультиплексоры и т.п.

Данная микросхема в большинстве случаев может также заменить м/с К176КТ1 (импортный аналог 4016) и отличается от нее меньшим сопротивлением канала в открытом состоянии.

Рисунок 3 - Внешний вид микросхемы К561КТ3

Таблица 2 - Основные технические параметры микросхемыК561КТ3

Технические параметры

Значение

Напряжение питания

+3…+18В

Rоткр. (при Vdd= +15В)

80 Ом

Разброс Rоткр. (при Vdd= +15В)

±5 Ом

Время задержки распространения

<25нс (при Vdd= +10В)

Ток утечки закрытого ключа (макс.)

±0,1А (при Vdd= +15В)

Ток потребления (макс.)

2мкА (при Vdd= +10В)

Рабочий диапазон температур

-40ºС …+85ºС

Корпус

DIP-14

Импортный аналог

4066А


Рисунок 4 - Условно-графическое обозначение микросхемы К561КТ3

Микроконтроллер AT90S2313-это 8-ми разрядный CMOS микроконтроллер с низким энергопотреблением основанный на AVR RISC архитектуре. Выполнение большинства инструкций происходит за один период тактового сигнала, т.е. AT90S2313 достигает производительности, приближающейся к уровню 1 MIPS на МГц.Ядро AVR содержит набор из инструкций и 32 рабочих регистра общего назначения. Все 32 регистра напрямую подключены к АЛУ, что дает программисту доступ к двум независимым регистрам при выполнении одной инструкции за один такт. Режим ожидания «Idle Mode» останавливает CPU, но позволяет функционировать SRAM, таймерам/счетчикам, SPI порту и системе прерываний. Режим экономии энергопотребления «Power Down» сохраняет значения регистров, но останавливает тактовый генератор, отключая все остальные функции микроконтроллера до срабатывания внешнего прерывания или до аппаратной инициализации.

Характеристики:высокая производительность и RISC архитектура с низким энергопотреблением;

байта EEPROM:Ресурс: 100 000 циклов запись/стирание;

Рабочие регистры общего назначения 32 х 8;

программируемых линий I/O;

Питание VCC: от 2.7 В до 6.0 В;

Полностью статический режим работы:От 0 до 10 МГц, при питании от 4.0 В до 6.0 В;От 0 до 4 МГц, при питании от 2.7 В до 6.0 В.

Производительность, вплоть до 10 MIPS при 10 МГц;

Один 8-ми разрядный таймер/ счетчик с отдельным предварительным делителем частоты;

Один 16-ти разрядный таймер/ счетчик с отдельным предварительным делителем частоты с режимами сравнения и захвата;

Полнодуплексный UART;

Выбираемые 8, 9, или 10-ти разрядные режимы широтно-импульсной модуляции (ШИМ);

Внешние и внутренние источники прерывания;

Программируемый следящий таймер с встроенным тактовым генератором;

Встроенный аналоговый компаратор;

Экономичные режимы ожидания и пониженного энергопотребления;

Программируемая блокировка для безопасности программного обеспечения;

выводов.

Рисунок 5 - Внешний вид микроконтроллера AT90S2313

Рисунок 6 - Условно-графическое обозначение микроконтроллера AT90S2313

Микросхема КР1157ЕН5А представляет собой последовательный компенсационный стабилизатор напряжения с фиксируемым выходным напряжением 5 В и выходными токами 0,1 А.

Таблица 4 - Основные технические параметры микросхемы КР1157ЕН5А

Технические параметры

Значение

Выходное напряжение

5 ±0,1 В

Выходной ток

0,1 А

Входное напряжение

35 В

Нестабильность по току

0,01 %/А

Нестабильность по напряжению

0,05 %/В

Диапазон рабочих температур

-10...+70°С


Рисунок 7 - Внешний вид микросхемы КР1157ЕН5А

Рисунок 8 - Условно-графическое обозначение микросхемы КР1157ЕН5А

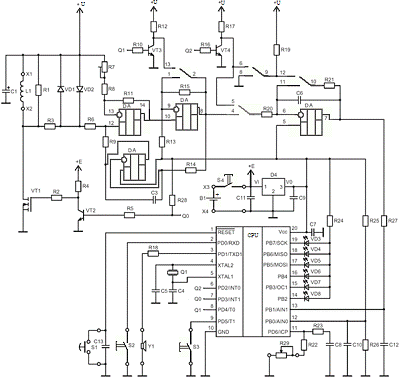
1.4 Разработка электрической принципиальной схемы

В соответствии с электрической структурной схемой импульсного металлоискателя, а также с учетом выбранной элементной базы, разрабатываем принципиальную схему устройства.


Мощный ключ собран на полевом транзисторе VT1. Так как полевой транзистор IRF740 имеет емкость затвора более 1000пФ, для его быстрого закрытия используется предварительный каскад на транзисторе VT2.

С помощью второго интегратора DА1.3 производится автоматическая балансировка входного усилительного тракта по постоянному току. Постоянная интегрирования 240 мс. выбрана достаточно большой, чтобы эта обратная связь не влияла на усиление быстро изменяющегося полезного сигнала. С помощью этого интегратора на выходе усилителя DА1.2 при отсутствии сигнала поддерживается уровень +5 В.Измерительный первый интегратор выполнен на DА1.4. На время интегрирования полезного сигнала открывается ключ D2.2 и соответственно закрывается ключ D2.4. На ключе D2.3 реализован логический инвертор.

После завершения интегрирования сигнала ключ D2.2 закрывается и открывается ключ D2.4. Накопительный конденсатор C6 начинает разряжаться через резистор R21. Время разряда будет пропорционально напряжению, которое установилось на конденсаторе C6 к концу интегрирования полезного сигнала. Это время измеряется с помощью микроконтроллера, который осуществляет аналого-цифровое преобразование. Для измерения времени разряда конденсатора C6 используются аналоговый компаратор и таймеры, которые встроены в микроконтроллер CPU.С помощью светодиодов VD3...VD8 производится световая индикация. Кнопка S1 предназначена для начального сброса микроконтроллера. С помощью переключателей S2 и S3 задаются режимы работы устройства. С помощью переменного резистора R29 регулируется чувствительность металлоискателя.

В соответствие со структурной схемой, приведенной на рисунке 1, учитывая расчеты и выбор элементной базы, разрабатываем принципиальную схему цифрового устройства.

Дифференциальный усилитель

Рисунок 10 - Электрическая принципиальная схема дифференциального усилителя

Дифференциальный усилитель собран на D1.1. Микросхема D1 представляет собой счетверенный операционный усилитель TL074. Его отличительными свойствами являются высокое быстродействие,

малое потребление, низкий уровень шумов, высокое входное сопротивление, а также возможность работы при напряжениях на входах, близких к напряжению питания.

Мощный ключ

Рисунок 11 - Электрическая принципиальная схема мощного ключа

Мощный ключ собран на полевом транзисторе VT1. Так как полевой транзистор IRF740 имеет емкость затвора более 1000пФ, для его быстрого закрытия используется предварительный каскад на транзисторе VT2. Скорость открытия мощного ключа уже не столь критична из-за того, что ток в индуктивной нагрузке нарастает постепенно. Резисторы R1,R3 предназначены для "гашения" энергии самоиндукции. Защитные диоды VD1,VD2 ограничивают перепады напряжения на входе дифференциального усилителя.

Приемный усилитель

Рисунок 12 - Электрическая принципиальная схема приемного усилителя

Приемный усилитель D1.2 представляет собой не инвертирующий усилитель с коэффициентом усиления 57. Во время действия высоковольтной части импульса самоиндукции этот коэффициент снижается до 1 с помощью аналогового ключа D2.1 что предотвращает перегрузку входного усилительного тракта и обеспечивает быстрое вхождение в режим для усиления слабого сигнала.

Логический инвертор

Рисунок 13 - Электрическая принципиальная схема логического инвертора

На ключе D2.3 реализован логический инвертор. После завершения интегрирования сигнала ключ D2.2 закрывается и открывается ключ D2.4. Накопительный конденсатор C6 начинает разряжаться через резистор R21. Время разряда будет пропорционально напряжению, которое установилось на конденсаторе C6 к концу интегрирования полезного сигнала. Это время измеряется с помощью микроконтроллера, который осуществляет аналого-цифровоепреобразование.

Интегратор 1

Рисунок 14 - Электрическая принципиальная схема первого интегратора

Измерительный первый интегратор выполнен на D1.4. На время интегрирования полезного сигнала открывается ключ D2.2 и соответственно закрывается ключ D2.4.

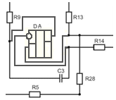
Интегратор 2

Рисунок 15 - Электрическая принципиальная схема второго интегратора

С помощью второго интегратора D1.3 производится автоматическая балансировка входного усилительного тракта по постоянному току. Постоянная интегрирования 240 мс. выбрана достаточно большой, чтобы эта обратная связь не влияла на усиление быстро изменяющегося полезного сигнала. С помощью этого интегратора на выходе усилителя D1.2 при отсутствии сигнала поддерживается уровень +5 В.

Микроконтроллер

Рисунок 15 - Условно-графическое обозначение микроконтроллера AT90S2313

Микроконтроллер AT90S2313 также имеет в своем составе 8-ми битный RISC процессор с быстродействием 10 MIPS, 32 рабочих регистра, 2 килобайта Flash ПЗУ, 128 байт ОЗУ, сторожевой таймер.

1.5 Принцип действия

При включении прибора в поисковой головке создается электромагнитное поле, которое распространяется в окружающую среду. На поверхности металлов, попавших в зону действия поисковой катушки, под действием электромагнитного поля возникают, так называемые, вихревые токи. Эти вихревые токи создают собственные встречные электромагнитные поля, приводящие к снижению мощности электромагнитного поля, создаваемого поисковой катушкой, что и фиксируется электронной схемой прибора. Кроме того, это вторичное поле искажает конфигурацию основного поля, что также улавливается прибором. Электронная схема металлоискателя обрабатывает полученную информацию и сигнализирует об обнаружении металла. Такие металлы как золото, серебро, медь имеют высокую электропроводность по сравнению с железом, тонкой алюминиевой фольгой, никелем и минералами. Определение металла в объекте основано на измерении удельной электропроводности объекта.

2. ЭНЕРГО- ИМАТЕРИАЛОСБЕРЕЖЕНИЕ

Особенностью всех мобильных устройств является принцип работы основанный на автономности. Металлоискатель относится к таким устройствам, его автономность заключается в том, что в качестве питания используется электрическая энергия заряда батареи.В силу того, что батарея не может работать достаточно длительное время из-за малой емкости, при проектировании использовались радиоэлементы и радиоэлектронная аппаратура с наименьшим энергопотреблением. Также, для сохранения компактности устройства используется батарея с малым напряжением и током. Но некоторые участки цепи нуждаются в более высоких токах, поэтому при разработке электрической принципиальной схемы были добавлены операционные усилители. Сама же схемотехника устройства является упрощенной, что также дополнительно сохраняет компактность металлоискателя. Немаловажным является то, что данная конструкция металлоискателя позволяет создать устройство малых размеров с размещением всех функциональных узлов в одном корпусе с выводом антенны улавливающей металлы.

3. ОХРАНА ТРУДА

При разработке устройства, особенно на этапе монтажа элементов на печатную плату, необходимо соблюдать меры предосторожности. Паяльник должен быть в исправном состоянии, его провод не должен иметь никаких переломов, изгибов, изоляция паяльника должна быть целой. Сам паяльник должен иметь специальную подставку, которая надежно фиксирует его и не позволяет ему случайным образом выпасть. Чтобы случайно не получить термических ожогов, паяльник на подставке размещается на безопасном расстоянии от человека работающего с ним. При пайке элементов используется флюс, который из-за высокой температуры жала паяльника частично испаряется, а для удаления лишнего флюса с печатной платы используется растворитель, а это значит, что помещение, в котором осуществляется монтаж элементов, должно быть оснащено специальными вытяжками, а также должно хорошо и регулярно проветриваться, а сам работающий должен делать перерывы в работе.

Устройство должно иметь корпус, который надежно закрывает все токоведущие части, чтобы при его работе пользователь данного устройства не получил электрических травм. Общий ток потребляемый схемой является большим и представляет некоторую опасность для здоровья человека, но токи на отдельных участках цепи очень малы и не могут нанести здоровью человека значительного ущерба. Таким образом устройство в плане электробезопасности не представляет никакой угрозы, за исключением его блока питания, в котором протекают большие токи.

При утилизации устройства, в частности, при демонтаже элементов, необходимо соблюдать те же правила предосторожности, что и при разработке устройства. В данном случае опасность представляет паяльное оборудование, правила работы с которым уже были рассмотрены.

4. ОХРАНА ОКРУЖАЮЩЕЙ СРЕДЫ

Ухудшающаяся с каждым годом экологическая обстановка в Республике Беларусь грозит в ближайшем будущем достигнуть критических размеров и превратиться в настоящее экологическое бедствие.

Крайне отрицательное воздействие на окружающую среду оказывают отработанные электронно-цифровые устройства, которые состоят из, различного рода, элементов и металлов. Если просто выкинуть устройство на свалку, то его элементы и составляющие со временем начнут разлагаться, и, безоговорочно, вредные вещества могут попасть в почву, в воду, в воздух, а через них - в организм людей.

При разработке устройства использовались вредные химические вещества, такие как флюс и растворитель. Очень важным является выбор менее вредного флюса и растворителя, так как после работы помещение будет проветриваться и все пары и испарения попадут в воздух. Таким образом можно снизить негативное воздействие на окружающую среду вредных веществ.

При непосредственной работе устройство не представляет никакой угрозы для окружающей среды, так как оно практически безвредно, а вредное воздействие оказываемое им ничтожно мало. К таким воздействиям можно отнести электромагнитное излучение и радиоволны.

При утилизации устройства ни в коем случае нельзя утилизировать элементы как бытовые отходы, так как все они в определенных условиях могут стать химически активными.Также стоит утилизировать неизрасходованные ненужные материалы, потому что они в первую очередь представляют угрозу окружающей среде.

ЗАКЛЮЧЕНИЕ

Согласно индивидуальному варианту задания было разработано электронное устройство-импульсный металлоискатель. В процессе проектирования были созданы электрическая структурная и принципиальная схемы, выбрана и рассчитана элементная база, на которой построено устройство, а также была описана специфика проектирования, эксплуатации и утилизации данного устройства.

Для разработки устройства использовалась специализированная литература, в которой описаны основные принципы расчета источника питания для устройства и элементной базы. Также при проектировании использовалось специализированное программное обеспечение, в частности SPlan - для создания электрической структурной и принципиальной схем устройства, а также MSOfficeWord - для оформления текста пояснительной записки.

Похожие работы на - Проектирование электронно–импульсного металлоискателя

 

Не нашли материал для своей работы?
Поможем написать уникальную работу
Без плагиата!
Без нейросетей!