|
Диапазон
|
Емкость
|
  
|
|
|
|
|
0,5 мкс/дел
|
53 пФ
|
5
|
9,9
|
0,13
|
2,51 нс.
|
|
1 мкс/дел
|
107 пФ
|
5
|
9,9
|
0,12
|
5,01 нс.
|
|
2 мкс/дел
|
215 пФ
|
5
|
9,9
|
0,12
|
10,00 нс.
|
|
5 мкс/дел
|
532 пФ
|
5
|
9,9
|
0,13
|
25,07 нс.
|
|
10 мкс/дел
|
1,1 нФ
|
4,8
|
9,7
|
0,12
|
50,03 нс.
|
|
20 мкс/дел
|
2,1 нФ
|
5
|
9,9
|
0,13
|
0,10 мкс
|
|
50 мкс/дел
|
5,32 нФ
|
5
|
9,9
|
0,13
|
0,25 мкс
|
|
0,1 мс/дел
|
11 нФ
|
4,8
|
9,7
|
0,12
|
0,50 мкс
|
|
0,2 мс/дел
|
21,2 нФ
|
5
|
9,9
|
0,13
|
1,00 мкс
|
|
0,5 мс/дел
|
53,2 нФ
|
5
|
9,9
|
0,13
|
2,51 мкс
|
Для обеспечения перекрывания диапазонов, предусмотрен
переменный резистор R3’, номинал которого составляет 15 кОм, при этом
плавная регулировка составляет ±10%.
Емкость будет разряжаться до 0,3 В (падение напряжения на прямо
смещенном p-n - переходе германиевого
диода), что даст на выходе схемы постоянный уровень 0,6 В в отсутствии сигнала
на входе. Эта составляющая убирается разделительной емкостью С2 = 1 мкФ.
Требования к запускающему импульсу ГЛИНа:
а) Импульс прямоугольной формы отрицательной
полярности;
б) Uзап = 8 В;
Моделирование работы ГЛИН в автоколебательном режиме со
схемой блокировки приведена на рисунке 2.
Рисунок 2 - Работа ГЛИН в автоколебательном режиме
2. Расчет схемы управления ГЛИН
В качестве схемы управления ГЛИН используется триггер Шмитта
на ОУ.
Длительность управляющих импульсов устанавливается
автоматически за счет обратной связи между генератором и триггером управления.
Триггер опрокидывается под воздействием импульса запуска, запускает ГЛИН, и
напряжение с выхода ГЛИН поступает на устройство сравнения, которое
обеспечивает возвращение триггера в исходное состояние по достижении заданного
уровня срабатывания, при этом формирование линейно изменяющегося напряжения
прекращается. На выходе триггера формируются прямоугольные управляющие
импульсы, длительность которых определяется скоростью изменения ЛИН. При
постоянном уровне сравнения размах пилообразного сигнала не меняется при
переключении времязадающих элементов.
Генератор развертки работает в ждущем режиме. При помощи
специального потенциометра R5 триггер можно превратить в управляющее устройство
с одним устойчивым состоянием, которое соответствует прямому ходу развертки. В
этом случае генератор развертки будет работать в автоколебательном режиме. В
момент достижения ЛИН заданного уровня управляющее устройство переводится и
удерживается в неустойчивом состоянии. Схема управления ГЛИН приведена на
рисунке 3.
Рисунок 3 - Схема управления ГЛИН (триггер Шмитта на ОУ)
Расчет триггера выполним для ждущего режима генератора.
Пусть Е = 0, т.е. движок потенциометра режима находится в
крайне нижнем положении. Пороги срабатывания триггера задаются цепью ПОС. В
исходном состоянии на выходе триггера напряжение должно быть равно U+огр = +8 В, чтобы ключевой
транзистор ГЛИН был открыт, а времязадающая емкость разряжена. С помощью цепи
ООС выбирается режим работы схемы и осуществляется запуск. Возвращение триггера
в исходное состояние должно происходить, когда напряжение на выходе ГЛИН
достигнет значения Uвых.max = 9,9 В; при этом
триггер находится в состоянии с U-огр = -8 В.
Напряжение на неинвертирующем входе выбираем исходя из
максимального напряжения, до которого должен заряжаться времязадающий
конденсатор в конце рабочего хода
.
Тогда коэффициент передачи цепи ПОС


.(2.1)
Выбираем сопротивление R3 = 11 кОм Þ
.(2.2)
Выбираем номинал R4 = 6,8 кОм.
Пороговый уровень срабатывания триггера по неинвертирующему
входу равен
.(2.3)
Откуда коэффициент передачи цепи ООС
.(2.4)
Выбираем сопротивление R1 = 10 кОм Þ
.(2.5)
Значение напряжения на неинвертирующем входе в ждущем режиме
.(2.6)
Полученное значение U-вх<U+вх
Þ триггер будет находиться в устойчивом состоянии.
Запускающий сигнал подается на инвертирующий вход триггера и
должен иметь положительную полярность и амплитуду, достаточную для переключения
триггера. Минимальное значение напряжений на входах ОУ в исходном состоянии:
.(2.7)
Для надежного срабатывания триггера необходимо обеспечить
амплитуду запускающего сигнала:
.(2.8)
Для переключения ГЛИН в автоколебательный режим необходимо
перевести триггер в квазиустойчивое состояние, для чего с помощью потенциометра
R5 необходимо подать дополнительное напряжение смещения, достаточное для
компенсации разностного напряжения
на входах триггера. С
этой целью используем дополнительный источник напряжения Е = 3 В. Чтобы
резистор смещения не влиял на работу схемы, его сопротивление должно быть
низкоомным, поэтому выбираем R5 = 100 Ом на номинальную мощность 1 Вт.
Расчет фронтов импульсов на выходе триггера управления ГЛИН
приведен ниже. Для ОУ К154УД4
,(2.9)
где V - скорость нарастания
ОУ, Umт - значение амплитуды на выходе триггера.
3. Схема блокировки устройства управления ГЛИН
Для обеспечения полного восстановления ГЛИН к моменту прихода
очередного синхроимпульса и его надежной синхронизации необходимо предусмотреть
блокировку устройства на время формирования обратного хода и формирование
временной задержки очередного цикла работы, в течение которой генератор
находится в режиме ожидания синхроимпульса. С этой целью предусмотрена схема,
состоящая из эмиттерного повторителя на транзисторе, работающего в ключевом
режиме, и интегрирующей цепи С1, R2. Во время рабочего хода емкость С1 заряжается до
амплитудного значения возрастающего напряжения ГЛИН через малое выходное
сопротивление повторителя. С момента формирования обратного хода напряжение на
базе транзистора VT1 скачком уменьшается, а на эмиттере из-за наличия емкости оно
мгновенно измениться не может, что приводит к запиранию транзистора и удержанию
триггера в состоянии блокирования работы ГЛИН на время перезаряда С1 до
значения напряжения порогового уровня, заданного цепью ПОС триггера. Далее
процесс повторяется (автоколебательный режим). Для правильной работы
необходимо, чтобы постоянная перезаряда С1 была выбрана существенно больше, чем
время обратного хода генератора, что необходимо для полного восстановления
схемы к моменту прихода очередного синхроимпульса, способного активно
воздействовать на ГЛИН в течение времени задержки (режим синхронизации).
Схема блокировки устройства управления ГЛИН приведена на
рисунке 4.
Рисунок 4 - Схема блокировки устройства управления ГЛИН
Эмиттерный повторитель должен работать в активном режиме во
время формирования хода и закрываться с началом обратного хода. В качестве
источника питания используем источник как для ОУ, т.е. Е1,2 = ±10 В, а для быстрого и
надежного запирания рабочую точку выбираем вблизи области отсечки. Необходимо
учесть, что резистором R2 в значительной степени определяется время задержки.
Для того чтобы номинал емкости цепи задержки С1 был небольшим, сопротивление R2 должно быть достаточно
высокоомным. В исходном состоянии напряжение на выходе ГЛИН, равное напряжению
на базе VТ1,
близко к нулю. В активном режиме Uбэ » 0,7 В, тогда падение напряжения на эмиттерном
сопротивлении
.(3.1)
Зададимся эмиттерным током в рабочей точке Iэ0 = 200 мкА и найдем сопротивление
.(3.2)
Выбираем номинальное значение R2 = 47 кОм. Так как входное сопротивление и динамический диапазон
эмиттерного повторителя велики, то базу транзистора можно непосредственно
подключать к выходу ОУ. Однако для защиты ОУ от перегрузки по току в случае
короткого замыкания (пробой переходов в VТ1) целесообразно включить в базу транзистора токоограничивающий
резистор R1, значение сопротивления которого можно
оценить по максимально возможному падению напряжения на нем и величине
допустимого выходного тока ОУ
.(3.3)
Выбираем номинальное значение R1 = 1 кОм.
Рассчитаем значение емкости в цепи задержки. Перезаряд С1 во время
формирования задержки происходит при закрытом транзисторе VТ1 через резистор R1 и
резисторы R1, R2 схемы управления ГЛИН с постоянной времени
. Длительность задержки можно рассчитать
по выражению
.(3.4)
Максимальное напряжение, до которого емкость стремится зарядиться
Напряжение на емкости в конце рабочего хода
Напряжение прерывания процесса перезаряда
.
Длительность задержки обычно составляет
(0,1ч0,2) Тр, но для небольших интервалов развертки ее значение
может быть выбрано постоянным по Тр, соответствующей среднему
поддиапазону длительности развертки. Зададимся длительностью задержки tзад = 50 мкс. Значение
емкости цепи задержки:
.(3.5)
Выбираем номинальное значение С1 = 1000
пФ.
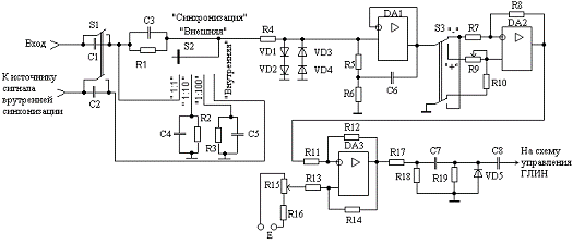
4. Устройство синхронизации и запуска развертки
Устройство синхронизации и запуска
развертки преобразует различные по форме и амплитуде сигналы в стандартные
импульсы и позволяет выбрать момент времени для запуска развертки, который
соответствует определенному уровню исследуемого сигнала. Вход устройства может
быть открытым и закрытым. В большинстве случаев достаточен запуск по
переменному току. Но при исследовании сигналов, статистически распределенных во
времени, необходимо пользоваться открытым входом. В противном случае в
результате изменения постоянной составляющей, обусловленного присутствием
разделительных емкостей, менялся бы уровень напряжения сигнала, определяющий
момент запуска развертки, что привело бы к размытости изображения на экране
ЭЛО.
Устройство синхронизации состоит из следующих основных
функциональных узлов:
ü переключателя входа, при помощи которого
выбирается запускающий сигнал;
ü эмиттерного повторителя со следящей
связью, обеспечивающего хорошее согласование, имеющего в своем составе средства
зашиты от перегрузки канала и достаточно высокое входное сопротивление;
ü переключателя полярности запускающего
сигнала, при помощи которого можно выбрать момент запуска развертки во время
возрастающей или спадающей части сигнала;
ü усилителя, при помощи которого запускающий
сигнал достигает необходимого уровня;
ü триггера Шмитта для выбора уровня
напряжения запускающего сигнала, определяющего момент запуска развертки;
ü формирователя коротких импульсов запуска и
синхронизации с постоянными крутизной фронта и амплитудой, независящими от
параметров входного сигнала.
Принципиальная схема устройства синхронизации и запуска
развертки приведена на рисунке 5.
Рисунок 5 - Принципиальная схема устройства синхронизации и
запуска развертки
Входной сигнал поступает или на внешний разъем блока Вход
(внешняя синхронизация), или с канала «У» ЭЛО (внутренняя синхронизация).
Переключатель S1
служит для переключения режима работы (с открытым или закрытым входом). С
помощью S2
в режиме внешней синхронизации входной сигнал может быть ослаблен с помощью
компенсированного делителя R1, R2, R3, C3, C4, C5. Для обеспечения высокого входного сопротивления канала в
качестве входного каскада использован повторитель со следящей связью на DA1. Диоды VD1..VD4 предназначены для
защиты входного каскада от пробоя при случайной подаче входного сигнала большой
амплитуды. На DA2 собран фазоинвертор с усилением, позволяющий переключать
полярность синхронизации с помощью S3 и усиливать входной сигнал до амплитуд,
необходимых для надежного срабатывании триггера Шмитта. Назначение
триггера Шмитта - сформировать, перепад напряжения с крутым фронтом в момент
пересечения входным сигналом опорного уровня, выставленного с помощью
потенциометраR15.
Этим достигается формирование синхроимпульса и, следовательно, запуск
развертки с определенного уровня входного сигнала, что позволяет получать на
экране ЭЛО и детально анализировать отдельные участки исследуемого сигнала.
Резистивный делитель R17, R18 обеспечивает амплитуду запускающего сигнала, необходимую
для надежного срабатывания триггера. С помощью цепи С7, R19 сигнал
дифференцируется. Укороченные биполярные импульсы поступают на диодный
ограничитель нулевого уровня VD5 для сигналов отрицательной полярности.
Положительный импульс синхронизации через разделительный конденсатор C8 поступает на
схему управления ГЛИН.
Расчет компенсированного делителя напряжения.
Задаемся R1=100 кОм, что и обеспечит необходимое входное
сопротивление ³100 кОм, и С3=5,1 пФ.
Сопротивление R2 мало шунтируются RВХ входного
каскада, поэтому этим можно пренебречь.
При делении 1:10 получаем:
.(4.1)
Для исключения искажения формы импульса аттенюатором
постоянные времени RC цепей должны быть равны:
.(4.2)
Отсюда
.(4.3)
При делении 1:100 получаем:
.(4.4)
(4.5)
Входная емкость С1 должна обеспечивать неискаженную передачу
сигнала во всем частотном диапазоне. Так как сигнал может быть любой формы, то
расчет значения емкости следует проводить для прямоугольного импульса, для которого
искажения, вносимые емкостями связи, наиболее существенны и приводят к
образованию скола импульса DИ. Задавшись значением скола
, найдем значение
(4.6)
При работе в режиме внутренней синхронизации емкость С2
нагружена только на входное сопротивление повторителя на ОУ, величина которого
может достигать значений 100ч1000 МОм. Поэтому выбираем С2 = С1 =1 мкФ.
Микросхема DA1 должна иметь
хорошие частотные свойства (для неискаженной передачи фронтов сигнала), малое
напряжение смещения и слабую температурную зависимость, высокое входное
сопротивление и коэффициент усиления. Исходя из этих соображений выбираем
быстродействующий операционный усилитель К154УД4, параметры которого приведены
в приложении. В повторители организована следящая связь: стопроцентная ООС,
сигнал подается на неинвертирующий вход,
, высокое входное сопротивление. Для увеличения входного
сопротивления вводится следящая связь: ПОС на фоне стопроцентной ООС. Зададимся
номиналами R5 = R6 = 100 кОм, С6 = 1 мкФ.
Диоды для защиты входа ОУ от перегрузки
должны быть импульсными, иметь малое значение емкости перехода и большой
импульсный ток. Выбираем кремниевые диоды типа КД509А, параметры которых
приведены в приложении. Для расчета токоограничивающего сопротивления R4 следует задаться
значением максимального напряжения Uвх max, которое может быть
подано на вход синхронизации. Пусть Uвх max = 10 В, тогда
.(4.7)
Выбираем номинал R4 = 56 Ом.
Расчет усилителя-фазоинвертора.
Для усилителя выбираем ту же микросхему К154УД4 и задаемся
коэффициентом усиления К = 200, при котором при минимальном входном сигнале 10
мВ напряжение на выходе будет 2 В. По заданному коэффициенту усиления
рассчитываем сопротивления цепи ООС R7, R8. С одной стороны, сопротивление резистора R8 следует выбирать по возможности малым, чтобы снизить
статические ошибки усилителя. С другой стороны, цепь ООС не должна перегружать
выход усилителя по выходному току. При малых значениях R8 резистор R10, нагружающий
выход повторителя, будет также низкоомным, что может привести к превышению
допустимого выходного тока каскада на DA1. По паспортным
данным ОУ минимальное значение нагрузки Rн min = 2 кОм,
поэтому выбираем R10 = R7 = Rн min = 2 кОм и по заданному
находим значение
.(4.8)
Выбираем номинал R8 = 430 кОм Þ напряжение на выходе будет 2,2 В.
Чтобы коэффициенты усиления по обоим входам усилителя были равны,
дополнительно к. неинвертирующему входу DA2 следует подключить резистор R9. Значение сопротивления R9 рассчитываем из равенства коэффициентов передачи по
инвертирующему и неинвертирующему входам
, где
,
,
. Полученное значение R9 = 10 Ом, причем для более точной настройки равенства
коэффициентов усиления по обоим входам в качестве R9 следует выбирать резистор переменного сопротивления.
Триггер
Шмитта.
В качестве порогового устройства выберем триггер Шмитта на ОУ
с максимально зауженной петлей гистерезиса. Выбираем микросхему К154УД4.
Источник питания Е = ±10 В. Пороговые уровни триггера меняются за счет
переменного сопротивления R15.
Пусть R11 = R13 = 10 кОм, R12 = 510 кОм, R14 = 430 кОм. Рассчитаем пороговые уровни срабатывания
триггера при нулевом напряжении на втором входе. Коэффициенты передачи ПОС и
ООС:
(4.9)
(4.10)
В таком случае пороговые уровни:
(4.11)
При изменении напряжения на втором входе триггера пороговые
уровни изменяются линейно в соответствии с формулой
,(4.12)
и при Uвх2 = 5 В составляют 5,42 и 4,54 В. Рассчитаем
входной делитель, формирующий опорное напряжение таким образом, чтобы
максимальное напряжение на входе 2 равнялось 5 В. Используем стандартное
напряжение питания +10 В. Зададимся током делителя 1 мА. Тогда общее
сопротивление делителя:
(4.13)
Возьмем R15 = 5,1 кОм и R16 = 5,1 кОм. В таком случае падение напряжения на резисторе R15 будет равно 5 В.
Расчет фронтов импульсов на выходе триггера приведен ниже.
Для ОУ К154УД4
,(4.14)
где V - скорость нарастания
ОУ, Umт - значение амплитуды на выходе триггера.
Расчет резистивного
делителя.
Для надежного срабатывания триггера в
схеме управления ГЛИН необходим сигнал амплитудой »3В, поэтому
,(4.15)
Отсюда
.
Зададимся номиналом R18 = 1 кОм,
тогда R17 = 2,4 кОм.
Расчет дифференцирующей цепи.
Чтобы исключить влияние нагрузки на параметры дифференцирующей
цепи R19, С7, выбираем R19 = 10 кОм с учетом неравенства R19<<RН. Зададимся
из условия, что постоянная дифференцирующей цепи должна быть много
меньше минимальной длительности импульса, тогда
,(4.16)
Что соответствует номиналу.
Для выделения после дифференцирования только положительных
импульсов используем фиксатор нулевого уровня на VD5, в качестве которого используем импульсный диод с большим
значением допустимого импульсного тока. Выбираем диод КД510А, параметры
которого перечислены в приложении. Следует отметить, что в этом случае
отрицательный импульс будет ограничен по амплитуде на уровне приблизительно
-0,7 В.
Для исключения постоянной составляющей нагрузку к выходу блока
подключаем через разделительный конденсатор, величину которого рассчитаем из
условия неискаженной передачи импульса
, где
- постоянная времени разделительной
цепи. Для того чтобы эта емкость и одно из сопротивлений делителя на входе
триггера не образовывали еще одну дифференцирующую цепь, надо С8>>C7, пусть С8 = 0,1 нФ.
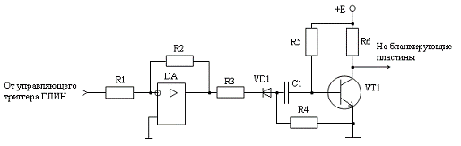
5. Расчет схемы управления бланкирующими
пластинами ЭЛТ
Для предотвращения появления на экране ЭЛТ
линий обратного хода развертки используют импульсное управление яркостью
свечения экрана. С этой целью можно запирать трубку на время формирования
обратного хода или увеличивать яркость свечения на время рабочего хода. Для
управления яркостью в данной ЭЛТ используют специальные дополнительные
электроды (бланкирующие пластины). Электронный луч будет находиться в пределах
экрана ЭЛТ при прямом ходе развертки, а по окончании прямого хода развертки луч
отклоняется за пределы экрана.
Требуется спроектировать схему управления
бланкирующими пластинами ЭЛТ, в которой в качестве ГЛИН используется
рассчитанная раннее схема генератора с ПОС на ОУ с диапазоном разверток 1 мксч1
мс. Входной сигнал берем с выхода управляющего триггера ГЛИН.
Произведем оценку фронтов сигналов.
При заданных длительностях разверток
минимальный фронт исследуемого сигнала
.(5.1)
Тогда фронт импульса подсвета должен удовлетворять условию
Фронт импульсов на выходе триггера управления ГЛИН можно оценить
по скорости нарастания ОУ
.(5.2)
V - скорость нарастания ОУ, Umт - значение амплитуды на выходе триггера.
Таким образом, параметры входного сигнала удовлетворяют требованиям,
предъявляемым к устройству управления бланкирующими пластинами ЭЛТ.
На рисунке 7 приведена схема управления бланкирующими пластинами
ЭЛТ.
Рисунок 6 - Схема управления бланкирующими пластинами
Для построения схемы применяем ключевой каскад на высоковольтном
транзисторе. Транзистор должен быть высокочастотным, с допустимым напряжением
коллектор - эмиттер более 60 В, так как Uз ап.бланк.пл. = +60 В. В схеме применен ОУ, выполняющий роль фазоинвертора
сигнала, поступающего с управляющего триггера ГЛИН. Сигнал, поступающий с
выхода управляющего триггера имеет положительную полярность при формировании
обратного хода развертки, а для запирания транзистора типа n-p-n на его базу необходимо подать импульс отрицательной полярности
Þ на бланкирующие пластины будет подаваться
напряжение +60 В Þ луч
отклонится за пределы экрана.
Выбираем следующие номиналы сопротивлений R1 = R2 =100 кОм, тогда коэффициент усиления ОУ
.(5.3)
В качестве источника питания выбираем Е = +10 В. Поэтому даже при
входном сигнале амплитудой 8 В, на выходе получим сигнал амплитудой равной
питанию ОУ, т.е. 10 В.
Учитывая необходимые параметры, выбираем транзистор КТ605А,
характеристики которого приведены в Приложении А.
Для повышения быстродействия используем ненасыщенный транзисторный
ключ. Исходя из максимальной амплитуды сигнала, соответствующей полному
запиранию ЭЛТ, выбираем напряжение коллекторного питания Ек = +60 В.
Так как в режиме покоя транзистор должен находиться в открытом состоянии,
близком к насыщению (Uкэ0 » 2 В), ток насыщения можно выбрать, задавшись допустимой
мощностью, рассеиваемой на коллекторном сопротивлении R6. Пусть PR6 = 1 Вт, тогда
,(5.4)
.(5.5)
Ток базы
.(5.6)
Сопротивление резистора в базе
.(5.7)
Выбираем номинал R5 = 75 кОм.
Цепь R3-VD1-R4 обеспечивает ограничение выходного тока
фазоинвертора, пропускание на базу VT1
только импульсов отрицательной (запирающей) полярности, а также понижение их
амплитуды до значения напряжения база-эмиттер, допустимого для данного типа
транзистора. Допустимый выходной ток микросхемы К154УД4 Im вых = 25 мА. Ток, потребляемый ключевым каскадом ГЛИН, равен
3,5 мА. Зададимся импульсным током делителя IвхZ = 1 мА,
тогда для отрицательного импульса с амплитудой U-m = 10 В
сопротивление делителя
.(5.8)
Допустимое напряжение база-эмиттер транзистора не более 5 В. Пусть
значение амплитуды запирающего напряжения сигнала на базе VT1 Uбэ m = 2 В.
.(5.9)
Тогда
,(5.10)
.(5.11)
Выбираем номинал R3 = 8,2 кОм.
Емкость С1 предназначена для «развязки» по постоянной составляющей
входа высоковольтного усилителя и предохраняет фазоинвертор на ОУ от пробоя по
напряжению при выходе из строя ключевого транзистора.
Значение емкости можно рассчитать по допустимому сколу импульса D£0,01,
,(5.12)
где tи max - максимальная длительность развертки,
- постоянная времени цепи связи.
Находим значение емкости
(5.13)
Выбираем С1 = 2,2 мкФ на рабочее напряжение 60 В.
Поскольку транзистор VT1 в
исходном состоянии находится в усилительном режиме, задержка выключения будет
отсутствовать. Фронт сигнала на выходе каскада
, (5.14)
где t - постоянная
времени транзистора.
Далее будет произведен расчет постоянной времени транзистора
КТ605А.
Ток эмиттера равен:
.(5.15)
Рассчитаем сопротивление эмиттера транзистора:
.(5.16)
Коэффициент «2» в знаменателе дроби учитывает зависимость rЭ
от рабочей точки.
Возьмем типовыми rб = 100 Ом, тогда входное
сопротивление транзистора:
.(5.17)
Крутизна в рабочей точке будет равна:
.(5.18)
Постоянная времени транзистора:
.(5.19)
Нагрузкой данной схемы служат бланкирующие пластины ЭЛТ, т.е.
паразитная емкость бланкирующих пластин относительно остальных электродов
трубки и паразитная емкость монтажа. Оценим влияние емкости нагрузки Сн
на фронты выходного сигнала схемы управления. Затягивание фронта связано с
зарядом емкости через коллекторное сопротивление при запирании транзистора с
постоянной времени
. Задавшись Сн = 20 пФ, получим
затягивание фронта сигнала
,(5.20)
что существенно меньше, чем фронт сигнала, обусловленный
частотными свойствами схемы управления бланкирующими пластинами.
6. Расчет фазоинвертора
Фазоинвертор предназначен для согласования несимметричного
выхода предварительного усилителя с дифференциальным входом оконечного каскада
(ОК). Фазоинвертор позволяет получить два выходных сигнала, равных по
амплитуде, но противоположных по фазе.
В качестве элемента, инвертирующего фазу, применяется
инвертор на операционном усилителе К154УД4, а не инвертированный сигнал
ответвляется на входе и проходит на выход без изменений. Схема инвертора
приведена на рисунке 7.
Рисунок 7 - Фазоинвертор
Питание ОУ Е = ±10 В. Задаемся
сопротивлениями:
R1 = 75 кОм, R2 = 1,5 кОм.
Тогда коэффициент усиления операционного усилителя вычисляется
по формуле:
.
Следовательно, на выходе ОУ будет получен сигнал равный по
амплитуде входному сигналу, но противоположной полярности.
7. Расчет оконечного усилителя канала X
.1 Требования к каскаду
Нагрузкой выходного усилителя канала Х служит ЭЛТ 6ЛО3И.
Параметры ЭЛТ, необходимые для расчета:
ü Чувствительность по пластинам Х Sх = 0,5 мм/В;
ü Рабочая часть экрана 30х40 мм;
ü Емкость пластин 10 пФ.
Выходное напряжение усилителя рассчитывается как
.(7.1)
Так как амплитуда сигнала с выхода фазоинвертора равна 9,9 В Þ КОК = 8
Расчет будем вести на одно плечо Þ UВЫХ = 40 В.
Исходя из этих параметров и требований к симметричности
нагрузки, в качестве оконечного каскада выбран дифференциальный каскад. Кроме
того, данный каскад будет обладать достаточно хорошей термостабильностью.
.2 Выбор транзистора
При выборе транзистора для дифференциального каскада
учитывалось:
Допустимое напряжение UКЭ транзистора должно
обеспечивать передачу двойного выходного напряжения, т.к. по условию входной
сигнал может быть произвольной полярности, кроме того, необходимо, чтобы был
некоторый запас по амплитуде.
Необходимо, чтобы транзистор мог обеспечить нужную верхнюю
частоту, т.е. должно быть соответствующим fa (fb).
. (7.2)
Должен обеспечиваться требуемый коэффициент усиления.
Выбирается b.
Допустимое напряжение UБЭ должно удовлетворять
параметрам входного сигнала.
.3 Выбор рабочей точки
Исходя из требований к выходному напряжению, виду сигнала и
возможностей транзистора выбраны следующие параметры рабочей точки: ЕК
= 250 В, Uкэ=125 В (для размаха в обе стороны по 80 В, с запасом), IКmax=50 мА. Получаем, что в
рабочей точке IК0=25 мА (см. рисунок 9). Амплитудное значение коллекторного тока с
учетом принятого при расчетах 30% запаса на изменение рабочей точки с
температурой
(7.3).
Рисунок 8 - Выбор рабочей точки ОК по постоянному току
7.4 Расчет параметров транзистора
На рисунке 10 приведена принципиальная схема оконечного
каскада.
Рисунок 9 - Принципиальная схема ОК.
Рассчитаем некоторые параметры транзистора.
Ток базы в рабочей точке
.(7.4)
Ток эмиттера равен:
.(7.5)
Рассчитаем сопротивление эмиттера транзистора:
.(7.6)
Коэффициент «2» в знаменателе дроби учитывает зависимость rЭ
от рабочей точки.
Возьмем типовыми rКБ = 100кОм и rБ =
100 Ом, тогда входное сопротивление транзистора:
.(7.7)
Крутизна в рабочей точке будет равна:
.(7.8)
Выходное сопротивление транзистора:
.(7.9)
.5 Расчет параметров каскада
Исходя из выбора рабочей точки, рассчитаем каскад по
постоянному току.
Рассчитываем значение коллекторного
сопротивления
.(7.10)
Выбираем номинальное значение RK = 2,4 кОм.
Напряжение на эмиттере транзистора
. (7.11)
Сопротивление в цепи эмиттера
(7.12)
Найдем сопротивления базового делителя R1 и R2. Зададимся током
делителя
.(7.13)
Рассчитываем значения сопротивлений с учетом падения напряжения Uсм = 0,7 В на эмиттерном переходе кремниевого транзистора
,(7.14)
.(7.15)
Выбираем номинальные значения R2 = 6,8 кОм, R1 = 16 кОм.
Требуемый коэффициент усиления плеча каскада с ООС
.(7.16)
Выбираем с запасом К = 5. При идеальной
симметрии плеч обратная связь через сопротивление R’Э отсутствует и при
достаточно большом сопротивлении Rос в цепи эмиттера коэффициент усиления на средних
частотах равен
. (7.17)
Для корректировки коэффициента усиления плеч каскада Rос выбираем переменным и
равным 510 Ом. Общее эмиттерное сопротивление рассчитывается как
,(7.18)
что соответствует номинальному значению.
Входное сопротивление усилителя по переменному току:
.(7.19)
.6 Расчет термостабильности схемы
Изменение неуправляемого тока коллекторного перехода
.(7.20)
Температура вызывает смещение
.(7.21)
Изменение с температурой в
.(7.22)
Общее изменение коллекторного тока
,(7.23)
Коэффициент температурной нестабильности Ns = 4
.(7.24)
Удовлетворяет условию термостабильности
.
.7 Расчет сопротивлений и частотных свойств
каскада с ООС по току
Далее приведен расчет выходного сопротивления, фактора
глубины обратной связи F, коэффициента усиления K0* и
расчет емкости СВХДИН.
.(7.25)
Постоянная времени транзистора:
.(7.26)
Приведенная коллекторная емкость:
.(7.27)
Постоянная коллекторной цепи
.(7.28)
Постоянная цепи нагрузки
.(7.29)
Суммарная постоянная времени в области верхних частот
.(7.30)
Верхняя частота каскада без ООС будет равна:
.(7.31)
Коэффициент усиления выходного каскада без
учета ООС
.(7.32)
Фактор обратной связи
,(7.33)
.(7.34)
Далее
.(7.35)
Используем в каскаде разделительные емкости, значения которых
находим по нижней частоте каскада. Зададимся нижней частотой каскада 25 Гц.
Для расчета емкости Ссв
необходимо знать выходное сопротивление предыдущего каскада. Выходное
сопротивление источника сигнала.Rг=10 Ом. Коэффициент низкочастотных искажений Мн
распределяем равномерно между емкостями связи
.(7.36)
Значения емкостей:
,(7.37)
.(7.38)
Выбираем конденсаторы с номинальным
значением емкости Ссв1 = 3,3 мкФ и Ссв2 = 10 нФ на
напряжение 250 В.
Результаты моделирования каскада приведены
на рисунке 10.
Рисунок 10 - Результаты моделирования
каскада
Проверка по добротности:
- добротность каскада
.(7.39)
- добротность транзистора
.(7.40)
Выполняется условие DТР>DК Þ расчеты произведены верно.
Рисунок 11 - Амплитудно-частотная характеристика оконечного
каскада по результатам моделирования
Рисунок 12 - Фазо-частотная характеристика оконечного каскада
по результатам моделирования
8. Расчет схемы смещения луча по горизонтали
Для регулировки смещения луча по Х используем резистивный
делитель, представленный на рисунке 13.
Рисунок 13 - Схема регулировки смещения луча по Х
Для расчета сопротивлений мостового делителя необходимо знать
напряжение источника питания, которое можно найти, зная рабочую часть экрана по
Х и чувствительность отклоняющих пластин Х1 и Х2. Для данной ЭЛТ размер экрана
по Х равен 40 мм, а чувствительность пластин 0,5 мм/В, тогда для смещения луча
по горизонтали требуется напряжение
.
Выбираем Епит = 250 В и расчет делителя ведем на одно
плеча для среднего положения движка потенциометра R’, так как
схема симметричная.
Сопротивление R’’ - предотвращают шунтирование делителем
выходного усилителя канала Х, как правило, выбирается высокоомным, поэтому
выбираем равным 1 МОм. Задаемся током плеча делителя, оптимальное значение
составит Iдел=1 мА.
Сопротивление плеча
.(8.1)
Напряжение на пластине Х в среднем положении должно быть равно 125
В, т.е.
.(8.2)
Þ
Þ
, выбираем номиналы сопротивлений R = 130 кОм.
Тогда R’ = 270 кОм.
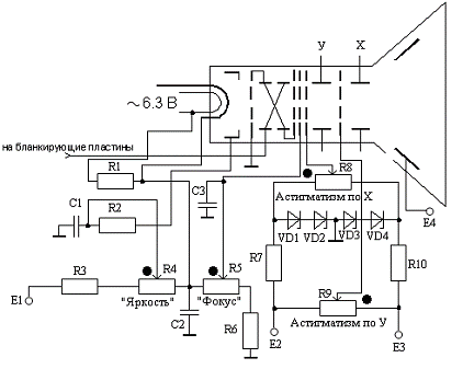
9. Схема питания электронно-лучевой трубки
Схема питания электронно-лучевой трубки приведена на рисунке
14.
Рисунок 14 - Схема питания электронно-лучевой трубки 6ЛО3И
Характеристики трубки 6ЛО3И приведены в приложении.
Назначение элементов схемы: резистор R1 предназначен для
выравнивания потенциалов катода и нагревателя в целях исключения влияния
объемного заряда и токов утечки в промежутке катод - подогреватель,
сопротивление в цепи модулятора R2 предотвращает влияние токов утечки модулятора на
режимные потенциалы делителя R3 - R6, емкости С1, С3 - фильтрующие, обеспечивают плавное
изменение потенциалов при регулировании яркости и фокуса, С2 - обеспечивает
заземление катода трубки по переменному току. Резисторы R8, R9 предназначены для
плавного изменения напряжения на 3-м и 4-м анодах. Стабилитроны VD1, VD2, VD3, VD4 - предназначены для
задания напряжения 3 - го анода. Резисторы R7, R10 применяются в качестве
ограничивающих.
Выбираем сопротивление в цепи модулятора (с учетом паспортных
данных) R2
= 1 МОм, а сопротивление в цепи катод - подогреватель R1 = 100 кОм.
Если катод трубки заземлить, то на отклоняющие пластины необходимо
подавать высокое относительно земли напряжение, что ведет к необходимости
изолировать от земли усилители вертикального и горизонтального отклонений.
Поэтому в ЭЛТ заземляем второй анод, а катод подключаем к отрицательному полюсу
источника питания. При этом напряжения на остальных электродах трубки не
изменяются относительно катода, но оказываются иными относительно точки
заземления, и отпадает необходимость изоляции усилителей отклонения
относительно земли.
Выбираем напряжение источника питания делителя
E1 > Uа2 = 700 В. Пусть E1 = -1кВ. Зададимся током
делителя Iдел>>Iэм, где Iэм - рабочий ток (ток эмиссии) луча пушки, который
составляет обычно десятки микроампер. Пусть Iдел = 1 мА, тогда общее
сопротивление делителя
.(9.1)
Напряжение на катоде должно быть равным Uкат = -700 В, т.е.
Þ
,(9.2)
Тогда
.(9.3)
Сопротивление R4 предназначено
для регулирования яркости свечения экрана изменением напряжения модулятора
относительно катода. Это напряжение не должно быть меньше допустимого
паспортного значения -30 В и больше -135 В. С учетом максимального напряжения Uзап = -60 В принимаем
падение напряжения на регулирующем сопротивлении UR4 = 135 В.
Тогда
.(9.4)
.(9.5)
Выбираем номинал R4 = 130 кОм.
Рассчитываем значение сопротивления R3
.(9.6)
Выбираем номинал R3 = 180 кОм.
Минимальное напряжение фокусирующего
(первого) анода относительно катода Ua1 min = 0В. Максимальное
напряжение на первом аноде Ua1 max = 150 В, тогда
,(9.7)
Что соответствует номиналу, выбираем переменным.
Значение сопротивления
. Выбираем в качестве сопротивления R6 два последовательно соединенных резистора номиналом 330 и
220 кОм.
Выбираем С1=С2=С3=0,1 мкФ на рабочее напряжение 1000 В (С1, С2) и
300 В (С3).
Для питания пятого (ускоряющего) анода трубки требуется напряжение
Uа5 = 2 кВ относительно катода. Так как катод трубки находится
под потенциалом Uкат = -700 В, то для питания пятого анода используем отдельный
источник E4 = +1,3 кВ. Для питания четвертого анода использованы отдельные
источники питания, так как требуется обеспечить интервалы рабочих напряжений: Uа4 = -50..+50 В. Поэтому используются источники напряжения E2 = -50 В, E3 = +50 В. Для получения напряжения ±40 В при обеспечении интервала рабочих
напряжений 3 - го анода Uа3 = -40..+40 В, в схеме используются
стабилитроны VD1, VD2, VD3, VD4 (с напряжением стабилизации 20 В). В качестве стабилитронов
взяты следующие КС220Ж1, параметры которых приведены в приложении.
Произведем расчет необходимых сопротивлений.
Так как схема симметричная, то расчет ведем на одно плечо.
Зададимся током текущим через сопротивление R9 равным 5 мА, тогда
.(9.8)
Поэтому выбираем R9 = 20 кОм
переменным.
Для расчета сопротивлений необходимо учитывать параметры стабилитронов.
Iст = 2 мА Þ
,(9.9)
Тогда ограничительное сопротивление
.(9.10)
Выбираем сопротивления R10 = R7 = 4,3 кОм.
Сопротивление
.(9.11)
Выбираем номинал сопротивления R8 = 200 кОм.
10. Калибратор амплитуды и длительности развертки
Калибратор предназначен для калибровки коэффициента
отклонения усилителя вертикального отклонения и длительности развертки канала
Х, вырабатывает соответственно калибровочное напряжение и калибровочные
интервалы. В качестве калибратора используется схема автоколебательного
мультивибратора на ОУ. Для повышения стабильности частоты в схеме применяется
кварцевый резонатор в цепи ПОС. Принципиальная схема калибратора представлена
на рисунке 15.
Рисунок 15 - Калибратор амплитуды и длительности развертки
Калибратор, вырабатывает меандр со стабильной амплитудой
благодаря применению стабилитронов VD1, VD2 - КС456А1. Также, предусмотрена
возможность регулировки амплитуды выходного напряжения переменным резистором R4. В исходном состоянии, U-вх=Uс =0 В, Uвых = +Uвыхmax. Заряд емкости C1 идет через резистор R1 до уровня U-вх = U+пор,
где U-вх - напряжение на
инвертирующем входе ОУ, а U+пор - пороговое напряжение переключения МВ (напряжение
на не инвертирующем входе ОУ). По достижении данного уровня, происходит смена
знака напряжения на выходе ОУ, Uвых = - Uвыхmax. Конденсатор C1 начнет разряжаться через резистор R1 до тех пор, пока U+вх
не превысит уровень U-пор. После этого снова
происходит изменение выходного напряжения скачком до уровня, Uвых = +Uвыхmax. Конденсатор С1 снова
начинает перезаряжаться.
Рассчитаем параметры схемы.
(10.1)
Выбираем номинал R2 = 68 Ом.
Выберем частоту колебаний из середины диапазона входного
сигнала: f
= 500 кГц
Подберем параметры времязадающей цепи исходя из длительности
импульса:
(10.2)
Получаем: R1 = 4,3 кОм, С = 1 нФ, R3 = 2 кОм, R6 = 15 кОм. При таких
параметрах значение tи = 1 мкс. При этом кварц следует выбрать на 500
кГц.
Рассчитаем значение сопротивления R5:
(10.3)
(10.4)
Выбираем номинал R5 = 9,1 МОм.
Для регулировки амплитуды выходного сигнала, имеет место
прецизионный переменный резистор R4 = 1 Мом. Для того чтобы на выходе не получать 0 В, введено
сопротивление R5
= 500 кОм, что обеспечивает min напряжение на выходе » 1,6 В.
Осциллограмма выходных импульсов калибратора приведена на
рисунке 16.
Рисунок 16 - Осциллограмма выходных импульсов калибратора
11. Расчет мощностей сопротивлений блока
Расчет мощностей резисторов производится с использованием
формул:
,(11.1)
(11.2)
Результаты вычислений приведены в таблице 2.
Таблица 2 - Мощности резисторов
|
Резистор
|
Ток, А
|
Напряжение, В
|
Мощность, Вт
|
Резистор
|
Ток, А
|
Напряжение, В
|
Мощность, Вт
|
|
R1
|
|
10
|
1×10-3
|
R37
|
10×10-3
|
|
0,68
|
|
R2
|
|
10
|
10×10-3
|
R38
|
17×10-3
|
|
0,69
|
|
R3
|
|
10
|
0,1
|
R39
|
26×10-3
|
|
0,34
|
|
R4
|
|
10
|
1,8
|
R40
|
26×10-3
|
|
0,68
|
|
R5
|
1×10-6
|
|
1×10-7
|
R41
|
26×10-3
|
|
0,34
|
|
R6
|
1×10-6
|
|
1×10-7
|
R42
|
17×10-3
|
|
0,69
|
|
R7
|
1×10-6
|
|
2×10-9
|
R43
|
10×10-3
|
|
1,6
|
|
R8
|
1×10-6
|
|
1×10-11
|
R44
|
10×10-3
|
|
0,68
|
|
R9
|
1×10-6
|
|
2×10-9
|
R45
|
1×10-6
|
|
1×10-7
|
|
R10
|
1×10-6
|
|
4,3×10-7
|
R46
|
1×10-6
|
|
1×10-7
|
|
R11
|
1×10-3
|
|
5×10-3
|
R47
|
1×10-3
|
|
8,2×10-3
|
|
R12
|
1×10-3
|
|
5×10-3
|
R48
|
1×10-3
|
|
2×10-3
|
|
R13
|
1×10-6
|
|
1×10-8
|
R49
|
0,8×10-3
|
|
0,05
|
|
R14
|
1×10-6
|
|
1×10-8
|
R50
|
16×10-3
|
|
0,92
|
|
R15
|
1×10-6
|
|
5×10-7
|
R51
|
1×10-3
|
|
0,18
|
1×10-6
|
|
4×10-7
|
R52
|
1×10-3
|
|
0,13
|
|
R17
|
2,9×10-3
|
|
0,02
|
R53
|
1×10-3
|
|
1
|
|
R18
|
2,9×10-3
|
|
8,41×10-3
|
R54
|
1×10-3
|
|
0,15
|
|
R19
|
|
3
|
9×10-4
|
R55
|
1×10-3
|
|
1×10-3
|
|
R20
|
|
3
|
0,09
|
R56
|
1×10-3
|
|
0,33
|
|
R21
|
1×10-6
|
|
1×10-8
|
R57
|
2×10-3
|
|
0,02
|
|
R22
|
1×10-6
|
|
1,1×10-8
|
R58
|
1×10-3
|
|
0,22
|
|
R23
|
1×10-6
|
|
1,5×10-8
|
R59
|
0,4×10-3
|
|
0,032
|
|
R24
|
1×10-6
|
|
6,8×10-9
|
R60
|
5×10-3
|
|
0,5
|
|
R25
|
3,3×10-3
|
|
0,026
|
R61
|
2,4×10-3
|
|
0,035
|
|
R26
|
100×10-3
|
|
1
|
R62
|
1×10-3
|
|
1
|
|
R27
|
|
10
|
1,3×10-3
|
R63
|
1×10-3
|
|
1
|
|
R28
|
0,07×10-3
|
|
3,7×10-4
|
R64
|
1×10-3
|
|
0,27
|
|
R29
|
|
10
|
6,7×10-3
|
R65
|
1×10-3
|
|
0,13
|
|
R30
|
0,07×10-3
|
|
3,7×10-4
|
R66
|
1×10-3
|
|
0,13
|
|
R31
|
|
10
|
1,3×10-3
|
R67
|
|
10
|
1,1×10-5
|
|
R32
|
0,2×10-3
|
|
1,88×10-3
|
R68
|
|
10
|
0,023
|
|
R33
|
25×10-3
|
|
0,625
|
R69
|
0,6×10-3
|
|
7,2×10-4
|
|
R34
|
1×10-6
|
|
7,5×10-8
|
R70
|
0,6×10-3
|
|
0,054
|
|
R35
|
1×10-6
|
|
1,5×10-9
|
R71
|
|
5
|
0,37
|
|
R36
|
10×10-3
|
|
1,6
|
R72
|
3,3×10-6
|
|
1×10-5
|
Заключение
В результате проведенной курсовой работы была рассчитана и
смоделирована схема блока горизонтального отклонения электронно-лучевого
осциллографа, предназначенного для измерения периодических сигналов малой
амплитуды (10 ч 1000 мВ) и произвольной полярности. В ходе проектирования были
выполнены все требования технического задания.
Разработанный блок может работать в режимах внешней и
внутренней синхронизации, ждущей и непрерывной развертки. Благодаря наличию
калибратора и плавной регулировки длительности развертки, обеспечена
возможность калибровки горизонтальной развертки. Предусмотрена возможность
регулировки полярности и уровня синхронизации, яркости изображения ЭЛТ,
смещения изображения по горизонтали, а также регулировка астигматизма по Х и по
Y.
Суммарная задержка в канале
,
где tф1 - время задержки срабатывания
транзисторного ключа ГЛИН,
tф2 -
фронтов импульсов на выходе триггера управления ГЛИН,
tф3 -
фронтов импульсов на выходе триггера Шмитта в схеме синхронизации и запуска
развертки.
В канале Y осциллографа должна быть предусмотрена соответствующая линия
задержки.
Схема предусматривает десять диапазонов развёртки:
,5 мкс/дел, 1 мкс/дел, 2 мкс/дел, 5 мкс/дел, 10 мкс/дел, 20
мкс/дел, 50 мкс/дел, 0,1 мс/дел, 0,2 мс/дел, 0,5 мс/дел.
Библиографический список
1 Блок горизонтального отклонения
электронно-лучевого осциллографа: учебно-методическое пособие / А.И. Слесарев.
Екатеринбург: ГОУ ВПО УГТУ-УПИ, 2005. 74 с.
Проектирование электронных устройств / Воробьев
Н.И. - М.: 1989
RC - усилители на дискретных элементах:
методические указания к лабораторному практикуму по курсу «Электроника»/ Кортов
В.С., Кирпа В.И., Монаxов А.В. - Екатеринбург.: УГТУ-УПИ 1994
Усилители на интегральных микросхемах:
методические указания к лабораторному практикуму по курсу «Электроника»/ Кортов
В.С., Кирпа В.И., Монаxов А.В. - Екатеринбург.: УГТУ-УПИ 1994
Справочник по отечественным и зарубежным
полупроводниковым приборам: транзисторам, тиристорам, диодам. Шульгин О.А.,
Шульгина И.Б., Воробьев А.Б. Version 1.01
Справочник по аналоговым микросхемам и
аудиоаппаратуре. Шульгин О.А., Шульгина И.Б., Воробьев А.Б. Version 1.01
Бондарь В.А. Генераторы линейно изменяющегося
напряжения. - М.: Энергоатомиздат, 1988. - 160 с.
Пароль Н.В., Бернштейн А.С. Осциллографические
электронно-лучевые трубки: Справочник. - 2-е изд., перераб. и доп. - М.: Радио
и связь, 1990. - 96 с.: ил. - (Массовая радиобиблиотека. Выи. 1142).
Е.К. Блюдин, З.М. Боднар и др. Портативные
осциллографы. М., Сов. радио, 1978, 264 с.
Ерофеев Ю.Н. Импульсные устройства: Учеб. Пособие
для вузов. 3-е издание. - М.: Высшая школа., 1989. -527 с.
ГОСТ 2.701-84 Схемы, виды и типы. М.: ГОСИЗДАТ
1984
ГОСТ 2.702-75 Правила выполнения электрических
схем. М.: ГОСИЗДАТ 1975
ГОСТ 2.710-81 Буквенно-цифровые условные
обозначения. М.: ГОСИЗДАТ 1981
ГОСТ 2.721-74 Обозначения общего применения. М.:
ГОСИЗДАТ 1974
ГОСТ 2.728-74 Резисторы, конденсаторы. М.:
ГОСИЗДАТ 1974
ГОСТ 2.730-81 Полупроводниковые приборы. М.:
ГОСИЗДАТ 1981