Проектирование дискретного устройства
МИНИСТЕРСТВО ОБРАЗОВАНИЯ РЕСПУБЛИКИ
БЕЛАРУСЬ
БЕЛОРУССКИЙ ГОСУДАРСТВЕННЫЙ
УНИВЕРСИТЕТ ТРАНСПОРТА
Кафедра «Автоматика и телемеханика на
железнодорожном транспорте»
Курсовой проект
по дисциплине «Теория дискретных
устройств»
Выполнил
студент группы ЭМ-21
Атрошко Г.Е.
Проверил
Преподаватель
Шевчук В.Ю.
Гомель 2011
Содержание
Аннотация
Введение
. Разработка дискретного устройства
.1 Структурная схема дискретного устройства
.2 Генератор импульсов
.3 Счётчик импульсов
.4 Дешифратор
.5 Мультиплексор
.6 Регистр сдвига
. Синтез абстрактного автомата
Заключение
Список литературы
Приложения
Аннотация
Целью данного курсового проекта является рассмотрение ряда базовых
вопросов построения логических устройств с жесткой логикой на базе современных
интегральных схем.
По заданию необходимо:
1 Разработать абстрактную схему
дискретного устройства, имеющего следующую структуру: генератор импульсов,
счетчик, дешифратор, мультиплексор, регистр сдвига.
Счётчик - двоичный вычитающий с коэффициентом счёта 6 (выходной код
2421). В качестве элементов памяти используются JK - триггеры.
Дешифратор - входной код 2421, а выходной - десятичный
2 По таблицам переходов и выходов,
разработать автомат, в котором в качестве элементов памяти используются D - триггеры.
Введение
На современном этапе развития транспорта наблюдается бурный рост темпов и
объемов перевозок, особенно на железнодорожном транспорте в силу высокой
скорости и невысокой стоимости грузоперевозок. Чтобы справиться с полным
объемом работ по организации и обслуживанию перевозочного процесса необходимо
быстро и точно принимать решения диспетчерам, дежурным по станции, начальникам
станций и другому персоналу железной дороги. Однако в некоторых случаях процесс
принятия решения может быть автоматизирован путем внедрения на железной дороге
устройств автоматики. Формирование поездов на сортировочных станциях может
производиться автоматически с использованием устройств горочной автоматики.
На железной дороге предъявляются высокие требования к безопасности
перевозок, и поэтому много внимания уделяется отказоустойчивости устройств
автоматики и телемеханики, применяемых в системах телеуправления и
телесигнализации. Отказом называется нарушение функционирования устройства, а
также полная или частичная потеря им своих функциональных возможностей. По
степени важности отказы делят на опасные и неопасные. Опасными называются
отказы, в результате которых могут возникнуть человеческие жертвы или крупные
материальные потери. Остальные отказы относят к неопасным. Примером опасного
отказа может служить ложно загоревшийся сигнал светофора, разрешающий движение
в заданном направлении, т. к. в результате этого может произойти столкновение
двух составов, что может привести человеческим потерям, а также крупным
материальным убыткам. Ложно загоревшийся красный свет на светофоре не является
опасным отказом. Устройства, в которых возможность появления опасных отказов
очень мала называются Н1-надежными устройствами. Для исключения опасных отказов
в Н1-надежных устройствах применяются следующие способы:
·
При
проектировании устройств применяются элементы первого класса надежности;
·
Вводят избыточные
логические элементы, чтобы из-за отказа одного из них не произошел опасный
отказ в работе всей проектируемой схемы.
Целью данного проекта является приобретение навыков проектирования
дискретных устройств. В результате выполнения задания будет получено
абстрактное дискретное устройство, структурная схема которого выбрана по
учебному шифру, а также абстрактный асинхронный автомат, заданный таблицей
переходов и таблицей выходов. Асинхронный автомат построен с применением
табличного метода кодирования состояний. Для исключения критических состязаний
существуют различные методы: метод замены однотактного перехода многотактным,
метод кодирования столбцов таблицы переходов, метод специального кодирования.
Первый применяется в случае небольшого количества критических состязаний и
требует добавления дополнительных неосновных состояний. Метод специального
кодирования также не может применяться для исключения большого числа
критических состязаний в силу своей громоздкости. Он заключается в подборе
способа кодирования состояний таким образом, чтобы критические состязания
попросту не возникали. Метод кодирования таблицы переходов по столбцам является
более универсальным и не требует полного анализа всех возможных критических
состязаний и применяется, если не удается избавиться от критических состязаний
элементов памяти схемы первыми двумя методами, а также для схем с достаточно
большим их количеством.
1. Разработка дискретного устройства
1.1 Структурная схема дискретного устройства
дискретный устройство автомат триггер
Прежде чем приступить непосредственно к разработке дискретного устройства
необходимо чётко представлять себе его внутреннюю структуру. Оно должно в себя
включать генератор импульсов, счётчик, дешифратор, мультиплексор, регистр
сдвига. Структурная схема изображена на рис. 1.1.
Рис. 1.1 - Структурная схема дискретного устройства
Тактовые импульсы с генератора импульсов поступают на вход счётчика,
который в свою очередь подсчитывает их, и выдаёт на выходах своё состояние в
коде 2421. Это состояние поступает на входы дешифратора преобразующего его в
десятичный код. Младшая пара выходов дешифратора подключается к адресным
входам, а две старшие ко входам данных мультиплексора. Бит данных с выхода
мультиплексора снимается регистром сдвига и при подаче очередного тактового
импульса записывается в его младший разряд, при этом остальная информация,
находящаяся в регистре сдвигается на один разряд влево. На выходах регистра
возникает некоторое десятичное число являющееся обратной интерпретацией
двоичного входного в коде 2421. Т.о логику работы устройства можно описать
следующей таблицей.
Таблица 1.1 - Цикл работы дискретного устройства
Однако данная таблица представляет лишь абстрактный цикл работы
дискретного устройства и никак не отражает временные параметры его узлов. Для
того чтобы представлять состояния устройства в конкретные моменты времени
построим его временные диаграммы.
Рис. 1.2 - Временные диаграммы работы дискретного устройства
Из диаграммы видно, что регистр сдвига запаздывает на половину такта. Это
сделано для того, чтобы регистром воспринимался нужный сигнал. Рассмотрим
работу регистра сдвига подробней. Т.к. тактирующий сигнал приходит на регистр и
на счётчик одновременно то, следовательно, информация для записи в регистр
поступает на его вход с некоторым запозданием (из-за того что время
срабатывания реальных микроэлементов не равно нулю), в результате чего она
(информация) не может быть воспринята, т.к. триггеры на которых построен
регистр реагируют на фронт тактового импульса, следовательно, регистр будет
работать с запозданием на один такт. Наиболее простым способом устранения данной
проблемы является тактирование регистра с запозданием на половину такта, в
результате чего и появляется запоздание на такой же временной интервал
информации на его выходах, однако при этом регистр будет воспринимать нужный
сигнал.
1.2 Генератор импульсов
В системах телемеханики используют генераторы импульсов двух назначений:
генераторы тактовых импульсов и генераторы импульсных признаков. Генератор
тактовых импульсов вырабатывает стабильную последовательность импульсов
прямоугольной формы, а генераторы импульсных признаков должны вырабатывать
импульсы с определенными признаками, соответствующие состоянию управляющих
цепей.
К генераторам тактовых импульсов предъявляются следующие требования:
1) высокая стабильность частоты
следования импульсов;
2) тактовые импульсы должны иметь
прямоугольную форму;
3) крутизна передних и задних фронтов
импульсов должна быть одинаковой;
4) независимость частоты следования
импульсов на выходе генератора от температуры окружающей среды;
5) должна существовать возможность
автоматического переключения с одной частоты на другую по сигналам извне.
Наиболее распространенными генераторами тактовых импульсов являются
блокинг-генераторы, мультивибраторы и схемы высокой стабильности.
В качестве генератора импульсов в схеме применен кварцевый автогенератор
(рис. 1.3), в котором положительная обратная связь через конденсатор C1 и кварцевый резонатор ZQ1 охватывает два элемента DD1.1 и DD1.2, причем DD1.1
выведен в линейный усилительный режим с помощью резистора отрицательной обратной
связи R1 = 220 Ом. Элемент DD1.3 применяется как буферный, чтобы
уменьшить влияние нагрузки на частоту автогенератора [3].
Рис. 1.3 - Принципиальная схема генератора
Частота генерируемых импульсов определяется формулой:
Таким
образом, задавшись номиналом резистора R1, и при
заданной частоте генерирования импульсов можно определить значение
электрической емкости конденсатора:
Микросхема
К155ЛА3 содержит четыре двухвходовых элемента И-НЕ. Минимальный ток потребления
равен 8 мА, а максимальный ток потребления равен 12 мА, выходной ток составляет
16 мА. Время задержки на входе составляет 22 нс, а задержка на выходе
происходит на 15 нс. Расположение выводов приведено на рис. 1.4 [3].
Рис.
1.4 - Расположение выводов микросхемы К155ЛА3
1.3
Счётчик импульсов
Счётчиком
называется устройство с одним двоичным входом и определённым числом внутренних
состояний, отождествляемых с некоторым числовым кодом, подсчитывающее число
импульсов на своём входе. Значение числового кода является одновременно
выходным словом счётчика, представляющим результат счёта. В зависимости от
формата выходного слова счётчики делятся на двоичные и двоично-десятичные.
Максимальное число импульсов, которое может быть посчитано счётчиком называется
коэффициентом счёта. По направлению счёта счётчики делятся на суммирующие,
вычитающие и реверсивные, последние могут работать и как суммирующие и как
вычитающие.
В
данном проекте необходимо разработать двоичный вычитающий счётчик с
коэффициентом счёта шесть, однако его выходное слово должно быть представлено в
двоичном формате 2421. Исходя из этого необходимое количество триггеров равно
четырём.
Запишем
таблицу состояний JK триггера.
Таблица
1.2 - Состояния JK триггера

Таблица
1.3 - Таблица истинности счётчика
Произведём
минимизацию получаемых функций методами Квайна и карт Карно.
Рис.
1.5 - Минимизация функций с помощью карт Карно
Т.о.
получаем следующие минимизированные функции алгебры логики:
Минимизируем
одну из функций методом Квайна. Для чего запишем полную таблицу истинности,
заменяя неопределённые элементы вначале на единицы, а затем на нули.
Таблица
1.4 - Таблица истинности для функции J2 = K2
Запишем
совершенные дизъюнктивные нормальные формы(СДНФ) для функций f1 и f0,
после чего упростим их используя теорему склеивания.
Пользуясь
теоремой поглощения, составим таблицу поглощения для ДНФ минимизированных нами
функций.
Таблица
1.5 - Поглощение f0 в f1
После
чего можем записать окончательную минимизированную функцию
С
помощью правила Де - Моргана приведём полученные функции алгебры логики к
базису И-НЕ
Рис.
1.6 - Принципиальная схема счётчика импульсов
Поскольку
использованные нами JK - триггеры имеют инверсный вход K, то
будем инвертировать подаваемый на него сигнал.
На
четвёртый триггер необходимо всегда подавать единичный уровень сигнала, поэтому
мы воспользуемся следующей конструкцией: напряжение +5В падает на сопротивлении
R2 = 1КОм , это стандартный единичный уровень для TTL -
логики.
Для
построения счётчика были использованы микросхемы:
DD2: К155ЛА4 -
содержит три трёхвходовых элемента И-НЕ
DD3, DD4, DD5:
К155ЛА3 - описание см. в п. 1.2
DD6, DD7 -
К155ТВ15: содержит два JKRS - триггера.
Рис.
1.7 - Расположение выводов микросхем К155ЛА4 и К155ТВ15
1.4
Дешифратор
Дешифратором
(декодером) называется устройство, распознающее различные кодовые комбинации,
т. е. преобразующее двоичное число в сигнал логической единицы на одном из
выходов, соответствующем десятичной цифре поданной на вход двоичной комбинации.
Число входов дешифратора определяется числом символов кодовой комбинации n,
а число выходов m = 2n.
В
данном проекте необходимо построить дешифратор из кода 2421 с количеством
выходов равным шести.
Исходя
из определения и задания, построим таблицу истинности разрабатываемого
дешифратора.
Таблица
1.6 - Состояния дешифратора
Запишем
зависимость каждого выхода от входных аргументов:
Рис.
1.8 - Принципиальная схема дешифратора
1.5
Мультиплексор
Мультиплексор
- это устройство, предназначенное для коммутации одного из информационных
входов D0, D1, ..., Dn, адрес которого задается на
управляющих входах А1, А2, ..., Аk (причем n=2k -
1) на выход Q, при подаче сигнала синхронизации на вход С (если
последний имеется).
В
данном проекте требуется построить синхронный мультиплексор, имеющий четыре
входа данных и соответственно два управляющих входа.
Исходя
из определения и задания, составим таблицу истинности синхронного
мультиплексора.
Таблица
1.7 - Состояния мультиплексора
Из
таблицы состояний видно, что для данного мультиплексора состояния его выхода
можно описать с помощью следующего выражения:
Приведя,
данную функцию алгебры логики к базису И-НЕ получаем
Рис.
1.9 Принципиальная схема мультиплексора
Рассмотрим
подробней соединение дешифратора (рис. 1.8) с мультиплексором (рис. 1.9). Из
рисунков видно, что дешифратор и мультиплексор соединяются одной шиной,
рассмотрев строение шины, мы также рассмотрим и способ подключения. Номера
каналов шины с первого по четвёртый отвечают за входы D0 - D3
мультиплексора соответственно, с другой стороны к этим же каналам подсоединены
выходы Y5 - Y2 дешифратора, отсюда следует, что на каждый вход
данных мультиплексора приходится один выход дешифратора, начиная со старшего.
Каналы с пятого по восьмой отвечают за прямые и инверсные значения, подаваемые
на входы адреса мультиплексора. Со стороны дешифратора к этим каналам
подключаются два младших выхода. В результате чего на входы A1 и
А2 мультиплексора подаются соответственно значения с выходов Y1 и Y0
дешифратора.
1.6
Регистр сдвига
Регистрами
называются устройства, выполняющие функции приёма, хранения , логической
обработки и передачи информации. Информация в регистре хранится в виде числа
(слова), представленного комбинацией сигналов «0» и «1». Каждому разряду числа,
записанному в регистр, соответствует свой разряд регистра. Обычно регистры
выполняются на триггерах. Триггер с номером i является i-м
разрядом регистра и представляет i-й разряд двоичного слова.
В
регистре могут выполняться следующие основные операции над входным кодом:
а) предварительная установка регистра;
б) приём и хранение кода числа из другого устройства;
в) передача кода числа из регистра в другое устройство;
г) сдвиг хранимого в регистре кода на один или несколько разрядов вправо
или влево;
д) преобразование последовательного кода в параллельный и наоборот;
е) поразрядные логические операции;
Конкретные регистры могут выполнять лишь некоторые из указанных операций.
Сдвигающий регистр (регистр сдвига) служит для хранения кода числа и
выполнения операций сдвига кода. Сдвиг кода - это перемещение в регистре кода
числа на какое-либо число разрядов влево или вправо. В этом случае разряды
числа, вышедшие из разрядной сетки регистра влево или вправо, теряются, а в
освободившиеся при сдвиге разряды регистра записываются нули [1].
В данном проекте необходимо синтезировать регистр сдвига, который
принимал бы приходящее на его вход число и записывал его в свой младший разряд,
предварительно сдвинув своё содержимое на один разряд влево. Выходной код
должен быть представлен в шестизначном двоично-десятичном коде.
Т.о. цикл работы данного устройства можно представить в следующем виде:
где D - вход регистра, Qi - состояния его разрядов.
Реализуем данную систему с помощью D - триггеров, используя таблицу состояния этих элементов.
Разряды
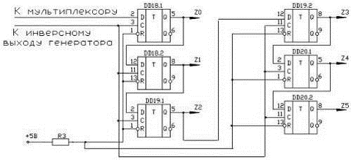
регистра (рис. 1.10) построены на триггерах микросхемы К155ТМ2 (DD18, DD19,
DD20). Она содержит два независимых асинхронных D-триггера, имеющих общую цепь
питания. У каждого триггера есть входы D, S и R. Входы S и R - асинхронные,
потому что они работают независимо от сигнала на тактовом входе; активный
уровень для них низкий.
Рис.
1.10 - Принципиальная схема регистра сдвига
Сигнал
от входа D передается на выходы по положительному перепаду импульса на тактовом
входе С. Чтобы триггер переключился правильно, уровень на входе D следует
зафиксировать заранее, перед приходом тактового перепада. Защитный интервал
должен превышать время задержки распространения сигнала в триггере. Если на
входы S и R триггеров К155ТМ2 одновременно подаются напряжения низкого уровня,
состояние выходов окажется неопределенным. Загрузить в триггер входные уровни
можно, если подать на данные входы напряжения высокого уровня [3, с. 75].
Цоколевка
микросхемы К155ТМ2 приведена на рис. 1.11.
Для
поддержания на входе R триггеров постоянного уровня сигнала «1» используется
стандартный для TTL - логики способ его получения. На сопротивлении R3 =
1КОм происходит падение напряжения номиналом +5В, в результате чего получаем
требуемый сигнал.
Рис.
1.11 - Расположение выводов у микросхемы К155ТМ2
2. Синтез абстрактного автомата
Автоматом
называется дискретное устройство, способное принимать различные состояния, под
воздействием входных сигналов переходить из одного состояния в другое и
вырабатывать выходные сигналы [10].
Математической
моделью устройства с памятью является абстрактный автомат, который представляет
собой совокупность пяти конечных множеств:
где
A={a0, a1, ...aM} - множество состояний автомата;={Z1, Z2, ...ZF} - множество
входных сигналов;={W1, W2, ...WC} - множество выходных сигналов;
d - функция
переходов, обеспечивающая выработку последующего состояния as автомата в
зависимости от существующего состояния aM и входного воздействия Zf;
l - функция выходов,
обеспечивающая выработку выходного сигнала автомата в зависимости от его
состояния aM и входного сигнала Zf.
Абстрактный
автомат имеет один входной и один выходной каналы, и каждой букве входного
алфавита Z ставит в соответствие букву или слово выходного алфавита W.
Наибольшее
распространение получили автоматы Мура и Мили. Закон функционирования автомата
Мили записывается следующим образом:
Работа
автомата Мура определяется следующими уравнениями:
где
t = 0, 1, 2 ....
Автомат
называется синхронным, если он описывается a(t) и W(t)
как автомат Мили. Автомат называется асинхронным, если его функция переходов
описывается выражением a(t+1) = d(a(t+1),
Z(t)).
В
синхронном автомате осуществляется синхронизация внешних и внутренних сигналов,
в то время как в асинхронном этого нет, и для представления последовательности
одинаковых букв вводится какая-либо разделяющая их буква, не несущая информации.
Наиболее
распространенным способом задания автомата является таблица переходов и таблица
выходов. На пересечении i-й строки и j-го столбца таблицы переходов
указывается то внутренне состояние, в которое автомат перейдет из внутреннего
состояния Si (i-я строка) под действием входных сигналов,
соответствующих состоянию входа Xj (j-й столбец).
Синтез
абстрактного автомата заключается в получении таблицы переходов и таблицы
выходов или графа. Далее осуществляется структурный синтез, цель которого состоит
в построении схемы, реализующей автомат из заданных логических элементов.
Автомат,
предложенный для синтеза, задан таблицей переходов (табл. 2.1) и таблицей
выходов (табл. 2.2).
Определим
количество элементов памяти, необходимое для реализации заданного автомата. Т.
к. автомат должен иметь 5 состояний, то количество триггеров определим из
выражения:
Таблица
2.1 - Таблица переходов Таблица 2.2 - Таблица выходов
Следовательно,
нам необходимо иметь три элемента памяти. Теперь закодируем состояния автомата
(табл. 2.3) и в соответствии с полученной кодировкой перезапишем таблицу
переходов (табл. 2.4) и таблицу выходов (табл. 2.5). Кодирование состояний
заключается в сопоставлении каждому внутреннему состоянию автомата одной из
двоичных комбинаций. Например, состоянию S0 поставим в
соответствие двоичную комбинацию 000. Затем составляется кодированная таблица
переходов, образующаяся из исходной путем замены символов, описывающих состояния,
их двоичными комбинациями.
Таблица 2.3 Таблица 2.4 Таблица 2.5
Кодированная
таблица переходов дает возможность определить поведение асинхронного конечного
автомата при смене входных сигналов и переходе его из одного состояния в
другое. Состояние автомата должно храниться в элементах памяти, и, как уже
отмечалось, в данном случае автомат должен иметь минимум три элемента памяти.
Если внимательно посмотреть на кодированную таблицу переходов, то можно
заметить, что при некоторых переходах из одного состояния в другое изменяется
несколько разрядов кодовой комбинации, определяющей состояние автомата.
Явление,
при котором возникают условия для изменения состояния одновременно более, чем
одного элемента памяти, называется состязанием элементов памяти. Если в
результате состязания не происходит нарушение работы схемы, то такое состязание
называют некритическим. Если же состязания приводят к нарушениям работы схемы,
то они называются критическими. Для того, чтобы асинхронный конечный автомат
правильно функционировал, в нем должны быть исключены критические состязания.
Выделим
в таблице переходов клетки с критическими состязаниями элементов памяти
символом «*», а в клетках, соответствующих устойчивым состояниям проставим
скобки. Как теперь видно из таблицы переходов при данном кодировании в схеме
может возникнуть одно критическое состязание. Правильная работа автомата
гарантируется только в том случае, когда в его работе исключены опасные отказы.
Для их исключения воспользуемся методом замены однотактного перехода
многотактным. Переход 011®110 можно заменить двухтактным переходом 011®111®110. Для реализации такого перехода необходимо ввести
неосновное состояние 111. Таким образом, мы получили таблицу переходов автомата
без критических состязаний (табл. 2.6).
Таблица
2.6
Для
синтеза асинхронного автомата будем использовать D - триггеры
(таблица состояний см. табл. 1.8).
Составим
обобщенную таблицу (табл. 2.7), описывающую работу автомата, объединяющую
таблицу переходов, таблицу выходов и таблицу логических состояний на входах D
элементов памяти, реализующих заданные переходы в соответствии с табл. 2.6.
Таблица
2.7 - Обобщённая таблица состояний автомата
Минимизируем
функций алгебры логики, определяющие работу комбинационных схем логического и
выходного преобразователей. Для этого составим для каждой из них карту Карно.
Каждая
из функций зависит от четырех переменных.
Где
a - входное воздействие,
X1, X2, X3 -
биты состояния автомата,
Z - выходной
сигнал автомата.
Таким
образом, нам понадобятся карты, рассчитанные на четыре переменных и содержащие
по 16 клеток. Заполним их, выделим на них контуры и запишем минимизированные
выражения. Карты Карно для полученных функций изображены на рис. 2.1. На всех
картах выделенными контурами пояснен процесс минимизации.
Рис.
2.1 - Минимизация ФАЛ с помощью Карт Карно
После
минимизации получаем выражения:
С
помощью правила Де - Моргана приведём полученные выражения к базису И-НЕ:
Перед
тем, как непосредственно приступить к схемной реализации стоит упомянуть о
структуре асинхронного конечного автомата. Автомат состоит из логического
преобразователя, блока памяти и выходного преобразователя (рис. 2.2). Состояние
автомата хранится в элементах блока памяти БП. С его выходов X
сигналы одновременно поступают на выходной ВП и логический ЛП преобразователи.
Логический преобразователь в зависимости от входного воздействия и текущего
внутреннего состояния, формирует на своих выходах Y сигналы,
которые поступают на элементы памяти, чем и осуществляется переход автомата из
одного состояния в другое. Выходной преобразователь определяет выходной сигнал
автомата. В зависимости от внутреннего состояния и входного воздействия,
действующего в данный момент времени на входе автомата, формирует выходной сигнал
на линии Z.
Рис
2.2 - Структурная схема асинхронного автомата
Заключение
При разработке данного курсового проекта были получены практические
навыки синтеза дискретных устройств. Была выполнена разработка абстрактного
дискретного устройства и асинхронного конечного автомата. Также были разобраны
различные методы минимизации и синтеза дискретных устройств, методы разработки
автоматов и исключение возникающих при этом критических состязаний.
В первой части проекта было разработано дискретное устройство, состоящее
из генератора прямоугольных импульсов, счётчика тактовых импульсов с выходным
кодом 2421, дешифратора из кода 2421, мультиплексора, последовательного
регистра сдвига. Были построены временные диаграммы устройства и описаны
основные принципы его работы.
Во второй части был синтезирован абстрактный конечный автомат -
устройство, состояния которого задаются с помощью таблицы переходов и таблицы
выходов. При разработке были изложены теоретические данные об основных методах
синтеза подобных абстрактных устройств. Поскольку автомат асинхронный, то были
рассмотрены основные методы построения надёжных схем и исключения различного
рода критических состязаний элементов памяти.
Т.о. используя методы, освоенные при выполнении данного курсового
проекта, можно разрабатывать реальные дискретные схемы устройств управления
автоматики и телемеханики, сложность которых гораздо выше рассмотренных в
работе.
Список использованной литературы
1. К.А. Бочков, Ю.Ф. Березняцкий. Методические указания
«Анализ функциональной структуры и синтез дискретных устройств». Гомель 2001.
2. В.В. Сапожников, Ю.А. Кравцов, Вл.В. Сапожников
«Дискретные устройства железнодорожной автоматики телемеханики и связи». Москва
«Транспорт» 1988.
. В.Л. Шило. Справочник «Популярные цифровые
микросхемы». Москва 1987.
. В.В. Сапожников, Ю.А. Кравцов, Вл.В. Сапожников
«Теоретические основы железнодорожной автоматики и телемеханики». Москва 1995.
. Ф.Б. Ершова, В.Н. Рагинский, Н.П. Маркин «Основы
дискретной автоматики в электросвязи». Москва 1980.
. И.Н. Букреев и др. «Микроэлектронные схемы цифровых
устройств». Москва «Советское радио» 1975.
. А.Г. Алексеенко, И.И. Шагурин «Микросхематехника».
Москва «Радио и связь» 1982.
. Д.А. Поспелов «Логические методы анализа и синтеза
схем». Москва «Энергия» 1974.
. К.А. Бочков, Т.В. Кострома, А.Н. Семенюта. «Синтез
дискретных устройств». Методические указания для выполнения курсового проекта
по курсу «Теоретические основы автоматики и телемеханики». Гомель 1991.