Мікропроцесорна система обробки даних

  • Вид работы:
    Курсовая работа (т)
  • Предмет:
    Информатика, ВТ, телекоммуникации
  • Язык:
    Украинский
    ,
    Формат файла:
    MS Word
    898,69 Кб
  • Опубликовано:
    2013-05-31
Вы можете узнать стоимость помощи в написании студенческой работы.
Помощь в написании работы, которую точно примут!

Мікропроцесорна система обробки даних

ВСТУП

Винахід мікропроцесора розв'язав суперечність між високим ступенем інтеграції, що забезпечує напівпровідникова мікротехнологія, та великим числом різноманітних великих інтегральних схем (ВІС), що потрібні для створення достатньо широкого класу обчислювальних приладів. Широка номенклатура типів мікропроцесорних ВІС (МП ВІС) та однокристальних мікро-ЕОМ (ОМЕОМ), що випускаються вітчизняною промисловістю, виключає можливість розгляду всіх мікропроцесорних комплектів (МПК).

Мікропроцесор являє собою функціонально закінчений пристрій, що складається з однієї або декількох програмно-керованих ВІС і призначених для виконання операцій по обробці інформації й керування обчислювальним процесом. Центральне місце в структурі мікропроцесорного пристрою займає мікропроцесор, що виконує арифметичні й логічні операції над даними, програмне керування процесором обробки інформації, організує взаємодію всіх пристроїв, що входять у систему.

У МП обробляються машинні слова, представлені у двійковому коді. Машинні слова бувають двох типів: інформаційні (дані) і командні (команди). Інформаційні слова (дані) являють собою числа, над якими виконуються цифрова обробка. Довжина слова даних визначається діапазонам чисел, оброблюваних МП. Командне слово складається з коду операції й операнда. Операнд - адреса інформаційного слова або саме інформаційне слово. Адреса - місця розташування машинного слова в пам'яті.

Сукупність мікропроцесорних і інтегральних мікросхем (ПКПП, КПДП, ППИ, ППИС, ПТ і ін.), сумісних по конструктивно-технологічному виконанню й призначених для використання при побудові мікропроцесорних систем, микро-эвм і інших обчислювальних пристроїв називається мікропроцесорним комплектом інтегральних схем (МПК ИС). МПК складається із чотирьох груп ВІС: 1) базовий МПК; 2) ВІС запам'ятовувальних пристроїв (ОЗП, ПЗП, ППЗП); 3) ВІС для зв'язку між МП і УВВ (дисплеї, АЦПУ, зовнішні накопичувачі інформації - гнучкі диски й ін.); 4) ВІС для зв'язку з об'єктом (ЦАП, АЦП, перетворювачі й т.д.).

До основних параметрів МПК ВІСА відносять: тип мікроелектронної технології (КМОП, МОП, ТТЛШ, ЭСЛ); кількість кристалів, що утворять МП; довжину слова, оброблюваного МП; швидкодія МП (тактова частота); ємність адресуемой пам'яті; ефективність системи команд; число рівнів переривань; можливість прямого доступу до пам'яті; номінальні параметри використовуваних сигналів; число вхідних у МПК додаткових ВІСА й виконувані ними функції; кількість і рівні живлячих напруг; потужність розсіювання МП.

Мікропроцесорні ВІС можна розділити на: однокристальні МП із фіксованою розрядністю слова, з фіксованою системою команд і, як правило, з керуючим пристроєм з «схемною» логікою; богатокристальні мікро програмувані МП; однокристальні мікро-ЕВМ; аналогові мікропроцесори для цифрової обробки сигналів.

У даній курсовій роботі необхідно спроектувати мікропроцессорну систему обробки даних.

1. РОЗРОБКА СТРУКТУРНОЇ СХЕМИ СИСТЕМИ

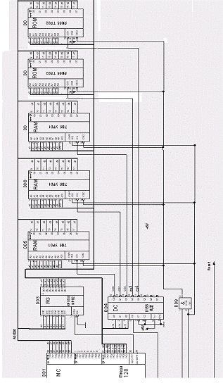
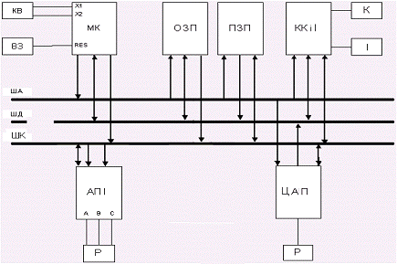
Структурна схема даної системи повинна мати наступні компоненти: мікроконтролер, ОЗП, ПЗП, ЦАП, контролер клавіатури й індикації, адаптер паралельного інтерфейсу, клавіатуру та індикацію, інтервальний таймер (згідно із завдання).

Взаємодія мікроконтроллера з зовнішньою пам’ятю і периферійними пристроями проводиться по шині адреси. Дані передаються і приймаються мікроконтролером по шині даних для вибору комірок пам’яті чи портів вводу-виводу. Керуючі сигнали передаються по шині керування. Через провода цієї шини передаються сигнали, які повідомлюють про стан мікропроцесора і підключенних до нього пристроїв, операціях вводу виводу та запиту на обслуговування зовнішніх пристроїв Увесь масив пам’яті розділен на дві області: ОЗП і ПЗП. В ПЗП зберігаються програми вводу і виводу інформації. В ОЗП розміщуються дані, які необхідно тимчасово зберігати у процесі обробки програми. Для забезпечення тимчасових затримок, отримання одиничних імпульсів заданої тривалості та генерація послідовностей імпульсів служить програмуємий інтервальний таймер (Т).

Рис. 1 - Структурна схема пристрою

ОЗП - оперативний запам'ятовувальний пристрій.

ПЗП - постійний запам'ятовувальний пристрій.

МК - мікроконтролер.

ККіІ - контролер індикації й клавіатури.

ША - шина адреси.

ШД - шина даних.

ШК - шина керування.

ЦАП - цифро-аналоговий перетворювач.

АПІ - адаптер паралельного інтерфейсу, який служить для розширення в мікроконтролері кількості портів.- програмуємий інтервальний таймер.

ВЗ - вузел збросу.

К - клавіатура.

І - індикатор.

2. РОЗРОБКА І ОПИС ПРИНЦИПОВОЇ СХЕМИ СИСТЕМИ

Розробка принципової схеми буде проводитись кількома етапами. Буде розлоблено функціональні блоки які треба буде зв`язати між собою шинами. Вібір елементів буде проводитись згідно завданню. Для побудови структурної схеми необхідно точно визначити необхідні вузли системи і зв'язку між ними.

2.1 Розробка мікропроцесорного блоку

Основний елемент системи - мікроконтролер ATmega128, ATmega128L 8-розрядний AVR-мікроконтролер з внутрісистемно програмованою флэш-пам'яттю ємкістю 128 кбайт

Відмітні особливості:

Високопродуктивний, малопотужний 8-розрядний AVR-мікроконтролер.

Розвинена RISC-архітектура 133 могутніх інструкцій, більшість з яких виконуються за один машинний цикл.

8-разр. регістрів загального призначення + регістри управління вбудованою периферією.

Повністю статична робота.

Продуктивність до 16 млн. операцій в секунду при тактовій частоті 16 Мгц.

Вбудований умножаючий пристрій виконує множення за 2 машинних циклу.

Незалежна пам'ять програм і даних.

Зносостійкість 128-ми кбайт внутрісистемно перепрограмміруємой флэш-пам'яті: 1000 циклів запис/стирання.

Опциональний завантажувальний сектор з окремим програмованим захистом.

Внутрішньосистемне програмування вбудованою завантажувальною програмою.

Гарантована двухоперационность: можливість читання під час запису:

Зносостійкість 4 кбайт ЕСППЗУ: 100000 циклів запис/стирання.

Вбудоване статичне ОЗУ ємкістю 4 кбайт.

Опциональная можливість адресації зовнішньої пам'яті розміром до 64 кбайт.

Програмований захист коду програми.

Інтерфейс SPI для внутрішньосистемного програмування.

Інтерфейс JTAG (сумісність із стандартом IEEE 1149.1).

Граничне сканування відповідно до стандарту JTAG.

Обширна підтримка функцій вбудованої відладки.

Програмування флэш-пам'яті, ЕСППЗУ, біт конфігурації і захисту через інтерфейс JTAG.

Відмітні особливості периферійних пристроїв.

Два 8-разр. таймера-лічильника з роздільними переддільниками і режимами порівняння.

Два розширених 16-разр. таймера-лічильника з окремими переддільниками, режимами порівняння і режимами захоплення.

Лічильник реального часу з окремим генератором.

Два 8-разр. каналів ШИМ.

каналів ШИМ з програмованим дозволом від 2 до 16 розрядів.

Модулятор виходів порівняння.

мультіплексированних каналів 10-розрядного аналогово-цифрового перетворення.

несиметричних каналів.

диференціальних каналів.

диференціальних каналу з вибірковим посиленням з 1x, 10x і 200x.

Двухпроводной послідовний інтерфейс, орієнтований не передачу даних в байтном форматі.

Два канали програмованих послідовних УСАПП.

Послідовний інтерфейс SPI з підтримкою режимів ведучий/підлеглий.

Програмований сторожовий таймер з вбудованим генератором.

Вбудований аналоговий компаратор.

Спеціальні можливості мікроконтролера.

Скидання при подачі живлення і програмована схема скидання при зниженні напруги живлення.

Вбудований RC-генератор, що калібрується,

Зовнішні і внутрішні джерела переривань.

Шість режимів зниження енергоспоживання: холостий хід (Idle), зменшення шумів АЦП, економічний (Power-save), виключення (Power-down), черговий (Standby) і розширений черговий (Extended Standby).

Програмний вибір тактової частоти.

Конфігураційний біт для перекладу в режим сумісності з ATmega103

Загальне виключення підтягаючих резисторів на всіх лініях портів введення-виводу.

Уведення-виведення і корпуси.

программируемые лінії введення-виводу.

-выв. корпус TQFP.

Робоча напруга.

.7 - 5.5В для ATmega128L.

.5 - 5.5В для ATmega128.

Градації по швидкодії.

- 8 Мгц для ATmega128L.

- 16 Мгц для ATmega128.

Короткий огляд:- малопотужний 8-разр. КМОП мікроконтролер, заснований на розширеній RISC-архітектурі AVR. За рахунок виконання більшості інструкцій за один машинний цикл ATmega128 досягає продуктивності 1 млн. операцій в секунду/МГц, що дозволяє проектувальникам систем оптимізувати співвідношення енергоспоживання і швидкодії.

Ядро AVR поєднує багатий набір інструкцій з 32 універсальними робочими регістрами. Все 32 регістри безпосередньо підключено до арифметико-логічного пристрою (АЛУ), який дозволяє вказати два різні регістри в одній інструкції і виконати її за один цикл. Дана архітектура володіє більшою ефективністю коду за рахунок досягнення продуктивності в 10 разів вище в порівнянні із звичайними CISC-мікроконтролерами.містить наступні елементи: 128 кбайт внутрісистемно програмованої флэш-пам'яті з підтримкою читання під час запису, 4 кбайт ЕСППЗУ, 4 кбайт статичного ОЗУ, 53 лінії універсального введення-виводу, 32 універсальні робочі регістра, лічильник реального часу (RTC), чотири гнучкі таймери-лічильники з режимами порівняння і ШИМ, 2 УСАПП, двухпроводной послідовний інтерфейс орієнтований на передачу байт, 8-канальний 10-разр. АЦП з опциональним диференціальним входом з програмованим коефіцієнтом посилення, програмований сторожовий таймер з внутрішнім генератором, послідовний порт SPI, випробувальний інтерфейс JTAG сумісний із стандартом IEEE 1149.1, який також використовується для доступу до вбудованої системи відладці і для програмування, а також шість програмно вибираних режимів зменшення потужності. Режим холостого ходу (Idle) зупиняє ЦПУ, але при цьому підтримуючи роботу статичного ОЗУ, таймерів-лічильників, SPI-порту і системи переривань. Режим виключення (Powerdown) дозволяє зберегти вміст регістрів, при зупиненому генераторі і виключенні вбудованих функцій до наступного переривання або апаратного скидання. У економічному режимі (Power-save) асинхронний таймер продовжує роботу, дозволяючи користувачеві зберегти функцію відліку часу в той час, коли решта частини контроллера знаходиться в стані сну. Режим зниження шумів АЦП (ADC Noise Reduction) зупиняє ЦПУ і всі модулі введення-виводу, окрім асинхронного таймера і АЦП для мінімізації імпульсних шумів в процесі перетворення АЦП. У черговому режимі (Standby) кварцевый/резонаторный генератор продовжують роботу, а решта частини мікроконтролера знаходиться в режимі сну. Даний режим характеризується малою споживаною потужністю, але при цьому дозволяє досягти найшвидшого повернення в робочий режим. У розширеному черговому режимі (Extended Standby) основний генератор і асинхронний таймер продовжують працювати.

Мікроконтролер проводиться за технологією високощільної незалежної пам'яті компанії Atmel. Вбудована внутрісистемно програмована флэш-пам'ять дозволяє перепрограмувати пам'ять програм безпосередньо усередині системи через послідовний інтерфейс SPI за допомогою простого програматора або за допомогою автономної програми в завантажувальному секторі. Завантажувальна програма може використовувати будь-який інтерфейс для завантаження прикладної програми у флэш-пам'ять. Програма в завантажувальному секторі продовжує роботу в процесі оновлення прикладної секції флэш-пам'яті, тим самим підтримуючи двухоперационность: читання під час запису. За рахунок поєднання 8-разр. RISC ЦПУ з внутрісистемно самопрограммируемой флэш-пам'яттю в одній мікросхемі ATmega128 є могутнім мікроконтролером, що дозволяє досягти високого ступеня гнучкості і ефективної вартості при проектуванні більшості додатків вбудованого управління. ATmega128 підтримується повним набором програмних і апаратних засобів для проектування, в т.ч.: Сі-компілятори, макроасемблери, програмні отладчики/симуляторы, внутрішньосистемні емулятори і оцінні набори.

Умовне графічне позначення мікроконтроллера ATmega128 наведено на рис.2.

Рис. 2 - Умовне графічне позначення мікроконтроллера ATmega128

Найменування виводів ATmega128:

VCC

вивід джерела споживання

RESET

вхід системного скидання

XTAL1, XTAL2

виводи для підключення кварцевого резонатору

РА0 ÷ РА7

8-розрядний двунаправлений порт А вводу/виводу з третім станом, при роботі з зовнішньою пам’яттю являється суміщеною шиною адреси даних (адрес необхідно по сигналу ALE занести в регістр)

PB0 ÷ PB7

8- розрядний двунаправлений порт В вводу/виводу з третім станом, який має альтернативні функції

OC0/ТО(РВО)

вход зовнішнього сигналу таймера/лічильника ТО або виход таймера/лічильника ТО в режимах Compare, PWM

OC2/Т1(РВ1)

вхід зовнішнього сигналу таймера/лічильника Т1

AIN0(PB2)

позитивний вхід компаратору

AIN1(PB3)

негативний вхід компаратору

SS(PB4)

вибір підлеглого пристрою (slave) на шині SPI (послідовний інтерфейс)

MOS1(PB5)

виход головного (master) чи вхід підлеглого (slave) пристрою даних модуля SPI

MІS0(PB6)

вхід головного (master) чи вихід підлеглого (slave) пристрою даних модуля SPI

SCK(РВ7)

виход головного (master) чи вхід підлеглого (slave) пристрою тактового сигналу модуля SPI

PC0 ÷ PC7

8- розрядний двунаправлений порт С вводу/виводу з третім станом, має альтернативну функцію - передає старший байт адреси (А8÷А15) при роботі з зовнішньою пам’яттю

PD0÷PD7

8- розрядний двунаправлений порт D вводу/виводу з третім станом, має альтернативні функції

RxD0(PD0)

вхід приймача універсального асинхронно послідовного порта (USART)

TxD0(PD1)

виход передавальника універсального асинхронно послідовного порта (USART)

INT0(PD2)

вхід зовнішнього переривання 0

INT1(PD3)

вхід зовнішнього переривання 1

XCK0(PD4)

вхід/вихід зовнішнього сигналу синхронізації (тактового сигналу USART)

OC1A(PD5)

виход А таймера/лічильника Т1 в режимі порівняння (Compare) і в режимі шин сигнала (PWM)

WR(PD6)

строб запису у зовнішнє ОЗП

RD(PD7)

строб читання із зовнішнього ОЗП

РЕ0÷РЕ2

3-розрядний двунаправлений порт Е вводу/виводу с третім сстаном, має альтернативні функції

РЕ0(INT2)

вхід зовнішнього переривання 2

ICP1

вхід захвату таймера/лічильника Т1 (режим Compare)

РЕ1(ALE)

строб адреси зовнішнього ОЗУ, записується адрес в регістр-заклямку

PE2(OC1B)

вихід В таймера/лічильника Т1 в режимі Compare и PWM

GND

загальний вивід


Електричні характеристики

Гранично-допустимі параметри

Робоча температура

-55°C…+125°C

Температура зберігання

-65°C…+150°C

Напруга на будь-якому виводі по відношенню до загального пі-танія, окрім RESET

-1.0В … VCC+0.5В

Напруга на виводі скидання RESET по відношенню до об-щему

-1.0В … +13.0В

Максимальна робоча напруга

6.0В

Постійний струм через лінію введення-виводу

40.0 мА

Постійний струм через виводи VCC і GND

200.0 мА


Статичні характеристики

Обозн.

Параметр

Умови вимірювання

Мин.

Ном.

Макс.

Ед.изм.

VIL

Вхідна напруга низького рівня

Окрім виводів XTAL1 і RESET

-0.5


0.2 VCC(1)

В

VIL1

Вхідна напруга низького рівня

виведення XTAL1, ви-брана зовнішня син-хронізация

-0.5


0.1 VCC(1)

В

VIL2

Вхідна напруга низького рівня

виведення скидання RESET

-0.5


0.2 VCC(1)

В

VIH

Вхідна напруга високого рівня

Окрім виводів XTAL1, RESET

0.6 VCC (2)


VCC + 0.5

В

VIH1

Вхідна напруга високого рівня

Виведення XTAL1, ви-брана зовнішня син-хронізация

0.7 VCC (2)


VCC + 0.5

В

VIH2

Вхідна напруга високого рівня

Виведення скидання RESET

0.85 VCC (2)


VCC + 0.5

В

VOL

Вихідна напруга низького рівня (3)(порты A,B,C,D, E, F, G)

IOL = 20 мА, VCC = 5В IOL = 10 мА, VCC = 3В



0.7 0.5

В

VOH

Вихідна напруга високого рівня (4)(порты A,B,C,D)

IOH = -20 мА, VCC = 5В IOH = -10 мА, VCC = 3В

4.0 2.2



В

IIL

Вхідний струм витоку че-рез лінію введення-виводу

Vcc = 5.5В, лог. 0 (абс. значение)



8.0

мкА

IIH

Вхідний струм витоку че-рез лінію введення-виводу

Vcc = 5.5В, лог. 1 (абс. значение)



8.0

мкА

RRST

Опір подтя-гивающего резистора на вході скидання


30


100

кОм

RPEN

Опір подтя-гивающего резистора на вході PEN


25


100

кОм

RPU

Опір подтя-гивающего резистора на лініях введення-виводу


20


100

кОм

ICC

Споживаний струм

4 МГц, VCC = 3В, активний режим (ATmega128L)



5

мА



8 МГц, VCC = 5В, активний режим (ATmega128)



20

мА



4 МГц, VCC = 3В, режим холостого хода (ATmega128L)



2

мА



8 МГц, VCC = 5В, режим холостого хода (ATmega128)



12

мА


Режим виключення (Power-down)(5)

Стор. таймер включен, VCC = 3В


< 25

40

мкА



Стор. таймер отключен, VCC = 3В


< 10

25

мкА

VACIO

Вхідна напруга зсуву аналогового компаратора

VCC = 5В Vвх = VCC/2



40

мВ

IACLK

Вхідний струм витоку аналогового компара-тора

VCC = 5В Vвх = VCC/2

-50


50

нА

tACID

Затримка на ініциалі-зацию аналогового компаратора

VCC = 2.7В VCC = 5.0В

750 500



нс

tACID

Затримка распростра-ненію сигналу в анало-говом компараторі

VCC = 2.7В VCC = 5.0В

750500



нс


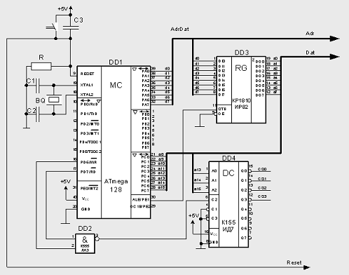
Завдяки тому що шина даних і адреси в МК ATmega128 сполучені й мають поділ тільки в часі, то для їхнього поділу будемо використати регістр із третім станом К1810ИР82 для зберігання адреси.

Восьмирозрядні буферні регістри К1810ИР82 використовуються для організації запам'ятовуючих пристроїв, портів уводу-виводу, мультиплексорів і т. п. Буферні регістри складаються із восьми тригерів Т з виходними схемами 5Ш з трьома станами.

Формувач має дві групи - А і В виводів, а також два керуючих виводи - SТB та ОЕ. Дозвіл передачі залежить від рівня сигналу на виводі ОЕ, а напрямок передачі визначається рівнем сигналу на виводі Т.

Електричні параметри К1830ИР82.

Вхідний струм низького рівня не більше 0,2 мА

Вхідний струм високого рівня не більше 50 мкА

Вихідна напруга низького рівня не більше 0,45 В при струмі 32мА

Вихідна напруга високого рівня не меньше 2,4 В при струмі 1мА

Рис. 3 - Умовне графічне позначення К1830ИР82

Для створення адресації зовнішніх пристроїв використовується дешифратор 3-8. На входи якого потрапляють молодші розряди адреси, а на виході установлюються сигнали вибору кристалу мікросхеми.

Рис.4 - Умовне графічне позначення К155ИД7

В цій мікро ЄОМ присутні пять зовнішніх пристроїв. Таким чином селектор адреси повинен бути більше ніж на пять розрядів, а також він повинен мати інверсні виходи для керування виборкою кристалів які також інверсні. Вишче приведений (SN74138N) повністю задовольняє цим вимогам.

Розробка фізичних адрес зовнішніх пристроїв:

Назва пристрою

А13

А14

А15

Фізична адреса

ОЗП

0

1

0

3000H - 4FFFН

ПЗП

1

1

0

5000Н - 7FFFH

ККіІ

0

0

1

6000Н

ЦАП

1

0

1

8000Н

Інтервальний таймер

0

1

1

A000Н


Рис. 5 - Схема підключення процесорного блоку

2.2 Розробка блоку пам’яті (ОЗП і ПЗП)

Розрахуємо ОЗП:

Ісходні дані:

Кількість комірок зовнішнього ОЗП NОЗП - 5К×8.

Вхідні струми:

при логічному 0, IIL - 1,6 мА.

при логічній 1, IIH - 0,1 мА.

Вхідна ємкість логічних схем навантаження, СI - 10 пФ.

Монтажні ємкості усіх ланцюгов (См = 20 пФ).

Згідно завдання кількість комірок ОЗП складає NОЗП.

Розрядність ОЗП nОЗП повинна відповідати розрядності обробки даних ЦП.

Інформаційна ємкість СОЗП визначається по формулі:

 

У якості мікросхеми ОЗП виберемо К537РУ10.

Необхідна швидкодія ОЗП визначається по тимчасовим діаграмам ЦП. Для МК ATmega128 тривалість циклу запусу (зчитування) tС равно 3ТМТ, де ТМТ - тривалість машинного такту.

При частоті кварцевого резонатора fтг = 10 МГц тривалість дорівнює:


Тривалість циклу мікросхеми пам’яті tcy повинна задовольняти нерівності:


Для даної мікросхеми пам’яті ємкість 2К, а розрядність слова 8 біт:


Розрахуємо число ВІС ОЗП в ряду матриці:


де nБИС - розрядність обраної мікросхеми пам’яті.

Визначимо число розрядів стовбців матриці:


де NБИС - кількість комірок обраної мікросхеми пам’яті.

Загальна кількість ВІС ОЗП дорівнює:


Таким чином, кількість корпусів ОЗП дорівнює 2.

Рис. 6 - Умовне графічне позначення ОЗП К537РУ10

Найменування виводів:

A0 ÷ A10 - адресні входи./RD - сигнал запису/зчитування.- chip select, чіп вибору.- виход дозволу.

D0 ÷ D7 - шина даних вводу/виводу.

ОЗП представляє собою статичний асинхронний оперативно запом’ятовуючий пристрій.

Режими роботи ОЗП:

#CS

#CEO

#WR/RD

A0..10

D0..7

Режим

M

X

X

Адрес

Дані

Зберігання

L

X

L



Запис

L

L

H



Зчитування

L

H

H



Заборона виходу


Технологічні та електричні характеристики К537РУ10:

Технологія - КМОП.

Організація - 2К×8.

Час виборки, ns - не більш 220.

Напруга живлення, V - 5.

Струм живлення, мА.

у режимі звернення - 30.

у режимі зберігання - 1-2.

Вхідна напруга, V.

при логічному 0 - min 0 - max 0,4.

при логічній 1 - min 0,9Ucc - max 0,5.

Вихідна напруга, V.

при логічному 0 - min 0 - max 0,4.

при логічній 1 - min 2,4 - max 0,4.

Вихід - 3 с.

Діапазон робочих температур, ºС - -10 - +70.

Визначимо струмове IDL и IDH і ємкістне СD навантаження для схем вводу інформації в ОЗП по формулам:

= mc * IIDL = 1 * 1,6 = 1,6 мА= mc * IIDH = 1 * 0,1 = 0,1 мА= mc * CID + Cm = 1 * 10 + 20 = 30 пФ

де IIDL, IIDH - вхідні струми логічного 0 і логічної 1 по інформаційним ланцюгам обраної ВІС ОЗП.- вхідна ємкість по інформаційному входу ВІС ОЗП.

Визначимо стум навантаження і ємкістне навантаження для схем вводу адреси по адресовим ланцюгам ВІС ОЗП по формулам:

= m * IIAL = 1 * 1,6 = 1,6 мА= m * IIAH = 1 * 0,1 = 0,1 мА= m * CIA + Cm = 1 * 10 + 20 = 30 пФ

де IIАL, IIAH - вхідні токи логічного 0 і логічної 1 по адресовим ланцюгам обраної ВІС ОЗП.А - вхідна ємкість по адресовому входу ВІС ОЗП.

Визначимо струми навантаження ICSL, ICSH і величину ємкісного навантаження СCS по ланцюгам вибору мікросхем (CS) по формулам:

= mp * IICSL = 1 * 1,6 = 1,6 мА= mp * IICSH = 1 * 0,1 = 0,1 мА= mp * CICS + Cm = 1 * 10 + 20 = 30 пФ

де IICSL, IICSH - вхідні струми логічного 0 і логічної 1 по ланцюгам вибору (CS) ВІС ОЗП.СS - вхідна ємкість по ланцюгам вибору мікросхем (CS) ВІС ОЗП.

Значення ICSL, ICSH и CCS не повинні перевищувати максимально допустимі значення для обраних мікросхем, забезпечующих вибір ВІС ОЗП.

Розрахуємо ПЗП:

Ісходні дані:

Кількість комірок зовнішнього ПЗП NПЗП - 2К×8

Вхідні струми:

при логічному 0, IIL - 0,25 мА

при логічній 1, IIH - 0,04 мА

Вхідна ємкість логічних схем навантаження, СI - 10 пФ

Монтажні ємкості усіх ланцюгов (См = 20 пФ).

Згідно завдання кількість комірок ПЗП складає NПЗП.

Розрядність ПЗП nПЗП повинна відповідати розрядності обробки даних ЦП.

Інформаційна ємкість СПЗП визначається по формулі:


Необхідна швидкодія ПЗП визначається по тимчасовим діаграмам ЦП. Для МК ATmega128 тривалість циклу запусу (зчитування) tС равно 3ТМТ, де ТМТ - тривалість машинного такту.

У якості мікросхеми ПЗП виберемо КР556РТ20, тому що вона ідеально підходить і не створює ізбиткості для даного випадку.

Для даної мікросхеми пам’яті ємкість 1К, а розрядність слова 8 біт:

.

Розрахуємо число ВІС ПЗП в ряду матриці:


де nБИС - розрядність обраної мікросхеми пам’яті.

Визначимо число розрядів стовбців матриці:


де NБИС - кількість комірок обраної мікросхеми пам’яті.

Загальна кількість ВІС ПЗП дорівнює:


Таким чином, кількість корпусів ПЗП дорівнює 2.

Рис. 7 - Умовне графічне позначення ПЗП КР556РТ20

Найменування виводів:

A0 ÷ A9 - адресні входи.

D0 ÷ D7 - шина даних вводу/виводу., CS2 - вибір мікросхеми- виход дозволу.

Технологічні та електричні характеристики КР556РТ20:

Технологія - ТТЛШ

Організація - 1К×8

Час виборки, ns - не більш 65

Напруга живлення, V - 5

Струм живлення, мА - 180 мА

Вхідна напруга, V

при логічному 0 - min 2,4 - max 0,5

при логічній 1 - min 2,4 - max 0,5

Вихідна напруга, V

при логічному 0 - min 2,4 - max 0,5

при логічній 1 - min 2,4 - max 0,5

Вихід - 3 с.

Потужність споживання, mW - 875

Діапазон робочих температур, ºС - -10 - +70

Визначимо стум навантаження і ємкістне навантаження для схем вводу адреси по адресовим ланцюгам ВІС ПЗП по формулам:

= m * IIAL = 2 * 0,25 = 0,5 мА= m * IIAH = 2 * 0,04 = 0,08 мА= m * CIA + Cm = 2 * 10 + 20 = 40 пФ

де IIАL, IIAH - вхідні токи логічного 0 і логічної 1 по адресовим ланцюгам обраної ВІС ПЗП.А - вхідна ємкість по адресовому входу ВІС ПЗП.

Визначимо струми навантаження ICSL, ICSH і величину ємкісного навантаження СCS по ланцюгам вибору мікросхем (CS) по формулам:

= mp * IICSL = 2 * 0,25 = 0,5 мА= mp * IICSH = 2 * 0,04 = 0,08 мА= mp * CICS + Cm = 2 * 10 + 20 = 40 пФ

де IICSL, IICSH - вхідні струми логічного 0 і логічної 1 по ланцюгам вибору (CS) ВІС ПЗП.СS - вхідна ємкість по ланцюгам вибору мікросхем (CS) ВІС ПЗП.

Враховуючи, що навідмінок від ОЗП інформація з ПЗП тільки зчитується, то необхідно визначити струми навантаження і ємкість навантаження на інформаційні виходи ВІС ПЗП по формулам:

IQL = mР * IIL = 2 * 0,25 = 0, 5 мА= mР * IIH = 2 * 0,04 = 0,08 мА= mC * CQO + mР *CI + Cm = 1 * 15 + 2 * 10 + 20 = 55 пФ

де IQL, IQH - вхідні струми логічного 0 і логічної 1 мікросхем навантаження ВІС ПЗП, CQO - вихідна ємкість одного інформаційного виходу ВІС ПЗП, CI - вхідна ємкість мікросхем навантаження ВІС ПЗП.

Отримані значення струмів не повинні перевищувати граничні значення для обраних мікросхем пам’яті.

Рис. 8 - Схема підключення процесорного блоку та блоку пам’яті

2.3 Цифро-аналоговий перетворювач (ЦАП)

Згідно із завданням, у нашій МПС повинен бути використаний Цифро-аналоговий перетворювач. Це пристрій,який перетворює цифровий код в аналоговий сигнал. Цей сигнал повинен потрапляти на всі пристрої, таким чином, ЦАП підключається до загальної шини.

ЦАП повинен бути 8 розрядним та мати досить високу швидкодію, так як частота тактового сигналу складає 25/2 = 12,5МГц. Однак, ЦАП з таким часом перетворення достатньо дорогі і їх вартість може складати до 50% вартості всієї системи, тому немає сенсу їх використовувати у нашій МПС. Вирішено використати ЦАП середньої швидкодії. Такою є мікросхема AD5302. Вона являє собою 8 розрядну ЦАП з часом перетворення 2мкс. Її умовне графічне позначення приведене на рис. 9.

Рис. 9 - Умовне-графічне позначення мікросхеми AD5302

Призначення виводів AD5302:

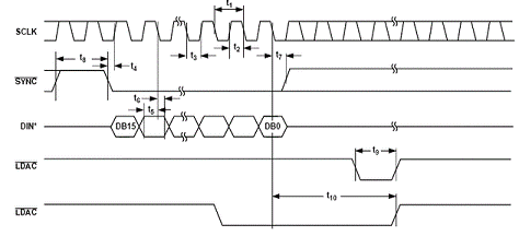
. LDAC - вход строба обновления информации в регистрах DAC A и B. 2. Vdd - + питания. 3. VrefB - вход опорного напряжения канала B. 4. VrefA - вход опорного напряжения канала A. 5. VoutA - выход напряжения канала A. 6. VoutB - выход напряжения канала B. 7. SYNC - вход выбор кристалла. 8. SCKL - вход синхроимпульсов последовательного интерфейса. 9. DIN - вход данных последовательного интерфейса. 10. GND - общий (корпус).

Рис. 10

Основні електричні параметри мікросхеми приведені нижче:

Разряды 12, 13 (см. Tab. I) определяют режимы работы. 14-й разряд определяет будет ли буферизироваться опорное напряжение. 15-й старший разряд определяет в какой канал, A или B, будет записано управляющее слово. В Tab. I разъяснены значения 15-го и 14-го разрядов, а также показаны значения по умолчания после включения питания. Режимы работы (13, 12) имеются следующие: 00 - нормальная работа; 01 - режим «Power Down» - выход подключается к «земле» через сопротивление 1 кОм; 10 - режим «Power Down» - выход подключается к «земле» через сопротивление 100 кОм; 11 - выход в Z-состоянии. В режимах «Power Down» существенно уменьшается потребление - до 200 nA при 5 В (50 nA при 3 В).

2.4 Контролер клавіатури і індикації

Для керування індикацією та сканування клавіатури використовується спеціалізована мікросхема i8279. Вона являє собою контролер клавіатури та індикації. Мікросхема має внутрішній ОЗП клавіатури та індикації, може працювати у декількох режимах і дозволяє керувати восьми- або шістнадцятирозрядною індикацією та опитувати до 128 клавіш або дискретних датчиків. Умовне графічне позначення мікросхеми приведене на рис. 11.

Рис. 11 - Умовне-графічне позначення мікросхеми i8279

Внутрішня адресація виробляється по входу A0, тому на цей вхід потрібно подати сигнал з адресної шини. Обмін даними йде по шині даних. Входи RL0-RL7 мікросхеми служать для зчитування стану клавіш клавіатури; виходи OutA3-OutA0, OutB0-OutB3 підключаються до індикаторів; виходи S0-S3 - це виходи сканування рядків клавіатури й перебору індикаторів при відображенні. При надходженні інформації від клавіатури контролер виробляє запит на переривання, виставляючи на виході IRQ сигнал активного рівня. Цей сигнал надходить на один із входів зовнішніх переривань мікроконтролера.

Найменування виводів мікросхеми i8279:…D7 - входи-виходи з третім станом.- вибір мікросхеми.- читання.- запис.або C/D - команда / данні.- синхронизація.- початкова установа.…S3 - сканування.- гасіння індикації.… OUTA0, OUTB3… OUTB0 - коди символів.…R7 - прийом сигналів з клавіатури.- верхній / нижній регістр.- запит переривання.

Технологічні та електричні характеристики:

Технологія - ТТЛШ.

Напруга живлення, В - 5.

Вихідна напруга, В:

високого рівня - 2,4.

низького рівня - 0.45.

Вихідний струм, мA:

при напрузі низького рівня - 5.

при напрузі високого рівня - -1.

Вхідний струм, мкA:

низького рівня - 30.

високого рівня - -30.

Потужність - 350 мВт.

Струм споживання - 60 мА.

Режими роботи інтерфейсу клавіатури:

. Послідовне опитування матриці клавіш із декодуванням і забороною уведення двох одночасно натиснутих клавіш.

. Послідовне опитування з дешифруванням лічильника сканування з дозволом натискання N клавіш (N<=8).

. Послідовний режим без дешифрации клавіш із забороною уведення 2х і більше натиснутих клавіш (S0-S3 - Висновки лічильника, до нього підключений 8 розрядний дешифратор (128 кл.))

. Послідовне опитування без дешифрування й з дозволом N натиснутих клавіш N<=8.

. Послідовне опитування матриці датчиків з дешифруванням матриці сканування.

. Послідовне опитування матриці датчиків без дешифрування матриці сканування.

. Стробований вхід з дешифруванням лічильника сканування, що використається для опитування.

. Стробований вхід без дешифрування лічильника сканування, що використається для опитування.

Режими роботи блоку індикації.

. Виводить символ на 8мі розрядну індикацію, з розміщенням їх ліворуч праворуч.

. Виводить символ на 16ти розрядну індикацію, з розміщенням їх ліворуч праворуч.

. Виводить символ на 8мі розрядну індикацію, зі зрушенням раніше відображеної інформації вліво.

. Виводить символ на 16ти розрядну індикацію, зі зрушенням раніше відображеної інформації вліво.

Згідно завданню треба організувати 8 індикаторів то 30 клавіш.

Для перетворення двійкового коду у семисегментний використаємо дешифратор К555ИД3, який має три входи і вісім виходів, чого достатньо для виконання поставленої задачі. Даний дешифратор у своєму составі має керуючі входи для організації динамічної індикації.

Рис. 12 - Умовне графічне позначення К155ИД7

Найменування виводів:

А0-А2 - адресні входи,-Q7 - лінії виходу,

С1-С3 - ліній вибору мікросхеми.

Технологічні та електричні характеристики:

Технологія - ТТЛШ.

Напруга живлення, V - 5.

Вихідна напруга, V.

високого рівня - 2,2.

низького рівня - 0.8.

Вихідний струм, mA.

при напрузі високого рівня - 20.

при напрузі низького рівня - 8.

Струм споживання, mA - 74.

Рис. 13 - Схема підключення блоку i8279

Сформуємо формат команди встановлення режиму роботи контролера:

= 00000001B = 01H.

Обрано Режим 0 роботи інтерфейсу індикації та Режим 1 роботи інтерфейсу клавіатури, вивід символів на 8мі розрядну індикацію з розміщенням їх ліворуч праворуч та з запереченням натискання двох або більше клавіш.

Сформуємо формат команди программування синхронізації:

= 00110100B = 34H

Кофіціент переліку вибран рівним 20, тобто 10100В, тому що внутрішня частота інтерфейсу не повинна перевищувати 100кГц (2МГц /20 = 100кГц).

Сформуємо формат команди запису у ОЗП індикації:

ICW3 = 10010000B = 90H

Сформуємо формат команди читання ОЗП клавіатури:

= 01010000B = 50H

3. РОЗРАХУНОК ЕЛЕКТРИЧНИХ НАВАНТАЖЕНЬ НА ЛІНІЇ МІКРОСХЕМ

Проведемо розрахунок навантажувальних характеристик для виходів мікроконтролера для шини даних, адреси і керування.

Навантаження на шину даних мікроконтролера визначається по формулі:

вихDL =IвхСKI + IвхPIТ + IвхOZU + IвхPZU + IвхCАP = 0,03 + 0,03 + 1,5 + 0, 5 + 0,1 = = 2,17 мА;вихDH = IвхCKI + IвхPIТ + IвхOZU + IвхPZU +IвхCАP = 0,03 + 0,03 + 0,1 + 0,04 + 0,1 = = 0,3 мА;

СD = СCKI + СPIТ + СOZU + СPZU + СCАP = 5 + 5 + 26 + 55 + 6 = 97 пФ.

Так як навантаження на шину даних не перевищує 32 мА, то використання додаткового шинного формувача не потрібне. Використаний буферний регістр відповідає поставленим вимогам.

Навантаження на шину адреси мікроконтролера визначається по формулі:

мікроконтролер інтерфейс перетворювач мікросхема

IвихАL =IвхСKI + IвхPIТ + IвхOZU + IвхPZU = 0,03 + 0,03 + 1,5 + 0, 5 = 2,06 мА;вихАH = IвхCKI + IвхPIТ + IвхOZU + IвхPZU = 0,03 + 0,03 + 0,1 + 0,12 = 0,31 мА;

СА = СCKI + СPIТ + СOZU + СPZU = 5 + 5 + 26 + 55 = 97 пФ.

Так як навантаження на шину адреси не перевищує 32 мА, то використання додаткового шиного формувача не потрібне. Використаний буферний регістр відповідає поставленим вимогам.

Навантаження на шину керування мікроконтролера визначається по формулі:

вихСL =IвхСKI + IвхPIТ + IвхOZU + IвхPZU = 0,03 + 0,03 + 1,5 + 0, 5 = 2,06 мА;вихСH = IвхCKI + IвхPIТ + IвхOZU + IвхPZU = 0,03 + 0,03 + 0,1 + 0,04 = 0,23 мА;

СС = СCKI + СPIТ + СOZU + СPZU = 5 + 5 + 26 + 50 = 91 пФ.

Отримані при розрахунку значення струмув та ємностей не перевищують граничні значення.

4. РОЗРОБКА ПРОГРАМ

Для повноцінної роботи МПС тепер необхідно розробити програму ініціалізації пристроїв та блоків. Ініціалізацію у нашій системі потребують адаптер паралельного інтерфейсу та контролер клавіатури і індикації.

Програма ініціалізації паралельного інтерфейсуi8255.

Кількість входів - 12, режим 0. Кількість виходів - 12, режим 0. Кількість посилок для введення і виводу - 68.

Тоді, хай порти А і В працюють на ввод, а порт С на вивод, отримаємо слово наказу:

=10011000b=98h

Мітка

Мнємокод

Операнди

Коментарії

M1: M2:

.equ .equ .equ .equ .equ .equ ldi ldi ldi ldi sts ldi sts ldi anl cpi brne ldi sts ldi inc ldi ldi sts dec cpi brne ret end

PORTA = 0xC000 PORTB = 0xC001 PORTC = 0xC002 RUS = 0xC003 ICW = 0x98 MASK = 0b00100000 R2, 0x44 R0, 0x30 R3, RUS R4, ICW R3, R4 R3, PORTC R4, R3 R0, R4 R4, MASK R4, 0x00 M2 R3, PORTA R4, R3 R0, R4 R0 R3, PORTB R4, 0x00 R3, R4 R2 R2, 0x00 M1

;адреса порта А ; адреса порта В ; адреса порта С ; адреса РУС ; слово наказу для адаптера ; маска ; завантаження лічильника байт ; завантаження початкової адреси ; програмування адаптеру ; паралельного інтерфейсу ; накладення маски ;порівнення з нулем ; якщо = 0, то перехід на М2 ;інкремент регістру ; обнуління регістру ;декремент регістру ; порівняння з нулем ; якщо = 0, то перехід на М1 ; вихід з підпрограми ; кінець


Програма ініціалізації контролера клавіатури і індикаціїi8279

Мітка

Мнємокод

Операнди

Коментарії

i8279: m1:

.equ .equ .equ .equ .equ .equ ldi sts ldi sts ldi sts ldi ldi mov sts dec cpi brne ldi lds mov ret

ICW1 = 0x01 ICW2 = 0x34 ICW3 = 0x90 ICW4 = 0x50 Adr2 = 0x8000 Adr1 = 0x8001 R0, ICW1 Adr1, R0 R0, ICW2 Adr1, R0 R0, ICW3 Adr1, R0 R1, 0x06 R2, 0x2100 R3, R2 Adr2, R3 R1 R1, 0 m1 R4, 0x2200 R5, Adr2 R4, R5

; команда установки режиму ; команда программ.синхронізації ; команда запису в ОЗП індикації ; команда читання ОЗП клавіатури ; адреса завантаження команд ; адреса завантаження даних ; завантаження команди режиму роботи ;у контролер ; завантаження команди програмування ; синхронізації у котролер ; завантаження команди запису в ОЗП ; індикації у контролер ; завантаження лічильника ; завантаження початкової адреси ; завантаження даних в ОЗП індикації ;декремент регістру ; порівняння значення в регістрі з 0 ; перехід на мітку, якщо не рівно 0 ; завантаження початкової адреси ; читання ОЗП клавіатури ; зміст регістру R5 відправити у пам’ять по адресу, який знаходиться в R4


ВИСНОВКИ

В ході виконання курсової роботи була розроблена повна принципова схема мікропроцесорної системи. Були розглянені різні варіанти структурної та принципової схем. Згідно із завданням складена програма ініціалізації окремих блоків. Обрані та розраховані необхідні у системі елементи. Була розглянута видача і запис інформації в пам’ять, АЦП, керування системою за допомогою клавіатури та індикації.

Виконання курсової дозволить у подальшому без труднощів розробляти подібні та ще більш складні процесорні системи

СПИСОК ЛІТЕРАТУРИ

1.   Яковлев Д.П. Микропроцессоры и микропроцессорная техника: Учеб. пособие. - Одесса: ОГПУ, 1994. - 112 с.

2.      Микропроцессорный комплект К1810: Структура, программирование, применение: Справочная книга / Ю.М. Казаринов, В.Н. Номоконов и др.; Под ред. Ю.М. Казаринова.- М.: Высш. шк., 1990 г. - 269 с.

.        Проектирование микропроцессорной электронно-вычислительной аппаратуры: Справочник / В.Г. Артюхов и др. - К.: Техника, 1988. - 263 с.

.        Лебедев О.Н. Применение микросхем памяти в электронных устройствах. - М.: Радио и связь, 1994. - 217 с.

.        Мікропроцесори і мікропроцесорна техніка (конспект лекцій) / В.П. Малахов, Д.П. Яковлев. - Одеса: ОДПУ, 1998.-76 с.

Похожие работы на - Мікропроцесорна система обробки даних

 

Не нашли материал для своей работы?
Поможем написать уникальную работу
Без плагиата!
Без нейросетей!