Електричне освітлення ТзОВ 'Агрітон'

  • Вид работы:
    Курсовая работа (т)
  • Предмет:
    Физика
  • Язык:
    Украинский
    ,
    Формат файла:
    MS Word
    483,5 Кб
  • Опубликовано:
    2013-11-23
Вы можете узнать стоимость помощи в написании студенческой работы.
Помощь в написании работы, которую точно примут!

Електричне освітлення ТзОВ 'Агрітон'

Вступ

Основний потенціал енергозбереження в освітлювальних установках лежить підвищенні ефективності перетворення електричної енергію в світову. Основні фактори, що впливають на споживання енергії освітлювальної установки, при заданих нормах освітлення включають наступні:

         проект схеми освітлення, спільне використання природного та штучного освітлення, забезпечення гнучкості керування освітлювальними мережами;

         зовнішній вигляд та облицювання (збільшення коефіцієнтів відбиття поверхонь приміщень);

         світлова віддача лампи (світловий вихід на один ватт електроенергії, що споживається лампою даного типу;

         ефективність світильника (коефіцієнт корисної дії освітлювальної апаратури);

         правильне використання вимикачів та регуляторів;

         використання стартерних пускорегулювальних пристроїв при освітленні люмінесцентними лампами;

         вибір схеми розміщення світильників;

         зниження коефіцієнту запасу при виборі освітлювальних установок;

         автоматичне регулювання освітлення, централізація керування базовими освітлювальними установками;

         запиленість повітря приміщень;

         чистота вікон для повного використання природного освітлення.

Впровадження нових прогресивних джерел світла, використання світильників з високим ККД, використання конструкцій відбиваючої арматури і раціональних схем освітлення дозволяють в багатьох випадках різко підвищити ефективність електроосвітлювальних установок, збільшити освітленість робочих місць, досягнути реальної економії електроенергії.

світло силовий лампа люмінесцентний

1. Характеристика підприємства

Підприємство ТзОВ "Агрітон" знаходиться в с.Гніздичів Жидачівського району Львівської області. Підприємство займається вирощуванням зернових, та технічних рослин, таких як ріпак, кукурудза, соняшник і т.п. Загальна площа використовуваних земель складає 1000 гектарів. Дане підприємство є багатофункціональним комплексом до складу якого входить тік, тваринницька ферма, теплиця тощо. Оскільки робітники підприємства постійно мають справу з технічними засобами праці, а вони як відомо мають властивість виходити з ладу, тому задля забезпечення швидкого відновлення іх працездатності на підприємстві функціонує ремонтна майстерня. Загальна площа даного цеху становить: 192 м2. Висота стелі 4,5 м.

Ремонтна майстерня розділена на 5 приміщеннь:

- ремонтно-механічний цех.Нормаване значення освітлення становить 150 лк, площа даного приміщення - 96 м2.

2-зварювальна дільниця.Нормоване значення освітлення згідно становить 150 лк, площа приміщення - 32 м2.

3 - кімната персоналу. Нормоване значення освітлення згідно становить 75 лк, площа приміщення - 10,5 м2.

4 - склад . Нормоване значення освітлення згідно становить 30 лк, площа приміщення - 17,5 м2.

5 - приміщення технічного обслуговування. Нормаване значення освітлення згідно становить 150 лк, площа - 40 м2.

2. Розрахунок мережі освітлення з лампами розжарення

Ла́мпа розжарення (жарівка) - освітлювальний прилад, в якому світло випромінюється тугоплавким провідником, нагрітим електричним струмом до розжарення. Основною складовою частиною звичайної лампи розжарювання є тіло розжарювання, яке виготовляється із вольфраму у вигляді навиток спіраллю дроту або стрічки. Дріт може мати діаметр від 0.01 до 1.5 мм і навивається у вигляді спіралі або біспіралі. Стрічка може мати товщину від 0.02 мм і більше.

Лампа розжарення складається з цоколя, контактних провідників, нитки розжарення, запобіжника та скляної колби, яка захищає нитку розжарення від навколишнього середовища.

Рис. Загальний вигляд жарівки

Принцип дії ламп розжарювання базується на тому, що будь-яке тіло, температура якого вища за абсолютний нуль, є джерелом теплового випромінювання. Теплове випромінювання несе за собою енергію випромінювання.

До переваг звичайних ламп розжарювання відносять:

-        низьку собівартість;

         можливість безпосереднього підключення до мережі без використання спеціальних пускорегулювальних пристроїв;

         малі як початкові, так і експлуатаційні витрати на обладнання;

         зручність при використання та обслуговуванні;

         широкий параметричний ряд напруг, потужностей, світлових потоків та ін.;

         різноманітне конструктивне оформлення;

         зберігання робото здатного стану при суттєвих коливаннях напруги;

         запалення лампи відбувається майже миттєво після подачі напруги;

         відсутність шкідливого впливу на навколишнє середовище у випадку руйнування колби, а відповідно і значно прості вимоги стосовно утилізації.

До недоліків звичайних ламп розжарювання відносять:

         відносно короткий термін служби (1000год);

         відносно мала світловіддача. Номінальні значення світлової віддачі для звичайних ламп розжарювання знаходиться в діапазоні 6-10лм/Вт. Ці значення порівняно з іншими видами ламп є найменшими і пояснюються їх принципом дії, який зумовлює те, що світловий коефіцієнт корисної дії (ККД) вакуумних ламп приблизно дорівнює 1.5%, а газонаповнених - 2-4%;

         суттєва залежність електричних, експлуатаційних і світлотехнічних параметрів від коливань напруги в мережі;

         лампи є пожежо- і вибухонебезпечними об’єктами, оскільки тепловий принцип випромінювання зумовлює нагрівання не лише тіла розжарення та колби, а і патрона.

Визначення категорії приміщень

Основні вимоги до схеми електричної мережі.

Вибір схеми електричної мережі робиться на перспективу 5-10 років, при цьому слід виходити з основних вимог під час її побудови. Схема повинна:

-     забезпечити необхідну надійність;

-        забезпечувати нормовану якість електроенергії біля споживача (ГОСТ 13109-97);

         бути гнучкою, пристосованою до різних режимів розподілу потужності;

         забезпечувати можливість її наступного розвитку без докорінних змін з урахуванням раціонального сполучення з майбутніми мережами більш високого ступіню напруги;

         передбачати раціональне сполучення з існуючими мережами;

         будуватись з максимальним охватом теріторії для комплексного електропостачання усіх росташованих на ній споживачів;

         забезпечувати оптимальний рівень струмів к.з.;

         ураховувати можливості виконання релейного захисту, протиаварійної і режимної автоматики;

         відповідати умовам оточуючого середовища (зменшення площі, відчужованої для будівництва землі);

         забезпечувати можливість побудови схеми з уніфікованих елементів ліній і підстанцій.

Однією із умов надійної, економічної і безпечної роботи електрообладнання - правильний його вибір по електричним параметрам, конструктивному виконанню, умовам навколишнього середовища і режимом роботи. Умови експлуатації електрообладнання всередині приміщення характеризується видом приміщення: сухе, вологе, сире, особливо сире, пильне, особливо сире з хімічно-активним середовищем, пожежо- і вибухонебезпечне.

Сухі приміщення. До них відносять приміщення, в яких відносна вологість не перевищує 60%. У ремонтній майстерні це кімната персоналу.

Вологі приміщення. В них конденсуюча волога і пара виділяється лиш тимчасово і дотогож не у великих кількостях. Це ремонтно-механічний цех, зварне приміщення, приміщення технічного обслуговування тощо .

Розрахунок освітлювальних установок з лампами розжарювання ремонтно - механічного цеху

У приміщенні ремонтно - механічного цеху розраховуємо освітлення методом коефіцієнта використання світлового потоку, який застосовують здебільшого при розрахунках загального рівномірного освітлення виробничих і громадських приміщень світильниками розсіяного світла основних приміщень.

Розміри приміщення приготування меляси: 12×8×4,5 м.

Вибираємо загальну рівномірну систему освітлення. Враховуючи умови навколишнього середовища вибираємо світильники типу НСП11.

Розрахункову висоту підвісу світильників визначаємо за формулою:

, (2.1)

де Н - висота приміщення, м;

hз - висота звисання. Приймаємо hз = 0,7 м;

hр - рівень робочої поверхні від підлоги. Приймаємо hр = 0,5 м.

 м.

Вибираємо значення найвигіднішої відносної відстані між світильниками для кривої Г λ = 0,8…1,1. Приймаємо λ = 0,8.

Визначаємо оптимальну відстань між світильниками за формулою:

, (2.2)

 м.

Визначаємо кількість рядів світильників за формулою:

,(2.3)

де В - ширина приміщення, м.

.

Приймаємо 3.

Визначаємо відстань від крайніх світильників до стін за формулою:

, (2.4)

 м.

Розрахункову відстань між рядами визначаємо за формулою:

 (2.5)

 м.

Розрахункову відстань між світильниками в ряду визначаємо за формулою:

,(2.6)

 м.

Кількість світильників у ряду визначаємо за формулою:

,(2.7)

де А - довжина приміщення, м

.

Приймаємо 4.

Загальну кількість світильників визначаємо за формулою:

,(2.8)

.

Визначаємо індекс приміщення за формулою:

,(2.9)

.

Беремо коефіцієнти відбивання: стелі ρст = 50%; стін ρс = 30%; підлоги ρп = 10%.

Вибираємо коефіцієнт використання світлового потоку η = 0,6.

Приймаємо нормовану освітленість Ен = 150 лк.

Беремо коефіцієнт запасу К = 1,3.

Визначаємо розрахунковий світловий потік світильника за формулою:

,(2.10)

де Z - коефіцієнт нерівномірності освітлення, Z =1,15.

 лм.

Вибираємо лампу типу Б - 220 - 200 з Рн = 200 Вт, Фл = 2920 лм. Вибираємо світильник НСП21-200-005.

Визначаємо фактичну освітленість за формулою:

,(2.11)

де m - кількість ламп у світильнику.

 лк.

Визначаємо відхилення освітленості за формулою:

,(2.12)

 %.

Відхилення є допустимим, тому, що знаходиться у межах +20…-10 %.

Визначаємо установлену потужність освітлювальної установки за формулою:

,(2.13)

 Вт.

Розрахунок освітлювальних установок з лампами розжарювання приміщення для персоналу

Розраховуємо освітленість приміщення для персоналу методом коефіцієнта використання світлового потоку. Вибираємо загальну рівномірну систему освітлення. Враховуючи умови навколишнього середовища вибираємо світильники типу НСО02.

Розміри приміщення: 3,5×3×4,5.

Визначаємо розрахункову висоту підвісу світильників за формулою:

 м.

Вибираємо значення найвигіднішої відносної відстані між світильниками для кривої Д λ = 1,4…1,8. Приймаємо λ = 1,4.

Визначаємо оптимальну відстань між світильниками за формулою:

 м.

Визначаємо кількість рядів світильників за формулою (2.3) :

.

Приймаємо 1.

Визначаємо кількість світильників у ряді:


 ,  (2.14)

.

Приймаємо 1.

Визначаємо загальну кількість світильників за формулою (2.8) :

.

Визначаємо індекс приміщення за формулою за формулою (2.9):

.

Беремо коефіцієнти відбивання: стелі ρст = 50%; стін ρс = 30%; підлоги ρп = 10%.

Вибираємо коефіцієнт використання світлового потоку η = 0,44.

Приймаємо нормовану освітленість Ен = 75 лк.

Беремо коефіцієнт запасу К = 1,3.

Визначаємо розрахунковий світловий потік світильника за формулою (2.10):

 лм.

Вибираємо лампу типу Б - 220 - 100 з Рн = 100 Вт, Фл = 1350 лм. Вибираємо світильник НСО02-100.

Визначаємо фактичну освітленість за формулою (2.11) :

 лк.

Визначаємо відхилення освітленості за формулою (2.12):

 %.

Відхилення є допустимим, тому, що знаходиться у межах +20…-10 %.

Визначаємо установлену потужність освітлювальної установки за формулою (2.13):

 Вт.

Розрахунок освітлення інших приміщень проводимо аналогічно, результати заносимо в таблицю.

Назва приміщення

Нормована освітленость, лк

S, м2

Тип лампи

Рл, Вт

Фл, лм

Тип світильника

Кількість ламп nc, шт

Pу, Вт

Зварювальна дільниця

150

32

Г220-200

200

2800

НСП01

4

800

Склад

30

17,5

Б230-240-75

75

935

ЛРК-75

2

150

Приміщення тех. обслуг.

150

40

Г220-230-200

200

2890

НСП11-200

6

1200


Вибір пуско-захисної апаратури освітлювальної мережі

Живильні і групові щитки потрібно розміщувати в місцях з`єднання живильних і групових мереж, по можливості в центрі навантаження і в місцях допустимих для обслуговування.

При розподілі освітлювальної електропроводки на групи необхідно врахувати наступне:

-    навантаження на кожну фазу повинно бути приблизно однаковим;

-        номінальний струм розчіплювача групового автоматичного вимикача не повинен перевищувати 25 А;

         на чергове освітлення виділяється приблизно 10% від загальної кількості світильників.

Розподіл на групи проводимо за табличною формою.

Таблиця Розподіл освітлювальної електропроводки на групи

Номер та тип щитка

Номер групи

Номер приміщення на плані

Кількість ламп

Установлена потужність ламп

Примітка

ЩО1 ЯРН 8501-3813

1

1

8

1,6

Технологічне освітлення


2

1

4

0,8

Технологічне освітлення


3

2

4

0,8

Технологічне освітлення


4

3

2

1,2

Технологічне освітлення


5

4,5

5

0,35

Технологічне освітлення


6

-

-

-

Резерв


Розрахункові струми груп визнаємо для однофазних груп з лампами розжарювання за формулою:

,(2.15)

де - фазна напруга групи, В;

- розрахункова потужність групи, кВт;

Визначаємо струм групи освітлювального щитка №1:

 А;

 А;

 А;

 А;

 А.

Типи освітлювальних щитків вибираємо в залежності від кількості груп: ЯРН8501-3813 - на 6 груп. Номінальні струми розчіплювачів автоматичних вимикачів вибираємо, виходячи з таких умов:

;

.

Вибираємо автоматичні вимикачі для групи 1 освітлювального щитка серії АЕ2020 з Іном.р = 10 А.

Вибираємо автоматичні вимикачі для груп 2,3 освітлювального щитка серії АЕ2020з Іном.р = 5 А.

Вибираємо автоматичні вимикачі для груп 4 освітлювального щитка серії АЕ2020з Іном.р = 6,3 А.

Вибираємо автоматичні вимикачі для груп 5 освітлювального щитка серії АЕ1000 з Іном.р = 2 А.

Вибір марок і перерізів проводів, кабелів та способів їх прокладання

У сільськогосподарських приміщеннях освітлювальні електропроводки прокладають закритим і відкритим способом на тросах, в пластмасових і стальних трубах, у каналах будівельних конструкцій, по стінах або на стелі.

Вид електропроводки, марку та спосіб прокладання проводу або кабелю вибирають залежно від призначення, цінності та архітектурних особливостей будівлі, умов навколишнього середовища, характеристики та режиму роботи електроприймачів, вимог техніки безпеки та протипожежних правил тощо.

Отже у приміщеннях прокладаємо проводку закритим способом під штукатуркою.

Площу поперечного перерізу проводу з якого буде виконуватись електропроводка вибираємо за формулою:

,(2.16)

де  - робочий максимальний струм групи, А.

Для групи 1 освітлювального щитка вибираємо провід типу ППВ 2×1 у якого = 16 А.

16 > 7,3 А.

Умова виконується. Аналогічно вибираємо даний провід для інших груп.

Розрахунок втрати напруги проводимо за формулою:

,(2.17)

де С - постійна для даного проводу з міді, С = 12,8;

F - поперечний переріз проводу, мм2;

l - довжина групи, м.

Визначаємо втрату напруги для груп освітлювального щитка ЯРН8501-3813:

 %;

 %;

%;

 %;

 %.

Так, як втрати напруги не перевищують допустимих 2,5% то провід залишаємо незмінним.

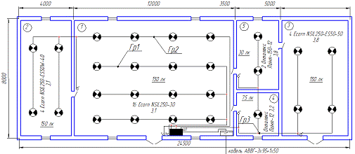
Складання розрахунково-монтажної схеми освітлювальної мережі

Розрахунково-монтажна схема освітлювальних проводок складається на основі вибраної пуско-захисної апаратури та марок і перерізів проводів та розбиття усього освітлення на групи.

У розрахунково-монтажній схемі вказані типи освітлювальних щитків, розставлена нумерація груп та система груп, зазначені типи автоматичних вимикачів та їх номінальні струми розчіплювачів, вказана довжина груп проводів та їх марка, зазначена встановлена потужність груп та втрати напруги, а також найменування навантаження.

Схема складається табличним методом та зображена на аркуші графічної частини №1.

Рис. Схема освітлювальної мережі з лампами розжарювання.

3. Розрахунок мережі освітлення з компактними люмінісцентними лампами

Конструктивно компактно люмінесцентні лампи складаються із трьох складових частин: колби електронного блока і цоколя.

Принцип дії лампи полягає в наступному. При подачі напруги на електроди відбувається електричний розряд у газах. Наявність в середині колби суміші інертного газу з парами ртуті під низьким тиском полегшує процес виникнення електричного розряду. Розряд супроводжується інтенсивним невидимим ультрафіолетовим випромінюванням, яке перетворюється в шарі люмінофору в видиме свічення лампи. Суттєвою відмінністю в роботті люмінесцентних ламп порівняно з лампами розжарювання є те, що вони не можуть бути безпосередньо підключеними до джерела живлення. Для забезпечення нормальних умов як на час їх включення (запалення лампи), так і роботи у сталому режимі вони потребують використання спеціальних пускорегулювальних апаратів (ПРА).

Рис. Загальний вигляд КЛЛ

КЛЛ є наступним кроком на шляху вдосконалення електричних джерел світла і стали результатом всіх техніко-економічних характеристик порівняно з лампами розжарювання та прямими люмінесцентними лампами. Їх компактність досягається, в першу чергу, зменшенням колби та наданням їй різних геометричних форм.

Зменшення розмірів колби дозволило зменшити кількість ртуті більш ніж у десять разів, а в деяких видах ламп зовсім уникнути використання ртуті у чистому вигляді, а використовувати її в зв’язаному стані.

До переваг КЛЛ належать:

         поєднання у цих лампах основних переваг люмінесцентних прямих (енергоекономічність, гарна кольоропередача випромінювання, тривалий термін служби) і ламп розжарювання (компактність);

-        можливість прямої зміни ними у світильниках ламп розжарювання без застосування додаткових пристроїв;

-        Висока світловіддача (світловий ККД): при рівній споживаної з мережі потужності світловий потік КЛЛ в 4-6 разів вище, ніж у лампи розжарювання, що дає економію електроенергії 75-85%;

         На відміну від лампи розжарювання, КЛЛ не є точковим джерелом, а випромінює світло всією поверхнею колби;

         Тривалий термін служби в безперервному циклі експлуатації (без частого включення / вимикання);

         Можливість створення ламп з різними значеннями колірної температури, а також ламп різних кольорів і м'якого ультрафіолету з високим ККД;

         Нагрів корпусу і колби значно нижче, ніж у лампи розжарювання. Втім він все ж має певне місце, на відміну від світлодіодного освітлення

         На відміну від традиційних "ламп денного світла" з електромагнітним трансформатором, трубка яких живиться змінною напругою з частотою мережі живлення, КЛЛ не виробляє стробоскопічний ефект на обертових деталях обладнання та в інших тому подібних ситуаціях.

Незважаючи на те, що використання компактних люмінісцентних ламп дійсно вносить свою лепту в збереження електроенергії, досвід масового застосування в побуті виявив цілий ряд проблем, головна з яких - короткий термін експлуатації в реальних умовах побутового застосування, іноді порівнянний з терміном служби ламп розжарювання.

До недоліків КЛЛ належать:

-        малі значення коефіцієнта потужності (cosφном=0.53-0.65);

         вони генерують відносно суттєві значення третьої гармоніки, а тому навіть при симетричному навантаженні на три фази мережі в нульовому проводі проходять струми.

         відносно велика ціна на вітчизняному ринку. Це зумовлено значною мірою поки що малим попитом на ці лампи і наявністю ламп зарубіжних виробників, ціни на які штучно завищені.

Розрахунок освітлювальних установок з КЛЛ ремонтно - механічного цеху

У приміщенні ремонтно - механічного цеху розраховуємо освітлення методом коефіцієнта використання світлового потоку, який застосовують здебільшого при розрахунках загального рівномірного освітлення виробничих і громадських приміщень світильниками розсіяного світла основних приміщень.

Розміри приміщення ремонтно - механічного цеху: 12×8×4,5 м.

Вибираємо загальну рівномірну систему освітлення. Враховуючи умови навколишнього середовища вибираємо світильники типу ФСП-77.

Розрахункову висоту підвісу світильників визначаємо за формулою (2.1): Приймаємо hз = 0,75 м;

Приймаємо hр = 0 м.

 м.

Вибираємо значення найвигіднішої відносної відстані між світильниками для кривої К λ = 0,4…0,7. Приймаємо λ = 0,65.

Визначаємо оптимальну відстань між світильниками за формулою (2.2):


 м.

Визначаємо кількість рядів світильників за формулою (2.3):

.

Приймаємо 3.

Визначаємо відстань від крайніх світильників до стін за формулою (2.4):

 м.

Розрахункову відстань між рядами визначаємо за формулою (2.5):

 м.

Розрахункову відстань між світильниками в ряду визначаємо за формулою (2.6):

 м.

Кількість світильників у ряду визначаємо за формулою (2.7):

.

Приймаємо 5.

Загальну кількість світильників визначаємо за формулою (2.8):

.

Визначаємо індекс приміщення за формулою (2.9):

.

Беремо коефіцієнти відбивання: стелі ρст = 50%; стін ρс = 30%; підлоги ρп = 10%.

Вибираємо коефіцієнт використання світлового потоку η = 0,52.

Приймаємо нормовану освітленість Ен = 150 лк.

Беремо коефіцієнт запасу К = 1,5.

Визначаємо розрахунковий світловий потік світильника за формулою (2.10):

,

де Z - коефіцієнт нерівномірності освітлення, Z =1,15.

 лм.

Вибираємо КЛЛ типу Tornado High Lumen 42W/840 з Рн = 42 Вт, Фл = 3000 лм. Вибираємо світильник ФСП-77-40.

Визначаємо фактичну освітленість за формулою (2.11):


 лк.

Визначаємо відхилення освітленості за формулою (2.12):

 %.

Відхилення є допустимим, тому, що знаходиться у межах +20…-10 %.

Визначаємо установлену потужність освітлювальної установки за формулою (2.13):

 Вт.

Розрахунок освітлювальних установок з КЛЛ зварювальної дільниці

Враховуючи умови навколишнього середовища вибираємо світильники типу НСП20 із захисним склом.

Розміри приміщення: 4×8×4,5.

Визначаємо розрахункову висоту підвісу світильників за формулою (2.1):

 м.

Вибираємо значення найвигіднішої відносної відстані між світильниками для кривої Д λ = 1,4…1,8. Приймаємо λ = 1,4.

Визначаємо оптимальну відстань між світильниками за формулою (2.2):

 м.


.

Приймаємо 2.

Визначаємо відстань від крайніх світильників до стін за формулою (2.4)

 м.

Розрахункову відстань між рядами визначаємо за формулою (2.5):

 м.

Розрахункову відстань між світильниками в ряду визначаємо за формулою (2.6):

 м.

Оскільки La/Lb значно менше 1,5 надалі у розрахунках кількість світильників у ряді збільшуємо на одиницю

Визначаємо кількість світильників у ряді за формулою (2.14):

.

Приймаємо 2.

Визначаємо загальну кількість світильників (2.8):

.

Визначаємо індекс приміщення за формулою (2.9) :

.

Беремо коефіцієнти відбивання: стелі ρст = 50%; стін ρс = 30%; підлоги ρп = 10%.

Вибираємо коефіцієнт використання світлового потоку η = 0,36.

Приймаємо нормовану освітленість Ен = 150 лк.

Беремо коефіцієнт запасу К = 1,5.

Визначаємо розрахунковий світловий потік світильника за формулою (2.10):

 лм.

Вибираємо КЛЛ типу Tornado High Lumen 75W/827 з Рн = 75 Вт, Фл = 5550 лм. Вибираємо світильник НСП20-75.

Визначаємо фактичну освітленість за формулою (2.11):

 лк.

Визначаємо відхилення освітленості за формулою (2.12):

 %.

Відхилення є допустимим, тому, що знаходиться у межах +20…-10 %.

Визначаємо установлену потужність освітлювальної установки за формулою (2.13):

 Вт.

Розрахунок освітлення інших приміщень проводимо аналогічно, результати заносимо в таблицю .

Таблиця 3.1.

Назва приміщення

Нормована освітленость, лк

S, м2

Тип лампи

Рл, Вт

Фл, лм

Тип світильника

Кількість ламп nc, шт

Pу, Вт

Кімната персоналу

75

10,5

Master Pl-Electronic 15W/827

15

875

НСО

1

15

Склад

30

17,5

Master Pl-Electronic 15W/827

15

875

ЛРК

3

45

Приміщення тех. обслуг.

150

40

Tornado Hgh Lumen 42W/840

42

3000

ФСП-77

8

336


Вибір пуско-захисної апаратури освітлювальної мережі

За аналогією до розділу 2.1.3., з урахуванням усіх вимог, проводимо розподіл освітлювальної проводки на групи. Результати даного розподілу заносимо в таблицю 3.2, де вказуємо відповідний номер групи, кількість джерел світла, що входять до цієї групи, а також установлену потужність ламп що входять до цієї групи тощо.

Розподіл на групи проводимо за табличною формою.

Таблиця Розподіл освітлювальної електропроводки на групи

Номер та тип щитка

Номер групи

Номер приміщення на плані

Кількість ламп

Установлена потужність ламп,

Примітка

ЩО ОП-3УХЛ4

1

1

10

0,4

Технологічне освітлення


2

1,2

9

0,5

Технологічне освітлення


3

3,4,5

12

0,396

Технологічне освітлення


Розрахункові струми груп визнаємо для однофазних груп з лампами розжарювання за формулою (2.15):

 А;

 А;

 А;

Типи освітлювальних щитків вибираємо в залежності від кількості груп: ОП-3УХЛ4 - на 3 групи. Номінальні струми розчіплювачів автоматичних вимикачів вибираємо, виходячи з таких умов:

;

.

Вибираємо автоматичні вимикачі для групи 1,3 освітлювального щитка серії АЕ1000 з Іном.р = 2,5 А, Іном.а = 10 А.

Вибираємо автоматичні вимикачі для груп 2 освітлювального щитка серії АЕ1000з Іном.р = 3,2 А, Іном.а = 10 А.

Вибір марок і перерізів проводів, кабелів та способів їх прокладання

У сільськогосподарських приміщеннях освітлювальні електропроводки прокладають закритим і відкритим способом на тросах, в пластмасових і стальних трубах, у каналах будівельних конструкцій, по стінах або на стелі.

Вид електропроводки, марку та спосіб прокладання проводу або кабелю вибирають залежно від призначення, цінності та архітектурних особливостей будівлі, умов навколишнього середовища, характеристики та режиму роботи електроприймачів, вимог техніки безпеки та протипожежних правил тощо.

Отже у приміщеннях прокладаємо проводку закритим способом під штукатуркою.

Площу поперечного перерізу проводу з якого буде виконуватись електропроводка вибираємо за формулою (2.16):

,

де  - робочий максимальний струм групи, А.

Для групи 2 освітлювального щитка вибираємо провід типу ППВ 2×1 у якого = 16 А.

16 > 2,4 А.

Умова виконується. Аналогічно вибираємо проводи для інших груп, а саме для групи 1,3 провід ППВ 2×0,5 з = 11 А.

Розрахунок втрати напруги проводимо за формулою (2.17):

Визначаємо втрату напруги для груп освітлювального щитка ОП-3УХЛ4:


 %;

 %;

%;

Так, як втрати напруги не перевищують допустимих 2,5% то провід залишаємо незмінним.

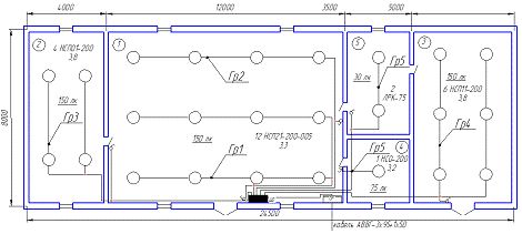
Складання розрахунково-монтажної схеми освітлювальної мережі

Розрахунково-монтажна схема освітлювальних проводок складається на основі вибраної пуско-захисної апаратури та марок і перерізів проводів та розбиття усього освітлення на групи.

У розрахунково-монтажній схемі вказані типи освітлювальних щитків, розставлена нумерація груп та система груп, зазначені типи автоматичних вимикачів та їх номінальні струми розчіплювачів, вказана довжина груп проводів та їх марка, зазначена встановлена потужність груп та втрати напруги, а також найменування навантаження.

Схема складається табличним методом та зображена на аркуші графічної частини №2.

Рис. Схема освітлювальної мережі з КЛЛ.

4. Розрахунок мережі освітлення з світлодіодними лампами

Світлодіодні лампи або світлодіодні світильники в якості джерела світла використовують світлодіоди, застосовуються для побутового, промислового і вуличного освітлення. Світлодіодна лампа є одним з найбільш екологічно чистих джерел світла. Принцип світіння світлодіодів дозволяє використовувати у виробництві та роботі самої лампи безпечні компоненти. Світлодіодні лампи не містять ртутьвмісних речовин, тому вони не становлять небезпеки у разі виходу з ладу або руйнування. Розрізняють закінчені пристрої - світильники та елементи для світильників - змінні лампи.

Світлодіодні лампи споживають від 3% до 60% потужності, необхідної для звичайних ламп розжарювання, аналогічної яскравості. Удароміцна конструкція твердотілих випромінювачів (світлодіодів), дозволяє використовувати світлодіодні лампи при підвищених вібраціях. Світлодіоди не бояться частих вмикань і вимикань.

Ефективність світлодіодів найбільше проявляється там, де потрібно генерувати потужні кольорові світлові потоки (світлові сигнали). Світло від лампи розжарювання доводиться пропускати через спеціальні оптичні фільтри, що виділяють певну частину спектру (червону, синю, зелену). 90% енергії світлового потоку, від лампи рожарювання, втрачається, при проходженні свтла через світлофільтр. Усі ж 100% випромінювання світлодіода є забарвленим світлом і в застосуванні світлофільтра немає потреби. Більше того, близько 80-90% споживаної потужності лампи розжарювання, витрачається на її нагрів, - для досягнення потрібної колірної температури, на яку вони спроектовані.

Рис. Загальний вигляд світлодіодної лампи

Переваги світлодіодних ламп:

         термін служби до 100000 год;

         значно менше споживають електроенергії ніж лампи розжарення та люмінесцентні;

         абсолютно безпечні для людських очей завдяки тому, що вони не випромінюють ультрафіолетового та інфрачервоного світла;

         відсутнє моргання, яке притаманне люмінесцентним лапам;

         не містять шкідливих речовин, що дозволяє легко їх утилізувати;

         світловіддача деяких серій досягає 100лм/Вт;

         широка колірна гама;

         висока стійкість до механічних впливів;

         безсвинцевим технологія монтажу;

Недоліки світлодіодних ламп:

-        при провалі напруги знижуються характеристики ламп а саме світловий потік на 30-50% від номінального

         порівняно висока вартість;

         алюмінієвий радіатор, що охолоджує компоненти світлодіодним лампочки. Справа в тому, що процес видобутку, очищення й обробки алюмінію є дуже енергоємним і створює кілька побічних продуктів, таких як сірчана кислота. Це створює додаткове навантаження на навколишнє середовище, що знижує "екологічна якість" світлодіодних джерел світла.

Розміри приміщення ремонтно - механічного цеху: 12×8×4,5 м. Вибираємо загальну рівномірну систему освітлення. Враховуючи умови навколишнього середовища вибираємо світильники типу Ecorn NSIL250. Розрахункову висоту підвісу світильників визначаємо за формулою

Приймаємо hз = 0,9 м; Приймаємо hр = 0,5 м.

 м.

Вибираємо значення найвигіднішої відносної відстані між світильниками для кривої К λ = 0,7…0,8. Приймаємо λ = 0,7.

Визначаємо оптимальну відстань між світильниками за формулою:

 м.

Визначаємо кількість рядів світильників за формулою (2.3):

.

Приймаємо 4. Визначаємо відстань від крайніх світильників до стін за формулою:

 м.

Розрахункову відстань між рядами визначаємо за формулою (2.5):

 м.

Розрахункову відстань між світильниками в ряду визначаємо за формулою (2.6):

 м.

Кількість світильників у ряду визначаємо за формулою (2.7):

.

Приймаємо 4.

Загальну кількість світильників визначаємо за формулою (2.8):

.

Визначаємо індекс приміщення за формулою (2.9):

.

Беремо коефіцієнти відбивання: стелі ρст = 50%; стін ρс = 30%; підлоги ρп = 10%.

Вибираємо коефіцієнт використання світлового потоку η = 0,4.

Приймаємо нормовану освітленість Ен = 150 лк.

Беремо коефіцієнт запасу К = 1,3.

Визначаємо розрахунковий світловий потік світильника за формулою:

 лм.

Вибираємо лампу типу Ecorn NSWL-30W125-486S3 з Рн =30 Вт, Фл = 3300 лм. Визначаємо фактичну освітленість за формулою (2.11):

 лк.

Визначаємо відхилення освітленості за формулою (2.12):

 %.

Відхилення є допустимим, тому, що знаходиться у межах +20…-10 %.

Визначаємо установлену потужність освітлювальної установки за формулою (2.13):

 Вт.

Розрахунок освітлення інших приміщень проводимо аналогічно, результати заносимо в таблицю 4.1.

Таблиця

Назва приміщення

Нормована освітленість, лк

S, м2

Тип лампи

Рл, Вт

Фл, лм

Тип світильника

Кількість ламп nc, шт

Pу, Вт

Зварювальна дільниця

150

32

Ecorn N310-40 (промислова)

40

4300

Ecorn NSIL250-ES50W (купольний)

4

160

Склад

30

17,5

Ecorn Downlight

12

1200

Оптолюкс Поінт-150

2

24

Приміщення тех. обслуговування

150

40

Ecorn NSIL250-ES50W

50

5600

Ecorn NSIL250-ES50W

4

200

Кімната персоналу

75

10,5

Ecorn NSIL250-ES30W

30

2400

Оптолюкс Поінт-200

1

30



Вибір пуско-захисної апаратури освітлювальної мережі

Враховуючи умови, які зазначені в розділі 2.1.3 про вибір пуско-захисної апаратури освітлювальної мережі з лампами розжарювання розподіл на групи проводимо за табличною формою.

Таблиця Розподіл освітлювальної електропроводки на групи

Номер та тип щитка

Номер групи

Номер приміщення на плані

Кількість ламп

Установлена потужність ламп

Примітка

ЩО1 ЯРН 8505-1603

1

1

12

0,32

Технологічне освітлення


2

1,2

8

0,28

Технологічне освітлення


3

3,4,5

7

0,254

Технологічне освітлення


Розрахункові струми груп визнаємо для однофазних груп з лампами розжарювання за формулою (2.15):

 А;

 А;

 А;

Типи освітлювальних щитків вибираємо в залежності від кількості груп: ЯРН 8505-1603 - на 3 групи. Номінальні струми розчіплювачів автоматичних вимикачів вибираємо, виходячи з таких умов:

;

.

Вибираємо автоматичні вимикачі для групи 1 освітлювального щитка серії АЕ1000 з Іном.р = 2,0 А, Іном.а = 10 А.

Вибираємо автоматичні вимикачі для груп 2,3 освітлювального щитка серії АЕ1000 з Іном.р = 1,6 А, Іном.а = 10 А.

Вибір марок і перерізів проводів, кабелів та способів їх прокладання

У сільськогосподарських приміщеннях освітлювальні електропроводки прокладають закритим і відкритим способом на тросах, в пластмасових і стальних трубах, у каналах будівельних конструкцій, по стінах або на стелі.

Вид електропроводки, марку та спосіб прокладання проводу або кабелю вибирають залежно від призначення, цінності та архітектурних особливостей будівлі, умов навколишнього середовища, характеристики та режиму роботи електроприймачів, вимог техніки безпеки та протипожежних правил тощо.

Отже у приміщеннях прокладаємо проводку закритим способом під штукатуркою.

Площу поперечного перерізу проводу з якого буде виконуватись електропроводка вибираємо за формулою (2.16):

Для групи 1 освітлювального щитка вибираємо провід типу ППВ 2×0,5 у якого = 11 А.

11 > 1,45 А.

Умова виконується. Аналогічно вибираємо даний провід для інших груп.

Розрахунок втрати напруги проводимо за формулою (2.17):

Визначаємо втрату напруги для груп освітлювального щитка ЯРН8505-1603:


 %;

 %;

%;

Так, як втрати напруги не перевищують допустимих 2,5% то провід залишаємо незмінним.

Складання розрахунково-монтажної схеми освітлювальної мережі

Розрахунково-монтажна схема освітлювальних проводок складається на основі вибраної пуско-захисної апаратури та марок і перерізів проводів та розбиття усього освітлення на групи.

У розрахунково-монтажній схемі вказані типи освітлювальних щитків, розставлена нумерація груп та система груп, зазначені типи автоматичних вимикачів та їх номінальні струми розчіплювачів, вказана довжина груп проводів та їх марка, зазначена встановлена потужність груп та втрати напруги, а також найменування навантаження.

Схема складається табличним методом та зображена на аркуші графічної частини №1.

Рис. Схема освітлювальної мережі з світлодіодними лампами.

5. Економічна частина

В даному розділі ставимо за мету порівняти ціни на експлуатацію ламп які були використанні в даній курсовій роботі.

Таблиця Типи ламп та їхні ціни при відповідних потужностях

Тип лампи

Модель лампи

Потужність, Вт

Кількість, штук

Термін служби, год

Ціна, грн/од.

Жарівки

Б220-200

200

12

1000

3,40


Б220-100

100

2

1000

1,64


Б230-240-75

75

2

1000

1,64


Г220-200

200

4

1000

3,2


Г220-230-200

200

6

1000

3,2

КЛЛ

TornadoHighLumen 220-240V

42

24

10000

32


Tornado High Lumen 75W/827

75

4

10000

47


Master Pl-Electronic 15W/827

15

4

10000

18,5

Світлодіодні

E27 Ecorn NSWL-30W125

30

16

50000

80


E27 Ecorn N310-40

40

4

50000

160


Ecorn NSIL250-ES50W

50

4

50000

205


Ecorn Downlight

12

2

55


Ecorn NSІL250-30W

30

1

50000

80


Для спрощення розрахунків та більшої наочності розрахуємо експлуатаційні затрати ламп для 50000год.

Розрахунок витрат на електроенергію

,грн. (5.1)

де P - потужність лампи (табл.5.1), Вт;

E- ціна 1кВт/год. електроенергії (), грн..

Для ламп розжарення:

грн.

Для компактно люмінесцентних ламп:

грн.

Для світлодіодних ламп:

грн.

Розрахунок витрат накупівлю ламп

Розрахуємо ціну придбання ламп які будуть використанні протягом 50000 годин:

, грн (5.2)

де К - кількість ламп (табл.5.1), шт.;

М - ціна за одиницю лампи (табл.5.1), грн.;

S- термін використання (50000), год;

T- тривалий термін служби (табл.5.1), год.

Для ламп розжарення:

грн.

Для компактно люмінесцентних ламп:

грн.

Для світлодіодних ламп:

грн.

Загальні витрати на лампи

,грн. (5.3)

Для ламп розжарення:

=3968+139050=143018 грн.

Для КЛЛ:

=4530+35802=40332 грн.

Для світлодіодних ламп:27068

=24138+2930=27068 грн.

Для порівняння проведених розрахунків заносимо результатив таблицю 5.2

Таблиця Економічна оцінка


Лампи розжарення

КЛЛ

Світлодіодні Лампи

Кількість, шт.

26

31

27

Потужність, кВт

5.6

0.62

0.588

Вартість, грн.

3968

4530

2930

Термін служби, год

1000

10000

50000

Витрати на експлуатацію протягом 50000 год, грн

143018

40332

27068

Економічний ефект, грн

-

102686

115650

Економічний ефект, %

-

71.8

80.9


Висновки

В даній курсовій роботі була розрахована силова схема ТзОВ "Агрітон" що знаходиться в с.Гніздичів, Жидачівського району, Львівської області,а також було розраховане освітлення з використанням різних типів ламп, а саме: ламп розжарення; компактно люмінесцентних ламп та світлодіодних ламп.

Розрахунки освітлювальної мережі нам дали результати, за якими ми можемо оцінити доцільність використання тих чи інших ламп. Як ми бачимо з розділу 6 затрати на експлуатацію світлодіодних ламп найменші і становлять 27068 грн протягом 50000 годин. Так як світлодіодні лампи мають переваги над лампами розжарення та КЛЛ такі як відсутність шкідливого випромінювання, відсутність моргання яке створює стробоскопічний ефект, широка колірна гама та висока стійкість до механічних впливів ми рекомендуємо їх для використання в даній майстерні. Варто зауважити що в приміщеннях з великою кількістю ламп світлодіодні лампи швидше окуповуються ніж в приміщеннях з малою кількістю, що пов’язано з малою їх споживаною потужністю. Також доцільніше використовувати декілька малопотужних світлодіодних ламп ніж одну потужну тому, що при потужності більше 50Вт ціна на лампу зростає на декілька порядків.

Список використаної літератури

1.      В.Б. Козловская, В.Н. Радкевич, В.Н. Сацукевич. Электрическое освещение: справочник. -2-е изд. - Минск.

.        Барибін Ю.Г. Справочник по проектированию електрических сетей и електрооборудования.-Москва Енергоатомиздат, 1991.

.        Василега П.О. Електропостачання: Навчальний посібник. - Суми: ВТД "Університетська книга", 2008.

.        Гурин Н.А., Янукович Г.И. Электрооборудование промышленных предприятий и установок 1990.

.        Кнорінг Г.М. Справочная книга для проектирования електрического освещения: "Енергия", 1975, 384с.

6.      Карпов Ф.Ф., Козлов В.Н. Справочник по расчету проводов и кабелей, изд. 3-е М. "Энергия", 1969г.

7.      Каталог ламп Philips 2012.

.        Прайс-лист на продукцію компанії "Ecorn".

Похожие работы на - Електричне освітлення ТзОВ 'Агрітон'

 

Не нашли материал для своей работы?
Поможем написать уникальную работу
Без плагиата!
Без нейросетей!