Исследование принципов технической реализации и эффективности сигналов с ортогональной частотной модуляцией
Министерство
образования и науки Российской Федерации
Федеральное
государственное бюджетное образовательное учреждение
высшего
профессионального образования
«Кубанский
государственный университет» (ФГБОУ ВПО «КубГУ»)
Физико-технический
факультет
Кафедра оптоэлектроники
Специальность 210302 - Радиотехника
ДИПЛОМНАЯ РАБОТА
ИССЛЕДОВАНИЕ ПРИНЦИПОВ ТЕХНИЧЕСКОЙ
РЕАЛИЗАЦИИ И ЭФФЕКТИВНОСТИ СИГНАЛОВ С ОРТОГОНАЛЬНОЙ ЧАСТОТНОЙ МОДУЛЯЦИЕЙ
Работу выполнил
Илларионов Сергей Александрович
Научный руководитель
канд.техн.наук, доцент А. Н. Казаков
Краснодар 2013
РЕФЕРАТ
Дипломная работа: 62 с., 21 рисунков, 46 формул, 14 источников.
ОРТОГОНАЛЬНАЯ ЧАСТОТНАЯ МОДУЛЯЦИЯ, ПЕРЕДАТЧИК РАДИОСИГНАЛОВ, СЛОЖЕНИЕ
МОЩНОСТИ СИГНАЛОВ, КОЭФФИЦИЕНТ ПОЛЕЗНОГО ДЕЙСТВИЯ УСИЛИТЕЛЕЙ МОЩНОСТИ.
Объектом исследования данной дипломной работы являются беспроводные
локальные сети, предназначение которых состоит в соединении нескольких
пользователей или устройств в сеть без помощи проводов.
Целью работы является выявление совершенствование учебно-методического
комплекса по дисциплине «Радиотехнические системы».
В результате выполнения дипломной работы теоретически обоснована
необходимость использования параллельной передачи дискретных сообщений,
выполнены анализ принципов технической реализации многочастотных сигналов,
анализ помехоустойчивости систем передачи дискретных сообщений с
многочастотными сигналами и анализ путей повышения энергетической эффективности
усилителей мощности многочастотных сигналов. Практическая часть дипломной работы
содержит варианты сложения мощности сигналов и оценка их показателей.
СОДЕРЖАНИЕ
Введение
1. Анализ объекта
исследования
1.1 Модель
системы связи с ортогональным частотным
мультиплексированием
1.2 Обоснование
недостатков и путей их устранения в системах передачи информации с OFDM
2. Обоснование и анализ
способов снижения пик-фактора группового сигнала в системах с кодовым
уплотнением каналов
2.1 Общие сведенья о
системах связи с кодовым уплотнением каналов
2.2 Классификация
нелинейного уплотнения и разделения каналов
2.3 Особенности
технической реализации нелинейного кодового уплотнения
2.4 Исследование способов
реализации ограничителя
2.5 Анализ эффективности
ограничения пик-фактора группового сигнала в реальных условиях
2.5.1 Эффективность
кодового уплотнения с жестким ограничением группового сигнала
2.5.2 Эффективность
кодового уплотнения с мягким ограничением пик-фактора группового сигнала
3. Принципы суммирования
мощностей сигналов
3.1 Обоснование
необходимости суммирования мощности сигналов
3.2 Способы суммирования
мощностей сигналов
3.3 Суммирование мощностей
сигналов с помощью многополюсной схемы
3.5 Суммирование мощностей
сигналов с помощью фазированной антенной решетки
4. Оценка эффективности
исследуемого устройства
4.1 Классификация
радиопередатчиков
4.2. Обоснование
структурной схема радиопередатчика
4.3 Методика и примеры
расчета основных параметров передатчика
4.4 Оценка эффективности
исследуемого передатчика
Заключение
Список использованных
источников
ОБОЗНАЧЕНИЯ
И СОКРАЩЕНИЯ
|
МСС
|
многоканальные системы
связи
|
|
КР
|
кодовым разделением
|
|
ШН
|
шумов неортогональности
|
|
ГС
|
группового сигнала
|
|
СБИТ
|
сверхбольших интегральных
схем
|
|
ШС
|
шумоподобными сигналами
|
|
СМП
|
специализированных
микропроцессов
|
|
ПАВ
|
поверхностными
акустическими волнами
|
|
ПЗС
|
приборов с зарядной связью
|
|
УУ
|
устройства уплотнения
|
|
МУ
|
мостовые устройства
|
|
ФАР
|
|
АФУ
|
антенно-фидерное устройство
|
ВВЕДЕНИЕ
Практически для всех типов современных радиосистем передачи информации
характерна многоканальная или параллельная передача, при которой по общему
высокочастотному тракту радиосистемы передаются сообщения от многих
относительно малопроизводительных источников или от одного
высокопроизводительного источника. Число уплотняемых каналов в современных
радиосистемах передачи информации может достигать нескольких сотен и даже
тысяч. При этом применяются как различные виды операций уплотнения и разделения
каналов, так и различные процедуры реализации этих операций. На выбор и
организацию того или иного метода уплотнения и разделения каналов существенное
влияние оказывает число уплотняемых каналов, скорость передачи информации в
системе, требования к точности и помехоустойчивости передачи, условия и
специфика использования многоканальной системы. Важными вопросами при этом
являются также простота реализации подсистем уплотнения и разделения на
современной элементной базе, возможности унификации и стандартизации
аппаратуры, простота сопряжения подсистем уплотнения и разделения с другими
подсистемами.
Как известно многоканальные системы связи (МСС) с кодовым разделением
(КР), по сравнении с системами с частотным и временным разделением, обладают
более высокой устойчивостью против импульсных сосредоточенных помех при
кратковременных перерывах в связи, структурной скрытностью, а также более
высокой пропускной способностью в случае закрепленных каналов и низкой
активности абонентов. Однако эффективность МСС с КР существенно снижается из-за
наличия в них шумов неортогональности (ШН), вызванных, во-первых,
использованием квазиортогональных канальных (базисных) сигналов, и, во-вторых,
линейными и нелинейными искажениями группового сигнала (ГС) в линии связи.
Цель работы - совершенствование учебно-методического комплекса дисциплины
Радиотехнические системы.
Перечень задач, подлежащих разработке.
1. Обоснование необходимости использования параллельной передачи
дискретных сообщений;
2. Анализ принципов технической реализации многочастотных сигналов;
. Анализ помехоустойчивости систем передачи дискретных сообщений с
многочастотными сигналами;
. Анализ путей повышения энергетической эффективности усилителей
мощности многочастотных сигналов.
1. АНАЛИЗ
ОБЪЕКТА ИССЛЕДОВАНИЯ
1.1 Модель системы связи с ортогональным частотным
мультиплексированием
сигнал дискретный многочастотный модуляция
При высоких скоростях передачи применяется метод передачи данных, который
состоит в том, что поток передаваемых данных распределяется по множеству
частотных подканалов и передача ведется параллельно на всех этих подканалах.
При этом высокая скорость передачи достигается именно за счет одновременной
передачи данных по всем каналам, а скорость передачи в отдельном подканале
вполне может быть невысокой. Поскольку в каждом из частотных подканалов
скорость передачи данных можно сделать не слишком высокой, это создает
предпосылки для эффективного подавления межсимвольной интерференции.
При частотном разделении каналов необходимо, чтобы ширина полосы частот
отдельного канала была, с одной стороны, достаточно узкой для минимизации
искажения сигнала в этом канале, а с другой - достаточно широкой для
обеспечения требуемой скорости передачи. Кроме того, для экономного
использования всей полосы частот канала, разделяемого на подканалы, желательно
как можно более плотно расположить частотные подканалы, но при этом избежать
межканальной интерференции, чтобы обеспечить полную независимость подканалов
друг от друга. Частотные каналы, удовлетворяющие перечисленным требованиям,
называются ортогональными. Несущие сигналы всех частотных подканалов (а точнее,
функции, описывающие эти сигналы) ортогональны друг другу. Важно, что, хотя
сами частотные подканалы могут частично перекрывать друг друга, ортогональность
несущих сигналов гарантирует независимость каналов друг от друга, а
следовательно, и отсутствие межканальной интерференции.
Рассмотренный способ деления широкополосного канала на ортогональные
частотные подканалы называется ортогональным частотным мультиплексированием.
Сигнал в системе с OFDM имеет разбиение на множество несущих, что обеспечивает
небольшое количество символов на одну несущую и снижает межсимвольную
интерференцию. Дополнительно применяется защитный интервал - циклический
префикс, добавляемый в начало каждого символа. Для эффективной работы такого
подхода максимальная задержка в канале не должна превышать длину циклического
префикса. Высокая эффективность систем OFDM при работе в каналах с
многократными отражениями делает их пригодными для высокоскоростных систем
передачи данных в наземных системах связи.
Классифицируя сферы применения сигналов с ортогональной частотной
модуляцией необходимо выделить следующие:
1. Проводная связь:
- ADSL и VDSL;
- DVB-C2, улучшенная версия цифрового кабельного телевидения
стандарта DVB-C;
2. Беспроводная связь
- беспроводные системы связи стандарты IEEE 802.11 и HIPERLAN/2;
- наземные системы цифрового телевидения DVB-T и ISDB-T;
- наземные системы мобильного телевидения DVB-H, T-DMB, ISDB-T
и MediaFLO;
- система цифрового радиовещания DRM;
- беспроводные системы связи стандарта Flash-OFDM;
- беспроводные системы связи стандарта LTE;
- беспроводные системы связи стандарта IEEE 802.16 (WiMAX);
- беспроводные системы связи стандарта IEEE 802.20, IEEE
802.16e (Mobile WiMAX) and WiBro;
- беспроводные системы связи стандарта IEEE 802.15.3a.
На рисунке 1 показана обобщенная структура системы связи с ортогональным
частотным мультиплексированием.
Рисунок 1 - Структурная схема системы связи с ортогональным частотным
мультиплексированием
Данные пользователя вначале поступают в блок помехоустойчивого кодирования
а затем на модулятор. После модуляции данные в виде комплексных символов
поступают в блок ОБПФ, где происходит формирование сигнала OFDM с
использованием М поднесущих. Символ OFDM состоит из основной информационной
части и циклического префикса, который формируется путем копирования последних
L отсчетов в начало кадра. Далее последовательность символов OFDM преобразуется
в аналоговый сигнал и предается по каналу связи. Длительность циклического
префикса выбирается таким образом, чтобы длительность импульсного отклика
канала связи была меньше, чем длительность циклического префикса. Таким
образом, символ OFDM имеет длительность (M+L)*Ts, где Ts - период дискретизации
в системе.
Дальнейшие преобразования сигнала зависят от структуры конкретной системы
и не относятся к основной концепции OFDM. В реальных условиях работы системам
беспроводной подвижной связи с OFDM приходится работать в условиях, когда в
канале связи сигнал подвергается воздействию замираний. Поэтому для получения
приемлемой помехоустойчивости требуется использование помехоустойчивого
кодирования.
1.2 Обоснование недостатков и путей их устранения в
системах передачи информации с OFDM
Одним из основных недостатков таких сигналов является высокое значение
пик-фактора колебаний, что приводит к значительному недоиспользованию выходных
усилителей радиопередатчиков по мощности и повышению уровня межсимвольной и
внутри символьной интерференции.
Для снижения пик-фактора сигналов с OFDM предложено множество методов,
которые можно условно разделить на три класса: методы, основанные на блочном
кодировании, методы, основанные на амплитудном ограничении (клиппирование,
компаундирование) сигналов, и вероятностные методы.
Методы с блочным кодированием отображают множество возможных
информационных символов во множество сигналов с OFDM с низким значением
пик-фактора. В методах, основанных на амплитудном ограничении, передаваемые
сигналы клиппируются или в более сложных случаях компандируются. Пик-фактор
таких сигналов меньше, чем у сигналов без ограничения, но уровень внеполосных
излучений и внутри символьной интерференции выше. В отличие от предыдущих
методов вероятностные методы снижения пик-фактора сигналов с OFDM не исключают
сигналы с большим пик-фактором, а снижают вероятность их появления. В вероятностных
методах для одного набора информационных символов формируется несколько
сигналов с OFDM и выбирается тот, у которого пик-фактор наименьший. При этом
необходимо передавать служебную информацию о сделанном выборе.
Методы, основанные на блочном кодировании, позволяют решить задачу
построения сигналов с OFDM с относительно низким пик-фактором, высокой
скоростью кодирования и умеренной сложностью алгоритмов. Именно этот способ и
рассматривается в настоящей работе.
Основная идея кодирования для снижения пик-фактора заключается в том,
чтобы, вводя относительно небольшую избыточность в передаваемое сообщение,
отобразить все множество входных комбинаций во множество слов с пик-фактором,
не превышающим заданный.
На основе численного моделирования и аналитических расчетов показано, что
при выбранных способе модуляции и количестве поднесущих множество всех
возможных сигналов с OFDM можно структурировать, т. е. разбить на подмножества
с одинаковым пик-фактором. Причем вероятность появления сигналов с высоким значением
пик-фактора относительно невелика.
На этапе анализа сигналов с OFDM определяются возможные значения
пик-фактора и количество сигналов с пик-фактором, не превышающим заданный, и на
основе этих данных формулируются требования к коду по вводимой избыточности.
Например, если только четверть всех кодовых слов обладает пик-фактором, не
превышающим заданный, то для построения кода потребуется избыточность в два
бита, причем лучшего кода (с избыточностью в один бит) не существует. Будем
называть такие коды оптимальными по критерию наибольшего снижения пик-фактора.
На этапе синтеза требуется найти закономерность, на основе которой входные
сообщения можно будет отображать в выходные.
Для сигналов с OFDM c КАМ-16 и 4 поднесущими, рассмотренных в [1], только
четверть всех сигналов обладает пик-фактором не выше 2. Оптимальным по критерию
наибольшего снижения пик-фактора будет такой код, который 214 входных сообщений
отобразит в 216/4 = 214 выходных, взятых из четверти всех сигналов с OFDM с
пик-фактором не выше 2. Избыточность такого кода будет равна 0,125.
Предположим, что после этапа анализа и определения минимальной
избыточности, которой должен обладать код для выполнения требований по снижению
пик-фактора, допускается введение дополнительной избыточности. Например, в
случае, когда четверть всех слов обладает пик-фактором, не превышающим
заданный, в качестве избыточных возможно использовать не два, а три и более
бита. Код с избыточностью, большей минимально необходимой, будем называть
подоптимальным. Такой код будет использовать не все слова с минимально
возможным пик-фактором, в отличие от оптимального.
2. ОБОСНОВАНИЕ И АНАЛИЗ СПОСОБОВ СНИЖЕНИЯ ПИК-ФАКТОРА
ГРУППОВОГО СИГНАЛА В СИСТЕМАХ С КОДОВЫМ УПЛОТНЕНИЕМ КАНАЛОВ
2.1 Общие сведенья о системах связи с кодовым уплотнением
каналов
Анализ показал, что принципы параллельной передачи информации во многом
совпадают для тригонометрических и дискретных поднесущих колебаний, поэтому в
дальнейшем рассмотрим особенности решения рассматриваемой задачи снижения
пик-фактора группового сигнала в системах с кодовым уплотнением.
Проблемы развития теории сигналов приобрели чрезвычайную актуальность в
связи с бурным развитием как техники передачи в обработке информации, так и
целого ряда смежных направлений: вычислительной техники, техники
автоматического регулирования и управления, техники измерений. Столь
разнообразные приложения теории сигналов, как самостоятельного научного
направления обуславливают дальнейшее уточнение требований, предъявляемых к
сигналам как переносчикам информации в системах различного целевого назначения
и совершенствование математических моделей, наиболее полно отвечающих тем или
другим требованиям практики передачи и обработки информации.
В теории сигналов и ее предложениях большой интерес проявляется в системах
функций, отдельные разновидности которых (в частности, ортогональные полиномы
Чебышева, Лаггера, Лежандра и др.) сравнительно давно известны в математике.
Однако разобраться в огромном потоке информации по этим вопросам довольно
трудно вследствие малой доступности многих публикаций, так и недостаточной
обоснованности и противоречивости высказываний относительно характеристик и
возможностей ортогональных и квазиортогональных сигналов. Особенно
неблагоприятно, на наш взгляд, обстоит дело с ортогональными дискретными
функциями (Хаара, Радамахера, Уолша) и кодовыми последовательностями (Лежандра,
Якоби) [1],[2]. Тем не менее, ряд проблем, связанных с названными классами
ортогональных и квазиортогональных сигналов, остается до сих пор не освещенным
в общедоступной печати.
Основной причиной постоянно растущего интереса к ортогональным и
квазиортогональным сигналам является, по-видимому, возможность существующего
улучшения основных характеристик информационных систем (в частности, систем
передачи информации), использующих в качестве носителей информации
ортогональные функции. Проведенные исследования показывают, что система
ортогональных функций является по существу оптимальным ансамблем
сигналов-носителей информации. Практически это означает, что при использовании
ортогональных (или квазиортогональных) сигналов можно построить системы с
помехоустойчивостью и скоростью передачи информации, приближающимися к
предельно возможным значениям. В работе [3] например, показано, что в системах
связи, использующих ортогональные сигналы, скорость передачи информации может
быть сделана сколь угодно близкой к пределу Найквиста.
Существуют также системы связи с шумоподобными сигналами (ШПС), которые
известны четверть века. За это время их преимущества стали очевидными, а их
многие недостатки устранены. В настоящее время системы связи с ШПС получают все
более широкое распространение.
Системы связи с ШПС занимают особое место среди различных систем связи,
что объясняется их свойствами. Во-первых, они обладают высокой помехозащищенностью
при действии мощных помех. Во-вторых, обеспечивают кодовую адресацию большого
числа абонентов и их кодовое разделение при работе в общей полосе частот.
В-третьих, они обеспечивают совместимость приема информации с высокой
достоверностью и измерения параметров движения объекта с высокими точностями и
разрешающими способностями. Все эти свойства систем связи с шумоподобными
сигналами были известны давно, но, поскольку мощности помех были относительно
не высоки, а элементная база не позволяла реализовать устройства формирования и
обработки в приемлемых габаритах, то долгое время системы связи с шумоподобными
сигналами широкого развития не получали. К настоящему моменту положение резко
изменилось. Мощность помехи на входе приемника может на несколько порядков
превышать мощность полезного сигнала. Для обеспечения высокой
помехозащищенности при подобных помехах необходимо использовать шумоподобными
сигналами со сверхбольшими базами (десятки-сотни тысяч), ансамбли (системы)
сигналов должны состоять из десятков - сотен миллионов шумоподобными сигналами
со сверхбольшими базами. Следует отметить, что основы теории шумоподобными
сигналами со сверхбольшими базами сформировались только в последнее время [4].
В свою очередь реализация устройств формирования и обработки таких сигналов
становится возможной в ближайшем будущем благодаря бурному развитию
сверхбольших интегральных схем (СБИТ), специализированных микропроцессов (СМП),
приборов с поверхностными акустическими волнами (ПАВ), приборов с зарядной
связью (ПЗС). Все эти причины и вызвали новый период расцвета систем связи с
шумоподобными сигналами , в результате которого через некоторое время появятся
такие системы второго поколения.
Помимо применения в условиях воздействия мощных помех, системы связи с
ШПС начинают успешно конкурировать с широко распространенными системами связи с
частотной модуляцией с частотным разделением каналов, примененных для связи с
подвижными объектами. Создание малогабаритных устройств формирования и
обработки шумоподобными сигналами с базами 10…..10n позволит широко внедрить шумоподобными сигналами в системы
связи и управления подвижными объектами в крупных городах.
2.2
Классификация нелинейного уплотнения и разделения каналов
Обратимся теперь к нелинейным методам уплотнение и разделение каналов.
Хотя общей теории нелинейного уплотнение и разделение не создано, известно
довольно большое число таких методов.
Одним из простых нелинейных методов уплотнения и разделения каналов
является параметрическое уплотнение и разделение каналов. При этом методе
сообщения от уплотняемых источников модулируют независимые параметры одного и
того же переносчика. Например, если таким переносчиком является гармоническое
колебание, то посредством его амплитудной и угловой модуляции можно осуществить
передачу сообщений от двух уплотняемых таким образом источников. Разделение
каналов при этом также должно быть нелинейным, поскольку перед выделением
сообщения, передаваемого с помощью угловой модуляции, необходимо амплитудное
ограничение переносчика для устранения влияния другого уплотняемого канала,
т.е. для предотвращения появления между канальных помех.
Еще одну группу методов нелинейного разделения при нелинейном уплотнении
составляют методы разделения, приводимые к линейным. Например, имеется ансамбль
канальных сигналов, промодулированных сообщениями от уплотняемых источников и
обладающих тем свойством, что их логарифмы образуют ансамбль линейно
независимых сигналов. Пусть операция уплотнения состоит в перемножении
имеющихся канальных сигналов. Тогда при разделении, очевидно, можно
прологарифмировать полученный групповой сигнал, и таким образом привести задачу
разделения к известной задаче линейного разделения. После осуществления
линейного разделения потенцированием можно восстановить каждый из исходных канальных
сигналов.
Одним
из методов нелинейного разделения, используемого при линейном уплотнении,
является разделение по амплитуде. Поясним этот метод на примере разделения двух
промодулированных канальных сигналов, каждый из которых представляет собой периодическую
последовательность прямоугольных импульсов с амплитудой
и
соответственно,
причем
>
. Пусть
используется широтно-импульсная модуляция этих канальных сигналов сообщениями,
поступающими от уплотняемых источников и осуществляется линейное уплотнение
промодулированных канальных сигналов, в результате чего формируется линейный
групповой сигнал с амплитудой:

+
. (1)
Очевидно,
канальные сигналы при этом являются линейно зависимыми, но несмотря на это их
можно разделить. Для этого линейный групповой сигнал следует подать на
нелинейное устройство с релейной характеристикой, например, триггер, порог
срабатывания которого устанавливается равным
. На
выходе этого триггера в силу условия
>
будет выделен первый промодулированный канальный
сигнал, вычитанием которого из линейного группового сигнала можно выделить и
второй канальный сигнал. Очевидно, этот же принцип можно использовать и при
любом числе
, уплотняемых каналов, если амплитуды:
,
(2)
канальных сигналов удовлетворяют условиям:
>

>


(3)
Отметим,
что при всех рассмотренных выше типов нелинейных методов разделение уплотнение
каналов может быть как синхронным, так и асинхронным. Поскольку при нелинейном
уплотнении и разделении не требуется линейной независимости уплотняемых
канальных сигналов, то, очевидно, при одинаковых условиях синхронные нелинейные
методы уплотнения в общем случае не будут иметь преимущества перед асинхронными
по числу уплотняемых каналов, как это было при нелинейных методах.
Однако
имеются такие нелинейные методы, которые допускают только синхронное
уплотнение. К ним относится комбинационное уплотнение и разделение каналов.
Подобный метод используется для синхронного нелинейного уплотнения сообщений,
представленных в цифровой форме и состоит в следующем. Пусть сообщения,
поступающие на устройство уплотнения от
уплотняемых
источников, представлены символами
-ичного
кода
. Предположим, что символы, поступающие от каждого
источника имеют одинаковую длительность
и
одновременно по одному символу от каждого источника, поступают на устройство
уплотнения. Тогда, очевидно, совокупность символов, поступивших в данный момент
времени от
всех источников, можно рассматривать как комбинацию
без избыточного
-ичного блокового кода с блоковой длиной nс,
представленную в параллельной форме. Таким образом, уплотняемые источники можно
рассматривать как один групповой источник, выдающий на передачу блоковый код в
параллельной форме. Количество различных комбинаций такого кода будет,
очевидно, равно q
.
Операцию уплотнения каналов при этом можно рассматривать как операцию
преобразования поступающих комбинаций из параллельной формы в последовательную.
2.3 Особенности технической реализации нелинейного
кодового уплотнения
В
системе связи с мажоритарным способом получения группового сигнала рисунке 2
для передачи каждого информационного символа сообщения
-го канала используется функция Уолша
. Групповой сигнал образуется путем анализа
модулированных функций Уолша в течение тактового интервала времени и выбора
того двоичного символа, который чаще встречается на этом тактовом интервале.
Эти операции осуществляет мажоритарное устройство.
2…..N
Рисунок
2 - Функциональная схема системы связи с мажоритарным способом уплотнения
каналов
Восстановление
- го сообщения на приемном конце осуществляется путем
нахождения коэффициента корреляции между переданным сигналом и опорным сигналом
. Знак коэффициента показывает, какой их двух символов
был передан. Для приема сообщений можно использовать также согласованные
фильтры.
2.4
Исследование способов реализации ограничителя
Мажоритарный элемент, как известно может быть настроен тремя
возможными способами:
1) суммированием гармоничных сигналов;
2) суммированием импульсных (или
потенциальных) входных сигналов с использованием весовых резисторов и элемента,
имеющего пороговую характеристику;
3) с помощью логических элементов, на
которых реализуется мажоритарная операция на требуемое число входов.
параметронами, обрабатывают гармонические сигналы, информативным
параметром которых является начальная фаза. Параметроны, обладая высокой
надежностью и нагрузочной способностью, имеют сравнительно низкое
быстродействие, увеличение которого встречает технические трудности, связанные
с канализацией ВЧ сигналов. Кроме того, изготовление параметров интегральным
способом встречает технологические трудности. Поэтому параметроны при
реализации мажоритарных элементов не получили в настоящее время широкого
распространения.
Мажоритарные элементы, построенные по третьему способу, имеют высокую
надежность и быстродействие, технологичны при их изготовлении в виде
интегральных схем. Однако сложность их реализации резко растет с увеличением
числа входов. Поэтому данный способ построения мажоритарного элемента обычно не
используется, если число входов больше трех.
При числе входов, большем трех, обычно используют второй способ
построения мажоритарных элементов, который характеризуется простотой схемы и
экономичностью. В качестве элементов с пороговой характеристикой при этом
используют транзисторы или туннельные диоды. Сложность реализации мажоритарных
элементов, построенных по данному способу, практически не зависит от числа
входов. Подобные мажоритарные элементы технологичны при их изготовлении в виде
интегральных схем.
2.5 Анализ эффективности ограничения пик-фактора
группового сигнала в реальных условиях
2.5.1 Эффективность кодового уплотнения с жестким
ограничением группового сигнала
Совместное применение жесткого ограничителя группового сигнала и
линейного кодового уплотнения и разделения абонентов (нелинейного КР) в
основном рассматривалась помехоустойчивость относительно взаимных помех (так
называемые шумы нелинейного преобразования). В [5] работе был произведен учет
собственных шумов приемника. Полученные результаты позволяют достаточно просто
и наглядно сравнить нелинейное КР с линейным КР или ЧР.
x (t) y (t)

Рисунок
3- Синхронная адресная система связи с жестким ограничителем группового
сигнала.
На
рисунке 3- представлена структурная схема синхронной адресной системы с
нелинейным КР, где показаны элементы, относящиеся к одному i- му
каналу. Информация от источника в виде двоичных единиц
поступает на модулятор. На второй вход модулятора
поступает опорный сигнал. В качестве опорного сигнала можно взять
видеочастотный дискретный фазоманипулированный сигнал. Он описывается кодовой
последовательностью
, состоящей из N символов
. С выхода перемножителя снимается кодовая
последовательность
, символы которой
.
Очевидно, что
.
На
выходе устройства уплотнения (УУ) имеем групповой сигнал Uгр. равный сумме канальных
сигналов. Предполагаем, что все сигналы синхронны (это обеспечивается
синхронизатором С1). Поэтому элементы группового сигнала имеют ту же
длительность, что и элементы канальных сигналов. Амплитуда элементов группового
сигнала
(4)
Слагаемое
выделено потому, что при передаче символа
знак этого слагаемого имеет значение для определения
самого символа
, в то время, как сумму можно считать случайной
величиной.
В
ограничителе производится предельное или жесткое ограничение группового
сигнала. Амплитуда элемента на выходе ограничителя определяется согласно
известному правилу
(5)
Кодовая
последовательность
. На входе канала- сигнал x(t), состоящий из
прямоугольных импульсов длительностью T/N и с
амплитудами
, на выходе канала - колебание y (t) =
(
-
мощность сигнала на входе приемника, n(t)- гауссовский
стационарный случайный процесс с нулевым и с равномерной спектральной
плотностью мощности
).
В
качестве оптимального демодулятора взят коррелятор, состоящий из перемножителя
(Х), интегратора (И) и решающего устройства (РУ). Ритмом работы коррелятора
управляет синхронизатор С2.На структурной схеме рисунке- 2 показан только j - й
демодулятор.
На
один из входов перемножителя поступает колебание y (t),
на другой - опорный дискретный фазоманипулированный сигнал с кодовой
последовательностью
. Положим, что опорные сигналы и соответственно
кодовые последовательности синхронны. Допустим, что передача двоичных символов
осуществляется противоположными сигналами. При этом решающее устройство
является пороговым с нулевым порогом.
Положим,
что априорные вероятности появления символов
равны
0,5. Напряжение на выходе интегратора
(6)
где
- опорный сигнал с кодовой последовательностью
. Заменяя y(t) на
- и обозначая
(7)
Получаем
(8)
Величина
является случайной, так как и
и
-
случайны. Первая из-за - жесткого ограничителя группового сигнала, вторая -
из-за действия шума. Можно показать, что среднее значение и дисперсия величины
, определяемой ограничителем группового сигнала,
равны:
(9)
(10)
Видно,
что среднее значение случайной величины d уменьшается
как
, а среднеквадратическое значение - как
. Их отношение тем больше, чем больше
, т.е. чем больше отношение базы сигнала к числу
мешающих абонентов.
(11)
В
работе [6] было предположено, что случайная величина d является
гауссовской, поэтому она полностью характеризуется своими средним значением и
дисперсией. Перейдем к определению статистических характеристик и функции
распределения случайной величины n.
Так
как по предложению n(t) - случайный гауссовский процесс с нулевым средним и
с равномерной плотностью мощности
, то
- гауссовская случайная величина, а ее среднее
значение и дисперсия соответственно:
(12)
Так
как
является суммой двух гауссовский случайных величин
и
, то она
сама есть гауссовская случайная величина. Ее среднее значение согласно (11),
(12)
(13)
а
дисперсия согласно (11), (13)
(14)
Вероятность
ошибки
(15)
где
отношение сигнал/помеха на входе решающего устройства при нелинейном КР
(16)
отношение
сигнала/шум на входе приемника, а
- энергия
группового сигнала на его входе. Напомним, что
- число
элементов в сигнале, и можно полагать что
- базе
сигнала [7].
При
из (16) получаем
(17)
а
при
(18)
Формулы
(17), (18) позволяют найти отношение сигнала - помеха в САС при жестком
ограничении группового сигнала. Отметим, что потери из-за жесткого ограничения
равны 2/p, т.е. примерно 2дБ.
2.5.2 Эффективность кодового уплотнения с мягким
ограничением пик-фактора группового сигнала
Положим,
что мажоритарный элемент реализуется по второму из указанных способов, т.е.
линейным суммированием промодулированных канальных сигналов, в результате чего
формируется линейный групповой сигнал с последующим жестким ограничением
(клиппированием) этого сигнала. Пусть амплитуда каждого символа канального сигнала
равна
и канальные сигналы являются двоичными ортогональными
функциями (функциями Уолша). Если уплотненные источники независимы и априорные
вероятности появления на выходе любого уплотняемого источника информационных символов
«0» и «1» одинаковы, то деление амплитуд линейного группового сигнала будет
биномиальным [8]. При числе уплотняемых источников
биноминальное распределение можно аппроксимировать
нормальным, имеющим при сделанных предложениях нулевое математическое ожидание
и дисперсию:
(19)
Линейный
групповой сигнал в мажоритарном элементе подвергается жесткому ограничению.
Положим, сначала, что амплитудная характеристика ограничителя линейна в
пределах
, а при
представляет
собой идеальный ограничитель, рисунок 4.
Рисунок 4 - Амплитудная характеристика ограничителя.
Если
значение линейного группового сигнала превышает пределы линейного участка
амплитудной характеристика ограничителя, то линейный групповой сигнал
ограничивается, что эквивалентно добавлению к линейному групповому сигналу, не
претерпевшему ограничения соответствующего импульса помехи
. Среднеквадратическое значение этой помехи будет
равно:
, (20)
где
=
-
мгновенное значение напряжения помехи:
-
напряжение линейного сигнала;
-
плотность распределения помехи
, которая
также является нормальной в силу того, что помеха получена ограничителем
линейного группового сигнала, имеющего нормальное распределение. С учетом этого
получим:
(21)
Обозначим
. Тогда интеграл приводится к табличному
(22)
где
- интеграл вероятности.
Помеху
удобно привести к эквивалентному белому шуму, для
вычисления спектральной плотности который используем ту же методику, которая
используется при статистическом анализе перекрестных помех в системах передачи
информации с частотным разделением каналов. Вычислим среднюю длительность
импульса помехи
и будем считать, что ширина частотного спектра
помехи
равна
обратной величине средней длительности импульса помехи и спектральная плотность
помехи в полосе
равномерна.
Поскольку
линейный групповой сигнал имеет нормальное распределение, то средняя
длительность
импульса помехи будет равна средней длительности
выброса нормального случайного процесса за нормированный уровень
. Как известно из теории выбросов средняя длительность
такого выброса равна
(23)
где
- значение второй производной корреляционной функции
случайного процесса (т.е. линейного группового
сигнала) при
=0.
Энергетические
спектры двоичных ортогональных канальных сигналов (функций Уолша), как известно
из [9] работы сдвинуты относительно друг друга в общей занимаемой или полосе
частот, имеющей ширину:
(24)
где
- длительность одного символа канального сигнала;
- общая
скорость передачи информации в системе;
- скорость
передачи информации по одному каналу;
Т
- длительность канального сигнала.
Поэтому
спектральную плотность линейного группового сигнала при
можно считать равномерной в полосе
, тогда:
С
учетом этого, средняя длительность выброса нормального процесса за
нормированный уровень Н:
, (26)
Спектральная
плотность
помехи
(27)
Полученное
выражение дает спектральную плотность мощности помех, возникающих вследствие
линейного группового сигнала при произвольном уровне ограничения. В случае
мажоритарного уплотнения нормированный уровень ограничения:
(28)
При
, т.е. при
, имеем
приближенно:
(29)
С
учетом этого для случая мажоритарного уплотнения спектральная плотность
запишется:
(30)
Таким
образом, мажоритарное уплотнение каналов можно рассматривать как идеальное
линейное уплотнение, осуществляемое в присутствии аддитивного белого
гауссовского шума со спектральной плотностью
. В
работе [10] было предложено этот шум трактовать как междуканальную перекрестную
помеху, возникающую вследствие нелинейности группового тракта системы передачи
информации. Предположим, что кроме указанных междуканальных помех в канале
связи при мажоритарном уплотнении действует белый аддитивный гауссовский шум со
спектральной плотностью
. Поскольку междуканальные помехи в шум,
присутствующий в канале, независимы, то для вероятности ошибки на один
информационный символ при разделении каналов имеем:
(31)
где
- энергия принимаемого канального сигнала. Полученное
выражение связывает базу n канальных сигналов с допустимой при разделении
вероятностью ошибки на информационный символ.
Положим,
что шум в канале связи отсутствует, т.е.
= 0.
Тогда:
(32)
Отсюда
получаем, что требуемая база канальных сигналов связана с допустимой
вероятностью ошибки на информационный символ соотношением:

(33)
Полученное
выражение дает значение базы канальных сигналов, для которой при мажоритарном
уплотнении обеспечивается разделение каналов с заданной вероятностью. При
фиксированной вероятности ошибки на информационный символ, требуемая база
линейно зависит от числа уплотненных каналов
. В частности, из этого выражения получаем, что
при
и
при
.
Интересно
отметить, что канальные сигналы при этом не являются линейно независимыми, так
как при блоковой длине n число линейно независимых ортогональных двоичных
равно
. Поэтому линейное разделение каналов при мажоритарном
уплотнении происходит с конечной вероятностью ошибки при отсутствии помех в
канале связи. Полученные соотношения также показывают, что допустив конечную
вероятность ошибки при разделении каналов (а на практике ошибки всегда будут
возникать с определенной вероятностью вследствие шумов в канале связи),
необходимую базу канальных сигналов при большом числе каналов можно существенно
сократить, а следовательно, уменьшить избыточность получаемого кода.
3.
ПРИНЦИПЫ СУММИРОВАНИЯ МОЩНОСТЕЙ СИГНАЛОВ
3.1
Обоснование необходимости суммирования мощности сигналов
Требуемая мощность радиопередатчиков современных радиотехнических систем
в некоторых случаях на три-пять порядков превышает максимальную мощность,
генерируемую электронными приборами. Этот разрыв между мощностью
радиопередатчика и мощностью единичного генератора стал особенно ощутим при
переходе от электровакуумных приборов к полупроводниковым.
Мощность электровакуумных приборов в непрерывном режиме работы достигает
десятков киловатт, в импульсном - мегаватт. Максимальная мощность
полупроводниковых приборов значительно ниже. Причем их мощность ограничена
причинами даже не технологического, а физического характера: максимально
допустимым значением напряженности электрического поля с целью исключения
пробоя р-п перехода и максимально возможной температурой
полупроводниковой структуры. Более того, с увеличением частоты сигнала мощность
транзистора снижается по закону, близкому к [1/f2], и составляет всего несколько ватт при частоте
сигнала 5...6 ГГц. Вместе с тем требуемая мощность СВЧ радиопередатчиков в
непрерывном режиме работы достигает нескольких киловатт. Но даже и в СВЧ
радиопередатчиках мощностью в несколько десятков ватт мощность
полупроводникового прибора во многих случаях оказывается меньше в несколько
раз.
Итак, в связи с практически повсеместным переходом от ламповых к
полупроводниковым радиопередатчикам проблема суммирования мощностей сигналов
генераторов приобрела в радиотехнике весьма важное значение.
В данной дипломной работе предлагается использовать суммирование мощности
для снижения искажений группового сигнала при ограничении пик-фактора
группового сигнала путем параллельного усиления ограниченного по амплитуде ГС и
“отрезанной” части линейного ГС. В этом случае суммарный ГС будет излучаться в
эфир почти без искажений и с относительно высоким КПД усилителей мощности. При
этом, поскольку сложение мощностей сигналов является основной операцией данного
способа передачи сложного ГС, то рассмотрим эти вопросы подробнее.
3.2
Способы суммирования мощностей сигналов
Возможны три основных способа суммирования мощностей сигналов однотипных
генераторов:
- с помощью многополюсных схем-сумматоров;
- путем сложения сигналов в пространстве с помощью фазированной
антенной решетки;
- в общем резонаторе.
При первом способе к специальному многополюсному устройству подключается большое
число однотипных генераторов, мощность сигналов которых поступает в общий
выходной сигнал, связанный с нагрузкой (рисунок 5,а).
При втором способе сложение мощностей сигналов происходит в пространстве с
помощью устройства уплотнения (УУ), состоящей из большого числа определенным
образом ориентированных излучателей, каждый из которых возбуждается от
самостоятельного генератора (рисунок 5,б). Все сигналы, подводимые к
излучателям, идентичны, за исключением значений начальных фаз, связанных между
собой определенным законом. При этом возникает задача по стабилизации и
управлению фронтом фаз сигналов одинаковой структуры.
При третьем способе сигналы генераторов подводятся к общей колебательной системе
(в СВЧ диапазоне это объемный резонатор), в котором и происходит их сложение
(рисунок 5, в).
Практически первый способ позволяет увеличить мощность радиопередатчика
по отношению к мощности одного полупроводникового прибора на 15...20 дБ, второй
- на 30...40 дБ, третий - на 10... 13 дБ. Все способы позволяют существенно
повысить надежность радиопередатчика, поскольку отказ одного из генераторов
приводит только к некоторому снижению суммарной выходной мощности, и
устойчивость работы усилительного тракта, так как сумматоры улучшают развязку
между отдельными каскадами. Кроме того, при суммировании мощностей сигналов
улучшаются условия охлаждения мощных полупроводниковых приборов,
рассредоточиваемых на большой поверхности [11].
Рисунок 5 - Способы сложения мощностей радиосигналов
Поскольку проблема суммирования мощностей сигналов особенно актуальна в
СВЧ диапазоне, то применительно к нему и рассмотрим эту проблему.
3.3 Суммирование мощностей сигналов с помощью
многополюсной схемы
Многополюсный сумматор должен иметь N входов (обозначим их номера
с 1 по n) для подключения N однотипных
генераторов, один общий выход для подключения нагрузки (обозначим его как 0) и К
входов для подключения балластных нагрузок. Будем рассматривать эти
нагрузки как составную, обязательную часть сумматора и поэтому определим
последний как многополюсник с (п + 1) входами (рисунок 6).
Рисунок 6 - Многополюсник для сложения мощностей сигналов
Будем считать, что ко всем входам присоединяются фидерные линии с одним и
тем же волновым сопротивлением, равным стандартному значению р0 = 50
Ом.
Сумматор сигналов должен отвечать следующим требованиям:
-
мощность сигнала в нагрузке должна быть, за вычетом небольших потерь, равна
сумме номинальных мощностей отдельных генераторов, определяемых согласно
, где Ei;-Zi амплитуда и внутреннее комплексное сопротивление
источника возбуждения
· все входы сумматора должны быть
развязаны между собой или взаимно независимы;
· мощности отраженных сигналов по всем
входам должны быть равны 0;
· перечисленные свойства должны
сохраняться в требуемой полосе частот.
Второе требование означает, что сигнал от каждого генератора не должен
поступать в каналы, к которым подключены другие источники, и, следовательно,
влиять на их работу. Изменения в режиме работы любого генератора, включая
режимы холостого хода и короткого замыкания, не должны влиять на работу и мощность
всех других генераторов. Мощность последних должна по-прежнему оставаться
равной номинальному значению и поступать из сумматора в полезную или балластную
нагрузки.
Перечисленным требованиям отвечают следующие сумматоры:
· составленные из К ступеней
мостовых квадратурных устройств;
· составленные из К ступеней
устройств синфазного типа;
· типа «звезда».
Структурная схема сумматора 1-го вида на основе мостовых устройств
квадратурного типа (МУ) по сложению мощностей двух генераторов приведена на
рисунке 7 , четырех - на рисунке 8.
Рисунок 7 - Схема сложения двух генераторов
Схема на рисунке 7 называется генератором балансного типа (БН -
балластная нагрузка). Требуемые фазы сигналов на входе четырехканального сумматора
показаны на рисунке 8.
Рисунок 8 - Схема сложения мощностей четырех генераторов
Из рассмотрения схемы рисунка 8 следует, что в этом варианте сумматора
количество складываемых по мощности генераторов N = 2К, где К
- число ступеней мостовых устройств, количество которых при переходе от
одной ступени к другой удваивается. Требуемый сдвиг сигналов по фазе на входе
сумматоров можно получить с помощью фазовращателей дискретного типа.
Сумматор 2-го вида строится на основе устройств синфазного типа, в
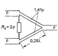
частности, шестиполюсника, топология которого приведена на рис.-17.10.
Шестиполюсник состоит из двух отрезков линий длиной по 0,25А. и балластной
нагрузки сопротивлением 2р. Значения волновых сопротивлений линий показаны на рисунке
9.
Рисунок 9 - Схема сумматора двух сигналов на основе устройств синфазного
типа
Структурная схема сумматора 2-го вида на основе шестиполюсников по
сложению мощностей четырех генераторов приведена на рисунке 10. Здесь ко всем
входам сумматора сигналы подводятся с одинаковыми фазами.
Рисунок 10 - Структурная схема сумматора 2-го вида на основе
шестиполюсников по сложению мощностей четырех генераторов
Структурная схема сумматора 3-го вида, построенного по схема «звезда», по
сложению мощностей четырех генераторов приведена на рисунке 11. Здесь ко всем
входам сумматора сигналы, как и в предыдущем случае, подводятся с равными
фазами.
При волновом сопротивлении внешних линий передачи р и сопротивлении
нагрузки Rн = ρ следует иметь сопротивление
балластной нагрузки Rб = ρ, волновое сопротивление отрезков линий сумматора длиной по
0,25λ,Д составляет ρл = p√N [12] .
Рисунок 11 - Структурная схема сумматора 3-го вида, построенного по схема
«звезда», по сложению мощностей четырех генераторов
Следует отметить, что разбаланс амплитуд и фаз суммируемых сигналов в
рассмотренных схемах приводит к ощутимым потерям, поскольку часть мощности от
генераторов вместо полезной нагрузки начинает поступать в балластные нагрузки.
Поэтому при суммировании сигналов необходимо с определенной точностью
стабилизировать фронт амплитуд и фаз сигналов, в том числе с помощью устройств
автоматического регулирования. Особенно ощутимы потери при выходе из строя
усилителей. Так, например, в случае суммирования двух усилителей при отказе
одного из них мощность в полезной нагрузке уменьшается в четыре раза по
сравнению с нормальным режимом работы, т.е. с 2Р1 до 0,5Р1,
где Р1 - мощность одного транзистора. Другая часть
мощности работоспособного усилителя в 0,5Р1 начинает
рассеиваться в балластной нагрузке.
При суммарной мощности сигналов до нескольких десятков ватт сумматоры
изготавливаются на основе микрополосковых линий. При большем значении мощности
используются двухпроводные и коаксиальные линии, а в сантиметровом диапазоне
волн волноводы. Сумматор является устройством взаимного типа. Поэтому при
подаче сигнала на общий вход 0 (рис. 11) схема становится делителем мощности
сигнала на N каналов.
3.5 Суммирование мощностей сигналов с помощью
фазированной антенной решетки
Определенное число идентичных и одинаково ориентированных излучателей -
электрических и щелевых вибраторов, рупорных, диэлектрических, спиральных и
других типов антенн - составляют многоэлементную антенную решетку.
Управление диаграммой направленности такой антенной решетки
осуществляется путем изменения фаз сигналов, подводимых к отдельным
излучателям, что предопределяет ее название - фазированная антенная решетка (сокращенно
- ФАР). Мощность сигнала, излучаемая ФАР в телесном угле главного лепестка
диаграммы направленности, равна сумме мощностей всех генераторов, возбуждающих
отдельные излучатели, за вычетом излучения по боковым лепесткам. Это позволяет
рассматривать ФАР как устройство суммирования мощностей большого, до нескольких
тысяч, количества источников сигнала.
В зависимости от расположения излучателей ФАР подразделяются на линейные,
плоские и цилиндрические. Рассмотрим линейную ФАР, у которой излучатели располагаются
вдоль прямой линии (рисунок 12).
Рисунок 12 - Схема линейной ФАР
Ко всем излучателям подводятся сигналы одинаковой структуры, равной
амплитуды, но с разными начальными фазами. Пусть разность начальных фаз сигналов
между двумя соседними излучателями есть Δφ (дискрет фазы). При этом к i -му излучателю подводится сигнал, сдвинутый по фазе
относительно 1 -го на φi = i
*Δφ (рисунок 13).
Рисунок 13 - Принцип сложения мощностей при помощи линейной ФАР
В результате от этих излучателей возникает разность хода лучей
Li = i b sinθo (34)
где b- расстояние между двумя соседними излучателями, θo - угол, отсчитываемый от нормали к
решетке и определяющий направление главного лепестка диаграммы направленности
(рисунок 13).
Угол θo определяется из условия компенсации разности хода лучей за
счет разности фаз сигналов, подводимых к излучателям. С учетом (35) запишем
(2π/λ)Li - φi = 0 (35)
Из последнего равенства для угла главного лепестка диаграммы
направленности (рис. 13) получим
θo = arcsin(Δφ
λ /2πb). (36)
Согласно (36), управляя величиной дискрета фазы Δφ, можно изменять направление главного лепестка диаграммы
направленности θ0,т.е. производить электронное сканирование лучом
антенны.
Диаграмма направленности ФАР при N излучателях определяется
выражением
Е(θ)
= sin(0,5Nβ)/sin(0,5β) , (37)
где β = (2πb/λ)(sin θ -sin
θ 0).
Диаграмма, построенная при N = 16 и θo = 0, показана на рисунке 14.
Рисунок 14 - Диаграмма направленности ФАР при 16 излучателях
Укрупненная структура радиопередающего устройства с ФАР приведена на
рисунке 15.
Рисунок 15 - Структура радиопередающего устройства с ФАР
В качестве N-канального
делителя могут использоваться схемы сумматоров, которые являются устройствами
взаимного типа. В блоке фазовращателей применяются фазовращатели дискретного
типа -диодные или ферритовые. Устройство одного из них показано на рисунке 16.
Рисунок 16 - Блок фазовращателей на основе фазовращателей дискретного
типа
С помощью электронного переключателя на основе p-i-n-диода меняется длина линии, подключенной к
циркулятору, что изменяет фазу сигнала на величину Δφ = 4πL/λд, где λд - длина волны в линии.
Путем перестройки фазовращателей, включенных в каждый из СВЧ трактов,
питающих излучатели, осуществляется управление фронтом фаз сигналов вдоль
решетки, следствием чего является электронное сканирование лучом антенны.
Управление фазирующим устройством производится по программе с помощью
специализированного компьютера.
Блок усилителей включает СВЧ генераторы, возбуждающие каждый из N излучателей
антенной решетки.
К достоинствам ФАР следует отнести: возможность электронного сканирования
лучом антенны с высоким быстродействием путем переключения фазовращателей по
определенному алгоритму; сложение в пространстве мощностей большого числа
идентичных СВЧ генераторов, питающих отдельные излучатели; возможность
автоматизации процесса управления лучом антенны по программе с помощью
компьютера; высокую надежность при выходе из стоя отдельных генераторов,
поскольку в целом система остается работоспособной; слабую связь между
отдельными излучателями, что позволяет обеспечить хорошую развязку (до 30 дБ и
выше) между питающими их генераторами.
При плоской ФАР без ощутимого снижения ее параметров общий сектор обзора
составляет ± 60°. Для управления лучом в двух ортогональных направлениях
применяют двумерную плоскую ФАР [13]. При необходимости расширения сектора
обзора до 360° используют цилиндрическую ФАР, в которой производится
поочередное подключение групп излучателей.
4. ОЦЕНКА ЭФФЕКТИВНОСТИ ИССЛЕДУЕМОГО УСТРОЙСТВА
4.1 Классификация
радиопередатчиков
Радиопередающими устройствами (более коротко - радиопередатчиками)
называются радиотехнические аппараты, служащие для^ генерирования, усиления по
мощности и модуляции высокочастотных (ВЧ) и сверхвысокочастотных (СВЧ)
колебаний, подводимых к антенне и излучаемых в пространство. Передача
информации с помощью радиопередатчиков осуществляется в рамках определенной
радиотехнической системы.
Три функции - генерация, усиление и модуляция - объединяются общим
понятием: формирование сигнала, под которым понимают колебание, несущее
информацию. Как указывалось выше, такой электромагнитный сигнал, излученный в
пространство, называется радиосигналом.
В технологическом плане радиопередающие устройства представляют собой
сборки из микросхем, транзисторов, диодов, электровакуумных приборов,
конденсаторов, трансформаторов и множества иных элементов, соединенных между
собой согласно определенной электрической схеме. Наиболее совершенные
конструкции полностью состоят из полупроводниковых гибридных и интегральных
микросхем.
Радиопередатчики классифицируют по пяти основным признакам: назначению,
объекту использования, диапазону частот, мощности и виду излучения.
Назначение радиопередатчика определяется радиотехнической системой, в
которой он используется, и связано с видом передаваемой информации. В этой
связи различают радиосвязные, радиовещательные, телевизионные,
радиолокационные, радиотелеметрические, радионавигационные, для радиоуправления
и другие типы радиопередатчиков.
Объект использования определяется местом установки радиопередатчика, что
влияет на условия его эксплуатации. По этому признаку различают наземные
стационарные, самолетные, спутниковые, корабельные, носимые, мобильные
радиопередатчики, т.е. устанавливаемые на автомобилях, железнодорожном
транспорте и иных наземных передвижных объектах.
По диапазону частот радиопередатчики различаются в соответствии с
принятым делением радиочастотного диапазона: сверхдлинноволновые,
длинноволновые, средневолновые, коротковолновые, ультракоротковолновые,
метровые, дециметровые, сантиметровые, миллиметровые. Передатчики шести первых
диапазонов объединяются общим названием - высокочастотные (ВЧ), трех последних
- сверхвысокочастотные (СВЧ). Таким образом, границей между радиопередатчиками
ВЧ и СВЧ диапазонов является частота 300 МГц. При частоте менее 300 МГц
передатчик относится к ВЧ диапазону, выше - к СВЧ (см. табл. 2.1).
По мощности ВЧ или СВЧ сигнала, подводимого к антенне, радиопередатчики
различают по мощности излучения в непрерывном режиме: малой - до 10 Вт, средней
- от 10 до 500 Вт, большой -от 500 Вт до 10 кВт, сверхбольшой - выше 10 кВт.
По виду излучения передатчики различают на работающие в непрерывном и
импульсном режимах. В первом случае при передаче сообщения сигнал излучается
непрерывно, во втором - в виде импульсов.
Для характеристики типа радиопередатчика следует указать, к какому виду
он относится в каждом из пяти названных разрядов.
Пример 1. Радиосвязной радиопередатчик, самолетного типа, УКВ диапазона,
средней мощности, непрерывного излучения.
Пример 2. Радиолокационный радиопередатчик, мобильный, сантиметрового
диапазона, сверхбольшой мощности, импульсного излучения.
Пример 3. Радиотелеметрический радиопередатчик, спутниковый, малой
мощности, дециметрового диапазона, непрерывного излучения.
4.2
Обоснование структурной схема радиопередатчика
Радиопередатчик представляет собой сборку из отдельных каскадов и блоков,
каждый из которых функционирует и самостоятельно, и в сочетании с другими
частями всего устройства [14]. Поэтому рассмотрим вначале, какие каскады и
блоки могут входить в радиопередатчик и в чем состоит их назначение. К числу
каскадов относятся:
автогенератор или генератор с самовозбуждением, являющийся источником высокочастотных
(ВЧ) или сверхвысокочастотных (СВЧ) колебаний. В зависимости от метода
стабилизации частоты различают кварцевые и бескварцевые автогенераторы;
генератор с внешним или независимым возбуждением, являющийся усилителем ВЧ или СВЧ
сигнала по мощности. В зависимости от полосы пропускания различают узко- и
широкополосные генераторы;
умножитель частоты, служащий для умножения частоты колебаний;
преобразователь частоты, служащий для смещения частоты колебаний на требуемую
величину;
делитель частоты, служащий для деления частоты колебаний;
частотный модулятор, служащий для осуществления частотной модуляции;
фазовый модулятор, служащий для осуществления фазовой модуляции;
фильтры, служащие для пропускания сигнала только в определенной полосе частот.
Различают полосовые, низкочастотные, высокочастотные и режекторные фильтры;
сумматор (он же делитель) мощностей сигналов, служащий для суммирования мощностей
однотипных сигналов или деления сигнала по мощности в требуемое число раз;
мостовое устройство - разновидность сумматора при сложении мощностей двух
сигналов или деления в два раза мощности сигнала;
направленный ответвитель, служащий для отбора части мощности сигнала из
основного канала его распространения;
согласующее устройство, служащее для согласования выходного сопротивления
радиопередатчика с входным сопротивлением антенны;
аттенюатор, служащий для регулирования мощностью сигнала.
фазовращатель, служащий для управления фазой сигнала;
ферритовые однонаправленные устройства (циркуляторы и
вентили), служащие
для пропускания сигнала только в одном направлении; применяются, в основном, в
СВЧ диапазоне;
балластные сопротивления, служащие для рассеивания мощности;
разнообразные датчики, позволяющие измерять параметры сигнала.
К числу основных блоков, составляемых из каскадов, относятся:
блок усиления ВЧ или СВЧ сигнала по мощности, составляемый из последовательно
включенных генераторов с внешним возбуждением;
блок умножителей частоты, служащий для увеличения коэффициента умножения;
синтезатор частот, служащий для образования дискретного множества частот;
возбудитель, включающий в свой состав синтезатор частот и частотный или
фазовый модуляторы;
амплитудный модулятор, служащий для осуществления амплитудной модуляции;
импульсный модулятор, служащий для осуществления импульсной модуляции;
антенно-фидерное устройство, соединяющее выход радиопередатчика с
антенной и включающее фильтр, направленный ответвитель, ферритовое
однонаправленное и согласующее устройства;
Разнообразные типы радиопередатчиков строятся как комбинация
соответствующих каскадов и блоков. Обобщенная структурная схема
радиопередатчика представлена на рисунке 17. Рассмотрим ее работу и расчет.
Рисунок 17 - Структурная схема радиопередатчика
Возбудитель служит для формирования сетки рабочих частот с требуемой
стабильностью. При небольшом числе рабочих частот возбудитель строится по
принципу «кварц-волна», что означает: каждой из частот соответствует свой
кварцевый автогенератор. Переход с одной частоты на другую осуществляется с
помощью электронного коммутатора.
При большом числе частот возбудитель представляет собой цифровой
синтезатор частот, в состав которого входит опорный кварцевый автогенератор,
делитель с переменным коэффициентом деления (ДПКД) и устройство автоматической
подстройки частоты. Такой синтезатор может быть построен на основе большой
интегральной схемы (БИС).
Частота кварцевых автогенераторов обычно не превышает 100 МГц. Поэтому
при частоте передатчика больше этой величины в схему включаются умножители
частоты, повышающие частоту сигнала в необходимое число раз.
Получение требуемой выходной мощности радиопередатчика осуществляется с
помощью блока усиления мощности - последовательно (каскадно) включенных ВЧ или
СВЧ генераторов с внешним возбуждением. При выходной мощности передатчика,
превышающей мощность одного электронного прибора, в выходном каскаде
осуществляется суммирование мощностей генераторов.
Между выходным каскадом радиопередатчика и антенной включается
антенно-фидерное устройство (АФУ). В состав АФУ входят фильтр для подавления
побочных излучений радиопередатчика, датчики падающей и отраженной волны и
согласующее устройство. При работе в СВЧ диапазоне вместо последнего обычно
применяется ферритовое однонаправленное устройство - вентиль или цир-кулятор.
Частотная модуляция осуществляется в возбудителе радиопередатчика,
фазовая - в возбудителе или ВЧ умножителях и усилителях, амплитудная и
импульсная - в ВЧ усилителях.
С помощью блока автоматического управления осуществляется автоматическая
стабилизация параметров радиопередатчика (в первую очередь, мощности и
температурного режима), защита при нарушении нормальных условий эксплуатации
(например, при обрыве антенны) и управление (включение/выключение, перестройка
по частоте).
4.3 Методика и примеры расчета основных параметров
передатчика
При составлении и расчете структурной схемы транзисторного
радиопередатчика исходят из его назначения, условий работы и следующих основных
параметров: РА - выходной мощности, подводимой к антенне,
диапазона рабочих частот, стабильности частоты, вида модуляции и характеристик
модулирующего сигнала.
Общий коэффициент усиления сигнала по мощности радиопередатчика
КР = PА/ KАФРвозб
(38)
где РА - мощность сигнала, поступающего в антенну; Рвозб
- мощность сигнала возбудителя (обычно, Рвозб < 20
мВт); КАф < 1 - коэффициент передачи АФУ.
Тот же параметр, выраженный в децибелах относительно мощности в 1 Вт:
КР = 10lgPA - 10lqРвозб - 10lqКАФ , (39)
где РА, РВозб - мощность, [Вт].
Общий коэффициент усиления сигнала по мощности радиопередатчика есть
произведение коэффициентов усиления отдельных каскадов. Выбрав тип электронного
прибора в каждом из каскадов и определив по справочнику или рассчитав значения
коэффициентов усиления этих приборов, можно составить структурную схему
проектируемого радиопередатчика.
К основным параметрам радиопередатчика, характеризующим его технические
показатели, относятся следующие параметры.
Диапазон частот несущих колебаний f1….fN.
Количество частот N внутри этого диапазона. В самом простом случае
радиопередатчик может быть одночастотным и тогда N = 1.
Шаг сетки рабочих частот Δfш, в заданном диапазоне, определяемый согласно
выражению
Δfш = (fN -
f1) /(N-1). (40)
где N >2.
Радиопередатчик может работать на любой из фиксированных частот внутри
диапазона (рисунок 18). Например, радиопередатчик системы УКВ самолетной
радиосвязи работает в диапазоне частот 118... 136 МГц при шаге Δfш,= 25 кГц, общее количество частот N = 721.
Рисунок 18 - Сетка рабочих частот передатчика
Недопустимо излучение радиопередатчика не только вне закрепленного за ним
диапазона частот, но и на частоте;, отличной от фиксированной сетки частот,
например, между частотами f2 и f3.
Нестабильность частоты несущих колебаний. Различают абсолютную и
относительную нестабильность частоты, долговременную и кратковременную.
Абсолютной нестабильностью частоты называется отклонение частоты f излучаемого радиопередатчиком
сигнала от номинального значения частоты fном- Например, номинальное значение
частоты равно fном = 120МГц, а фактически радиопередатчик излучает сигнал
частотой f= 119,9994 МГц. Следовательно,
абсолютная нестабильность частоты составит
Δfнест= fном - f = 120 -119,9994 МГц = 0,0006 МГц = 0,6 кГц.
Относительной нестабильностью частоты называется отношение абсолютной
нестабильности частоты к ее номинальному значению
Δf =
Δfнест/ fном. (41)
В рассмотренном примере относительная нестабильность
Δf = 0,0006/120 = 0,000005 = 5-10"6
(42)
В современных радиопередатчиках относительная нестабильность частоты
обычно не превышает (2...3) 10-6. Но в некоторых случаях, например,
в системах радионавигации, к этому параметру предъявляются еще более жесткие
требования: в них следует иметь Δf < 10-9
Выделенная полоса частот излучения Δfвыд. При любом виде модуляции -
амплитудной, частотной, фазовой и импульсной - спектр сигнала становится или линейчатым
(рисунок 19,а), или сплошным (рисунок 19,б), занимая определенную полосу частот
Δfсп.
Рисунок 19 - Виды спектра излучаемых сигналов
Для этого спектра выделяется определенная полоса частот Δfвыд - При этом следует соблюдать неравенство Δfсп < Δfвыд т.е. спектр сигнала должен
укладываться в выделенную для него полосу. В противном случае излучения одного
радиопередатчика могут мешать излучениям других радиопередатчиков, проникая в
выделенные для них полосы.
Выходная мощность несущих колебаний Ра
- это активная мощность, поступающая из радиопередатчика в антенну.
Антенна имеет входное комплексное сопротивление ZA = RА +JХА.
Поэтому при измерении выходной мощности радиопередатчика антенна может быть
заменена эквивалентным сопротивлением ZЭKB = ZA. Мощность, рассеиваемая в активной
составляющей сопротивления RА, и есть выходная мощность
радиопередатчика РА, излучаемая антенной (рисунок 20,а).
Рисунок 20 - Способы определения выходной мощности передатчика
Мощность РА можно определить и вторым способом при
непосредственном подключении радиопередатчика к антенне. По связывающему их
фидеру распространяется две волны: в прямом направлении - падающая, в обратном
- отраженная от антенны (рисунок 20,б). При этом мощность радиопередатчика:
РА = Рпад -
Ротр,(43)
где Рпад - мощность падающей волны, Ротр -
мощность отраженной волны.
Суммарная мощность, потребляемая радиопередатчиком от источника или
блока питания по всем цепям, Р0общ
Коэффициент полезного действия или промышленный КПД, определяемый как отношение выходной
мощности радиопередатчика к потребляемой им мощности
η = Ра/РО общ (44)
Вид модуляции и определяющие его параметры. При амплитудной модуляции таким
параметром является коэффициент глубины модуляции т < 1, при
частотной - девиация частоты Δfдев„ при фазовой - девиация фазы Δφдев, при импульсной - длительность
импульса τи период их повторения Т.
Параметры передаваемого сообщения. Таким сообщением может быть речевая,
факсимильная, телевизионная, телеметрическая и другая разнообразная информация,
в том числе и считываемая с компьютера. Сообщение может передаваться в форме
аналогового или цифрового сигнала. При аналоговом сообщении основным
характеризующим его параметром является полоса частот спектра сигнала, при
цифровом - число бит в секунду.
Параметры, характеризующие допустимые искажения передаваемого
сообщения. В
результате процесса модуляции, т.е. наложения на несущие колебания исходного
сообщения, последнее претерпевает некоторые изменения или, иначе говоря,
искажается. В каждом конкретном случае устанавливается вид и норма на эти
искажения. Например, при передаче сообщения в виде синусоидального сигнала
таким параметром является коэффициент нелинейных искажений, определяющий
появление в исходном сигнале 2-й, 3-й и т.д. гармоник. При передаче импульсных
сигналов искажения можно характеризовать по изменению формы сигнала.
Побочные излучения радиопередатчика. В идеальном случае радиопередатчик
должен излучать только сигнал на частоте несущей и его спектр должен
укладываться в выделенную полосу частот (рисунок 21,а). Однако в силу
нескольких причин, основной из которых является нелинейный характер процессов,
протекающих в каскадах радиопередатчика, в спектре излучаемого им сигнала
появляются побочные составляющие (рисунок 22,б).
Рисунок 21 - Побочные излучения передатчика
Побочные излучения, лежащие за пределами, но вблизи выделенной полосы
частот, называются внеполосными. Кроме них радиопередатчик может излучать
гармоники, т.е. сигналы с частотой 2f0, 3f0 и
т.д., а также субгармоники, т.е. сигналы с более низкой частотой f0 /n. Кроме того, возможно излучение так называемых
«паразитных» колебаний, причиной возникновения которых является самовозбуждение
в усилительных каскадах радиопередатчика. Возникновение таких колебаний должно
быть практически исключено.
Поскольку полностью исключить побочные излучения нельзя, особенно в
мощных радиопередатчиках, то устанавливается норма на их величину или в
абсолютных единицах (т.е. указывается, что мощность такого-то побочного
излучения не должна быть больше N мВт), или в относительных единицах к
мощности основного, полезного излучения.
Обычно эта норма составляет не менее минус 60 дБ, т.е. по мощности побочное
колебание должно быть меньше мощности основного не менее чем 106 раз.
Кроме
того , важными являются
эксплуатационные параметры, такие как надежность, масса и габариты, а также
характеристики управления .
4.4 Оценка
эффективности исследуемого передатчика
Таким образом, КПД рассматриваемого устройства с параллельным усилением
мощности сигнала с большим пик-фактором можно в соответствии с предыдущим
пунктом определить как среднее значение КПД отдельных усилителей мощности
η = Ра/РО общ= a1 η1 + a2
η2, (45)
где a1,a2 - весовые коэффициенты, определяемые по формуле
ai =Pi /PA; (46)
Pi - мощность излучения i-го усилителя мощности, причем сумма мощностей
отдельных усилителей должна быть равна PA..
Из формулы видно, что КПД рассматриваемого ПРД будет в основном
определяться КПД первого усилителя, а он равен примерно 80-85%.
Сложность устройства при этом увеличится не менее чем в два раза, что
увеличит соответственно во столько же раз его габариты и массу.
Надежность устройства не снизится, так как второй передатчик можно
использовать как основной при выходе из строя основного ПРД.
ЗАКЛЮЧЕНИЕ
Таким образом, в дипломной работе рассмотрены достоинства и недостатки
параллельной передачи информации при помощи тригонометрических функций.
Показано, что реализация параллельной передачи возможна за счет прямого и
обратного преобразований Фурье. Однако повышение скорости передачи информации
сопровождается снижением эффективности передатчика системы передачи информации.
Одним из распространенных на практике способов повышения эффективности
усиления мощности сигнала передатчика OFDM является ограничение его амплитуды.
Однако при этом сигнал искажается, что приводит к снижению
помехоустойчивости системы по отношению сигнал-помехи примерно на π/2.
Проведен анализ путей повышения энергетической эффективности усилителей
мощности многочастотных сигналов, позволяющих устранить основной недостаток
рассматриваемых сигналов.
Рассмотрены различные варианты схем сложения мощности сигналов, чтобы
обеспечить эффективное усиление сложных составных сигналов с большим
пик-фактором.
Проведена оценка показателей исследуемого усторойства, что позволило
оценить эффективность рассматриваемого метода.
СПИСОК ИСПОЛЬЗОВАННЫХ ИСТОЧНИКОВ
Информационные технологии в радиотехнических системах:
Учебное пособие / В. А. Васин, И. Б. Власов, Ю. М. Егоров и др.; Под ред. И. Б.
Федорова. - М.: Изд-во МГТУ им Н. Э. Баумана, 2004. - 672 с.
Вишневский В. М. Энциклопедия WiMax.Путь к 4G / В. М. Вишневский, С. Л. Портной, И. В. Шахнович. - М.:
Техносфера, 2009. - 595 с.
Коганов В. И. Основы радиоэлектроники
и связи / В. И. Коганов, В. К. Битюков. - М.: Горячая линия-Телеком, 2007. -
542 с.
Варакин Л. Е. Теория систем сигналов. - М. Сов. Радио, 1978.
- 314 с.
Борисов Ю. П. Основы многоканальной передачи информации / Ю.
П. Борисов, П. И. Пенин. - М. Связь. 1967. - 439с.
Варакин Л .Е. Помехоустойчивость систем связи с шумоподобными
сигналами // Электросвязь. 1979, № 1. С.42 - 47.
Морозов В. А. Теория и методы обработки сигналов / В. А.
Морозов, Б. А. Хаджи // Радиотехника и электроника. 2002. Т. 47, №10. С.44-47.
Варакин Л. Е. Системы связи с шумоподобными сигналами. - М.:
Радио и связь, 1985. - 497с.
Бакулин М. Г. Повышение скорости передачи информациии и
спектральной эффективности беспроводных систем связи / М. Г. Бакулин, В. Б.
Крейнделин, А. П. Шумов // Цифровая обработка сигналов.- 2011.- №1. С. 2-12.
Громаков Ю. А. Оптимальная обработка радиосигналов большими
системами / Ю. А. Громаков, И. А. Голяницкий, В. А. Шевцов. - М.: Эко-Трендз,
2007. - 260 с.
Мартиросов В. Е. Теория и техника приема дискретных сигналов
ЦСПИ. - М.: Изд-во Радиотехника. 2012. - 138 с.
Немировский М. С. Цифровая передача информации. - М.: Связь,
2010.
Перов А. И. Статистическая теория радиотехнических систем.
Учеб. пособие для вузов. - М.: Радиотехника, 2011.
Тихвинский В. О. Сети мобильной связи LTE: технологии и
архитектура / В. О. Тихвинский, С. В. Терентьев, А. Б. Юрчук. - М.: Эко-Трендз,
2010. - 284 с.