Использование микроконтроллеров при проектировании цифрового вольтметра

  • Вид работы:
    Дипломная (ВКР)
  • Предмет:
    Информатика, ВТ, телекоммуникации
  • Язык:
    Русский
    ,
    Формат файла:
    MS Word
    269,36 Кб
  • Опубликовано:
    2013-06-17
Вы можете узнать стоимость помощи в написании студенческой работы.
Помощь в написании работы, которую точно примут!

Использование микроконтроллеров при проектировании цифрового вольтметра

Введение

Основной задачей при проектировании измерительных приборов было и остается достижение определенных метрологических характеристик. На разных этапах развития вычислительной техники эта задача решалась различными методами. Эти и технологические методы, сводились к совершенствованию технологии и конструктивные, и структурные. Структурные методы получили особое развитие при создании цифровых измерительных приборов. Улучшение метрологических характеристик и расширение функциональных возможностей приборов достигалось реализацией определенных структур, которые находятся в большинстве случаев эвристическим путем. Совершенствование элементной базы и большая интеграция цифровых схем привели к разработке структурно-алгоритмических методов, в которых усовершенствованные структуры сочетаются с реализацией вычислительных операций. Использование указанных методов позволило выполнять автоматическую коррекцию ряда производных измерений, сочетать различные методы преобразования формы информации и обеспечивать при этом высокое быстродействие и расширение функциональных возможностей приборов.

Последние годы отмечены массовым наполнением рынка всевозможной автоматизированной аппаратурой различного назначения и различной сложности.

Микроконтроллеры входят во все сферы жизнедеятельности человека, их насыщенность в нашем окружении растет ежегодно.

Широкой областью применения микроконтроллеров является измерительная техника. Появление первых микроконтроллерных измерительных приборов, так называемых "интеллектуальных" устройств, определило новое направление развития приборостроения.

По мере совершенствования микропроцессорной техники сложность таких приборов растет и это еще в большей степени реализуются возможности микроконтроллеров. Использование микроконтроллеров определило новый подход как к проектированию, так и к эксплуатации измерительных приборов.

Микроконтроллер (англ. microcontroller), или однокристальная микроЭВМ - выполнена в виде микросхемы специализированная микропроцессорная система, включающая процессор, блоки памяти для сохранения кода программ и данных, порты ввода-вывода и блоки со специальными функциями (счетчики, компараторы, АЦП и другие).

Используется микроконтроллер для управления электронными устройствами. По сути, это - однокристальный компьютер, способный выполнять простые задачи. Использование одной микросхемы значительно снижает размеры, энергопотребление и стоимость устройств, построенных на базе микроконтроллеров.

Микроконтроллеры можно встретить во многих современных приборах, таких как телефоны, стиральные машины, они отвечают за работу двигателей и систем торможения современных автомобилей, с их помощью создаются системы контроля и системы сбора информации. Подавляющее большинство процессоров, выпускаемых в мире - микроконтроллеры.

Измерение физических величин обычно осуществляется путем эксперимента и вычислений с помощью специальных технических средств. В зависимости от вида измеряемых величин, необходимой точности их, условий проведения эксперимента и вида необходимой информации используются различные средства измерительной техники, которые выдают соответствующие сигналы измерительной информации. Любая физическая измеряемая величина благодаря средствам измерения превращается в соответствующий сигнал, наблюдатель воспринимает непосредственно на шкале прибора, или после преобразования и обработки передается через каналы связи на другие средства измерения в виде сигнала совершенно другой физической величины.

Стремительный ход цифровых технологий привел к интенсивному использованию приборов с цифровой формой представления результатов измерений. Цифровые вольтметры прочно вошли в метрологии, что стало следствием таких их достоинств, как высокая точность и разрешение, широкий диапазон измерений, представление результатов измерений в цифровой форме (что сводит к минимуму ошибки и считывания показаний прибора на расстоянии), возможность получения результатов наблюдений в форме, удобной для ввода в компьютер, и возможность включения их в состав вычислительных комплексов.

Рассматриваемый в дипломном проекте электронной цифровой милливольтметр постоянного тока с светодиодным дисплеем является примером широкого применения микроконтроллеров. Благодаря тому, что микроконтроллер легко перепрограммировать, прибор можно усовершенствовать, изменив только программу.

Описываемая часть

Ремонт, наладка и регулирование любого радиоэлектронного устройства невозможны без радиоизмерительных приборов, среди которых вольтметр, амперметр и омметр.

Электронные вольтметры составляют наиболее многочисленную группу среди радиоизмерительных приборов. Эти вольтметры имеют большое сопротивление, как на низких, так и на высоких частотах, высокую чувствительность, потребляют малую мощность от измерительной цепи, пригодные для измерения средних выпрямительных, средних квадратических и максимальных значений переменных напряжений и импульсных сигналов длительностью, начиная с наносекунд.

Электронным вольтметром называется прибор, показания которого соответствуют величине измеряемого напряжения. Измеряемое напряжение поступает на входы высокоомных схем электронных приборов, благодаря чему входное сопротивление электронных вольтметров достигает весьма больших значений и они допускают значительные перегрузки.

Электронные вольтметры по роду измеряемого напряжения подразделяют на виды:

Вольтметры постоянного напряжения;

Вольтметры переменного напряжения;

Вольтметры импульсного напряжения;

Селективные вольтметры;

Универсальные вольтметры;

Измерители отношения напряжений и их разности.

Электронные вольтметры делятся на аналоговые и дискретные. В аналоговых вольтметрах измеряемое напряжение преобразуется в пропорциональное значение постоянного тока, измеряемое магнитоэлектрическим микроамперметром, шкала которого градуируется в единицах напряжения (вольты, милливольт, микровольт). В дискретных вольтметрах измеряемое напряжение подвергается ряду преобразований, в результате которых аналоговая измеряемая величина преобразуется в дискретный сигнал, значение которого отображается на индикаторном устройстве в виде цифр, светящиеся. Аналоговые и дискретные вольтметры часто называют стрелочными и цифровыми соответственно.

В настоящее время цифровые измерительные приборы применяются очень широко, поскольку имеют такой ряд преимуществ по сравнению с аналоговыми приборами - высокая точность и разрешение, широкий диапазон измерений, представление результатов измерений в цифровой форме.

К недостаткам использования цифровых вольтметров относят сложность схем и конструкции, высокой стоимости, малой надежности, поскольку использование высококачественных электронных приборов всегда требовало высокой точности и качества работы. По сути, эти недостатки являются ретроспективой данного вида измерительных приборов. Их можно отнести к разряду временных, поскольку уже в настоящее время они устраняются благодаря быстрому развитию микроэлектроники. И чем интенсивнее будет развиваться эта наука, тем эффективнее будет становиться использование всего семейства электронных измерительных приборов.

Принцип работы ГО состоит в преобразовании измерительной постоянной или напряжения, медленно меняется в электрический код, который отображается на табло в цифровой форме. Согласно этим обобщенная структурная схема цифрового вольтметра состоит из входного устройства (ВХП), аналого-цифрового преобразователя (АЦП) и цифрового индикатора (ЦИ).

Аналого-цифровые преобразователи предназначены для преобразования аналоговых сигналов в соответствующих им цифровые, то есть для преобразования сигналов с непрерывной шкале значений в сигналы, имеющие дискретную шкалу значений. А на отчетном экране отображается значение измеряемой величины в цифровой форме.

В измерительных вольтметрах используются, в основном, схемы интегрирующего АЦП, и проектируемый прибор не является исключением. В состав двухтактных интегрирующих АЦП обычно входят операционные усилители, компаратор напряжения, аналоговые ключи, источник опорного напряжения, двоично-десятичный счетчик, регистр дешифратор, генератор тактовых импульсов, выходные схемы управления.

Вольтметры переменного напряжения. Электронный вольтметр переменного напряжения состоит из преобразователя переменного напряжения в постоянное, усилителя и магнитоэлектрического индикатора. Часто на входе вольтметра устанавливается делитель напряжения, калибруется. с помощью которого увеличивается верхний предел измеряемого напряжения. В зависимости от вида преобразования показания вольтметра может быть пропорционально амплитудному, средневыпрямленному или среднестатистическому значению напряжения, которое измеряется.

При разработке электронных вольтметров учитываются следующие основные технические требования: высокая чувствительность; широкие пределы измеряемого напряжения; широкий диапазон рабочих частот, большой входное сопротивление и малая входная емкость; малая погрешность; известна зависимость показаний от формы кривой измеряемого напряжения.

Аналитический обзор

Наиболее удобными в эксплуатации приборами для измерения напряжения являются цифровые вольтметры. Они могут измерять как постоянные, так и переменные напряжения. Класс точности - до 0,001, диапазон - от единиц микровольт до нескольких киловольт. Современные микропроцессорные цифровые вольтметры оснащены клавиатурой и часто позволяют проводить измерения не только напряжения, но и тока, сопротивления и т.п., то есть являются многофункциональными измерительными приборами - тестерами (мультиметр или авометр).

Среди измерительных приборов цифровые вольтметры занимают особое место, так как они позволяют обеспечить автоматический выбор предела и полярности измеряемых напряжений; автоматическую коррекцию ошибок; малые погрешности измерения (0,01 - 0,001%) при широком диапазоне измеряемых напряжений (от 0,1 мкВ до 1000 В), выдачу результатов измерения в цифровом виде, документальную регистрацию, ввод измерительной информации в ЭВМ и сложные информационно-измерительные системы. Цифровой вольтметр по сравнению с аналоговым содержит аналогово-цифровой преобразователь (кодирующее устройство) (АЦП), устройство цифровой отсчета.

Цифровые вольтметры классифицируют по способу преобразования непрерывной величины в дискретную; структурной схемы АЦП; техническими средствами; способа компенсации.

По способу преобразования различают цифровые вольтметры с поразрядным кодированием и частотно-импульсными преобразованиями.

По способу структурной схемы АЦП цифровые вольтметры делятся на вольтметры прямого преобразования и уравновешивающего преобразования.

Под техническими средствами цифровые вольтметры делятся на электромеханические вольтметры и электронные вольтметры.

По способу в равновесие цифровые вольтметры делятся на вольтметры с следящей и разворачивающей в равновесие.

Основные параметры цифрового вольтметра

Точность преобразования определяется погрешностью квантования по уровню, что характеризуется количеством разрядов в исходном коде.

Погрешность цифрового вольтметра имеет две составляющие, одна из которых зависит от измеряемой величины (мультипликативная), а другая зависит (аддитивное). Такое представление связано с дискретным принципу измерения непрерывной величины, так как в процессе квантования возникает абсолютная погрешность, обусловленная конечным количеством уровней квантования. Абсолютная погрешность измерения напряжения:

ΔU = ± (yвидн Ux + m знаков), или ΔU = ± (yивидн Uкз + m знаков),

где, yвидн - относительная погрешность измерения; Ux-значение измеряемого напряжения; Uкз - конечное значение на выбранной предела измерения; m знаков - значение, определяет его единицей младшего разряда цифрового отсчетного устройства (аддитивная погрешность дискретности).

Основная допустимая относительная погрешность представляется и в другом виде:

yвидн = ± (a + bUкз / Ux),

где а и b - постоянные числа, характеризующие класс точности прибора. Первый член погрешности не зависит от показаний прибора, а второй увеличивается при уменьшении Ux, по гиперболическому закону.

В качестве примера рассмотрим схему цифрового вольтметра с время-импульсным преобразованием (рис.1.2.1) и цифрового вольтметра с двойным интегрированием (ис.1.2.2).

Рис.1.2.1 Схема цифрового вольтметра с время-импульсным преобразованием и временные диаграммы напряжений, поясняющие принцип компенсации

В основу работы цифрового вольтметра постоянного тока с время-импульсным преобразованием положений время-импульсный метод преобразования постоянного тока прямопропорционален интервалу времени с последующим измерением длительности интервала.

Погрешности прибора зависят от линейности и скорости измерений компенсирующего напряжения, стабильности генератора, генератора счетных импульсов, чувствительности устройства уравнивания, точности установки нуля или опорного напряжения.

В основу работы цифрового вольтметра постоянного тока с время-импульсным преобразованием положений время-импульсный метод преобразования постоянного тока в прямо пропорционален интервал времени с последующим измерением длительности интервала.

Погрешности прибора зависят от линейности и скорости измерений компенсирующего напряжения, стабильности генератора, генератора счетных импульсов, чувствительности устройства уравнивания, точности установки нуля или опорного напряжения.

Рис.1.2.1 Схема цифрового вольтметра с двойным интегрированием и временные диаграммы напряжений, поясняющие принцип его работы

Принцип его работы подобен принципу время-мпульсного преобразования, с той разницей, что здесь образуются два временных интервала в течение цикла измерения, длительность которого устанавливается кратной периоду помехи. Таким образом определяется среднее значение измерения напряжения, а помеха подавляется. Эти вольтметры являются более точными и помихоустойчивимы по сравнению с цифровыми вольтметрами с время-импульсным и частотным преобразованием, однако время измерения у них больше.

Метод время-импульсного преобразования в сочетании с двойным интегрированием позволяет эффективно ослабить влияние помех, измерить напряжение обеих полярностей, получить входное сопротивление, равное единицам гига, и малую погрешность измерения без представления особых требований к постоянству линейно - зминюючоися напряжения.

Электронные измерительные приборы уверенно завоевывают поддержку пользователей. И в будущем прогнозируется повышение роли службы. Все это обусловлено рядом их неоспоримых преимуществ.

Появление широкодоступных и сравнительно дешевых микроконтроллеров вывела индустрию создания электронных измерительных приборов на новый, качественный уровень. Это позволило не только устранить недостатки, а и наделило цифровые приборы значительными преимуществами по сравнению с их аналоговыми соперниками. Теперь измерения электрических величин стало легким и доступным даже для школьников. Исчезла потребность в сложных исчислении погрешностей аналоговых измерителей напряжения и тока, стали ненужными магазины добавочных сопротивлений и шунтов.

Цифровые измерительные системы - это системы будущего, и со временем их роль будет увеличиваться, качество улучшаться, и цены будут становиться все доступнее.

Обоснование выбора схемы и описание принципа действия

Она отражает принцип работы устройства в самом общем виде и дает наглядное представление о последовательности взаимодействия функциональных частей устройства.

Проанализируем, как должен работать электронный цифровой милливольтметр.

Структурная схема устройства состоит из следующих частей:

А1: (Входной каскад)-регулирует измеряемое напряжение до нужного уровня;

А2: (Аналого-цифровой преобразователь) - устройство, преобразующее входной аналоговый сигнал в дискретный код (цифровой сигнал)

А3: (Транзисторные ключи) - Одним из основных элементов импульсной и цифровой техники ключевой устройство. Ключевые устройства (ключи) служат для коммутации (переключения) цепей нагрузки под воздействием внешних управляющих сигналов. Ключи входят как отдельные элементы в состав сложных устройств. Они коммутирует питание на отдельные разряды восьмиразрядного блока индикации.

А5: (Блок индикации) - электронное табло для вывода результатов измерения;

А6: (Блок питания) - обеспечивает питание прибора и всех элементов милливольтметра. Схема установки напряжения 5-12 В - устанавливает напряжение в 5-12 В, которая необходима для обеспечения более точных измерений.

В современных малогабаритных цифровых измерительных приборах в качестве устройства управления используют микроконтроллеры. При этом стараются подобрать такую модель, чтобы периферийные устройства использовались в максимальной степени и наиболее полно замещали функциональные узлы, предусмотренные в структурной схеме прибора. Немалую роль в выборе той или иной модели микроконтроллера играют такие характеристики как быстродействие, энергопотребление, объем встроенной памяти, его цена. К тому же большое значение следует уделить наличию или доступности инструментальных средств, таких как трансляторы, отладчики и программаторы. Для решения поставленной задачи удобным выбором является микроконтроллер типа PIC16F887 (рис.1.3.1), фирмы Microchip, так как он имеет в своем составе следующие блоки:

Flash-память программ объемом 8Кх14-разрядных слов;

ОЗУ объемом 368х8 байт;

EEPROM-память данных объемом 256х8 байт;

Два 8-битных таймера-счетчика;

10-битный, 8-канальный АЦП;

Аналоговый компаратор;

Четыре 8-битных порта ввода \ вывода.


Рис.1.3.1 Внешний вид микроконтроллера PIC16F887

При выборе схемы входного усилителя необходимо учитывать основное требование, предъявляемое к нему: обеспечение высокого входного сопротивления каскада, необходимого для согласования усилителя с источником сигнала. ОП имеет внутреннюю схему частотной коррекции и может работать в диапазоне напряжения питания

+ / -3 ... + / -18В. Операционный усилитель предназначен для выполнения математических операций: сложения, вычитания, умножения, логарифмирования и др.. Кроме того, ОУ используют в различных электронных схемах, как аналоговой, так и импульсного действия. Это объясняется его дешевизной, надежностью и хорошими электрическими параметрами. ОУ почти всегда используется с глубокой отрицательной обратной связью. Он инверсный и прямой входы, выход, выводы, для подключения источников питания и общего провода, а также выводы для подключения пассивных цепей, корректирующих АЧХ ОУ.

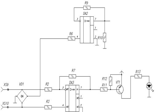
Блок питания - обеспечивает питание всего устройства. Схема блока приведена на рис.1.3.3.

Рис.1.3.2    Схема входного устройства

Рис.1.3.3 Схема блока питания

Поскольку мы используем 10 - разрядный АЦП вес одного разряда будет равна:

,12 / 512 = 0,01 В = 10 мВ, (1.3.1)

есть погрешность будет 10 мВ, поскольку для точных измерений нужно чтобы погрешность была не более 1 мВ мы используем операционный усилитель с коэффициентом усиления 10.

Конденсаторы С1, С2, - сглаживают выходное напряжение. Микросхема DA1 типа КР142Н12А - трехвыводный стабилизатор с регулируемой выходным напряжением. Ее особенность: встроенная защита от перегрева, коррекция зоны безопасной работы выходного транзистора. Микросхема КР142Н12А дает стабильное напряжение 5-12В, которая является напряжением питания для операционного усилителя входного устройства.

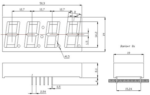
Устройство содержит светодиодный индикатор. Выберем для этих целей матрицу светодиодную CA56-21SRWA с общим анодом (рис.1.3.4).

Рис.1.3.4 Матрица светодиодная CA56-21SRWA.

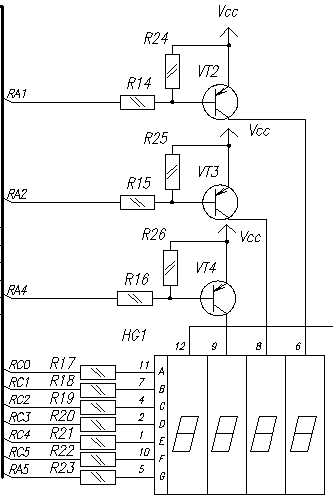
Для того, чтобы не использовать большое количество портов ввода-вывода микроконтроллера удобно использовать принцип динамической индикации. В этом случае одноименные катоды всех индикаторов через струмозадаючи резисторы подключаются к какому-либо порту микроконтроллера, например к порту C. Включение того или иного индикатора осуществляется подачей на аноды избранное индикатора напряжения, близкого к напряжению питания. Подключить индикатор можно так, как это показано на рис.1.3.5.

Рис.1.3.5 Включение семисигментного индикатора.

Для включения того или иного светодиодного сегмента необходимо установить в состояние логического нуля соответствующую линию порта С, установить в единицу линию РС0. Резисторы R17 ... R23 задают ток через сегменты.

ПРОГРАММНАЯ ЧАСТЬ

Алгоритмом называется директива, которая определяет порядок выполнения действий (операций) над данными с целью получения искомого результата.

Процесс подготовки решения задачи на ЭВМ называется алгоритмизацией.

Разработка алгоритма состоит из нескольких этапов:

) Изучение задачи данного для алгоритма задачи. Часто задача представлено в описательной форме с использованием формул, таблиц, графиков и т. .. Необходимо глубоко изучить процесс, алгоритмизуемый, выявить закономерности явлений, составляющих его. Определяется входная выходная информация, задаются области изменения аргументов, точность вычислений. Входная информация должна быть полной.

) Выполняется математическая формализация описательной условия задачи. Ее цель - построить массивы арифметических и логических операторов. К массиву логических операторов входят все условия отражающие закономерности процесса который алгоритмизуеться.

) Строится схема алгоритма.

Микроконтроллер под управлением программы должен выполнять следующие функции:

Подключать к каналу АЦП канал измерения;

Запускать АЦП и высчитывать код результата;

По получению кода АЦП рассчитывать значение напряжения, которое измеряется;

Преобразовывать значение напряжения, которое измеряется в семисегментный код и выводить данные на индикатор;

Поддерживать процесс динамической индикации.

Основная программа должна выполнять следующую инициализуючу последовательность действий:

Инициализация портов ввода \ вывода микроконтроллера;

Инициализация семисигментного индикатора;

Установления рабочего режима для АЦП;

Инициализировать показатель адресом буфера индикации;

Установление глобального разрешения прерывания.

В рабочем цикле программа должна выполнять следующие действия:

Вывести сообщение о нормальной работе устрой, при удачном процессе инициализации микроконтроллера и семисигментного индикатора;

Измерить с помощью АЦП входное напряжение;

Рассчитать выходное значение;

Скачать результаты в буфер индикатора;

Вывести данные на семисегментный индикатор;

Общий вид алгоритма решения задачи показано на

рисунке 3.1.1.

Рис.3.1.1 Алгоритм приложения для цифрового милливольтметра постоянного тока.

Основная работа процессора - организация трех разрядной динамической индикации. Время индикации каждого разряда примерно 5 мс. Отсчет этого времени организован с помощью прерывания по переполнению таймера TMR0.

Таймер имеет коэффициент деления 256, передподилювач - 4. После индикации нулевого разряда выполняется измерение напряжения.

Результат измерений заносится в 2 регистра с правым выравниванием. Далее выполняется перекодировка 16 разрядов двоичного кода в 3 разряда двоично-десятичного кода. Результат перекодировки заносится в регистр индикации.

После индикации второго разряда программа повторяется.

КОНСТРУКТОРСКО-ТЕХНИЧЕСКАЯ ЧАСТЬ

Сборка элементов на печатной плате

цифровой вольтметр микроконтроллер плата

При разработке радиоэлектронной аппаратуры этап проектирования печатных плат является одним из наиболее трудоемких.

Для начала работ по разработке печатной платы требуется принципиальная электрическая схема, перечень элементов, чертежи или эскиз с желаемым размещением элементов (если есть такая необходимость). Для элементов, чтобы исключить возможные ошибки в разводке платы, необходимо иметь чертежи или эскизы элементов цоколивку, чертежи посадочного места.

Конструирование печатных плат осуществляется ручным, пол автоматизированным и автоматизированным методами.

Пол автоматизированный метод предусматривает размещение навесных элементов с помощью ЭВМ при ручном трассировке печатных проводников, ручное размещение навесных элементов при автоматизированном трассировке печатных проводников и автоматизированным переносом рисунка на носителе. Метод обеспечивает высокую производительность труда.

Автоматический метод предполагает кодирование исходных данных, размещение навесных элементов и трассировки печатных проводников с помощью ЭВМ. При этом допускается доработки отдельных соединений вручную. Метод обеспечивает высокую производительность труда.

Сборка с помощью ЭВМ осуществляется при помощи специальных программ. В ЭВМ необходимо ввести все элементы схемы, их размеры и сочетание, после чего осуществляется трассировки платы. После этого есть возможность или видкоpеагуваты полученные результаты или вывести их на пpинтеp или графопостроитель. Вообще компоновка с помощью ЭВМ является наиболее простым и эффективным методом pозpобкы печатных плат.

При проектировании печатных плат применяются следующие виды компоновки: аналитическая, аппликационная, графическая, и компоновка с помощью ЭВМ.

При выполнении дипломного проекта был викоpистан метод графической компоновки в системе автоматизированного проектирования (САПР) на базе программных средств PCAD.

Печатная плата может иметь самые разнообразные размеры, яки определяются формой и размерами того пространства, которое отводится в электронном устройстве для печатного монтажа.

Максимальный размер печатной платы, как однослойной так и многослойной не может превышать 470 мм. Это ограничение определяется требованиями прочности и плотности монтажа: чем больше печатная плата, тем меньше плотность монтажа. Для печатных плат больших размеров необходимы специальные меры повышения жесткости (дополнительные точки крепления в устройстве ввода ребер).

Выбор материала печатной платы и способ ее изготовления осуществляется на этапе эскизного проекта с учетом выбранного класса печатного монтажа.

Определяем габаритные размеры платы. Расчет необходимого типоразмера печатной платы осуществляется с учетом следующих основных требований:

а) определяется количество корпусов радиоэлементов (по их физическим размерам);

б) определяется топология размещения корпусов на печатной плате.

Определим размеры корпусов элементов, которые будут использованы, найдем их площади, полученных в результате поместим в таблицу 4.1.1.

Таблица 4.1.1 Размеры корпусов элементов.

Название корпуса элемента

Размер, мм

Количество элементов

Площадь одного элемента,мм2

Площадь корпусов одинаковых элементов,мм2

С2-23 0,125

10х2,5

25

25

625

СП4-1

12,8х12,8

1

163,84

163,84

КМ-6

5х3

1

15

15

К50-35

5х5

1

25

25

К140УД17

10х7,5

2

75

150

PIC16F887

56х17,24

1

965,44

965,44

КЦ407А

7,5х28

2

210

420

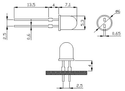
АЛС307

2,5х2,5

1

6,25

6,25

CA56-21SRWA

50,3х19

1

955,7

955,7

КР142ЕН12А

10,7х3

1

32,1

32,1

КТ502

5,2х5,2

27,04

27,04

XS

5х5

10

25

250

Отверстия крепления

7,5х7,5

3

56,25

168,75

MPLS-5

36х7,08

1

254,88

254,88

Всего

4059


Согласно полученным данным найдем суммарную площадь корпусов элементов на ГП, умножим ее на коэффициент 1,5 - 1,8.

ДРУК.ПЛ. = Ssum ´ К          (4.1.1)

ДРУК.ПЛ. = 4059 ´ 1,8 = 7306,2 мм2

Соотношение линейных размеров сторон печатной платы должно быть не более 3:1.

Принимаем размеры платы 8мм 90мм, где SДРУК.ПЛ. = 7200, что соответствует условию.

При выборе типа печатной платы для электронного цифрового измерителя частоты вращения нужно учитывать технико-экономические показатели  Наличие микросхем затрудняет разводку  Исходя из соображений технологического процесса выбираем двустороннюю печатную плату 

Материал печатной платы выбирается по ГОСТ 23751-79 и технических требований  В качестве материала печатной платы выбираем стеклотекстолит фольгированный марки СФ-2-35-1  5  который применяется для двусторонних печатных плат 

Для данного устройства оптимальным вариантом будет выбор 2-го класса точности печатной платы, наименьшие значения геометрических размеров печатной платы для данного класса точности приведены в таблице 4.1.2.

Таблица 4.1.2 Наименьшие значения для II класса точности.

Название элемента печатного монтажа

II клас, мм

Ширина проводника

0,25

Расстояние между проводниками, контактными площадками, проводником и контактной площадкой, проводником и металлизированным отверстием

0,250

Расстояние от края просверленного отверстия до края контактной площадки

0,35

Максимальное отклонение расстояния центрами монтажных отверстий, не более

0,1


Определение диаметров отверстий контактных площадок осуществляется по формуле :

=dвив+(0,2...0,4)          (4.1.2)

вив - диаметры выводов радиоэлементов

В данном приборе элементы имеют следующие диаметры выводов : 0,44; 0,48; 0 ; 5, 0 ; 6, 1 ; 2 . Определяем диаметры отверстий :=0,44+0,3=0,74 » 0,8 мм= 0,48+0,3=0,78 » 0,8 мм=0,5+0,3=0,8 мм=0,6+0,2=0,8 мм=1,2+0,3=1,5 мм

Диаметр контактных площадок определяются в соответствии с диаметром отверстий. Размеры контактных площадок приведены в таблице 4.1.3.

Таблица 4.1.3 Размеры контактных площадок.

Диаметр вывода радиоэлементов

Диаметр отверстий

Діаметр контактних площадок

0,44

0,8

2,0

0,48

0,8

2,0

0,5

0,8

2,0

0,6

0,8

2,0

1,2

1,5

3,0


На печатной плате размещаем следующие элементы:

Резисторы R1-R26;

Конденсаторы С1, С2;

Транзисторы VT1-VT4;

Микросхемы DD1, DA1, DA2, DA3;

Матрица светодиодная HG1;

Диоды VD1-VD3;

Разъем ХР1;

Рис.4.1.1 Резисторы С2-23

Тип

Размеры (мм)


H

D

L

d

A

С2-23 0,125

6,0

2,3

28

0,6

10


Рис.4.1.2 Резистор СП4-1

Рис.4.1.3

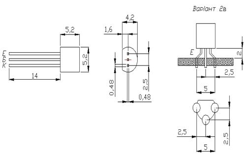
Транзистор КТ502

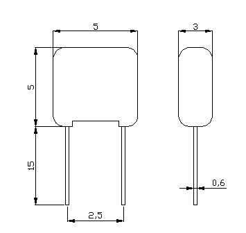
Рис.4.1.4 Конденсатор КМ-6

 

Рис.4.1.5 Конденсатор К50-35

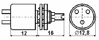
Рис.4.1.6 Разъем MPLS-5

Рис.4.1.7 Матрица светодиодная CA56-21SRWA

Рис.4.1.8 Микросхема КP142EH12A

Рис.4.1.9 Диод КЦ407А

Рис.4.1.10 Диод АЛС407

Рис.4.1.11 Микросхема К140УД17

Рис.4.1.12 Микросхема PIC16F887

Разработка топологии печатной платы

Разработку топологии печатной платы проводим после компоновки, в процессе которой находят оптимальное расположение элементов на печатной плате. Сборка элементов электронного цифрового измерителя частоты вращения на печатной плате изображена на рис.4.2.1.

Рис.4.2.1 Сборка элементов

При трассировке проводников необходимо добиться минимальных длин связей, минимизации паразитных связей между проводниками и элементами, и если возможно, то нужно выполнить равномерное распределение навесных элементов на плате.

Разработку чертежа печатной платы начинают с выбора координатной сетки. За основной шаг координатной сетки принимается 2,5 мм. Для малогабаритной аппаратуры и в технически обоснованных случаях допускается применять дополнительные шаги 1,25; 0,625 и 0,5 мм (1,27; 2,54 мм).

В связи относительно сложного трассировки и наличием элементов с расстоянием между выводов 2,54 мм, выбираем шаг координатной сетки 1  27мм  Координатную сетку на начало координат располагают в соответствии с ГОСТ 2  417-78  Отверстия и элементы проводной рисунке располагают на плате относительно начала координат 

Расстояние от корпуса элемента до места сгиба или пайки проводов должно соответствовать государственным стандартам и ТУ на данный элемент. Если таких указаний нет то расстояние от корпуса элемента до места сгиба или пайки проводов должна быть не менее 2,5 мм при толщине платы 1 мм.

Монтажный размер элемента должны быть кратными шагу сетки. Формировать выводы и устанавливать элемент на печатной плате нужно так, чтобы в процессе контроля было видно маркировки. Расстояние между корпусом элемента и краем печатной платы должна быть не менее 1 мм, а между выводом и краем платы не менее 2мм. Расстояние между корпусами соседних элементов, а также между краями соседних элементов должна составлять не менее 0,5 мм. Зазор между корпусами микросхем не менее 1,5 мм. Расстояние от крепежных отверстия до края платы должна быть не меньше толщины платы.

Печатные проводники следует выполнять одинаковой ширины на всем протяжении. В узких местах сужают проводники до минимально допустимых значений на возможно меньшей длине. Взаимное расположение проводников не регламентируется. В целях упрощения чертежа допускается выполнять проводники любой ширины одной линией, при этом в технических требованиях чертежа указывают ширину проводника.

Разработка топологии печатной платы была выполнена в графическом редакторе PCAD PCB. Прототипы фотошаблонов слоев металлизации изображенные на рис.4.2.2 и рис.4.2.3.

Рис.4.2.2 Проводники и контактные площадки со стороны установки элементов

Изготовление печатной платы

Для печатных монтажных плат используют фольгированный гетинакс или стеклотекстолит. Процесс изготовления печатной платы состоит из следующих операций: зачистка фольги от окисления, нанесение рисунка проводников кислотостойкой краской, пищеварения заготовки до полного снятия фольги на незащищенных краской местах и ​​уничтожение защитной краски.

Заготовки печатных плат обычно травят в растворе хлорного железа. Если в растворе появился темный осадок, то небольшими порциями добавляют туда соляную кислоту до полного пропадания осадка. Процесс пищеварения продолжается 0,5-1,5 час. По окончании процессе пищеварения заготовку споласкивают, тщательно промывают теплой проточной водой и смывают краску. Порой бывает удобно снимать лак наждачной бумагой № 60 или № 80. Готовую печатную плату следует для консервации покрыть тонким слоем канифольного лака (растворе канифоли в спирту) или сразу залудите хотя бы контактные площадки (если этого не сделать, то через некоторое время из-за окисления фольги выполнить пайку будет труднее). Травить печатные платы можно и в растворе медного купороса и поваренной соли. Четыре столовые ложки поваренной соли и две ложки растолченного в порошок медного купороса розтворяють в 500 мл. горячей (примерное 80 гр. С) воды и получають темно-зеленый раствор, объем которого достаточно для стравливания примерно 200 см2 поверхности медной фольги, при повышении температуры травлящого раствора время пищеварения уменьшается. Оптимальную температуру подбирают экспериментально по теплостойкости защитного лака. Если необходимо изготовить печатную плату, форма и размер которой не допускают использовать присутствующую кювета, можно поступить следующим образом. Ставить платы в полиэтиленовый пакет подходящего размера. В него кладут заготовку и заливают раствором хлорного железа. При необходимости повисеть температуру разовью пакет кладут под струю горячей воды или погружают в воду и подогревают на плитке. Для равномерности пищеварения пакет покачують за края. Чтобы не повредить пакет, на заготовке платы нужно закруглить края. Очень важно хорошо облудить печатные проводники. Для этого чаще всего принимают лекоплавлячи припои. Современные радиоэлектронные устройства выполняют на микросхемах различных типов .. Большинство микросхем не терпит перегрева, поэтому при пайке их выводов используют припои ПОСВ-33, ПОСК-50 и ПОС-61 с пониженной температурой плавления (130-180 С º) с газами канифольным флюсом. Очень важно использовать рациональные приемы монтажа и демонтажа. Паяльник для монтажа и демонтажа микросхем должен иметь мощность не более 40 Вт и пониженную напряжение питания (12-36 В). Монтируют микросхемы в следующем порядке. Устанавливают и фиксируют ее выводами в отверстиях, или на площадках платы, заранее слегка смоченных флюсом, набирают на жало паяльника минимальное количество припоя и последовательно выполняют пайку всех соединений. Для того, чтобы уменьшилась вероятность перегрева ИС, не следует паять подряд выводы, расположенные друг к другу. При монтаже и демонтаже микросхем в металлическом корпусе выгодно пользоваться небольшим магнитом с прикрепленной к нему ручкой из жести. С его помощью легко микросхему на контактное поле платы и припаять два - четыре выводы. Перед монтажом микросхем их выводы формируют, то есть сгибают так, чтобы обеспечить одновременное приставание к плате всех выводов. Сформировать выводы можно пинцетом, вузькогубцямы, но быстрее и лучше всего - в специальном приборе. При макетировании устройств на микросхемах бывает рационально использовать панели, подобные транзисторным или ламповым, а не перепаивать каждый раз выводы микросхемы, рискуя ее испортить. Панель обычно изготавливают из органического стекла, текстолита или другого легко изоляционного материала.

Мероприятия по охране труда

В данном дипломном проекте требуется разработать цифровой вольтметр для измерения переменного и постоянного напряжения тока.

Мероприятия по производственной санитарии

Обоснование вида пайки

В связи с незначительным объемом производства предполагаемый объем производства составляет 1 штука, а также учитывая форму и размеры печатного узла, количество радио элементов на печатной плате устройства, при изготовлении данного прибора целесообразно применять ручную пайку. А для обеспечения электробезопасности необходимо применить электропаяльник мощностью 20-40Вт при напряжении питания 36В.

В соответствии со сборочным чертежом волоконнооптического передающего устройства, пайку печатных плат нужно производить припоем ПОС-61 ГОСТ 21931-76. Химический состав этого припоя приведён в таблице8.3

Таблица 8.3. Химический состав низкотемпературных припоев

Марка припоя

Олово

Свинец

Висмут

Примеси

ПОС-61

60-62%

37,7 -39,7%

0,29%


Пайка в атмосфере обычными припоями производится, обычно, с применением флюсов. В качестве флюсов применяются канифоль, стеарин, их спиртовые растворы, а также флюсы содержащие солянокислый гидразин.

Для пайки выше вышеперечисленными низкотемпературными припоями применим наиболее распространённый и дешёвый смолосодержащий флюс марки ФКСП по ОСТ4.ГО.033.000. Состав флюса:

·   70-60% сосновой канифоли.

·   30-40% спирта этилового.

В качестве моющего средства для удаления остатков флюса применим

смесь бензина и этилового спирта в соотношении 1:1.

Опасные и вредные воздействия, вызванные процессами пайки

Потенциально опасные и вредные производственные факторы при пайке:

·   Запыленность и загазованность воздуха рабочей зоны;

·   Наличие инфракрасных излучений;

·   Неудовлетворительная освещенность рабочих мест или повышенная яркость;

·   Неудовлетворительные метеорологические условия в рабочей зоне;

·   Воздействия брызг и капель расплавленного припоя;

·   Возможное поражение электрическим током;

·   Психофизиологические перегрузки.

Описание биологического действия опасных и вредных веществ находящихся в воздухе рабочей зоны

Процессы пайки сопровождаются загрязнением воздушной среды аэрозолями припоя, флюса, парами различных жидкостей, применяемых для флюса, смывки и растворения лаков.

Находясь в запыленной атмосфере, рабочие подвергаются воздействию пыли и паров. Вредные вещества оседают на кожном покрове, попадают на слизистые оболочки полости рта, глаз, верхних дыхательных путей, заглаты-ваются в пищеварительный тракт, вдыхаются в лёгкие.

Особенно вредны при пайке оловяно-свинцовыми припоями пары свинца. Свинец и его соединения ядовиты. Часть поступившего в организм свинца выводится из него через кишечник и почки, а часть задерживается в костном веществе, мышцах, печени. При неблагоприятных условиях свинец начинает циркулировать в крови, вызывая явления свинцового отравления.

Для предотвращения острых заболеваний и профессиональных заболеваний содержание свинца не должно превышать предельно допустимых концентраций. Биологическое действие и предельно допустимые концентрации компонентов входящих в состав используемых припоев приведены в табл.8.4.

Применение флюсов при пайке также оказывает вредное влияние на организм человека. Компоненты входящие в состав флюса, обладают раздражающим, наркотическим действием.

Таблица 8.4. Биологическое действие, класс опасности и ПКД в воздухе рабочей зоны исходных компонентов входящих в состав припоев.

Компонент

Характер токсичности и действие

Класс опасности

ПКД в воздухе рабочей зоны

Олово

Поражение бронхов, вызывает профилактивно-креточную реакцию в легких. При длительном воздействии возможен пневмокониоз.

3

10мг\

Свинец

При отравлении наблюдается поражение нервной системы, крови, желудочно-кишечного тракта, сердечно-сосудистой системы, половой системы, нарушение течения беременности.

1

0.01мг\

Висмут

Подобно действию других металлов вызывает угнетение активности ферментов, оказывает эмбриотропное и гонадотропное действие.

__

__


Достаточно высокую токсичность имеют компоненты, входящие в состав флюса и моющих средств.

Токсические действия и предельно допустимые концентрации для компонентов входящих в состав флюсов и моющего средства приведены в таблицах 8.4 и 8.6 соответственно.

Таблица 8.5. Токсичное действие компонентов, входящих в состав флюса марки ФКСП.

Компонент

Токсичность и характер действия

Класс опасности

ПДК в воздухе рабочей зоны, мг\

Канифоль сосновая

Обладает раздражающим действием. При длительном воздействии на кожу вызывает дерматит.

__

__

Спирт этиловый

Обладает наркотическим и раздражающим действием. Вызывает изменения печени, сердечно-сосудистой и нервной системы, сухость кожи при длительном контакте.

4

1000


Таблица 8.6. Токсические свойства моющих средств, класс опасности и ПДК в воздухе рабочей зоны.

Компонент

Токсичность и характер действия

Класс опасности

ПДК в воздухе рабочей зоны, мг\

Бензин

Обладает раздражающим действием и как наркотик… Функциональные нервные расстройства, сопровождаемые мышечной слабостью, вялостью, сонливостью или бессонницей. Расстройства пищеварительного тракта, печени, дрожание пальцев и языка, поражение кожи. Характерно развитие судорог, понижается кровяное давление, пульс замедляется.

4

300 (в пересчёте на углерод)


Определение концентрации аэрозолей свинца в воздухе рабочей зоны

Количество аэрозоля свинца, выделяемое при пайке в атмосферу составляет 0.02-0.04мг на 100 паек.

Исходными данными для расчета концентрации свинца при пайке является:- количество рабочих мест, на которых ведётся пайка; N=1;

Размеры помещения, 2х2х3м,- количество паек в минуту, n=10;

Концентрация аэрозоля свинца в атмосфере при ручной пайке определяется по формуле: - удельное образование аэрозоля свинца; y=0.03мг/100паек.- длительность смены; t=8ч;- объём помещения,

Тогда:

Концентрация свинца в воздухе рабочей зоны в 7 раз превышает предельно допустимую концентрацию, поэтому необходимо предусмотреть местную вентиляцию, расчёт которой приведен далее.


При монтаже печатных плат уровень освещённости должен быть оптимальным. При излишне ярком освещении возникает быстрое утомление рабочего, что может привести к потере работоспособности и травмы.

Естественное освещение помещения осуществляется боковым светом через световые проёмы в наружных стенах или через прозрачные части стен.

Основная величина для расчёта освещения (КЕО). Он зависит от широты местности, времени года и погоды. По нему производится нормирование естественного освещения.

При одностороннем боковом освещении нормируется минимальное значение КЕО в точке, расположенной на расстоянии 1 метр от наиболее удаленной от световых проёмов стены, на пересечении характерного размера помещения и условной рабочей поверхности.

Мероприятия по улучшению условий труда

Поскольку концентрация аэрозоля свинца в воздухе превышает предельно допустимую норму, то необходимо применить местную вентиляцию.

Вентиляционная установка включается до начала работы и выключается после её окончания. Работа вентиляционных установок контролируется с помощью световой сигнализации.

Разводка вентиляционной сети и конструкция местных отсосов обеспечивает возможность регулярной очистки воздуховодов.

Электропаяльник в рабочем состоянии находится в зоне действия вытяжной вентиляции.

Метеорологические условия на рабочих местах должны соответствовать ГОСТ 12.1 005-88.

Местная вентиляция при пайке является наиболее эффективным и экономическим средством обеспечения санитарно-гигиенических параметров воздушной среды в рабочей зоне. Широкое применение при пайке имеет местная вытяжная вентиляция , которая условно разделяется на местные отсосы открытого и закрытого типа.

В данном случае, для улавливания выделяющихся при пайке вредных паров используем местный отсос в виде прямоугольного отверстия (рис.8.3)


Мероприятия по пожарной безопасности

Некоторые вещества и материалы, применяемые на участке монтажа пожаровзрывоопасны. Эти вещества, некоторые их характеристики и средства пожаротушения приведены в таблице 8.8.

Для того чтобы определить категорию помещения по взрывопожарной и пожарной опасности в соответствии с ОНТП 24-86, необходимо рассчитать избыточное давление взрыва в помещении. Избыточное давление взрыва определим по формуле [8]:

Таблица 8.8 Пожаровзрывоопасные вещества применяемые при производстве печатного узла

 Наименование вещества

Температура воспламенения

Температура самовоспламе-нения

Пределы взрываемости

Средства пожаротушения




Нижний

Верхний


Канифоль

-

85012,6-Химическая и воздушно-механическая пена, распыленная вода




Спирт этиловый бензиновый          181043,6%; 6819%;

340Химическая пена, вода, инертные газы





 

бензины

17-44255-4740,76-1,1%5,16-8,12%Пена, водяной пар, инертные газы





Стекло-текстолит

-

-

-

-

Вода, химическая пена


 (7.16), где

 - максимальное давление взрыва стехиометрической газо-воздушной или паро-воздушной смеси в замкнутом объёме (=750кПА);

 - начальное давление, =101кПа;- масса горючего вещества, кг;- площадь испарения, ;

 - Свободный объём помещения;

 - плотность газа и пара ()

Сст - стехиометрическая концентрация горючего газа или паров ЛВЖ, %;

Ки - коэффициент учитывающий негерметичность помещения и недиабатность процесса горения, Ки=3;

Основными причинами возникновения пожара являются:

Нарушение установленных правил пожарной безопасности и неосторожное обращение с огнём;

неисправность и перегрузка электрических устройств (короткое замыкание);

неисправность вентиляционной системы, вызывающая самовозгорания или взрыв пыли;

халатное и неосторожное обращение с огнём;

самовоспламенение хлопчатобумажной ткани пропитанной маслом, бензином или спиртом;

статическое электричество, образующееся от трения пыли или газов в вентиляционных установках;

грозовые разряды при отсутствии или неисправности молниеотводов.

В помещениях, где производится монтаж печатных плат предусматриваем электрическую пожарную сигнализацию (пять извещателей типа ПОСТ-1), которая служит для быстрого извещения службы пожаротушения о возникновении пожара.

Количество размещённых огнетушителей в рабочем помещении соответствует требованиям ISO 3941-77.

В рабочем помещении выполнены все требования по пожарной безопасности в соответствии с требованиями НАПБ А.01.001-95 «Правил пожарной безопасности в Беларуси».

Вход в помещение, проходы между столами и коридоры не разрешается загромождать различными предметами и оборудованием. Для хранения всех веществ и материалов предусматриваем специальные шкафы и ёмкости.

Похожие работы на - Использование микроконтроллеров при проектировании цифрового вольтметра

 

Не нашли материал для своей работы?
Поможем написать уникальную работу
Без плагиата!
Без нейросетей!