Проектирование многофункционального пробника
Введение
Широкое развитие радиоэлектроники и внедрение её во все
отрасли науки и техники является реалией нашего времени. Применение
радиоэлектронной аппаратуры во многом обуславливает огромный рост эффективности
производства, повышение качества продукции, дает возможность научным
достижениям. Практически во всех областях знаний прогресс немыслим без широкого
использования электроники. Именно поэтому радиоэлектроника, зародившаяся всего
несколько десятилетий назад, является бурно развивающейся областью техники. За
это время радиоэлектронная аппаратура прошла несколько этапов развития, каждый
из которых позволял резко увеличивать количество функций, которые выполняет
аппаратура, повышать их сложность и одновременно при этом сокращать вес и
размеры аппаратуры, повышать ее надежность и снижать потребление энергии.
К аппаратуре первого поколения относят радиоэлектронную
аппаратуру, построенную на электровакуумных лампах.
Ко второму поколению относится аппаратура, основу которой
составляли полупроводниковые приборы.
Третьего поколение аппаратуры определили интегральные схемы
среднего уровня интеграции. В аппаратуре резко уменьшилось количество элементов
и соединений между ними. В связи с этим во много раз уменьшились масса и
габариты, повысилась надежность и функциональность радиоэлектронных изделий.
Четвертое поколение - это аппаратура, построенная с
использованием интегральных схем повышенной степени интеграции; аппаратура, в
которой применяются большие интегральные схемы с программируемой логикой
(микропроцессорные комплекты), позволяющие использовать цифровую обработку
информации.
В настоящее время развиваются РЭС пятого поколения, в которых
находят применение приборы функциональной электроники.
В современной радиоэлектроники нашли широкое применение
однокристальные микроконтроллерные системы. Микроконтроллерные технологии очень
эффективны. Одно и то же устройство, которое раньше собиралось на традиционных
элементах, будучи собрано с применением микроконтроллеров, становиться проще.
Оно не требует регулировки и меньше по размерам.
К основным тенденциям современной технологии производства РЭС
относятся:
Производство РЭС на безвыводных ЧИП-ЭРЭ и миниатюрных ЭРЭ с
применением поверхностного монтажа;
Применение инновационных технологий на базе новых материалов;
Широкое применение систем автоматизированного проектирования
технологических процессов (САПР ТП).
Технология (от греческого «techne» - мастерство и «logos» - учение) - это
совокупность знаний о способах и средствах проведения производственных
процессов, а также сами процессы (технологические процессы), при которых
происходят качественные изменения обрабатываемого объекта.
Новая технология - это, обладающая более
высокими качественными характеристиками по сравнению с лучшими аналогами,
доступными на данном рынке, пользующаяся спросом и удовлетворяющая
формирующимся или будущим потребностям человека и общества.
Высокая технология - это, обладающая
наивысшими качествами показателями по сравнению с лучшими мировыми аналогами,
пользующаяся спросом и удовлетворяющая формирующимся или будущим потребностям
человека и общества.
1. Общая часть
.1 Анализ технического задания
Анализ исходных данных, указанных в техническом задании,
позволяет определить основные параметры разрабатываемого пробника
многофункционального, а также уяснить назначение устройства и условия
эксплуатации.
Преимущество разрабатываемого пробника многофункционального в
том, что он является весьма простым как в управлении так и в изготовлении.
Первичное питание для пробника многофункционального - 220 В,
50 Гц. Вторичное электропитание должно составлять +9 В.
Устройство должно эксплуатироваться в умеренном климате. При
этом категория условий эксплуатации - в помещениях с искусственным климатом
(4). В закрытом помещении с искусственным регулированием климатических условий
(вентиляция, отопление).
Режимы работы: логический пробник (предел измерений 0,8 - 3,7
В); генератор прямоугольных импульсов ( предел изменения от 0,5 мкс - до 5 мс);
частотомер (предел измерений 1кГц - 100 МГц); счетчик событий; вольтметр (до 5
В); измеритель напряжение на p-n переходе; измеритель емкости конденсаторов
(предел измерений 0,01 мкФ - 500 мкФ); измеритель индуктивности (предел
измерений 0,01 мГн - 999,9 мГн);); генератор NTSC видеосигнала; генератор
импульсов для сервоконтроллера (предел изменения от 1 - до 2 мс); генератор
прямоугольных импульсов (частота от 1 Гц - до 9999 Гц); генератор случайных
чисел (частота 10 кГц); генератор ИК импульсов (несущая частота 38 кГц);
генератор ШИМ импульсов (частота 6 кГц).
Диэлектрические материалы необходимо подобрать так, чтобы не
допустить пробивных напряжений (с большим удельным сопротивлением).
Для обеспечения надежности функционирования устройства при
воздействии влаги необходимо применить влагозащитные материалы (лаки,
компаунды).
Для обеспечения механической прочности изделия нужно выбрать
материал печатной платы с достаточной прочностью (стеклотекстолит).
Для защиты от вибраций, печатную плату необходимо надежно
закрепить в корпусе.
Органы управления и индикации, необходимо вынести на переднюю
панель и надежно закрепить.
Вес прибора составляет не более 300 г.
Габариты изделия должны быть не более 125x70x30 мм.
Средняя наработка на отказ должна быть не менее 105
ч.
Месячные программы запуска 663 шт, выпуска - 650 шт.
На основании характеристик типов производства изготовление
пробника многофункционального, можно отнести к серийному производству.
1.2 Разработка электрической структурной схемы
При разработке структурных схем используются следующие
методы:
Эвристический метод - основан на накопленном опыте, анализе
технической литературы и интуитивных соображений. На основе их анализа
создаётся несколько моделей структурных схем, из них выбирается самая надёжная,
самая простая, самая дешёвая.
Математический метод - на основе исходных данных создаётся
модель - математическое описание внешних воздействий. Проводится анализ модели,
в которую входит математический расчёт, моделирование на ЭВМ, испытание
макетов. Выбирается модель, имеющая оптимальные показатели качества.
Функциональное наращивание. На основе технического задания
составляется перечень функций, которые должно реализовывать разрабатываемое
устройство. В соответствии с функциями приводится перечень устройств
реализующих эти функции и строится структурная схема.
Для правильного выбора структурной схемы целесообразно из
существующих методов выбрать метод функционального наращивания.
Таким образом, основными функциями пробника
многофункционального являются:
- формирование сигналов для индикатора,
приём сигнала на вход и формирование сигнала на выход. Данную функцию может
выполнять микроконтроллер;
- переключение режимов работы. Данную
функцию может выполнять панель управления;
- отображение информации. Эту функцию может
выполнять устройство индикации;
- вторичное электропитание устройства.
Данное устройство обеспечит питание пробника и позволит включать его в сеть.
Из вышесказанного следует, что в состав часов со светодиодной
индикацией входят следующие устройства:
) микроконтроллер;
) панель управления;
) устройство индикации;
) блок питания.
Тогда электрическая структурная схема будет иметь вид,
представленный на рисунке 1.

.3 Разработка схемы электрической
принципиальной
Принципиальная электрическая схема разрабатывается на
основании анализа исходных данных и принятой структурной схемы. Задача
разработки электрической схемы проектируемого устройства заключается в выборе и
обосновании принципиальных схем каскадов для реализации структурной схемы.
Вначале производится анализ известных схемных решений
проектируемого каскада, приводится схема одного из них. И на основании анализа
исходных данных и принятой структурной схемы выбирается наиболее подходящая
электрическая схема. Критерии выбора: простота, надежность, дешевизна при
выполнении заданных требований. Она может быть дополнена, усовершенствована
новыми схемными решениями.
Исходя, из разработанной структурной схемы пробника
многофункционального принципиальная схема состоит из следующих функциональных
узлов:
) микроконтроллер;
) панель управления;
) устройство индикации;
) блок питания.
В качестве управляющего устройства целесообразно выбрать
микроконтроллер типа picl6f870 с кварцевым резонатором. Микроконтроллер серии
picl6f870 производителен и экономичен. Имеет удобный для разводки платы и пайки
корпус. Расстояния между ножками относительно большое. Широко доступен в
продаже. Недорогой. Условное графическое обозначение микроконтроллера приведено
на рисунке 2.
Рисунок 2 - Условно графическое обозначение микроконтроллера
В качестве устройства индикации целесообразно использовать
светодиодные индикаторы, т.к. они дешевы и надежны, обеспечивают достаточную
яркость свечения сегментов. Условное графическое изображение индикатора приведено
на рисунке 3.
Рисунок 3 - Схема электрическая
принципиальная устройства индикации
Для данного устройства, целесообразно использовать блок
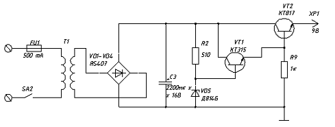
питания, обеспечивающий наличие стабилизированного напряжения +9В. Для получения
данных напряжений необходимо использовать стабилизатор на +9В. Схема
электрическая принципиальная источника питания показана на рисунке 4.
Таким образом, электрическая
принципиальная схема пробника многофункционального, имеет вид, представленный
на рисунке 5.
Рисунок 4 - Электрическая принципиальная схема источника
питания
1.4 Выбор элементной базы
Данный подраздел тесно связан с разработкой принципиальной
схемы. Следует стремиться к максимальной микросхемизации разрабатываемого узла,
но и учитывать возможности учебной материальной базы производственных
мастерских радиотехнического цикла.
Выбор электрорадиоэлементов (ЭРЭ) должен быть сделан так,
чтобы обеспечить надежную работу узла, блока. При этом необходимо стремиться к
выбору недорогих элементов и имеющих широкое применение в современных
радиоаппаратах и добиваться максимальной простоты сборки и электрического
монтажа, регулировки и эксплуатации. Все ЭРЭ выбираются по справочной
литературе и техническим условиям (ТУ).
В соответствии с разработанной принципиальной схемой,
выбираем электрорадиоэлементы для проектируемых часов со светодиодной
индикацией выбираем:
Резисторы R11…R13постоянные непроволочные резисторы, имеют минимальную
ватность - 0,125Вт, с максимальным отклонением от номинального значения
сопротивления
5%; ТКС = 0,001; максимальное рабочее
напряжение Uраб мах = 200В. Выбираем резисторы типа МЛТ, так как они
имеют малый вес, стоимость, габариты и паразитные параметры.
R1,R7 - 100 Ом, МЛТ-0,125;
R2 - 510 Ом, МЛТ-0,125;
R3- 20 Ом, МЛТ-0,125;
R4- 150 Ом, МЛТ-0,125;
R5- 470 Ом, МЛТ-0,125;
R6,R10,R11,R12,R13 - 10 кОм, МЛТ-0,125;
R8 - 100 кОм, МЛТ-0,125;
R9 - 1 кОм, МЛТ-0,125;
Конденсаторы C2,C3 конденсаторы постоянной емкости оксидно-электролитическиe алюминиевыe, рассчитанные
на максимальное напряжение 25В, с максимальным отклонением от номинального
значения емкости
10%, ТКЕ = 0,01.Выбираем конденсаторы
К-10-35, они обладают большой емкостью, в пересчете на единицу объема, низкой
ценой и доступны.
С2 - 100 мкФ
0,4; Uн(1,3-1,5);Uраб=25В;ТКЕ=10-3 1/С0;
С3 - 2200 мкФ
0,4; Uн(1,3-1,5);Uраб=25В;ТКЕ=10-3 1/С0.
Конденсаторы C1,C4,С5 конденсаторы постоянной емкости керамические, с
рабочим напряжением ниже 1600В, с максимальным отклонением от номинального
значения емкости
10%, ТКЕ = 0,01. Выбираем конденсаторы
К-10-5, они позволяют получить высокую емкость в единице объема, имеют
стабильную емкость, устойчивы к изменениям температуры.
С1 - 0,1 мкФ
0,4; Uн=50В;ТКЕ=10-3
1/С0;
С4,С5 - 22 пФ
0,4; Uн=50В;ТКЕ=10-3
1/С0.
Диоды VD1…VD4: RS407 - диодная сборка. Выбираем RS407 - кремниевый диффузионный диод, он соответствует всем
параметрам, стабилен в работе, доступен в цене. Максимальный прямой ток - 4 А,
максимальное обратное напряжение - 1000В, температура окружающей среды -60 +130
С0. VD5: д814б - стабилитрон малой мощности. Номинальное напряжение
стабилизации - 9В, максимальная мощность 340Вт. HL1: АЛ301А - светодиод.
Номинальное напряжение - 3,15В, ток - 20 мА.
Трансформатор выбираем трансформатор ТПП-207-220-35. Это
малогабаритный дешевый трансформатор, использующийся для питания п/п приборов .
Параметры:
- f = 50 Гц;
- U1
= 220 B;
- U2
= 9 В.
Микросхема DD1: pic16f870 - микроконтроллер. 3,5 кб флеш-памяти команд, 128 б
электрически программируемой памяти, 128 б статической памяти DA1: LM2931 - стабилизатор
напряжения. Данная микросхема предназначена для вторичных источников питания,
является стабилизатором фиксированного напряжения, недорога и доступна в продаже.
Параметры:
- диапазон рабочих напряжений -
25 В;
- максимальный потребляемый ток 120 мА;
- напряжение стабилизации - 5 В;
- диапазон рабочих температур составляет от -65С0 - +150
С0.
Индикатор выбираем семисегментный, недорогой удовлетворяющий
данным параметрам. HG1-HG4: LTC5461AS R - индикатор семисегментный. Потребление тока менее 30мА.
Отображение информации: 4 символа 7 сегментов.
Кварцевый резонатор выбираем среднечастотный резонатор,
имеющий стабильность и точность частоты удовлетворяющую бытовым приборам.
Недорогой. Максимальное отклонение от номинала составляет 0.1%.
ZQ1: 20 МГц.
Аккумуляторная батарея. Напряжение - 9В, ток - 800 мА.
Предохранитель выбираем быстродействующую малогабаритную
плавкую вставку ВП-1. FU1: ВП-1 - керамический предохранитель, 250В,0,2А.
Переключатели SB1,SB2 - кнопочные без фиксации и с возвратом в
исходное состояние. SA1,SA2 - с фиксацией.
XP1 - шнур питания подключения к устройству.
XS1 - гнездовой соединитель.
Транзисторы КТ315 - кремниевый высокочастотный биполярный
транзистор малой мощности n-p-n
- проводимости в корпусе КТ - 13. КТ817 - кремниевый биполярный транзистор.

2. Расчетная часть
2.1 Электрический расчет каскадов
2.1.1 Расчет маломощного
трансформатора
Расчет маломощного трансформатора осуществляется на основе
методики, изложенной
.
Расчет трансформатора целесообразно начать с выбора
магнитопровода, т. е. определения его конфигурации и геометрических размеров.
Наиболее широко распространены три вида конструкции
магнитопроводов, приведенные на рис. 3.
Для малых мощностей, от единиц до десятков Вт, наиболее
удобны броневые трансформаторы. Они имеют один каркас с обмотками и просты в
изготовлении.
Трансформатор с кольцевым сердечником (торроидальный) может
использоваться при мощностях от 30 до 1000 Вт, когда требуется минимальное
рассеяние магнитного потока или когда требование минимального объема является
первостепенным. Имея некоторые преимущества в объеме и массе перед другими
типами конструкций трансформаторов, торроидальные являются вместе с тем и
наименее технологичными (удобными) в изготовлении.
Рисунок 6 - Конструкции магнитопроводов трансформаторов: а)
броневого пластинчатого; б) броневого ленточного; в) кольцевого ленточного
Исходные данные: напряжение сети U1=220 B; частота
сети f=50 Гц; параметры вторичной обмотки U2=9 В, I2=0,8
А.
Мощность трансформатора в соответствии с формулой (1):
Рг=U2•I2 (1)г=9*0,8=7.2
B•A
Выбираем сталь 1511, магнитопровод из пластин толщиной 0,5
мм, у которого kC=0,93, а так же находим параметры, соответствующие
Pг=7,2 B•A, а именно, В=1,1 Тл, J=4,8 A/мм2, k0=0,22, η=0,85
Ток I1 в соответствии с формулой (2) и с учетом, что cosφ=0,9:
(2)
Исходная расчётная величина ScSo в соответствии с формулой
(3) определяется:
(3)
см4
Согласно полученному ScSo вбираем броневой магнитопровод из
пластин Ш20х32, у которого ScSo=64 см4 со следующими параметрами:
а=20 мм, с=20 мм, h=50 мм, b=12 мм, Sc=5,82 см2
Число витков в обмотках трансформатора согласно формулам (4)
и (5):
(4)
(5)
где =5÷4, =10÷8
Сечение проводов обмоток в соответствии с формулой (6)
определяется:
(6)
По найденным
сечениям проводов для провода марки ПЭВ-1 находим соответствующие диаметры
проводов обмоток с изоляцией. Таким образом, =0,135 мм, d2=0,55 мм.
Определяем
возможность размещения обмоток в окне выбранного магнитопровода, для чего
производим расчёты согласно формулам (7), (8), (9):
число витков в
первичной обмотке в одном слое:
(7)
где h-высота окна
магнитопровода, мм;
ε1-расстояние
обмотки до ярма, обычно ε1=2÷5 мм; -диаметр провода обмотки, мм.
Полученное
значение округляется до меньшего ближайшего числа.
число слоёв
обмотки:
(8)
Полученное
значение округляется до большего ближайшего числа.
толщина обмотки:
δ1=m1(d1+γ1) (9)
где γ1 - толщина изоляционной прокладки, которая применяется, если
напряжение между сломяи превышает 50 В (γ1=0,05÷0,08 мм).
Обмотка ω1:
Число витков в
одном слое обмотки:
ω11=(50-2•3.5)/0,135=319
Число слоёв
обмотки
1=1478/319=4,6 Примем m1=5
Толщина всей
обмотки δ1 с учётом, что γ1=0
δ1=5•0,135=0,675 мм.
Обмотка ω2:
Число витков в
одном слое обмотки:
ω12=(50-2•3.5)/0,55=78
Число слоёв
обмотки
2=58/78=0,74 Примем m1=1
Толщина всей
обмотки δ2 с учётом, что γ2=0
δ2=1•0,55=0,55 мм.
Необходимая
ширина окна определяется в соответствии с формулой (10):
СНЕОБХ=k(ε2+δ1+ δ1,2+ δ2+ δ2,3+…+ δN-1+ δN-1,N+ δN + ε3)+ ε4 (10)
где k-коэффициент
разбухания обмоток за счёт неплотного прилегания cлоёв, k=1,2÷1,3;
ε2-толщина изоляции между обмотками и
стержнем, ε2=1,0÷2,0
мм;
ε3-толщина наружной изоляции катушки, ε3=0,5÷1,0 мм;
ε4-расстояние от катушки до второго стержня,
ε4=1÷4
мм;
δ1,2,
δ2,3, …,
δN-1,N-толщина изоляции между обмотками, она
составляет 0,5÷1,0 мм.
Учитывается, что
k=1,25; ε2=1,5;
δ1,2=
δ2,3=0,75;
ε3=0,75; ε4=2,5.
СНЕОБХ=1,25(1,5+0.675+0,75+0,55+0,75+0,75)+2,5=8,7
мм.
Таким образом, СНЕОБХ
не превышает ширину окна выбранного магнитопровода, которая равна 20 мм,
следовательно, обмотки трансформатора разместятся в окне данного
магнитопровода.
2.1.2 Расчет параметрического стабилизатора
Исходные данные (номинальные значения): выпрямленное
напряжение в нагрузке UОН=12В; выпрямленный ток в нагрузке IО=0,8 А; коэффициент
пульсации выпрямленного напряжения на нагрузке kП.Н.=1%; напряжение сети U1=220 В; частота сети fС=50 Гц; рабочий диапазон
температур ΔТОКР= -50÷60ºc; мощность в нагрузке РОН= UОН· IО=12*0,8=9,6 В·А
Применяется однофазная мостовая схема выпрямления с фильтром,
начинающимся с конденсатора, который обозначается С3.
Коэффициент пульсации выпрямленного напряжения принимается Kп.вх=15%
Напряжение на выходе схемы выпрямления
Uo=Uoн[1+0,01(∆Uф/ Uoн)]=12×(1+0,01×10)=13,2 B
Основные параметры диодов схема определяются по [таблице 1],
согласно которой приблизительное значение
Iпр.и.п.=3,5Io=3,5×0,8=2.8 A; пр.ср=Io/2=0,8/2=0.4
A; обр.и.п.=1,5Uo=1,5×13,2=19,8 B
В соответствии с этими данными выбираем диодную сборку RS407 со следующими
параметрами при окружающей температуре -60 ¸ +130%;
Iпр.ср.max=4 А> Iпр.ср;
Uобр.max=1000 B> Uобр.и.п;
Iпр.и.max= 6Iпр.ср.max=60> Iпр.и.прибл.;
Uпр.ср=1B
Таким образом, Nпосл=1
. Активное сопротивление обмоток трансформатора, приведённое
ко вторичной обмотке, определяется согласно формуле (11)
(11)
. Дифференциальное сопротивление диодов определяется согласно
формуле (12):
(12)
. Активное сопротивление фазы выпрямителя определяется
согласно формуле (13)
ro=2rдиф+rтр (13)
ro=2×0.83+1.3=2.99 Ом
. Индуктивность рассеяния обмоток трансформатора определяется
согласно формуле (14)
(14)
. Соотношение между активным и реактивным сопротивлением фазы
выпрямителя определяется по формуле (15)
(15)
φ=2,2º
. Вспомогательный коэффициент определяется по формуле (16)
(16)
. Расчетные коэффициенты B, D, F и H определяются по графикам:
B=1,6; F=3,7; D=1,8; H=49000
. Уточняется значение Iпр.и
(17)
; Iпр.и=1.48А<4А
Таким образом, вентиль RS407 по току выбран
правильно.
. Электрические параметры трансформатора.
U2= BUo=1,6×13,2=18,5 B
(18)
(19)
(20)г=1,5Ро=1,5UoIo=1,5×13,2×0.8=15,8 B×A (21)
10. Проверка выбранного диода по обратному напряжению:
Uобр=1,41U2=1,41×18,5=26 B < 1000 B
Таким образом, по обратному напряжению вентиль RS407 выбран правильно.
11. Входная емкость фильтра С3 определяется
согласно формуле (22)
где
=15%
(22)
Принимаем ближайшее стандартное значение С3=2200
мкФ. Выбираем конденсатор Samsung 9105 с Uраб=25 В.
Коэффициент пульсации, соответствующий С3
определяется по формуле (23)
(23)
2.1.3 Расчет диода
Требуется рассчитать токоограничивающий резистор для питания
диода
Схема включения диода приведена на рисунке 7.
Рисунок 7 - Схема включения диода
Расчёт резистора производится по формуле:
R = U - dU/I (24)
где R - сопротивление резистора;
U - напряжение питания;
dU - падение напряжения;
I - номинальный ток светодиода.
Выбираем диод с номинальным напряжением 3,15В и номинальным
током 0,02А.
R = 5 - 3,15 / 0,02 = 92,5 Ом. Выбираем резистор 100 Ом.
2.2 Расчет надежности изделия
Исходные данные вносим в таблицу 1, в которой содержится
перечень, тип и количество используемых компонентов, и произведем их анализ.
Надёжность - свойство изделия выполнять заданные функции в
определенных условиях эксплуатации при сохранении значений основных параметров
в заранее установленных пределах.
Надежность РЭС в конечном итоге зависит от количества и
качества входящих в него элементов и от условий его эксплуатации.
Качественными характеристиками надежности являются
безотказность, ремонтопригодность, долговечность и сохраняемость.
Если при работе или хранении аппаратуры произошло нарушение
работоспособности изделия, то такое событие называют отказом. Отказы могут быть
внезапными и постепенными.
При конструировании аппаратуры необходимо принимать меры по
повышению ее надежности. Необходимо также учитывать, что надежность можно
повысить на этапе проектирования, производства и эксплуатации.
Количественные характеристики надежности вводятся с целью
сравнения различных типов изделий или образцов изделий одного и того же типа.
Одной из таких характеристик является вероятность безотказной
работы изделия в течение заданного интервала времени tp: О < P(tp) < 1.
Эта формула дает возможность определить какая часть изделий
будет работать исправно в течение заданного времени tp. Вероятность безотказной
работы можно определить по формуле:
P(tp) ≈ b / а , (25)
где b - количество ЭРЭ, работающих исправно;
а - общее количество ЭРЭ.
Вероятность безотказной работы, кроме зависимости от
физических свойств ЭРЭ, зависит также от времени tp, в течении которого изделие
должно работать безотказно:
P(tp) = e- λtр, (26)
где е - основание логарифма;
λ - интенсивность отказов;-
время безотказной работы.
Расчёт надёжности РЭС производится по методике, изложенной в
[11], и осуществляется в следующем порядке:
а) Необходимо проанализировать исходные данные, в которых
содержатся:
- Перечень используемых компонентов;
- Количество используемых компонентов;
- Температура окружающей среды и фактическое
значение параметра α, определяющего надежность.
б) Составляем таблицу аналогичную таблице 2.3 [11], в которой
находятся наряду с исходными данными, также и расчетные величины.
в) По данным, содержащимся в справочниках и ТУ на
радиокомпоненты, определяем значение параметра, определяющего надежность и
конструктивную особенность. Данные вносятся в графы 6 и 7 таблицы 2.3 [11].
г) По формулам (2.7 - 2.10) [11] производим расчёты
коэффициента нагрузки:
Таблица 1 - Перечень, тип и количество используемых
компонентов
|
Наименование компонента
|
Тип
|
Количество
|
|
Резисторы
|
МЛТ - 0,125
|
13
|
|
Конденсаторы
|
К50 - 35
|
2
|
|
К10 - 5
|
3
|
|
Диоды
|
RS407 Д814Б АЛ301А
|
4 1 1
|
|
Микросхемы
|
Pic16f870 LM2931
|
1 1
|
|
Трансформатор
|
ТПП-207-220-35
|
1
|
|
Индикатор
|
LTCS5461AS R
|
1
|
|
Переключатели
|
SB SA
|
2 2
|
|
Предохранитель
|
ВП - 1
|
1
|
|
Кварцевый резонатор
|
20 МГц
|
1
|
|
транзистиры
|
КТ315 КТ817
|
1 1
|
|
Пайка
|
|
86
|
По формулам (2.7 - 2.10) [11] производятся расчёты
коэффициента нагрузки:
Резисторы:
, (27)
где
- фактическая мощность, рассеиваемая на
резисторе;
-
номинальная мощность, рассеиваемая на резисторе.
МЛТ - 0,125: Кн = 0,008 / 0,0125 = 0,064
Конденсаторы:
, (28)
где
- фактическое напряжение, прикладываемое
к конденсатору;
- номинальное напряжение, прикладываемое к конденсатору.
К50 - 35: Кн = 24 / 25 = 0,96;
К10 - 5: Кн = 5 / 100 = 0,05.
Диоды:
, (29)
где
- фактическое значение проходящего тока;
- номинальное значение проходящего тока.
RS407: Кн = 1 / 3 = 0,33;
Д814б: Кн = 1,2 / 3 = 0,4;
АЛ301А: Кн = 0,02 / 0,02 = 1.
Микросхемы:
, (30)
где
- фактическое напряжение питания ИМС;
- максимальное напряжение питания ИМС.
Pic16f870: Кн = 0,02 / 0,03 = 0,67;
LM2931: Кн = 0,5 / 1 = 0,5.
Трансформатор:
, (31)
где
- фактическое напряжение;
- номинальное напряжение.
ТПП-207-220-35: Кн = 9 / 12 = 0,75
Индикаторы:
, (32)
где
- фактическое напряжение;
- номинальное напряжение.
LTCS5461AS R: Кн = 3,3 / 5 = 0,66.
Переключатели:
, (33)
где
- фактическое напряжение;
- максимальное допустимое напряжение.
SB: Кн = 5 / 220 = 0,02;
SA: Кн = 220 / 1000 = 0,022.
, (34)
где
- фактическое значение проходящего тока;
- номинальное значение проходящего тока.
ВП-1: Кн = 0,03 / 0,2 = 0,015.
Кварцевый резонатор:
, (35)
где
- фактическое напряжение;
- номинальная напряжение.
ZQ: Кн = 5 / 10 = 0,5.
Транзисторы:
Кн = Рс / Рс max, (36)
где Рс - фактическая мощность рассеиваемая на коллекторе;
Рс max - максимально допустимая мощность рассеивания на
коллекторе.
КТ315 : Кн = Рс / Рс max =0.25/0.150 = 0.16
КТ817 : Кн = Рс / Рс max =0.25/25 = 0.01
По таблице 2 интенсивности отказов определяем значение
(интенсивность отказов) для каждого
радиокомпонента.
Таблица 2 - Интенсивность отказов радиокомпонентов
|
Наименование
радиокомпонента
|
λо 10 -
6, 1/ч
|
|
Диоды кремниевые:
Выпрямительные Универсальные Импульсные Стабилитроны
|
0,2 0,1 0,5 0,1
|
|
Транзисторы кремниевые
малой мощности: Низкочастотные Среднечастотные Высокочастотные
|
0,5 0,25 0,2
|
|
Транзисторы кремниевые
средней мощности: Среднечастотные Высокочастотные
|
1,3 0,5
|
|
Транзисторы полевые:
|
0,1
|
|
Конденсаторы: Керамические,
пленочные Стеклянные Бумажные Электролитические алюминиевые
|
0,05 0,1 0,1 0,5
|
|
Резисторы Непроволочные
проволочные
|
0,04 0,05
|
|
ИМС
|
2…3
|
|
Коммутационные изделия
(переключатели, кнопки)
|
1,0
|
|
Трансформаторы
|
0,8
|
|
Один контакт соединителя
типов: РМ СНЦ РН СНП
|
0,003 0,002 0,02 0,005
|
|
Пайка
|
0,005
|
Таким образом получаются исходные данные:
- резисторы
;
конденсаторы
;
конденсаторы
;
- диоды
;
диоды
;
диоды
;
микросхемы
;
трансформатор
индикаторы
переключатели
;
предохранитель
;
кварцевый резонатор
;
транзисторы
;
пайка
.
Из таблицы 3 определяется также для каждого компонента
дополнительный коэффициент
, учитывающий значение температуры и коэффициента нагрузки
(заносится в таблицу 5). Затем рассчитываем
(интенсивность отказов с учетом температуры и коэффициента
нагрузки) по формуле (37).
, (37)
где
- коэффициент влияния температуры;
-
интенсивность отказов для группы компонентов.
Таблица 3 - Зависимость
от
|
Т, °C
|
Значение при равном:
|
|
0,1
|
0,3
|
0,5
|
0,8
|
1
|
|
Кремниевые
полупроводниковые приборы
|
|
40
|
0,05
|
0,15
|
0,30
|
1
|
-
|
|
Керамические конденсаторы
|
|
40
|
0,20
|
0,30
|
0,50
|
1
|
1,4
|
|
Бумажные конденсаторы
|
|
40
|
0,50
|
0,60
|
0,80
|
1
|
1,2
|
|
Электролитические
алюминиевые конденсаторы
|
|
40
|
0,65
|
0,80
|
0,90
|
1,1
|
1,2
|
|
Металлооксидные
тонкопленочные резисторы
|
|
40
|
0,45
|
0,60
|
0,80
|
1,1
|
1,35
|
Рассчитывается
для каждого элемента:
;
;
;
;
;
;
;
;
;
;
;
;
.
Все значения заносятся в соответствующие графы таблицы 5. Для
расчета учета влияния температуры выбирается температура
.
Рассчитываются
(интенсивность отказов всех ЭРЭ) для каждой группы компонентов по
формуле (36).
, (38)
где
- число компонентов, входящих в группу;
- интенсивность отказов группы компонентов. Рассчитывается
для каждой группы компонентов:
;
;
;
;
;
;
;
;
;
;
;
;
;
.
Находится значение интенсивности отказа
для всего блока:
(39)
Все рассчитанные и исходные данные заносятся в таблицу 5, которая
служит основанием для дальнейших расчетов.
Определяется средняя наработка на отказ по формуле:
, (40)
при
, получим:
;
Рассчитывается значение вероятности безотказной работы для четырех
значений времени работы узла РЭС по формуле:
, (41)
Расчет вероятности безотказной работы производится по формуле 41,
результаты заносятся в таблицу 4 и отражаем на рисунке 8.
Таблица 4 - Расчет безотказной работы изделия
|
Время работы (tр),
ч.
|
Вероятность безотказной
работы Р(tр)
|
|
100
|
0,999
|
|
1000
|
0,995
|
|
10000
|
0,948
|
|
100000
|
0,586
|
Рисунок 8 - График безотказной работы
2.3 Расчет размера печатной платы
При выполнении расчётов используются справочные данные о
габаритных размерах электрорадиоэлементов (ЭРЭ) или производят измерения
установочных размеров ЭРЭ с учетом выбранного способа размещения и крепления их
на печатной плате.
Для обеспечения оптимизации размещения ЭРЭ на печатной плате,
размер платы должен выбираться (рассчитываться) с определённым запасом.
Коэффициент запаса площади (плотности монтажа) для большинства узлов РЭС
выбирают в пределах Кз = 1,0 - 2,5.
Расчёт производится в следующей последовательности:
Расчет площади, занимаемой всеми ЭРЭ данного типа в
проектируемом печатном узле РЭС:
Исходные данные для расчёта являются справочными данными:
Установочная площадь: резисторы R3…R8, R10…R13: МЛТ - 0,125 - 38 мм2
(10 шт.); конденсаторы С2: К50 - 35 - 40 мм2 (1 шт.); конденсаторы
С1,С4,С5: К10 - 5 - 40 мм2 (3 шт.); микросхемы DD1: pic16f870 - 350 мм2
(1 шт.); DA1: LM2931 - 35 мм2 (1 шт.); кварцевый резонатор ZQ1: 20,0 МГц - 40 мм2
(1 шт.).
Коэффициент запаса (1 - 2,5) выбираем Кз = 2,5.
Расчёт площади, занимаемой всеми ЭРЭ данного типа
производится по формуле:
, (42)
где n(R,C,DD,DA,VT,BA) - количество ЭРЭ данного типа;
Si - установочная площадь одного ЭРЭ данного типа в мм2;
Рассчитываем площадь, занимаемую ЭРЭ соответствующего типа:
;
;
;
;
.
Расчёт общей площади элементов монтажа:
.
) Определяем установочную площадь всех элементов на плате с учетом
площади уголков для крепления платы и площади монтажных проводов.
уст.=
Sобщ.* Куст , (43)
где Куст - коэффициент установки. Куст.=1,2;
уст.=
Scум.*1,2
S уст =
969*1,2 =1163 мм2
5) Расчёт площади печатной платы с учётом коэффициента площади
монтажа производится по формуле:
, (44)
где Sуст - общая площадь элементов монтажа;
Кз - коэффициент запаса.
Sпп = 1163*2,5 =2908 мм2
6) Выбирается соотношение сторон по удобству расположения и
крепления платы в конструкции узла РЭС: 1:1.
) Расчет размера сторон платы:
, (45)
Хр=
(46)
Хр = 54мм
Длина платы с учетом кратности в соответствии с ГОСТ 10317 -
79 равна 55мм. Ширина платы 55мм.
2.4 Расчёт печатного монтажа
Печатные платы обладают электрическими и конструктивными
параметрами.
К электрическим параметрам относятся:- ширина печатного
проводника;- расстояние между печатными проводниками;- радиальная ширина
контактной площадки;- сопротивление печатного проводника;- емкость печатного
проводника;- индуктивность печатного проводника.
К конструктивным параметрам печатных плат относятся:
- размеры печатной платы;
- диаметры и количество монтажных отверстий;
- диаметры контактных площадок;
- минимальное расстояние между центрами двух
соседних отверстий для прокладки нужного количества проводников.
Расчет печатного монтажа производится в следующей
последовательности:
Исходные данные для расчета:
- максимальное рабочее напряжение в
электрической схеме: 9В;
- максимально возможный ток через печатный
проводник Imаx = 0,1 А;
- размер печатной платы равен 55*55 мм.
. Минимально допустимая ширина проводника:
tmin
Imax /( hФ х J),: (47)
где I - ток, А, протекающий по проводнику- берется из
исходных данных (О,1 А).Ф- толщина фольги hф = 0,05 мм);- плотность
тока, А/мм2.
Максимально допустимая плотность тока для печатных
проводников следующая:
А/мм2 для внешних слоев печатной платы бытовой аппаратуры;
А/мм2 для внешних слоев печатной платы специальной
аппаратуры;
А/мм2 для внутренних слоев многослойной печатной платы.=
0,1/0,05*30 = 0,07мм.
2. Минимально допустимое расстояние (зазор) между двумя
печатными проводниками.
Минимальное расстояние S между печатными проводниками определяется
из соображений обеспечения электрической прочности. Значения допустимых рабочих
напряжений между элементами проводящего рисунка, расположенные на наружном слое
печатной платы, приведены в таблице 6. Расчёт минимального расстояния между
двумя печатными проводниками производится исходя из максимального рабочего
напряжения в электрической схеме. Для напряжения питания 9В, при использовании
стеклотекстолита в качестве основания печатной платы, минимальное расстояние
между проводниками составляет 0,2 мм.
Таблица 6 - Допустимые рабочие напряжения
|
Расстояние между элементами
проводящего рисунка
|
Значение рабочего
напряжения, В
|
|
ГФ
|
СФ
|
|
От 0,1 до 0,2 мм
|
-
|
25
|
|
Св.0,2 '' 0,3 ''
|
30
|
50
|
|
'' 0,3 '' 0,4 ''
|
100
|
150
|
|
'' 0,4 '' 0,7 ''
|
150
|
300
|
|
'' 0,7 '' 1,2 ''
|
300
|
400
|
|
'' 1,2 '' 2,0 ''
|
400
|
600
|
Зная t и S, из конструктивных соображений выбирается класс
точности печатной платы.
Наименьшие номинальные значения основных размеров элементов
конструкции печатных плат для узкого места в зависимости от класса точности
приведены в таблице 7.
Таблица
7- Номинальные значения основных параметров для разных классов точности
|
Условное обозначение
|
Номинальное значение
основных параметров для класса точности
|
|
1
|
2
|
3
|
4
|
5
|
|
t, мм
|
0,75
|
0,45
|
0,25
|
0,15
|
0,10
|
|
S, мм
|
0,75
|
0,45
|
0,25
|
0,15
|
0,10
|
|
b, мм
|
0,30
|
0,20
|
0,10
|
0,05
|
0,025
|
|
γ *
|
0,40
|
0,40
|
0,33
|
0,25
|
0,20
|
* γ - отношение номинального
значения диаметра наименьшего из металлизированных отверстий к толщине печатной
платы.
Отечественным стандартом ГОСТ 23751-86 предусматривается пять
классов точности (плотности рисунка) ПП (см. таблицу). Выбор класса точности
определяется достигнутым на производстве уровнем технологического оснащения. В
КД должно содержаться указание на необходимый класс точности ПП.
Платы первого и второго классов точности просты в
изготовлении, дешевы, не требуют для своего изготовления оборудования с
высокими техническими показателями, но не отличаются высокими показателями
плотности компоновки и трассировки.
Для изготовления плат четвертого и пятого классов требуется
специализированное высокоточное оборудование, специальные материалы,
безусадочная пленка для изготовления фотошаблонов, идеальная чистота в
производственных помещениях, вплоть до создания "чистых" участков
(гермозон) с кондиционированием воздуха и поддержанием стабильного
температурно-влажностного режима. Технологические режимы фотохимических и
гальвано-химических процессов должны поддерживаться с высокой точностью.
Массовый выпуск плат третьего класса освоен основной массой
отечественных предприятий, поскольку для их изготовления требуется рядовое,
хотя и специализированное оборудование, требования к материалам и технологии не
слишком высоки. Выбираем класс точности третий
Выбрав класс точности изготовления печатной платы, можно
определиться со способом изготовления печатной платы.
Для изготовления печатных плат используют фольгированный
гетинакс и фольгированный стеклотекстолит, которые могут быть односторонними и
двусторонними. Выбор материала выбирается из конструктивных соображений.
Следует помнить, что гетинакс дешевле стеклотекстолита, но если плата должна
быть двусторонней или изделие будет эксплуатироваться в условиях повышенной
влажности, повышенных механических нагрузок или в тяжелом температурном режиме,
то следует использовать стеклотекстолит. Кроме того, сцепление фольги со
стеклотекстолитом лучше, чем с гетинаксом, и фольгированный стеклотекстолит
выдерживает большее число перепаек, не отслаиваясь. Наиболее распространенные
марки фольгированных диэлектриков следующие:
ГФ-1-35, ГФ-1-50, ГФ-2-50, СФ-1-35, СФ-1-50, СФ-2-35,
СФ-2-50, где первые две буквы означают вид диэлектрика, первая цифра говорит о
том односторонний или двусторонний фольгированный диэлектрик, следующие две
цифры указывают на толщину фольги в микрометрах. Выбираем:
- материал печатной платы: односторонний
фольгированный стеклотекстолит марки СФ-1-35-1,5;
- метод изготовления печатной платы:
химический;
- метод получения проводящего рисунка:
офсетная печать;
- резистивное покрытие печатных проводников:
сплав «Розе».
3. Сопротивление печатного проводника рассчитывается по
формуле:
(48)
где ρ - удельное
сопротивление меди, Ом·мм2/м;
l - длина проводника, м.(измеряется)
t - минимальная ширина проводника
h - толщина проводника
Удельное сопротивление меди зависит от метода изготовления
проводящего слоя. Если проводники формируются методом химического травления
фольги, то удельное сопротивление меди будет равно 0,0175 Ом·мм2/м,
а при электрохимическом наращивании меди пленка более рыхлая и удельное
сопротивление равно 0,025 Ом·мм2/м, при комбинированном методе
изготовления печатной платы, когда проводники получаются методом химического
травления, а металлизация отверстий производится методом электрохимического
наращивания, удельное сопротивление будет равно 0,020 Ом·мм2/м.
ρ =0,0175 Ом·мм2/м;
l =для наиболее длинного 0,0375 м;
t = 0,15мм;
h = 0,05мм.
R = 0,175*0,064/0,05*0,07 = 0,3 Ом
4. Sпp - суммарная площадь печатных проводников в виде линий:
, (49)
где
- ширина печатного проводника, 0,15;
- общая длина печатных проводников, 444 мм;
.
5. SКПП- суммарная площадь контактных площадок:
, (50)
где
- радиус контактной площадки;
- радиус отверстия;
- количество контактных площадок ,86 шт. ;
Диаметры монтажных отверстий должны быть несколько больше
диаметров выводов ЭРЭ, причем
dО = dВ + D, (51)
при d ≤ 0,8 мм Δ = 0,2 мм,
при d > 0,8 мм Δ = 0,3 мм,
при любых d Δ = 0,4 мм, если ЭРЭ
устанавливаются автоматизировано.
Диаметр выводов равен 0,8мм, следовательно диаметры монтажных
отверстий будут равны:
dО = 0,8 + 0,2 = 1мм
Рекомендуется на плате иметь количество размеров монтажных
отверстий не более трех. Поэтому диаметры отверстий, близкие по значению,
увеличивают в сторону большего, но так, чтобы разница между диаметром вывода и
диаметром монтажного отверстия не превышала 0,4 мм. Диаметры контактных площадок
определяются по формуле:
dк = dо + 2 b + Δd, (52)
где b - радиальная ширина контактной площадки, мм, определяется по
таблице 7
Δd - предельное отклонение
диаметра монтажного отверстия, мм;
dк = 1 + 2*0,1 +0,2 = 1,4мм.
Rотв = dк/2
Rк = 0,7мм.;
Rотв = 0,4 мм.;
n1 = 86 шт.;
6. SПП - суммарная площадь печатных проводников, мм2.
, (53)
Где SКПП - площадь контактных площадок;
SПР -
суммарная площадь печатных проводником в виде линий.
Sпп = 121 + 66,6 = 187,6 
7. Паразитная емкость печатной платы:
(54)
где
- диэлектрическая проницаемость
диэлектрика (для стеклотекстолита 5);
h - толщина платы;
SПП -
суммарная площадь печатных проводников, мм2.
С = 9
=5,6пФ
8. Площадь металлизации:
Поскольку маркировка ЭРЭ и условное обозначение платы
выполняется краской, то площадь металлизации равна площади проводящего слоя:
, (55)
Sмет.= Sпп = 187,6мм2.
Рассчитанное значение
заносится в технические требования монтажа печатной платы.
9. Паразитная поверхностная емкость между соседними
проводниками:
, (56)
где k - коэффициент, зависящий от ширины проводников и их взаимного
расположения;
ε - диэлектрическая проницаемость материала
платы:
;
ln - длина взаимного перекрытия проводников,
мм.
. Расчет масс печатной платы и сборочной единицы.
Массу печатной платы, определим по формуле:
= mп + mф, (57)
где mп - масса платы,г;ф, - масса
фольги,г.
Масса печатной платы и масса фольги рассчитывается по формуле:
m = r×V (58)
где mп - масса,г;
r - удельная плотность
г/см3;
V - объем, 
Определяютя по справочникам:
- толщина фольги: hф= 0.05 мм ;
- удельная плотность фольги 2,6*103кг/м3;
- удельная плотность стеклотекстолита 1700 -
1800кг/м3;
- толщина платы Н = 1,5 мм.
п = 1700*0,1*0,05*0,0015 = 12,75гф =
2,6*103*0,1*0.05**35*10--6 = 0,455г = 12,75 +
0,455 = 13,2г
Определяется масса печатной платы с элементами. Результаты
расчетов записываются в таблицу8
Таблица 8 - Вес отдельных элементов устройства.
|
Наименование
|
Вес, гр
|
Количество, штук
|
Общий вес, гр.
|
|
Резисторы
|
0.1
|
10
|
1
|
|
Конденсаторы
|
5
|
1
|
5
|
|
0.5
|
3
|
1.5
|
|
Микросхемы
|
12
|
1
|
12
|
|
5
|
1
|
5
|
|
Кварцевый резонатор
|
10
|
1
|
10
|
|
Пайка
|
0,001
|
86
|
0,086
|
Просуммировав массу отдельных элементов, получаются:
Общая масса элементов:
э = 34,586 г.
Общая масса устройства
= mэ + mп = 34,586 +13,2 =47,786 г.
2.5 Расчет технологичности изделия
Согласно ГОСТ 14.205-83 «Технологичность конструкции изделий.
Термины и определения»: технологичность конструкции изделия - это совокупность
свойств конструкции изделия, определяющих ее приспособленность к достижению
оптимальных затрат труда, при производственном изготовлении и техническом
обслуживании для заданных показателей качества объема выпуска и условий
выполнения работ.
Количественной оценкой технологичности конструкции является
суммарный показатель, в состав которого входят конструкторские и
технологические показатели деталей и узлов изделия.
Согласно ОСТ 4ГО.091.219 81, все блоки по технологичности
делятся на четыре основные группы: электронные, радиотехнические,
электромеханические, коммутационные.
Для оценки технологичности используют систему относительных
частных показателей (Кi) и комплексный показатель (Кк) который
сравнивается с нормативным комплексным показателем технологичности (Кн),
разрабатываемым как среднестатистический для данного класса изделий и
приведенным в таблице 9 (см. [2], [3]). Если Кк>Кн, то конструкция считается
технологичной.
Таблица 9 - Значения нормативных показателей технологичности
[5]
|
Наименование класса изделий
|
Кн
|
|
1. Электронные приборы
|
0,5...0.7
|
|
2. Радиотехнические приборы
|
0.4...0,6
|
|
3. Электромеханические
приборы
|
0,45... 0,65
|
Различают производственную, эксплуатационную и ремонтную
технологичность конструкции.
Производственная технологичность определяет объем работ по
технологической подготовке производства (ТПП), сложность изготовления, удобство
монтажа вне предприятия - изготовителя.
Количественной оценкой производственной технологичности
конструкции является суммарный показатель, в состав которого входят
конструкторские и технологические показатели деталей и узлов изделия.
Конструкторские показатели определяют конструктивную
преемственность - совокупность свойств изделия, характеризуемую повторяемостью
в нем составных частей, относящихся к изделиям данной классификации группы, и
применяемостью новых составных частей, обусловленных его функциональным
назначением, а также сложностью сборки.
Технологические показатели определяют технологическую
преемственность конструкции, приспособленность её к механизации и автоматизации
при изготовлении, а также сложностью обработки деталей. Под технологической
преемственностью понимают совокупность свойств изделия, характеризуемую
применяемостью и повторяемостью технологических методов выполнения узлов и их
конструктивных элементов, относящихся к изделиям данной классификационной
группы. Для каждого типа блоков из общего состава определяется семь показателей
технологичности, оказывающих наибольшее влияние, каждый из которых имеет свою
весовую характеристику. Основные конструкторские и технологические показатели
конструкции приведены в таблице 10.
Таблица 10 - Основные показатели технологичности РЭС [5],
|
Классификация показателей
|
Наименование показателя
|
Обозначение
|
|
Конструкторские
|
1. Коэффициент освоенности
деталей и сборочных единиц (ДСЕ)
|
KОСВ ДСЕ
|
|
2. Коэффициент
использования ИМС и микросборок
|
КИСП ИС
|
|
3. Коэффициент
повторяемости типовых электрорадиоэлементов (ЭРЭ)
|
КПОВ ЭРЭ
|
|
4. Коэффициент
применяемости типоразмеров оригинальных деталей
|
КПР ОР Д
|
|
5. Коэффициент сложности
сборки
|
КСЛ СБ
|
|
Технологические
|
1. Коэффициент механизации
подготовки ЭРЭ к Монтажу
|
КМП ЭРЭ
|
|
2. Коэффициент
автоматизации и механизации монтажа изделия
|
Кам
|
|
3. Коэффициент
применяемости типовых техпроцессов
|
КПОВ ЭРЭ
|
|
4. Коэффициент автоматизации
и механизации контроля и настройки изделия
|
КАМ КН
|
|
5. Коэффициент
использования материалов
|
Ким
|
|
6. Коэффициент сложности
обработки
|
КСЛ
|
|
7. Коэффициент точности
обработки
|
КТЧ
|
|
8. Коэффициент
прогрессивности формообразования деталей
|
Кпф
|
Для радиотехнических устройств выбираем показатели
технологичности в соответствии с таблицей 11
Таблица 11 - Показатели технологичности радиотехнических
устройств
|
qi
|
Коэффициенты
|
Обозначение
|
φi
|
|
1Т
|
Автоматизации и механизации
монтажа
|
КАМ
|
1,0
|
|
2Т
|
Автоматизации и механизации
подготовки ЭРЭ к монтажу
|
Кмп ЭРЭ
|
1,0
|
|
3К
|
Освоенности ДСЕ
|
Косв
|
0,8
|
|
4К
|
Использования микросхем и
микросборок
|
Кисп ис
|
0,5
|
|
5К
|
Повторяемости печатных плат
|
Кпов пп
|
0,3
|
|
6Т
|
Применения типовых
техпроцессов
|
Ктп
|
0,2
|
|
7Т
|
Автоматизации и механизации
регулировки и контроля
|
Ктп
|
0,1
|
Примечание: в графе qi буквы нижнего индекса
означают: «т» - технологический показатель, «к» - конструкторский показатель.
Каждый показатель имеет свою весовую характеристику,
определяемую в зависимости от порядкового номера частного показателя таблица 12
Таблица 12 -Весовые характеристики
|
g
|
f
|
g
|
f
|
|
1 2 3 4
|
1,0 1,0 0,8 0,5
|
5 6 7
|
0,3 0,2 0,1
|
Весовая характеристика рассчитывается по формуле 59:
F = g/
, (59)
где g - порядковый номер последовательности
частных показателей
Далее осуществляем расчет соответствующих коэффициентов:
) Коэффициент автоматизации и механизации монтажных
соединений:
, (60)
где
- число монтажных соединений,
выполняемых с использованием автоматизации и механизации;
- общее
число монтажных соединений.
.
2) Коэффициент механизации подготовки ЭРЭ к монтажу:
, (61)
где
- число ЭРЭ, подготовленных
механизированно к монтажу;
- общее число всех ЭРЭ.
.
3) Коэффициент освоенности деталей и сборочных единиц:
Косв = 1 - Дор / Д, (62)
где
- число типоразмеров (число типов с
различными размерами) оригинальных деталей (платы печатные, радиаторы,
соединители из ударопрочного полистирола, держатели предохранителей, корпусные
- передняя, задняя панель; кронштейны), без учёта оригинальных ЭРЭ;
- общее
число типоразмеров деталей (типовые, ранее применённые) без учета крепежа.
.
4) Коэффициент использования ИС и микросборок:
, (63)
где
- число ИС и микросборок,
;
- общее число ЭРЭ в изделии,
.
.
) Коэффициент повторяемости типовых ЭРЭ:
, (64)
где
- число типовых ЭРЭ в изделии
;
- общее число ЭРЭ в изделии.
.
) Коэффициент применения типовых процессов (ТП):
, (65)
где
- число типовых ТП;
- общее
число ТП.
.
) Коэффициент автоматизации и механизации контроля и
настройки:
К АМ КН = Нм кн / Нкн, (66)
где Нм кн - число операций автоматизированного контроля и
настройки;
Нкн - общее число операций контроля и настройки.
К АМ КН =0,5
Технологичность конструкции РЭС определяем с помощью комплексного
показателя разрабатываемого нового изделия (
):
(67)
где:
базовые показатели, номенклатура которых зависит от типа блока
(электронный, радиотехнический, соединительный, коммутационный,
распределительный электромеханический, механический); радиотехнические блоки
отличаются от электронных наличием приемопередающих и антенно-фидерных
устройств;
коэффициенты
весовой значимости каждого базового показателя, выбираемые в пределах
, по ГОСТ 14.202 (т.е. коэффициенты
степени влияния на трудоемкость изготовления изделия).
Рассчитанные и весовые коэффициенты приводим в таблице 13.
Таблица 13 - рассчитанные и
весовые коэффициенты
|
Коэф.
|
КАМ
|
Кмп ЭРЭ
|
Косв
|
Кисп ис
|
Кпов пп
|
Ктп
|
Ктп
|
|
Значение коэф.
|
0,74
|
0,94
|
0,16
|
0,056
|
0,706
|
0,6
|
0,5
|
|
, вес110,80,50,30,20,1
|
|
|
|
|
|
|
|
Определяем комплексный показатель:
Технологичность разрабатываемого изделия оценивается по
формуле:
, (68)
где
достигнутый комплексный показатель
технологичности (0,84);
нормативный комплексный показатель технологичности (0,5).
значит конструкция разрабатываемого пробника многофункционального
технологична.
3. Конструкторская часть
3.1 Формирование конструкторского кода обозначения изделия
Обозначение проектируемому изделию присваивают индивидуально
каждому и только одному изделию (документу) в соответствии с классификатором
ЕСКД по ГОСТ 2.201-80.
Каждое обозначение начинается с четырёхбуквенного кода
организации-разработчика. Например, для отделения «радиотехническое» Брестского
государственного политехнического колледжа применяется аббревиатура «БГПК» и точка
после четырех букв. Далее следует шесть цифр кода классификационной
характеристики и точка после них.
Формирование конструкторского кода изделия:
Первые две цифры кода обозначают класс изделия в соответствии
с классификатором ЕСКД. (Всего 100 классов, занято 50 классов в промежутке с 04
по 94), например:
«41» -средства измерения электрических и магнитных величин,
ионизирующих излучений;
Третья цифра - подкласс изделия:
«1» -средства измерения электрических и магнитных величин;
Четвертая цифра - группа:
«2» - приборы для измерения элементов цепей, компонентов и
трактов, приборы комбинированные;
Пятая цифра - подгруппа:
«5» -комбинированные (для измерения нескольких величин);
Шестая цифра - вид:
«8» - комбинированные.
Порядковый регистрационный номер присваивают по
классификационной характеристике от 001 до 999.
Окончательный сформированный конструкторский код данного
изделия имеет вид: «БГПК.411258.065».
Для не основного конструкторского документа, например схемы
добавляют к обозначению код (шифр) этого документа не более четырех знаков,
например для схемы электрической структурной - Э1, схемы электрической
принципиальной - Э3, перечня элементов - ПЭ3, сборочного чертежа - СБ,
пояснительной записки - ПЗ.
Для пояснительной записки к дипломному проекту код изделия
имеет вид:
«БГПК. 390202. Р36 ДП ПЗ»
Для схемы электрической структурной код изделия имеет вид:
«БГПК. 411258. 065 ДП Э1»
Для схемы электрической принципиальной код изделия имеет вид:
«БГПК. 411258. 065 ДП Э3»
Для перечня элементов код изделия имеет вид:
«БГПК. 411258. 065 ДП ПЭ3»
Формирование кода печатной платы:
Класс «75» - детали радиоэлектронные крепёжные;
Третья цифра - подкласс изделия:
«8» - крепёжные, радиоэлектронные печатные платы;
Четвёртая цифра - подкласс изделия:
«7» - крепёжные, радиоэлектронные печатные платы;
Пятая цифра - подгруппа:
«1» - в платы прямолинейные с печатными проводниками,
двусторонние;
Шестая цифра - вид:
«3» - ширина до 50 мм;
Окончательный код печатной платы имеет вид:
«БГПК.758713.065»
Код сборочного чертежа печатной платы со смонтированными ЭРЭ
имеет вид:
«БГПК. 419135.065 ДП СБ»
Код спецификации имеет вид:
«БГПК. 419135.065»
Код печатного узла имеет вид:
«БГПК. 419135.065»
3.2 Выбор и обоснование конструкции изделия
Методология поиска оптимального варианта конструкции РЭС
основана на использовании системного подхода. Сущность системного подхода при
конструировании современных РЭС заключается в том, что отыскивается оптимальное
(наилучшее) решение при одновременном учете нескольких различных групп факторов
и ограничений, которые раньше (для аппаратуры первых поколений) учитывались на
различных этапах проектирования (разработка структурной и принципиальной схем,
конструирование, разработка технологического процесса). При этом структура РЭС,
его конструкция и технология изготовления рассматриваются с точки зрения
оптимальности всей системы.
Конструктор должен искать такие компоновочные решения,
которые удовлетворяют следующим требованиям, см. с. 362-363 [11]:
а) между отдельными узлами, блоками должны отсутствовать паразитные
электрические взаимосвязи, влияющие на технические характеристики изделия;
б) тепловые и механические влияния элементов конструкции не
должны ухудшать их технические характеристики;
в) взаимное расположение элементов конструкции должно
обеспечить технологичность сборки и монтажа с учётом использования автоматов и
полуавтоматов, лёгкий доступ к деталям для контроля, ремонта и обслуживания;
г) расположение и конструкция органов управления и отсчётных
устройств должны обеспечивать максимальные удобства для оператора;
д) изделие должно удовлетворять требованием технической
эстетики;
Высокая сложность современных РЭС с применением ИМС,
микросборок, вызвала необходимость удовлетворения следующим современным
требованиям:
а) микроминиатюризация аппаратуры в целом;
б) унификация элементов конструкций;
в) возможность параллельной сборки и регулировки составных
частей РЭС;
г) обеспечение высокой эксплуатационной надёжности за счёт
быстрой замены вышедших из строя составных частей;
д) возможность проведения модернизации отдельных составных
частей.
Все это позволяет улучшить показатели качества РЭС, но
одновременно требует коренного изменения конструкции. В конечном счете,
структура РЭС и ее конструкция зависят от технологических возможностей
производства. Поэтому при системном подходе подразумевается учет при
конструировании не только схемотехнических, но и технологических факторов. Для
аналоговых устройств, ввиду меньшей регулярности структур и большего
разнообразия выполняемых функций (генератор, модулятор, компаратор и пр.), а
также более широких диапазонов мощностей и частот сигналов труднее использовать
системный подход. В целом использование системного подхода при конструировании
РЭС повысило роль конструктора и технолога, которые стали принимать участие в создании
РЭС с самых ранних этапов.
Для облегчения поиска оптимального или просто приемлемого
варианта конструкции РЭС используют отработанные (базовые) конструкции,
определенные виды материалов и компонентов, стандартные технологические
процессы и схемотехнические решения, известные физические принципы. Однако при
поиске конструкции с параметрами, значительно лучшими достигнутых, ищут
принципиально новые решения.
С учетом вышеперечисленных требований было изготовлено
изделие со следующими параметрами: за счет использования современной
малогабаритной элементной базы изделие получилось миниатюрным и его размеры
составляют 125х70х25 мм; корпус изготовлен из пластмассы; элементы управления
располагаются на передней панели, что обеспечивает удобство для оператора;
изделие соответствует требованиям технической эстетики.
.3 Выбор и обоснование материалов
Выбор материалов производится на основании технологических
показателей и условий эксплуатации изделия.
Материалы для печатных плат.
Материалами для печатных плат могут служить фольгированные
текстолиты, стеклотекстолиты и гетинаксы. Выбор материала для печатной платы
производится по ГОСТ 21931-76 «Материалы электроизоляционные, фольгированные
для печатных плат». В качестве материала для печатной платы используется,
односторонний фольгированный стеклотекстолит марки СФ-2М-35-1, имеющий
следующие параметры:
а) Удельное объемное сопротивление r= 5х1012 Ом х см,
б) Тангенс угла диэлектрических потерь d ≤ 0.03,
в) Прочность сцепления фольги с основанием y= 10 Н/см2 .
Выбранный материал обладает достаточной механической прочностью и хорошими
изоляционными свойствами.
Материалом-заменителем может служить стеклотекстолит СТПА
5-1-1.5.
Материалы для выполнения электромонтажных работ.
Для выполнения электромонтажных работ применяются:
а) Припой ПОС-61 ГОСТ 2.62460-89, содержащий 61 % - олова,
остальное - свинец, имеющий температуру плавления 190°С и предназначенный для
пайки деталей, когда недопустим или нежелателен высокий нагрев в зоне пайки, а
также, когда требуется повышенная механическая прочность.
б) Флюсы. Для очистки поверхности печатных проводников от
окислов при пайке применяется флюс спирто-канифольный КЭ, содержащий от 15 до
28 % канифоли, остальное - этиловый спирт. Флюс К-9 применяется при пайке меди,
латуни, бронзы во время электромонтажных работ мягкими и легкоплавкими
припоями, удобен для переноса в труднодоступные места. Материалом-заменителем
служит флюс ЛТИ-1.
в) Спирто-нефрасовые (нефрас - нефтяной растворитель) смеси.
Для удаления остатков флюса места пайки протирают хлопчатобумажной тканью,
смоченной спиртом или спирто-нефрасовой смесью (в пропорции 1:1).
г) Монтажные провода. Для межблочных соединений применяют
монтажные провода марок:
) Провод МГ-13 с номинальным сечением жилы 0,2 мм2,
работающий при температурах от минус 60°С до плюс 70°С и относительной
влажности менее 98 %, и напряжении менее 220В.
4. Технологическая часть
.1 Формирование технологического кода изделия
Обозначение проектируемому изделию присваивают индивидуально
каждому и только одному изделию (документу) в соответствие с классификатором
ЕСКД по ГОСТ 2.201-80.
Код технологического документа, например, маршрутной карты
(МК) выбирается по ГОСТ 3.1201-85 и проставляется в блоке Б1 основной надписи
по ГОСТ 3.1103-82.
Первая цифра - назначение технологического документа:
Код «1» - для основных документов;
Код «2» - для вспомогательных документов;
Код «З» - для произвольных документов.
Вторая цифра - носитель информации:
Код «1» - бумажный носитель;
Код «2» - магнитный диск;
Код «З» - магнитная лента.
Третья цифра - вид вносимой информации:
Код «1» - текстовые документы;
Код «2» - документы с текстом, разбитым на графы;
Код «З» - графические документы.
Четвертая цифра - принцип построения формы документа:
Код «1» - блочно-модульный;
Код «2» - блочный;
Код «З» - элементно-блочный.
Пятая и шестая цифры - вид документа (11 - сводный документ).
Седьмая и восьмая цифры - вид метода изготовления по ГОСТ
3.1201-85, для маршрутной карты код - 10.
Девятая и десятая цифры - порядковый регистрационный номер
технологического документа.
.2 Выбор и обоснование способов установки и
крепления ЭРЭ
Способы установки и крепления ЭРЭ определяются отраслевым
стандартом ОСТ 4Г0.010.030 - 81.
Выбор способов установки и крепления ЭРЭ производится для
обеспечения прочности, устойчивости и надежности конструкции печатных узлов.
Правильный выбор способов установки также дает возможность правильно выполнить
компоновку и удобно расположить печатные узлы в корпусе изделия.
В некоторых случаях тот или иной способ установки ЭРЭ
обеспечивает его правильное охлаждение, что является необходимым для
поддержания рассчитанной надежности. Некоторые позиции установки обеспечивают
хорошую ремонтопригодность всего печатного узла.
Варианты установки ЭРЭ на печатную плату показаны на рисунке
9:
резисторы устанавливаются по варианту 10;
интегральные стабилизаторы по варианту 190;
кварцевый резонатор необходимо устанавливать по варианту 216;
конденсаторы по варианту 150;
конденсатор электролитический по варианту 211;
микроконтроллер по варианту 320;
Рисунок 9- Способы установки электрорадиоэлементов
.3 Выбор и обоснование оснастки и оборудования
При подготовке к сборке и монтажу узлов РЭС навесные
электрорадиоэлементы перед установкой и закреплением на печатной плате должны
быть соответствующим образом подготовлены: выводы выпрямлены, подрезаны,
загнуты и облужены. Эти трудоемкие процессы осуществляются на специальных
автоматических или полуавтоматических установках, например:
- Полуавтомат для подготовки к лужению выводов ЭРЭ
с осевыми проволочными выводами и цилиндрической формой корпуса;
- Автомат для П - образной формовки выводов ЭРЭ;
- Устройство для обрезки и образования «зига» на
ленточных радиальных выводах ЭРЭ;
- Установка для укладки ЭРЭ на плату (пантограф,
светомонтажный стол);
- Установка групповой пайки погружением;
- Установка пайки «волной припоя»;
- Пресс с набором штампов - для получения нужной
конфигурации;
- Сверлильный станок с набором сверл;
- Светокопировальная установка для нанесения
рисунка печатных проводников на слой фоторезиста;
- Паяльник 36 В, 25 Вт, пинцет, кусачки;
.4 Разработка маршрутной карты на изготовление
изделия
Проектирование технологического процесса сборки и монтажа
радиоэлектронной аппаратуры делят на следующие этапы:
а) изучение изделия (прибора) и технологическая доработка его
конструкции и схемы;
б) сборка и монтаж эталонного образца изделия;
в) расчленение процесса сборки и монтажа на операции;
г) разработка эскизно-операционных технологических карт
сборки и монтажа.
Технологический процесс сборки и монтажа аппаратуры включает
следующие основные операции:
а) заготовку монтажных проводов, зачистку, заделку и лужение
их концов, предварительную раскладку и вязку жгутов, подготовку к пайке выводов
радиодеталей;
б) сборку печатной платы, шасси, т. е. подготовку их к
монтажу (крепление на плате, шасси деталей и узлов);
в) закрепление монтажных проводов и выводов радиодеталей на
контактных лепестках;
г) пайку или электросварку соединений;
д) контроль качества выполненных работ.
В условиях серийного и массового производства широко
применяется эскизно операционная технология сборки и монтажа радиоэлектронной
аппаратуры.
Эскизно-операционная технология предполагает расчленение всего
процесса сборки и монтажа радиоэлектронной аппаратуры на отдельные простые
операции, на которых используются исполнители более низкой квалификации, чем
исполнители всего процесса. Она способствует повышению производительности
труда, улучшению качества выпускаемой продукции, а также снижению разрядности
работ.
При разработке эскизно-операционной технологии на каждую
операцию составляется технологическая (маршрутная) карта, которая содержит
краткое описание работы, эскиз, перечень деталей и используемых материалов.
В целях удобства внесения изменений и возможности обработки
информации средствами вычислительной техники с левой стороны информационного
поля маршрутных карт (МК) следует предусматривать графу для нумерации строк и
внесения служебных символов, выражающих тип строки по составу информации и
обозначению блоков информации.
Блочно-модульный принцип построения формуляров-образцов
заключается в том, что при построении форм документов используются только
типовые блоки информации. Их состав может быть различен и в каждом случае
определяется разработчиком, исходя из назначения документа. Отдельные типовые
блоки информации (2 и более) объединяются по своему информационному назначению
и образуют информационный модуль информации, который по аналогии с типовым блоком
информации может повторяться неограниченное количество раз в привязке к каждой
операции. Запись информации производится в каждой строке МК, с
оставлением части строк для внесения изменений в техпроцесс.
Нумерацию строк выполняют арабскими цифрами от 01. Состав и
назначение служебных символов в формах МК применительно к формату А4 даются в
буквах русского алфавита от «А» до «Я» и пишутся слева (перед) от номера
строки. Например: «Б» - технологическое оборудование (стол монтажный, шкаф
сушильный и т.д.), «О» - операционный текст; «Р» - режим техпроцесса
(температура, длительность, давление, скорость и т.д.); «Т» - технологическая
оснастка (паяльник, пинцет, кисть).
Приведем пример построения информационного модуля,
применяемого в маршрутных картах формы №2 (1-й лист МК) и №16 (2-й лист МК) по
ГОСТ 3.1118-82.
Таблица 14 - Пример построения информационного модуля
|
А
|
Цех
|
Уч.
|
РМ
|
ОПЕР.
|
Код, наименование операции
|
|
Б
|
Код, наименование
оборудования
|
Карта эскиза (КЭ) должна показывать ту часть сборки или
монтажа, которая выполняется на данной операции. Она исключает необходимость
пользования сборочными чертежами, монтажными схемами, а также подробным
описанием работы.
Краткое описание работы, приводимое в технологической карте,
должно указывать объем и последовательность ее выполнения. Кроме того, описание
работы поясняет и уточняет некоторые подробности сборочно-монтажного процесса,
которые трудно показать на эскизе.
При разработке эскизно-операционной технологии операции
процесса делают равными или кратными по длительности, что способствует быстрому
переходу на серийный или массовый поточный метод производства.
Проектированию эскизно-операционной технологии предшествует
разработка развернутой технологической ведомости последовательности сборки и
монтажа, которая заключается в расчленении процесса сборки и монтажа на ряд
последовательных элементарных работ - технологических
переходов.
Технологическая ведомость позволяет быстро формировать
технологические операции необходимой трудоёмкости, определять номенклатуру необходимого
оборудования, инструмента, вспомогательных материалов, а также облегчает
определение общей трудоёмкости сборочно-монтажных работ.
5. Экономическая часть
.1 Формирование исходных данных
Таблица № 15 - Сводная таблица исходных данных
|
№ п/п
|
Наименование показателя
|
Код показателя
|
Единицы измерения
|
Числовое значение
|
|
1.
|
Наименование изделия
|
Пробник универсальный
|
|
2.
|
Месячная программа:
выпуска, запуска.
|
Nвып Nзап.
|
шт. шт.
|
650 663
|
|
3.
|
Трудоемкость работ: сборки,
монтажа, регулировки.
|
Q q сб qм qрег
|
норма-час норма-час
норма-час норма-час
|
2,5 0,7 0,5 1,3
|
|
4.
|
Разряд выполняемых работ:
сборка, монтаж, регулировка.
|
Рсб Рм Рр
|
разряд разряд разряд
|
4 5 6
|
|
5.
|
Тарифные и корректирующие
коэффициенты: 4 разряда, 5 разряда, 6 разряда.
|
Тк4хКк Тк5хКк Тк6хКк
|
- - -
|
1,57×2,32
1,73×2,15 1,90×1,99
|
|
6.
|
Часовые тарифные ставки:
сборщика, монтажника, регулировщика
|
Чсб Чм Чрег
|
тыс. руб. тыс. руб. тыс.
руб.
|
4,949 7,975 11,781
|
|
7.
|
Процент выполнения норм
одним рабочим
|
ПВК
|
%
|
103
|
|
8.
|
Стоимость комплектующих
элементов на 1 изделие
|
Ск
|
тыс. руб.
|
143
|
|
9.
|
Стоимость материалов на 1-о
изделия
|
См
|
тыс. руб.
|
13,697
|
|
10.
|
Количество руководителей,
специалистов цеха.
|
N
|
чел.
|
8
|
|
11.
|
Месячный фонд оплаты труда
ИТР
|
Зитр
|
тыс. руб.
|
8279,17
|
|
12.
|
Норматив рентабельности.
|
Р
|
%
|
14,6
|
|
13.
|
Норма амортизации: активной
части ОПФ, пассивной части ОПФ.
|
nа nа
|
% %
|
1 1
|
.2 Характеристика типа производства
По признаку широты номенклатуры, стабильности объема выпуска
различных изделий, производство бывает:
Единичное производство - когда процесс изготовления одного
или нескольких изделий либо вовсе не повторяется, либо повторяется через
неопределенные промежутки времени.
Серийное производство - выпуск значительной, но вполне
определенной номенклатуры изделий.
Массовое производство - это непрерывное изготовление продукции
с соблюдением равномерного выпуска.
На основании характеристик типов производства изготовление
устройства демонстрационного можно отнести к серийному производству.
5.3 Расчет параметров поточной линии
Поточное производство - это такая форма организации
производства, при которой все операции согласованы во времени, все рабочие
места специализированы и расположены, согласно технологического процесса. В
поточном производстве время выполнения каждой операции равно или кратно друг
другу. Обработка деталей идет непосредственно, при синхронности передачи
предметов труда по рабочим местам. Поточный метод и поточные линии имеют
следующие характерные параметры:
) Программа выпуска и программа запуска Nвып дана в задании
Nзап = 1.02 · Nвып = 1,02·650 = 663 шт .
2) Такт поточной линии:
= (Т - tп)·60/Nзап,
где Т - норма времени одного рабочего в месяц (182-186 ч.).
Выбираем 184 часа;
tп - время регламентированных перерывов (2 часа в
месяц.);
Nвып - месячная норма выпуска, шт.
= (184 - 2)·60/663= 16,47 мин.
) Определяем количество рабочих мест на конвейере:
РМ = tоп · 60 · К/ Z,
где tоп - трудоемкость выполнения изделия 5 н. час;- такт
поточной линии, мин;
К - коэффициент перевыполнения норм 108%.
РМ=2.5·60·1,03/16,47=10 мест.
) Рассчитываем рабочую длину конвейера:
Lраб = L(РМ/2 + 1) +3,
структурный принципиальный трансформатор стабилизатор
где L - шаг конвейера = 1,2 м;
метр и 3 метра - страховые запасы;
РМ - количество рабочих мест на конвейере.
Lpaб = 1,2 · (10/2 + 1) + 3 = 10,2 м.
) Скорость конвейера:
V = Lраб/Z,
где Z - такт поточной линии, мин;б. - рабочая/ длина
конвейера.
= 10,2/16,47 = 0,62 м/мин.
) Ритм конвейера:
R = (Tсм - tп) · 60/Z,
где, Тсм - фонд рабочего времени в смену (8 ч.);п
- время регламентированных перерывов (2 часа в месяц.);- такт поточной линии,
мин.
= (8 -2)·60/16,47= 22 раз в смену
.4 Расчет стоимости комплектующих изделий и
материалов на единицу изделия
Расчет производим в табличной форме.
а) Расчет стоимости комплектующих изделий на единицу изделия.
Таблица 16 - Расчет стоимости комплектующих изделий на
единицу изделия
|
№ п/п
|
Наименование элементов
|
Кол-во (шт.)
|
Стоимость одной штуки (тыс.
руб.)
|
Полная стоимость (тыс.
руб.)
|
|
1.
|
Микросхемы:
|
|
|
|
|
DD1
|
1
|
53,8
|
53,8
|
|
DA1
|
1
|
2,5
|
2,5
|
|
2.
|
Конденсаторы:
|
|
|
|
|
C1-С5
|
4
|
0,6
|
3,0
|
|
3.
|
Резисторы:
|
|
|
|
|
R1-R13
|
12
|
0,5
|
6,5
|
|
4.
|
Переключатели:
|
|
|
|
|
SB1-SB2
|
2
|
2,5
|
5,0
|
|
SA1-SA2
|
2
|
2,5
|
5,0
|
|
5.
|
Шнур соеденительный:
|
|
|
|
|
XP1
|
1
|
1,0
|
1,0
|
|
XS1
|
1
|
1,0
|
1,0
|
|
6.
|
Кварцевый резонатор:
|
|
|
|
|
ZQ1
|
1
|
4,0
|
4,0
|
|
7.
|
Индикатор сегментный:
|
|
|
|
|
HG1-HG4
|
4
|
5,0
|
20,0
|
|
8.
|
Транзисторы:
|
|
|
|
|
VT1-VT2
|
2
|
1,5
|
3,0
|
|
9.
|
Диоды:
|
|
|
|
|
VD1-VD5
|
5
|
1,5
|
7,5
|
|
HL1
|
1
|
0,2
|
0,2
|
|
10
|
Трансформатор:
|
|
|
|
|
Т1
|
1
|
29,0
|
29,0
|
|
Итого на 1 изделие:
|
|
|
143
|
б) Расчет стоимости материалов на единицу изделия.
Таблица 17 - Стоимости материалов на единицу изделия
|
№ п/п
|
Наименование материалов
|
Единицы изм.
|
Стоимость материалов тыс.
руб.
|
Норма расхода материалов на
одну пайку
|
Норма расхода на одно
изделие
|
Полная стоимость тыс. руб.
|
|
1.
|
Припой
|
кг
|
220 за 1кг
|
0,0001
|
0,032
|
7,0
|
|
2.
|
Стеклотекстолит
|
кв.м
|
105 за 1кв.м
|
-
|
0,38
|
3,697
|
|
3.
|
Флюс
|
л
|
233 за 1л
|
0,0003
|
0,03
|
3,0
|
|
4.
|
Лак
|
л
|
1л
|
-
|
-
|
-
|
|
5.
|
Спирто-нефрасо-вая
смесь
|
л
|
1л
|
-
|
-
|
-
|
|
Итого на 1 изделие:
|
13,697
|
|
|
5.5
Расчет численности работающих в цеху
Численный состав работающих в цеху складывается из:
Основных (Ро) и вспомогательных рабочих (Рв), выполняющих
производственные задания и инженерно - технических работников (ИТР).
Количество основных рабочих (Ро) равно количеству рабочих
мест, расчитанных в разделе 5.3.
Ро = РМ = 10 чел.
Количество вспомогательных рабочих Рв = 10% Ро,
Рв = 0,1 · 10 = 1 чел.
Рв = 1 чел.
Численность ИТР принимаем согласно исходных данных. ИТР = 8
чел.
Общая численность работающих в цеху: Робщ = 10 + 2 + 8 = 20
чел.
5.6
Расчет заработной платы ИТР цеха
Суммарный месячный размер заработной платы ИТР зависит от их
количества, работающих в цеху и тарифного разряда, по которому они
тарифицируются, согласно Единого тарифно-квалификационного справочника (ЕТКС).
Расчет выполняется в таблице:
Таблица 18 - Расчет заработной платы ИТР цеха
|
№ п/п
|
Должность
|
Кол-во
|
Тарифн разряд
|
Тарифный коэф/корр. коэф.
|
Мес. оклад тыс. руб.
|
Суммарная зарплата в
мес.тыс.руб.
|
|
1.
|
Нач.цеха
|
1
|
14
|
3,25/1,31
|
1064,375
|
1064,375
|
|
2.
|
Мастер
|
2
|
11
|
2,65/1,59
|
1053,357
|
2106,75
|
|
3.
|
Начальник технического бюро
|
1
|
14
|
3,25/1,31
|
1064,375
|
1064,375
|
|
4.
|
Инженер
|
1
|
10
|
2,48/1,63
|
1010,6
|
1010,6
|
|
5.
|
Начальник труда и
заработной платы
|
1
|
14
|
3,25/1,31
|
1064,375
|
1064,375
|
|
6.
|
Диспетчер
|
1
|
10
|
2,48/1,63
|
1010,6
|
1010,6
|
|
7.
|
Ст. диспетчер
|
1
|
7
|
2,03/1,89
|
959,175
|
959,175
|
|
Итого по цеху Зитр:
|
8
|
|
|
|
8279,17
|
Месячный оклад рассчитан на основании принятой ставки первого
разряда = 250000 рублей.
5.7 Расчет площади проектируемого цеха и стоимости
строительства цеха
а) Общая площадь цеха определяется по формуле:
общ = Sпр + Sвс + Sадм + Sскл,
Таблица 19 - Расчет общей площади цеха
|
№ п/п
|
Наименование площади цеха
|
Формула расчета
|
Результат кв.м
|
|
1.
|
Производственная
|
РМ·5м2 = Sпр
|
50
|
|
2.
|
Проходов и проездов.
|
25% · Sпр
|
12,5
|
|
3.
|
Административная
|
10% · Sпр
|
5
|
|
4.
|
Складская
|
40% · Sпр
|
20
|
|
5.
|
Бытовая
|
7% · Sпр
|
3,5
|
|
Итого площадь цеха:
|
Sц = 91
|
б) Расчет стоимости строительства цеха.
) Для определения стоимости строительства цеха определяем
строительный объем проектируемого здания по формуле:
Vзд = Sц ·Нц,
где, Нц - высота цеха (3,6м), м;
Sц - площадь цеха, м2.
Vзд = 91·3,6 = 327,6 м3.
) Стоимость строительства цеха определяется по формуле:
Сц = Vзд ·97·i ,
где 97 - стоимость строительства 1куб.м здания в базисных
ценах 1991г.;
i - индекс перевода к действующим ценам, учитывающий суммарный
уровень инфляции с 1991г. (600).;
Vзд - строительный объем проектируемого здания.
Сц = 327,6 ·97·600 = 19070тыс. руб.
) Годовые амортизационные отчисления:
Аог = Сц · na ,
где na - годовая норма амортизации = 1%;
Сц - стоимость строительства цеха.
Аог= 19070 ·0,01 = 190,7 тыс.руб.
) Месячные амортизационные отчисления на пассивную часть:
Аом= Аог/12 = 190,7/12 =15,892 тыс.руб.
.8 Расчет стоимости активного ОПФ цеха
1) Стоимость активной части ОПФ определяется исходя из
стоимости 1 метра рабочего конвейера, которая принимается 12 млн. руб. за метр
(см. таблицу 13).
. Рассчитываем годовые амортизационные отчисления по активной
части:
Аакт.о. = Сакт · na ,
где na - годовая норма амортизации;
Сакт - стоимость активной части ОПФ.
Аакт.о. = 168900·0,01= 1689 тыс. руб.
Таблица 20 - Расчет активной части основных производственных
фондов
|
№ п/п
|
Наименование активной части
основных производственных фондов
|
Формула расчёта
|
Стоимость тыс.руб.
|
|
1.
|
Основное оборудование
|
Со = 12·Lраб
|
122400
|
|
2.
|
Инструмент
|
Сц = 25%·Со
|
30600
|
|
3.
|
Инвентарь
|
Синв = 6%·Со
|
7344
|
|
4.
|
Транспортные средства
|
Ст = 5%·Со
|
6120
|
|
5.
|
Прочие
|
Спр = 2%·Со
|
2448
|
|
Итого:
|
Сакт
|
168900
|
. Ежемесячные амортизационные отчисления:
Аакт.о. мес. = Аакт.о/12,
где Аакт.о. - годовые амортизационные отчисления.
Аакт.о. мес. =1689 /12 = 140,75 тыс.руб.
5.9 Расчет комплексной расценки на одно изделие
1) Среднечасовая тарифная ставка данного изделия определяется
по формуле:
Си.ср. = Чсб ·qсб+Чм ·qм + Чрег ·qрег ,
где Чсб, Чм, Чрег - часовая тарифная ставка соответственно на
сборку, монтаж, регулировку (тыс. руб);
qсб, qм, qрег - трудоемкость операции, соответственно на сборку,
монтаж, регулировку (н. час).
Ч сб = (250·1,57×2,32)/184 = 4,949 тыс.руб
Ч м = (250·2,73×2,15)/184 = 7,975тыс.руб.
Ч рег = (250·2,90×2,99)/184 = 11,781
тыс.руб.
Си.ср. = 4,949 ·0,7 + 7,975 ·0,5 + 11,781 ·1,3 = 22,767
тыс.руб/н.час.
) Рассчитываем величину сдельной расценки на 1 изделие по
формуле:
Рсд = Си.ср. · Q ,
где Q - суммарная трудоемкость работ по всем операциям на 1
изделие (н. час);
Си.ср. - среднечасовая тарифная ставка.
Рсд = 22,767· 2,5 = 56,917 тыс.руб/шт.
) Рассчитываем величину комплексной расценки на одно изделие
по формуле:
Рк = (Рсд + Зитр/Nвып)·1,5,
где Рсд - сдельная расценка (тыс. руб / шт);
итр - суммарная месячная зарплата ИТР - работников цеха (тыс.
руб);
Nвып - месячная норма выпуска;
,5 - коэффициент, учитывающий премии и доплаты.
Рк = (56,917 + 8279,17/650)·1,5 = 104,481 тыс.руб./шт.
) Рассчитываем месячный фонд оплаты труда:
ФОТ = Рк · Nзап.,
где Nзап - месячная норма запуска.
ФОТ = 104,481 ·663= 69270 тыс. руб.
.10 Расчет месячных общепроизводственных
(цеховых) расходов
1) Общепроизводственные расходы состоят из:
А - расходов на содержание и эксплуатацию машин;
Б - расходов по организации и управлению производства.
Расчет выполняется в таблице.
Таблица 21 - Расчет общепроизводственных расходов
|
№ п/п
|
Наименование показателя
|
Формула расчета
|
Стоимость тыс.руб.
|
|
А
|
Расходы по содержанию и
эксплуатации машин и оборудования
|
|
1.
|
Амортизация оборудования
|
Аакт.о. мес. (см. 8)
|
140,75
|
|
2.
|
Эксплуатация оборудования
|
Эо= 2% Аакт.о. мес.
|
2,815
|
|
3.
|
Ремонт оборудования
|
Ро = 1% Аакт.о. мес.
|
1,407
|
|
4.
|
Внутризаводское перемещ.
грузов
|
Пг = 10% Аакт.о. мес.
|
14,075
|
|
5.
|
Прочие расходы
|
Пр= 1% Аакт.о. мес.
|
1,407
|
|
Итого по разделу А:
|
160,454
|
|
Б
|
Расходы по организации и
управлению производством.
|
|
6.
|
Содержание аппарата
управления цеха
|
Зитр*1,5
|
19190
|
|
7.
|
Амортизация зданий и
сооружений
|
Азд.ом.= (см. 7.4)
|
15,892
|
|
8.
|
Содержание зданий и
сооружений
|
Сзд = 150% Азд.ом.
|
23,838
|
|
9. 10.
|
Испытание новых образцов,
изобретательство и рационализация
|
И = 0,1% п.6
|
19,19
|
|
Охрана труда
|
О = 0,01% п.6
|
1,919
|
|
Итого по разделу Б:
|
19250
|
|
Итого по А + Б:
|
19410
|
|
|
. Цеховые расходы на единицу выпуска:
ед.ц. = (A+В)/Nвып,
где А - расходы на содержание и эксплуатацию машин;
Б - расходы по организации и управлению производства;
Nвып - месячная норма выпуска.
ед.ц. = 19410/650 = 29,862 тыс.руб./шт.
.11 Расчет общехозяйственных (заводских) расходов
1. Месячные общехозяйственные (заводские) расходы
рассчитываются в % от общепроизводственных (цеховых) расходов.
Для предприятии радиоаппаратостроения они составляют 50%
Рзав = 50% Рц.,
где P.ц. - цеховые расходы на единицу выпуска.
Рзав = 29,862 ·0,5 = 14,931тыс.руб.
. Рассчитываем заводские расходы на единицу изделия
Ред.зав. = Рзав/Nзап,
где Рзав - месячные общехозяйственные (заводские) расходы;
Nзап - месячная норма запуска.
Ред.зав. = 14,931/663= 0,023 тыс.руб/шт.
.12 Расчет калькуляции стоимости единицы изделия
Таблица 22 - Калькуляция стоимости единицы изделия
|
№ п/п
|
Наименование затрат
|
Формула расчета
|
+/- расходы
|
Результат, тыс.руб.
|
|
1.
|
Сырье и материалы
|
р.4б
|
+
|
13,697
|
|
2.
|
Комплектующие изделия
|
р.4а
|
+
|
137,9
|
|
3.
|
Возвратные отходы
|
2% (п.l + п.2)
|
-
|
3,032
|
|
4.
|
Топливо и энергия на
технолог. нужды
|
30%(п.1+п.2)
|
+
|
45,479
|
|
5.
|
Земельный налог
|
10% п.l
|
+
|
1,37
|
|
6.
|
Экологический налог
|
12% п.l
|
+
|
1,644
|
|
7.
|
Основная зарплата рабочих
|
р.9 п.2
|
+
|
56,917
|
|
8.
|
Дополнительная зарплата
рабочих
|
50% п.7
|
+
|
28,459
|
|
9.
|
Общепроизводственные
(цеховые) расходы, в том числе: амортизационные отчисления (Ао) расходы по
оплате труда прочие расходы
|
р.10п.2 15% п.9 82% п.9
3% п.9
|
+
|
29,862 4,479 24,487 0,896
|
|
10.
|
Общепроизводственные
(заводские) расходы, в том числе: амортизационные отчисления Ао расходы по
оплате труда прочие расходы
|
р.11п.2 15% п.10 82% п.10
3% п.10
|
+
|
0,023 0,00345 0,019 0,0069
|
|
11
|
Отчисления в бюджетные и
внебюджетные фонды от средств по оплате
|
п.7 + п.8 + п.9.2 + п.10.2
|
|
109,882
|
|
труда (фонд оплаты труда):
отчисления на соц. страхование отчисления в фонд занятости отчисления в
чрезвычайный налог
|
35%п.11 1% п.11
4% п.11
|
|
38,459 1,099 4,395
|
|
12.
|
Потери от брака
|
2% (п.1÷п.11.1+ п.11.2+ п.11.3)
|
+
|
9,444
|
|
13.
|
Коммерческие расходы
|
1% (п1÷п.12)
|
+
|
4,377
|
|
14.
|
Полная производственная
себестоимость
|
∑п.1÷п.13
|
|
515,93
|
|
15.
|
Нормативная прибыль
|
20% п.14
|
+
|
103,186
|
|
16.
|
Местный налог по общему
нормативу, в том числе: в стабилизационный фонд в жилищно - инвестиционный
фонд в фонд на содержание и ремонт жилого фонда
|
2,5%(п.14+п.15) 40% п.16
20% п.16 40% п.16
|
+
|
15,478 6,191 3,096 6,191
|
|
17.
|
Республиканский
объединенный налог, в том числе: сельхоз налог отчисления в дорожный фонд
|
2%(п.14+п.15+п.16)
50%п.17 50%п.17
|
+
|
12,692 6,346 6,346
|
|
18.
|
Отпускная цена без НДС
|
∑п.14÷п.17
|
|
675,456
|
|
19.
|
Налог на добавочную
стоимость
|
20 % п.18
|
+
|
135,091
|
|
20.
|
Отпускная цена завода -
изготовителя
|
∑п.18÷п.19
|
|
810,547
|
5.13 Расчет технико-экономических показателей
работы цеха
Таблица 23- Месячные технико-экономических показатели работы
цеха
|
№ п/п
|
Показатели
|
Формула расчета
|
Результат
|
|
1.
|
Месячная программа выпуска,
шт.
|
Табл. 1 п.2
|
650
|
|
2.
|
Отпускная цена 1 шт.,
тыс.руб.
|
Раздел 12 п. 20
|
810,547
|
|
3.
|
Товарный объем выпуска за
месяц, тыс.руб.
|
п.1 · п.2
|
526900
|
|
4.
|
Численность работающих в
цехе, чел.
|
Разд. 5 п.1
|
20
|
|
5.
|
В том числе рабочих, чел.
|
|
10
|
|
6.
|
ИТР, чел.
|
|
8
|
|
7.
|
Месячный фонд оплаты труда
работающих в цехе, тыс.руб.
|
Раздел 9 п.4
|
69270
|
|
8.
|
Средняя зарплата на 1
работающего, тыс.руб.
|
п.7/п.4
|
3463
|
|
9.
|
Рентабельность продукции, %
|
Разд. 12 п.15х100%/ разд.
12 п.20-п.15
|
14,6%
|
|
|
|
|
|
Р = 103,186 тыс.руб / 707.361 тыс.руб. х 100% = 14,6%.
5.14 Диаграмма отпускной цены одного изделия
Материальные затраты = 13,697+137,9-3,032+45,479=194,044 тыс.
руб.
Основная и дополнительная ЗП = 56,917+28,459=85,376 тыс. руб.
Заводские расходы =0,023 тыс. руб.
Цеховые расходы = 29,862 тыс.руб.
Налоги в себестоимости = 1,37+1,644+24,497+0,896+4,395=32,802
тыс. руб.
Прочие расходы = 12,755 тыс.руб.
Нормативная прибыль = 103,186 тыс.руб.
Налоги в цене = 135,091+12,692+15,478= 163,261 тыс.руб.
Таблица 24 - Сводная таблица данных для диаграммы отпускной цены
|
Мат-ные затраты
|
Основная и дополнит. ЗП
|
Заводские расходы
|
Цеховые расходы
|
Налоги в себестоимости
|
Прочие расходы
|
Нормативная прибыль
|
|
194,044
|
85,376
|
0,023
|
29,862
|
32,802
|
12,755
|
103,186
|
163,261
|
6. Ресурсосбережение
.1 Основные понятия в ресурсосбережении
Ресурсосбережение - комплекс мероприятий, связанный с
экономичным и эффективным использованием факторов производства. Не все ресурсы
оборачиваются с одинаковой скоростью - одни полностью потребляются в процессе
производства, другие, например оборудование, - частично и в большинстве случаев
неравномерно, а скорость их потребления в значительной степени определяется
адекватностью воздействия на них производственного и обслуживающего персонала.
Для сбережения ресурсов в процессе производства необходимо
разделять понятия «износ» и «амортизация».
Амортизация - перенос стоимости постепенно изнашивающихся
основных средств на изготовленную продукцию. Амортизационные отчисления
производятся в большинстве случаев равномерно, что позволяет исключить
необоснованные колебания финансового результата деятельности предприятия при
инвестировании в долгосрочные активы.
Износ - частичная или полная потеря первоначальной стоимости
основных средств. Интенсивность износа зависит от вида основных средств,
качества их изготовления, характера и условий эксплуатации, качества
обслуживания и ремонта. Износ в большинстве случаев неравномерен и в
экономическом смысле может быть определен как сумма расходов на ремонт.
6.2 Показатели использования материальных
ресурсов
Ремонт приводит к восстановлению основных фондов и дальнейшему
их использованию. Из этого следует, что все ресурсы потребляются в производстве
тремя способами:
пропорционально произведенной продукции - сырье, энергия,
заработная плата при сдельной системе оплаты труда и т.д.;
равномерно в течение времени - амортизационные отчисления,
заработная плата при повременной системе оплаты труда и т.д.;
ситуационно, например, по мере износа оборудования, -
материалы и заработная плата ремонтного персонала при сдельной системе оплаты
труда и т.д.
Такой способ разделения расходов называют «директ-костинг».
Ресурсы, которые расходуются пропорционально произведенной продукции,
включаются в состав переменных издержек, а ресурсы, потребляемые равномерно в
течение времени, включаются в состав постоянных издержек. Ресурсы, потребляемые
в зависимости от ситуации, относят в состав либо постоянных, либо переменных
издержек. Но их целесообразно выделять и учитывать отдельно.
Во-первых, ситуационные издержки носят существенный характер
и их включение в состав постоянных или переменных издержек исказит данные
управленческого учета, ведь расходы на ремонт могут достигать 30%
себестоимости.
Во-вторых, они наблюдаемы и измеряемы, а значит, подлежат
управлению наряду с постоянными и переменными издержками.
В-третьих, эти издержки близки в экономическом смысле к
потерям и часто неотделимы от них.
В большинстве случаев потери также носят ситуационный
характер, так как образуются в результате аварий, внезапного выхода из строя
оборудования, неадекватных действий персонала и т.д.
Таким образом, причинно-следственную связь между
ситуационными издержками и потерями можно установить следующим образом - при
возникновении некоторых причин (например, износ самой слабой составной части
оборудования) появляется необходимость в несущественных издержках. В том случае
если они не устранили возникших обстоятельств или причины не были обнаружены,
требуются более существенные затраты ресурсов, например при проведении
капитального ремонта вследствие разрушения целой единицы оборудования.
Далее возникает простой, вследствие которого предприятие
перестает производить продукцию и получать маржинальный доход, но несет
постоянные и значительные ситуационные издержки.
Наконец, выход из строя конкретной единицы оборудования может
повлечь разрушение нескольких (всех) единиц оборудования. Эта ситуация помимо
вышеперечисленных издержек может привести к критическим потерям для
предприятия.
В общем виде причинно-следственная связь между ситуационными
издержками и потерями может быть представлена как экспоненциальное увеличение
затрат при отсутствии упреждающей реакции вследствие недостаточной
наблюдаемости факторов в процессе производства.
Ситуационные издержки и связанные с ними потери оказывают не
менее существенное влияние на общий результат работы предприятия, чем
переменные и постоянные издержки. Это связано с тем, что расходы на ремонт и
устранение аварий повышают переменные издержки, а потери при простоях
оборудования повышают постоянные.
Если абстрагироваться от внешних факторов роста издержек,
таких как цены, на ресурсы, приобретаемые на рынке, конъюнктура сбыта
продукции, конкурентная среда, то сущность ресурсосбережения состоит в
уменьшении расходования материальных, трудовых и специальных ресурсов при
увеличении выпуска продукции.
Так как постоянные издержки не зависят от произведенного
объема продукции, то минимизация ресурсов, равномерно потребляемых в течение
времени, заключается: во-первых, в максимальном увеличении продолжительности
выпуска продукции за счет снижения потерь ресурсов и повышения качества ремонта
оборудования; во-вторых, за счет сокращения их абсолютной величины с помощью
организационно-экономических методов, например реструктуризации предприятия.
Однако любое увеличение постоянных издержек приводит к
необходимости увеличения производства для их покрытия.
Увеличение переменных издержек действует так же, однако даже
их незначительный рост порождает гораздо большее снижение результативности
работы предприятия в силу действия эффекта операционного рычага.
На потери ресурсов оказывают влияние такие факторы, как
материалоемкость, энергоемкость и трудоемкость продукции. Но данные показатели
определяются технологией производства, без пересмотра которой существенно
изменены быть не могут. Поэтому основной причиной потерь сырья, энергии и
готовой продукции в процессе производства являются отказы оборудования,
вызванные нарушением технологии работы или недопустимым техническим состоянием.
Главным вектором ресурсосбережения на предприятии является
предотвращение роста и снижение ситуационных издержек, возникающих в процессе
производства, что позволит существенным образом сберечь материальные, трудовые
и финансовые ресурсы, а также сократить, а в большинстве случаев исключить
потери других видов ресурсов - человеческих, экологических и т.д.
Помимо этого, снижение ситуационных издержек позволит
увеличить продолжительность производственного процесса, сократить сроки
плановых остановок производства.
Рост же ситуационных издержек обусловлен повышением скорости
расходования материальных и трудовых ресурсов вследствие отсутствия
своевременной и целенаправленной реакции персонала на повышение скорости износа
оборудования из-за низкой наблюдаемости факторов воздействия.
Поэтому ресурсосбережение на производственном предприятии
состоит в своевременном выявлении и целенаправленном воздействии на факторы
повышения скорости расходования материальных и трудовых ресурсов при
эксплуатации оборудования. Обеспечить эти процессы можно с помощью мониторинга
технического состояния оборудования и эффективности действий персонала по
ресурсосбережению.
Мониторинг целесообразно строить снизу вверх, от причин к
следствию - это обеспечит объективность и своевременность информации, и высокую
скорость реакции персонала, и, как следствие, эффективность ресурсосберегающих
мероприятий. Чем меньше ошибка мониторинга, тем выше эффективность
ресурсосбережения.
Важным отличием обслуживания оборудования по его техническому
состоянию (ОТС) от ремонта оборудования по техническому состоянию (РТС)
является конечная цель.
В подходе РТС целью является своевременное проведение
ремонтных работ в объеме установленного бюджета вне зависимости от объемов
выпуска продукции.
В ОТС цель - как можно более длительная эксплуатация без
ремонта с упором на увеличение объемов выпускаемой продукции и экономию
бюджета.
Это принципиальная разница, существенно влияющая на
финансовый результат, так как набор и организация ключевых процедур, отношение
к использованию ресурсов и мотивация персонала отличаются от подхода РТС.
В ОТС персонал заинтересован провести минимально необходимый объем
технического обслуживания с целью сохранения ресурса оборудования и
предотвращения его поломки. В конечном итоге это не только влияет на финансовый
результат, но и повышает безопасность производства, исключая риск возникновения
аварий и серьезных финансовых потерь от простоев.
Ресурсосберегающая безопасность производства может быть
обеспечена вовлечением всего производственного персонала в процесс выявления и
ликвидации ситуационных издержек как основного фактора роста потребления
ресурсов и потерь на предприятии. Определяющее значение в связи с этим имеет
повышение наблюдаемости факторов износа основных производственных фондов.
А мониторинг факторов ситуационных издержек, своевременности
и целенаправленности ресурсосберегающих мероприятий обеспечивает объективную
информационную среду организационно-экономического механизма ресурсосбережения.
7. Охрана труда и окружающей среды
.1 Мероприятия по технике безопасности на рабочем
месте
Охрана труда - это система законодательных,
социально-экономических, организационных, технических, гигиенических,
лечебно-профилактических мероприятий и средств, обеспечивающих безопасность,
сохранение здоровья и работоспособности человека в процессе труда (ГОСТ
12.0.002-80).
Для рассмотрения охраны труда выберем одно из структурных
подразделений предприятия - цех монтажный по производству пробников
многофункциональных.
Главной особенностью работы монтажников является работа с
припоем при расплавлении которого выделяются химически вредные пары, работа
проводиться, с приборами находящимися под напряжением, имеющие высокую
температуру накала. На основании вышесказанного разрабатываются следующие
мероприятия по охране труда:
- изготовление изделие должно производиться
непосредственно в помещениях на рабочих местах в технологической одежде;
- каждый рабочий должен быть обеспечен своим
рабочим местом;
- рабочие места должны быть оборудованы
вытяжкой, осветительными приборами, необходимым естественным освещением;
- в помещении цеха, где располагаются
рабочие места, должны присутствовать плакаты по технике безопасности, при
работе с электрическим и другим оборудованием. Должна быть предусмотрена
система предотвращения пожаров;
- применяемый инструмент должен быть без
острых кромок, электрически изолированным и применятся только по назначению;
- проведение инструктажей и аттестаций
рабочих по технике безопасности;
- к работе допускаются лица, прошедшие
предварительный инструктаж по технике безопасности.
Должно пресекаться:
- допуск к проведению операций людей, не прошедших
предварительный инструктаж по безопасным приемам работы;
- использование рабочих не по специальности;
- неправильная организация технологических
процессов;
- неисправность применяемых машин и
механизмов и неправильные способы их эксплуатации;
- неисправность или отсутствие защитных
ограничений.
Все мероприятия по охране труда следует проводить планомерно,
в течение всего периода производства работ.
.2 Мероприятия по защите окружающей среды на
участке или предприятии радиотехнической (электронной) промышленности
Охрана окружающей среды - это комплекс мероприятий,
направленных на уменьшение или полное исключение антропогенных (обусловленных
человеческой деятельностью) вредных воздействий на биосферу.
В результате хозяйственной деятельности человека наиболее
массивно загрязняется вредными веществами воздушная среда. Воздух загрязняется
различными газами, среди которых наиболее широко распространены: окись
углерода, серистый ангидрид, окислы азотов, пары углеводородов, кислоты,
металлы и разнообразные пыли, имеющие органическое или неорганическое
происхождение.
Очистка загрязнённого воздуха и отходящих газов, образуемых
при технологических процессах и выбрасываемых в атмосферу, от содержащихся в
них вредных твердых, жидких и газообразных примесей является основным способом охраны
воздушного бассейна от загрязнений.
Задача промышленной очистки заключается в извлечении или
нейтрализации вредных веществ из газовых выбросов.
Наиболее часто встречающимися загрязнениями такого типа
являются неорганические кислоты, их соли и щёлочи.
Для очистки сточных вод в настоящее время применяют
электрические системы регулирования, в которых электрические сигналы
электрических датчиков после усиления передаются соответствующим исполнительным
устройствам, механические методы, химические методы, физико-химические методы,
комбинированные методы.
Сложность состоящих перед охраной труда и окружающей среды
задач требует использования последних достижений и выводов многих научных
дисциплин, прямо или косвенно связанных с задачами создания здоровых и безопасных
условий проживания и взаимодействия организмов, в том числе и человека, с
окружающей средой.
8. Энергосбережение
.1 Основные понятия в энергосбережении
Энергетический ресурс (ЭР) - носитель энергии, энергия
которого используется или может быть использована при осуществлении
хозяйственной или иной деятельности, а также вид энергии (атомная, тепловая,
электрическая, электромагнитная или другой вид энергии).
Энергосбережение
<#"657241.files/image186.gif">
Рисунок 11 - Структурная схема измерений
Сначала производится переключение прибора в режим работы «Измерение
напряжения». Далее на генераторе сигнала изменяется напряжение в пределах 0 -
5В. Снимается 5 значений напряжения с пробника и образцового вольтметра.
Полученные значения заносятся в таблицу 25.
Таблица 25 - Значения напряжений
|
Наименование прибора
|
1 значение
|
2 значение
|
3 значение
|
4 значение
|
5 значение
|
|
Образцовый вольтметр
|
0,5 В
|
1 В
|
2 В
|
3 В
|
4,5 В
|
|
Пробник многофункциональный
|
0,5 В
|
1 В
|
2 В
|
3 В
|
4,5 В
|
Чтобы проверить работоспособность устройства в режиме работы
«Частотомер», нужно переключить его в соответствующий режим, подключить
генератор сигнала и образцовый частотомер параллельно. На генераторе сигнала
изменяется частота, данные заносятся в таблицу 26.
Таблица 25 - Значения напряжений
|
Наименование прибора
|
1 значение
|
2 значение
|
3 значение
|
4 значение
|
5 значение
|
|
Образцовый частотомер
|
1 кГц
|
5 кГц
|
10 кГц
|
1 МГц
|
5 МГц
|
|
Пробник многофункциональный
|
1 кГц
|
5 кГц
|
10 кГц
|
1 МГц
|
5 МГц
|
По полученным данным видно, что пробник многофункциональный
работает исправно. После проверки нужно выключить прибор.
Заключение
В ходе дипломной работы были выполнены все необходимые
разделы и подразделы.
В общей части описан современный уровень развития РЭС и
дальнейшие перспективы. На основании проведенного анализа известных схемных
решений демонстрационного устройства, разработаны структурная и принципиальная
схемы, выбрана элементная база для его изготовления.
В расчетной части произведен расчет трансформатора,
выпрямителя, расчет надежности прибора (Т = 187100 ч), размеров печатной платы
и печатного монтажа (Y = 55мм, Х = 55мм). Оптимизация размеров платы
достигалась путем оптимального размещения и способов крепления
электрорадиоэлементов на ней.
В конструкторской части сформирован конструкторский код
изделия (БГПК.411258. 065) и печатного узла (БГПК. 419135.065). Обоснована
конструкция изделия. Выбор материалов для изготавливаемого устройства
производился на основании технологических показателей и условий эксплуатации
изделия. В результате были выбраны следующие материалы: стеклотекстолит
односторонний фольгированный, припой ПОС-61, флюс спирто-канифольный. Для
удаления остатков флюса с мест пайки применяется ацетон.
В технологической части сформирован технологический код
документа: БГПК.11211.11065 . Расчет технологичности показал, что изделие
технологично, так как показатель Ккр/ Кнр> 1, и
составил 1,138. Разработана маршрутная карта на изготовление пробника
многофункционального.
В экономической части проведен полный экономический расчет
изготавливаемого устройства и получены следующие результаты:
численность работающих 20 человек (12 рабочий и 8 ИТР);
минимальная цена реализации - 675,456 тыс. руб.;
полная производственная себестоимость - 515,93 тыс. руб.;
планируемая прибыль (нормативная прибыль) - 103,186 тыс.
руб.;
рентабельность составила - 14,6%.
В разделе «Охрана труда и окружающей среды» описана охрана
труда и окружающей среды, техника безопасности на рабочем месте. В разделе
«Ресурсосбережение» описан комплекс мероприятий, связанный с экономичным и
эффективным использованием факторов производства. Раздел «Энергосбережение»
отображает необходимость рационального использования энергоресурсов. В
экспериментальной части описана конструкция печатной платы, проверена
работоспособность устройства и измерены характеристики.
Устройство полностью удовлетворяет
предъявляемым требованиям, является простым, надежным и экономичным изделием.
Список использованных источников
1. Акимов, Н.Н. Справочник. Резисторы,
конденсаторы, трансформаторы, дроссели, коммутационные устройства РЭА /
Н.Н.Акимов, Е.П. Ващуков[и др.];Мн., 1994.
. Буловский, П.И. Технология и оборудование
производства электроизмерительных приборов / П.И. Буловский. М., 1993.
. Галкин, В.И. Начинающему радиолюбителю /В.И.
Галкин. Мн.,1995.
. Грумбина, А.Б. Электрические машины и источники
питания радиоэлектронных устройств /А.Б. Грумбина. М., 1990.
. Достанко, А.П. Технология радиоэлектронных
устройств и автоматизация производства / А.П. Достанко, В.П. Панин [и др.];
Мн., 2002.
. Надежность электронных элементов и систем / Под
ред. Х. Шнайдера. М., 1977.
. Ненашев, А.П. Конструирование радиоэлектронных
средств /А.П. Ненашев. М., 1990.
. Норенков, И.П. Основы теории и проектирования
САПР / И.П. Норенков, В.Б. Маничев. М., 1990.
. Седов, Е.А. Мир электроники / Е.А. Седов. М.,
1990.
. Справочноепособие. ЕСТД. Единая система
технологической документации / М., 1992.
. Фрумкин, Г.Д. Расчёт и конструирование
радиоаппаратуры / Г.Д. Фрумкин. М., 1989.
Нормативные документы
ГОСТ 2.201 - 80 ЕСКД. Обозначение изделий и
конструкторских документов.
ГОСТ 2.62460 - 89. Пайка элементов.
ОСТ4 Г010.030 - 81. Установка элементов.
ТУ029-02-859 - 78. Нанесение надписей.
ГОСТ 10316 - 78. Используемые материалы.
СТБ 1014 - 95. Остальные технические требования.
ГОСТ 2.201 - 80 ЕСКД. Обозначение изделий и
конструкторских документов.
ГОСТ 3.1103-82. Основные надписи.
ГОСТ 14.205-83. Технологичность конструкции изделий.
Термины и определения.
ГОСТ 14.202. Весовые коэффициенты.
ГОСТ 3.1118-82. Текстовые документы.
ГОСТ 12.0.002-80. Охрана труда.