Изучение основных возможностей программы Electronics Workbench
Министерство
образования и науки РФ
Государственное
образовательное учреждение Высшего профессионального образования
Владимирский
Государственный Университет
Кафедра
УИТЭС
Моделирование
и анализ цифровых устройств
Лабораторная
работа №1
Изучение основных
возможностей программы Electronics
Workbench.
Выполнил:
студент гр. УИуб-109
Бачурин П.Н.
Владимир
2012
Цель работы: ознакомиться со средой
моделирования электронных схем Electronics
Workbench, провести анализ
генератора Колпитца, исследовать характеристики биполярного транзистора,
изучить структуры и алгоритмов работы асинхронных и синхронных триггеров.
Задание 1. Исследование генератора Колпитца.
1. Загрузить схему генератора Колпитца (открыть
файл 2m-occil.ewb).
2. Рассчитать режим по постоянному току и
зафиксировать результаты.
. Произвести многовариантный анализ
генератора в режимах, указанных преподавателем.
. Произвести расчет частотных
характеристик и зафиксировать результат в виде АЧХ, ФЧХ и в табличном виде.
. Произвести расчет переходного процесса.
Результаты вывести в виде графика и зафиксировать.
. Произвести спектральный анализ.
Результаты зафиксировать.
. Произвести статистический анализ при
заданных параметрах. Результаты зафиксировать.
Задание 2. Исследование биполярного транзистора
. Исследовать зависимость тока коллектора от
тока базы и напряжения база-эмиттер.
. Выполнить анализ зависимости коэффициента
усиления по постоянному току от тока коллектора.
. Исследовать работу биполярного транзистора в
режиме отсечки.
. Получить входные и выходные характеристики
транзистора.
. Определить коэффициент передачи по переменному
току.
. Исследовать динамическое входное сопротивление
транзистора.
Задание 3. Исследование триггеров
. Изучить структуру и алгоритмы работы
асинхронных и синхронных триггеров.
. Исследовать функции переходов и возбуждения
основных типов триггеров.
. Изучить возможности взаимозаменяемости
триггеров различных типов.генератор транзистор
триггер
Ход работы
Задание 1. Исследование генератора Колпитца.
1. Загрузить схему генератора Колпитца
(открыть файл 2m-occil.ewb).
2. Рассчитать режим по постоянному току и
зафиксировать результаты.
. Произвести многовариантный анализ
генератора в режимах, указанных преподавателем.
. Произвести расчет частотных
характеристик и зафиксировать результат в виде АЧХ, ФЧХ и в табличном виде.
. Произвести расчет переходного процесса.
Результаты вывести в виде графика и зафиксировать.
. Произвести спектральный анализ.
Результаты зафиксировать.
. Произвести статистический анализ при
заданных параметрах. Результаты зафиксировать.
. Открываем файл 2m-occil.ewb,
который расположен в папке Circuits
каталога программы. На экране появляется схема генератора Колпитца:
. Выполняем расчет режима по постоянному току.
Все данные касающиеся работы схемы можно получить, выполнив команду Analysis
- DC Operating
Point:
. Многовариантный анализ генератора предполагает
исследование схемы с несколькими значениями параметров одного из компонентов
схемы. Мы будем варьировать значения индуктивности. При L0=120мкГн
период колебаний Т≈608нс, амплитуда колебаний А≈ 5,72В:
При увеличении индуктивности до 240мкГн (в два
раза больше предыдущего), получаем период колебаний Т≈801нс, амплитуду
колебаний А≈ 5,74В:
Меняя таким образом значения индуктивности,
можно получить зависимость периода и амплитуды колебаний от L0.
Сведём её в таблицу:
Таблица 1.
|
Индуктивность
L0,
мкГн
|
Период
колебаний Т, нс
|
Амплитуда
колебаний А, В
|
|
120
|
608
|
5,72
|
|
240
|
801
|
5,75
|
|
360
|
979
|
5,74
|
|
480
|
1110
|
5,74
|
|
600
|
1238
|
5,73
|
|
720
|
1354
|
|
840
|
1440
|
5,73
|
. Расчет частотных характеристик выполняется
программой автоматически при выборе команды Analysis
- AC Frequency
и нажатии в появившемся окне кнопки Simulate.
На экране появится окно:
. Расчет переходного процесса выполняется при
выборе команды Analysis
- Transparent. Аналогично
выводится результат:
6. Спектральный анализ. Команда Analysis
- Fourier.
. Статистический анализ при заданных параметрах.
а) анализ по постоянному току:
б) анализ по переходным процессам:
в) анализ по частотным характеристикам
Задание 2. Исследование биполярного транзистора
. Исследовать зависимость тока коллектора от
тока базы и напряжения база-эмиттер.
. Выполнить анализ зависимости коэффициента
усиления по постоянному току от тока коллектора.
. Исследовать работу биполярного транзистора в
режиме отсечки.
. Получить входные и выходные характеристики
транзистора.
. Определить коэффициент передачи по переменному
току.
. Исследовать динамическое входное сопротивление
транзистора.
. Определение коэффициента передачи транзистора
по постоянному току
Открываем файл с10_001.са4, содержащий схему:
а) Включаем схему. Записываем результаты
измерения тока коллектора, тока базы и напряжения коллектор-эмиттер. По полученным
результатам рассчитываем статический коэффициент передачи транзистора вDC.
- напряжение источника ЭДС Еб=5,7В
- ток базы транзистора Iв=49,19мкА
- ток коллектора транзистора Iк=10,69мкА
- напряжение коллектор-эмиттер Uкэ=10В
- статический коэффициент передачи
транзистора вDC=217,32
б) Изменяем номинал источника ЭДС ЕБ
до 2,68 В. Включаем схему. Аналогично получаем результаты:
- напряжение источника ЭДС Еб=2,68В
- ток базы транзистора Iв=19,24мкА
- ток коллектора транзистора Iк=4,089мА
- напряжение коллектор-эмиттер Uкэ=10В
- статический коэффициент передачи вDC=212,52
в) Изменяем номинал источника ЭДС ЕК
до 5 В. Запускаем схему. Записываем результаты подобно действиям, выполненным в
предыдущем пункте и устанавливаем ЕК равным 10В.
- напряжение источника ЭДС Еб=5В
- ток базы транзистора Iв=19,24мкА
- ток коллектора транзистора Iк=3,917мА
- напряжение коллектор-эмиттер Uкэ=5В
- статический коэффициент передачи вDC=203,58
. Измерение обратного тока коллектора
Изменяем номинал источника ЭДС Ев до
0В. Включаем схему, записываем результаты измерения тока коллектора для данных
значений тока базы и напряжения коллектор-эмиттер:
Обратный ток коллектора IК0=10мкА
Ток базы транзистора IБ=0
Напряжение коллектор-эмиттер UКЭ=10В
. Получение выходной характеристики транзистора
в схеме с ОЭ.
Выходные характеристики исследуемого транзистора
представлены в таблице:
Таблица 2.
|
|
|
 0,10,5151020
|
|
|
|
|
|
|
|
|
1,66
|
9,423
|
831,8мкА
|
1,732мА
|
1,74мА
|
1,805мА
|
1,887мА
|
2,051мА
|
|
2,68
|
19,43
|
1,785мА
|
3,763мА
|
3,78мА
|
3,917мА
|
4,089мА
|
4,433мА
|
29,32
|
2,729мА
|
5,773мА
|
5,799мА
|
6,008мА
|
6,269мА
|
6,791мА
|
|
4,68
|
39,24
|
3,676мА
|
7,79мА
|
7,825мА
|
8,105мА
|
8,456мА
|
9,157мА
|
|
5,7
|
49,38
|
4,643мА
|
9,852мА
|
9,896мА
|
10,25мА
|
10,69мА
|
11,57мА
|
Выходные характеристика исследуемого
транзистора:
Задание 3. Исследование триггеров
1. Изучить структуру и алгоритмы работы
асинхронных и синхронных триггеров.
. Исследовать функции переходов и возбуждения
основных типов триггеров.
. Изучить возможности взаимозаменяемости
триггеров различных типов.
. Изучение структуры и алгоритма работы
асинхронных и синхронных триггеров.
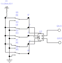
а) Исследование RS-триггера.
Открываем файл с14_01.са4. Файл содержит схему, изображённую на рисунке:
Включаем схему и последовательно подаём сигналы S=0,
R=1; S=0,
R=0; S=1,
R=0; S=0,
R=0. Находим
закономерности:
- при S=0,
R=1 триггер
устанавливается в состояние Q=0;
- при переходе к S=0,
R=0 триггер
сохраняет прежнее состояние выхода Q=0;
- при S=1,
R=0 триггер
устанавливается в состояние Q=1;
- при переходе к 8=0, R=0
триггер сохраняет прежнее состояние выхода Q=1.
Изменяя состояния входных сигналов, можно
составить таблицу состояний:
Таблица 3.
|
R
|
S
|
Qt
|
Qt+1
|
|
0
|
0
|
0
|
0
|
|
1
|
0
|
0
|
0
|
|
0
|
1
|
0
|
1
|
|
1
|
0
|
1
|
0
|
|
0
|
0
|
1
|
1
|
|
0
|
1
|
1
|
1
|
б) Исследование JK-триггера,
построенного на основе логических элементов и RS-триггеров.
Открываем файл с14_02.са4, содержащий схему JK-триггера:

Таблица 4
|
J
|
K
|
Qt
|
Qt+1
|
|
0
|
0
|
0
|
0
|
|
0
|
0
|
1
|
1
|
|
0
|
1
|
0
|
0
|
|
0
|
1
|
1
|
0
|
|
1
|
0
|
0
|
1
|
|
1
|
0
|
1
|
1
|
|
1
|
1
|
0
|
1
|
|
1
|
1
|
1
|
0
|
в) Исследование D-триггера.
Схема триггера содержится в файле с14_03.са4
При R=1,
S=0 триггер
устанавливается в 1 (Q=1,
Q'=0) независимо от
состояния остальных входов; при R=0,
S=1 триггер
устанавливается в 0 (Q=0,
Q'=1) независимо от
состояния остальных входов. По указанным данным можно составить
характеристическую таблицу работы триггера:
Таблица 5
|
C
|
D
|
Qt
|
Qt+1
|
|
0
|
0
|
0
|
0
|
|
0
|
1
|
0
|
0
|
|
1
|
0
|
0
|
0
|
|
1
|
1
|
0
|
1
|
|
0
|
0
|
1
|
1
|
|
0
|
1
|
1
|
1
|
|
1
|
1
|
0
|
|
1
|
1
|
1
|
1
|
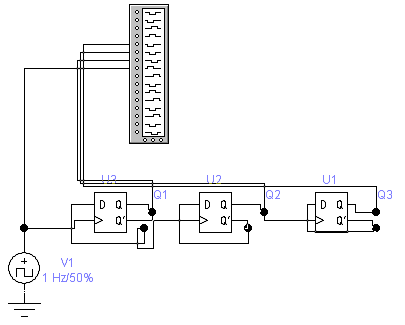
. Исследование работы вычитающего счетчика.
Открываем схему вычитающего счетчика, которая
содержится в файле с14_07.са4; её внешний вид следующий:
Если входы логического анализатора подключить к
инверсным выходам триггеров, то сигналы Q1,
Q2 и Q3
инвертируются. Если на логический анализатор подать инверсный сигнал с
тактового генератора, то получим суммирующий счетчик. Временные диаграммы
счётчика:
Также временные диаграммы можно
просматривать в окне элемента Logic Analyzer, к которому
подключены прямые выходы триггеров:
Вывод: в ходе работы изучены
возможности программы Electronics Workbench,
предназначенной для моделирования электронных схем, её инструментальный состав
и назначение.