Деаэраторы

  • Вид работы:
    Реферат
  • Предмет:
    Физика
  • Язык:
    Русский
    ,
    Формат файла:
    MS Word
    85,43 Кб
  • Опубликовано:
    2013-09-12
Вы можете узнать стоимость помощи в написании студенческой работы.
Помощь в написании работы, которую точно примут!

Деаэраторы

ФЕДЕРАЛЬНОЕ АГЕНТСТВО ПО ОБРАЗОВАНИЮ РОССИЙСКОЙ ФЕДЕРАЦИИ

Брянский государственный технический университет

Кафедра «Промышленная теплоэнергетика»







Реферат по ознакомительной практике

Деаэраторы

Студент группы 09-ПТЭ

Чекусов Д.В.

Руководители

доц., к.т.н. Стребков А. С.

доц., к.т.н. Анисин А.К.

БРЯНСК 2010

Содержание

Введение

. Назначение деаэраторной установки

. Способы деаэрации воды и конструктивное выполнение деаэраторов

. Конструкция деаэрационной колонки

4. Описание процесса деаэрации

. Общие требования, предъявляемые к деаэраторам

Заключение

Список использованных источников

Введение

Удовлетворительное коррозионное состояние пароводяного тракта электростанции обеспечивается правильным соблюдением водного режима и удалением коррозионно-агрессивных газов из питательной воды и конденсата. Питательная вода, например, паровых котлов ТЭС сверхкритических параметров пара согласно правилам технической эксплуатации электростанций (ПТЭ) должна иметь жесткость не более 0, 2мкг-экв/кг, содержать кислорода менее 10 мкг/кг, а её удельная электрическая проводимость должна быть менее 0, 3мкСм/см.

Соблюдение этих норм для всех режимов работы оборудования позволяет избежать выноса продуктов коррозии в зону высокотемпературных поверхностей нагрева, связанного с ним ухудшения надежности работы, а также предотвратить язвенную (подшламовую) коррозию в пароводяном тракте. Для борьбы с этим и служит деаэратор, который стал объектом исследования. Целью работы является рассмотреть составные части деаэраторной установки, функции и процессы, происходящие в ней.

Для достижения цели необходимо решить ряд задач:

. Установить назначение деаэраторной установки и газы, удаляющиеся в процессе деаэрации.

. Рассмотреть способы деаэрации воды и конструктивное выполнение деаэраторов.

. Рассмотреть конструкцию деаэрационной колонки.

. Привести описание процесса деаэрации.

. Установить общие требования, предъявляемых к деаэраторам.

Назначение деаэраторной установки

Назначение большинства элементов, тепловой схемы установки в общих чертах становится понятным после знакомства с паросиловым циклами. Деаэратор по своему назначению несколько отличается от остальных элементов схемы. С одной стороны его можно рассматривать, как промежуточный подогреватель смешивающегося типа, поскольку в него поступает горячий пар из второго отбора турбины и дренаж промежуточного пароперегревателя, а температура основного конденсата после прохождения через деаэратор увеличивается. Однако основное назначение деаэратора - удаление газообразных примесей из теплоносителя.

В воде конденсатно-питательного тракта могут присутствовать различные примеси: газообразные (кислород, углекислота, азот, аммиак, ), твердые (продукты коррозии конструкционных материалов), естественные (хлориды, кремнекислоты и другие).

Рассмотрим пути поступления примесей в цикл. Газообразные примеси поступают в основном за счет присосов воздуха в конденсаторе и в первых ПНД (подогреватели низкого давления), работающих при давлениях ниже атмосферного. Продукты коррозии поступают в воду в результате взаимодействия конструкционных материалов с водной средой, образования окислов металлов и перехода их в воду. Поступление естественных примесей происходит в основном в конденсаторе за счет присосов охлаждающей воды в неплотностях теплообменной поверхности.

Давление охлаждающей воды всегда выше давления конденсирующего пара в конденсаторе, и при наличии неплотностей происходит переток охлаждающей воды в конденсат. Практически присосы охлаждающей воды всегда имеют место, если даже с завода конденсатор поставлен достаточно плотным. В процессе эксплуатации в результате протекания коррозионных, эрозионных и других процессов происходит нарушение плотности, и присосы охлаждающей воды увеличиваются. Охлаждающая вода расходуется в больших количествах (для этой цели и создано водохранилище) и никакой предварительной обработке не подвергается. Поэтому даже незначительные присосы охлаждающей воды привносят значительные количества примесей.

Продукты коррозии, а также некоторые естественные примеси (например, кальций и магний) выпадают в отложения на теплопередающих поверхностях, что приводит к уменьшению коэффициента теплопередачи и возникновению под отложениями местных, наиболее опасных видов коррозионных повреждений. Из газовых примесей наибольшую опасность представляют кислород и углекислота.

Поступление углекислоты с присосами воздуха незначительно. Она образуется в конденсатно-питательном тракте за счет термического разложения бикарбонатов, поступающих с присосами технической воды, и последующего гидролиза карбонатов.

Пример химической реакции:

разложение:


гидролиз:


Кислород и углекислота являются коррозионно-агрессивными агентами.

Для уменьшения коррозионных процессов, поверхности нагрева ПНД часто приходится выполняются из коррозионно-стойких материалов - латунных сплавов, нержавеющих аустенитных сталей и высоконикелевых сплавов.

Для того чтобы иметь возможность выполнять ПНД из более дешевых углеродистых сталей, необходимо удалить из воды коррозионно-агрессивные газы и, в первую очередь, кислород и углекислоту. Для этих целей применяют деаэраторная установку, делящую весь тракт от конденсатора до барабана сепаратора, на конденсатный и питательный тракты.

Способы деаэрации воды и конструктивное выполнение деаэраторов

Для удаления газов из воды могут быть использованы химические и термические методы. Химические методы основаны на избирательном взаимодействии удаляемых газов с дозируемыми реагентами. Практически химический метод применим только для удаления кислорода. Для этого используют гидразин, и то не как самостоятельный метод, а для удаления микро количеств кислорода. Вместе с гидразином в воду могут поступать другие примеси. Кроме того, гидразин является токсичным веществом. На паротурбинных электростанциях применяют в основном термическую деаэрацию. Термические деаэраторы позволяют удалять из воды любые растворенные в воде газы и не вносят никаких дополнительных примесей в воду.

Рассмотрим принцип работы термического деаэратора:

В соответствии с законом Генри количество растворенного в воде газа, например кислорода - Go2, пропорционально парциальному давлению этого газа над жидкостью.

 (1)

где: Go2 - количество растворенного в воде кислорода;2 - коэффициент абсорбции кислорода жидкостью или коэффициент растворимости кислорода, зависящий от температуры;2 - парциальное давление кислорода над жидкостью.

Суммарное давление над уровнем воды:

 (2)

где:

Рн2о - парциальное давление водяных паров;Рг - сумма парциальных давлений других, кроме кислорода, газов, растворенных в воде.

С учетом (2) уравнение (1) можно записать в виде:

 (3)

Нагревом воды можно уменьшать содержания кислорода, поскольку коэффициент растворимости (ko2) уменьшается с ростом температуры. Несмотря на уменьшение количества кислорода в воде с повышением температуры, оставшаяся его часть значительна. Так, при изменении температуры воды от 20 до 50 °С количество растворенного в воде кислорода уменьшается с 9 до 5 мг/кг. Оставшаяся часть кислорода (5 мг/кг) в сотни раз превышает допустимые уровни.

Из уравнения (3) следует, что для сведения к нулю содержания кислорода в воде необходимо выполнение условия:

 (4)

Это условие выполняется при повышении температуры воды до температуры насыщения, т. е. до кипения. При температуре кипения давление над водой определяется давлением насыщенных паров воды, а количество растворенного в воде кислорода равно нулю. Устройство, где происходит прогрев воды до температуры кипения с целью удаления газов, называется деаэратором. Подогрев воды в деаэраторе осуществляется за счет отборного пара из турбины.

Для надежного удаления из воды газов необходимо прогревать всю массу воды до температуры насыщения. Недогрев воды на 1-3°С увеличивает остаточное содержание газов в воде. (см. рис.1).

Для выполнения условия (4) необходимо постоянно удалять выделившиеся из воды газы. Отводимая из деаэратора парогазовая смесь называется выпаром. Чем больше выпар, тем эффективнее будет работать деаэратор.

Рис. 1. Зависимость остаточного содержания кислорода от температуры деаэрации и недогрева воды. Термические деаэраторы подразделятся по назначению на: 1) деаэраторы питательной воды паровых котлов; 2) деаэраторы добавочной воды и обратного конденсата внешних потребителей; 3) деаэраторы подпиточной воды тепловых сетей.

Наибольшее значение для работы электростанции имеют деаэраторы питательной воды паровых котлов (ДПВ).

Деаэраторы могут быть смешивающие, поверхностные и перегретой воды. Наибольшее распространение получили смешивающие деаэраторы. В контуре реакторной установки РБМК используются смешивающие деаэраторы. Поверхностные деаэраторы используются в том случае, если греющий пар изменяет материальный баланс установки. Так, например поверхностные деаэраторы устанавливаются на линии подпитки первого контура АЭС с ВВЭР-1000. В деаэраторах перегретой воды подаваемая на деаэрацию вода подогревается в теплообменнике до температуры, превышающей температуру насыщения в деаэраторе. Избыточная теплота этой воды расходуется на парообразование. Недостатком деаэратора перегретой воды является сложность осуществления одновременной деаэрации потоков воды с разными энтальпиями, поэтому они не получили практического применения.

Деаэраторы подразделяются по давлению на вакуумные (работающие при давлении ниже атмосферного7,5-50кПа), атмосферные (работающие при давлении0, 12МПа), повышенного давления (работающие при давлении 0, 6-0, 8МПа, а на АЭС-до1, 25МПа). Вакуумные деаэраторы устанавливаются на подпитке теплосети, атмосферные - на линии подачи добавочной воды и деаэраторы повышенного давления - на основном потоке конденсата.

Само деаэраторная установка представляет из себя деаэрационную колонку, в которой подогреваемая вода стекает сверху вниз, а навстречу ей снизу подается греющий пар. Деаэрационная колонка устанавливается на бак-аккумулятор питательной воды, куда стекает продеаэрированная вода. В эксплуатации под деаэратором понимают совокупность деаэрационных колонн и деаэраторного бака, на который они устанавливаются. Для улучшения процесса деаэрации в деаэраторах смешивающего типа необходимо обеспечить большую поверхность контакта подогреваемой среды с паром. Поэтому конструкции термических деаэраторов подразделяются, в первую очередь, по способу дробления воды. Различают деаэраторы: сопловые, с насадками, пленочные, струйные и барботажные. В сопловых деаэраторах распыление воды идет с помощью сопел. Сопловые, с насадками и пленочные деаэраторы широкого распространения не получили, так как сопловые малоэффективны, а с насадками (установка большого количества металлических насадок) и пленочные (вода стекает в виде пленки по концентрическим стальным кольцам) дают дополнительное количество продуктов коррозии в воду. Широкое распространение получили струйные деаэраторы. Для увеличения времени контакта пара с водой и глубины разложения бикарбонатов струйную деаэрацию можно дополнить барботажной, подавая часть пара под уровень воды в деаэраторном баке. Пар, барботируя через воду, способствует более полному удалению газов.

Конструкция деаэрационной колонки

деаэратор вода колонка электростанция

Корпус представляет собой стальной цилиндр сварной конструкции с внутренним диаметром 2408 мм, изготовленный из листовой стали толщиной 12 мм, к которому приварена сферическая крышка. Корпус колонки приварен к деаэраторному баку (14).

В верхней части корпуса расположен кольцевой приемный короб (2) для приёма холодных потоков конденсата. Внутренняя обечайка короба в нижней части имеет прямоугольные окна, через которые конденсат поступает в смесительное устройство.

Смесительное устройство (3) предназначено для смешения холодных потоков конденсата, равномерного распределения их по периметру колонки и представляет собой короб, образованный внутренней обечайкой приемного короба и обечайкой смесительного устройства в верхней части, которой имеются прямоугольные вырезы расположенные по всему периметру.

Верхний блок состоит из внутренней и наружных обечаек и перфорированного днища (4) (дырчатый щит), приваренного с низу. Для обеспечения жесткости конструкции равномерного распределения конденсата по всей поверхности дырчатого щита между обечайками приварены шесть перегородок с тремя полу отверстиями в нижней части каждой перегородки. В центральной части верхнего блока имеется съемный люк, который крепится болтами к кольцевому выступу дырчатого щита. Верхний блок прикреплен к корпусу колоны шестью косынками расположенными таким образом, что имеется возможность для свободного прохода пара по периферии. Нижний блок состоит из переливного листа (5) и барботажного устройства. С одной стороны переливной лист имеет вырез для слива воды в барботажное устройство, а в центре горловину (6) для прохода пара. В колонне переливной лист закреплен с помощью удерживающего каркаса.

Барботажное устройство состоит из перфорированного листа (7), четырех сливных труб (8) приваренных со стороны противоположной сегментному вырезу переливного листа, выступающего над ним на 100 мм паро-перепускного патрубка (9), поддона (10) и двух водо-перепускных труб (11) соединяющих барботажный лист и поддон. Нижний конец паро-перепускного патрубка опущен в поддон и при заполнение водой последнего образуется гидрозатвор. Заполнение гидрозатвора обеспечивается автоматически, при изменении расхода, подачей воды через водо-перепускные трубки с барботажного листа в поддон.

Под нижним блоком расположены коллектор подвода греющего пара (13) и коллекторы горячих потоков дренажей.

Коллектор греющего пара представляет собой перфорированную трубу Ø325×10 мм. Отверстия расположены семью рядами на нижней части коллектора, что обеспечивает равномерное распределение пара по всему пространству колонки.

Коллекторы подвода дренажей представляют собой перфорированные трубы Ø108×6мм, вводы которых в колонку выполнены на одном уровне с коллектором греющего пара.

Рис.2. Схема деаэрационной колонки.

Описание процесса деаэрации

Холодные потоки конденсата через штуцера ввода (1) поступают в кольцевой приемный короб (2) и далее через прямоугольные окна на внутренней обечайке в смесительное устройство (3).

Из смесительного устройства при достижении определенного уровня, конденсат равномерным потоком по всему периметру поступает на перфорированное днище (4) верхнего блока.

Из верхнего блока конденсат пройдя через отверстия перфорированного днища, дробится на тонкие струи. Проходит через струйный отсек конденсат нагревается до температуры близкой к температуре насыщения и попадает на нижний блок. Сначала на переливной лист (5), затем через сегментный вырез переливного листа поступает на перфорированный лист (7) барботажного устройства. По барботажному листу вода движется слева направо и обрабатывается паром, проходящим через отверстия щита. Происходит нагрев до температуры насыщения и окончательное удаление растворенных газов. В конце барботажного листа вода через четыре сливные трубки (8), верхние концы которых, для обеспечения постоянного слоя воды, выступают на 100 мм над листом, поступает в нижнюю часть колонны и далее через сливную горловину (15) сливаются в деаэраторный бак (14).

Сливная горловина обеспечивает постоянный уровень воды в нижней части колонны перед поступлением ее в деаэраторный бак. Слив воды из сливных трубок происходит под этот уровень, что препятствует прохождению пара через сливные трубы в обход барботажного устройства.

Греющий пар из префорированного коллектора (12) подается под барботажный лист. Степень перфорации листа выбрана такой, что при минимальной нагрузке под листом создается устойчивая паровая подушка, исключающая провал воды через отверстия листа. На барботажном листе происходит интенсивная паровая обработка слоя воды, движущейся в сторону сливных труб и глубокая и стабильная дегазация.

Не сконденсировавшийся пар и выделившиеся из воды газы поднимаются вверх и через горловину (6) переливного листа поступают в струйный отсек. С увеличением производительности и расхода пара давление в паровой подушке возрастает, и пар в обход барботажного листа через паро-перепускной патрубок (9) гидрозатвора поступает в струйный отсек.

В струйном отсеке пар, двигаясь вверх, пересекает и омывает падающие вниз, с перфорированного днища струи воды. При этом происходит перемешивание воды с паром, подогрев ее до температуры, близкой к температуре насыщения при данном давлении в колонки и предварительная дегазация воды.

Конденсат греющего пара присоединяется к струям воды, а несконденсированный греющий пар и выделившейся из воды газ по периферии, через кольцевой зазор между корпусом и верхним блоком, проходят в верхнюю часть колонки, обеспечивая ее вентиляцию и подогрев встречных потоков воды, поступающих из смесительного устройства (3), и далее через штуцер выпара отводятся из колонки.

Общие требования, предъявляемые к деаэраторам

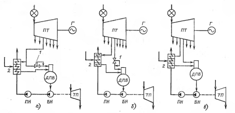
Емкость деаэраторных баков выбирается из расчета трехминутной работы питательных насосов после прекращения подачи воды в деаэратор. Уровень воды в деаэраторе должен быть определенным и контролироваться с помощью водомерного стекла. При достижении предельно допустимого уровня, избыток воды сливается через переливное устройство. Повышение уровня свыше максимально допустимого ухудшает работу деаэрационной колонки. Давление в деаэраторе необходимо поддерживать постоянным. Это связано с тем, что после деаэратора вода, нагретая до температуры насыщения, питательным насосом подается в питательную магистраль и далее в барабан сепаратор. При резком изменении давления в деаэраторе может произойти вскипание воды, и работа насоса нарушается. При изменении нагрузки на турбину давление пара в отборах изменится, изменится давление и в деаэраторе. Если турбина имеет регулируемые отборы пара, то деаэратор следует подключать к этому отбору. Применяют различные схемы присоединения деаэратора к отборам турбины в зависимости от его предназначения и типа электростанции. На ТЭС используют следующие схемы включения (см. рис.3).

. Деаэратор работает при постоянном давлении:

а) Предвключенная схема(см.рис.3, а).Деаэратор присоединяют через дроссельный регулирующий клапан к регенеративному отбору, питающему паром следующий за деаэратором по ходу воды поверхностный регенеративный подогреватель (ПВД).

б) Деаэратор на самостоятельном регенеративном отборе пара (см.рис. 3, б).

. Деаэратор работает на скользящем давлении. (см. рис.3, в) Для обеспечения постоянства давления деаэратор по пару подсоединяется к нескольким отборам турбин. Постоянство давления в деаэраторе нарушает оптимальный подогрев питательной воды по ступеням. Но при недогреве воды, идущей в деаэратор, на 8-10 °С это влияние незначительно, и подогрев в деаэраторе можно рассматривать как общую ступень подогрева, тем более, что питаются они от одного и того же отбора пара.

Рис. 3. Схемы включения деаэратора питательной воды: а) - предвключенная схема; б) - деаэратор как самостоятельная ступень регенерации; в - деаэратор на «скользящем» давлении; 1 - регулятор давления; 2 - ПВД.

Заключение

По данным выполненной работы делаются следующие выводы:

. Деаэратор-это одно из важнейших устройств на электростанции, которое удаляет газообразные примеси из теплоносителя.

. Из воды следует удалять коррозионно-агрессивные газы и, в первую очередь, кислород и углекислоту.

. Наиболее эффективным способом деаэрации является термическая деаэрация, т.к. позволяет удалять из воды любые растворенные в воде газы и не вносят никаких дополнительных примесей в воду.

. Деаэраторная установка состоит из деаэрационной колонки и деаэраторного бака, куда стекает продеаэрированная вода.

. Благодаря своей конструкции деаэрационная колонка улучшает процесс деаэрации воды.

. Процесс деаэрации - это совокупность физических и химических процессов, благодаря которым достигается основная цель работы деаэратора - удаление из воды коррозионно-агрессивных газов.

. Основным требованием, предъявляемым к деаэраторам, является необходимость поддерживать постоянное давление в нем.

На основе сформулированных выводов можно утверждать, что цель работы достигнута.

Список использованной литературы

1. В.Я. Рыжкин. Тепловые электрические станции. Учебник для вузов/Под ред. В.Я. Гиршфельда. - М.: Энергоатомиздат, 1987.

. Баскаков А.П., Берг Б.В., Витт О.К. и др. Теплотехника: Учебник /Под ред. А.П. Баскакова. - М.: Энергоатомиздат, 1991.

. Тепловые и атомные электрические станции: Справочник/Под общ. ред. В.А. Григорьева и В.М. Зорина. - М.: Энергоиздат, 1982.

. Промышленная теплоэнергетика и теплотехника: Справочник/Под общ. ред. В.А. Григорьева и В.М. Зорина. - М.: Энергоатомиздат, 1983.

. Теплотехнический справочник/Под ред. В.Н. Юренева, П.Д. Лебедева. - М.: Энергия, т.1, 1975, т.2, 1976

Похожие работы на - Деаэраторы

 

Не нашли материал для своей работы?
Поможем написать уникальную работу
Без плагиата!
Без нейросетей!