Автоматизация технологических процессов и производств
Билет №1
. Каналы связи с помехами
Каналом связи называется совокупность
технических средств и тракта (среда, кабель, проводная линия) для передачи
сообщения на расстояние.
Помехи - случайные воздействия искажающие
передаваемый сигнал. Если помехи не случайные, а регулярные, то их можно
нейтрализовать с помощью соответствующих фильтров.
Если A(t) - передаваемый сигнал, то на выходе
канала связи в результате воздействия помех может быть принят сигнал:
(t)=m(t)A(t)+e(t),
где m(t)
- мультипликативная, e(t)-аддетивная помеха
Аддетивной называют помеху (случайное
воздействие), которое не зависит от сигнала и вызывается сторонними
возмущениями поля, с помощью которых передается сигнал по каналу связи.
Мультипликативные помехи возникают в отличие от
аддетивной при изменении канала связи, основными из которых являются:
1. Изменение
характеристик линии связи
2. Изменение
коэффициентов усиления при колебаниях напряжения питания
3. Замирание
сигналов в радиоканалах (изменение силы принимаего сигнала, обусловленное
интерференцией)
Мультипликативную помеху можно всегда свести к
аддитивной, что упрощает ее исследование.
Помехи разделяют на:
а) сосредоточенные по времени (импульсные)
Помехи возникают если переходный процесс в
приемнике, вызванный этой помехой начинает затухать до появления следующего
импульса.
Пример:
Апериодическая:
Полупериодическая:
Для него характерно
tн< Tср,
где tн
- длительность переходного процесса от первого импульса помех, - средний
интервал между импульсами
tн =К/Df,
где - полоса пропускания,К- коэффициент
пропорциональности (для простейших устройств К»1).
б) Флуктуационные - форма хаотически
изменяющихся непрерывных колебаний (белый шум).
Реально его центр (1012-1014
Гц) и состоит из импульсов конечной но очень малой длительности. Произведение
ширины спектра и длительности импульсов имеет порядок единицы и описывается
нормальным (Гауссовским распределением).
Флуктуации - результат дискретного строения
вещества и статической природы ряда физических величины. Флуктуации этих
физических величин принципиально не устранимы, поэтому измеряют лишь
относительную величину флуктуации, как на нее можно повлиять имеющимися
средствами: tн³Tср
с
увеличением частоты сигнала проявляется дискретная природа электромагнитного
излучения и начинают влиять на сигнал фотона.
в) электромагнитные помехи - возникают от
посторонних генераторов периодических колебаний, основная частота гармоники
которых расположена в рабочем диапазоне частот канала связи.
Помехи бывают:
1) внутренние
(аппаратные) - которые являются следствием нарушения работы различных элементов
аппаратуры, тепловыми шумами и шумами от нелинейности характеристик элементов,
могут также носить флуктуационный характер (дискретные носители заряда).
2) Внешние,
которые в свою очередь делятся на:
·
атмосферные
- связаны с атмосферными разрядами во время гроз, нося хаотический характер, а
так же с радиационным излучением солнца, планет, мерцанием звезд.
·
Индустриальные
- создаются различными электроустановками, в основном коммуникационные
процессы, сварка, высокочастотная плавка, близкое расположение электропроводки
и т.д.
. Преобразование Лапласа. Понятие передаточной
функции звеньев
Преобразованием Лапласа называется выражение:
где вещественной переменной,
являющейся функцией X(t)
соответствует ее изображение X(P), которое
является переменной или функцией комплексного переменного P=a+ib,
X(t)-оригинал
функции,X(P)-его
изображение:
L{X(t)}=X(P);
Свойства оригинала:
1. кусочно-дифференцируема
на [0;¥);
X(t)=0 при t<0;
Свойства изображения:
1. Линейность
L{f1(t)+f2(t)}=F1(P)+F2(P);
2. Дифференцирование
оригинала L{X(n)(t)}=PnL{X(t)}=PnX(P);
Интегрирование оригинала:
1. Теорема
запаздывания: Если аргумент оригинала имеет какой-то временной сдвиг, то:
L{X(t-t)}=
{X(t)}=
e-ptL
X(P);
2. Теорема
о свертке (умножение оригиналов):
1. Теорема
разложения: Если изображение определяется отношением полинома A(P)/B(P)=X(P),
то оригинал должен быть дробно-рациональным, т.е. степень числителя меньше
степени знаменателя:
где Pk -корни
уравнения B(P), nk-число
кратных корней, l-число различных корней;
Обратное преобразование:
Дифференцированию и интегрированию
оригинала соответствуют алгебраические операции над их изображениями, это
свойство используют для решения обычных дифференциальных уравнений с
постоянными коэффициентами, сначала уравнение преобразовывают по Лапласу, после
чего получают алгебраическое уравнение относительно изображений.
Входные и выходные процессы в
системах управления и регулирования, а также управления состояния могут быть
представлены в форме дифференциальных уравнений. В общем виде дифференциальное
уравнение относительно входного и выходного воздействия можно записать в виде:
После преобразования Лапласа:
Это преобразование возможно при нулевых
начальных условиях.
W(P)-передаточная
функция -это отношение выходной величины по Лапласу к изображению входной
величины при нулевых начальных условиях:
Билет
№2
1. Понятие
об информации; оценки для ее измерения
Информация
- это часть сообщения, которое представляет новизну и ранее не была известна
получателю.
Сообщение-это все то, что передается о коде
производственного процесса, т.е. о событии.
Событие- это состояние или изменение состояния
объекта или устройства телемеханики оговоренное в технической документации.
Количество информации, содержащееся в
произвольном дискретном сообщении из n-элементов,
каждый из которых принимает одно из m-возможных
значений оценивают выражением:
N=mn;
Пример:
С помощью двухразрядного десятичного кода можно
записать 100 различных чисел от 0 до 99, а при средней длине слова в русском
языке n=5 и алфавите m=32
буквы, можно составить 33,5 млн. различных слов.
Однако использование N
в качестве меры информации неудобно, т.к. в данном случае не выполняется
условие аддитивности, т.е. пропорциональность между длиной слова и количеством
содержащейся в ней информации. Для того чтобы с большей гарантией информация
дошла до потребителя ее обычно передают в избыточном виде.
Например: команда «вкл.» может передаваться два
или три раза, однако для приемного устройства только лишь одна команда будет
являться информацией, а остальные не представляют новизны и не будут выполнены.
В основе процесса управления циркуляция потоков информации, однако главное для
канала связи - передача наибольшего количества информации без искажения в
единицу времени.
В общем случае если n-число
элементарных сигналов, а N-число
сообщений (сигналов), то
N=2n;
В результате логарифмирования получим:
n=[log2
N],
Обычно число сообщений соответствует числу
состояний реальной управляющей системы, поэтому информационную емкость системы
оценивают:
Си=log2
M;
За единицу количества информации принимают такое
ее количество, которое получается при заборе одной из двух равновероятных
возможностей. Поэтому в формуле в качестве основания взято число 2.
Наименьшей единицей информации является бит-это
объем информации, передаваемый одним двоичным символом, т.е. это количество
информации соответствующее одному из двух равновозможных сообщений: да-нет, 0
или 1, исправно-неисправно, и т.д.
Байт-это количество информации, заключенное в 8
двоичных разрядах (битах), с помощью байта можно передать одно из 256 различных
сообщений, поскольку 28=256.
Количество информации о событии принято считать
как log обратной
вероятности появления этого сообщения:
J=log2
(1/P)=-log2
P;
В общем случае, когда рассматривается m-событий
с вероятностями P1,P2P3,...,Pm
Среднее количество информации на одно событие
составляет:
1. Алгебраические
критерии устойчивости
Критерии устойчивости - это косвенные методы
определения устойчивости, которые позволяют не решать дифференциальные
уравнения.
Критерии устойчивости подразделяются на
алгебраические и частотные.
Алгебраические критерии устойчивости:
позволяют судить об устойчивости по
коэффициентам характеристического уравнения:
(P)=a0Pn+ a1Pn-1 +…+an
Все коэффициенты характеристического уравнения
должны быть больше нуля, это необходимое условие устойчивости системы.
Для систем I-го
и II-го порядка это
условие считается достаточным, т.к. корни являются левыми.
Для систем более высоких порядков условие
недостаточное, т.е. появится правые корни.
Один из наиболее употребляемых критериев - Рауса
-Гурвица:
Из коэффициентов характеристического уравнения
составляют матрицу Гурвица по следующему правилу:
-я строка заполняется нечетными коэффициентами,
-я строка - четными, начиная с а0,
-я строка смещается на один символ вправо,
вместо него ставится ноль
-я строка смещается на один символ вправо (по
сравнению с 3-ей), на его место также ставится ноль. Далее по аналогии.
После составления матрицы выделятся диагональные
миноры:
… и т.д.
При этом должны соблюдаться следующие условия:
1) Коэффициенты
характеристического уравнения больше нуля;
2) Все
диагональные миноры матрицы Г должны быть больше нуля
3)Проверяется равенство Dn
=
Dn-1an=0.
В случае когда все определители низшего порядка больше нуля, а главный
определитель равен нулю, система находится на границе устойчивости. Для того
чтобы система была устойчивой необходимо чтобы an>0.
При соблюдении всех вышеперечисленных условий
система считается устойчивой. Если хотя бы одно из условий не соблюдается, то
система считается неустойчивой.
При Dn-1=0,
т.е. для определения границы устойчивости:
Если (n-1)-й определитель равен нулю, то система
находится на границе колебательной устойчивости, в системе два лишних
сопряженных корня.
Если an=0,
то система на границе апериодической устойчивости (т.е. один из корней
характеристического уравнения равен нулю).
Пример:
D1>0, D2>0, D3>0, D4<0 =>
система неустойчива.
Билет
№3
. Преобразование аналоговой и цифровой
информации
Для преобразования цифровой информации в
аналоговую применяется цифро-аналоговые преобразователи (ЦАП).
ЦАП представляет собой регулятор напряжения или
тока управляемый цифровым кодом.
Количественная связь между входной числовой
величиной N и ее аналоговым
эквивалентом А, характеризующая алгоритм ЦАП, имеет вид:
=NDA+dA,
где
DA-аналоговый эквивалент единицы младшего разряда
кода (шаг квантования);
dA-погрешность
преобразования, обычно dA=DA/2
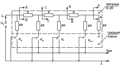
Основными узлами ЦАП являются:
а) резистивная матрица;
б) набор токовых ключей;
в )выходной усилитель;
г) источник опорного напряжения;
Резистивная матрица предназначена для
формирования выходных сигналов пропорциональных входному коду.
Наиболее эффективной является резистивная
матрица местного типа, называемая матрицей R-2R.
Ток неразветвленной части матрицы J0
задается источником эталонного напряжения и последовательно делится в узлах
резистивной матрицы по двоичному закону.
В результате, в i-ом разрядном резисторе ток
будет равен: Ji=J02-i, гле 2-i
коэффициент равный весовому коэффициенту i-го разряда дробно-двоичного числа.
=Uэ/R -ток неразветвленной части матрицы;
Суммарный выходной ток:
где ai - i-ый разряд двоичного
числа;
Т.к.
Десятичное представление двоичного числа,
то
Основные
параметры ЦАП
1. Разрешающая
способность -минимальное значение аналогового сигнала, соответствующее разнице
между двумя уровнями, возникающими при подаче смежных входных цифровых кодов.
где A max, A min -
максимальное и минимальное значение выходного сигнала;
DА
- диапазон изменения выходного сигнала;
n- число
разрядов двоичного входного кода;
Например: для преобразователя
К572ПА1
Если A max=10,24 В, то
1. Точность
работы - отклонение аналогового выходного сигнала от расчетного значения.
2. Время
установления сигнала (U
или J) - это интервал
времени от момента заданного изменения кода на входе ЦАП до момента, когда
выходное аналоговое напряжение (ток) окончательно войдет в зону, шириной в
единицу младшего разряда, т.е. будет отличаться от установившегося значения не
более чем на 0,5 ЕМР.
3. Нелинейность
-максимальное отклонение линейно нарастающего выходного напряжения от прямой
линии, которая соединяет точки нуля и максимального уровня выходного сигнала.
Аналогово-цифровой преобразователь (АЦП)
устройство, предназначающееся для преобразования аналоговой входной величины в
пропорциональный ей код на выходе, т.е. в число с конечным количеством
разрядов.
Принцип АЦ преобразования:
Преобразование сигнала из аналоговой формы в
цифровую, включает в себя следующие операции:
а)дискретизация по времени;
б)квантование по уровню;
в)кодирование;
В процессе дискретизации из непрерывного сигнала
x(t)
берутся отсчеты (мгновенные значения), которые следуют через определенный
интервал времени t называемый
тактовым интервалом. Согласно теореме Котельникова, тактовый интервал
выбирается из условия: Т£ 1/2Fmax,
где Fmax-максимальная
частота сигнала.
Сущность операции квантования заключается в
следующем:
·
создается
сетка так называемых уровней квантования, смешанных смещенных друг относительно
друга на величину DА - шаг квантования;
·
Каждому
уровню квантования приписывается порядковый номер(0,1,2,3…N)
·
Полученные
в результате дискретизации отсчеты заменяются ближайшими к ним уровнями
квантования;
Таким образом, в процессе квантования
последовательность отсчетов сигнала преобразуется в последовательность
соответствующих чисел. (Номеров уровней квантования).
В процессе операции кодирования числа полученной
последовательности представляется в двоичной системе счисления.
Принципы работы АЦП:
а) метод с интегрированием;
б) метод последовательных сравнений;
Билет
№4
. Частотные оценки качества
При гармоническом воздействии качество
оценивается частотными характеристиками (АФЧХ, ФЧХ, АЧХ ).
Показатель колебательности M:
Если А3(0)=1, то М=A3max(wp).
Показатель колебательности
характеризует склонность системы к колебаниям. Чем больше М, тем менее
качественна система. Обычно М принимается в пределах:
,1£М£1,6
wp- результирующая (собственная)
частота, при которой АЧХ системы имеет максимум.
При частоте wp сигнал
проходит с наибольшим усилением.
Полоса пропускания w0 определяет
интервал от w0=0 до w0, при этом A3max(w0)£0,707,
полоса пропускания не должна быть слишком широкой, в противном случае система
будет пропускать высокочастотные помехи.
wср -частота среза, при этой частоте A3max(wср)=1, она
характеризует время регулирования:
Если переходный процесс имеет одно
или два колебания, то:
. Микропроцессорные и процессорные
средства
В настоящее время все шире
применяются цифровые и управляющие устройства на микроэлементной базе. Это
устройства с жесткой структурой (цифровые логические схемы) и ЭВМ.
Логические устройства на
интегральных схемах (ИС) и больших интегральных схемах (БИС)
узкоспециализированы и требуют, при изменении реализуемых функций, физического
изменения схем. Появление программируемой логики привело к созданию
микропроцессоров (МП) и микроЭВМ.
МП - программно -управляющее
устройство, осуществляющее процесс обработки цифровой информации и управления
и, построенное на одной или нескольких БИС.
Состав МП: арифметико-логическое
устройство (АЛУ) -выполняет арифметические и логические операции,
вспомогательная память в виде накопительного регистра - аккумулятора (А) -
осуществляет прием прием результатов операций из АЛУ, системы шин ввода -вывода
(внутренняя информационная шина ИШ), внешняя информационная шина, выход АЛУ
связан с регистром адреса памяти (РАП) и через буферное устройство (БУ) - с
выходной шиной, программируемый счетчик (ПСч)- обеспечивает прохождение всей
программной памяти, регистр (РК) и дешифратор (ДШ) - преобразует поступающие
команды в сигнал на схему устройства управления и синхронизации (УУС), которое
обеспечивает необходимую последовательность операций в МП при выполнении
команды, сверхоперативное запоминающее устройство (СОЗУ) - временно хранит данные
при их обработке, адресный стек (АС) -запоминает адресных ячеек в процессе
вычисления и воспроизведения их в обратном порядке, мультиплексор (М) -
подключает СОЗУ и АС к внутренней ИШ.
Микропроцессорная система (МПС) -
комплекс устройств работающих совместно с МП и осуществляющих ввод
обрабатываемой информации в МП, ее обработку, хранение и вывод из МП.
Состав МПС: оперативное запоминающее
устройство (ОЗУ)-память данных, постоянно запоминающее устройство ПЗУ -
программная управляющая память, устройства ввода (УВВ) и вывода (УВЫВ)- для
связи с внешним (периферийным) оборудованием, устройства МПС соединены между
собой линиями, которые объединены в шины, с их помощью МП обменивается данными
с другими устройствами, системная шина состоит из проводов и электронных схем,
позволяющих представить информацию в том или ином направлении и в определенное
время, ШД -шина данных, ШУ -шина управления.
МПС может выполнятся блочно ( путем
набора и соединения необходимых функциональных блоков применительно к
конкретной задаче) или в виде микроЭВМ.
Билет №5
. Корневые оценки качества
Переходную характеристику можно получить,
используя обратное преобразование Лапласа.
- корни характеристического
уравнения замкнутой системы
На характер переходного процесса
влияют как числитель так и знаменатель передаточной функции.
Если числитель имеет нулевые корни,
то переходной процесс можно оценить.
Качество переходного процесса можно
оценить по корням знаменателя, т.е. по корням характеристического уравнения
замкнутой системы D(p).
Расстояние ближайшего к мнимой оси
корня называется j
степенью устойчивости (h)
Время затухания переходного процесса
приблизительно можно оценить по параметру:
Колебательность системы определяется
По колебательности m можно оценить
колебательность переходного процесса и перерегулирование.
Перерегулирование - максимальное
отклонение от установившегося значения в %
С увеличением m возрастает число колебаний
переходного процесса и велечина перерегулирования.
. Интегральные оценки качества
Интегральные
оценки качества оценивают величину отклонения от установившегося значения и
время переходного процесса.
а) Для монотонных процессов применяются линейные
интегральные оценки. Численно линейная оценка равна площади, ограниченной
кривой отклонения y.
б) Квадратичная интегральная оценка
может применяться как при монотонных, так и при колебательных переходных
процессах и зависит только от значения отклонения, но не от его знака.
в) Улучшенная интегральная оценка
Здесь вводиться первая производная и
y(t).
Минимум Jз по
сравнению с интегралом J2 будет при
более медленном, следовательно и менее колебательном переходном процессе.
Т - весовой параметр
Чем больше Т, тем больше замедление
процесса.
Целесообразность применения
интегральных оценок в том, что существуют готовые формулы выражающие J через
коэффициенты передаточной функции системы.
Билет №6
. Методы идентификации линейных систем
автоматического управления, основанные на использовании гармонических тестовых
сигналов (частотный метод)
Частотно-временные критерии:
) bi
= bi (w0,±t);
i=1,n
несут информацию о оценке степени нелинейного преобразования;
2) sign bi = sign bi(w0,±t);
1) Логарифмические
функции от коэффициентов, т.к. они зависят только от частоты:
Li=20 lg [bi(w0,±t)
]; i=1,n;
2) Логарифмические
наклоны:
D Li=
Li(w0’)-Li(w0’’);
Dw=w0’’-w0’=1
дек.;
3) Логарифмическая
разница между коэффициентами:
aj-ai,
когда
j¹i;
Знаковые функции для модели Гомерштейна.
bi(w0,
±t) =kw0
cos{j
(w)};
w0t=0+2kp;
w0t=p/2
+2kp; 2w0t=p/2;
Зависимость не от частоты, а от фазы.
Если знаковые функции одинаковые, то можно о
модели сказать, что это модель Гомерштейна.
Отставание по фазе: на -p/2;
на -p;
на p/2;
Примеры знаковых функций:
Билет №6
. Непараметрическая и параметрическая
идентификация линейных диагностических систем, основанная на использовании
гармонических тестовых сигналов (корреляционный метод)
При непараметрической идентификации определяются
численные значения импульсных характеристик модулей коэффициентов передачи
линейных звеньев и фазовых характеристик. Параметрическая идентификация
предполагает определение параметров импульсных моделей, если аналитические
выражения для них известны. К таким параметрам, например, относятся постоянные
времени линейных звеньев.
Имеется модель:
(1)
·
модель
Гамерштейна
(2) - модель Винера
y -
постоянный коэффициент;
h -
импульсная переходная характеристика линейной динамической части;
аi -
коэффициент безинерционного звена i = 1…n.
Предполагаем, что одна из этих
моделей адекватно описывает объект.
Постановка задачи:
1. Необходимо
из множества модели (1) и (2) выбрать такую, которая бы адекватно описывала
объект.
2. Определить
оценку степени нелинейного преобразования n
®
n.
3. Определить
время переходного процесса.
4. Определить
полосу пропускания.
5. Определить
статические характеристики.
Описывается дробно-рациональной передаточной
функцией:
; p > m
1. Необходимо
определить степени полинома числителя и знаменателя (p
и m).
2. Определить
имеются ли в системе степень затухания.
Задача непараметрической идентификации.
Определить частотные характеристики:
нормирование имп. переходная характеристика, нормирование относительно
статических характеристик.
, значение аi,
Эти характеристики связаны между
собой преобразованием Фурье.
Необходимо определить значение аi,
.
Задача параметрической
идентификации.
1. Определяем
значения постоянной времени.
2. Определяем
коэффициенты
аi,
.
Задача ускоренной параметрической
идентификации.
Имеется частотная характеристика
системы третьего порядка
Для того чтобы решить эти задачи
необходимо составить задачи идентификации.
Имеется объект, описывается в виде
функционалов:
x2(t-t) Rx2y(t)
Структура соответствия задержки
вход. сигнала по
коррелятор времени
Получим уравнение идентификации:
Идентификацию проводим, когда
заканчивается переходный процесс. В этом случае сигнал должен быть
стационарным.
Взаимная корреляционная функция
зависит от разности моментов времени t1 и t2.
. Теорема квантования по времени
(теорема Котельникова)
Согласно теореме В.А. Котельникова, функция,
имеющая ограниченный спектр, полностью определяется своими дискретными
значениями в точках, расположенных на расстоянии 2П/2wм
друг относительно друга, где wм
- максимальная круговая частота в спектре функции; т.е. любая непрерывная
функция, спектр которой ограничен частотой Fmax
может быть полностью восстановлена по её дискретным значениям, взятым через
интервалы времени Dt£1/(2Fmax)
(по теореме В.А. Котельникова можно определить шаг квантования).
Однако имеется ряд затруднений для практического
применения этой теоремы, связанных с тем, что все сообщения передаваемые в
телемеханике, ограничены во времени.
Практически теорему Котельникова можно применять
с поправкой:
Dt = 1 / (h2Fmax)
где h -
коэффициент, зависящий от точности воспроизведения функции и способа
интерполяции;
при линейной интерполяции
при ступенчатой - hст = (3¸5) hл
d
- относительная погрешность в %
Восстановить квантованную по времени
функцию на приёмной стороне можно с помощью ступенчатой или линейной
интерполяции либо методом Котельникова.
Чаще всего применяют ступенчатую
интерполяцию и наиболее редко - фильтрацию по Котельникову.
При восстановлении, квантованной
функции по Котельникову нужно знать все дискретные точки как предыдущие так и
последующие, или, во всяком случае для практической реализации должно быть
известно несколько точек до и после интервала, в котором происходит
интерполяция.
Значение последующих точек возможно
лишь в системах, допускающих запаздывание в передаче информации.
Иногда восстановление функции,
квантованной во времени, с шагом подсчитанным по теореме Котельникова,
производят с помощью фильтра нижних частот, который выделяет постоянную и
низкочастотные составляющие спектру передаваемой функции.
Билет №7
. Методы решения задач оптимального управления
на базе вариационного исчисления
Большое число задач вариационного исчисления
содержит дополнительные условия. Экстремум функционала, определяемый при
дополнительных условий, называется условным, а если нет дополнительных условий,
то безусловным. Дополнительные условия задаются системой неравенств.
Постановка задачи при дополнительных условиях:
пусть требуется найти кривые, дающие максимум интегралу.
при наличии дополнительных условий:
система уравнений, которые между
собой независимы
Для решения этой задачи применяется
метод множителей Лагранжа.
li(x) - множители
Лагранжа
Число уравнений Эйлера равно n и имеется m уравнений
дополнительных условий (m+n)
достаточно, чтобы определить y1,… yn; l1,…, lm
Также имеются уравнения граничных
условий. Эти уравнения позволяют определить 2n произвольных
постоянных в общем решении уравнения Эйлера. Дополнительные условия могут
носить характер диф. уравнений. Эта задача называется общей задачей Лагранжа.
В этом случае процедура решения остаётся
прежней.
Дополнительные условия могут иметь вид
интегральных равенств:
li -
постоянные
Эта задача сводиться к предыдущей
введением новых дополнительных координат.
Процедура введения множителей
Лагранжа упрощается, т.к. li=const
Более общей постановкой задачи значение x0
и x1
не фиксируются, но требуется, чтобы они находились на определённых линиях либо
поверхностях.
АСВ
- искомая экстремаль
Решения вариационных задач часто достигается при
расширении класса дополнительных функций, например, за счёт кусочно-гладких
функций. В этом случае рассматриваются дополнительные условия
Эрмана-Вайеристрасса.
Задача усложняется, если решением является
функция с конечным числом точек разрыва первого рода. Особенно, если число
точек заранее неизвестно.
Существует прямой метод вариационных исчислений
(метод Ритца):
ai - постоянные
коэффициенты
Рi(x) -
выбранные функции
Особенности задач теории оптимальных
систем:
1) в
функционале, в уравнениях объекта и в условиях ограничений присутствуют
координаты объекта ai
и управляющее воздействие;
2) ограничение
обычно имеет форму неравенств, вектор U
может находиться и на границах дополнительной для него области;
3) решением
оптимальной задачи часто является кусочно-направленные функции Uj(t)
с конечным числом точек разрыва первого рода, но не определено в какие моменты
времени происходят скачки.
. Динамическое программирование
В
идею метода положен принцип оптимальности. Рассмотрим задачу об управлении
объектом
Требуется минимизировать
t0 = 0; T -
фиксированный отрезок времени
Поведение систем полностью или
статистически определяется их состоянием в настоящем. Поэтому оно не зависит от
характера их предистории, т.е. от поведения системы в прошлом.
Пример:
Второй участок может рассматриваться
как самостоятельная траектория и она будет оптимальной, если соответствующий ей
интервал оптимальный.
Второй участок является в свою
очередь оптимальной траекторией.
Утверждение о том, что любой участок
оптимальной траектории является оптимальным, неверно.
Функционал от 0 до t` может быть
не минимальным. Оптимальное управление должно быть подчинено цели: давать
минимум функционалу от t0 до Т.
Оптимальная стратегия не зависит от
предистории системы и определяется лишь её состоянием рассмотренный момент
времени.
Билет №8
. Каналы связи в телемеханике
Этот принцип наиболее эффективен при решении
линейных задач, когда на управление или координаты наложены ограничения в виде неравенств.
Принцип максимума применяется для систем управления поведение которых
описывается системой диф. уравнений первого порядка, следующего вида:
(1)
yi -
координаты объекта
Ui -
управление
Ставиться задача: отыскать
управление U(t),
переводящие систему за время Т из положения y(t0) в
положение y(T) и
доставляющие экстремальные значения функционалу вида:
Переход к описанию объекта
управления в виде системы уравнений вида (1) от линейного уравнения n-го порядка,
осуществляется, например, путём замены переменных
и
подстановки их в исходное уравнение.
Допустим уравнение объекта с одним
управляющим воздействием U имеет вид:
введём следующие обозначения
Запишем систему первого порядка
В число координат объекта включают
ещё величину y0,
характеризующую текущее значение функционала, т.е.
.
Диф. уравнение для координаты y0 записывается
следующим образом:
(2)
Добавляя уравнение (2) в (1) запишем систему
уравнений задачи:
Эта система уравнений в общем виде
выглядит следующим образом:
(3)
Важную роль в принципе максимума
играет вспомогательные функции:
и функции
(4)
Функции
определяется
из диф. уравнений
Из (3) и (4) следует, что
В итоге получим систему уравнений:
Эти уравнения называются
канонически сопряженными.
Формулировка принципа максимума:
для оптимальности управления U(t) и
траектории y(t) необходимо
существование такой непрерывной функции j(t),
соответствующей функции U(t) и y(t), что при
любом t:
функции H [j(t), y(t), U] достигает
в точке U=U(t) максимума.
Выражение примет следующий вид:
H
= [j(t),
y(t), U] = max
Последовательность решения задач с помощью
принципа максимума:
1. Записываем
уравнение объекта в виде системы уравнений первого порядка:
1. Составляется
функция
1. Определяется
значение U, доставляющее максимум
функции H из системы
уравнений:
1. Составляется
уравнение для определения ji(t):
Решая систему уравнений находим
оптимальное управление U(t).
Особенностью принципа максимума
является то, что задача нахождения функции U(t),
доставляющей экстремум функционалу g, заменяют
более простой задачей нахождения параметра U,
доставляющие максимума вспомогательной функции H
(U = U(t))
. Поля Голуа, использование их в
кодировании
Каналами связи называют совокупность
технических средств и тракта (среды, кабеля, проводной линии и т.п.) для
передачи сообщений на расстояние.
Каналы связи организуют в линии
связи, число каналов в одной линии связи определяется полосой пропускания линии
и полосой частоты канала связи, число одинаковых каналов связи Nк,
размещённых в линии связи определяют выражением:
где
- полоса пропускания линий связи
- полоса пропускания канала связи
к - коэффициент, учитывающий полосу
затухания фильтров при частотном разделении каналов или защитные интервалы по
времени при временном разделении сигналов.
По назначению каналы связи разделяют
на:
·
телефонные
·
телеграфные
·
фототелеграфные
- телевизионные и др.
По характеру эксплуатации на:
·
выделенные
·
коммутируемые
Выделенные (абонируемые) каналы связи являются
постоянно включёнными между двумя пунктами.
Коммутируемые каналы связи выделяются только по
вызову и могут иметь изменяющиеся параметры. Эти каналы при сигнале отбоя
автоматически отключаются. Аналогично отключению цепи после окончания
телефонного разговора.
В зависимости от характера колебаний,
используемых для передачи сообщений каналы называют:
·
электрическими
·
электромагнитными
·
оптическими
·
акустическими
·
пневматическими
и т.д.
Для передачи сообщений телеконтроля и
телеуправления в большинстве случаев используется электрический и
электромагнитный каналы.
В последнее время начинают получать широкое
применение оптические каналы связи.
Проводные линии связи (воздушные, кабельные)
характеризуются первичными и вторичными параметрами. К первичным параметрам
относят: погонные активные сопротивления, ёмкость, индуктивность и проводимость
изоляции проводов, а ко вторичным - затухание, волновое сопротивление и
пропускную способность.
Затухание и проводимость воздушных линий связи в
значительной степени зависит от климатических условий (дождь, иней, гололёд) и
качество обслуживания линий связи.
Параметры же кабельных линий в основном
определяются температурой грунта и почти не зависят о других внешних условий, в
связи с чем они являются более стабильными в сравнении с воздушными линиями.
Высокочастотные каналы связи - это каналы
проводной линии связи, передающие сигналы на расстояние в виде токов высокой
частоты. Частотное уплотнение токами высокой частоты позволяет образовать в
проводной линии связи большое количество дополнительных каналов. Для этого
рабочий диапазон частот делят на отдельные полосы по 4 кГц, причём полосу от
300 до 3400 гц резервируют для передачи речи (телефонный канал). В
высокочастотных каналах с воздушными стальными линиями из-за резкого
возрастания. Затухание в стали с ростом используется диапазон частот от 3 до 25
кГц, а в медном - от 6 до 150 кГц. Наиболее широкополосными являются
коаксиальныные кабели (рабочий диапазон частот до 8850 кГц). Для перекрытия
затухания и уменьшения влияния помех высокочастотных каналах применяют
промежуточные усилители, устанавливаемые на расстояниях от 1.5 до 250 км.
Затухание обычных коаксиальных кабелей на 1 км определяют выражением:
f - частота в
МГц
В энергетических системах для
передачи ТМ сообщений широко используются каналы связи по воздушным линиям
электропередач высокого напряжения. Эти линии имеют высокую электрическую и
механическую прочности, а поэтому каналы связи по ним характеризуются высокой
надёжностью работы. Передачу сигналов по воздушным линиям осуществляют токами
высокой частоты в диапазоне от 300 до 500 кГц. Каналы связи по воздушным линиям
имеют сравнительно высокий уровень помех, поэтому применяется аппаратура со
сравнительно высокой выходной мощностью и высокочастотные фильтры для
разделения сигналов. Уровень сигналов на линиях 25...220кВ составляет примерно
+4.5 Нп (10 Вт) при входном сопротивлении линии (400…600) Ом.
Радио-, радиорелейные и космические
каналы связи.
Характерной чертой беспроводных радиоканалов
является значительное воздействие помех от соседних радиостанций и промышленных
источников радиопомех в сравнении с проводными каналами связи. При
использовании радиоканала в системе ТМ целесообразно выбирать уже разработанную
радиоаппаратуру, приспосабливая её к передаче ТМ - информации. Для расстояний,
не превышающих несколько десятков километров обычно используют типовые
радиостанции, рассчитанные на один телефонный канал с полосой от 300 до 3000
Гц.
Для расстояний, превышающих прямую видимость
используют радиорелейные линии с ретрансляторами, устанавливаемыми на расстоянии
от 40 до 60 км друг от друга. Построение подобных линий связи является
эффективным в сравнении с проводными, т.к. обеспечивается более высокая
достоверность передачи информации.
Космические радиолинии работают в диапазоне
ультрокоротких (сантиметровых и дециметровых) радиоволн с резко направленными
антеннами. Эти линии подразделяют на радиолинии ближнего и дальнего космоса.
Для ближнего космоса, когда расстояние не превышает несколько десятков тыс. км.
строят радиолинии, работающие в основном с цифровыми каналами и кодовым
разделением сигналов. В радиолиниях дальнего космоса с дальностью не менее
нескольких десятков млн. км., когда при допускаемой вероятности ошибки
одиночного импульса примерно 10-5 трудно обеспечить скорость
передачи более десятка единиц в секунду, широко применяется фазовая модуляция
при высокой стабильности несущей частоты.
Световодные линии связи - это качественно новые
линии, обладающие в сравнении с кабельными весьма широкой полосой частот. Их
появление стало возможным благодаря созданию волоконно-оптических кабелей с
весьма малым затуханием. Весьма ценным свойством световодных кабелей является
их высокая помехозащищённость, что позволяет использовать более простые коды и
резко повысить пропускную способность кабеля. Благодаря отличительным
особенностям световодных кабелей, а также учитывая, что запасы кремния и
кварца, используемые для их изготовления не ограничены (в отличии от запасов
меди). Ожидается в ближайшее десятилетие вытеснение медных кабелей световодными
в подавляющем большинстве применений и к массовому внедрению самых
разнообразных телевизионных видов связи.
Билет 9
1. Корректирующие
и некорректирующие коды
К. к. - это коды позволяющие обнаружить и
исправить ошибки в кодовых комбинациях
Возможны 2 группы этих кодов:
1. Коды
с обнаружением ошибок
2. Коды
с обнаружением и исправлением ошибок
В помехозищищенных кодах различают комбинации:
1. Разрешенные,
составленные по определенному правилу
2. Запрещенные,
не соответствующие этому правилу
Например, если из 8 комбинаций 3х-разрядного
кода взять комбинации, содержащие нечетное число единиц => позволяющие
обнаружить одиночную ошибку, то такие комбинации - разрешенные: 001, 010, 100,
111, а остальные запрещенные.
Построение помехоустойчивого кода связано с
недоиспользованием кодовых комбинаций, приводящим к т.н. избыточности, т.е.
когда из исходных сигналов можно построить больше комбинаций, чем их применено
в данном коде.
Установлено, что уменьшение числа используемых
комбинаций приводит к повышению помехоустойчивости кода.
Коды
с обнаружением ошибок
Среди кодов с обнаружением ошибок выделяют
a) Коды,
построенные путем уменьшения числа используемых комбинаций
b) Коды,
которых используют все комбинации, но к каждой из них по определенному правилу
добавляют контрольные m-символы.
c) Коды,
построенные путем уменьшения числа используемых комбинаций
1. Коды
с постоянным число единиц и нулей в комбинации (код с постоянным весом)
Общее число комбинаций для данного кода:
где l-число
единиц в коде длиною n.
Наиболее употребляемыми являются:
Пятиразрядный код с 2 единицами для
которого N=10 и
семиразрядный код с 3-мя единицами для которого N=35.
Таблица 1. Примеры этих
кодов
|
Код
Код
|
|
|
11000
|
10010
|
1010100
|
|
01010
|
00011
|
0101010
|
|
01100
|
01001
|
1110000
|
|
00110
|
10001
|
0000111
|
|
00101
|
10100
|
1001001
|
|
…
|
Эти коды позволяют обнаружить как
все одиночные ошибки, поскольку при этом в комбинации могут быть (например для
) либо 2
единицы, либо 4, так и часть многократных ошибок, за исключение случая, когда
одна из единиц переходит в ноль, а один из нулей в единицу (такое двойное
искажение называют смещением)
Распределительный код
- этот код
является разновидностью кода с постоянным весом равным 1, т.е. в любой кодовой
комбинации длиною n содержится только одна 1.
Число кодовых комбинаций в распределительном
коде равно:
например, при n=4 кодовые
комбинации: 0001, 0010, 0100, 1000.
В системах телемеханики этот код
нашел самое широкое применение из-за простоты реализации.
a) Коды,
которых используют все комбинации, но к каждой из них по определенному правилу
добавляют контрольные m-символы.
1) Код
с проверкой на четность
Этот код образуется путем добавления к
передаваемой комбинации, состоящей из k
символов неизбыточного кода одного контрольного разряда m,
так что общее число единиц, передаваемой комбинации было нечетным.
Общее число передаваемых символов составляет:
n = k
+ m = k
+ 1
Таблица 2. примеры кодов с проверкой на четность
|
Информационные
символы k
|
Контрольные
символы m
|
Полная
кодовая комбинация
|
|
11011
|
0
|
110110
|
|
10101
|
1
|
101011
|
|
00010
|
1
|
000101
|
|
11000
|
0
|
110000
|
|
11110
|
0
|
111100
|
|
11111
|
1
|
111111
|
В рассматриваемом примере длина исходной кодовой
комбинации k=5
позволяет
передать N=25=32
кодовых комбинаций, хотя приписывание контрольного символа и увеличивает
разрядность кода до n=6, число
кодовых комбинаций остается неизменным, поэтому общее число комбинаций
составляет:
Т.о. код обладает избыточностью,
т.е. вместо N=26=64
может быть послано N=32 комбинаций.
В кодировании избыточность определяется
отношением числа контрольных символов m к длине
кода n:
На приемной стороне производят
подсчет количества единиц в принятых комбинациях. Если оно четное, то считают,
что искажений не было, тогда последний контрольный символ отбрасывают и
записывают первоначальную комбинацию. Если оказалось нечетным, то произошла
ошибка.
Такой код позволяет обнаружить
нечетное число искажений. В условиях больших помех применение такого кода
нецелесообразно. Аналогично строится код с проверкой на четность.
1)
Код
с числом единиц кратным 3
Этот код образуется добавлением к k
информационным сигналам 2х дополнительных контрольных символов (m=2),
имеющих такое значение, чтобы сумма единиц, посылаемых в линию кодовых
комбинаций была кратна 3.
Таблица 3.
|
Информационные
символы k
|
Контрольные
символы m
|
Полная
кодовая комбинация
|
|
000110
|
10
|
00011010
|
|
100011
|
00
|
10001100
|
|
101011
|
11
|
10101111
|
Код позволяет обнаружить все одиночные ошибки и
любое четное количество ошибок одного типа (например, только переход из 0 в 1)
однако ошибки типа смещения и ошибки одного типа, кратные 3 не обнаруживаются.
1) Код
с удвоением элементов
Принцип построения кода: каждый элемент
двоичного кода на все сочетания передается двумя символами, причем 1 à
10, 0 à01.
Пример. Вместо информационной комбинации 101101
передается кодовая комбинация 10 01 10 10 01 10.
Избыточность равна
На приеме ошибка обнаруживается в
том случае, если в парных элементах содержатся одинаковые символы 11 или 00.
При правильном приеме четные элементы отбрасываются и остается первоначальная
комбинация.
Код обладает высокой
помехоустойчивостью, т.к. ошибка не обнаруживается лишь тогда, когда два рядом
стоящих различных символа, соответствующих одному элементу исходной кодовой
комбинации будут искажены так, что 1à0 и 0à1.
1) Инверсный
код
В этом коде к n-размерной
комбинации добавляется еще m-разрядов
по правилу: если в исходной комбинации содержится четное число единиц, то
добавляется комбинация, которая повторяет исходную, а если нечетное - то
добавляется комбинация, которая является инвертированной к исходной.
Таблица 4. Пример:
|
Информационные
символы k
|
Контрольные
символы m
|
Полная
кодовая комбинация
|
|
1110001
|
1110001
|
11100011110001
|
|
1111101
|
1111101
|
11111011111101
|
|
1111111
|
0000000
|
11111110000000
|
|
1111100
|
0000011
|
11111000000011
|
Прием инверсного кода осуществляется в 2 этапа:
1. Суммируются
единицы в первой (основной) группе символов; при этом, если сумма четная, то
контрольные символы принимаются без изменений, иначе символы m
инвертируются.
2. Контрольные
символы сравниваются с информационными. При наличии хотя бы одного несовпадения
вся переданная комбинация бракуется (проверка производится суммированием по
модулю 2)
При отсутствии ошибок в обоих группах их сумма
равна 0. При k=2 код позволяет
обнаружить все одиночные ошибки и 67% двойных.
Непомехозащищенные
(некорректирующие) коды
Особенностью этих кодов является наличие в их
составе кодовых комбинаций, отличающихся друг от друга лишь одним разрядом.
Непомехозащищенными кодами называют коды, в которых искажение одного разряда
кодовой комбинации не может быть обнаружено.
Примеры:
3. Двоичный
код на все сочетания - натуральный ряд чисел в двоичной системе счисления
4. Единично-десятичный
код - код, в котором каждый разряд десятичного числа записывается в виде
соответствующего числа единиц; при этом разряды разделяются интервалами: число
124 примет вид 1 11 1111. Этот код является неравномерным, но добавлением нулей
слева может быть сделан равномерным.
5. Двоично-десятичный
код - код, в котором каждый разряд 10-ного числа записывается в виде комбинации
двоичного кода. Наиболее употребляемым является код с весовыми коэффициентами
8421. Число 124 запишется 0001 0010 0100.
6. Число-импульсный
код - для этого кода характерно то, что кодовые комбинации отличаются друг от
друга числом единиц, а также N=n,
где N-число кодовых
комбинаций, n- разрядность.
Так для пятиразрядного кода (n=5)
число комбинаций N=5 и они
имеют вид
|
10000
|
|
11000
|
|
11100
|
|
11110
|
|
11111
|
1. Код
Морзе - неравномерный код, в котором кодовые комбинации отличаются различной
длительностью. Сигналы (буквы, цифры) передаются в виде точек и тире, причем
точка записывается 1 и передается одним импульсом, а тире - тремя единицами и
передается импульсом тройной длительности.
Интервал мехду точкой и тире означает 0. Кодовые
комбинации отделяются друг от друга интервалом из трух нулей. Например: МН à
111011100011101
2. Код
Бодо - равномерный пятиэлементный телеграфный код. Максимальное число комбинаций
N=25=32.
Кодовые комбинации передаются без разделительных интервалов. Пример: А - 10000,
Г - 01010.
3. Код
Грея - непозиционный код, т.е. код, веса разрядов в котором не определяют
занимаемые ими позиции. При переходе между любыми соседними числами изменяется
значение всегда только одного разряда. Благодаря этому свойству код Грея
применяется в преобразователях углового положения вала в цифровой код,
построенных на базе кодового диска или барабана.
4. Таблица
соответствия последовательности кодовых слов:
Таблица 5.
|
Код
|
Код
Грея
|
|
Десятичный
|
Двоичный
|
|
|
0
|
0000
|
0000
|
|
1
|
0001
|
0001
|
|
2
|
0010
|
0011
|
|
3
|
0011
|
0010
|
|
4
|
0100
|
0110
|
|
5
|
0101
|
0111
|
|
6
|
0110
|
0101
|
|
7
|
0111
|
0100
|
|
8
|
1000
|
1100
|
|
9
|
1001
|
1101
|
|
10
|
1010
|
1111
|
|
11
|
1011
|
1110
|
|
12
|
1100
|
1110
|
|
13
|
1101
|
1011
|
|
14
|
1110
|
1001
|
|
15
|
1111
|
|
2.
Спектры одиночных импульсов и радиоимпульсов
Под импульсом в телемеханике понимают
кратковременное воздействие электрического тока или напряжения на схему или
устройство.
Форма импульсов:
П-прямоугольный, ТГ-треугольный,
КС-косинусоидный, Э-экспоненциальный, К-колоколообразный, ТР-трапецеидальный
Импульсы постоянного тока/напряжения называются
видеоимпульсами, в отличие от радиоимпульсов или импульсов переменного тока,
которые образуются при ?наполнении? импульсов постоянного тока высокочастотными
колебаниями.
Под длительностью импульсов постоянного тока
понимают интервал времени, в течение которого мгновенное значение напряжения
или тока превышает половину амплитудного значения.
Под длительностью импульсов переменного тока
понимают интервал времени, в течение которого огибающая колебаний превышает
амплитудного значения.
Если имеется периодическая последовательность
импульсов, то ??? амплитуды и длительности характеризуется периодом следования
импульсов Т и скважностью Q
Как всякий периодический процесс он
может быть разложен в ряд Фурье
Совокупность гармонических
составляющих, полученных из выражения (1) составляет спектр. При этом частота
основной гармоники (k=1) равна частоте повторения
периодического процесса
, а частоты
остальных составляющих (k>1) кратны частоте f1.
Для последовательности прямоугольных
импульсов ряд Фурье имеет вид
Спектр частот этой
последовательности имеет вид:
Из рис. видно, что частоты периодических
составляющих (гармоник), амплитуды которых обращаются в 0 кратны величине
обратной длительности импульса: 1/t, 2/t,
3/t…
Амплитуды гармоник с увеличением их номера
убывают, стремясь к 0 при бесконечно большой частоте. Поэтому для точного
воспроизведения формы прямоугольных импульсов необходима бесконечно большая
полоса частот.
Воспроизводимость формы видеоимпульсов,
зависящая от полосы частот DF
определяется выражением:
на практике значения m не берут больше 2 из-за
ограничения по частотным свойствам линий связи. Значение m=1..2 является вполне
удовлетворительным.
Влияние ширины полосы частот на воспроизведение
формы прямоугольного импульса со скважностью 2
Из рис видно:
1) При
DF=1/2t
воспроизведение
сигнала неудовлетворительно
2) При
DF=1/t
передается первая гармоника и постоянная составляющая
3) При
расширении полосы соответственно улучшается форма импульсов
Спектры периодических последовательностей других
форм импульсов будут более или менее сосредоточенными.
Спектр частот последовательности
колоколообразных импульсов
Спектр частот последовательности
экспоненциальных импульсов
Сравнение рисунков показывает:
1. спектр
частот колоколообразноых импульсов более сосредоточен, чем спектр прямоугольных
и экспоненциальных импульсов.
2. Точность
воспроизведения импульсов зависит не только от полосы частот, но и от формы
импульса, поскольку при одной и той же полосе частот, например DF=1/t
для колоколообразного импулься будет передан фактически весь спектр частот, для
прямоугольного большая часть, а для экспоненциального - незначительная часть.
Установлено, что при m=1
обеспечивается передача основной энергии сигнала, которая равна сумме энергий
постоянной состовляющей и части гармоник.
В тех случаях, когда воспроизведенная форма
импульса не играет особой роли, а также в целях экономии полосы частот
принимают m=1/2.
Возможность передачи последовательностей
импульсов на такой сокращенной полосе частот позволяет определить предельную
скорость передачи данных. Если скорость передачи в бодах B=1/t,
то DF=1/2t=B/2.
Отсюда максимальная скорость передачи составляет Bmax=2DFmax.
(Бод -единица скорости передачи, равная одной посылке в секунду, при этом
посылка означает импульс либо паузу)
Спектр одиночного прямоугольного импульса
Заштрихованные области спектра означают наличие
в них бесконечного числа гармоник.
Спектр ступенчатого воздействия:
Спектры радиоимпульсов.
Спектр радиоимпульсов расположен симметрично
относительно несущей частоты f1
Чем длиннее радиоимпульс, тем меньше удельный
вес составляющих с частотами f<f1,
f>f1
и
меньше требуется полоса пропускания.
Требуемая полоса частот для передачи
радиоимпульсов с длительностью t составляет:
Передача последовательности из
бесконечного числа импульсов приводит к дискретному спектру.
. Скользящие режимы в оптимальных системах
В системах с переменной структурой за счёт
нелинейного сочетания различных линейных структур удаётся организовать
специфическое вырожденное движение - скользящий режим или режим перехода от
движения, соответствующего одной линейной структуре, к движению,
соответствующему другой линейной структуре, с помощью логического переключения
связей в системе в зависимости от её фазового состояния. Такой переход
осуществляется с высокой частотой, в пределе стремящемся к бесконечности. После
возникновения скользящего режима движение системы происходит вдоль границы
переключения и становиться независимым от параметров управляемого объекта. Если
параметры объекта изменяются в процессе функционирования системы, то такие
изменения не оказывают влияние на динамические свойства системы с переменной структурой,
находящейся в скользящем режиме. Следовательно, организуя в системе с
переменной структурой скользящий режим, удаётся добиться независимости её
движения от параметрических возмущений.
Пусть система с переменной структурой
описывается диф. уравнениями:
(*.1)
где xi - фазовые
координаты;
ai(t) -
переменные параметры системы;
u -
управление.
Обычно диапазоны изменения
параметров ai(t) бывают
известны:
(*.2)
Управления выбирают в следующем
виде:
(*.3),
где коэффициенты Yi являются
разрывными функциями фазового состояния системы:
, сi -
постоянные велечины
Гиперплоскость g=0 является
поверхностью разрыва коэффициентов Yi, т.е. вдоль
этой поверхности происходит движение в скользящем режиме. Т.к. уравнение
движения по поверхности g=0 зависит только от постоянных
коэффициентов сi, выбираемых из условия обеспечения
требуемого качества переходных процессов, то движение в скользящем режиме не
зависит от переменных параметров аi(t). Для
обеспечения существования скользящего режима необходимо выбирать значения
постоянных коэффициентов ai и bi в
соответствии с условием gdg / dt < 0.
При постоянных значениях ai и bi условие
накладывают ограничения на выбор коэффициентов поверхности скольжения сi из
допустимой области
при
изменениях параметров аi(t) в заданном
диапазоне
.
Принцип действия адаптивной системы
с переменной структурой заключается в следующем:
g = cmin x1 +
x2 =0 = (cmin + iDc)
x1 + x2 =0 = cmax
x1
+ x2 =0
В начале переходного процесса в регуляторе
формируются функции переключения:
g0
= cmin
x1
+ x2,
где cmin -
определяется либо по максимальной заданной длительности переходного процесса,
либо из условия
при
минимальных значениях аi(t) из
диапазона
. На
поверхности g0 (в данном
случае прямая) возникает скользящий режим при любых значениях аi(t) из
заданного диапазона
Фактически возникновение скользящего
режима регистрируется индикатором скользящего режима, выходной сигнал которого
скачкообразно изменяется при уменьшении относительной длительности пребывания
системы в состоянии одной из имеющихся структур, т.е. при повторных изменении
знака функции g0. По сигналу
индикатора скользящего режима функция переключения перестраивается с g0 на g1: g1 = (cmin + Dc) x1 + x2. В системе
вновь возникает скользящий режим, на линии переключения g1 = 0. С
помощью индекатора скользящего режима происходит дальнейшее перестроение
функции переключения gi = (cmin + iDc) x1 + x2, до тех пор,
пока значение коэффициента (cmin + iDc) не
превышает значение cmax, после чего
скользящий режим по условию
возникнуть не сможет и перстроение
функции переключения закончится. Движение фазовой точки после того момента
будет происходить по близкой к границе gmax = cmax x1 + x2 =0 фазовой
троектории одной из структур без скользящего режима. Т.е., за счёт поиска
предельного по условию
режиме
работы поддерживается максимальное быстродействие системы управления при
изменениях параметров объекта.
. Автоколебательные режимы в
оптимальных системах
В нелинейных системах могут возникать при
определённых условиях особые режимы - автоколебательные. Иногда такие режимы
бывают вредными или недопустимыми с точки зрения функционирования объекта
управления, тогда приходиться принимать специальные меры для ослабления
действия этих режимов. Однако в адаптивных системах факт возникновения особого
режима может быть использован для получения дополнительной информации об
управляемом процессе либо особый режим преднамеренно организуется в системе,
придавая ей новые свойства, в частности свойство адаптации к параметрическим
или внешним возмущениям.
В нелинейной системе, состоящей из релейного
элемента и линейной части с передаточной функцией W0(p)
(рис *.1), используя метод гармонической линеаризации можно определить
зависимость параметров автоколебаний от параметров линейной части. Предположим,
что передаточная функция линейной части:
(*.1)
где Т1,Т2 -const;
k0(t) -
переменный коэффициент усиления.
рис *.1
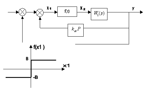
Уравнение релейного элемента:
(*.2)
При g(t)=0 можно
записать общее уравнение для оператора нелинейной системы:
(*.3)
Гармоническая линеаризация релейного
элемента даёт следующую зависимость:
(*.4),
поэтому (*.3) можно записать:
(*.5)
Находя переодическое решение
уравнения (*.5) при условии p=jw находим
амплитуду и частоту автоколебаний:
(*.6)
Отсюда видно, что при
параметрическом возмущении в виде изменения коэффициента усиления объекта k0(t) амплитуда
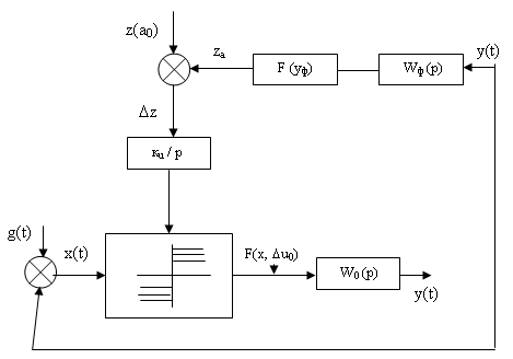
автоколебаний тоже будет изменяться. Поддерживая амплитуду автоколебаний на
заданном первоначальном уровне можно создать систему, адаптирующуюся к
указанному параметрическом возмущении. Т.о. параметры особого режима в
нелинейной системе могут быть использованы в качестве дополнительной рабочей
информации для обеспечения стабильной работы системы вблизи экстремального
режима.
На рис (*.2) приведена структурная
схема адаптивной автоколебательной системы с регулируемым уравнением
ограничения релейного элемента. На основании (*.6)амплитуда автоколебаний может
поддерживаться на постоянном уровне при изменениях k0(t) за счёт
изменения уровня ограничения реле [U0 + DU0 (t)].
(рис (*.2)
Уравнения системы записываются
следующим образом:
уравнение релейного элемента
(*.7)
уравнение фильтра, настроенного на
частоту автоколебаний а0
(*.8)
уравнение двухполупериодного
выпрямителя сигнала автоколебаний
(*.9)
уравнение исполнительного устройства
для перестройки уровня ограничения релейного элемента
(*.10)
где
уравнение основного контура
(*.11)
После гормонической линеаризации
(*.11)
(*.12)
параметры автоколебаний:
(*.13)
Пусть экстремальный режим
определяется следующими значениями:
(*.14)
тогда можно определить значение
опорного напряжения z(a0)
(*.15)
Линеарицация (*.15) по постоянной
составляющей даёт
(*.16)
Учитывая (*.13) и (*.14) получим:
(*.17)
Т.о., при изменении коэффициента k0(t) будут
изменяться амплитуда автоколебаний и среднее выпрямленное значение напряжения za.Появляющееся
рассогласование
будет
воздействовать на изменение уровня ограничения релейного элемента DU0 (t) таким
образом, чтобы уменьшалась до нуля Dz. В необходимости регулирования
нескольких параметров автоколебательная система может содержать большее число
нелинейных взаимосвязанных контуров, что позволяет многочастотные
автоколебательные режимы.
связь цифровой информация спектр
импульс
Задачи
Задача 1.
Найти дифференциальное уравнение: W(p)=?,
построить частотные характеристики, определить переходную характеристику.
Решение: из уравнения материального
баланса изменение количества жидкости в баке за время Dt
определяется соотношением между расходами на притоке Qпр и стоке Qст:
или
. Устремив Dt к нулю
получим уравнение определяющее состояние объекта при изменении Qпр(t) и
Qст(t).
.
Приток Qпр(t) не зависит
от уровня жидкости в баке, а сток Qст(t) находится
в квадратичной зависимости от перепада давлений, определяющегося величиной
уровня жидкости:
,
a
- коэффициент расхода.
Если допустить, что отклонение Dh=h-h0 от
исходного значения уровня h0 мало, то
нелинейную зависимость
можно
заменить приближенной линейной. Разлагая
в ряд Тейлора по степеням Dh в
окрестности значения h0 и
ограничиваясь двумя первыми членами ряда, получим:
C учетом
и
искомое
приближенное уравнение объекта:
Для сокращения записи знак
приращения D можно
опустить:
,
где a и b -
постоянные коэффициенты;
Линейное уравнение (*) составлено в
приращениях; без указания исходного режима, в окрестности которого произведена
линеаризация, это уравнение не имеет смысла.
Построим частотные характеристики
для объекта, описываемого диф. уравнением:
Задача 2. Построить фазовую
траекторию в общем виде и сделать вывод об устойчивости

разделим переменные
интегрируем при начальных условиях: t=t0, у=у0,
z=z0
при у<0:
при у>0:
В начальный момент t=0Þy0=a0, z0=0
спираль приближается к точке
устойчивости (0),
совершая затухающие колебания, т.о.
система устойчива.
Задача 3. Определить спектр сигнала x(t) = a t ³
0.
Решение:
,
,
=>
Задача 4. Определить спектр сигнала 
,
,
,
, Re(w)=0 =>
,
Задача
5
Задача
№ 6
Задача 7. Передаточная функция в разомкнутом
состоянии равна k = 58, Т1
= 0.01, Т2 = 0.57. Определить устойчивость замкнутой системы по
критерию Михайлова
Решение: Передаточная функция замкнутой САР:
Характеристический полином замкнутой
системы:
Для построения годографа (кривой)
Михайлова определим вещественную и мнимую части функции O(jw)
Вычислим X(w) и Y(w) для ряда
значений частоты w
|
w,с-1
|
0
|
5
|
10
|
13
|
15
|
¥
|
|
X(w)
|
58
|
44
|
0
|
-40
|
-70
|
-¥
|
|
Y(w)
|
0
|
4
|
4,5
|
0
|
-5
|
-¥
|
Строим кривую Михайлова:
Вывод: Система в замкнутом состоянии устойчива,
т.к. кривая Михайлова проходит последовательно число квадрантов =3, т.е.
совпадающее с наивысшей степенью исходного уравнения
Объект является инерционным звеном 1-го порядка
с передаточной функцией:
или
АФЧХ объекта описывается выражением:
Выделим вещественную и мнимую части:
АЧХ:
ФЧХ:
При изменении w от 0 до µ, строятся АЧХ и ФЧХ:
Задача 8. Оценить время
регулирования.
Решение: Определим время
регулирования из соотношения:
wср - точка
пересечения ЛАЧХ с осью абцисс
Для построения ЛЧХ найдем
сопрягающие частоты:
,
,
, 20 lg k=53,98
lg wср = 2,2, wср =102,2
=158 с-1 
Для полной уверенности можно
проверить устойчива ли система на этой частоте. Найдем ЛФЧХ, как
Подставляя значение получим:j(wср)= -134 0
> -180 0 => система устойчива.
Задача 9. Уравнение САР в
разомкнутом состоянии имеет вид.
Построить логарифмические
характеристики и сделать вывод об устойчивости замкнутой системы.
Решение: для определения
передаточной функции запишем уравнение САР в операторной форме:
;
Передаточная ф-я системы:
Разложим полином второй степени по
итерационным формулам:
b0=0,004; b1=0,4;
;
Следовательно, полином разложится в
виде:
; 
Передаточная функция:
Строим логарифмические
характеристики:
, 
,
=2, 20 lg k = 20 lg 1=0
ЛФЧХ пересекает линию j=-180 0 при
отрицательных значениях асимптотической ЛАЧХ. Следовательно, замкнутая система
устойчива.
Задача 10. Передаточная функция
разомкнутой системы имеет вид
k=25, Т1=0.01.
Определить условия устойчивости замкнутой системы и выбрать постоянную времени
Т2 из условия устойчивости.
Решение: Запишем передаточную
функцию замкнутой системы:
Характеристический полином замкнутой
системы имеет вид:
Составляем матрицу Гурвица:
;
D1=a1=1-T2 k,
Задача 12. САР описывается
дифференциальным уравнением
Определить устойчивость.
Решение:
. Определим передаточную функцию
системы: запишем уравнение в операторной форме:
. Для определения устойчивости
запишем матрицу Гурвица:
,
,
,
т.к. D2 < 0, то система не устойчива.
. Критерий Михайлова.
Характеристический полином системы:
Определим вещественную и мнимую
части функции D(jw):
,
Вычислим X(w) и Y(w) для ряда
значений частот w:
|
w,с-1
|
0
|
0,5
|
1
|
1,1
|
1,2
|
1,3
|
1,4
|
1,5
|
1,45
|
|
X(w)
|
1
|
1,125
|
9
|
13,2
|
18,9
|
26,18
|
35,5
|
47,13
|
41
|
|
Y(w)
|
0
|
4,375
|
5
|
4,35
|
3,36
|
2,02
|
0,25
|
-1,875
|
-0,74
|
Вывод:т.к. годограф вектора А(р) начинается при w=0
на вещественной положительной полуоси и не проходит последовательно через 4
квадранта комплексной плоскости в положительном направлении, т.е. против
движения часовой стрелки, система не устойчива.
Задача 13. Найти передаточную функцию
электрической цепи относительно выходного Uвых и входного Uвх
напряжений, построить AUX.
Решение:
Запишем выражение для передаточной функции:
,
,
=>
где
,
,
Задача 14. Определить устойчивость
замкнутой системы по Михайлову методом перемежаемости корней
Решение:
. Определяем передаточную функцию
замкнутой системы:
2. Характеристическое уравнение
системы:
,
,
,
X(w)=0,
; w1=418440,7; w2=9559,3
;
;w1=0;w2,3=±231,35
Re(0)=500
>0;
; Im’(0)= 9,5
>0,
т.к. Re(0)=500
>0 и Im’(0)= 9,5
>0, то замкнутая система устойчива.
Задача 15. Дана импульсно-переходная
характеристика
Используя метод Тасина, построить
рекуррентный алгоритм моделирования линейного динамического звена.
Решение:
,
,
Тогда необходимо minTi, maxTi:

- число периодов
Используя рекуррентный алгоритм:
,
, проведем дискретизацию: пусть Dt=DQ
по мат трапеции:
соответственно передаточная функция k*(z)
Задача 16. Определить запас
устойчивости по модулю и фазе:
;
;
1 = 2, k2 = 10, k3 = 10;
T1 = 0.05, T2 = 0.02, T3 = 0.1.
Решение: передаточная функция
разомкнутой системы примет вид:
Строим ЛАЧХ и ЛФЧХ для чего
определяем сопрягающие частоты:
,
, 20 lg k=20 lg 200 =46
, wСР=70 c-1
|
w
|
0
|
5
|
10
|
20
|
30
|
40
|
50
|
60
|
70
|
80
|
|
j(w)
|
0
|
-46,5
|
-82,9
|
-130
|
-159
|
-178
|
-191,9
|
-202
|
-210
|
-217
|
Вывод:т.к. ЛАЧХ пересекает ось lg w позже, чем ЛФЧХ переходит
значение -p, то
замкнутая система неустойчива, т.е. запаса устойчивости нет ни по фазе ни по
модулю.
Задача 17. Построить фазовые
траектории в общем виде
Задача 18. Система описывается
дифференциальным уравнением вида
Построить фазовую траекторию и
сделать вывод о характере колебаний.
Решение:
,
Разделим (2) на (1):
=>
,
,
,
, b=c
Фазовые траектории соответствуют
эллипсам (в зависимости от начальных условий).
Задача 19. Построить плотность
распределения вероятностей.
Задача 20. Определить критическое
время запаздывания аналитически
,
T = 0.05, k = 4
Решение:
Находим частоту среза из условия
,
=>
Задача 22
Составить выражение для определения Кr
Задача 23. Имеется кривая разгона объекта.
Определить передаточную функцию объекта
Расчет передаточной функции методом интегральных
площадей.
Рассмотрим наиболее применяемый метод. Расчет
производится в следующей последовательности:
a) Выделяем
на экспериментальной кривой участок чистого запаздывания.
b) Выбираем
Dt
интервала разбиения кривой. Значение интервала разбиения определяется, исходя
из условия, что на протяжении всего графика функция h(t) в пределах 2Dt
мало отличается от прямой.
d) Определяем
площадь F1 по формуле: F1
= Dt*(S(1-C(iDt))-0.5(1-C(0))
e) Заполняем
столбец Q, (1-Q) и (1-Q)(1-С), где Q - безразмерное время.
Q=t/F1S=(1-С(iDt))*(1-Qi)
f) Заполняем
столбец 1-2Q+Q2/2 и (1-2Q+Q2/2)(1-С)
S(1-С(iDt))*(1-2Qi+Qi2/2)
g) Определяем
интегральные площади:
F2 = DQ*[S(1-C(iDt))*(1-Qi)-0.5(1C(0))]*F12=DQ*[S(1-С(iDt))*(1-2Qi+Qi2/2)-0.5(1-C(0))]*F13
h) Выбираем
структуру ПФ. Т.к. в момент времени t=0, h(0)=h¢(0)=h²(0)=0,
то выбираем ПФ вида:
W(P)=Kе-tр/(a3p3+a2p2+a1p+1),
где a1=F1; а2=F2; а3=F3
К=T(¥)/ xвх
Если значения Fi
<
0,
то передаточная функция упрощается.
Таблица
|
t
|
T(t)
|
C=T(t)/Tmax
|
1-C
|
F1
|
Q=t/F1
|
1-Q
|
(1-C)(1-Q)
|
1-2Q+Q^2/2
|
(1-2Q+Q^2/2)(1-C)
|
F2
|
F3
|
|
|
|
|
|
|
|
|
|
|
|
|
Задача 24. Имеется передаточная функция объекта.
Определить настроечные параметры: ПИ-регулятора
W (р)об. =
к / (Тр+1)
Решение:
,
,


,
=>
; YP=-YОБ
Из (2)
,
,
подставим С0 в (1).