Анализ электрической цепи методом свертки
ЛАБОРАТОРНО-ПРАКТИЧЕСКАЯ РАБОТА
"Анализ электрической цепи
методом свертки"
Цель работы:
1. Приобрести навыки сборки простейших электрических
цепей.
2. Научиться пользоваться электроизмерительными
приборами.
. Закрепить теоретические сведения о методах анализа
электрических цепей со смешанным соединением резисторов (потребителей).
. Изучить законы протекания тока через смешано
соединенные проводники (резисторы) и экспериментально проверить законы Ома и
Кирхгофа
. Экспериментально проверить справедливость
эквивалентных преобразований схем электрических цепей.
. Закрепление практических навыков использования
методов анализа электрических цепей. Экспериментальная проверка результатов
расчета
Содержание отчета: название
лабораторно-практической работы; электрические схемы; заполненные таблицы; все
расчеты к таблицам и дополнительные расчеты; основные выводы;
Правила оформления:
Лабораторная работа выполняется на компьютере с применением
виртуальной лаборатории "Электротехника" или "Electronics WorkBench".
Отчет должен быть представлен печатной работой на листах
формата А4, таблица заполняется шариковой ручкой от руки.
Расчет может выполнятся от руки или на компьютере.
Использовать MS WORD, MS EXCEL.
Требуемое оборудование:
Продолжительность работы: 2 часа
Лабораторная работа проводится в виртуальной
среде "Электротехника" или "Electronics WorkBench".
электрическая цепь метод свертка
Основные
теоретические положения
Электрической цепью называют совокупность
источников и потребителей электрической энергии соединения между собой с
помощью проводников.
Узлом называется точка соединения между собой более
двух ветвей. Точка "а" на рисунке 2.
Совокупность соединенных между собой ветвей называется контуром.
На рисунке 3 показан контур abcd.
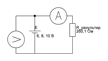
В данной работе исследуется электрическая цепь c одним источником ЭДС. В
качестве потребителей электрической энергии в работе использованы резисторы.
Порядок выполнения работы:
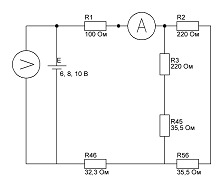
Соберем электрическую цепь согласно рис.4
Рис.4
1 =100 Ом, R2
=220 Ом, R3 =220
Ом, R4 =100
Ом, R5 =110
Ом, R6 =100
Ом
Проведем измерения силы тока в цепи для соответствующих
значений напряжения источника (6, 8 и 10 В)
Составим таблицу экспериментально полученных результатов.
|
U, В
|
6
|
8
|
10
|
|
I, мА
|
26
|
33
|
41
|
|
r, Ом
|
242
|
243
|
R1 =
Ом
R2 =
Ом
R3 =
Ом
Найдем среднее арифметическое Rэ:
Rэ = 
Ом
Теоретически рассчитаем входное сопротивление исходной цепи:
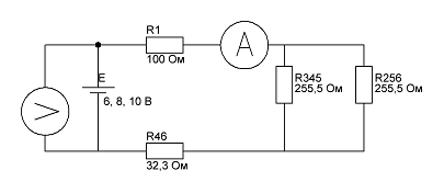
После преобразования "треугольника" см. Рис.4:
в "звезду":
Получим:
R45 = 
35,5 Ом
R46 = 
32,3 Ом
R56 = 
35,5 Ом
Выполняем дальнейшее преобразование
R345 = R3 + R45
=220+35,5= 255,5 Ом256 = R2 + R56
=220+35,5 =255,5 Ом
36
= 
Окончательно:
Rр = R1+R36+R46 = 100+127,8+32,3=260,1 Ом
Определим погрешность:
δn =
4,41%
Вывод: экспериментально доказали справедливость эквивалентных
преобразований схем электрических цепей, погрешность практических и
теоретических результатов в пределах нормы.