Расчет балочной клети

  • Вид работы:
    Практическое задание
  • Предмет:
    Строительство
  • Язык:
    Русский
    ,
    Формат файла:
    MS Word
    44,29 Кб
  • Опубликовано:
    2013-10-18
Вы можете узнать стоимость помощи в написании студенческой работы.
Помощь в написании работы, которую точно примут!

Расчет балочной клети

Саратовский Государственный Технический Университет

Кафедра «Электронное машиностроение и сварка»

Практическая работа по дисциплине

«Проектирование сварных конструкций»

Тема: Расчет балочной клети

Выполнил:

Студент гр. ОТС-31

Луковихин Д. В.

Проверил:

Жевалев О. Ю.



Саратов 2011

СОДЕРЖАНИЕ

1. Исходные данные

. Расчет плоского стального настила

. Расчет балки настила

4. Расчет вспомогательной балки

. Расчет главной балки

.1 Расчет нагрузок

.2 Подбор сечения

.3 Расчет поясных сварных швов

Заключение

Список использованной литературы

1. ИСХОДНЫЕ ДАННЫЕ

Пролет главной балки: L=30 м.

Пролет вспомогательной балки: l=8 м.

Расстояние между вспомогательными балками по осям (шаг балок):

l1=2,5 м.

Постоянная равномерно распределенная нагрузка: q=0,2 кН/м2.

Переменная нагрузка от оборудования: p=1,2 кН/м2.

Наибольшая стрела прогиба балок рабочей площадки не должна превышать следующих значений:

для главных балок fmax=(1/400)l;

для вспомогательных балок fmax=(1/200)l.

2. РАСЧЕТ ПЛОСКОГО СТАЛЬНОГО НАСТИЛА

Предварительно назначаем толщину листа настила tн =4 мм. Тогда собственный вес настила составит 31,4 кг/м2. Коэффициент условий работы νс=1.

Вычислим нормативную нагрузку на 1 см полосы настила шириной b=100 см:

qнn=(pn+gn)b=(1200+314)100/10000=15.14 (Н/см)

qнn <100 поэтому принимаем расчетную схему представленную на рисунке 1.

Предельный пролет, отвечающий заданной нагрузке и относительному прогибу (1/n0=1/200):

ld=1,93 tн

ld =1,93 =68 (см)

Плоский настил при опирании по двум сторонам рассчитывают как упругую висячую конструкцию на изгиб с распором.

Рисунок 1. Расчетная схема настила.

Толщину листа при работе настила на изгиб с распором можно вычислить приближенно из условия заданного предельного прогиба:

tн=3,75 ld/(n0+72E1/ n03 qнn)

где E1= Н/см2 - цилиндрический модуль упругости;

n0=200;

qнn =0,1514 Н/см2.

tн=3,75× 68/(200+72×23×106/ (2003×0,1514))=0,16 (см)

Принимаем:

толщину настила tн=2 мм;

ширину пролета настила ld =0,66 м (из конструктив. соображ.);

вес настила 16 кг/м2.

Сила распора:

H=νf2/4)(f/l)2E1 tн=1,2×(π2/4)(1/200)2×23×106×0,2=340,5 (Н/см2)

Расчетное значение катета углового шва, прикрепляющего настил к балке (сварка ручная, электродами Э-42):

kf=H/(βf lω Rωf νωf νc)

где βf =0,7 коэф. зависящей от прочности стали и вида сварки;

lω - длина шва;

Rωf =0,55Rωun / νωm=17000 Н/см2;

νωf =1 - коэф. работы шва;

νc =1 - коэф. условий работы элементов конструкции.

kf=340,5/(0,7×1×17000)=0,03(см)

Катет принимаем kf=2 мм.

3. РАСЧЕТ БАЛКИ НАСТИЛА

Расчетная погонная нагрузка на балку:

q=pnνfp ld +gnνfg ld + gбn νfg=1,2×1,2 ×0,66+0,16× 1,05×0,66+ 0,23×1,05= 1,303 (кН/м)

где pn - нормативная временная нагрузка;

gn - собственный вес настила;

gбn - собственный вес 1 м балки (предварительно 0,23 кН/м);

νfg=1,05 - коэф. надежности по нагрузке для собственного веса

конструкции.

Максимальный изгибающий момент:

М= q l12/8=1,303×2,52/8=1,02 (кНм)

Требуемый момент сопротивления сечения балки:

W=M/c1Ry νc=102000/(1.1×23000×1)=4,03 (см3)

c1=1,1 - коэф., учитывающий развитие пластических деформаций;

Ry=230 Мпа - расчетное сопротивление металла растяжению, сжатию.

По сортаменту принимаем швеллер №5:

W=9,10 см3, масса 1 м длины 4,84 кг, h=50 мм.

Проверяем относительный прогиб балки при равномерно распределенной нагрузке:

f/l=(5/384)( qnl13/EJ)≤ [1/n0]

где E - модуль упругости стали;

J =22,8 см4 - момент инерции балки (по сортаменту);

qn=9,5 Н/см - нормативная погонная нагрузка на балку.

f/l=(5/384)(9,5×2503/20,6×106×22,8)=1/288≤ 1/200=[1/n0]

4. РАСЧЕТ ВСПОМОГАТЕЛЬНОЙ БАЛКИ

Вспомогательная балка воспринимает постоянную равномерно распределенную нагрузку от собственного веса и временную, которую ей передается через балки настила.










Рисунок 2. Расчетная схема вспомогательной балки.

Вспомогательная балка воспринимает нагрузку от балок настила, расположенных шагом 0,66 м. При таком частом размещении балок настила можно считать, что вспомогательная балка нагружена равномерно распределенной нагрузкой.

Тогда расчетная погонная нагрузка на вспомогательную балку:

qв=pnνfp l1 +gnνfg l1 + gбn νfg l1/ ld+ gвn νfg

где pn - нагрузка от оборудования;

gn - вес настила;

gбn - вес 1 м балки настила;

gвn - собственный вес 1 м вспомогательной балки (предварительно

Н/м).

qв=1,2×1,2×2,5+0,16×1,05×2,5+0,0484×1,05×2,5/0,66+0,3×1,05=4,53 (кН/м)

Максимальный изгибающий момент:

Мв= qв l2/8=4,53×82/8=36,24 (кНм)

Требуемый момент сопротивления сечения балки:

W=Mв/c1Ry νc=3624000/(1.1×23000×1)=143,24 (см3)

c1=1,1 - коэф., учитывающий развитие пластических деформаций;

Ry=230 МПа - расчетное сопротивление металла растяжению, сжатию.

Нормативная нагрузка:

qпв=1,2×2,5+0,16×2,5+0,0484×2,5/0,66+0,3=3,88 (кН/м)

Требуемый момент инерции:

J=×=×=2511,33 (см4)

По сортаменту выбираем двутавр №22:

J=2550 см4; W=232 см3; масса 1 м 24 кг.

Уточняем нагрузку:

qв=1,2×1,2×2,5+0,16×1,05×2,5+0,0484×1,05×2,5/0,66+0,24×1,05=4,465 (кН/м)

qпв=1,2×2,5+0,16×2,5+0,0484×2,5/0,66+0,24=3,823 (кН/м)

Максимальный изгибающий момент:

Мв= qв l2/8=4,465×82/8=35,72 (кНм)

Расчетное напряжение в балке:

σ= Мв/c1W=3572000/(1,1×232)=13996,865 (Н/см2)<23000 Н/см2= Ry νc

Прогиб балки:

f=(5/384)( qвnl4/EJ)=×=4 (см)

f/l=4/800=1/200≤ 1/200=[1/n0]

5. РАСЧЕТ ГЛАВНОЙ БАЛКИ

балочный клеть нагрузка сечение

5.1 РАСЧЕТ НАГРУЗОК

Рисунок 3. Расчетная схема главной балки.

Главная балка испытывает воздействие от постоянной равномерно распределенной нагрузки - собственный вес балки, а так же временную нагрузку, в местах сопряжения со вспомогательными балками ( от веса настила, веса балок настила и вспомогательных балок, а так же от веса оборудования).

Расчетная погонная временная нагрузка на главную балку:

РГ=( pnνfp +gnνfg +gбn νfg l1/ ld + gвn νfg )l

где pn - нагрузка от оборудования;

gn - вес настила;

gбn - вес 1 м балки настила;

gвn - собственный вес 1 м вспомогательной балки;

l - ширина грузовой площади главной балки (равна пролету вспомогательной балки - 8 м).

РГ=(1,2×1,2+0,16×1,05+0,0484×1,05×2,5/0,66+0,24×1,05)8=16,42 (кН/м)

Расчетная погонная нагрузка на главную балку:

qГ= РГ+ gГn νfg

где gГn νfg=0,02 РГ - расчетная постоянная нагрузка (собственный вес балки), предварительно 2% от нагрузки, приходящейся на балку.

qГ= РГ+0,02 РГ=16,42+0,02×16,42=16,748 (кН/м)

Максимальный расчетный изгибающий момент в середине пролета балки:

МГ= qГ L2/8=16,748×302/8=1884,15 (кНм)


W=MГ/Ry νc=1884,15×105/(23000×1)=8191,96 (см3)

где Ry=230 МПа - расчетное сопротивление металла растяжению, сжатию.

Максимальная поперечная сила на опоре:

Q= qГ L/2=16.748×30/2=251.22 (кН)

5.2 ПОДБОР СЕЧЕНИЯ

Для балок изготовленных из стали марки Вст3, исходя из условий жесткости при fmax=(1/400)l, высота балки:

hmin=(Ln0 / 4800)(1/ νq)

где (1/ νq)= q nГ /qГ=0,78 (νq - сред. коэф. надежности по нагрузке).

hmin=(3000×400 / 4800)×0,78=219,375=195 (см)

При проектировании балок высотой 2 - 5 м рекомендуется отношение h/ tω=160÷230. Отсюда tω=1,2 см.

Оптимальная высота балки:

hopt=k=1.15=99,24 (см)

где k=1,5 - при работе на срез, без учета поясов;

Rs=135 МПа;

tω=10 мм.

Из двух имеющихся значений высоты балки выбираем наибольшее h=1,95 м, так как в противном случае не будет выполняться условие жесткости. Принимаем высота стенки hω= h-5 см =190 см.

Минимальная толщина стенки из условия работы на срез:

tω min=k Q/( hω Rs νc)=1.5×251220/(190×13500×1)=0.15 (см)< tω=1,2 см

Проверяем условие, при соблюдении которого не требуется установка продольных ребер в стенке:

tω=( h𝜔 )/5,5=1,15 (см)< 1,2 см

Следовательно, принятая стенка толщиной 12 мм удовлетворяет прочности на действие касательных напряжений и не требует постановки продольного ребра для обеспечения местной устойчивости.

Окончательно принимаем высота балки h=1,95 м, высота стенки балки hω=1,9 м, толщина стенки tω=12 мм.

Требуемый момент инерции сечения главной балки:

J= W( h/2)= 8191,96 ×195/2=798716,1 (см4)

Момент инерции стенки:

Jω= tω h𝜔3/12=1,2×1903/12=685900 (см4)

Момент инерции поясных листов:

Jf= J- Jω=798716,1 - 685900=112816,1 (см4)

Площадь сечения одной полки:

Аf=2 Jf / h02=2×112816,1 /192,52=6,09 (см2)

где h02= h- tf - расстояние между центрами тяжести полок,

tf=2,5 см - толщина полки.

Толщина из условия обеспечения местной устойчивости:

tf===0,45см,

что меньше принятого в расчете (tf=2,5 см).

Ширина полки назначается из условия bf=(1/3÷1/5) h, т. е. bf=1/5 h=195/5=39=40 см.

Уточняем площадь поперечного сечения главной балки:

А=2 Аf+ Аω=2×2,5×40+190×1,2=428 см2

Нормативный вес погонного метра балки:

gГn s Аψ=77×0.0428×1.03=3,4 кН/м

где γs=77 кН/м - удельный вес стали;

ψ=1.03 - конструктивный коэффициент, учитывающий вес ребер

жесткости и сварных швов.

Расчетный вес погонного метра балки:

gГ= gГn νfg=3,4×1,05=3,57 кН/м

Уточняем усилия:

изгибающие моменты от нормативной и расчетной нагрузок

МГn= qГn L2/8=( РГn+ gГn) L2/8=( 14.27+3,4 )×302/8=1987.875 (кНм)

МГ= qГ L2/8=( РГ+ gГ) L2/8 =(16,42 + 3,57 )×302/8=2248.875 (кНм)

- перерезывающая сила на опоре

Q= qГ L/2=(16,42 + 3,57 )×30/2=299,85 (кН)

Геометрические характеристики сечения:

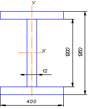
Рисунок 4. Поперечное сечение главной балки.

Jх==2538816,667 см4

Wх=2 Jх /h=2×2538816,667/195=26039,1453 см3

Проверка прочности главной балки:

σ= МГ/ Wх=2248.875×103/26039,1453×10-6=0,08636447×109 Па=86,36447 МПа

σ=86,36447 МПа< Ry νc=253 МПа

Проверка касательных напряжений:

τmax====19.73 МПа< Rs νc=0.58×230=133.4 МПа

Проверка прогиба главной балки:

f/l=(5/384)( МГn L/EJx)≤ [1/n0]

(5/384)(1987875×30/(2,06×1011×2538816,667×10-8))=0,00015≤ []== 0,0025

5.3 РАСЧЕТ ПОЯСНЫХ СВАРНЫХ ШВОВ

Для таврового соединения с двумя угловыми швами, выполненного автоматической сваркой, при толщине более толстого элемента 23 - 32 мм, рекомендуется катет шва К=7 мм.

Статический момент полки относительно оси Х:

S*х= tf bf (0,5 hω+0,5 tf )=0,012×0,4(0,5×1,9+0,5×0,012)=45,888×10-4 м3

Расчет касательных напряжений поясных швов:

τmax===5.53 МПа < Rср=170 МПа

1) Сварная главная балка:

полки 400×25 из широкополосного универсального листа по ГОСТ 82-70;

стенка 1900×12 из прокатной толстолистовой стали по ГОСТ19903-74;

катет поясного шва 7 мм;

) Вспомогательная балка - двутавр №22 по ГОСТ 8239-72;

) Балка настила - швеллер №5 по ГОСТ8240-72;

) Настил - лист стальной толщиной 2 мм.

ИСПОЛЬЗОВАННАЯ ЛИТЕРАТУРА

1. СНиП 2,01,07-85 «Нагрузки и воздействия»

. СНиП ΙΙ-23-81 «Стальные конструкции»

. ГОСТ 82-70 Прокат стальной горячекатаный широкополосный универсальный.

. ГОСТ19903-74 Прокат листовой горячекатаный

. ГОСТ 8239-72 Двутавровые балки стальные горячекатаные

. ГОСТ8240-72 Швеллеры стальные горячекатаные

. Николаев Г. А., Винокуров В. А. Сварные конструкции. Расчет и проектирование: Учеб. для вузов. - М.: Высш. шк., 1990. - 446 с.: ил.

. Мандриков А. П. Примеры расчета металлических конструкций: Учеб. пособие для техникумов. - М.: Стройиздат, 1991. - 431 с.: ил.

Похожие работы на - Расчет балочной клети

 

Не нашли материал для своей работы?
Поможем написать уникальную работу
Без плагиата!
Без нейросетей!