Очистка городских сточных вод

  • Вид работы:
    Курсовая работа (т)
  • Предмет:
    Строительство
  • Язык:
    Русский
    ,
    Формат файла:
    MS Word
    70,4 Кб
  • Опубликовано:
    2013-10-03
Вы можете узнать стоимость помощи в написании студенческой работы.
Помощь в написании работы, которую точно примут!

Очистка городских сточных вод

Исходные данные

1.Данные по населенному пункту

местоположение

г.Хабаровск

температура хоз.-фек. ст.вод


зима

150С

лето

210С

средняя норма водоотведения

290л/сут*чел

2. Данные по промышленному предприятию

характеристика производст. ст.вод


БПК20

310мг/л

взв.в-ва

280мг/л

NH4

15мг/л

P205

8мг/л

температура

250С



Средний расход гор.ст.вод, тыс

80м3/сут

в т.ч.производст. ст.вод, тыс

30%

3.Данные по водоему

вид водопользования

культурно-бытовой

расход воды при 95% обеспечении

4,5м3/с

средняя глубина

3,1м

коэфф. извилистости

1,5

Средняя скорость

1,9м/с

расстояние по форватеру от выпуска сточных вод до расчетного створа

1400м

температура воды


зима

60С

лето

220С

характеристика воды


БПК20 зима

3,8мг/л

лето

4,2 мг/л

концентрация растворенного кислорода


зима

5,1 мг/л

лето

6 мг/л

взв.в-ва


зима

4,8 мг/л

лето

5,3 мг/л

4. Данные общего характера

грунты на площадке ОС

песок

грунт.воды на глубине

5,6м

глубина промерзания грунтов

2,1м


Введение

Сточные воды перед сбросом в водоем обязательно необходимо очистить, так как они содержат взвешенные, органические, бактериальные загрязнения.

Данный курсовой проект посвящен именно очистки городских сточных вод.

В нем необходимо согласно данным задания запроектировать очистные сооружения. Анализируя состав сточной воды поступающей на очистные сооружения, зная допустимые концентрации на выпуске, необходимо определить необходимую степень очистки, подобрать технологическую схему очистки воды, определить состав и тип сооружений, оборудования.

Необходимо произвести технологические расчеты, определить размеры количество сооружений.

Помимо этого нужно произвести проектирование комплекса сооружений, то есть взаимно расположить на генплане, а так же разработать высотную схему сооружений.

 

ГЛАВА I. Обработка воды

 

. Определение расходов сточных вод

 

.1 Средние


Среднесуточный расход Qсутmid , м3/сут, берем из задания

Qгсв = Qсутmid = 80000 м3/сут

Расход производственных сточных вод Qпр , м3/сут, определяется по формуле

Qпр = Qсутmid ∙ %; (1)

Qпр = 80000 ∙ 30% = 24000 м3/сут

Расход бытовых сточных вод Qб , м3/сут, определяется по формуле

Qб = Qсутmid - Qпр; (2)

Qб = 80000 - 24000 = 56000 м3/сут

Среднечасовой расход Qчасmid , м3/ч, определяется по формуле

Qчасmid = Qсутmid / 24; (3)

Qчасmid = 80000 / 24 = 3333,3 м3/ч

Среднесекундный расход qсmid , л/с, определяется по формуле

qсmid = Qчасmid /3,6; (4)

qсmid = 3333,3 / 3,6 = 925,92 л/с

1.2 Максимальные


Максимальный суточный расход Qсутmax , м3/сут, определяется по формуле

Qсутmax = Qсутmid × Kсут; (5)

где Qсутmid - среднесуточный расход , м3/сут ;

Kсут - коэффициент суточной неравномерности водоотведения, определяется по [8], Kсут = 1,1;

Qсутmax = 80000 ∙ 1,2 = 96000 м3/сут

Максимальный часовой расход Qчасmax , м3/ч, определяется по формуле

Qчасmax = Qчасmid × Kgen max; (6)

где Qчасmid - среднечасовой расход , м3/ч;

Kgen max - коэффициент общей неравномерности водоотведения,

максимальный, определяется по [1, таблица 2]. В нашем случае Kgen max =1,474;

Qчасmax = 5833,33 ∙ 1,474 = 4913,28 м3/ч

Максимальный секундный расход qсmax , л/с, определяется по формуле

qсmax = qсmid × Kgen max; (7)

qсmax = 925,92 ∙ 1,474 = 1364,85 л/с = 1,3 м3/с

1.3 Минимальные


Минимальный часовой расход Qчасmin , м3/ч, определяется по формуле

Qчасmin = Qчасmid × Kgen min; (8)

где - Kgen min - коэффициент общей неравномерности водоотведения,

минимальный, определяется по [1, таблица 2]. В нашем случае Kgen min =0,685;

Qчасmin = 3333,3 ∙ 0,685 = 2283,3 м3/ч

Минимальный секундный расход qсmin , л/с, определяется по формуле

qсmin = qсmid × Kgen min; (9)сmin = 925,92 ∙ 0,685 = 634,25 л/с

 

2. Определение концентрации загрязнений сточных вод

 

.1 Бытовых сточных вод

 

Концентрация загрязнений бытовых сточных вод Сб , мг/л, определяется по формуле

Сб = а ∙ 1000 / n; (10)

где а - норма загрязнения, г/чел.сут., определяется по [1, табл.25];

по сухому веществу авзв= 65 г/чел.сут.;

по Биологической потребности кислорода (БПК20) абпк20= 75 г/чел.сут.;

по аммонию NH4 аNH4 = 8 г/чел.сут.;

по фосфатам P2O5 аP2O5 = 3,3 г/чел.сут.;

n - норма водоотведения, л/чел.сут., по заданию, n = 230 л/чел.сут.

В нормах а учтены концентрации загрязнений от городских общественных зданий. Отдельно определяются расходы от районных больниц, вокзалов, санаториев и других подобных учреждений.

2.2 Смеси бытовых и производственных сточных вод


Концентрация загрязнений в смеси Ссм , мг/л, определяется по формуле

Ссм = (Сб ∙ Qб + Спр ∙ Qпр) / (Qб + Qпр); (11)

где Спр - концентрации загрязнений в производственных сточных водах, берется по заданию;

 мг/л

 мг/л

 мг/л

 мг/л

 

3. Определение средних температур сточных вод

 

Городских сточных вод зимойТгсвз, ºС, определяется по формуле

Тгсвз = (tбсвз ∙ Qб + tпр ∙ Qпр) / (Qб + Qпр); (12)

где tбсвз - температура бытовых сточных вод зимой, ºС;

tпр - температура производственных сточных вод, ºС;

Тгсвз = (15 ∙ 56000 + 25 ∙ 24000) / 56000+24000 = 18 ºС

Летом

городских сточных вод летомТгсвл, ºС, определяется по формуле

Тгсвл = (tбсвл ∙ Qб + tпр ∙ Qпр) / (Qб + Qпр); (13)

где tбсвз - температура бытовых сточных вод летом, ºС;

Тгсвл = (21 ∙ 56000 + 25 ∙ 24000) / 56000+24000 = 22 ºС

Среднегодовая

Тw = (Тгсвл + Тгсвз) / 2 = (22 + 18)/2 = 20 ºС

 

4. Определение приведенного числа жителей


Расчетное число жителей Nр определяется по формуле

 (12)

чел.

Эквивалентное число жителей Nэкв для каждого параметра определяется по формуле

 (13)

 чел

чел

Тогда приведенное число жителей составит

Nпр = Nр + Nэкв (14)

чел

чел

 

5. Расчет коэффициента смешения


Производят по формуле И. Д. Родзиллера:

; (15)

β = exp (- α ∙ 3√lф ); (16)

α = φ ∙ ζ ∙ 3Ö(Д / qw); (17)

где γ - коэффициент смешения;

β - коэффициент, зависящий от гидрологических условий водоема;

Qр - расход воды в реке, м3/с;

qw - максимальный расход сточных вод, м3/с;

α - коэффициент, зависящий от гидравлических факторов;

lф - длина участка реки от места выпуска до расчетного створа по фарватеру,

lф = lпр∙φ (18)

где lпр - расстояние по прямой от выпуска СВ до расчетного створа, lпр=1400м

lф = 1400∙1,5=2100 м

ζ - коэффициент, зависящий от типа выпуска, в нашем случае выпуск береговой, ζ = 1;

Д - коэффициент турбулентной диффузии, для любых рек определяется по формуле

Д = (Vср ∙ Hср) / (37 ∙ с2); (19)

где Vср - средняя скорость реки, м/с, по заданию Vср = 1,9 м/с;

Hср - средняя глубина реки, м, по заданию Нср = 3,1 м;

с - коэффициент Шези, определяется по формуле

с = (1 / nш) ∙ Ry; (20)

где R - гидравлический радиус поперечника реки, R= Hср=3,1м;

nш - коэффициент шероховатости ложа реки, зависящий от типа рек, nш=0,1 для горных рек (Vср>1 м/с);

y - переменная, при Hср>1 м у = 1,3 ∙ Önш = 1,3 ∙ Ö0,1 = 0,41

с = (1 / 0,1) ∙ 3,10,41 = 16

Д = (1,9 ∙ 3,1) / (37 ∙ 162) = 0,000622

α = 1,5 ∙ 1 ∙ 3Ö(0,000622 / 1,36) = 0,115

β = exp (-0,115 ∙ 3Ö2100 ) = 0,229

γ = (1- 0,229) / (1 + (4,5 / 1,3) ∙ 0,229) = 0,43

Кратность разбавления n определяется по формуле

n = (γ · Qр + qw) / qw; (21)

n = (0,43 · 4,5 + 1,3) / 1,3 = 2,5

6. Определение допустимой температуры СВ на выпуске


Допустимая температура СВ на выпуске, ºС:

Тст=n∙Тдоп+Тфон;

Тдоп - допустимое увеличение температуры воды водоема после выпуска СВ, ºС, Тдоп=2 ºС;

Тфон - температура воды в реке, ºС, по заданию в летний период Тлфон=22 ºС, в зимний период Тзфон=6 ºС;

В летний период: Тст=2,5∙2+22=27ºС;

В зимний период: Тст=2,5∙2+6=11ºС;

 

7. Определение допустимых концентраций на выпуске в водоем


7.1 По взвешенным веществам


Для определения допустимых концентраций составляется баланс загрязнений до расчетного створа и после.

Сст∙qw+Ср∙γ∙Qр=(Сдопвзв+Ср)∙(qw+γ∙Qр); (22)

где Ср=Сфон - содержание взвешенных веществ в реке до выпуска СВ,мг/л,

по заданию в летний период слфон=5,3 мг/л, в зимний период сзфон=4,8 мг/л;

Qp - расход воды в реке, м3/с, по заданию Qp=4,5 м3/с;

Сдопвзв - допустимое увеличение взвешенных веществ в воде водоема после выпуска сточных вод, мг/л, для культурно-бытового водоема

Сдопвзв=0,75 мг/л;

Сст - допустимая концентрация загрязнений по взвешенным веществам при сбросе в водоем, мг/л, определяется по формуле

Сст = n ∙ Сдопвзв + Сфон

В летний период: Слст = 2,5 ∙ 0,75 + 5,3=7,175 мг/л;

В зимний период: Сзст = 2,5 ∙ 0,75 + 4,8=6,675 мг/л;

Подставляем полученные данные в исходный баланс загрязнений в летний период до расчетного створа и после,

 

Слст∙qw+Ср∙γ∙Qр=(Сдопвзв+Ср)∙(qw+γ∙Qр);

,175∙1,3+5,3∙0,43∙4,5=(0,75+5,3)∙(1,3+0,43∙4,5);

19,58=19,57;

Определяем общий эффект очистки по очистным сооружениям в летний период

Элочист=(Спост - Свып)/Спост∙100%;

где Спост - концентрация загрязнения СВ, поступающих на очистку, мг/л,

Спост =19,58мг/л;

Свып - концентрация загрязнения СВ на выпуске в водоем, мг/л,

Свып =19,57мг/л;

Элочист=(19,58 - 19,57)/19,58∙100%=0,05%;

В зимний период:

 

Сзст∙qw+Ср∙γ∙Qр=(Сдопвзв+Ср)∙(qw+γ∙Qр);

,675∙1,3+4,8∙0,43∙4,5=(0,75+4,8)∙(1,3+0,43∙4,5);

17,9655=17,95425;

Определяем общий эффект очистки по очистным сооружениям в зимний период

Эзочист=(Спост - Свып)/Спост∙100%;

Эзочист=(19,9655 - 19,95425)/19,9655∙100%=0,062%;

7.2 По БПК20


Допустимая концентрация загрязнений по БПК20 при сбросе в водоем Lст , мг/л, определяется по формуле

Lст = (n-1)/(10-Кст ∙ t) ∙ (Lпр.доп - Lр ∙ 10-Кр ∙ t) + (Lпр.доп )/(10-Кст ∙ t); (23)

где Кст, Кр - константы скорости потребления кислорода сточной и речной водой;

n - кратность разбавления;

t - продолжительность движения сточной воды,

t = lф / (Vср ∙ 86400); (24)

t = 500 / (1,5 ∙ 86400) = 0,0038 сут

При t< 0,25 сут принимаем t = 0,25 сут

Lпр.доп - предельно допустимое значение БПК20 в расчетном створе, мл/л;

6.3 По кислороду


Допустимая концентрация кислорода при сбросе в водоем LстО2 , мг/л, определяется по формуле

LстО2 = (n-1)/0,4 ∙ (Ор - 0,4Lр - Опр.доп) - Опр.доп / 0,4; (25)

где Ор - содержание кислорода в речной воде до выпуска сточных вод, мг/л;

,4 - коэффициент пересчета БПК20 в двухсуточное;

Опр.доп - предельно допустимая концентрация кислорода в расчетном створе, мл/л;

Все расчеты представлены в таблице 2.

8. Подбор Приемной камеры


qсmax = 2381,99 л/с

Отсюда следует, что диаметр трубопровода D= 2×900 мм;

марка приемной камеры: ПК-2-90

размеры камеры (В×L×H): 2000×3200×2000 мм

9. Расчет решеток


По максимальному суточному расходу выбираем типовой проект № 902-2-370.83 (УДК 696.12)

Здание решеток с тремя механизированными решетками типа РМУ-4

Врт = 1500 мм

Нр = 2000 мм

размеры здания 33000×9000 мм

Задаемся значениями:

hmax = Нр - 0,5(м) = 2 - 0,5 = 1,5 м

Vр = 0,9 м/с

Определяем число прозоров n:

n = qсmax / (b ∙ hmax ∙ Vр) ∙ Кз; (28)

где b - прозор, b = 16 мм = 0,016 м;

Кз - коэффициент, учитывающий стеснение прозоров отбросами, Кз=1,05;

n = 2,38 / (0,016 ∙ 1,5 ∙ 0,9) ∙ 1,05 = 116

Определяем общую ширину решеток

Вробщ = S ∙ (n-1) + b ∙ n; (29)

Вробщ = 0,01 ∙ (116-1) + 0,016 ∙ 116 = 3,006 м

Определяем количество рабочих решеток:

Nр = Вробщ / Врт; (30)

Nр = 3,006 / 1,500 = 2

Производим расчет подводящего канала перед решеткой по [10] для прямоугольных каналов, расчет будем вести в табличной форме:


Определяем потери напора в решетках hp, м:

hp = ζ ∙ (Vp2 / 2g) ∙ K; (31)

ζ = β ∙ (s/b)4/3 ∙ sin α; (32)

где ζ - коэффициент, учитывающий местные сопротивления;

К - коэффициент увеличения потерь напора за счет засорения решеток, К=3;

β - коэффициент, учитывающий форму поперечного сечения стержней;

α - угол установки решетки, α = 90º;

ζ = 1,83 ∙ (0,01/0,016)4/3 ∙ sin 90 = 0,98

hp = 0,98 ∙ (0,92 / 2 ∙ 9,8) ∙ 3 = 0,12 м

Проверяем минимальную скорость в канале перед решеткой:

Vmin = qmin / (Bk ∙ hkmin); (33)

Vmin = 0,559 / (1,6 ∙ 0,48) = 0,72 м/с

Определяем количество отбросов с решеток Qотб , м3/сут

Qотб = (аотб ∙ Nпрвзв ∙ Котб) / (1000 ∙ 365); (34)

где аотб = 8л/чел.год - количество отбросов на одного человека в год по сухому веществу при значении прозоров 16 мм, по [1]

Котб = 2 - коэффициент, учитывающий крупные фракции;

Qотб = (8 ∙ 582634 ∙ 2) / (1000 ∙ 365) = 25,5 м3/сут

Определяем массу отбросов р, кг

р = Qотб ∙ γ / 1000; (35)

где γ - объемная масса отбросов, γ=750 кг/м3

р = 25,5 ∙ 750 / 1000 = 19,125 кг

 

10. Расчет песколовок


Так как у нас qw > 70000 м3/сут , принимаем аэрируемые песколовки.

Площадь живого сечения ωs, м2

ωs = qw / Vs ; (36)

где qw - максимальный секундный расход, qw = 2382/1000 = 2,382 м3/с

Vs - допустимая скорость в песколовках, Vs = 0,12 м/с;

ωs = 2,382 / 0,12 = 19,85 м2

Выбираем типовой проект № 902-2-372.83 (УДК 628.334.2)

В = 3м

Н = 2,1 м

ωт = 6,3 м2

Количество песколовок:

N = ωs / ωт ; (37)

N = 19,85/6,3 = 3,15 Принимаем 4.

Длина песколовок

Ls = (1000 ∙ Ks ∙ Hs ∙ Vs) / U0 ; (38)

где Ks - коэффициент использования песколовки, по [1, табл.27] Ks = 2,08;

U0 - гидравлическая крупность песка, мм/с, по [1, табл.27] U0 = 18,7 мм/с;

Hs = Н/2 для аэрируемых песколовок, Hs = 2,1/2 = 1,05 м;

Ls = (1000 ∙ 2,08 ∙ 1,05 ∙ 0,12) / 18,7 = 14 м

По типовому проекту принимаем Ls =12м + вставка 3м = 15м

Итак, размеры песколовок следующие:

Рисунок 1 - Схема песколовок

Количество песка Qп , м3/сут:

Qп = ап ∙ Nпрвзв / 1000; (39)

где ап = 0,03 л/чел.сут. - суточное количество песка на одного человека;

Qп = 0,03 ∙ 582634 / 1000 = 17,5 м3/сут

Площадь песковых площадок Fп, м2

Fп = Qп ∙ 365 ∙ K / qп; (40)

где qп=2,5 м3/м2.год - нагрузка на песковые площадки при высоте оградительных валиков 1-2 м;

K - коэффициент, учитывающий валики и дороги, К=1,2;

Fп = 17,5 ∙ 365 ∙ 1,2 / 2,5 = 3066 м2

Принимаем две площадки, их размеры:

B=L=Ö(Fп / 2) (41)

B=L=Ö(3066 / 2) = 39,2 м

Расход воздуха на аэрацию Qairпеск, м3/ч

Qairпеск = Is ∙ F = Is ∙ B ∙ Ls; (42)

где Is = 4,5 м3/м2.час - интенсивность подачи воздуха;

Qairпеск = 4,5 ∙ 12 ∙ 15 = 810 м3/ч

.6 Расход технологической воды для смыва песка

qh = Vл ∙ Lsc ∙ bsc ∙ 4; (43)

где Vл = 0,0065 м/с - восходящая скорость смывной воды

Lsc = Ls - В = 15-3 = 12 м;

bsc = 0,5м - ширина пескового лотка;

qh = 0,0065 ∙ 12 ∙ 0,5 ∙ 4 = 0,156 л/с

11. Первичные отстойники


Так как у нас qw > 60000 м3/сут , принимаем радиальные отстойники.

Выбираем типовой проект № 902-2-379,83 (УДК 628,16,066,7)

Dset= 40 м; den= 6 м; Нset= 3,65 м

Схема представлена на рис.

Рисунок 2 - Схема радиального отстойника

Гидравлическая крупность U0 , мм/с, определяется по формуле

U0 = (1000 ∙ Hset ∙ Kset) / (α ∙ tset ∙ (Hset ∙ Kset/h)n); (44)

где Hset - глубина зоны отстаивания, Hset = 3,65 м;

Kset - коэффициент использования объема, по [1, табл. 31] для радиальных отстойников с центральным впуском Kset= 0,45;

α - коэффициент, учитывающий температуру сточных вод (зимнюю), α=1,32;

tset - продолжительность отстаивания частиц, сек, в лабораторном сосуде d=120 мм при высоте слоя жидкости в нем h;

tset = 900 - (270-200)/(300-200) ∙ (900-640) = 718 сек.

h=0,5 м - высота слоя жидкости;

n - коэффициент, учитывающий агломерацию взвеси, для городских сточных вод n=0,25;

U0 = (1000 ∙ 3,65 ∙ 0,45) / (1,32 ∙ 718 ∙ (3,65 ∙ 0,45/0,5)0,25) = 1,29 мм/с

Определим производительность одного отстойника qset , м3/ч:

qset = (3,6 ∙ π /4) ( Dset2 - den2) ∙ Kset ∙ (U0 - νtb); (45)

где νtb - турбулентная составляющая, зависит от скорости движения воды, при V=6 мм/с νtb=0,01;

qset = (3,6 ∙ π /4) ( 402 - 62) ∙ 0,45 ∙ (1,29 - 0,01) = 2547,1 м3/ч

Количество отстойников N определяется по формуле

N = qw / qset; (46)

N = 8575 / 2547,1 = 3,36 ≈ 4

 

12. Биохимическая очистка


Так как у нас Len = 251,5 > 150 мг/л, принимаем одноступенчатые Аэротенки-вытеснители с отдельной регенерацией активного ила.

12.1 Расчет аэротенков-вытеснителей с отдельной регенерацией активного ила


Общая необходимая продолжительность окисления органических загрязняющих веществ t0 , ч, определяется по формуле

t0 = (Len - Lex )/(Ri ∙ ar ∙ (1-S) ∙ p) ∙ (15/Tw); (47)= ai ∙ (1+ 1/(2 ∙ Ri)); (48)= pmax ∙ ((Lex ∙ C0)/(Lex ∙ C0 + K1 ∙ C0 + Lex ∙ K0 ∙ (1 + φ ∙ ar)); (49)

где Len - БПКполн осветленной воды, мг/л;

Lex - БПКполн биохимически очищенной воды, Lex = 15 мг/л;

Ri - степень рециркуляции, Ri = 0,6;

ar - доза активного ила в регенераторе, г/л;

ai - доза активного ила, принимаемой в зависимости от исходной концентрации органических загрязнений, ai = 3 г/л;

K1 - константа, характеризующая свойства органических загрязнений, K1=33 мг БПКполн/л;

K0 - константа, характеризующая влияние концентрации кислорода, K0=0,625 мг/л;

С0 - средняя концентрация растворенного кислорода в аэротенке, С0=2 мг/л;

S - зольность активного ила, д.е., S=0,3;

φ - коэффициент ингибирования продуктами распада активного ила, л/г, φ=0,7;

pmax - максимальная скорость окисления, мг/(гч), pmax=85 [3];

p - удельная скорость окисления, мг БПКполн/гч;

ar = 3 ∙ (1+ 1/(2 ∙ 0,6)) = 5,5 г/л

p = 85 ∙ ((15 ∙ 2)/((15 ∙ 2 + 33 ∙ 2 + 15 ∙ 0,625) ∙ (1 + 0,7 ∙ 5,5)) = 5,0

t0 = (251,5 - 15 )/(0,6 ∙ 5,5 ∙ (1-0,3) ∙ 5,0) ∙ (15/20,38) = 15,1 ч

.1.2 Необходимая продолжительность окисления сточной воды собственно в аэротенке tat , ч, определяется по формуле

tat = (2,5/Ö ai) ∙ (lg(Lmix/Lex)) ∙ (15/ Tw); (50)

где Lmix - БПК поступающих в аэротенк сточных вод с учетом разбавления возвратным илом, мг/л, определяется по формуле

Lmix = (Len+ Lex ∙ Ri) / (1+ Ri); (51)= (251,5+ 15 ∙ 0,6) / (1+ 0,6) = 162,81 мг/л= (2,5/Ö 3) ∙ (lg(162,81/15)) ∙ (15/ 20,38) = 1,1 ч

Необходимая продолжительность регенерации активного ила tр , ч, определяется по формуле

tр = t0 - tat; (52)

tр = 15,1 - 1,1 = 14 ч

Необходимое время пребывания сточной воды в системе «аэротенк-регенератор» tар , ч, определяется по формуле

tар = (1+ Ri) ∙ tat + Ri ∙ tр; (53)ар = (1+0,6) ∙ 1,1 + 0,6 ∙ 14 = 10,16 ч

Общий необходимый объем сооружений системы «аэротенк-регенератор» Wар , м3, определяется по формуле

Wар = qw ∙ tар; (54)

Wар = 8575 ∙ 10,16 = 87122 м3

Необходимый процент регенерации Per , %, определяется по формуле

Per = (Ri ∙ tр / tар) ∙ 100; (55)= (0,6 ∙ 14 / 10,16) ∙ 100 = 82,7 %

Принимаем Per = 75 %, секции - четырехкоридорные

По типовым проектам выбираем четыре секции аэротенков

В=9,0 м; Н=5,2 м; L=132 м; W0(ap)тп = 23870 м3

Объем собственно аэротенков принятых типовых секций Watтп , м3, определяется по формуле

Watтп = W0(ap)тп ∙ (1 - Per/100); (56)тп = 95480 ∙ (1 - 75/100) = 23870 м3

Объем регенераторов принятых типовых секций Wртп , м3, определяется по формуле

Wртп = W0(ap)тп ∙ (Per/100); (57)ртп = 954800 ∙ (75/100) = 71610 м3

Истинное время пребывания сточной воды собственно в аэротенках tat,ист , ч, определяется по формуле

tat,ист = Watтп / ((1+ Ri) ∙ qw); (58)

tat,ист = 23870 / ((1+0,6) ∙ 8575) = 1,75 ч

Истинное время пребывания циркулирующего ила в регенраторе tр,ист , ч, определяется по формуле

tр,ист = Wртп / (Ri ∙ qw); (59)

tр,ист = 71610 / (0,6 ∙ 8575) = 13,9 ч

Истинное время пребывания иловой смеси в системе «аэротенк-регенератор» tар,ист , ч, определяется по формуле

tар,ист = tat,ист + tр,ист; (60)

tар,ист = 1,75 + 13,9 = 15,65 ч

Средняя доза активного ила в системе ai,ср , г/л, определяется по формуле

ai,ср = (tat,ист ∙ ai + tр,ист ∙ ar)/ tар,ист; (61)

ai,ср = (1,75 ∙ 3 + 13,9 ∙ 5,5)/ 15,65 = 5,22 г/л

Аэрация сточных вод в аэротенках

Удельный расход воздуха, м3/м3очищаемой воды, определяется по формуле

qair = (q0(Len- Lex))/(K1 ∙ K2 ∙ KT ∙ K3 ∙ (Ca - C0)); (62)

где q0 - удельный расход кислорода воздуха, мг, по [3] принимаем q0=1,1;

K1 - коэффициент, учитывающий тип аэратора, для мелкопузырчатых принимается в зависимости от соотношения faz/fat , в нашем случае faz/fat=0,17;

K1= 1,47+ (0,17-0,10)/(0,20-0,10) ∙ (1,68-1,47) = 1,62

K2 - коэффициент, зависящий от глубины погружения аэратора ha;

ha = Нр - 0,3; (63)

ha = 5,2-0,3 = 4,9 м; K2 = 2,91

KТ - коэффициент, учитывающий температуру сточных вод, определяется по формуле

KТ = 1 + 0,02(Tw,л - 20); (64)

где Tw,л =22,31 ºС - средняя температура сточных вод летом;

KТ = 1 + 0,02(22,31 - 20) = 1,0462

K3 - коэффициент качества городских сточных вод, K3 = 0,85 [3];

Ca - растворимость кислорода в сточной воде, мг/л, определяется по формуле

Ca = (1 + ha/20,6) ∙ Ст; (65)

где Ст =8,61 мг/л - растворимость кислорода в чистой воде при давлении 0,1 МПа при температуре Tw,л =22,31 ºС;

Ca = (1 + 4,9/20,6) ∙ 8,61 = 10,65 мг/л

qair = (1,1(251,5-15))/(1,62 ∙ 2,91 ∙ 1,0462 ∙ 0,85 ∙ (10,65 - 2)) = 7,17 м3/м3 воды

Средняя расчетная интенсивность аэрации сточной воды в аэротенках Ja,ср , м3/м2ч, определяется по формуле

Ja,ср = qair ∙ Нр / t; (66)

где t - период аэрации. принимаемый для аэротенков-вытеснителей с отдельной регенерацией t= tар,ист = 15,65 ч;

Ja,ср = 7,17 ∙ 5,2 / 15,65 = 2,38 м3/м2ч

Ja,max = 20 м3/м2ч; Ja,min = 3,0 м3/м2ч;

получилось, что Ja,ср < Ja,min

В этом случае следует увеличить удельный расход воздуха qair, приняв Ja,ср = Ja,min, тогда: Ja,ср = 3,0 м3/м2ч;

qair = Ja,ср ∙ t / Нр = 3,0 ∙ 15,65 / 5,2 = 9,03 м3/м3 воды

Общий расход воздуха Qair , м3/ч, на аэрацию в аэротенках определяется по формуле

Qair = 1,1 ∙ qair ∙ qw; (67)

где 1,1 - коэффициент, учитывающий потери воздуха в системе;

Qair = 1,1 ∙ 9,03 ∙ 8575 = 85175,5 м3/ч

Принимаем насосно-воздуходувную станцию:

Типовой проект №

Тип воздуходувки

Производительность по воздуху

Размеры здания:

12.3 Вторичные отстойники


Вторичные отстойники служат для разделения иловой смеси на биохимически очищенную воду и активный ил.

Гидравлическая нагрузка на поверхность отстойника qssa , м2/(м2ч), определяется по формуле

qssa = (4,5 ∙ Kss ∙ Hset0.8)/(0.1Ji ∙ ai)0.5-0.01at (68)

где Kss - коэффициент использования объема зоны отстаивания, принимаемый по [3] для радиальных отстойников Kss = 0,45;

Hset- расчетная глубина зоны отстаивания, м, определяется по формуле

Hset= Hw-(hн+hо) (69)

где Hw - гидравлическая глубина воды для отстойника

hн - высота нейтрального слоя, принимается для всех типов отстойников 0,3м от уровня осадка до нижнего уровня воды зоны отстаивания;

hо - глубина слоя осадка (активного ила), принимаемая от 0,3 до 0,5м;

Ji - иловый индекс, см3/г, принимаемый в зависимости от нагрузки на беззольную часть активного ила qi, мгБПКполн/(г.сут), которая определяется по формуле для вторичных отстойников после аэротенков с отдельной регенерацией активного ила:

qi= 24(Len- Lex)/(аср(1-S)tар(ист)) (70)

 - доза активного ила собственно в аэротенке, г/л;

at - концентрация взвешенных веществ в биохимически очищенной воде, мг/л. то есть вынос активного ила из вторичных отстойников. принимаемый равным Lex, мг/л;

Необходимая площадь отстойников Fssa, м2,определяется по формуле

Fssa = qw / qssa (71)

Площадь одного отстойника, fssa, м2, определяется по формуле

fssa = π(Dset2-den2) / 4 (72)

Количество отстойников Nssa , шт, определяется по формуле

Nssa = Fssa/ fssa (73)

но не менее 3 шт.

Расчетные данные представлены в таблице 4.


13. Сооружения доочистки

 

.1 Каркасно-засыпные фильтры


Эти фильтры являются наиболее эффективными, т. к. используют принцип фильтрации в направлении убывающей крупности загрузки.

Площадь фильтров F, м2, определяется по формуле

F = Qсутmax/(T ∙ Vp - 3.6 ∙ n(J1 t1 + J2t2) - n ∙ Vp ∙ t3); (74)

где Т=24ч - продолжительность работы;

n - число промывок;

J - интенсивность промывки

J1 = 6-8 л/с.м2; t1 = 5-7 мин = 0,1ч;

J2 = 14-15 л/с.м2; t2 = 3 мин = 0,05ч;

t3 = 0,33 часа - время простоя фильтра в связи с промывкой;

Vp - скорость фильтрации при рабочем режиме, Vp = 10 м/час;

Промывка идет в две стадии:

1.  воздух + вода 5-7 мин.

2.      вода 2 мин.

F = 154000/(24 ∙ 10 - 3.6 ∙ 1 ∙ (7 ∙ 0,1 + 15 ∙ 0,05) - 1 ∙ 10 ∙ 0,33)= 665,7 м2

Количество фильтров:

N = F/F1; (75)

N = 665,7/54 = 12,3; принимаем N = 13;

Принимаем КЗФ типовой проект №902-4-9,84 (УДК 628,8)

Рисунок 3 - Схема КЗФ

На схеме показаны:

- приемный резервуар

- блок производственных сооружений и вспомогательных помещений

- КЗФ

- резервуар чистой промывной воды

- резервуар грязной промывной воды, подается в песколовки;

14. Сооружения для обеззараживания сточных вод


Для обеззараживания будет применяться процесс озонирования. Схема озонирования сточных вод представлена на рисунке 4:

Рисунок 4 - Схема озонирования

Корпус озонирования состоит из:

шахта для забора воздуха

блок осушки, очистки и охлаждения

блок синтеза (генерации) озона

Полученный озон смешивают с воздухом. Эта смесь подается в контактные камеры (КК) и распределяется с помощью дырчатых труб. Смесь, которая проконтактировала не полностью, направляется обратно в корпус озонирования.

Доза озона при подаче в КК: До3 = 10-20 мг/л;

Время контакта в КК: 10-30 мин;

Доза озона в сточной воде на выходе из КК: До3 = 0,2-0,5 мг/л;

Максимальный расход озона, кг/ч:

Qоз = Qчасmax ∙ Доз/1000; (76)

Qоз = 8575∙ 18/1000 = 154,4 кг/ч;

Выбираем типовые озонаторные модули В-250-630-1-Л-02, производитель - НПО «ДзержинскХимМаш». Их параметры:

производительность озона: 30 кг/ч;

концентрация озона в озоно-воздушной смеси: до 20 мг/л;

расход воздуха: 1500 м3/ч;

площадь одного модуля: 300 м2 ;

Количество озонаторов

N = Qоз / Qозт; (77)

N = 154,4/30 = 5,15

принимаем N=5 + 1 резервный, итого 6;

Размеры барботажных контактных камер:

F = Qчасmax ∙ Тоз ∙ 60/3600 ∙ Нк; (78)

где Тоз - время озонирования, 20 мин;

Нк = 3,5м - высота воды в КК;

F = 8575 ∙ 20 ∙ 60/3600 ∙ 3,5 = 816,7 м2;

15. Устройство выпуска


В нашем случае целесообразно поставить береговой выпуск, т.к. он самый дешевый. Он плохо обеспечивает смешение потоков, но нам это и не нужно, поскольку в нас проекте высокая степень очистки сточных вод. Схема берегового выпуска представлена на рисунке 5:

Рисунок 5 - Береговой выпуск

 

ГЛАВА II. Обработка и обезвоживание осадка


16. Технологическая схема обработки осадков


Входит в общую схему очистных сооружений, см. стр. 15, 16.

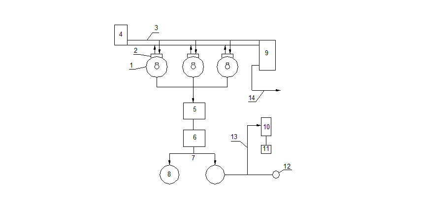
17. Анаэробная стабилизация осадка


Анаэробная стабилизация - это процесс минерализации огранического вещества, которое распадается с образованием конечных продуктов - метана, СО2, карбонатных и бикарбонатных солей. Этот процесс идет за счет жизнежеятельности различных микроорганизмов: сапрофиты (первая, кислотная стадия) и метанобразующие бактерии (вторая, щелочная стадия). В данном проекте целесообразно использовать для этого метантенки - круглые в плане герметичные резервуары с коническим днищем. Устройство метантенка показано на рис. 6, узел обвязки метантенков - на рис.7.

Узел обвязки метантенков и газгольдеров (газовых хранилищ) является взрывоопасным, его следует ограждать и располагать на расстоянии не менее 30 м от остальных сооружений (см. чертеж). Газовую сеть устраивают из стальных труб на сварке с усиленной противокоррозионной изоляцией, прокладывают на глубине промерзания, но не менее 1 м. При прокладке по поверхности утепляют.

Расчет метантенков.

Количество осадка из первичных отстойников по сухому веществу, т/сут

Qmudсух = Qсутmid ∙ (Cen - Cex) ∙ K / 106; (79)

где Qсутmid - средний суточный расход ст. вод, Qсутmid = 140000 м3/сут;

Рисунок 6 - Схема метантенка

- герметичный резервуар;

- труба подачи сырого осадка из первичных отстойников;

- подача острого пара для подогрева (200-300°С);

- трубы выгрузки сброженного осадка;

- камера выгрузки;

- инжекторная;

- газовый колпак;

- газопровод для подачи газа в газгольдеры;

Cen,Cex - содержание взвешенных веществ до и после первичных отстойников, Cen =270,51 мг/л, Cex = 135,3 мг/л;

К=1,2 - коэффициент увеличения объема за счет крупных фракций;

Qmudсух = 140000 ∙ (270,51 - 135,3) ∙ 1,2 / 106= 22,7 т/сут;

Рисунок 7 - Узел обвязки метантенков

1-           метантенки;

2-      инжекторная;

-        канал метантенков;

-        шахта для подъема над метантенками;

-        газовый киоск;

-        пункт управления газгольдерами;

-        газопроводы;

-        газгольдеры;

-        насосная станция метантенков;

-        котельная;

-        пункт управления газовой свечой;

-        газовая свеча;

-        подача газа в котельную;

-        подача сброженного осадка на дальнейшую обработку и обезвоживание;

Количество сырого осадка фактической влажности, м3/сут

Qmud = Qmudсух ∙ 100 / ((100- Pmud) · γmud); (80)

где Pmud= 93,5 % - влажность осадка первичных отстойников;

γmud = 1 т/м3 - плотность осадка;

Qmud = 22,7 ∙ 100 / ((100- 93,5) · 1) = 349,2 м3/сут;

Количество беззольного вещества сырого осадка, т/сут

Qmudбз = Qmudсух ∙ (100- Вг)(100-Smud) / 104; (81)

где Вг = 5,5 % - гигроскопическая влажность;

Smud = 30 % - зольность сырого осадка первичных отстойников;

Qmudбз = 22,7 ∙ (100- 5,5)(100-30) / 104 = 15,0 т/сут

.4 Выбираем мезофильный режим сбраживания, его преимущества:

уменьшается расход тепла на подогрев;

улучшаются водоотдающие свойства осадка;

Недостатки:

санитарные (не происходит дегельминтизации)

возрастает объем метантенков

При большем объеме метантенков существует возможность переключиться на термофильный режим в случае увеличения нагрузки (при реконструкции, например)

При таком режиме и при Pmud= 93,5 % суточная доза загружаемого в метантенк осадка Дmt = 8% ,по [1, табл. 59]

Объем метантенков, м3

Wм = Qmud ∙ 100 / Дmt; (82)

Wм = 349,2 ∙ 100 / 8 = 4365 м3;

Подбираем типовые метантенки:

Количество:

N = Wм / Wтип ≥ 2; (83)

N = 4365 / Wтип;

Расход беззольного вещества осадка, %

Rr = Rlim - Kr · Дmt; (84)

где Rlim = 53 %- максимально возможное сбраживание беззольного вещества осадка

Kr - коэффициент, зависящий от влажности и режима сбраживания, Kr = 0,89 по [1, табл. 61]

Rr = 53 - 0,89 · 8 = 45,9 %

Количество сброженного осадка по сухому веществу, т/сут

Qсбрсух = Qmudсух - Qmudбз + Qmudбз · (100-Rr)/100; (85)

Qсбрсух = 22,7 - 15 + 15 · (100-45,9)/100 = 15,8 т/сут

Влажность сброженного осадка, %

Рсбр = 100 - Qсбрсух / Qmud · 100%; (86)

Рсбр = 100 - 15,8 / 349,2 · 100% = 95,4%

Расход газа, выделяемого при сбраживании,м3/сут

Qг = Qmudбз · Rr · 103 / 100; (87)

Qг = 15 · 45,9 · 103 / 100 = 6885 м3/сут;

Объем газгольдеров, м3

Wг = Qг · tг / 24; (88)

где tг = 3 ч - время хранения газа;

Wг = 6885 · 3 / 24 = 860,6 м3;

Подбираем типовые газгольдеры

Количество:

Nгаз = Wг / Wтип ≥ 2; (89)

N = 860,6 / Wтип;

 

18. Аэробная стабилизация осадка


Данный метод заключается в длительном аэрировании осадков в сооружениях типа аэротенков (аэробных стабилизаторах). Он будет применяться только для избыточного активного ила, т.к. в метантенках он сбраживается менее интенсивно из-за высокого содержания белковых соединений и высокой влажности. Процесс аэробной стабилизации подобен процессу в аэротенках при помощи активного ила, который интенсивно развивается за счет имеющегося субстрата, а затем самоокисляется, после чего образуется один вид осадка. Это сложный биохимический процесс, в результате которого происходит распад основной части органических беззольных веществ осадка, остающееся органическое вещество является стабильным, не способным к загниванию.

Преимущества данного процесса:

более прост в эксплуатации и конструкции;

не взрывоопасен;

более устойчив к составу осадка;

Недостаток - энергоемкость.

Устройство аэробного минерализатора показано на рис. 8, цифрами обозначены:

1-  подача осадка на стабилизацию дюкером в карман;

2-      зона аэрации;

-        зона отстаивания (1,5-2 ч);

-        зона уплотнения стабилизированного осадка (10-11 ч);

-        отведение иловой воды из зоны отстаивания 3;

-        лоток для отведения иловой воды из зоны уплотнения;

-        труба для отведения уплотненного стабилизированного осадка самотеком;

-        колодцы для сбора и удаления стабилизированного осадка;

-        система аэрации;

10-  окна;

11-    карман для распределения осадка;

-        подача иловой воды в аэротенки;

Рисунок 8 - Устройство аэробного минерализатора

Расчет минерализаторов:

.1 Количество избыточного активного ила по сухому веществу, т/сут

Qis = (Pi - at) · Qсутmid · n / 106; (90)

где Pi - прирост активного ила мг/л,

Pi = 0,8 · Ccdp + Kg · Len ; (91)

Ccdp = Cex = 135,3 мг/л - количество взвешенных веществ после первичных отстойников;

Len = 251,5 мг/л - БПК20 перед аэротенками;

Kg = 0,3 - коэффициент, учитывающий характер сточных вод;

at = 15 мг/л - содержание взвешенных веществ после вторичных отстойников;

n = 1,3 - коэффициент, учитывающий неравномерность прироста активного ила ;

Pi = 0,8 · 135,3 + 0,3 · 251,5 = 75,5 мг/л

Qis = (75,5 - 15) · 140000 · 1,3 / 106 = 11,0 т/сут;

Количество избыточного активного ила фактической влажности, м3/сут

Qi = (Qis · 100) / (100 - Pii ) · ρi ; (92)

где Pii - влажность избыточного активного ила, Pii = f (ar), ar = 5,5 г/л - доза ила в регенераторе, Pii = 99,5 %;

ρi = 1 т/м3 - плотность активного ила ;

Qi = (11 · 100) / (100 - 99,5 ) · 1 = 2200 м3/сут;

Количество беззольного вещества активного ила , т/сут

Qiбз = Qis · (100 - Si )(100 - Br ) / 104 ; (93)

где Si = 28 % - зольность активного ила ;

Br = 7 % - гигроскопическая влажность активного ила ;

Qiбз = 11 · (100 - 28 )(100 - 7) / 104 = 7,36 т/сут;

Степень распада избыточного активного ила в стабилизаторе

Ri = 0,3 (30%)

Количество оставшегося беззольного вещества в стабилизированном активном иле, т/сут

Qiстбз = Qiбз · (1 - Ri ); (94)

Qiстбз = 7,36 · (1 - 0,3 ) = 5,15 т/сут;

Количество сухого вещества в стабилизированном активном иле , т/сут

Qiстs = (Qis - Qiбз) + Qiстбз; (95)

Qiстs = (11 - 7,36) + 5,15 = 8,79 т/сут;

Влажность стабилизированного активного ила, %

Рiст = 100 - ((100 - Pii)(100 - Si)(100 - Ri) / 104) ; (96)

Рiст = 100 - ((100 - 99,5)(100 - 28)(100 - 30) / 104) = 99,7 %

Зольность стабилизированного активного ила, %

Siст = 100 · (1 - Qiстбз/Qiстs) ; (97)

Siст = 100 · (1 - 5,15/8,79) = 41,4 %

Продолжительность аэробной стабилизации

t = tc ; (98)

t = tc = 3 сут - период стабилизации избыточного активного ила;

Объем стабилизаторов, м3

Vas = Qi · t ; (99)

Vas = 2200 · 3 = 6600 м3 ;

Принимаем типовые стабилизаторы

Количество:

N = Vas / Wтип ≥ 2; (100)

N = 6600 / Wтип;

Количество воздуха, необходимого для процесса, м3/ч

Qairстаб = Vasт · qуд; (101)

Vasт = B · L · H · N; (102)

где qуд = 1,5 м3/ч на 1 м3 стабилизатора, [1, п.6.366]

Количество уплотненного активного ила после стабилизации, м3/сут

Qsiu = (Qiстs · 100) / ((100 - Psiu) · ρi) ; (103)

где Psiu = 97,5% - влажность уплотненного активного ила после стабилизации;

Qsiu = (8,79 · 100) / ((100 - 97,5) · 1) = 351,6 м3/сут

Количество иловой воды после стабилизаторов, м3/сут

Qu = Qi - Qsiu ; (104)

Qu = 2200 - 351,6 = 1848,4 м3/сут;

19. Механическое обезвоживание осадка


Сброженный осадок из метантенков и минерализованный активный ил направляются в Цех механического обезвоживания.

Преимущества этого способа обезвоживания перед традиционными иловыми площадками:

малая площадь сооружения;

быстрота процесса обезвоживания (0,5-1ч по сравнению с 10-30 сут. на иловых площадках);

низкая влажность обезвоженного осадка;

Недостатки:

сложность, громоздкость, большая стоимость оборудования;

необходимость в квалифицированном персонале;

высокая стоимость реагентов;

необходимость очистки фильтрата, который направляют в голову ОС;

необходимость в дегельминтизации (уничтожении червей, личинок, и т.п.);

19.1 Ленточные фильтр-прессы


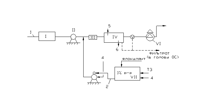
Ленточные фильтр-прессы предназначены для механического обезвоживания осадков под действием сил гравитации, вакуума и давления. Общий принцип работы фильтр-прессов заключается в отжимании осадка между двумя параллельными непрерывно движущимися фильтровальными лентами. Устройство фильтр-пресса показано на рис. 9, технологическая схема процесса - на рис. 10.

Рисунок 9 - Устройство фильтр-пресса

1-  трубопровод подачи осадка на обезвоживание

2-      осадок, распределенный по ленте

-        фильтрационная лента №1

-        фильтрационная лента №2

-        фильтрующий барабан

-        прижимной ролик

-        отжимные ролики

-        емкости для сбора иловой воды

-        насадки для промывки и регенерации фильтровальных лент

10-  ножи для снятия КЕКа

11-    транспортер для сбора и удаления КЕКа

-        электропривод

Рисунок 10 - Технологическая схема обезвоживания

I-   приемный (сборный) бак

II-      насос

III-   бак-распределитель

IV-    фильтр-прессы

V- ресивер

VI-  вакуум-насос

VII-   резервуар с мешалкой для приготовления раствора флокулянта 1%

Трубопроводы:

1-  исходный осадок

2-      1% раствор флокулянта

-        техническая вода (очищенная канализационная)

-        КЕК

-        фильтрат

Заключение


Конечно, это всего лишь учебный проект и здесь много разных упрощений и погрешностей, на которые наш руководитель закрывал глаза. Однако в общих чертах мы все же достигли немалых результатов. Во-первых, мы познакомились с методикой расчета городских очистных сооружений, во-вторых, узнали очень много полезной информации и различных мелких тонкостей, которые, безусловно, необходимы нам в дальнейшем, как будущим инженерам. Так что на основании всего вышесказанного можно смело сделать сакраментальный вывод: поставленные задачи выполнены.

очистка сточный вода

Список использованной литературы


1      СНиП 2.04.03-85. Канализация. Наружные сети и сооружения.- М.: Госстрой СССР: ЦИТП Госстроя СССР, 1986.-72с.

2       Укрупненные нормы водоотведения для различных отраслей промышленности. -М.: Стройиздат, 1982.-526с.

         Яковлев, С. В. Канализация/ Яковлев С. В., Карелин Я. А., и др. -М.: Стройиздат, 1975.-632с.: ил.

         Ботук, Б. О. Канализационные сети/ Ботук Б. О., Федоров Н. В. -М.: Стройиздат, 1974.-256с.: ил.

         Лукиных, А. А. Таблицы для гидравлического расчета канализационных сетей и дюкеров по формулам акад. Н. Н. Павловского/ Лукиных А. А., Лукиных Н. А. -М.: Стройиздат, 1987.-152с.: ил.

         Карелин, В. Я. Насосы и насосные станции/ Карелин В. Я., Минаев А. В. -М.: Стройиздат, 1986.- 320с.: ил.

         СНиП 2.04.02-84*. Водоснабжение. Наружные сети и сооружения. -М.: Госстрой СССР: ЦИТП Госстроя СССР, 1985.-136с.

         Канализация населенных мест и промышленных предприятий: Справочник проектировщика / под редд В. Н. Самохина. -М.: Стройиздат, 1981.-639с.: ил.

Похожие работы на - Очистка городских сточных вод

 

Не нашли материал для своей работы?
Поможем написать уникальную работу
Без плагиата!
Без нейросетей!