Расчёт работоспособности фазочувствительной рельсовой цепи при пониженном сопротивлении изоляции
Курсовая
работа
Тема
Расчёт
работоспособности фазочувствительной рельсовой цепи при пониженном
сопротивлении изоляции
Выполнил
Студент
Корякина
А.С.
Введение
Для фиксации наличия или отсутствия подвижных
единиц на участках пути, а также контроля целостности рельсовых нитей
используются рельсовые цепи (РЦ). Первый патент на их изобретение принадлежал
Вильяму Робинзону, предложившему в 1867 г. использовать ходовые рельсы в
качестве проводников электрического тока и создавшему специальную конструкцию
путевого приемника. Первая рельсовая цепь получила название нормально
разомкнутой, имела ряд недостатков, основным из которых было отсутствие
контроля целостности и исправности рельсовой линии. После дополнительной
проработки Робинзон в 1872 г. предложил более совершенную нормально замкнутую
рельсовую цепь. Организация электрической цепи невозможна без электрической
изоляции ее проводников друг от друга. Эту роль выполняют земляное полотно,
балласт и шпалы.
Рельсовые цепи были и остаются самым малонадежным
элементом железнодорожной автоматики и телемеханики, приносящим более 50%
отказов в работе этих устройств. Большое число отказов в работе РЦ определяется
подверженностью отрицательного влияния на устойчивость их работы, меняющегося в
широких пределах сопротивления изоляции, возникающих переходных сопротивлений в
местах скреплений рельсов между собой и подсоединения к правому ходовому рельсу
цепей заземления опор контактной сети и других сооружений, находящихся вблизи
железнодорожного пути. Альтернативой применения РЦ являются системы контроля
участков пути методом счета осей, однако эти системы не могут контролировать
целостность рельсового пути, а также обеспечение необходимых интервалов между
движущимися поездами с помощью спутниковой навигации и системы автоматической
локомотивной сигнализации с использованием цифрового радиоканала, однако работы
в этом направлении относительно недавно начаты. Поэтому конструкция аппаратуры
рельсовых цепей и верхнего строения пути, а также методы защиты передаваемой по
рельсовым линиям информации непрерывно совершенствуются,
в частности, за счет применения модифицированных кодов Бауэра и фазоразностной
манипуляции. На сегодняшний день наиболее перспективными являются рельсовые
цепи тональной частоты без изолирующих стыков для перегонов с централизованным
размещением оборудования и для станций с использованием изолирующих стыков.
Данный тип РЦ хорошо защищен от влияния тяговых токов асимметрии, но
микроэлектронная база путевых приемников и генераторов, применяемых в этих РЦ,
часто выходит из строя из-за влияния грозовых перенапряжений.
1. Общие сведения
Фазочувствительные рельсовые цепи применяются на
станциях с путевым приемником типа ДСШ-16 (рис.1) или перегонах, оборудованных
усовершенствованной самопроверяемой модернизированной автоблокировкой с путевым
приемником типа ДСШ-15.
Сопротивление проводов между ДТ и ИТ на релейном
конце должно быть не более 0,5 Ом. Сопротивление между изолирующим
трансформатором и путевым реле не должно превышать 150 Ом, при этом предельная
длина кабеля между путевым реле и ИТ без дублирования жил составляет 3 км.
Резистор R0=2,2
Ом обеспечивает необходимое значение входного сопротивления аппаратуры
питающего конца по условиям шунтового режима, а также ограничение мощности при
нахождении поездного шунта в месте подключения этой аппаратуры к рельсовой
линии.
Для защиты аппаратуры РЦ от коммутационных
перенапряжений, вызываемых короткими замыканиями в контактной сети переменного
тока, или грозовых перенапряжений, возникающих в летний период в рельсовой
линии, служат разрядники вентильные низковольтные штепсельные (FV)
типа РВНШ-250 с пробивным напряжением 850±150 В или выравниватели
оксидно-цинковые штепсельные (FV)
типа ВОЦН-220.
Выключатели QF
типа АВМ предназначены для отключения приборов рельсовой цепи от рельсовой
линии в тех случаях, когда асимметрия тягового тока в рельсах превышает
расчетное значение. Фактически АВМ срабатывает при токе 4 А. Токи асимметрии
частотой 50 Гц меньшего значения замыкаются через внутреннее сопротивление источника
питания на питающем конце или через защитный блок типа ЗБ-ДСШ на релейном
конце.
Для защиты реле от тягового тока параллельно
путевому элементу подключается ЗБ-ДСШ, состоящий из последовательного LC
контура с сопротивлением на резонансной частоте, равной 50 Гц, 20 Ом. На
частоте 25 Гц этот блок имеет емкостное сопротивление, благодаря чему
компенсируется индуктивная составляющая сигнального тока.
Срабатывание реле ДСШ от тягового тока
исключено, так как для подъема сектора необходимо не только определенное
фазовое соотношение, но и чтобы частота токов, протекающих по обмоткам путевого
и местного элементов, отличалась не более чем на 5 Гц. Воздействие на путевой
элемент тягового тока приводит к дрожанию сектора а, следовательно, и к более
стремительному механическому износу частей, отвечающих за крепление сектора
реле. Также наличие помехи от тягового тока уменьшает величину вращающего
момента, действующего на сектор реле при неизменных величинах токов,
протекающих по обмоткам путевого и местного элементов.
Особенностью питающих устройств станционных
фазочувствительных РЦ переменного тока частотой 25 Гц является использование
разных ПЧ для питания ПЭ и МЭ путевых реле.
На участках, оборудованных электрической тягой
поездов переменного тока, использование однофазной системы питания недопустимо
из-за возможности попадания помех от тягового тока в обмотки местных элементов
реле ДСШ через общую питающую сеть. Для исключения этого отрицательного фактора
применяется двухфазная система питания, при которой местные элементы реле ДСШ и
путевые трансформаторы питаются от различных источников-преобразователей
частоты ПЧ50/25. Эти преобразователи включаются в сеть переменного тока в
противофазе, благодаря чему создается возможность использовать их одновременно
в качестве фазосдвигающих элементов, а применение специального фазирующего
устройства типа ФУ-2 обеспечивает их жесткую связь по фазе со сдвигом 90º.
В частности, если подать напряжение частотой 50
Гц с нулевой фазой на вход делителя ПЧМ, то есть ц=0º,
а на вход второго делителя ПЧП-напряжение частотой 50 Гц в противофазе, то есть
ц=180º,
то на выходе делителей появятся напряжения частотой 25 Гц с начальными фазами цПЧМ=0º
и цПЧП=90º.
Рис.1. Принципиальная
схема фазочувствительной рельсовой цепи частотой 25 Гц при электротяге
переменного тока
Рис.2. Схема
включения ПЧ местных и путевых элементов реле ДСШ
. Исходные
данные для расчета
Исходные данные для расчета фазочувствительной
рельсовой цепи частотой 25 Гц при электротяге переменного тока.
. Длина рельсовой цепи l=0.9
км;
. Удельное сопротивление рельсов Z=0.5ej52º
Ом/км;
. Удельное сопротивление изоляции rи=1
Ом·км;
. Напряжение полного подъёма сектора реле
Up =15.0ej72º
В;
. Ток срабатывания путевого реле ip
=
0.037 A;
. Сопротивление обмотки путевого элемента
реле ДСШ-13 Zp=405ej72ºОм;
. Коэффициент надёжного возврата путевого
реле kвн=0.42;
. Коэффициент, учитывающий колебание
напряжения источника питания от номинального значения kИС=1.025;
. Приведённый коэффициент надёжного
возврата приёмника
k`вн= kвн
/kИС=0.42/1.025=0.41;
10. Приведённый идеальный угол реле ДСШ-13 (с
учётом поворота фазы на 90º)
б`и=72º;
. Сопротивление ограничивающего резистора
R0=2.2
Ом;
. Сопротивление соединительных проводов
между ДТ и ИТ на релейном конце rср=0.2
Ом;
. Сопротивление кабеля между ИТ и реле Rk=140
Ом;
. Коэффициенты четырёхполюсника ИТ типа
ПРТ-А для релейного конца при n=18.3:
АИТр=0.055, BИТр=3.9ej36º,
CИТр=0.0033e-j80º,
DИТр=18.3;
. Коэффициенты четырёхполюсника ДТ-1-150
релейного конца: АДТр=0.333, BДТр=0.0525ej40º
Ом, СДТр=0.49e-j70º
См, DДТр=3;
. Коэффициенты четырёхполюсника ДТ-1-150
питающего конца: АДТп=3, BДТп=0.05ej35º
Ом, СДТп=0.302e-j60º
См, DДТп=0.333;
. Сопротивление защитного блока типа
ЗБ-ДСШ Zзб=407e-j88.35ºОм;
. Коэффициент поверхностной утечки m=1.8;
. Коэффициент взаимной индукции рельсов М12=0.00135e-j6.4º;
. Критическое значение комплексного числа
(гl)кр=1.13ej26º;
. Коэффициент схемы при двух дроссель -
трансформаторах S1=S2=1.
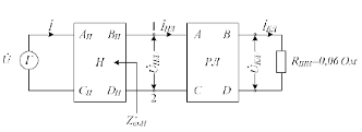
3. Общая схема
замещения фазочувствительной рельсовой цепи 25 Гц с реле ДСШ
Для сокращения объёма расчётов четырёхполюсники
питающего и релейного концов объединяют соответственно в четырёхполюсники Н и
К. При этом учитывают сопротивление соединительных проводов и кабеля (рис.3)
Рис.3. Схема
замещения фазочувствительной рельсовой цепи 25 Гц с реле ДСШ
Рассчитаем коэффициенты четырёхполюсника
аппаратуры питающего конца из матричного уравнения:
(1)
откуда:
См
Ом
Рассчитаем коэффициенты четырёхполюсника
аппаратуры релейного конца из матричного уравнения:
(2)
откуда:
См
Ом
. Расчёт
нормального режима
Рис.4. Схема
замещения фазочувствительной рельсовой цепи в нормальном режиме
Коэффициент распространения волны в рельсовой
линии
Волновое сопротивление рельсовой линии:
(4)
Определим коэффициенты рельсового
четырехполюсника по формулам:
(5)
Ом
См
Определим ток и напряжение в конце рельсовой
линии по формулам:


(6)
Определим ток и напряжение в начале рельсовой
линии по формулам:
В (7)
А
В
А
Минимальные напряжение и ток источника питания
ПТ:
В(8)
А
А
В
Затем по этим предварительным данным определяем
угол отклонения вектора комплекса U
от идеального, который равен углу расстройки в
нормальном режиме:
`u
(9)
º
где
-
аргумент комплексного напряжения
Действие сигнала, поступающего на вход
фазочувствительного приемника, уменьшается пропорционально cosbp,
поэтому для компенсации этого напряжения, ток и мощность источника должны быть
увеличены в соответствии с соотношениями:
В(10)
А
В
А
Вычислим коэффициент, учитывающий градацию
напряжения, ближайшего к его расчетному значению:
(11)
Вычислим минимальный фактический ток ПЧ:
А
(12)
А
Вычислим мощность, потребляемую рельсовой цепью
в нормальном режиме:
В·А(13)
В·А
Коэффициент перегрузки фазочувствительного
приемника по вращающему или тяговому моменту:
(14)
где:
- модуль комплекса максимального
сопротивления передачи общей схемы замещения рельсовой цепи в нормальном режиме
и минимальном сопротивлении изоляции;
- модуль комплекса минимального сопротивления
передачи общей схемы замещения рельсовой цепи в нормальном режиме при
сопротивлении изоляции, близком к бесконечности;
- аргумент
;
- аргумент
;
- коэффициент запаса по срабатыванию
для электромагнитных и индукционных реле равен 1,0, для импульсных 1,2;
- допустимый коэффициент колебания
напряжения источника;
- коэффициент, учитывающий наличие
ближайшего напряжения на выходе питающего трансформатора к необходимому.
Максимальное сопротивление передачи
общей схемы замещения рельсовой цепи в нормальном режиме и минимальном
сопротивлении изоляции вычисляем по формуле:
(15)
где:
- обратный коэффициент снижения тока
в четырехполюснике начала
;
- прямой коэффициент снижения тока в
четырехполюснике конца;
- прямое входное сопротивление
четырехполюсника K;
- обратное входное сопротивление
четырехполюсника Н.
Рассчитаем прямой коэффициент
снижения тока в четырехполюснике К по формуле:
(16)

Ом
(17)
Ом
Рассчитаем прямое обратное входное сопротивление
четырехполюсника Н по формуле:
Ом(18)
Ом
Минимальное сопротивление передачи общей схемы
замещения рельсовой цепи в нормальном режиме при сопротивлении изоляции,
близком к бесконечности вычисляем по формуле:
(19)
где:
Z - удельное
сопротивление рельсовой линии на частоте 25 Гц;
l- длина
рельсовой линии.
Подставив соответствующие значения в
формулы (14,15 и 19), получим:
Ом
Ом
Полученный фактический коэффициент перегрузки
реле не превышает максимально допустимый, равный 4.
При расчете фазочувствительных
рельсовых цепей следует учитывать особенности реле ДСШ, срабатывание которых
зависит не только от величины напряжения на путевом элементе
, но и от
угла ц сдвига фазы этого напряжения относительно опорного напряжения, роль
которого выполняет напряжение, подаваемое на местный элемент реле ДСШ
.
Конструктивно реле ДСШ разработаны
таким образом, что действие максимального вращающего момента
на сектор
реле при минимальном напряжении на обмотке путевого элемента соответствует
фазовому соотношению между током в обмотке путевого элемента и напряжением на
обмотке местного элемента, равное -18º (+162º). Это
фазовое соотношение называется идеальным
. Фактическое фазовое соотношение цп
может отличаться от идеального.
Для того, чтобы сохранить
номинальным вращающий момент на секторе реле ДСШ при наличии угла расстройки bр необходимо в
1/cosbр раз
увеличить ток в обмотке путевого элемента реле ДСШ, то есть необходимо в 1/cosbр раз повысить
напряжение путевого источника питания. Это напряжение, соответствующее
фактическим условиям работы рельсовой цепи, называется приведенным.
Рис.5. Векторная
диаграмма фазовых соотношений реле ДСШ при двухфазной системе питания
5. Расчёт
шунтового режима
Рис.6. Схема
замещения рельсовой цепи в шунтовом режиме
Шунтовой режим рассчитывается путем
определения коэффициента шунтовой чувствительности на релейном конце кшр³1 и на
питающем конце кшп³1,
которые определяются сравнением допустимого напряжения UДШР(П) и
фактического минимального напряжения Uфmin ,
определенного в расчете нормального режима рельсовой цепи.
Коэффициент шунтовой
чувствительности на релейном конце рассчитываем по формуле:
(20)
где цпшр - аргумент комплексного
сопротивления передачи ZПшр
(21)
Коэффициенты четырехполюсника при наложении
шунта на релейном конце:
;(22)
Ом;
См;
Полное сопротивление передачи при
шунтировании на релейном конце:
(23)
Подставив соответствующие значения в формулы
(20,21,23) получим:
Ом
Ом
Ом
В
В
Коэффициент шунтовой чувствительности на
питающем конце рассчитываем по формуле:
(24)
где цпшп - аргумент комплексного
сопротивления передачи ZПшп
(25)
Коэффициенты четырехполюсника при наложении
шунта на питающем конце:
Ом; (26)
См;
Ом
Ом
См
См
Полное сопротивление передачи при шунтировании
на питающем конце:
(27)
Подставив соответствующие значения в формулы
(24,25,27) получим:
Ом
Ом
В
В
. Расчёт
контрольного режима
Рис. 7.
Схема
замещения рельсовой цепи в контрольном режиме
Контрольный режим рассчитывается путем
определения коэффициента чувствительности к поврежденному рельсу ккп³1,
которое определяется сравнением допустимого напряжения UДКП
и
фактического напряжения Uфmin
определенного в нормальном режиме:
(28)
где
(29)
где цпкп - аргумент комплексного
сопротивления передачи ZПкп
Для вычисления ZПкп
предварительно
определяют коэффициент, учитывающий взаимную индукцию рельсов:
(30)
Определяем коэффициенты
четырехполюсника рельсовой линии при повреждении рельса:
(31)
где (г·l)кр -
критическое значение комплексного числа на частоте 25 Гц, при котором удельное
сопротивление изоляции РЛ в контрольном режиме принимает критическое значение
(г·l)кр=1,13·ej·26º;
S1 и S2 -
коэффициенты схем, учитывающие наличие дроссель-трансформаторов соответственно
на релейном и питающем концах S1=S2=1,
откуда:
Ом
Ом
См
См
Сопротивление передачи рельсовой цепи в
контрольном режиме рассчитываем по формуле:
(32)
Подставив значения в формулы (28,29,32),
получим:
Ом;(33)
Ом
В
В
Ом
Расчёт режима АЛС
Рис. 8.
Схема
замещения рельсовой цепи в режиме АЛС
При отсутствии в схеме замещения
четырехполюсника К его коэффициенты будут равны:
Ак=Dк=1;
Вк=Ск=0
Коэффициент режима АЛСН рассчитывается путем
отношения фактического тока на приемном конце к нормативному току:
(34)
где lАЛСФ-
фактический ток под приемными катушками АЛС.
(35)
Сопротивление передачи рельсовой цепи в режиме
АЛС:
(36)
Подставив значения в формулы (34,35,36),
получим:
Ом
Ом
А
А
6. Расчёт
режима короткого замыкания
В режиме короткого замыкания колесные пары
подвижного состава находятся в точке подключения аппаратуры питающего конца.
Расчет этого режима производится для определения мощности источника питания
рельсовой цепи.
Рис.9 Схема замещения рельсовой цепи в режиме
короткого замыкания
При отсутствии четырехполюсников РЛ и К их
коэффициенты:
(37)
Ак=Dк=1;
Вк=Ск=0
А=D=1;
В=С=0
Сопротивление аппаратуры питающего конца в
режиме короткого замыкания рассчитываем по формуле:
(38)
Ом
Ом
Ток короткого замыкания рассчитываем по формуле:
(39)
А
Мощность, потребляемая рельсовой цепью в режиме
короткого замыкания от источника питания, рассчитываем по формуле:
(40)
В·А
В·А
Если мощность, потребляемая рельсовой цепью в
режиме короткого замыкания, превышает более чем на 10% номинальную мощность
источника питания, то источник питания нужно заменить на более мощный.
Список литературы
рельсовый цепь автоматика
1.Путевая блокировка и
авторегулировка /Котляренко Н.Ф., Шишляков А.В., Соболев Ю.В. и
др.-М.:Транспорт.1983.-408 с.
.Аркатов В.С., Аркатов Ю.В., Казеев
С.В., Ободовский Ю.В. Рельсовые цепи магистральных железных дорог:
Справочник-3-е издание, переработанное и дополненное.-М.: «ООО Миссия-М»,
2006.-496 с.
.Сороко В.И., Розенберг Е.Н.
Аппаратура железнодорожной автоматики и телемеханики: Справочник: в 3 кн.
Кн.2.-М.: НПФ «Планета», 2000.-1008 с.
.Леушин В.Б. Особенности структур
рельсовых цепей автоблокировки: учеб. пособие.- Самара: СамИИТ, 1999.-96 с.
.Рогачева И.Л. Перегонные системы
автоматики и телемеханики: учеб. пособие.- Москва: ГОУ «Учебно-методический
центр по образованию на железнодорожном транспорте», 2007.-411 с.