|
№
|
Звенья
|
Вид
пары
|
Подвижность
|
Класс
|
|
|
1
- 6
|
вращательная
В
|
1
|
V
|
крайняя
(внешняя)
|
|
1
- 2
|
вращательная
В
|
1
|
V
|
средняя
(внутренняя)
|
|
1
- 4
|
вращательная
В
|
1
|
V
|
средняя
(внутренняя)
|
|
2
- 3
|
вращательная
В
|
1
|
V
|
средняя
(внутренняя)
|
|
3
- 6
|
поступательная
П
|
1
|
V
|
крайняя
(внешняя)
|
|
4
- 5
|
вращательная
В
|
1
|
V
|
средняя
(внутренняя)
|
|
5
- 6
|
поступательная
П
|
1
|
V
|
крайняя
(внешняя)
|
Все семь пар обеспечивают контакт по площади и
поэтому относятся к низшим парам - парам V класса.
По числу связей в КП имеем
-
число кинематических пар V класса
;
-
число кинематических пар IV класса
.
1.2
Степень подвижности механизма
Степень подвижности механизма W
определяется по формуле Чебышева:
,
где
- число подвижных звеньев;
-
число кинематических пар V класса;
-
число кинематических пар IV класса.
В данном механизме в результате
проведенного выше исследования получено
;
;
.
Определяем степень подвижности
механизма:
т. е. механизм имеет одно ведущее
звено.
Таким звеном в механизме двигателя
внутреннего сгорания является кривошип OA.
1.3
Структурные группы механизма
Рычажный механизм состоит из механизма 1-го
класса и двухповодковых групп (диад).
Структурный анализ начинают с дальней диады.
Диада 4 - 5 (рис. 2) - шатун AC
с ползуном C - представляет собой двухповодковую группу второго вида, т.
е. диаду с двумя вращательными
и
, и одной
поступательной
(конечной) парой.
Рис.
2 Диада 4 - 5
Число подвижных звеньев
.
Число кинематических пар с учетом
незадействованной
, но
учитываемой при определении степени подвижности диады
;
.
Степень подвижности диады
Диада 2 - 3 (рис. 3) - шатун AB
с ползуном B представляет собой двухповодковую группу второго вида, т.
е. диаду с двумя вращательными
и
, и одной
поступательной
(конечной) парой.
Число подвижных звеньев
.
Число кинематических пар с учетом
незадействованной
, но
учитываемой при определении степени подвижности диады
;
.
Степень подвижности диады
Рис.
3 Диада 2 - 3
Механизм 1-го класса (рис. 4) - ведущее звено 1
(кривошип OA), соединенное шарниром O с неподвижной стойкой 6.
Рис.
4 Механизм 1-го класса
Число подвижных звеньев
.
Кинематические пары в точке A учтены
в диадах 4 - 5 и 2 - 3.
Число кинематических пар
;
.
Степень подвижности механизма 1-го
класса
.
2.
Проектирование рычажного механизма
.1
Определение размеров кривошипа и шатунов
Радиус кривошипа
определяется
через ход поршня H по формуле
.
Длины шатунов
определяются
через радиус кривошипа и параметр
:
.
2.2
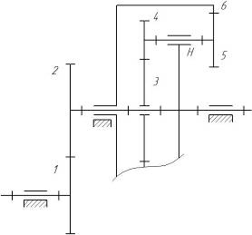
Построение кинематической схемы механизма
Кинематическая схема при заданном
положении ведущего звена
представлена
на рис. 5.
Рис. 5 Кинематическая схема
механизма при
Выбираем масштаб длин
.
Пусть радиус кривошипа
соответствует
на чертеже отрезок
. Тогда
масштаб построения будет равен
.
Вычисляем чертежные размеры.
Чертежные размеры шатунов равны:
.
Чертежные размеры отрезков,
определяющих положения центров масс, равны:
.
3.
Кинематический расчет механизма
.1
Определение скоростей методом построения планов скоростей
Механизм 1-го класса - кривошип OA
связан со стойкой вращательной парой и совершает равномерное вращение вокруг
центра O.
Угловая скорость кривошипа OA
определяется через частоту вращения n
по формуле:
.
В условии задачи
, тогда
Скорость точки A определяем,
рассмотрев вращение кривошипа вокруг центра O.
Модуль по формуле:
Направлен вектор
в сторону
угловой скорости
.
Шатуны AB и AC
совершают плоскопараллельное движение. У каждого шатуна известна скорость точки
A. Примем ее за полюс и напишем векторные уравнения для определения
скоростей
и
точек B и C
шатунов.
где направления
-
вектор скорости точки B относительно точки A, перпендикулярен
шатуну AB.
-
вектор скорости точки C относительно точки A,
перпендикулярен шатуну AC.
-
вектор абсолютной скорости точки B, направлен по линии OB.
-
вектор абсолютной скорости точки C, направлен
по линии OC.
Выбираем
- масштаб построения плана
скоростей.
Пусть вектору скорости
соответствует
отрезок
, где точка p
- полюс плана скоростей.
Тогда масштаб построения плана
скоростей
.
В выбранном масштабе строим план
скоростей по векторным уравнениям, приведенным выше.
Рис.
6 План скоростей
Замеряем отрезки на плане скоростей и вычисляем
модули неизвестных скоростей.
Определим скорости центров масс
шатунов.
В исходных данных задано отношение,
определяющее положение центра масс первого шатуна. Исходя из данных и то, что
длины шатунов равны, запишем следующие пропорции:
отсюда получаем отрезки
Определим численные значения
скоростей центров масс:
Определим угловые скорости шатунов.
Модули угловых скоростей шатунов,
совершающих плоскопараллельное движение, вычислим по формулам:
3.2
Определение ускорений методом построения планов ускорений
Механизм 1-го класса - кривошип OA связан
со стойкой вращательной парой и равномерно вращается вокруг центра O.
Угловое ускорение кривошипа, так как
, то
.
Ускорение точки A определяем,
рассмотрев вращение кривошипа
Модули
Направлен вектор
в сторону
центра O.
Шатуны AB и AC совершают
плоскопараллельное движение. У каждого шатуна известна скорость точки A.
Принимая точку A за полюс, запишем векторные уравнения для определения
ускорения точек B и C.
Модули нормальных ускорений точек B
и C шатунов во
вращательном движении вокруг точки A определяем по формулам:
Направлены эти ускорения вдоль
шатунов соответственно от точек B и C к полюсу A.
Модули касательных ускорений точек B
и C шатунов во
вращательном движении вокруг точки A пока неизвестны.
Направлены
и
- соответственно
перпендикулярно AB и AC.
Направлены
и
- вдоль цилиндров, параллельно
прямым OB и OC.
Выбираем
- масштаб построения плана
ускорений.
Пусть вектору ускорения
соответствует
отрезок
, где
- полюс плана ускорений.
Масштаб ускорений
Находим отрезки на плане ускорений,
соответствующие ускорениям
и
:
В выбранном масштабе строим план
ускорений по векторным уравнениям, приведенным выше.
Рис.
7 План ускорений
Замеряем отрезки на плане ускорений и вычисляем
модули неизвестных ускорений.
Определим ускорения центров масс
шатунов.
Определяем модули ускорений центров
масс шатунов:
Определим угловые ускорения шатунов.
Модули определим по формулам:
;
Найдем значения угловых ускорений
при наших условиях:
Угловое ускорение
направлено
вокруг полюса A в сторону ускорения
, а угловое ускорение
- в сторону
.
4.
Силовой расчет
.1
Кинетостатический метод силового расчета
Кинетостатический метод определения сил основан
на принципе Даламбера, согласно которому, если в любой момент времени, кроме
фактически действующих активных сил и сил реакций, ко всем точкам системы
приложить силы инерции, то система будет уравновешена и к ней применимы
уравнения равновесия статики.
Обозначим:
-
вектор внешней силы;
-
главный вектор сил инерции i-того звена, приведенный к центру масс Si этого
звена;
-
главный момент сил инерции i-того звена относительно оси, проходящий через
центр масс Si этого звена;
-
момент внешней силы относительно оси, проходящей через центр масс Si
звена, на которое действует сила;
-
момент главного вектора сил инерции i-того звена, относительно оси, проходящей
через центр масс этого звена.
На плоский механизм действует
плоская система сил, проходящей и для нее уравнения кинетостатического равновесия
имеют вид
4.2
Внешние силы, действующие на механизм
.2.1
Определение веса поршней и шатунов
Масса поршней и шатунов определяются
по рекомендациям, применяемым в автотракторной промышленности, через площадь
поршня
.
Масса поршней
Масса шатунов
Площадь поршня определяется по
формуле
В исходных данных диаметр поршня
Находим площадь
Примем
и
Получаем
Масса поршней
Масса шатунов
4.2.2
Определение моментов инерции шатунов
Моменты инерции шатунов
относительно
центров масс определяются по приближенной формуле, полученной из механики по
известной теореме Гюйгенса-Штайнера относительно параллельных осей
,
где
Моменты инерции шатунов
4.2.3
Массы и моменты инерции звеньев относительно осей, проведенных через центры
масс звеньев
|
Звенья
|
Моменты
инерции
|
|
Звено
1 - невесомый тонкий стержень
|
|
|
Звено
2 - тонкий стержень
|
|
|
Звено
3 - поступательное движение
|
|
|
Звено
4 - тонкий стержень
|
|
|
Звено
5 - поступательное движение
|
|
4.2.4
Силы, действующие на поршни
Сила, действующая на поршень, определяется по
формуле
Сила
исходя из условия задачи, поэтому
найдем силу
.
4.2.5
Силы тяжести звеньев
Определяем силы тяжести поршней и шатунов
Сила тяжести кривошипа, массой
которого пренебрегаем
.
4.3
Определение векторов сил инерции и главных моментов сил инерции звеньев
|
Расчетные
формулы
|
Модули
|
|
Звено
1 - невесомое, вращается вокруг центра O
|

|
|
|
|
Звено
2 - плоскопараллельное движение; центр масс
|

|
|
|
|
Звено
3 - поступательное движение
|

|
|
|
|
Звено
4 - плоскопараллельное движение; центр масс
|

|
|
|
|
Звено
5 - поступательное движение
|

Направления:
Главные векторы сил инерции направлены
противоположно ускорениям центров масс, на что указывает знак минус в формулах
определения.
Главные моменты сил инерции направлены
противоположно угловым ускорениям, о чем свидетельствует знак минус в формулах
определения.
4.4
Определение реакций в кинематических парах кинетостатическим способом
.4.1
Силовой расчет диады 2 - 3
Изобразим диаду 2 - 3 в прежнем масштабе длин,
покажем на ней все силы, действующие в точках их приложения, а также приложим
силы инерции (рис. 8).
Рис.
8 Диада 2 - 3
Необходимо найти неизвестные:
,
и
Найдем касательную составляющую
, для чего
составим 1ое уравнение - уравнение суммы моментов всех сил, действующих на
диаду 2 - 3, относительно точки B.
отсюда
Измеряем плечи
,
Вычисляем
Значение силы получилось
положительным, значит выбрано верное направление силы.
Найдем нормальную составляющую
и реакцию
.
Составим 2ое уравнение - уравнение
суммы векторов сил для диады 2 - 3.
В этом уравнении два неизвестных,
поэтому построим векторный многоугольник сил.
Выберем масштаб построения
векторного многоугольника сил. Пусть наибольшей силе
соответствует
отрезок
. Тогда
масштаб построения будет равен
.
Строим векторный многоугольник сил
для диады 2 - 3 (рис. 9).
Рис.
9 - Векторный многоугольник сил диады 2 - 3
Из построенного векторного
многоугольника видно, что направление силы
противоположно ранее выбранному.
Силы веса
и
малы,
поэтому соответствующие им отрезки bc и de выродились
в точки.
Находим модули неизвестных сил:
Находим полную реакцию в шарнире A -
в кинематической паре
.
,
поэтому соединим точку k с
точкой c.
Найдем реакцию внутренней
кинематической пары
в точке B
(рис. 10).

Разделим диаду по внутренней
кинематической паре по шарниру B. Схема нагружения звена 2 показана в
левой части рис. 10. Реакция в точке B показана в виде двух составляющих
.
Схема нагружения звена 3 показана в
правой части рис. 10. В точке B согласно закону равенства
действия и противодействия имеем реакции:
.
Составим уравнение суммы всех сил,
действующих на звено 3:
Из уравнения следует, что для
определения
необходимо
на многоугольнике сил (рис. 9) соединить точку e с точкой k и направить
вектор
в точку k.
Сила
, действующая на поршень, равна по
величине
и
направлена ей противоположно.
4.4.2
Силовой расчет диады 4 - 5
Изобразим диаду 4 - 5 в прежнем масштабе длин,
покажем на ней все силы, действующие в точках их приложения, а также приложим
силы инерции (рис. 11).
Рис.
11 Диада 4 - 5
Необходимо найти неизвестные:
,
и
Найдем касательную составляющую
, для чего
составим 1ое уравнение - уравнение суммы моментов всех сил, действующих на
диаду 4 - 5, относительно точки C.
отсюда
Измеряем плечи
,
Вычисляем
Значение силы получилось
положительным, значит выбрано верное направление силы.
Найдем нормальную составляющую
и реакцию
.
Составим 2ое уравнение - уравнение
суммы векторов сил для диады 4 - 5.
В этом уравнении два неизвестных,
поэтому построим векторный многоугольник сил.
Построение проведем в выбранном
масштабе
Строим векторный многоугольник сил
для диады 4 - 5 (рис. 12).
Рис.
12 - Векторный многоугольник сил диады 4 - 5
Силы веса
и
малы,
поэтому соответствующие им отрезки bc и de выродились
в точки.
Находим модули неизвестных сил:
Находим полную реакцию в шарнире A -
в кинематической паре
.
,
поэтому соединим точку k с
точкой c.
Найдем реакцию внутренней
кинематической пары
в точке C (рис. 13).
Рис. 13 - Разделенная кинематическая
пара
Разделим диаду по внутренней
кинематической паре по шарниру С. Схема нагружения звена 4 показана в
правой части рис. 13. Реакция в точке С показана в виде двух
составляющих
.
Схема нагружения звена 5 показана в
левой части рис. 13. В точке C согласно закону равенства
действия и противодействия имеем реакции:
.
Составим уравнение суммы всех сил,
действующих на звено 3:
Из уравнения следует, что для
определения
необходимо
на многоугольнике сил (рис. 12) соединить точку e с точкой g и направить
вектор
в точку g.
Сила
, действующая на поршень, равна по
величине
и
направлена ей противоположно.
4.4.3
Силовой расчет механизма 1го класса
Изобразим кривошип в прежнем масштабе длин,
покажем на ней все силы, действующие в точках их приложения, а также приложим
силы инерции (рис. 14).
Рис.
14 - Кривошип 1
Необходимо найти неизвестные:
Найдем уравновешивающую силу. Для
этого составим 1ое уравнение - уравнение суммы моментов сил относительно точки
O.
отсюда
Измеряем плечи
,
Вычисляем
Найдем полную реакцию со стороны
стойки. Для этого составим 2ое уравнение - векторную сумму сил.
В этом уравнении одно неизвестное,
поэтому построим векторный многоугольник сил.
Построение проведем в выбранном
масштабе
Строим векторный многоугольник сил
для кривошипа 1 (рис. 15).
Рис.
15 - Векторный многоугольник кривошипа 1
Найдем модуль силы
4.5
Определение уравновешивающей силы с помощью теоремы Н. Е. Жуковского о «жестком
рычаге»
Если в соответствующие точки повернутого на 90°
плана скоростей перенести все внешние силы, действующие на механизм, силы
инерции, уравновешивающую силу, то план скоростей, рассматриваемый как жесткий
рычаг относительно полюса p, будет находится в равновесии, т.е. сумма
моментов всех сил относительно полюса равна нулю.
Построим рычаг Н. Е. Жуковского для рассматриваемого
положения. Повернем план скоростей на 90° против часовой стрелки.
Рис.
16 - Рычаг Жуковского
Моменты от сил инерции
и
представим
в виде пар сил
и
,
приложенных соответственно в точках
и
. По величине эти силы равны:
Составим уравнение моментов всех сил
относительно полюса.
Отсюда
Подставляем значения и определяем
величину силы:
Значение уравновешивающей силы
получилось положительным, следовательно, направление, показанное на рис. 16,
верно, что совпадает с кинетостатическим расчетом (рис. 15).
Значение уравновешивающей силы,
вычисленное с помощью теоремы Жуковского получились одинаковым в сравнении со
значением, вычисленном при кинетостатическим способом, поэтому расчет считается
верным.
Часть
2. Кинематическое и силовое исследование многозвенного зубчатого механизма
Техническое задание на проектирование.
Момент сопротивления
.
Зубчатые колеса обработаны с нулевым
смещением.
Частота ведущего вала
.
|
Вариант
|
№
схемы
|
Модуль
|
Число
зубьев
|
ВЩ звено
|
ВМ
звено
|
НП
звено
|
|
|
|
    
|
|
|
|
|
|
|
|
|
|
22
|
4
|
5
|
18
|
36
|
-
|
20
|
24
|
64
|
6
|
1
|
3
|
Схема зубчатого механизма представлена ниже:
Рис.
17 - Схема МЗМ
1.
Определение исходных параметров
Определяем недостающее число зубьев
колеса
из условия
соосности.
Условие соосности для заданного
механизма:
Выберем число сателлитов:
,
где
- целое число.
Примем
,
тогда
,
.
Получилось целое число
,
поэтому условие сборки выполняется.
Проверим условие
соседства.
Для колес 3 и 4:
Условие соседства
выполняется.
Для колес 5 и 6
Условие соседства
выполняется.
2.
Определение передаточного отношения
Определим передаточное отношение
аналитическим способом. Рассматриваемый механизм состоит из комбинации одной
ступени колес с неподвижными осями (1 - 2) и планетарной ступени (5 - 6 - 4 -
3). Общее передаточное отношение равно:
По формуле Виллиса
Так как
,
то ведущее и ведомое колеса вращаются в разные стороны.
3.
Определение радиусов окружностей колес
Вычислим радиусы начальных
окружностей всех колес, так как все колеса механизма
обработаны без смещения, то делительные окружности совпадают с начальными.
Радиусы делительных окружностей рассчитываются по формуле:
Определяем:
Степень подвижности
механизма равна
,
так как имеется всего одно ведущее звено.
4.
Силовой расчет
Так как задан момент
сопротивления
,
силовой расчет начнем с рассмотрения квазистатического равновесия колеса 1.
Схема нагружения показана на рис. 18.
К колесу 1 приложен
момент сопротивления
.
Рис. 18 - Схема нагружения колеса 1
двигатель механизм зубчатый кинематический
В зацеплении (точка A)
со стороны колеса 2 действует сила
, направленная так, чтобы момент,
создаваемый ею, уравновесил момент
. Со стороны стойки (которую условно
обозначим нулем) действует сила
, направленная противоположно силе
.
Для колеса 1 составляются
два уравнения:
Рассмотрим равновесие колеса 2. В
нашем случае колесо 2 жестко связанно с водилом. На колесо 2 со стороны колеса
1 действует сила
, равная по
значению, но противоположная по направлению силе
. На водило со стороны блока
сателлитов 4-5 действуют силы
. Схема нагружения представлена на
рис. 19.
Рис.
19 - Схема нагружения звена «колесо 2 - водило Н»
Составим два
уравнения.
Рассмотрим равновесие блока
сателлитов 4-5. На блок действуют силы
и
со стороны колес 3 и 6. Со стороны
водила на блок действует сила
. Схема нагружения представлена
ниже.
Рис.
20 - Схема нагружения блока сателлитов 4-5
Составим два уравнения.
Так как в двух уравнениях имеется
два неизвестных, то выразим одно неизвестное через другое и подставим в любое
уравнение.
, отсюда
Рассмотрим равновесие колеса 6. В
точке D на колесо
действует сила
со стороны
блока сателлитов 4-5. Так как механизм имеет четыре блока сателлитов, то этих
сил четыре. В стойке будет две реакции
и
. Чтобы уравновесить колесо, к нему
нужно приложить момент. Это движущий момент
.
Рис.
21 - Схема нагружения колеса 6
Составим два
уравнения.
Проверим правильность проведенных
вычислений
В пределах погрешности округлений
получили тождество. Расчеты проведены, верно.
5.
Нагружение стойки. Определение тормозного (реактивного) момента
В местах крепления колес
с неподвижными осями 1 и 2 на корпус через валы колес действуют силы
,
.
Кроме того, стойкой является и неподвижное колесо 3, закрепленное на корпусе.
На это колесо со стороны колеса 4 действует сила
, которую также будем
обозначать
.
Этих сил четыре, так как
механизм имеет четыре блока сателлитов. Схема нагружения стойки показана на
рис. 22.
Рис. 22 - Схема нагруженной стойки
Составим уравнение статики для
стойки.
Следовательно, равнодействующая
реактивных сил, приложенных к стойке, равна нулю. Тормозной
момент найдем из уравнения моментов, относительно центра колеса 3.
Тормозной момент отрицателен,
следовательно, он направлен по ходу часовой стрелки.
Так как ведущее и ведомое колесо
вращаются в разные стороны, то момент сопротивления и момент движения должны
быть направлены в одну сторону. При отрицательном тормозном моменте, моменты
сопротивления и движения, должны быть направлены против часовой стрелки.
Проверим выполнения равенства.
С учетом направления
моментов получим
Уравнение выполняется.
6.
Определение мощности на ведущем и ведомых валах
Мощность на ведущем валу (колесе 6):
Вычисляем мощность
Мощность на ведомом валу (колесе 1):
Знак «минус» означает, что угловые
скорости на ведомом и ведущем колесах имеет разные направления.
При КПД механизма равном единице
(без учета потерь на трение) погрешность округления при расчете мощности:
Литература
1.
Теория механизмов и машин: Учеб. для втузов/К.В. Фролов, С.А. Попов, А.К.
Мусатов и др.; Под ред. К.В. Фролова.- М.: Высш. шк., 1987. - 496 с.; ил.
.
Попов С.А. Курсовое проектирование по теории механизмов и механике машин: Учеб.
пособие для машиностроит. спец. вузов/ Под ред. К.В. Фролова. - М.: Высш. шк.,
1986. - 295 с.; ил.
.
Силовой расчет, уравновешивание, проектирование механизмов и механика
манипуляторов: Учебное пособие / И.Н.Чернышева, А.К. Мусатов, Н.А. Глухов и
др.; Под ред. А.К. Мусатова. -М.: Изд-во МГТУ, 1990. - 80 с., ил.
.
Сафронов А.А., Сильвестров В.М., Воронина А.Л., Воронина Н.Н. Теория механизмов
и машин. Структурный анализ, проектирование, кинематический и силовой расчет
кровошипно-ползунного механизма ДВС с V- образным расположением цилиндров.
ТММ-11. МГИУ-ИДО, 2001 - 59c.
.
Сафронов А.А., Сильвестров В.М. Кинематический и силовой расчет некоторых видов
зубчатых механизмов Методические указания для курсового проекта по «Теории
механизмов и машин». ТММ-13. МГИУ-ИДО, 2003 - 28c.
.
Сафронов А.А., Сильвестров В.М. Многозвенные зубчатые механизмы. Методические
рекомендации и комплект заданий для курсового проектирования по Теории
механизмов и машин с пояснениями к выполнению. Под редакцией Сильвестрова В.М.
ТММ-22. МГИУ-ИДО, 2003 - 11c.