Электроснабжение судоремонтного завода
Тема.
Электроснабжение судоремонтного завода
Исходные данные для
проектирования
1. Генеральный план завода представлен на рис
1.
2. Мощность системы питания 700 МВА.
. Питание предприятия можно осуществлять
от подстанции энергосистемы на классах напряжения 220, 110, 35 кВ.
4. Индуктивное сопротивление
системы (
) 0,3; 0,6;
0,9 о.е. соответственно классам напряжения 220, 110, 35 кВ.
. Расстояние от источника
питания до завода 4 км.
Ведомость электрических нагрузок завода
|
№
на плане
|
Наименование
цеха
|
Установленная
мощность, кВт
|
|
1
|
Литейный
цех
|
4000
|
|
2
|
Ремонтно-механический
цех
|
700
|
|
3
|
Кузнечный
цех
|
3800
|
|
4
|
Главный
корпус
|
2400
|
|
Главный
корпус (6 кВ)
|
1200
|
|
5
|
Корпусно-котельный
цех
|
2700
|
|
6
|
Компрессорная(6
кВ)
|
4880
|
|
7
|
Такелажно-парусный
цех
|
2600
|
|
8
|
Сухой
док
|
3200
|
|
9
|
Административный
корпус
|
560
|
|
10
|
Механический
док
|
1900
|
|
11
|
Кислородная
станция
|
1400
|
|
Кислородная
станция(6кВ)
|
4400
|
|
12
|
Плавающий
док
|
2300
|
|
13
|
Столовая
|
270
|
|
14
|
Склад
жидкого топлива
|
160
|
|
15
|
Лесосушилка
|
500
|
|
16
|
Склад
кислот
|
140
|
|
17
|
Склад
москателей
|
150
|
|
18
|
Котельная
|
2480
|
|
19
|
Бытовой
корпус
|
100
|
|
20
|
Проходная
|
15
|
|
Компрессорная
|
1360
|
|
Освещенность
цехов и территории комбината
|
Определить
по площади
|
1. ХАРАКТЕРИСТИКА ПРЕДПРИЯТИЯ
Электроснабжение завода осуществляется от ПС
220/110 и энергосистемы.
Максимум расчетной нагрузки, потребляемой
объектами завода составляет величину в 34,8 МВт.
Основными потребителями электроэнергии являются
электродвигатели 380В приводов компрессоров, насосов, вентиляторов, электродвигатели
станочного оборудования, сварочные машины, литейное оборудование, индукционные
печи, электроосвещение и др.
Высоковольтными электропотребителями являются
синхронные электродвигатели компрессорных, насосных, испытательных установок
(аэродинамическая труба и т.д.), асинхронные электродвигатели насосов,
вентиляторов, тиристорные печи для нагрева и закалки заготовок и деталей,
индукционные и дуговые плавильные печи, асинхронные электродвигатели
газоочистки, преобразователи частоты.
К потребителям I категории относятся:
• литейный
цех;
• кузнечный
цех;
• компрессорная;
• котельная;
• кислородная
станция.
• К
потребителям II категории относятся:
• ремонтно-механический
цех;
• корпусно-котельный
цех;
• такелажно-парусный
цех;
• сухой
док;
• механический
док;
• плавающий
док.
К потребителям III категории относятся остальные
цеха расчет электрических нагрузок по цехам и предприятию в целом с учетом
осветительных нагрузок.
2. Расчет нагрузки по
цехам
Расчет электрических нагрузок по
цехам произведем по методу коэффициента спроса [5]. Для определения расчетных
нагрузок по этому методу необходимо знать установленную мощность Рном. группы
приемников и коэффициенты мощности
и спроса Кс а. данной группы,
определяемые по справочным данным.
Расчетную нагрузку группы однородных
по режиму работы приемников определяют по формулам
• для
активной мощности
• для
реактивной мощности
для
полной мощности
где
соответствует
данной
группы приемников.
Определение расчетной силовой нагрузки по установленной
мощности и коэффициенту спроса является приближенным методом расчета, поэтому
его применение рекомендуют для предварительных расчетов и определения
общезаводских нагрузок.
Необходимые данные для расчетов с и результаты
самих расчетов сведем в таблицу 2. [2,3,4].
Таблица 2. Основные расчетные коэффициенты для
каждого цеха
|
Наименование
цеха
|
Рном,
кВт.
|
Кса
|
 Pp, кВт.Qp квар.Sp., кВА
|
|
|
|
|
|
Литейный
цех
|
4000
|
0,6
|
0,8
|
0,75
|
2400
|
1800
|
3000
|
|
Ремонтно-механический
цех
|
700
|
0,35
|
0,65
|
1.17
|
245
|
286,44
|
376,92
|
|
Кузнечный
цех
|
3800
|
0,7
|
0,8
|
0,75
|
2660
|
1995
|
3325
|
|
Главный
корпус
|
2400
|
0,6
|
0,75
|
0,88
|
1440
|
1270
|
1920
|
|
Главный
корпус (6 кВ)
|
1200
|
0,6
|
0,75
|
0,88
|
720
|
634,98
|
960
|
|
Корпусно-котельный
цех
|
2700
|
0,7
|
0,75
|
0,88
|
1890
|
1666,8
|
2520
|
|
Компрессорная
|
1360
|
0,75
|
0,85
|
0,62
|
1020
|
632,14
|
1200
|
|
Компрессорная
(6 кВ)
|
4880
|
0,75
|
0,85
|
0,62
|
3660
|
2268,3
|
4305,9
|
|
Такелажно-парусный
цех
|
2600
|
0,7
|
0,75
|
0,88
|
1820
|
1605,1
|
2426,7
|
|
Сухой
док
|
3200
|
0,6
|
0,75
|
0,88
|
1920
|
1693,3
|
2560
|
|
Административный,
лаборатории, СКВ
|
500
|
|
|
|
|
|
|
|
Механический
док
|
1900
|
0,6
|
0,75
|
0,88
|
1140
|
1005,4
|
1520
|
|
Кислородная
станция
|
1400
|
0,75
|
0,85
|
0,62
|
1050
|
650,73
|
1235,3
|
|
Кислородная
станция кВ)
|
4400
|
0,75
|
0,85
|
0,62
|
3300
|
2045,2
|
3882,3
|
|
Плавающий
док
|
2300
|
0,6
|
0,75
|
0,88
|
1380
|
1217,1
|
1840
|
|
Столовая
|
270
|
0,8
|
0,85
|
0,62
|
216
|
133,86
|
254,12
|
|
Склад
жидкого топлива
|
160
|
0,15
|
0,6
|
1,33
|
24
|
32
|
40
|
|
Лесосушилка
|
500
|
0,7
|
0,75
|
0,88
|
350
|
308,67
|
466,67
|
|
Склад
кислот
|
140
|
0,15
|
0,6
|
1,33
|
21
|
28
|
35
|
|
Склад
москателей
|
150
|
0,15
|
0,6
|
1,33
|
22,5
|
30
|
37,5
|
|
Котельная
|
2480
|
0,6
|
0,75
|
0,88
|
1488
|
1312,3
|
1984
|
|
Бытовой
корпус
|
100
|
|
|
|
|
|
|
|
Проходная
|
15
|
|
|
|
|
|
|
|
|
|
|
|
26767
|
20615
|
33889
|
2.1 Расчет нагрузки
электрического освещения
В качестве источников электрического света на
промышленном предприятии используются газоразрядные лампы и лампы накаливания -
осветительная нагрузка (о. н.).
Активная расчетная нагрузка осветительных
приемников цеха определяется по удельной нагрузке и коэффициенту спроса [5].
где
- удельная нагрузка осветительных
приемников (ламп)кВт./м.2; Fu. - площадь пола цеха,
определяемая по генплану, м.2;
_ коэффициент спроса осветительной
нагрузки.
Лампы накаливания на предприятиях в
основном используются в качестве аварийного освещения, которое служит для
временного продолжения работы или эвакуации людей из помещения при внезапном
отключении рабочего освещения. Для ламп накаливания
.
Газоразрядные лампы на предприятии
используются как основные источники света (составляют примерно 75% от общей
мощности осветительной нагрузки), обеспечивающие нормальную работу
производства, для них реактивная мощность определяется по формуле:
где
Определяем площади всех помещений
изображенных на генплане. Удельную нагрузку
находим по находим [1]. Значение
коэффициента Ксон. осветительной нагрузки принимается равным [6
(производственные здания, состоящие из отдельных помещений). Все справочные
данные, а также расчеты заносим в таблицу 3.
Таблица 3. Результаты расчета
осветительных нагрузок предприятия
|
Наименование
|
Кс.о.н.
|
Руд.о.н.
|
Fц
|
  
|
|
|
|
|
1.
Литейный цех
|
0,85
|
2
|
28444
|
48,36
|
0,33
|
11,97
|
19,81
|
|
2.Ремонтно-
механический цех
|
0,85
|
2
|
39289
|
66,79
|
0,33
|
16,53
|
68,81
|
|
3.
Кузнечный цех
|
0,85
|
2
|
28444
|
48,36
|
0,33
|
11,97
|
49,81
|
|
4.
Главный корпус
|
0,85
|
2
|
9955,6
|
16,92
|
0,33
|
4,19
|
17,44
|
|
5.Корпусно-котельный
цех
|
0,85
|
2
|
96000
|
163,2
|
0,33
|
40,39
|
168,12
|
|
6.
Компрессорная
|
0,85
|
1
|
14222
|
12,09
|
0,33
|
2,99
|
12,45
|
|
7.Такелажно-парусный
цех
|
2
|
35200
|
59,84
|
0,33
|
14,81
|
61,65
|
|
8.
Сухой док
|
0,85
|
2
|
92800
|
157,76
|
0,33
|
39,05
|
162,52
|
|
9.
Административный корпус, лаборатории, СКВ
|
0,85
|
2
|
58667
|
99,73
|
0,33
|
24,68
|
102,74
|
|
10.
Механический док
|
0,85
|
1
|
164270
|
139,63
|
0,33
|
34,56
|
143,84
|
|
11.
Кислородная станция
|
0,85
|
1
|
9955,6
|
8,46
|
0,33
|
2,09
|
8,72
|
|
12.
Плавающий док
|
0,85
|
2
|
50667
|
86,13
|
0,33
|
21,32
|
88,73
|
|
13.
Столовая
|
0,85
|
3
|
14222
|
36,27
|
0,33
|
8,98
|
37,36
|
|
14.
Склад жидкого топлива
|
0,85
|
1
|
14222
|
12,09
|
0,33
|
2,99
|
12,45
|
|
15.
Лесосушилка
|
0,85
|
2
|
16000
|
27,2
|
0,33
|
6,73
|
28,02
|
|
16.
Склад кислот
|
0,85
|
1
|
8533,3
|
7,25
|
0,33
|
1,8
|
7,47
|
|
17.
Склад москателей
|
0,85
|
1
|
8533,3
|
7,25
|
0,33
|
1,8
|
7,47
|
|
18.
Котельная
|
0,85
|
1
|
53333
|
45,33
|
0,33
|
11,22
|
46,7
|
|
19.
Бытовой корпус
|
0,85
|
3
|
14222
|
36,27
|
0,33
|
8,98
|
37,36
|
|
20.
Проходная
|
0,85
|
3
|
15644
|
39,89
|
0,33
|
9,87
|
41,1
|
|
|
|
|
1118,8
|
|
276,91
|
1152,6
|
Расчет электрических нагрузок по всему
предприятию с учетом нагрузки электрического освещения.
Суммарные потери активной и реактивной мощностей
в трансформаторах цеховых подстанций и цеховых сетях напряжением до 1кВ приближённо
принимаются равными соответственно 3 и 10% полной трансформируемой мощности.
РЧ = 0,03
„
=0,03*34843 = 1045кВт
, = 0, 1
= 0,1 •
34843 = 3484квар
где суммарная активная, реактивная и
полная мощности потребителей до 1 кВ находятся по формулам:
Потери активной и реактивной мощностей
в кабелях высшего напряжения в предварительных расчётах не учитываются
вследствие их малой значимости. Расчётная полная Sрасч п п,
активная Ррасч п п и реактивная Qрасч п п мощности промышленного
предприятия, отнесённые к шинам вторичного напряжения главной понизительной
подстанции (ГПП) определяются по расчётным активным и реактивным нагрузкам
цехов (как силовых до 1кВ и выше Pрасч.н.н, ;Pрасч.в.н ;Qрасч.н.н;Qрасч.в.н, ,
так и осветительных Pрасч.о.н; Q Pрасч.о.н с
учётом потерь мощности
;
-
трансформаторах цеховых подстанций и цеховых сетях, напряжением до 1 кВ и
коэффициента одновремённости максимума силовой нагрузки.
расчётная нагрузка, по которой
определяется мощность ГПП:
Коэффициент одновремённости
максимума для шин ГПП Ком = 0,85 принимают по таблице П2 [5] в зависимости от
величины средневзвешенного коэффициента использования Ки всей группы ЭП,
подключённой к шинам ГПП.
Реактивная мощность Qcucm
,поступающая от питающей энергосистемы к шинам низшего напряжения ГПП
определяется, исходя из условий задания на работу и вычисленной выше Ррасчпп:
Расчётная нагрузка, по которой определяется
мощность трансформаторов ГПП:
Компенсирующие устройства (КУ) с
реактивной суммарной мощностью:
3. ВЫБОР НОМИНАЛЬНЫХ НАПРЯЖЕНИЙ
ВНЕШНЕГО И ВНУТРИЗАВОДСКОГО ЭЛЕКТРОСНАБЖЕНИЯ
Напряжения участков электрической сети
промышленного предприятия выбираются вследствие технико-экономического
сравнения вариантов. При выборе окончательного проектного решения, принимаемого
на основе сравнения вариантов, необходимо отдавать предпочтение варианту с
более высоким напряжением. В большинстве случаев проектировщик определяет
напряжения в пределах двух ближайших по шкале номинальных значений напряжения,
для которых и сравниваются варианты. В ряде случаев исходные данные для
проектирования приводят к однозначному выбору номинального напряжения без
детальных технико-экономических расчетов.
При учебном проектировании
намечается один из возможных вариантов номинальных напряжений на трех участках
системы электроснабжения - внешнем, внутреннем и внутрицеховом без
экономических сравнений с другими вариантами на основании следующих
соображений.
При выборе номинального напряжения
внешнего участка сети принимаются во внимание существующие напряжения возможных
источников питания энергосистемы, расстояние от этих источников до предприятия
и нагрузка предприятия в целом.
В питающих и распределительных
(межцеховых) сетях небольших и средних предприятий применяются номинальные
напряжения 6 и 10 кВ. Как правило, следует применять напряжение 10 кВ как более
экономичное. Напряжение 6 кВ используется при преобладании на проектируемом
предприятии ЭП с напряжением 6 кВ. В ряде случаев электроснабжение ЭП с
напряжением 6 кВ осуществляется по питающим линиям напряжением 10 кВ с
последующей трансформацией на 6 кВ непосредственно для данных ЭП.
Напряжение 660 В как внутрицеховое
целесообразно на тех предприятиях, где по условиям расположения цехового
технологического оборудования или окружающей среды нельзя или затруднительно
приблизить цеховые трансформаторные подстанции к питаемым ими ЭП. Кроме того,
такое напряжение целесообразно на предприятиях с большой удельной плотностью
электрических нагрузок, концентрацией мощностей и с большим числом двигателей в
диапазоне мощностей 200 - 600 кВт. Наиболее целесообразно сочетание напряжения
660 В с первичным напряжением 10 кВ.
Руководствуясь данными инструкциями выберем
напряжения внешнего электроснабжения предприятия, используя формулу Илларионова
для определения целесообразного напряжения линии В Л по [9]: \
где
-длина лини ВЛ; P=
- расчётная
нагрузка, МВт
Ввиду наличия потребителей 6кВ
выберем распределительную сеть 6кВ (хотя 10 кВ и более экономичнее, однако
тогда бы пришлось вводить ещё одну ступень трансформации, что связано с
дополнительными потерями и капитальными вложениями).
В качестве внутрицехового напряжения
для питания ЭП ниже 1 кВ примем напряжение 660 и 380 ( для питания например
небольших электродвигателей и осветительных установок 380/220 В)
трансформатор ток электроустановка цех
4. ВЫБОР СЕЧЕНИЯ ВОЗДУШНЫХ ЛИНИИ
Выбор сечения воздушных линий BЛ1
и BЛ2 напряжением 110
кВ методом экономических токовых интервалов.
По таблице [1] находим нормативный коэффициент
амортизации:
ра= 0,024;
По графику [1] по значению
находим
значение времени потерь
С учетом климатической зоны (центр
России) по графику зависимости
(рис. [1]) определяем удельную
стоимость потерь энергии
Вычисляем значение:
Ен. - нормативный коэффициент,
равный 0,15.
По графику рис. [5] по значениям
находим точку N1 попадающую
в зону экономического сечения
.
Выбираем провод марки АС-185
Выбор сечения воздушных линий BЛ1 и BЛ2
напряжением 110 кВ методом экономической плотности тока.
По таблице [1] по значению
и с учетом
климатической зоны (центр
России) находим рекомендуемую
экономическую плотность тока:
Приближенное экономическое сечение
определяется по формуле:
Выбираем ближайшее стандартное
(рациональное) значение сечения провода, равное 185 мм2. Выбираем провод марки
АС-185.
5. ОПРЕДЕЛЕНИЕ КОЛИЧЕСТВА И МОЩНОСТИ
ТРАНСФОРМАТОРОВ ПО ВСЕМУ ПРЕДПРИЯТИЮ
5.1 Определение
количества и мощности трансформаторов ГПП
При наличии электроприёмников 1,2
категории ГПП выполняется двухтрансформаторной. Мощность трансформаторов
определяется активной нагрузкой предприятия и реактивной мощностью,
передаваемой от системы в период максимума нагрузок. Мощность трансформаторов
выбирается такой, чтобы при выходе из работы одного из них второй воспринял
основную нагрузку подстанции с учетом допускаемой перегрузки в послеаварийном
режиме и возможного временного отключения потребителей III категории.
Номинальная мощность трансформатора
определяется по условиям:
В нормальном режиме:
По данным расчёта принимаем номинальную мощность
трансформатора 25 МВА
В аварийном режиме оставшийся в работе трансформатор
должен быть проверен на допустимую перегрузку с возможного отключения 1 и 2
категории по формуле:
,
В соответствии с существующей
практикой проектирования номинальную мощность трансформаторов на ГПП
рекомендуется
выбирать из условия допустимой перегрузки в послеаварийных режимах до 60-70%,
на время максимума общей суточной продолжительностью не более 6 часов в течение
не более 5 суток, т.е. по условию:
Здесь S' z суммарная
расчётная мощность потребителей 1 и 2 категорий.
Как видно из расчётов в аварийном режиме
отключение 3 категории может не производится.
Характеристика трансформатора ТРДН25000/110
представлена в таблице 4 Тип ГПП: ГПП-1Ю-Ш-У-2 х 25000 Б2.
|
Тип
трансформатора.
|
Номинальное
напряжение.
|
Потери,
кВт.
|
Напряжение
K.3.,
%
|
Ток
х.х., %
|
|
ВН
|
НН
|
Х.Х.
|
К.З.
|
|
|
|
ТРДН25000/110
|
115
|
6,3
|
25
|
120
|
10,5
|
0,65
|
5.2 Определение
количества и мощности цеховых трансформаторов
Количество и мощность цеховых трансформаторов
выбирается в соответствии с категорийностью потребителей.
Однотрансформаторные подстанции рекомендуется
применять при наличии в цехе электроприёмников, допускающих перерыв в
электроснабжении на время доставки "складского резерва", или при
резервировании, осуществляемом по линиям низшего напряжения от соседних ТП,
т.е. они допустимы для потребителей 2 и 3 категории. Двухтрансформаторные
подстанции рекомендуется применять при преобладании потребителей 1 категории и
наличии потребителей особой группы.
Номинальная мощность трансформатора Sном.т.
определяется по формуле:
где Sp. -
расчетная мощность цеха;
n- число
трансформаторов
К3. - коэффициент загрузки
трансформаторов, принимаемый при преобладании нагрузок II категории равным
0,7-0,8 (0,75); при преобладании нагрузок I 0,6-0,7; при преобладании нагрузок
III 0,9-0,95 по [10]
Перегрузочная способность
трансформаторов определяется по формуле:
Расчет номинальной мощности цеховых
трансформаторов SH0M. сведем в
таблицу
|
Категория
надёжности
|
Наименование
|
Sp., кВА
(сумма)
|
Fц м.2
|
КЗ
|
Sном.раcч. кВА.
|
Sном.р кВА. (спр.)
|
N
|
|
|
I
|
1.
Литейный цех
|
3049,8
|
28444
|
0,65
|
2307,7
|
2500
|
2
|
1,4*2500>3049,8
|
|
II
|
2.
Ремонтно- механический цех
|
445,73
|
39289
|
0,75
|
251,28
|
400
|
2
|
1,4*400>445,73
|
|
I
|
3.
Кузнечный цех
|
3374,8
|
28444
|
0,65
|
2557,7
|
2500
|
2
|
1,4*2500>3374,8
|
|
I
|
4.
Главный корпус
|
1937,4
|
9955,6
|
0,65
|
1476,9
|
1600
|
2
|
1,4*
1600>1937,4
|
|
II
|
5.
Корпусно- котельный цех
|
2688,1
|
96000
|
0,75
|
1680
|
2500
|
2
|
1,4*2500>2688,1
|
|
I
|
6.
Компрессорная
|
1212,5
|
14222
|
0,65
|
923,08
|
1000
|
2
|
1,4
*1000>1212,5
|
|
II
|
7.
Такелажно- парусный цех
|
2488,3
|
35200
|
0,75
|
1617,8
|
2500
|
2
|
1,4*2500>2488,3
|
|
II
|
8.
Сухой док
|
2722,5
|
92800
|
0,75
|
1706,7
|
2500
|
2
|
1,4*2500>2722,5
|
|
III
|
9.
Административный корпус, лаборатории, СКВ
|
102,74
|
58667
|
|
|
|
|
|
|
II
|
10.
Механический док
|
1663,8
|
164270
|
0,75
|
1013,3
|
1600
|
2
|
1,4*1600>1663,8
|
|
I
|
11.
Кислородная станция
|
1244
|
9955,6
|
0,65
|
950,23
|
1600
|
2
|
1,4*1600>1244
|
|
II
|
12. Плавающий док
|
1928,7
|
50667
|
0,75
|
1226,7
|
1600
|
2
|
1,4*1600>1928,7
|
|
III
|
13.
Столовая
|
291,48
|
14222
|
|
|
|
|
|
|
III
|
14.
Склад жидкого топлива
|
52,45
|
14222
|
|
|
|
|
|
|
III
|
15.
Лесосушилка
|
494,69
|
16000
|
|
|
|
|
|
|
III
|
16. Склад кислот
|
42,47
|
8533,3
|
|
|
|
|
|
|
III
|
17. Склад москателей
|
44,97
|
8533,3
|
|
|
..
|
|
|
|
I
|
18.
Котельная
|
2030,7
|
53333
|
0,65
|
1526,2
|
1600
|
1,4
*1600>2030,7
|
|
III
|
19. Бытовой корпус
|
37,36
|
14222
|
|
|
|
|
|
|
III
|
20.
Проходная
|
41,1
|
15644
|
|
|
|
-
|
|
Цеха, имеющие потребителей 6 кВ, запитываются
непосредственно из ГПП или РП
|
Тип
|
Sном кВА.
|
Напряжение
обмотки, кВ.
|
Потери,
кВт.
|
uк%
|
Ix
%
|
Габариты,
м.
|
Масса,т.
|
Цена,
тыс. руб.
|
|
|
ВН
|
НН
|
Рх.
|
Рк.
|
|
|
Длина
|
Ширина
|
Высота
полная
|
|
|
|
"ТСЗ-250/6
|
250
|
6
|
0,4
|
1
|
3,8
|
5,5
|
3,5
|
1,85
|
1
|
1,85
|
1,8
|
2,31
|
|
ТСЗ-400/6
|
400
|
6
|
0,4
|
1,3
|
5,4
|
5,5
|
3
|
2,25
|
1
|
2,15
|
2,4
|
3,38
|
|
TC3-630/6
|
630
|
6
|
0,4
|
2
|
7,3
|
5,5
|
1,5
|
2,25
|
1,1
|
2,3
|
3,4
|
4,2
|
|
ТМ1000/6
|
1000
|
6
|
0,4
|
2,45
|
11
|
5,5
|
1,4
|
1,85
|
1,22
|
2,435
|
4,2
|
2,965
|
|
ТМ1600/6
|
1600
|
6
|
0,4
|
3,3
|
16,5
|
5,5
|
1,3
|
2,31
|
1,37
|
2,6
|
5,8
|
4,15
|
|
ТМ2500/6
|
2500
|
6
|
0,4
|
3,85
|
23,5
|
6,5
|
1
|
3,5
|
2,26
|
3,6
|
6,8
|
5,8
|
|
ТМ4000/6
|
4000
|
6
|
0,4
|
5,2
|
33,5
|
7,5
|
0,9
|
3,9
|
3,65
|
3,9
|
8,65
|
8,4
|
5.3 Выбор числа и
мощности цеховых трансформаторов с учётом компенсации реактивной мощности
При выборе числа и мощности цеховых
трансформаторов одновременно должен решаться вопрос об экономически
целесообразной величине реактивной мощности, передаваемой через трансформаторы
в сеть напряжением до 1 кВ [10].
Суммарную расчётную мощность конденсаторных
батарей (НБК), устанавливаемых в цеховой сети, определяют расчётами по минимуму
приведённых затрат в два этапа:
• выбирают
экономически оптимальное число цеховых трансформаторов;
• определяют
дополнительную мощность НБК в целях оптимального снижения потерь в
трансформаторах и в сети напряжением 6 кВ предприятия.
Суммарная расчётная мощность
НБК
составит
где
и
- суммарные мощности НБК, определённые
на двух указанных этапах расчёта.
Выберем число и мощность силовых
трансформаторов для цеха №1 с учётом компенсации реактивной мощности.
Средняя активная и реактивная
мощности цеха за наиболее загруженную смену: Рсрм = 3456кВт ; QcpM = Рсрм *tgср = 3456 *
0,62 = 2142,7кВт.
Напряжение питающей сети 6 кВ. Цех
работает в 2 смены, завод расположен в центральной части России.
Удельная плотность нагрузки цеха
0,11кВт/м2 , цех относится к потребителям первой категории. Цеховые
трансформаторы питаются по радиальной схеме, длина линий составляет порядка
Нам основе имеющихся данных
произведём расчёт для выбора числа и мощности цеховых трансформаторов с учётом
компенсации реактивной мощности.
• Учитывая
удельную плотность нагрузки принимаем к установке трансформаторы с номинальной
мощностью 2500 кВА с коэффициентом загрузки К= 0,65 (для потребителей I
категории).
• Определяем
минимальное число цеховых трансформаторов:
• Оптимальное
число трансформаторов составит
Здесь m - дополнительно
установленные трансформаторы, количество которых определяется по [10]. В
соответствии с категорией надёжности число трансформаторов должно быть не менее
двух, что подтверждается экспериментальными расчетами.
• Определяем
наибольшую реактивную мощность, которую целесообразно передать через
трансформаторы в сеть напряжением до 1 кВ по формуле
• Суммарная
мощность конденсаторных батарей на напряжение до 1 кВ составит
• Дополнительная
мощность
НБК для
данной группы трансформации составит
где
- расчётный коэффициент, зависящий
от расчётных параметров Кр1 и Кр2 и схемы питания цеховой ТП.
Кр1= 12 по [10].
Значение Кр2 определяется по
формуле:
где s- сечение питающей линии, l- длина
питающей линии.
По [10, рис. 4.9] при Кр1 =12 и Кр2=
1,6 значение коэффициента y составит 0,42.
• Суммарная
расчётная мощность
НБК
составит:
• Распределяем
суммарную мощность НБК пропорционально реактивным нагрузкам трансформатора:
6. ВЫБОР МЕСТА РАСПОЛОЖЕНИЯ ГЛАВНОЙ ПОНИЖАЮЩЕЙ
ПОДСТАНЦИИ
Местоположение, тип, мощность и другие параметры
ГПП в основном обусловливаются величиной и характером электрических нагрузок,
размещением их на генеральном плане, а также производственными, архитектурно-
строительными и эксплуатационными требованиями. Важно, чтобы ГПП находилась
возможно ближе к центру питаемых от нее нагрузок. Это сокращает протяженность,а
следовательно, стоимость и потери в питающих и распределительных сетях
электроснабжения предприятия.
Намеченное место уточняется по условиям
планировки предприятия, ориентировочных габаритов и типа (отдельно стоящая,
пристроенная, внутренняя, закрытая, комплектная) подстанции и возможности
подвода линий от места ввода ЛЭП от энергосистемы к ГПП. При выборе места
расположения подстанции следует учитывать продолжительность работы ЭП.
Очевидно, что при одинаковой расчетной нагрузке, но различном числе часов
работы подразделений завода подстанция должна быть ближе к группе потребителей
с большей продолжительностью работы (с большим коэффициентом использования).
Допускается смещение подстанций на некоторое
расстояние от геометрического центра питаемых ею нагрузок в сторону ввода от
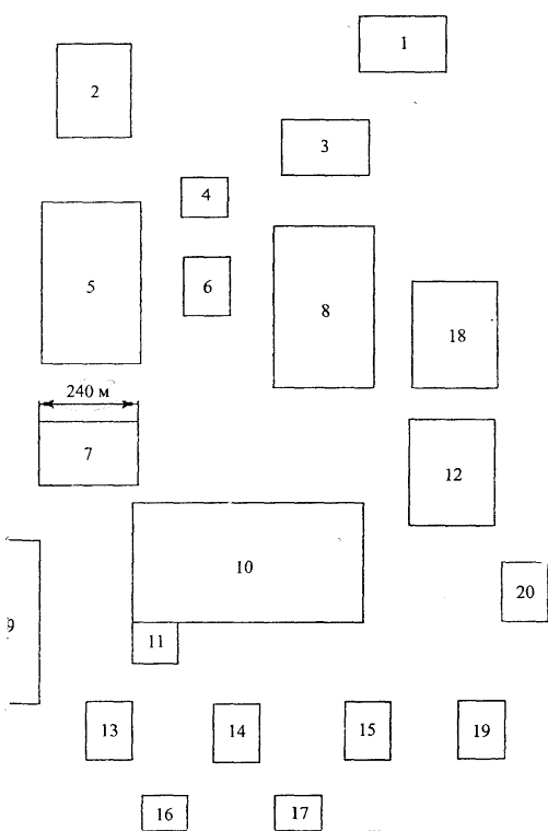
энергосистемы. Для определения месторасположения ГПП строят картограмму
электрических нагрузок. Картограмма представляет собой размещённые на генеральном
плане предприятия цеха с нанесением центра тяжести геометрических фигур,
изображающих отдельные участки цехов с сосредоточенными нагрузками.
На основании построенных картограмм находят
координаты условного центра активной и реактивной нагрузок завода по формулам:
Активной мощности
Реактивной мощности
Здесь
;
;
;
- расчётные координаты активного и
реактивного центров электрических нагрузок;
;
- расчётные нагрузки каждого цеха.
;
- координаты центра электрической
нагрузки цеха
Данные расчётов показаны в таблице
7,
При таком расположении источника
питания ГПП высшее напряжение будет максимально приближено к центру потребления
электроэнергии, а РУ будут иметь минимальную протяженность. Если по каким -
либо причинам, например технологическим, архитектурным, нельзя расположить
источник питания в центре нагрузок, то его смещают в сторону внешнего источника
питания. При этом увеличиваются годовые приведенные затраты на систему ЭЛС,
обусловленные этим смещением.
Основные данные для расчета
месторасположения ГПП, а также сами результаты сведены в таблицу 7.
Месторасположения ГПП попадает в
точку на генплане с координатами (5,8; 9,4). Генеральный план завода с местом
расположения ГПП представлен на рис.2
Рис.2 Генеральный план завода
|
Трансформатор
|
Расчетная
нагрузка
|
Расчетная
мощность
|
Принятая
мощность
|
|
Т1
|
1728
|
965.5
|
1000
|
|
Т2
|
1728
|
965.5
|
1000
|
Выбираем конденсаторные батареи марки
УКЛНТ-0.66-480-240УЗ
|
Наименование
цеха
|
Pрасч I, кВт
|
Qрасч I, кВт
|
Pрасч.о.н.i, кВт
|
Qрасч.о.н.i, кВт
|
Pсум
I,
кВт
|
Qсум
I, кВт
|
Scyмi, кВт
|
xi
|
yi
|
|
1.
Литейный цех
|
2400
|
1800
|
48,36
|
11,97
|
2448,4
|
1812
|
3045,9
|
8,2
|
14.4
|
|
2.
Ремонтно-механический цех
|
245
|
286,44
|
66,79
|
16,53
|
311,79
|
302,97
|
434,75
|
2,6
|
13,6
|
|
3.
Кузнечный цех
|
2660
|
1995
|
48,36
|
11,97
|
2708,4
|
2007
|
3370,9
|
6,8
|
12,6
|
|
4.
Главный корпус
|
1440
|
1270
|
16,92
|
4,19
|
1456,9
|
1274,2
|
1935,5
|
4,5
|
11,6
|
|
5.
Корпусно-котельный цех
|
1890
|
1666,8
|
163,2
|
40,39
|
2053,2
|
1707,2
|
2670,2
|
2,5
|
10
|
|
6.
Компрессорная
|
1020
|
632,14
|
12,09
|
2,99
|
1032,1
|
635,13
|
1211,9
|
4,6
|
10
|
|
7.
Такелажно-парусный цех
|
1820
|
1605,1
|
59,84
|
14,81
|
1879,8
|
1619,9
|
2481,5
|
2,4
|
6,9
|
|
8.
Сухой док
|
1920
|
1693,3
|
157,76
|
39,05
|
2077,8
|
1732,3
|
2705,2
|
6,7
|
9,6
|
|
9.
Административный корпус, лаборатории, СКВ
|
0
|
0
|
99,73
|
24,68
|
99,73
|
24,68
|
102,74
|
1
|
3,8
|
|
10.
Механический док
|
1140
|
1005,4
|
139,63
|
34,56
|
1279,6
|
1040
|
1648,9
|
5,3
|
4,9
(
|
|
11.
Кислородная станция
|
1050
|
650,73
|
8,46
|
2,09
|
1058,5
|
652,82
|
1243,6
|
3,6
|
3,4
\
|
|
12.
Плавающий док
|
1380
|
1217
|
86,13
|
21,32
|
1466,1
|
1238,3
|
1919,1
|
9,1
|
6,6
|
|
13.
Столовая
|
216
|
133,86
|
36,27
|
8,98
|
252,27
|
142,84
|
289,9
|
2,8
|
1,8
|
|
14.
Склад жидкого топлива
|
24
|
32
|
12,09
|
2,99
|
36,09
|
34,99
|
50,27
|
5,2
|
1,7
|
|
15.
Лесосушилка
|
350
|
308,67
|
27,2
|
6,73
|
377,2
|
315,4
|
491,69
|
7,1
|
1,8
|
|
16.
Склад кислот
|
21
|
28
|
7,25
|
1,8
|
28,25
|
29,8
|
41,06
|
0,4
|
|
17.
Склад москателей
|
22,5
|
30
|
7,25
|
1,8
|
29,75
|
31,8
|
43,55
|
6,2
|
0,4
|
|
18.
Котельная
|
1488
|
1312,3
|
45,33
|
11,22
|
1533,3
|
1323,5
|
2025,5
|
9,1
|
9,1
|
|
19.
Бытовой корпус
|
0
|
0
|
36,27
|
8,98
|
36,27
|
8,98
|
37,36
|
9,7
|
1,9
|
|
20.
Проходная
|
0
|
0
|
39,89
|
9,87
|
39,89
|
9,87
|
41,1
|
10,4
|
4,4
|
|
19086.5
|
1566.74
|
|
|
20205
|
15944
|
25791
|
111,6
|
128.9
|
В результате расчета получены
следующие координаты центра нагрузок:
;
- центр активных нагрузок;
;
- центр
реактивных нагрузок.
. РАСЧЁТ ТОКОВ КЗ
Основной причиной нарушения
нормального режима работы системы электроснабжения является возникновение КЗ в
сети или в элементах электрооборудования в следствии повреждения изоляции или
неправильных действий обслуживающего персонала. Для снижения ущерба,
обусловленного выходом из строя электрооборудования при протекании токов КЗ, а
также для быстрого восстановления нормального режима работы системы
электроснабжения необходимо правильно определять токи КЗ и по ним выбрать
электрооборудование, защитную аппаратуру и средства ограничения токов КЗ.
При возникновении токов КЗ имеет
место увеличение токов в фазах системы электроснабжения по сравнению с их
значением в нормальном режиме работы, в свою очередь, это вызывает снижение
напряжения в системе, которое особенно велико вблизи места КЗ.
Расчётным током КЗ для выбора или
проверки параметров электрооборудования обычно считают трёхфазное КЗ.
В зависимости от назначения расчёта
токов КЗ выбирают расчётную схему сети, определяют вид КЗ, местоположение точек
КЗ на схеме и сопротивления элементов схемы замещения.
Расчёт токов КЗ в электроустановках,
напряжением выше 1 кВ.
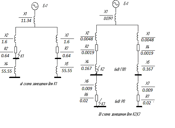
Для расчета токов КЗ составим
расчётную схему системы электроснабжения и на её основе схему замещения.
Расчётная схема представляет собой упрощённую однолинейную схему, на которой
указаны все элементы системы электроснабжения и их параметры, влияющие на ток
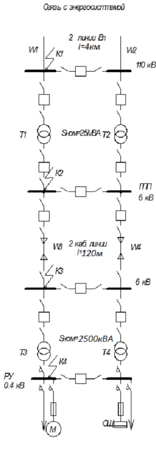
КЗ, здесь же указаны точки, в которых необходимо определить ток КЗ (рис.2).
Схема замещения представляет собой
электрическую схему, соответствующей расчётной схеме, в которой все магнитные
связи заменены электрическими и все элементы системы электроснабжения
представлены сопротивлениями (рис.3). Расчёт токов КЗ выполним в именованных
единицах. В соответствии с изложенным расчётная схема представлена на рис.2., а
схема замещения на рис.3Определяем параметры схемы замещения. Сопротивление
системы задано по условию: при
, тогда
Сопротивление линий BJIl BJI2
Индуктивное
Активное
Сопротивление трансформатора:
Рис.3. Схема замещения для определения токов КЗ
суммарные сопротивления до точки К1:
Определяем значение трёхфазного и
двухфазного тока КЗ в точке К1:
Для определения параметров схемы
замещения для точки К2 на шинах ГПП 6кВ, сопротивления элементов должны быть
приведены к 6 кВ:
Сопротивление системы:
Сопротивление линий ВЛ1 ВЛ2:
Индуктивное
активное
Сопротивление трансформатора:
Суммарные сопротивления до точки К2:
Определяем значение трёхфазного и двухфазного
тока КЗ в точке К2
Сопротивление кабельной линии:
Индуктивное
активное
Определяем значение трёхфазного и двухфазного
тока КЗ в точке К3:
Для выбора и проверки электрооборудования по
условиям электродинамической стойкости необходимо знать наибольшее возможное
мгновенное значение тока КЗ, которое называется ударным током и определяется по
формуле:
где:
- значение периодической
составляющей тока КЗ в начальный момент времени;
- ударный коэффициент (принимаем
для точки К1
, для точки
К2
).
Определяем значение ударного тока КЗ для точек К1 и К2:
Рассчитаем термически стойкое сечение кабеля :
- ток КЗ на шинах ГПП 6 кВ
Коэффициент КT принимается
равным
,
-
приведенное время срабатывания выключателя и релейной защиты
Ближайшее стандартное сечение
принимается по [1] равным 185мм.2
Расчёт токов КЗ в электроустановках,
напряжением ниже 1 кВ.
Сети промышленного предприятия напряжением до 1
кВ характеризуются большой протяжённостью и наличием большого количества
коммутационно-защитной аппаратуры. При напряжении до 1 кВ даже небольшое
сопротивление оказывает существенное влияние на ток КЗ. Поэтому в расчётах
учитывают все сопротивления короткозамкнутой цепи, как индуктивные, так и
активные. Кроме того учитываются активные сопротивления всех переходных
контактов в этой цепи (на шинах, на вводах, и выводах аппаратов, разъёмные
контакты аппаратов и контакт в месте КЗ).
Для расчёта токов КЗ также составим расчётную
схему (рис.1). и на основе её схему замещения (рис.3) исследуемой системы.
Расчёт производится в именованных единицах.
Питание осуществляется по 2 линиям 6 кВ сечением
185 мм2, в цехе в соответствии с категорией надёжности установлено 2
трансформатора мощностью 2500 кВА.
Рис.5 Расчётная схема замещения для определения
токов КЗ.
Для определения параметров схемы замещения для
точки К4 на шинах ГПП 6кВ, сопротивления элементов должны быть приведены к 0,4
кВ:
Суммарные сопротивление системы до точки К3 (6
кВ ТП) приводим к стороне 0,4 кВ:
Сопротивление цехового трансформатора:
Суммарные сопротивления до точки К4
Дополнительные сопротивления:
Сопротивление токопровода (шин) от
трансформатора к автоматическому выключателю: 
сопротивление контактов автомата:
сопротивление трансформаторов тока:
сопротивление
переходных контактов:
.
Суммарные дополнительные
сопротивления:
;
Определяем значение трёхфазного и
двухфазного тока КЗ в точке К4:
Определяем значение ударного тока КЗ
для точек К4:
Рассчитаем термически стойкое сечение кабеля:
- ток КЗ на шинах РП на стороне 0,4
кВ
Коэффициент КT принимается
равным
,
-
приведенное время срабатывания выключателя и релейной защиты
8. ВЫБОР СХЕМЫ ВНУТРИЗАВОДСКОЙ СЕТИ
Широкое распространение имеют две
основные системы распределения электроэнергии: радиальная и магистральная.
Часто они применяются одновременно, дополняя друг друга. [10]
Радиальные схемы распределения
электроэнергии используются, как правило, в тех случаях, когда нагрузки
расположены в различных направлениях от центра питания, а также для питания
крупных электроприемников с напряжением выше 1кВ. Они могут быть одно и
двухступенчатыми. Одноступенчатые применяются главным образом на предприятиях
средней мощности для питания крупных сосредоточенных нагрузок: насосные,
компрессорные, преобразовательные агрегаты, электропечи и т.п. непосредственно
от ГОЛ. Для питания небольших цеховых ПС и электроприемников высшего напряжения
обычно применяются двухступенчатые схемы, так как нецелесообразно на ГПП
сооружать присоединение большого числа мелких отходящих линий.
При двухступенчатых радиальных
схемах применяются промежуточные распределительные ПС.
Питание ТП и РП при наличии нагрузок
I категории предусматривается не менее чем двумя радиальными линиями. Питание
двухтрансформаторных ТП следует осуществлять от разных секций ГПП. На стороне
вторичного напряжения таких ТП предусматривается автоматический ввод резерва
(АВР) с помощью секционного автомата.
Магистральные схемы целесообразны
при распределенных нагрузках, при близком к линейному расположению ПС на
территории предприятия, благоприятствующем возможно более прямому прохождению
магистралей от ГПП до ТП или РП без обратных потоков энергии и длинных обходов.
Для повышения надежности
электроснабжения близко расположенные ТП целесообразно питать от разных
магистралей.
Если ТП располагаются вблизи РП, то
целесообразно их присоединение к данному РП.
На основе вышеизложенного принимаем
радиальную одноступенчатую схему распределения электроэнергии, питание цехов I
и II категории производится, как минимум, двумя кабельными линиями; цехов и III
категорий по одиночным KJI. Цеха, в которых устанавливаются встроенные
трансформаторы питаются непосредственно от ГПП, а цеха III категории, то есть
те цеха, которые при необходимости можно отключить (не приводя к поломке
оборудования, порче материалов, к гибели людей) эти цеха запитываются либо от
ТП, либо от отдельно стоящего РП.
9. ВЫБОР СЕЧЕНИЙ КАБЕЛЬНЫХ ЛИНИЙ
Выбираем сечение кабельных линий на
напряжение 6 и 0,4кВ., питающих потребителей I, II и III категории
по надежности и имеющих расчетную нагрузку.
Значение тока КЗ на шинах источника
питания 16,31кА., приведенное время КЗ 1c.
. Для потребителей I категории
для бесперебойного питания принимаем две или более параллельно расположенные в
траншее кабельные линии с расстоянием между ними 100мм.
. Определяем расчетные токи в
нормальном и аварийных режимах:
1) в нормальном режиме, когда работают все
кабельные линии:
, А
2) в аварийном режиме, когда одна кабельная
линия вышла из строя:
, А
где n-количество
кабелей.
. По справочным данным [7] выбираем
кабель марки ААБл - с алюминиевыми жилами, изоляцией жил из пропитанной бумаги,
в алюминиевой оболочке, бронированной стальными лентами, с подушкой из битума.
. Сечение жил кабеля выбирается с
учетом допустимой перегрузки в аварийном режиме и снижении допустимого тока в
нормальном режиме при прокладке кабеля в одной траншее. Время ликвидации аварии
- 6 часов, а коэффициент загрузки линии в нормальном режиме 0,6. В соответствии
с табл. 3.3 [10] допустимая перегрузка составляет 1,25. Коэффициент снижения
токовой нагрузки Кс.н принимаем по табл.1.3.26 [10] равным 0,9.
Допустимый ток кабельных линий
определяем по формуле:
, А.
или
, А.
Сечение жил трёхфазного кабеля
выбирается по [9].
. Выбранное сечение проверяется на
термическую стойкость токам КЗ по формуле
, мм.2
Коэффициент КT принимается
равным
,
Ближайшее стандартное сечение
принимается по [1].
. На основании пп. 4 и 5 выбираем
сечение по [1] и определяем потери напряжения:
ü в нормальном режиме
; В.
ü в аварийном режиме
; В.,
где
-активное удельное сопротивление
линии, Ом/км;
- реактивное удельное сопротивление
линии, Ом/км;
и
принимаются по табл. 3.5 [10];
- длина линии, км.;
соответствуют коэффициенту мощности
(
) в конце
линии.
. Определяем длительно допустимый
ток с учетом коэффициента снижения нагрузки по формуле:
Определяем коэффициенты загрузки
кабелей в нормальном режиме:
. Определяем потери мощности
в линии при
действительной нагрузке
В качестве примера приведём расчёт
КЛ для цеха №10 (Цех сборки двигателей и испытательная установка).
1. Данный цех относится к потребителям II
категории, тем самым мы обязаны провести подвод электроснабжения по двум кабельным
линиям. Полная расчетная мощность цеха составляет Sр=2864,22
кВА. Номинальное напряжение берется равным 6кВ.
2. Определяем расчетные токи в нормальном и
аварийных режимах:
a) в нормальном режиме, когда работают две
кабельные линии:
, А
b) в аварийном режиме, когда в работе одна
кабельная линия:
, А
. По справочным данным [3] выбираем
кабель марки ААБл - с алюминиевыми жилами, изоляцией жил из пропитанной бумаги,
в алюминиевой оболочке, бронированной стальными лентами, с подушкой из битума.
. Сечение жил кабеля выбирается с
учетом допустимой перегрузки в аварийном режиме и снижении допустимого тока в
нормальном режиме при прокладке кабеля в одной траншее. Время ликвидации аварии
- 6 часов, а коэффициент загрузки линии в нормальном режиме 0,6. В соответствии
с [2, табл. 3.3] допустимая перегрузка составляет 1,25. Коэффициент снижения
токовой нагрузки Кс.н принимаем по [2, табл.1.3.26] равным 0,9.
Допустимый ток кабельных линий определяем
по формуле:
, А.
или
,
По [1] принимаем сечение жил
трехжильного кабеля равным 120мм.2 (Iдоп.ном=300А.)
. Проверяем сечение жил трехфазного
кабеля на термическую стойкость:
,
Коэффициент КT принимается
равным
,
Таким образом, сечение силы не
проходит по условиям термической стойкости.
Принимаем его равным 185 мм2
. На основании пп. 4 и 5 выбираем
сечение по [1] и определяем потери напряжения:
=1334м.;
=0,206Ом/км.;
=0,0596Ом/км.;
=0,8;
=0,6
· в нормальном режиме
;
· в аварийном режиме
Из расчетов видно, что потери
напряжения в линии не превышают допустимого в 5%, следовательно, напряжение у
потребителей практически не будет отличаться от номинального.
. Определяем длительно допустимый
ток с учетом коэффициента снижения нагрузки по формуле:
Определяем коэффициенты загрузки
кабелей в нормальном режиме:
8. Определяем потери мощности
в линии при
действительной нагрузке:
Выбор сечений кабельных линий для
потребителей завода II и III категорий
производится аналогично.
. ВЫБОР ЭЛЕКТРООБОРУДОВАНИЯ
10.1 Выбор
электрооборудования ГПП
Выбор комплексно-распределительного устройства
(КРУ) внутренней установки 6кВ. Таблица 10
КРУ. Шкафы выкатного исполнения.
Максимальное число и сечение силовых
кабелей, мм.2 (
). Тип
выключателя и привода: ВЭЭ-6 встроенный электромагнитный. Габариты шкафов:
ширина=1500мм., глубина=1850мм., высота=2645мм.
Выбор выключателей 110 кВ
Таблица 11
;

;
;
Тип выключателя: МКП 110Б-630 20У1
Габариты полюса: высота=5000мм.; ширина=1400мм.;
длина=2860мм.; масса выключателя 8400 кг.
Выбор выключателей 6кВ
Таблица 12
;

;
;
Тип выключателя: ВЭ-10-3600-31 У3; привод:
ПП-67К
Габариты: высота=1605мм.; ширина=1005мм.;
длина=633мм.; масса выключателя 650 кг.; масла 20 кг.
1. Выбор разъединителей.
Расчётные значения для разъединителей
определяются так же, как и для выключателей.
Выбор разъединителей 110 кВ
;

;
;
Тип разъединителя: РНД 110/630 У1 тип привода
ПДН-1У1; масса: 210кг. Габариты: ширина=500мм.; длина=1700мм.; высота=3400мм.
Выбор разъединителей 6 кВ.
;

;
;
Тип разъединителя: РВ 10/4000 У3 тип привода
ПЧ-50; масса: 21кг.
Выбор оборудования трансформаторной подстанции.
Выбор комплексно-распределительного устройства
(КРУ) внутренней установки 6кВ. Таблица 10.3.1
КРУ. Шкафы выкатного исполнения.
Максимальное число и сечение силовых
кабелей, мм.2 (
).
Тип выключателя и привода:
ВЭМ-6-2000/40-125 встроенный ПЭ-22.
Габариты шкафов: ширина=900мм.,
глубина=1790мм., высота=3110мм.
Масса шкафа отводящей линии с
выключателем:
кг.
Выбор выключателей.
Выбор выключателей 6 кВ (на шинах РП) Таблица
10.3.2
;

;
;
Тип выключателя: ВВТП-10-20/630У3, тип привода:
ПЭ-11.
Габариты полюса: высота=1050мм.; ширина=700мм.;
длина=528мм.; масса выключателя 130кг.
Выбор автоматических выключателей 0,4кВ:
а) на приходящей линии
Таблица 10.3.3
;

;
;
Тип выключателя: ЭО25В-50-1600 У3; привод:
электродвигательный.
Масса выключателя 390 кг.
б) для цеха:
;

;
;
Тип выключателя: ЭО40В-65 У3; привод:
электродвигательный.
|
Расчетные
данные
|
Справочные
данные
|
Условие
выбора
|
|
 
|
|
|
|
 
|
|
|
Тип: ПП24-31, масса: 0,5кг.
Выбор шинопроводов на напряжение 0,4кВ.
Тип: ШМА-73, сечение рабочей шины:
11. РАСЧЕТ ЭЛЕКТРИЧЕСКИХ НАГРУЗОК
МЕХАНИЧЕСКОГО ДОКА
Расчетный максимум нагрузки элемента
системы электроснабжения, питающего нагрузку напряжением до 1 кВ (кабель,
провод, шинопровод, трансформатор, аппарат и т.д.) определяется по коэффициенту
расчетной активной мощности
где Кр- расчетный коэффициент
активной мощности,j - подгруппа ЭП группы, имеющих
одинаковый тип работы, то есть одинаковую величину индивидуального коэффициента
использования Kui,
n - число
подгрупп ЭП, имеющих одинаковый тип работы,
Рсj;-средняя
мощность рабочих ЭП j-й подгруппы.
Средняя мощность Рсj силовых ЭП
одинакового режима работы определяется путем умножения установленных мощностей
ЭП Pномi на значения
коэффициентов использования kui, выявляемых из материалов обследования
действующих предприятий:
Средняя реактивная нагрузка
где tg<p,- коэффициент реактивной
мощности, соответствующий средневзвешенному коэффициенту мощности
характерному
для i-го ЭП
данного режима работы.
Расчетный коэффициент активной
мощности Кр находится по данным, введенным в приложении, в зависимости от
величины группового коэффициента использования Ки, эффективного числа ЭП в
группе nэ и
постоянной времени нагрева выбираемого элемента сети.
Групповой коэффициент использования
Ки активной мощности определяется по формуле
Эффективное число ЭП группы из п
электроприёмников:
Pномi-номинальная
мощность отдельных ЭП.
При определении пэ для
многодвигательных приводов учитываются все одновременно работающие
электродвигатели данного привода. Если среди этих двигателей имеются
одновременно включаемые (с идентичным режимом работы), то они учитываются в
расчете как один ЭП с номинальной мощностью, равной сумме номинальных мощностей
одновременно работающих двигателей.
Допускается определение эффективного
числа приемников всего цеха по упрощенной формуле
номинальная мощность наиболее
мощного ЭП цеха.
расчетная активная мощность узлов
нагрузки определяется по средней дивной мощности узла ∑Р и
соответствующему значению кр
По таблице П1 [5] определяем
значение коэффициента активной мощности
Кр=1,32.
Расчетная реактивная нагрузка
находится следующим образом
где
-средняя реактивная мощность узла
нагрузки
Lp-расчетный
коэффициент для реактивной нагрузки принимается :
• питающие
сети напряжением до 1 кВ: Lp = 1,1 при nэ<10,
Lp = 1,0 при
nэ>10=1,0 пэ
>10;
• магистральные
шинопроводы и цеховые трансформатор: Lp = 1;
• кабели
напряжением 6-10 кВ, питающие цеховые трансформаторы, распределительные
подстанции и высоковольтные электроприемники:
Полная расчетная мощность силовой нагрузки
низшего напряжения
Расчетные данные сведём в таблицу 9.1
Список литературы
1. Блок
В.М. Пособие к курсовому и дипломному проектированию. М., Высшая школа, 1990.-
383с.
2. Волобринский
С.Д., Каялов Г.М., Клейн П.Н., Мешель Б.С. Электрические нагрузки промышленных
предприятий, М.-СПб., Энергия, 1964.-304с.
. Гольстрем
Б.А., Иваненко А.С. Справочник энергетика промышленных предприятий. Киев.,
Издательство “Техника”,
1977.-464с.
. Князевский
Б.А., Липкин Б.Ю. Электроснабжение промышленных предприятий. М., Высшая школа,
1986.-400с.
. Конюхова
Е.А. Проектирование электроснабжения промышленных предприятий. М., Издательство
МЭИ, 2000.- 36с.
. Крупович
В.И., Барыбин Ю.Г., Самовер М.Л. Справочник по проектированию электроснабжения.
М., Энергия, 1980.-456с.
. Неклепаев
Б.Н., Крючков И.П. Электрическая часть станций и подстанций: Справочные
материалы для курсового и дипломного проектирования. М., Энергоатомиздат,
1989.- 608с.
. Правила
устройства электроустановок М., Госэнергонадзор, 2000.- 608с.
. Рожкова
Л.Д, Козулин В.С. Электрооборудование станций и подстанций. М.,
Энергоатомиздат, 1987.-648с.
. Федорова
А.А., Старкова Л. Е., Учебное пособие для курсового и дипломного проектирования
по электроснабжения промышленных предприятий. М, Энергоатомиздат, 1987.- 368с.
. Справочная
книга по светотехнике / Под ред. Айзенберга Ю.Б. М., Энергоатомиздат,
1995.-528с.
. Калинкина
Н.А. Светильники общего освещения для производственных помещений с нормальными
и тяжелыми условиями среды М., Информэлектро, 1997.36с.