Розрахунок коливального контура
НТУУ «КПІ»
Розрахунково
- графічна робота
по
курсу: «Теорія коливань та хвиль»
Завдання №2;
варіант №38
Київ
2009
1. Завдання.
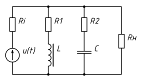
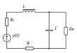
Паралельний коливальний
контур, складений із котушки з активним опором
та індуктивністю
, паралельно
котушці ввімкнено гілку, що складається із конденсатора з ємністю
та
активного опору
(рис. 1.1).
На контур подається напруга
. Вихідні дані представлені нижче.
|
№ варіанту
|
R1=R2=R,
ОмL, мкГн U,
B ,
|
|
|
|
|
|
38
|
68
|
5
|
280
|
6
|
0
|
Необхідно визначити:
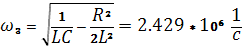
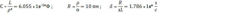
1. Резонансну частоту
, хвильовий
опір
та смугу
пропускання
контуру.
. Комплексний опір
коливального контуру
.
Умова виникнення резонансу Xk= 0:
оскільки
, то
.
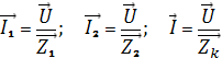
. Струми при частотах
,
,
у гілці з:
індуктивністю
;
конденсатором
;
джерелом живлення
.
· Для
:
·
Для
:
· Для
:
4. Напруги та потужності
на елементах контуру при частотах
,
,
у гілці з:
індуктивністю:
,
,
,
,
,
;
– конденсатором:
,
,
,
,
,
;
- джерелом живлення:
,
,
,
.
· Для
:
· Для
:

· Для
:
5. Побудувати векторні
діаграми для струмів та напруг, трикутники опорів та потужностей для частот
,
,
.
Трикутники потужностей та
опорів відповідно при:
;
та
6. Розрахувати та
побудувати графіки для функціональних залежностей (в інтервалі відносної
частоти
, де
):
,
,
,
,
,
,
,
,
,
;
де індекс «
» відповідає
значенню величини при резонансі.
контур напруга опора
7. Добротність
та смугу пропускання
контуру при урахуванні внутрішнього
опору джерела вхідного сигналу
та опору навантаження
, який
увімкнено паралельно контуру.
Схема:
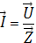
Завдання
Послідовний коливальний
контур (рис. 1.1), складений із резистора з активним опором
, котушки з
індуктивністю
та
конденсатора з ємністю
. На контур
подається напруга
. Вихідні
дані :
|
№ варіанту
|
 L, мкГн
|
|
|
|
|
|
38
|
68
|
680
|
280
|
6
|
0
|
Визначити:
1.1. Резонансну частоту
та смугу
пропускання
контуру.
Розрахунок параметрів кола:
1.2. Комплексний опір
, струм
, напруги на
елементах контуру
,
,
, потужності
,
,
,
,
,
при
частотах
;
;
.Побудувати
векторні діаграми для струмів та напруг, трикутники опорів та потужностей для
наведених вище частот.
Потужність:
повна
; активна
; реактивна
;
індуктивності
;
конденсатора
.
Для
:

Для
:
Для
:
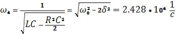
1.3. Частоти
та
, при яких
відповідно напруги на конденсаторі
та індуктивності
мають
максимальне значення.
Максимальна напруга на
конденсаторі:
Максимальна напруга на
котушці індуктивності:
1.4. Розрахувати та
побудувати графіки для функціональних залежностей (в інтервалі відносної
частоти
, де
):
,
,
,
,
,
,
,
,
,
,
,
,
,
де індекс «0» відповідає
значенням відповідних величини при резонансі, тобто при
.
1.5. Добротність
та смугу
пропускання
контуру при
урахуванні внутрішнього опору джерела вхідного сигналу
та опору
навантаження
, який
увімкнено паралельно конденсатору.
Схема: