Расчет мощности трансформаторного цеха
Содержание
Введение
.
Расчет картограммы активных нагрузок предприятия
.1 Определение
расчетной активной и реактивной мощностей цеха
.2 Определение
центра электрических нагрузок
.3 Определение
числа, мощности и типа трансформаторов цеха
.4 Разработка
оптимальной схемы распределения сети предприятия
.
Расчет электрических нагрузок цеха
.1
Определение расчетной мощности цеха
.2
Расчет и планирование системы освещения предприятия
.3
Разработка схемы электроснабжения цеха
.
Выбор аппаратов
.1
Выбор сечения шинопроводов
.2
Выбор автоматических выключателей
.3
Выбор рубильника (разъединителя
Заключение
Список
литературы
мощность нагрузка трансформатор
освещение
Введение
Республика Беларусь входит в
число 25 наиболее энерговооруженных стран мира. По расходу электроэнергии на
душу населения страна в одной шеренге с итальянцами и бельгийцами, однако доля
электроэнергии в производстве валового национального продукта на сумму 1000
дол. США, что вдвое больше, чем в передовых странах с рыночной экономикой. Доля
расходов энергетических ресурсов в 1997 году составила 22,1%. Президентом А.Г.
Лукашенко поставлена задача в 1998 - 2000 г.г.: прирост ВНП обеспечить без
увеличения покупных энергоресурсов.
Электроснабжение промышленных и
транспортных установок одна из профилирующих дисциплин, которая базируется на
материале предшествующих: "Теоретические основы электротехники",
"Электротехнические материалы", "Электрические аппараты",
"Электрические машины" "Теория электропривода".
Промышленные предприятия и
транспортные установки являются, основными потребителями электрической энергии.
Они расходуют около 65% всей электроэнергии, вырабатываемой в Республике
Беларусь и получаемой из других стран.
Чтобы рационально распределить
и использовать такое большое количество электроэнергии, системы распределения
ее на промышленных предприятиях, электроприводы производственных механизмов, а
также все другие потребители электроэнергии должны обладать высокими
технико-экономическими показателями и базироваться на новейших достижениях
современной науки и техники. Решение вопросов электроснабжения промышленных
предприятий должно основываться на широком применении автоматизации,
вычислительных и управляемых машин, использовании надежных и экономичных
аппаратов, конструкций, агрегатов, схем. Особое значение приобретает вопрос
экономии электроэнергии и снижения потерь во всех звеньях передачи
электроэнергии от источников питания до потребителя.
1. Расчет картограммы активных нагрузок
предприятия
Исходные данные:
Рисунок 1 - План инструментального цеха
Таблица 1 - Исходные данные
|
Наименование
цехов
|
Количество
смен
|
Установленная
мощность, кВт
|
|
|
Вариант
|
|
|
3
|
|
Инструментальный
|
2
|
1200
|
В ходе выполнения данного раздела курсовой
работы необходимо рассчитать: картограмму активных нагрузок предприятия,
используя для расчетов данные цеха. Определить центр электрических нагрузок
(ЦЭН) с учетом продолжительности работы цеха и указать его на генплане
предприятия. Выбрать оптимальное месторасположение ГПП и указать его на генплане.
Необходимо определить: число, мощность и тип
трансформаторов цеховых ТП с учетом категории потребителей; рассчитать
коэффициент загрузки трансформаторов в нормальном и аварийном режимах работы;
число, тип трансформаторов ГПП с учетом категории потребителей, мощность
трансформаторов ГПП с учетом потерь мощности в трансформаторах цеховых ТП;
рассчитать коэффициент загрузки трансформаторов ГПП в нормальном и аварийном
режимах работы.
.1 Определение расчетной активной и реактивной
мощностей цеха
Для построения картограмм активных нагрузок
предприятия, необходимо определить расчетные активные мощности всех цехов.
Расчетная активная мощность всех цехов предприятия определяется методом
коэффициента спроса:
(1)
где Рр -
расчетная мощность цеха,кВт;
Кс
- коэффициент спроса ;
Руст
- установленная мощность цеха.
Pp=0.3·1200·103=360
кВт,
где Кс -
коэффициент спроса, Кс=0,3.
Расчетная мощность для
электрического освещения определяется по мощности удельной. Мощность,
расходуемая на освещение заводской территории не учитывается.
(2)
где
- расчетная мощность, необходимая
для освещения цеха, кВТ;
Руд - удельная
норма освещенности цеха, кВТ/м2 ( берется 10 - 15 Вт/м2
);
- коэфициент спроса
осветительной нагрузки (
=0,95);
- площадь цеха, определяемая
генпланом, м2;
Pp0=104·0,95·58,5·108=19
кВт.
Полная расчетная мощность цеха
определяется по формуле:
(3)
где
- суммарная активная расчетная
мощность цеха, кВт;
- реактивная расчетная мощность
цеха, кВАр;
- коэффициент совмещения расчетных
максимумов отдельных групп электроприемников цеха (
= 0,8 - 1,0)
P2Σp=Pp+Pp0=(360+19)·103=379
кВт;
Реактивная расчетная мощность цеха:
(4)
где
- среднее значение
для данной
группы электропривода.
Qp=360·103·0,6=216
кВт,
где
- среднее значение
для данной
группы электропривода,
=0,6-0,8.
.2 Определение центра электрических
нагрузок
Радиус окружности на плане цеха (
площадь круга равна нагрузке ) определяется по формуле, мм:
(5)
где m - выбранный
масштаб, кВт/мм.
где m
- выбранный масштаб, m=1000
кВт/мм.
Координаты X0,
Y0
центра электрических нагрузок определяются следующим образом:

(6)
где Xi,Yi
- координаты I - ого цеха
Ti
- продолжительность работы цеха за год.
где Ti -
продолжительность работы цеха за год, в 2 смены по 8 часов, Ti=4500 .
Результаты расчетов сводятся в
таблицу 2:
Таблица 2 - Результаты расчетов
|
№цеха/
число смен
|
РУСТ,
кВт
|
КС
|
РР,
кВт
|
РУД*103
кВт/м2
|
S,м2
|
Кс0
|
Рс0,
кВт
|
Рр∑
кВт
|
tgφ
|
QP, кВАр
|
R, мм
|
X, м
|
Y, м
|
|
1/2
|
1200
|
0,3
|
360
|
0,010
|
58,5×108
|
0,3
|
19
|
379
|
0,8
|
216
|
10,7
|
29250
|
54000
|
.3 Определение числа, мощности
и типа трансформаторов цехов и предприятия
Правильность выбора мощности трансформаторов
двух трансформаторной подстанции определяется по коэффициентам загрузки в
нормальном и аварийном режимах:
(7)
где Sр - полная
расчетная мощность цеха, кВА.
Были выбраны трансформаторы со
следующими параметрами:
Таблица 3 - Технические
характеристики выбранного трансформатора
|
Тип
трансформатора
|
Номинальная
мощность, кВА
|
Потери,
кВт
|
Полная
масса, кгРазмеры, мм
|
|
|
|
|
|
|
 ВысотаДлинаШирина
|
|
|
|
|
|
|
|
Трансформаторы
трехфазные силовые масляные типа ТМ класса 110кВ ГОСТ 12022-76
|
|
ТМ-160/0,4
|
160
|
4,5
|
0,565
|
2,650
|
2,4
|
1150
|
1600
|
1220
|
1020
|
<0,6;
<1,4.
При определении мощности
трансформатора ГПП необходимо учесть потери мощности в трансформаторах цеховых
ТП:

(8)
где
- потери активной мощности в
трансформаторах, кВт;
- потери реактивной мощности в
трансформаторах, кВАр;
n -
количество трансформаторов;
- соответственно, потери х. х. и к.
з., кВт
- расчетная нагрузка, кВт;
- номинальная мощность
трансформаторов, кВА;
- ток холостого тока
трансформатора, А;
- напряжение короткого замыкания
трансформатора, В.
С учетом потерь:
P’= Pp- ΔPтр=360-2.67=357,3
кВт;
Q’= Qр- ΔQтр=216-7,68=208,3
кВт;
S’=(375,32+208,32)1/2=413,584
кВт.
Результаты расчетов сводятся в
таблицу 3.3:
Таблица 4 - Выбор числа и
мощности цеховых ТП
|
№
ТП
|
№
цеха
|
Расчет
нагрузок
|
Кол.
Транс-форматоров
|
SHTP
кВА
|
КЗНР
|
КЗАР
|
Потери
в трансформ.
|
Нагр
с учетом потерь
|
|
|
РР,
кВт
|
QP, кВАр
|
SP, кВА
|
|
|
|
|
ΔР кВт
|
ΔQ кВАр
|
Р1
кВт
|
Q1 кВАр
|
S1 кВА
|
|
1
|
1
|
360
|
216
|
172,8
|
2
|
160
|
0,54
|
1,08
|
2,67
|
7,68
|
357,3
|
208,3
|
413,5
|
1.4 Разработка оптимальной
схемы распределения сети предприятия
Ставим 2 распределительных
пункта (РП). К ним подходят 4 шинопровода, к которым подключаем станки по 12 к
каждой линии и отдельно кран-балка, так она имеет наибольшую мощность.
К РП1 Л1 подключены:
25-30 - Шлифовальный станок;
31-36 - Координатно-расточный.
К РП1 Л2 подключены:
- 37 - Кран-балка ПВ 40% .
К РП2 Л3 подключены:
1-4 - Электроэрозионный станок;
5-9 - Токарный станок;
10-11 - Горизонтально-фрезерный станок;
12 - Пресс гидравлический.
К РП2 Л4 подключены:
13-16 - Токарный станок;
17 - Вертикально-сверлильный станок;
18 - Вертикально-сверлильный станок;
19 - Долбежный станок;
20-23 - Фрезерный станок;
24 - Пресс механический.
Рисунок 2 - Схема распределения сети
предприятия, график центра электрических нагрузок.
Центр электрических нагрузок:
X0=
(2*40+18*1+50*15+50*12.8+62*14.2+62*12.4)/310=29.5
Y0=(40*0.8+40*3+2*50+2*62-8)/310=50
2. Расчет электрических нагрузок цеха
.1 Определение расчетной мощности цеха
Средняя активная и реактивная мощности за
наиболее нагруженную смену соответственно определяются по формулам:
, (9)
где
- средняя активная мощность, кВт;
- суммарная установленная мощность
группы ЭП, кВт;
- средняя реактивная мощность,
кВАр;
- коэффициент реактивной мощности
за наиболее загруженную смену.
Для ЭП с продолжительным режимом
работы:
. (10)
Для ЭП с повторно-кратковременным
режимом работы:
. (11)
К ЭП с продолжительным режимом
работы относим (
>0,6):
12 - Пресс гидравлический (37,5
кВт);
24 - Пресс механический (60 кВт);
37 - Кран-балка ПВ 40% (30 кВт).
К ЭП с переменным режимом работы
относим (
≤0,6):
1-4 - Электроэрозионный станок (22кВт);
5-9 - Токарный станок (29 кВт);
-16 - Токарный станок (29 кВт);
10-11 - Горизонтально-фрезерный
станок (20 кВт);
17 - Вертикально-сверлильный станок
(11 кВт);
18 - Вертикально-сверлильный станок
(11 кВт);
19 - Долбежный станок (25 кВт);
20-23 - Фрезерный станок (11 кВт);
25-30 - Шлифовальный станок (18
кВт);
31-36 - Координатно-расточный станок
(18 кВт).
Для группы электроприемников с
разными режимами работы групповой коэффициент использования определяют по
формуле:
, (12)
где
- коэффициент использования одного
приемника;
- число электроприемников в группе.
Средний коэффициент мощности цеха определяется
по формуле:
, (13)
где n -
количество электроприемников, n=37.
Для РП1:
Группа1:
PСМ1.1=0,6·20000=12
кВт;
QСМ1.1=12000·0,85=10,2
кВт;
Группа2:
PСМ1.2=0,7·7100=4,97
кВт;
QСМ1.2=4970·0,85=4,224
кВт;
Для РП2:
Группа1:
PСМ2.1=0,6·18000=10,8
кВт;
QСМ2.1=10800·0,85=9,18
кВт;
Группа2:
PСМ2.2=0,7·19000=13,3
кВт;
QСМ2.2=13300·0,85=11,3
кВт;
Коэффициент максимума активной
мощности находят по кривым, представленных на рисунке 3.
где
- эффективное число
электроприемников в группе.
Рисунок 3 - Зависимость
от
при
различных
Для РП1:
Группа1:
Kм1.1=1,45;
Группа 2:
Kм1.2=1,5;
Для РП2:
Группа1:
Kм2.1=1,48;
Группа 2:
Kм2.2=1,5.
Эффективное число электроприемников
рассчитывается по формуле:
. (14)
nэ1.1=(88+261+40+22+25+44+25+60)2/(882+2612+402+222+252+442+252+602)=3,25;
nэ1.2=49702/49702=1;
nэ2.1=(18+18)2/(182+182)=2;
nэ2.2=18,972/18,972=1.
Расчетную мощность, т.е.
максимальную среднюю нагрузку за интервал усреднения 30 мин., рассчитывают по
формуле:
. (15)
Pp1.1=1,45·12000=17,4
кВт;
Pp1.2=1,5·4970=7,455
кВт;
Pp2.1=1,48·9000=13,32
кВт;
Pp2.2=1,5·13281=19,9
кВт.
Расчетная реактивная нагрузка
определяется по формуле:
если
(16)
если
(17)
Qp1.1=1.1·10200=11,2
кВт;
Qp1.2=1.1·4224=4,65
кВт;
Qp2.1=1.1·7650=8,415
кВт;
Qp2.2=1.1·11289=12,4
кВт;
Полная расчетная мощность равна:
(18)
Результаты расчетов сводятся в
таблицу 5.
Таблица 5 - Результаты расчетов
Наиме-нование РП и групп ЭП Ко-ли-чест-во
/приведенная
к ПВ 100%ЧЧисло фаз, 

Средняя мощность
|
за
наиболее загруженную смену Расчетная нагрузка
|
|
|
|
|
|
|
|
Одного кВт Суммы,
кВт
кВт
кВАр
кВт
,
кВАр
|
кВА
|
|
|
|
|
|
|
|
|
1.1
|
24
|
20
|
27,1
|
3
|
0,6
|
0,85
|
2
|
10,2
|
3
|
1,45
|
17,4
|
11,22
|
20,7
|
|
1.2
|
2
|
7,1
|
|
|
0,8
|
|
4,9
|
4,2
|
1
|
1,5
|
7,5
|
4,6
|
8,8
|
|
2.1
|
12
|
18
|
48
|
3
|
0,5
|
|
9
|
7,65
|
2
|
1,48
|
13,3
|
8,4
|
15,8
|
1
|
30
|
|
|
0,7
|
|
13,3
|
11,3
|
1
|
1,5
|
19,9
|
12,4
|
23,5
|
2.2 Расчет и планирование системы освещения цеха
Основной задачей данного расчета является
определение числа и мощности ламп светильников, необходимых для обеспечения
заданной освещенности. Пусть схема расположения ламп выглядит следующим
образом:
Рисунок 4 - Схема размещения
освещения цеха
Для освещения цеха выбираем люминесцентные
лампы, так как в цеху длительное время находятся рабочие и такие лампы обладают
более высокой световой отдачей при таком режиме работы
Принимаем нормированную освещенность рабочего
места Ераб = 500 лк, Еав = 5 лк.
Высота помещения Н = 6 м. Примем высоту рабочей
поверхности hP
= 1 м, высоту подвеса hC
= 2 м. Рассчитаем высоту расположения светильника над рабочей поверхностью.
Расстояние между светильниками определяем по
формуле:
, (19)
где λ = (0,6…1,0) - коэффициент,
зависящий от типа светильника.
м.
Световой поток одной лампы
определяют по формуле:
, (20)
где
- нормируемая наименьшая освещенность,
лк;
- коэффициент запаса в зависимости
от загрязнения воздушной среды принимается для люминесцентных ламп
- освещаемая площадь, м2;
- отношение средней освещенности к
минимальной
- количество светильников, шт.;
- коэффициент использования
светового потока.
Коэффициент светового потока для
каждого типа светильника определяют в зависимости от коэффициента отражения
потолка, стен, расчетной поверхности или пола, а также в зависимости от индекса
помещения.
Индекс помещения находят по формуле:
, (21)
где
- длина помещения, м;
- ширина помещения, м.
i=(58,5·108)/(6·(58,5+108))=6318/999=6,32.
Для определения коэффициента использования η
воспользуемся
таблицей 6.
Таблица 6 - Зависимость коэффициента
использования η от индекса
помещения для ламп типа Г-1
|
Тип
КСС
|
Индекс
помещения, i
|
|
Г-1
|
0,6
|
0,8
|
1,25
|
2,0
|
3,0
|
6,0
|
|
η
|
0,35
|
0,45
|
0,6
|
0,63
|
0,68
|
0,8
|
Принимаем η = 0,85.
По найденной величине светового потока подбирают
мощность ламп.
При освещении, выполненном рядами люминесцентных
светильников, для расчета освещенности следует, исходя из требований
строительной и технологической частей проекта, задаться числом рядов, а также
типом и мощностью лампы, что определяет ее световой поток.
Требуемое число светильников определяют по
выражению:
, (21)
где
- число ламп в светильнике;
- число рядов.
По световому потоку выбираем
ближайшую стандартную лампу из таблицы 7, световой поток которой не должен
отличаться от расчетного более чем на минус 10 и плюс 20 %.
Таблица 7 - Технические характеристики ламп типа
ДРЛ
|
Наименование
|
Напря-жение,
В
|
Мощность,
Вт
|
Длина,
мм
|
Диаметр,
мм
|
Тип
цоколя
|
Световой
поток, лм
|
Срок
службы, ч
|
|
ДРЛ-125
|
125
|
125
|
178
|
76
|
Е27
|
5900
|
12000
|
|
ДРЛ-250
|
130
|
250
|
228
|
91
|
Е40
|
13500
|
12000
|
|
ДРЛ-400
|
135
|
400
|
292
|
122
|
Е40
|
24000
|
15000
|
|
ДРЛ-700
|
140
|
700
|
357
|
152
|
Е40
|
41000
|
20000
|
|
ДРЛ-100
|
145
|
1000
|
411
|
167
|
Е40
|
59000
|
18000
|
Выбираем для основного рабочего освещения лампы
типа ДРЛ-100 и собираем по 5 ламп в одну.
Выбираем для аварийного освещения лампы типа
ДРЛ-125 и собираем по 2 лампы в одну.
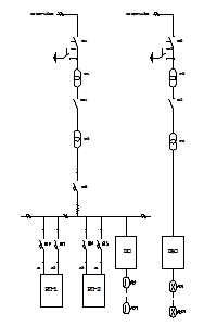
2.3 Разработка схемы электроснабжения цеха
В данном разделе разрабатывается схема
электроснабжения цеха, подключение РП.
В схеме используются высоковольтные аппараты,
которые выбраны в разделе 3.
Схема электроснабжения цеха представлена на
рисунке 5.
Рисунок 5 - Схема электроснабжения цеха
3. Выбор аппаратов
.1 Выбор сечений шинопроводов
На промышленных предприятиях в связи с
увеличением их мощности и ростом плотности электрических нагрузок появилась
необходимость передавать токи до 5000 А и более. В этих случаях целесообразно
применять специальные мощные шинопроводы, которые имеют преимущества перед
линиями, выполненными из большого числа параллельно проложенных кабельных
линий. Преимущества эти следующие: большая надежность, возможность
индустриализации монтажных работ, а также доступность наблюдения и осмотра
шинопроводов в процессе эксплуатации.
Для удобства эксплуатации, надежности
электроснабжения и экономическим показателям примем следующую схему монтажа
шинопровода.
Магистральный шинопровод (ШМА), предназначен для
магистральных четырехпроводных электрических сетей в системе с глухозаземленной
нейтралью напряжением до 1 кВ. Они прокладываются на вертикальных стойка
высотой 3 м. В качестве опорных конструкций применяют кронштейны или тросовые
подвески. ШМА собраны из прямоугольных алюминиевых шин, изолированных,
расположенных вертикально и зажатых между специальными изоляторами внутри
перфорированного контура.
Число шин в магистральных шинопроводах: 3, 4, 6
(три спаренных). Магистральный шинопровод состоит из прямых и угловых секций с
поворотом шин на ребро и плоскость, ответвительных вертикальных и
горизонтальных секций. Шины соединяют в основном сваркой при сборке блоков.
Магистральные шинопроводы прокладываются на
вертикальных стойка высотой 3 м. В качестве опорных конструкций применяют
кронштейны и тросовые подвески.
Распределительные шинопроводы ШРА предназначены
для передачи и распределения электроэнергии напряжением 380/220кВ, кроме того,
имеется возможность непосредственного присоединения к ним электроприемников в
системах с глухозаземленной нейтралью. Распределительные шинопроводы
прокладываются аналогично магистральным.
Каждый приемник электрической энергии
запитывается кабелем от РП отделения. Примем к прокладке кабели марки АВВГ.
Выбор такой марки кабеля обуславливается низкой коррозийной активностью среды,
защищенностью кабеля от внешних воздействий и повреждений.
В данной курсовой работе расчет сечений кабелей
и шинопроводов ведется только по наибольшему допустимому току, без проверки на
термическую и динамическую прочность.
Как известно ток в токопроводящей жиле
вычисляется по формуле:
, (22)
где
- номинальная мощность;
- номинальное напряжение, в данном
случае
;
- средний КПД всего отделения.
- коэффициент мощности
электроприемника. Средний коэффициент мощности цеха равен
;
,
Выбираем магистральный шинопровод по
максимальному току (учитываем аварийный режим) ШМА4-630-32-1УЗ - магистральный
шинопровод, состоящий из 4 шин сечением 32 мм2, Iном=630 А,
пожаробезопасность 1, для умеренного климата, для внутренней установки.
.2 Выбор автоматических выключателей
Автоматические выключатели
(автоматы), не обладая недостатками предохранителей, обеспечивают быструю и
надежную защиту проводов и кабелей сетей как от токов перегрузки, так и от
токов короткого замыкания. Кроме того они используются для управления при
нечастых включениях и отключениях. Таким образом автоматические выключатели
совмещают в себе функции защиты и управления.
Для выполнения защитных функций
автоматы снабжаются либо только тепловыми, либо только электромагнитными
расцепителями, либо комбинированными (тепловыми и электромагнитными). Тепловые
расцепители осуществляют защиту от токов перегрузки, электромагнитные - от
токов короткого замыкания.
Действие тепловых расцепителей
автоматов основано на использовании нагрева биметаллической пластинки,
изготовленной из спая двух металлов с различными коэффициентами теплового
расширения. В расцепители при токе, превышающем тот, на который они выбраны,
одна из пластин нагревается больше, и вследствие большего её удлинения
воздействует на отключающий пружинный механизм. В результате чего коммутирующее
устройство аппарата размыкается.
Тепловой расцепитель автомата не
защищает питающую линию или асинхронный двигатель от токов короткого замыкания.
Это объясняется тем, что тепловой расцепитель, обладая большой тепловой
инерцией, не успевает нагреться за малое время существование токов КЗ.
Электромагнитный расцепитель
представляет собой электромагнит, который воздействует на отключающий пружинный
механизм. Если ток в катушке превышает определенное, заранее установленное
значение (ток трогания или ток срабатывания), то электромагнитный расцепитель
отключает линию мгновенно. Настройку расцепителя на заданный ток срабатывания
называют уставкой тока. Уставку тока на мгновенное срабатывание называют
отсечкой. Электромагнитные расцепители не реагируют на токи перегрузки, если
они меньше уставки срабатывания.
В зависимости от наличия механизмов,
регулирующих время срабатывания расцепителей, автоматы разделяются на
неселективные с временем срабатывания 0,02..0,1с; селективные с регулируемой
выдержкой времени и токоограничивающие с временем срабатывания не более 0,005с.
По выбранной схеме электроснабжения
цеха ЦТП должна содержать три автоматических выключателя: по одному на выходе с
каждого трансформатора и один межсекционный выключатель. Выключатели должны
выбираться по полному расчетному току, т.к. в случае выхода из строя одного из
трансформаторов каждый из оставшихся выключателей должен пропускать полный рабочий
ток. В ЦТП будут использованы выключатели автоматические воздушные
модернизированные (АВМ) с электромагнитными расцепителями.
Автоматический выключатель
выбирается по следующим условиям:
;
; (23)
Ток уставки элетромагнитного расцепителя
выбирается:
; (24)
Для линии 0,4кВ выбираем
автоматические выключатели серии трехфазные А3790. Параметры А3790 представлены
в таблице 8.
Таблица 8 - Параметры А3790
|
Номинальный
ток, А
|
630
|
|
Номинальное
напряжение, В
|
переменное
до 660 В
|
|
Предельная
отключ. способность, кА при напряжении ~380 В, 50 Гц при напряжении ~660 В,
50 Гц
|
50,5 28,6
|
|
Исполнение
по способу установки
|
стационарное;
выдвижное;
|
|
Исполнение
по виду защиты
|
токоограни-чивающий
|
токоогранич.селективный
|
токоограничивающий
|
рубильник
|
|
Исполнение
по виду максимального расцепителя тока
|
электро-магнитный
|
электромагнит.;
полупроводник.
|
электромагнит;
тепловой
|
|
|
Номинальные
токи максимальных расцепителей, А
|
250;
400; 630
|
|
Вид
привода
|
ручной;
дистанционный; электромагнитный
|
|
Исполнение
по виду дополнительных расцепителей
|
независимый;
нулевой
|
|
Износостойкость
циклов ВО общая коммутационная
|
6000
3000
|
Для отходящих линий магистрали выбираются
автоматические выключатели А3790, т.к. у них можно изменять ток срабатывания
уставки электромагнитного расцепителя.
3.3 Выбор рубильника (разъединителя)
Выбор рубильника производится по номинальному
напряжению сети:
; (25)
где Uном -
номинальное напряжение аппарата;
Uсети -
номинальное напряжение сети.
Выбор рубильника производиться еще
по длительному расчетному току цепи:
; (26)
Выбираем разъединитель РВЗ-10/1000 II УХЛ2, со
следующими техническими характеристиками: номинальный ток - 1000 А , количество
полюсов - 3 полюса, количество ножей заземления - 1, масса - 40 кг.
Заключение
В курсовой работе были рассчитаны расчетная
мощность цеха, электроосвещение, нагрузки активные и реактивные каждой группы
потребителей, определены число и мощность трансформаторов цеха. Разработана
схема подключения электрооборудования и схема электроснабжения цеха. А так же
произведен выбор необходимых аппаратов для сети 10кВ/0,4кВ.
Список литературы
Использование
стандартов в курсовом и дипломном проектировании: метод. указания. Ч. 1-3 /
Сост. Г.С. Леневский, А.Н. Шапчиц. - Могилев: Белорус.-Рос. ун-т, 2002. - 110
с.
Князевский,
В.А. Энергоснабжение промышленных предприятий / В.А. Князевский, Б.Ю. Липкин. -
М.: Высш. шк., 1986. - 400 с.
Ристхейн,
Э.М. Электроснабжение промышленных установок: учебник для вузов / Э.М.
Ристхейн. - М.: Энергоатомиздат, 1991. - 424 с.
Ермилов,
А.А. Основы электроснабжения промпредприятий / А.А. Ермилов. - М.: Энергия,
1983. - 208 с.
Федоров,
А.А. Основы ЭСПП / А.А. Федоров, В.В. Каменева. - М.: Энергия, 1984. - 492 с.
Неклепаев,
В.И. Электрическая часть электростанций и подстанций / В.И. Неклепаев. - М.:
Энергоатомиздат, 1986. - 640 с.
Заговорский,
Е.П. ЭСПП / Е.П. Заговорский, Ш.Ш. Речин. - М.: Высш. шк., 1974. - 202 с.
Долин,
И.А. Основы техники безопасности в электроустановках: для студентов вузов / И.А.
Долин. - 2-е изд. - М.: Энергоатомиздат, 1984. - 448 с.
Барыбин,
Ю.Г. Справочник по проектированию электрических сетей и оборудования:
справочник / Под ред. Ю.Г. Барыбин и др. - М.: Энергоатомиздат, 1991. - 464 с.
Барыбин,
Ю.Г. Справочник по проектированию электроснабжения: справочник / Под ред. Ю.Г.
Барыбин и др. - М.: Энергоатомиздат, 1991. - 576 с.
Белоруссов,
Н.И. Электрические кабели, провода и шнуры / Под ред. Н.И. Белоруссова и др. -
М.: Энергоатомиздат, 1988. - 536 с.
Андреев,
В.А. Релейная защита и автоматика систем электроснабжения / В.А. Андреев. - М.:
Высш. шк., 1991. - 496 с.
Федоров,
А.А. Справочник по ЭСПП и электрооборудованию: справочник в 2 т. / Под ред.
А.А. Федорова. - М.: Энергоатомиздат, 1986. - Т.1. - 568 с.; 1987. - Т.2. - 592
с.
Долин,
П.А. Техника безопасности в электрических установках: справочное пособие / Под
ред. П.А. Долина. - М.: Энергоатомиздат, 1985 - 400 с.
Правило
устройства электроустановок / 6-е изд. - М.: Энергоатомиздат, 1985. - 650 с.