Устройство для сложения четырехразрядных двоичных чисел

  • Вид работы:
    Курсовая работа (т)
  • Предмет:
    Информационное обеспечение, программирование
  • Язык:
    Русский
    ,
    Формат файла:
    MS Word
    66,91 Кб
  • Опубликовано:
    2013-10-16
Вы можете узнать стоимость помощи в написании студенческой работы.
Помощь в написании работы, которую точно примут!

Устройство для сложения четырехразрядных двоичных чисел

Санкт-Петербургский государственный университет телекоммуникаций

им. проф. М. А. Бонч-Бруевича









Курсовая работа

по предмету

Вычислительная техника и информационные технологии

Выполнил Копылов Р.Э.

Студент группы МТ-01

Задание на курсовую работу

Необходимо построить устройство для реализации в кристалле на лабораторном макете. Для разработки используется пакет Quartus. Реализация в кристалле Cyclone. При реализации на Cyclone для подключения к спроектированному устройству периферии (синхронизации и сегментных индикаторов) необходимо воспользоваться стандартными программами, имеющимися в материалах лаборатории.

Вариант 12. Разработать устройство, позволяющее производить сложение четырехразрядных двоичных чисел. Числа поступают в регистры А и В с одной четырехразрядной шины. Регистры А и В имеют управляющий вход для записи информации. Выходы регистров А и В подключаются к сумматору. Выход сумматора подключается к регистру S, хранящему сумму. Запись информации в регистр А и в регистр В производится с тумблеров В1-В4, синхроимпульсы подаются с кнопки. Тумблеры В5 и В6 регулируют запись в А или в В и считывание с S. Контроль производится по состоянию индикатора.

Оглавление

Задание на курсовую работу

Назначение устройства

Коды программ

Схема устройства

Заключение

Литература

Назначение устройства

Регистры - конечные автоматы, служащие для хранения или для сдвига информации. Сдвиг информации производится на последовательных регистрах, хранение записанной информации производится в параллельных регистрах. Основа построения регистров - D-триггеры.

Последовательные регистры.

Параллельные регистры.

Такие регистры используются для временного хранения записанной информации, а также для разделения информационных шин. Обратных связей между триггерами не требуется. Существуют регистры-защелки и буферные регистры. В защелку по фронту синхроимпульса записывается состояние шины D0 ÷ Dn-1. В отсутствии синхроимпульса все изменения состояния шины D0 ÷ Dn-1 не влияют на состояния выходов (шина Q0 ÷ Qn-1). Таким образом, с помощью защелки возможно разделение шин.

Буферные регистры используются в системах, содержащих большое количество регистров, где в каждый момент времени необходимо совершать обмен только между определенным источником и приемником. Примером может служить любая микропроцессорная система или отдельный процессор. В качестве буферов служат трехстабильные элементы. При подаче управления на такой элемент он выполняет функции конъюнктура, а при снятии управления разрывает цепь, и на выходе образуется высокий уровень при отсутствии токов. Такое состояние элемента называют третьим или высокоимпедансным. Из схемы двухбуферного регистра, следует, что запись в буферный регистр возможна при C1=1 и подаче синхроимпульса, а считывание при C2=1 в любое время.

По способу записи и считывания регистры классифицируются как последовательные, параллельные, параллельно-последовательные и последовательно-параллельные. В последовательно-параллельных регистрах запись происходит последовательным способом и, при заполнении регистра, включается параллельный буфер чтения. В параллельно-последовательных регистрах запись происходит параллельным способом через буфер записи, который в дальнейшем отключается, и включаются обратные связи последовательного регистра. Считывание производится последовательным способом.

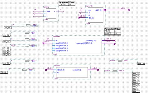
Назначение элементов и их программы.- устройство, генерирующее синхроимпульсы.(мультиплексор) - устройство, соединяющее с единственным выходом тот из входов данных, адрес которого указан на адресных входах.(декодер) - устройство, позволяющее перевести число из одной системы счисления в другую.

Последовательный регистр (регистр сдвига) - представляет собою цепочку разрядных схем, связанных цепями переноса. Служит для сдвига разрядов от одного триггера к последующему на каждый импульс тактового сигнала.

Полусумматор


Диаграммы полусумматора


Одноразрядный сумматор

Временные диаграммы одноразрядного сумматора



Четырехразрядный сумматор



Временные диаграммы четырехразрядного сумматора



Программа, отражающая функционирование параллельного регистра на 4 разряда.











Схема устройства

Временная диаграмма устройства

Заключение

В данной работе выполнены проектирование и симуляция логического устройства. Работа позволила закрепить теоретические знания, получить опыт проектирования реальных логических устройств с использованием интегрированной среды разработки встроенного программного обеспечения для программируемых логических интегральных схем Altera Quartus II. Кроме того, в ходе выполнения работы была освоена Unix-подобная операционная система GNU/Linux и получен опыт документального оформления логических схем и диаграмм работы устройства.

Литература

Лекции доцента кафедры ЦВТиИТ Нееловой О.Л.

Методическое пособие по курсу ВТиИТ ( Неелова О.Л.)

Цифровая схемотехника. Угрюмов Е.П.

Похожие работы на - Устройство для сложения четырехразрядных двоичных чисел

 

Не нашли материал для своей работы?
Поможем написать уникальную работу
Без плагиата!
Без нейросетей!