Разработка устройства сравнения трех чисел

  • Вид работы:
    Курсовая работа (т)
  • Предмет:
    Информационное обеспечение, программирование
  • Язык:
    Русский
    ,
    Формат файла:
    MS Word
    77,39 Кб
  • Опубликовано:
    2013-06-24
Вы можете узнать стоимость помощи в написании студенческой работы.
Помощь в написании работы, которую точно примут!

Разработка устройства сравнения трех чисел

Аннотация

Пояснительная записка посвящена проектированию схемы сравнения. Она содержит исходные данные к проектированию, анализ задачи, общую схему алгоритма работы устройства, структурную схему устройства, функциональную и принципиальную схемы, а также оценку параметров устройства.

Содержание

Задание

Аннотация

Введение

. Анализ задания и постановка задачи

. Общая схема алгоритма функционирования устройства

. Разработка функциональной схемы устройства

. Разработка принципиальной электрической схемы

.1 Схема задержки

.2 Схема сброса по питанию

.3 Комбинационная схема определения среднего числа

. Построение временной диаграммы

. Оценка потребляемой мощности и аппаратных затрат

Библиографический список

Введение

сравнение число алгоритм

Что же собой представляют схемы сравнения? Из чего они состоят? Для сравнения операндов в цифровых системах используются специальные схемы сравнения, так называемые двоичные компараторы. Компараторы могут сравнивать любые операнды. От одноразрядных операндов до n - разрядных операндов в зависимости от микросхемы и ее возможности.

Компаратор - это сравнивающее устройство. Аналоговый компаратор предназначен для сравнения непрерывно изменяющихся сигналов. Входные аналоговые сигналы компаратора: Uвх - анализируемый сигнал и Uоп - опорный сигнал сравнения, а выходной Uвых - дискретный или логический сигнал, содержащий 1 бит информации.

Выходной сигнал компаратора почти всегда действует на входы логических цепей и потому согласуется по уровню и мощности с их входами. Таким образом, компаратор - это элемент перехода от аналоговых к цифровым сигналам, поэтому его иногда называют однобитным аналого-цифровым преобразователем.

Неопределенность состояния выхода компаратора при нулевой разности входных сигналов нет необходимости уточнять, так как реальный компаратор всегда имеет либо конечный коэффициент усиления, либо петлю гистерезиса.

На выходах компараторов мы получаем соответственно «Равнозначность» или «Больше или меньше», в зависимости от микросхемы.

Например, для равенства двух одноразрядных операндов А и В реализуется логической операцией . Для определения равенства n - разрядных операндов выполняется логическое умножение, т.е. конъюнкция результатов сравнения отдельных разрядов:

Более сложными и широко используемыми являются схемы сравнения для определения неравенства. Для одноразрядных операндов такие функции сравнения реализуются на основе операции «Запрет»: ,.

Если говорить о n - разрядных операндов, то операция сравнения производится последовательно с младшего разряда.

После сравнения чисел нам необходимо выяснить, какое из чисел среднее. Нам в этом помогла комбинационная схема, которая путем сравнения записала в выходной регистр среднее число.

Темой данного курсового проекта является разработка устройства схемы сравнения трех восьмиразрядных чисел и выявление из них среднего числа.

1.     
Анализ задания и постановка задачи

По условию поставленной задачи необходимо спроектировать устройство сравнения трех чисел и выяснить, какое из этих чисел является средним. Причем, необходимо предусмотреть возможность равенства хотя бы двух чисел загружаемые извне и обеспечить благополучного вывода результата.

Схема сравнения будет осуществляться следующим образом. По стартовому сигналу на входные 8 - разрядные регистры подадим извне одновременно три 8 - разрядных числа. Эти три числа поступают на компараторы, где путем сравнения мы выясняем какие из чисел больше или меньше, а какие даже равны.

Далее идет комбинационная схема, которая обрабатывает выходные сигналы компараторов путем проверки. Проверка будет осуществляться простым сравнением выходов на сигнал «1» или «0». Эта комбинационная схема выполняет основную задачу в распределении сравнения чисел. Если у нас есть два одинаковых числа, то мы путем использования соответствующих логических элементов подаем на управляющий вход ОЕ выходного регистра сигнал «1», что приведет его в нерабочее состояние, т.е. в z - состояние. Также одновременно подавая сигнал «0» на синхроимпульс «Триггера готовности». «Триггер готовности» соответственно сформирует выходной сигнал готовности, который скажет, что устройство готово принять новые три числа для сравнения.

Если получилось, что у нас нет одинаковых чисел, то при подачи сигнала «0» или «1» на вход «ОЕ» трех основных шинных формирователей, в последствии которого будет работать один шинный формирователь, мы сможем узнать какое число среднее. Остальные шинные формирователи перейдут в z - состояние. Так как их всего три, то в соответственно какой из них открытый, т.е. он не находиться в z - состоянии, тот и подаст на выходной регистр соответствующее среднее число с учетом, конечно, подачи соответствующего сигнала от схемы задержки на синхроимпульс выходного регистра.

Таким образом, можно полностью представить себе задачу проектирования данного устройства.

.       
Общая схема алгоритма функционирования схемы сравнения

Весь цикл работы устройства показан на рис. 1.

В начальный момент времени, когда устройство включают все триггеры и регистры сбрасываются в начальное состояние. После этого устройство ждет прихода трех чисел.

1. Если приход чисел будет подаваться извне, то к данному устройству должно быть подключено какое-то внешнее устройство. На первом шаге мы ждем прихода трех 8 - разрядных числа. Например, числа А, В и С. После того как они пришли, мы их зафиксируем во входных регистрах (RG1, RG2 и RG3).

. После того как эти три числа пришли мы из подаем на компараторы. где происходит сравнение на «Равенство» или «Больше».

Для сравнения мы заводим первое (число А) и второе (число В) числа на первый компаратор, второе (число В) и третье (число С) числа на второй компаратор, а первое (число А) и третье (число С) число на третий компаратор соответственно.

. Если в ходе сравнения обнаружены хотя бы два одинаковых числа, то через «Триггер готовности» формируем выходной сигнал готовности, который говорит, что устройство готово принять новые три числа для сравнения.

. Через схему определения среднего числа подаем сигнал «0» или «1» на управляющий вход ОЕ (Output Enable) шинных формирователей (BD1, BD2 и BD3). Т.е. схема сравнения открывает один из шинных формирователей, исходя из результатов сравнения трех чисел.

. Открытый шинный формирователь формирует соответствующий выходной код (число А, число В или число С), который записывается в выходной регистр с учетом прихода синхроимпульса от схемы задержки. Например, если управляющий вход ОЕ первого шинного формирователя BD1 будет в состоянии «1», то он сформирует выходной код «числа А», т.е. в выходной регистр будет записано «число А» в виде среднего числа, а остальные шинные формирователи BD2 и BD3 перейдут в z - состояние.

Рис. 1. Схема алгоритма работы схемы сравнения

3.     
Разработка функциональной схемы сравнения

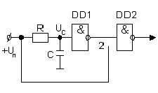
Обобщенная функциональная схема «схемы сравнения» представлена на рис. 2.

Рис. 2. Обобщенная функциональная схема сравнения

4. Разработка принципиальной электрической схемы сравнения

Для принципиальной реализации наиболее подходящими являются микросхемы серии 1533 - данные микросхемы имеют технологию ТТЛШ. Я выбрал их потому что они более распространены, маломощные быстродействующие цифровые интегральные микросхемы, имеют наибольшую помехоустойчивость. Микросхемы обладают минимальным значением произведения быстродействия на рассеиваемую мощность. Серии 1533 Работают с частотами до 100 МГц. Выберем следующие микросхемы КР1533ИРТМ2, КР1533ИР23, КР1533ФП4, КР1533ЛИ10, КР1533ЛЕ4, КР1533ЛН1, КР1533ЛЕ1, КР1533ЛА3, КР1533ЛА22 и SN74LS684. Использование микросхем одинаковых технологий решает проблему совместимости.

КР1533АП4 - шинный формирователь. Это 8 - разрядный шинный формирователь с прямыми выходами и сигналами управления  и . Описывается функцией:

;

КР1533ИР23 - синхронный регистр памяти с Z - состоянием выходов. Такие регистры памяти выполняются на триггерах различных типов. Это 8 - разрядный регистр памяти выполненный на D - триггерах. При подаче на ОЕ=0 микросхема разрешает вывод данных. Сигнал С - сигнал синхронизации срабатывающий по переднему фронту;

КР1533ТМ2 - Синхронный D - C триггер с асинхронными потенциальными входами R и S. Он описывается функцией ;LS684 - 8 - ми разрядный компаратор с результатом сравнения «Равно» и «Больше»;

КР1533ЛА3 - 2 элемента 2И-НЕ;

КР1533ЛА22 - 1 элемент 4И-НЕ;

КР1533ЛЕ1 - 3 элемента 2ИЛИ-НЕ;

КР1533ЛЕ4 - 1 элемент 3ИЛИ-НЕ;

КР1533ЛИ10 - 6 элементов 3И;

КР1533ЛН1 - 8 инверторов.

Для защиты схем от высокочастотных помех поставим фильтр в цепь питания, он будет состоять из конденсаторов, количество которых соответствует числу корпусов микросхем, а от низкочастотных помех поставим один электролитический конденсатор в блок питания.

Чтобы структурировать процесс разработки принципиальной электрической схемы он разбит на несколько этапов. Выделим основные блоки или моменты принципиальной схемы электрической.

.1 Схема задержки

Для того, чтобы обеспечить задержку на время τ можно использовать схему показанную на рис. 5.

Рис. 5. Схема задержки

Рис. 6. Временные диаграммы

Временные диаграммы схемы задержки показаны на рис. 6.

Подсчитаем время прохождения от начала записи трех чисел до момента записи в регистр.


Возьмем время задержки с запасом. Например, τ = 350 нс.

Зададим следующие параметры:

• UПИТ. = 5 В,

• UЛОГ.1 = 3.2 В,

• τ = 350 нс,

• С1 = 0.01 мкФ.

Времязадающие элементы в схеме задержки связанны следующей формулой: τ = 3RC.



4.2 Схема сброса по питанию

Сразу после подачи питания необходимо произвести начальную установку «Триггера готовности». Для этих целей будем использовать схему сброса по питанию. Инвертор на выходе используется для повышения нагрузочной способности.

Рис. 3. Схема сброса по питанию

Его временные диаграммы представлены на рис. 4.

Рис. 4. Временные диаграммы сброса по питанию

Времязадающие элементы в схеме сброса по питанию связанны следующей формулой: Т=3RC

Пусть

τ = 150 нс;

С2 = 0.01 мкФ.

Тогда

.3 Комбинационная схема определения среднего числа

Рис. 7. Схема определения среднего числа
 

Построим по схеме определения среднего числа таблицу истинности, представленную на таблице 1

Табл. 1. Таблица истинности схемы определения среднего числа

Варианты  сравнений 0

A=B  1

A>B  2

B=C  3

B>C  4

C=A  5

C>A  6

  7

A<B  8

B<C  9

C<A  10

  11

  12

  13

  14

  15

  16

  17

  18

  19

  20

B < A < C

0

1

0

0

0

1

1

0

1

0

0

1

0

0

0

0

0

1

1

0

C < A < B

0

0

0

0

0

1

1

0

1

1

0

0

0

0

0

0

1

1

0

A < B < C

0

0

0

0

0

1

1

1

1

0

0

0

1

0

0

0

1

0

1

0

C < B < A

0

1

0

1

0

0

1

0

0

1

0

0

0

1

0

0

1

0

1

0

A < C < B

0

0

0

1

0

1

1

1

0

0

0

0

0

0

1

1

1

0

0

B < C < A

0

1

0

0

0

0

1

0

1

1

0

0

0

0

1

0

1

1

0

0

A = B < C

1

0

0

0

0

1

0

0

1

0

0

0

0

0

0

0

1

1

1

1

A = B > C

1

0

0

1

0

0

0

0

0

1

0

0

0

0

0

0

1

1

1

B > A = C

0

0

0

1

1

0

0

1

0

0

0

0

0

0

0

0

1

1

1

1

B < A = C

0

1

0

0

1

0

0

0

1

0

0

0

0

0

0

0

1

1

1

1

B = C > A

0

0

1

0

0

1

0

1

0

0

0

0

0

0

0

0

1

1

1

1

B = C < A

0

1

1

0

0

0

0

0

1

0

0

0

0

0

0

1

1

1

1

 
 
Поясним таблицу истинности подробней. В начале, я рассчитал, сколько может быть вариантов сравнений. Варианты сравнений трех чисел, например, А, В и С, представлены в 0 колонке. Далее, с учетом нумераций входов и выходов схемы определения среднего числа, представленной на рис. 7. я определил различные ситуации, представленные в таблице 1.

Посмотрев на 20 колонку, мы можем сказать, что при равенстве хотя бы двух чисел на выходе будет выходить «1», а если числа все разные, то на выходе будет выходить «0». Если сигнал будет равен «1», то схеме придётся принять новые три числа.

Выделенные жирным цветом единицы в колонках с 11 по 16 отвечают за формирование на выхода 17, 18 и 19 соответствующие сигналы «0» или «1». Если на выходе стоит «0», то это означает, что мы обнаружили среднее число.

Пример:< A < C. Выход под номером 12 будет соответствовать «1», что говорит о том, что при сложении с выходом 11, который равен «0», будет на выходе 17 равен «0». На остальных выходах 18 и 19 будет по «1». Выходы 17, 18 и 19 отвечают за управляющие входы трех шинных формирователей. Таблица состояний этих выходов обведены прямоугольником.

Приведем окончательные логические уравнения, по которым строилась схема определения среднего числа:

Для числа А: .

Для числа В: .

Для числа С: .

Эти уравнения, в результате которого какое число является среднее число, дадут «0». Например, если  = 0, а  и  = 1, то это означает, что средним числом будет число А.

Для определения максимальной потребляемой мощности необходимо суммировать мощности всех интегральных микросхем. Потребляемая мощность одной микросхемы вычисляется по формуле:


где Ucc - напряжение питания, а Icc - ток потребления.

Напряжение питания для интегральных микросхем серии К1533 Ucc = 5 В. Величину потребляемого тока каждой микросхемы возьмем в справочнике.

Рассчитаем потребляемые мощности:

КР1533АП4 - Pпот = 5В * 19 мА = 95 мВт;

КР1533ИР23 - Pпот = 5В * 28 мА = 140 мВт;

КР1533ЛА3 - Pпот = 5В * 3 мА = 15 мВт;

КР1533ЛА22 - Pпот = 5В * 5,1 мА = 25,5 мВт;

КР1533ЛЕ1 - Pпот = 5В * 4 мА = 20 мВт;

КР1533ЛЕ4 - Pпот = 5В * 4 мА = 20 мВт;

КР1533ЛИ10 - Pпот = 5В * 9,7 мА = 48,5 мВт;

КР1533ЛН1 - Pпот = 5В * 5 мА = 25 мВт;

КР1533ТМ2 - Pпот = 5В * 2.4 мА = 12 мВт;LS684 - Pпот =5В * 65 мА = 325 мВт.

Найдем общую потребляемую мощность схемы:

Pпот = 95*3+140*4+15+25,5+20+20+48,5*2+25*2+12+325*3=2059,5 мВт.

Для расчета нагрузочной способности выделим наиболее нагруженный элемент схемы - ими являются 3 микросхемы SN74LS684. Эти три микросхемы соединены с микросхемами КР1533ЛН1 и КР1533ЛИ10. Выполним расчет для одной из них.

Минимальный выходной ток микросхемы SN74LS684 Iвых min = 24 мА;

максимальный входной ток инвертора КР1533ЛН1 Iвх max = 0,2 мА.;

максимальный входной ток микросхемы КР1533ЛИ10 Iвх max = 0,2 мА.

Тогда 24 мА > 0,2 мА + 0,2*3 мА = 0,8 мА

мА > 0,8 мА

Исходя из неравенства, следует вывод, что выходной мощности достаточно для работоспособности схемы.

Рассчитаем емкость фильтрующих элементов

Расчет электролитического конденсатора произведем по формуле

,

где kп ≤ ΔUп/Uп - коэффициент пульсаций

Iн =19*3+28*4+3+5,1+4+4+9,7*2+5*2+2,4+65*3 = 412 мА (общий ток потребления)

Выберем стандартное значение емкости конденсатора С3= 11 мкФ

По справочной литературе выберем емкости керамических конденсаторов 0,1 мкФ. Количество их определяется количеством ИМС.

В качестве дискретных элементов выбираем следующие типы:

С3: КМ50-7-10В 11 мкФ±10%,

С4, С5, С6, С7, С8, С9, С10, С11, С12, С13, С14, С15, С16, С17, С18, С19, С20, С21, С22:

К31-7а - 0,1 мкФ ± 10%.

5. Построение временных диаграмм

Для наглядности работы схемы сравнения приведем временные диаграммы работы нашего устройства. На рис. 8 приведена диаграмма работы схемы сравнения.

Рис. 8. Временная диаграмма работы схемы сравнения

Обозначение на временных диаграммах: п - питание(+5В);- напряжение у конденсатора схемы сброса по питанию;

- выход после первого инвертора схемы сброса по питанию;

Выход - выход схемы сброса по питанию;- стартовый сигнал;

- задержка;

Готовность - триггер готовности.

.       
Оценка потребляемой мощности и аппаратных затрат

Сведения и потребляемой мощности и аппаратных затратах приведены в таблице 3.

Табл. 3. Оценка потребляемой мощности и аппаратных затрат

Наименование

Потр. мощность (на 1 корпус)

1 2 3 4 5 6 7 8 9 10

КР1533АП4 КР1533ИР23 КР1533ЛА3 КР1608ЛА22 КР1608ЛЕ1 КР555ЛЕ4 КР1533ЛИ10 КР1533ЛН1 КР1533ТМ2  SN74LS684

3 4 1 1 1 1 2 2 1 3

95 мВт 140 мВт 15 мВт 25,5 мВт 20 мВт 20 мВт 48,5 мВт 25 мВт 12 мВт 325 мВт

Итого: 19 2 059,5 мВт



Схема электрическая функциональная


Похожие работы на - Разработка устройства сравнения трех чисел

 

Не нашли материал для своей работы?
Поможем написать уникальную работу
Без плагиата!
Без нейросетей!