Моделирование радиомаячной системы посадки метрового диапазона с помощью программы Micro-Cap

  • Вид работы:
    Дипломная (ВКР)
  • Предмет:
    Информационное обеспечение, программирование
  • Язык:
    Русский
    ,
    Формат файла:
    MS Word
    2,21 Мб
  • Опубликовано:
    2013-10-04
Вы можете узнать стоимость помощи в написании студенческой работы.
Помощь в написании работы, которую точно примут!

Моделирование радиомаячной системы посадки метрового диапазона с помощью программы Micro-Cap

Содержание

Введение

1. Выбор направления исследования

.1 Цель работы и пути ее достижения

.2 Выбор программного обеспечения

. Теоретические исследования

.1 Системы посадки самолетов

.1.1 Назначение, состав и основные типы систем посадки

2.2 Система посадки метрового диапазона

2.3 Система посадки дециметрового диапазона

2.4 Система посадки сантиметрового диапазона

Программа схемотехнического моделирования Micro-Cap

.1 Общая характеристика

.2 Макромоделирование и его использование в учебном процессе

. Экспериментальные исследования

.1 Разработка схем замещения равносигнального радиомаяка

.2 Разработка макромоделей функциональных узлов равносигнального радиомаяка

.3 Экспериментальные исследования модели равносигнального радиомаяка

.3.1 Обоснование методики экспериментальных исследований

.3.2 Исследование идеальной модели равносигнального радиомаяка

.3.3 Исследование влияния помех на модель равносигнального радиомаяка

.4 Анализ полученных результатов и их использование в учебном процессе

. Технико-экономическая часть

.1 Сетевое планирование

.2 Расчет параметров сетевого графика

.3 Социально-экономическая эффективность мероприятий по совершенствованию организации труда

. Техника безопасности и гигиена труда при работе с компьютером

Заключение

Литература

Приложение

ВВЕДЕНИЕ

Функциональные возможности использования авиации во многом определяются качеством решения задач навигации, в частности, уровнем развития устройств и систем радионавигации.

Под термином «радионавигация» понимается наука о радиотехнических методах и средствах получения информации о положении и траектории движения подвижных объектов. Наиболее полно возможности радионавигации используются в авиации для навигационного обеспечения полетов воздушных судов (ВС), а также управление воздушным движением (УВД).

В гражданской авиации определяющим является требование безопасности полетов. В условиях интенсивного воздушного движения, наряду с надежностью самих самолетов, основой безопасности является качество получаемой навигационной безопасности. Этим объясняется большое внимание, уделяемое международной организацией гражданской авиации ICAO (International Civil Aviation Organization) вопросам организации воздушного движения, в частности, стандартизации требований, предъявляемых к авиационным навигационным системам.

Обеспечение полета требует наличия информации о положении ВС и параметрах его движения, как на борту, так и на наземных пунктах контроля и управления.

К настоящему времени разработано множество различных средств и систем, позволяющих определить на борту самолета его координаты и параметры движения. Совместное применение разнородных средств, использующих в своей работе различные физические процессы, способствует повышению надежности и достоверности получения необходимой информации. Различные навигационные датчики объединяются в бортовые навигационные комплексы. Необходимым звеном таких комплексов являются радионавигационные системы.

Наблюдение за полетом ВС на диспетчерских пунктах возможно только на основе радиотехнических средств. Для этих целей используются как радиолокационные (первичные и вторичные обзорные радиолокаторы), так и радионавигационные системы.

Среди большого количества радионавигационных систем и средств особое место занимают радиотехнические системы ближней навигации, которые специально разрабатывались как основное средство навигационного обеспечения полетов. Эти системы обладают достаточно высокой точностью навигационных измерений на расстояниях до 400 км от наземных радиомаяков и обеспечивают полеты по воздушным трассам и привод ВС на аэродром посадки.

Наиболее ответственным и сложным с точки зрения обеспечения безопасности этапом полета является посадка самолета. Помочь экипажу осуществить посадку в условиях плохой видимости призваны системы инструментальной посадки, позволяющие измерять отклонение ВС от заданной траектории снижения и дальность до точки приземления.

Дипломная работа посвящена моделированию радиомаячных систем посадки метрового диапазона с помощью программы схемотехнического моделирования Micro-Cap. Объектом моделирования был выбран равносигнальный радиомаяк.

При моделировании основное внимание уделялось процессу формирования сигнала в точке приема («на борту воздушного судна») от радиомаяка, работающего по равносигнальному методу.

Полученную модель равносигнального радиомаяка предполагается использовать в лабораторном практикуме, а именно для постановки лабораторных работ по изучению радиомаячных систем посадки, исследованию формы сигнала в точке приема и его характеристики (спектральный состав, парциальные коэффициенты модуляции и т.д.).

1. выбор направления исследования

.1 Цель работы и пути ее достижения

Целью дипломной работы является разработка имитационной модели на ЭВМ радиомаячной системы посадки метрового диапазона, позволяющей исследовать в учебном процессе принципы работы и основные характеристики таких систем.

Использование компьютера как средства обучения имеет свои преимущества и недостатки. Подготовка современного инженера немыслима без широкого использования в учебном процессе ЭВМ. Применение ЭВМ в ВУЗе - не дань моде, а объективная необходимость, вызванная возрастающей ролью ЭВМ в учебной и научной работе.

Компьютеризация обучения является важным средством интенсификации и улучшения учебной работы. На первом этапе компьютер выступает предметом учебной деятельности, в ходе которой приобретаются знания о работе машины, изучаются языки программирования, усваиваются навыки работы оператора. На втором этапе этот предмет превращается уже в средство решения учебных или профессиональных задач, в орудие деятельности человека.

Любое средство, используемое в учебном процессе, является лишь одним из равноправных компонентов дидактической системы наряду с другими ее звеньями, целями, содержанием, формами, методами, деятельностью педагога и деятельностью студента. Все эти звенья взаимосвязаны, и изменение в одном из них обусловливает изменения во всех других. Преобразуется, прежде всего, деятельность субъектов образования - преподавателя и студента. Им приходится строить принципиально новые отношения, осваивать новые формы деятельности в связи с изменением средств учебной работы и специфической перестройкой ее содержания. И в этом, а не в овладении компьютерной грамотностью преподавателями и студентами, состоит основная трудность компьютеризации образования. Использование ЭВМ может значительно повысить эффективность учебного процесса и облегчить труд преподавателя.

Выделяются три основные формы, в которых может использоваться компьютер при выполнении им обучающих функций: а) как тренажер; б) как репетитор, выполняющий определенные функции за преподавателя, причем машина может выполнять их лучше, чем человек; в) как устройство, моделирующее определенные предметные ситуации (имитационное моделирование). Возможности компьютера широко используются и в такой неспецифической по отношению к обучению функции, как проведение громоздких вычислений или в режиме калькулятора.

Тренировочные системы наиболее целесообразно применять для выработки и закрепления умений и навыков. Здесь используются программы контрольно-тренировочного типа: шаг за шагом учащийся получает дозированную информацию, которая наводит на правильный ответ при последующем предъявлении задания.

Отличие репетиторских систем определяется тем, что при четком определении целей, задач и содержания обучения используются управляющие воздействия, идущие как от программы, так и от самого учащегося: «Для обучающих систем такой обмен информацией получил название диалога». Таким образом, репетиторские системы предусматривают своего рода диалог обучающегося с ЭВМ в реальном масштабе времени. Обратная связь осуществляется не только при контроле, но и в процессе усвоения знаний, что дает учащемуся объективные данные о ходе этого процесса.

Компьютер, выступая в функции средства реализации целей человека, не подменяет процессов творчества, не отбирает их у студентов. Это справедливо и для тех случаев, когда ЭВМ используется для учебного имитационного моделирования, дающего режим «интеллектуальной игры», хотя, бесспорно, что именно в этой функции применение компьютера наиболее перспективно. С его помощью создается такая обучающая среда, которая способствует активному мышлению учащихся.

Использование машинных моделей тех или иных предметных ситуаций раскрывает недоступные ранее свойства этих ситуаций, расширяет зону поиска вариантов решений и их уровень. Увеличивается число порождаемых пользователем целей, отмечается оригинальность их формулировки. В процессе работы перестраиваются механизмы регуляции и контроля деятельности, трансформируется ее мотивация. Все это определяется тем, насколько программисту удается заложить в обучающую программу возможности индивидуализации работы учащегося, учесть закономерности учебной деятельности.

Индивидуализацию называют одним из преимуществ компьютерного обучения. И это действительно так, хотя индивидуализация ограничена возможностями конкретной обучающей программы и требует больших затрат времени и сил программиста. Однако тот идеал индивидуализации, который связывают с широким внедрением персональных компьютеров, имеет и свою оборотную сторону. Индивидуализация свертывает и так дефицитное в учебном процессе диалогическое общение и предлагает его суррогат в виде «диалога» с ЭВМ. Подсчитано, что за полный учебный год студент имеет возможность говорить считанные десятки минут, - в основном он молча воспринимает информацию. Средство формирования мысли - речь - оказывается фактически выключенным. Студенты не имеют достаточной практики диалогического общения на языке изучаемых наук, а без этого, как показывают психологические исследования, самостоятельное мышление не развивается.

Проблемы компьютерного обучения, как показано выше не сводятся к массовому производству компьютеров и встраиванию их существующий учебный процесс. Использование вычислительной техники расширяет возможности человека, однако, оно является лишь инструментом, орудием решения задач, и его применение не должно превращаться в самоцель, моду или формальное мероприятие.

Сама возможность компьютеризации учебного процесса возникает тогда, когда выполняемые человеком функции могут быть формализованы и адекватно воспроизведены с помощью технических средств. Поэтому прежде чем приступать к проектированию учебного процесса, преподаватель должен определить соотношение между автоматизированной и неавтоматизированной его частями. По некоторым литературным источникам, автоматизированный режим по объему учебного материала может достигать 30% содержания.

При проектировании содержания учебной деятельности нужно иметь в виду, что в нее входят знания из предметной области, а также те знания, которые необходимы для усвоения содержания учебного предмета, включая знания о самой предметной деятельности. При этом, чем больший фрагмент обучения охватывает обучающая программа, тем большее значение приобретает этот второй компонент содержания. Здесь могут пригодиться элементы математики, формальной логики, эвристические средства решения учебных задач. В соответствии с концепцией знаково-контекстного обучения теория усваивается в контексте практического действия и, наоборот, практические действия имеют своей ориентировочной основой теорию.

Для достижения цели дипломной работы необходимо решить следующие задачи:

·   провести анализ систем посадки воздушных судов, выбрать и обосновать систему посадки для исследований;

·   изучить принцип формирования сигналов с использованием равносигнального радиомаяка;

·   синтезировать функциональные схемы равносигнального радиомаяка;

·   разработать макромодели основных узлов;

·   провести экспериментальные исследования;

·   разработать методику выполнения лабораторных работ.

1.2 Выбор программного обеспечения

Компьютер является не просто техническим устройством, он предполагает соответствующее программное обеспечение. В настоящее время написание собственной программы схемотехнического моделирования, как правило, нецелесообразно, так как уже существует целый ряд программ (ALPAC, Circuit Maker, Design Lab, Electronics Workbench, Micro-Cap, System View), которые позволяют решить обширный круг задач, стоящих перед инженерно-техническими работниками и студентами, занимающимися схемотехническим проектированием аналоговых и цифровых устройств радиоэлектроники и автоматики. Кроме того, разработка подобных программ весьма трудоемкий процесс, требующий высокой квалификации в области радиотехники и программирования, а также значительных затрат времени. Приведем краткую характеристику наиболее популярных программ схемотехнического моделирования.

ALPAC - предназначена для проектирования и моделирования электрических схем и систем во временной и частотной областях. В их состав могут входить как цифровые, так и аналоговые компоненты, в том числе устройства диапазона СВЧ. Выполняются следующие виды расчетов: режим по постоянному току, частотные характеристики, спектральная плотность и коэффициент шума, чувствительность и параметрическая оптимизация, переходные процессы, спектры сигналов, анализ периодических режимов, статистический анализ по методу Монте-Карло. В состав ALPAC входит подпрограмма расчета трехмерных электромагнитных полей микрополосковых конструкций и других устройств диапазона СВЧ.

Design Lab - интегрированный программный комплекс корпорации MicroSim для сквозного проектирования аналоговых, цифровых и смешанных цифро-аналоговых устройств, синтеза устройств программируемой логики и аналоговых фильтров. Проектирование начинается с ввода принципиальной схемы, ее моделирования и оптимизации и заканчивается созданием управляющих файлов для программаторов и разработкой печатной платы.

Electronics Workbench - в отличии от других программ схемотехнического моделирования на экране изображаются приборы с органами управления, максимально приближенными к реальности. Пользователь освобождается от изучения довольно абстрактных правил составления заданий на моделирование.

Micro-Cap - система схемотехнического моделирования, с помощью которой выполняется графический ввод проектируемой схемы, анализ характеристик аналоговых, цифровых и смешанных аналого-цифровых устройств. Включены также средства синтеза пассивных и активных аналоговых фильтров, средства моделирования функциональных схем аналоговых и цифровых устройств, возможности анимации цифровых устройств и построение 3-мерных графиков результатов моделирования.

System View - программа System View представляет собой конструктор, с помощью которого из стандартных «кубиков» строится функциональная схема исследуемой электронной системы. После соединения всех функциональных модулей и подключения измерительных устройств задаются системные параметры (длительность интервала наблюдения, частота дискретизации, параметры быстрого преобразования Фурье) и выполняется моделирование. В отдельном окне просматриваются и обрабатываются результаты анализа.

Для решения поставленной задачи из выше перечисленных программ наиболее подходящими являются Design Lab и Micro-Cap. Свой выбор сделаем в пользу программы схемотехнического моделирования Micro-Cap. Этот выбор обусловлен наличием в этой программе возможности макромоделирования. Макромоделирование позволяет представить моделируемое устройство в виде отдельных функциональных узлов, выполняющих определенные операции преобразования сигнала. Программа схемотехнического моделирования Micro-Cap получила широкое распространение при обучении студентов, так как очень удобна для первоначального освоения схемотехнического моделирования электронных схем и не предъявляет высоких требований к компьютерам. Студенты радиотехнического факультета ДГТУ начинают знакомство с этой программой на начальных курсах и успешно осваивают ее в течение всего обучения в ВУЗе. Программа схемотехнического моделирования Micro-Cap включена в программы обучения многих дисциплин.

2. Теоретические исследования

.1 Системы посадки самолетов

.1.1 Назначение, состав и основные типы систем посадки

Системы посадки (СП) предназначены для получения на борту ВС и выдачи экипажу и в систему автоматического управления информации о значении и знаке отклонения от установленной траектории снижения, а также для определения моментов пролета характерных точек при заходе на посадку и выполнении посадки.

Посадка самолета является наиболее сложным и ответственным этапом полета с точки зрения обеспечения безопасности. Это обусловливает внимание, уделяемое Международной организацией гражданской авиации (ICAO) стандартизации аппаратуры СП и предъявляемых к ней требований.

Нормы ICAO устанавливают три категории СП, которые характеризуются метеоусловиями, определяющими видимость наземных ориентиров, и высотой принятия решения Нпр. Под этой высотой понимается высота, отсчитанная от поверхности взлетно-посадочной полосы (ВПП) до колес самолета, на которой должен быть начат маневр ухода на повторный заход в случае отсутствия надежного визуального контакта с ВПП:

•I категория соответствует высоте принятия решения Нпр ≥ 60 м;

•II категория соответствует высоте принятия решения 30 м ≤ Нпр < 60 м;

•        III категория разбита на три подкатегории:

а)      IIIA характеризуется высотой принятия решения 15 м ≤ Нпр <

<       30 м и наличием визуальных ориентиров при пробежке и рулежке самолета по ВПП;

б)      ШВ характеризуется отсутствием высоты принятия решения (т.е. вплоть до касания ВПП) и полным или частичным отсутствием визуальных ориентиров при пробежке самолета по ВПП;

в)      ШС характеризуется отсутствием высоты принятия решения и визуальных ориентиров при пробежке и рулежке самолета по ВПП.

Все системы посадки самолетов состоят из наземного и бортового оборудования. Наземное оборудование предназначено для излучения сигналов, несущих информацию об отклонении точки приема от заданной траектории снижения в горизонтальной (курсовые РМ - КРМ) и вертикальной (глиссадные РМ - ГРМ) плоскостях, а также об удаленности точки приема от расчетной точки приземления (дальномерные РМ - ДРМ) либо о прохождении некоторых фиксированных точек траектории (маркерные РМ - МРМ).

Бортовое оборудование СП обеспечивает прием и преобразование сигналов наземных РМ и выдачу соответствующей информации на индикаторы пилотов и в САУ.

В настоящее время в эксплуатации находятся системы посадки метрового, дециметрового и сантиметрового диапазонов волн.

2.2 Системы посадки метрового диапазона

Системы посадки метрового диапазона наиболее широко используются в гражданской авиации.

В качестве международной системы посадки стандартизована система ILS (Instrument Landing System). Международным стандартам соответствуют отечественные системы СП-70, -75, -80.Наземное оборудование системысодержит пять РМ: курсовой (КРМ), глиссадный (ГРМ) и три маркерных - дальний (ДМРМ), средний (СМРМ), ближний (БМРМ).

На рис.1. показан пример расположения радиомаяков системы ILS относительно ВПП.

Рис.1. Пример расположения радиомаяков системы ILS

Заданная траектория захода на посадку определяется положениями линий курса и глиссады, формируемых антенными системами курсового и глиссадного радиомаяков.

Информативный параметр сигнала в каналах курса и глиссады - разность глубин модуляции радиосигналов.

Канал курса использует частотный диапазон 108... 112 МГц. КРМ расположен на оси ВПП. Антенная система КРМ формирует в различных модификациях системы либо две ДН, пересекающиеся на оси ВПП («равносигнальный» КРМ, рис. 2., а), либо две ДН, одна из которых имеет максимум в направлении оси ВПП, а другая минимум (нуль) в этом направлении (КРМ с «опорным нулем», рис. 2., б).

Рис.2. Диаграмма направленности антенн КРМ при равносигнальном (а) варианте и варианте с «опорным нулем» (б)

В равносигнальном варианте антенная система КРМ излучает синфазные AM сигналы с частотами модуляции F1 = 90 Гц и F2 = 150 Гц:

е1,2=Еm1,2f1,2(φ)(1+m1,2sin2πF1,2t)sin ωt

где Еm1,2- амплитуды напряженностей полей в максимумах ДН;

f1,2(φ)- нормированные ДН в горизонтальной плоскости;

m1,2- коэффициенты амплитудной модуляции.

В дальней зоне при Еm1= Еm2= Еm результирующее поле равно

ер=е1+е2=Еm[f1(φ)+ f2(φ)][1+M1sin2πF1t+ M2sin2πF2t] sin ωt

где М1, М2- коэффициенты глубины пространственной модуляции.

Заданной линии курса (ЛК) соответствует направление, при котором М1 = М2 или разность глубин модуляции (РГМ) ∆M = М2 - М1 = 0. Если две ДН пересекаются по оси ВПП, то необходимо выдерживать равенство m1 = m2.

В бортовой аппаратуре (рис. 3.) принимаемый сигнал после детектора разделяется фильтрами Ф1, Ф2, настроенными на частоты F1 и F2. Полученные напряжения, пропорциональные коэффициентам модуляции, после детекторов Д1, Д2 подаются на схему сравнения СС. Сигнал с выхода последней пропорционален величине ∆M, а следовательно, угловому отклонению точки приема от оси ВПП.

Рис.3. Структурная схема бортового оборудования курсового канала

В варианте КРМ с «опорным нулем» антенная система формирует

в ДН f1(φ) AM сигнал с частотами модуляции F1 и F2. В ДН f2(φ) формируется балансно-модулированный (БМ) сигнал с теми же частотами модуляции, фазы которых в двух лепестках отличаются на π:

е1=Еm1f1(φ)[(1+m1sin2πF1t)+(1+m2sin2πF2t)]sin ωt,

е2=Еm2f2(φ)[(1+m1sin2πF1t)-(1+m2sin2πF2t)]sin ωt.       

При m1=m2=m амплитуда результирующего поля в дальней зоне Ер=2Еm1f1(φ){1+M1sin2πF1t+M2sin2πF2t}.

Коэффициенты глубины пространственной модуляции


Заданной линии курса соответствует направление, при котором ∆M =0.

Для обработки сигналов на борту самолета в обоих вариантах построения КРМ используется одна и та же аппаратура.

Рассмотренные варианты КРМ используются в системах посадки I категории. Их недостатком является сильное влияние на положение линии курса сигналов, отраженных от местных предметов.

В системах посадки II и III категорий используются двухканальные КРМ с «опорным нулем», в которых формируются основной (узкий) и дополнительный (широкий) каналы. В узком канале (сплошные линии на рис.4) ширина ДН равна 8... 10°, что в 3 - 4 раза меньше, чем в одноканальном КРМ. Широкий канал (канал клиренса) имеет двухлепестковую ДН (пунктир на рис.4.), нулевое значение которой совпадает с линией курса (осью ВПП). Ширина каждого лепестка 30...40°, а их максимумы ориентированы под углом 15...20° к линии курса.

Более узкая ДН основного канала способствует снижению влияния переотраженных сигналов. Канал клиренса (отклонения) служит для указания экипажу направления выхода в зону действия узкого канала.

Рис.4. Диаграмма направленности двухканального варианта курсового канала с «опорным нулем» :1,3-излучение АМ сигнала; 2,4-излучение БМ сигнала

Диаграммы направленности 1 и 3 соответствуют AM сигналам с частотами модуляции 90 и 150 Гц, а диаграммы 2 и 4 - балансно-модулированным (БМ) сигналам с теми же частотами. При этом с одной стороны от ЛК на борту заходящего на посадку самолета по каналу клиренса принимается сигнал с частотой модуляции 90 Гц, а с другой стороны от ЛК с частотой 150 Гц.

При малых отклонениях от линии курса сигналы канала клиренса, переотраженные от местных предметов, будут поступать на вход бортового приемника. Для их подавления сигналы двух каналов КРМ должны отличаться по частоте (частотный клиренс) или фазе (квадратурный клиренс).

При частотном клиренсе сигналы широкого и узкого каналов сдвинуты по несущей частоте на 5... 14 кГц. При квадратурном клиренсе несущие частоты в двух каналах одинаковы, но сдвинуты по фазе на 90°.

Зона действия КРМ охватывает сектор ±35° в горизонтальной плоскости и 7° в вертикальной плоскости. Дальность действия КРМ составляет 46 км в секторе ±10° и 31,5 км в секторе ±35° относительно оси ВПП. Допустимое отклонение по курсу от оси ВПП (для точки принятия решения) составляет:

СП I категории   ………………………………………………......± 10,5 м

СП II категории…………………………………………………….±7,5 м

СП III категории…………………………………………………....± 3,0 м

Канал глиссады использует частотный диапазон 328,6... 335,4 МГц. Глиссадные радиомаяки практически полностью аналогичны соответствующим КРМ. Бортовая аппаратура канала глиссады практически не отличается от бортовой аппаратуры канала курса.

В равносигнальных ГРМ (рис.5., а) антенная система состоит из двух антенн, ДН которых пересекаются по линии глиссады (ЛГ). В нижней антенне используется частота модуляции F1= 150 Гц, в верхней антенне - F2 = 90 Гц. Заданной линии глиссады соответствует направление, при котором разность глубин модуляции ∆М= 0.

В канале глиссады с «опорным нулем» (рис.5., б) нижняя антенна (НА) формирует ДН fна(θ), которая соответствует излучению AM сигнала с частотами модуляции F1 и F2. Верхняя антенна (ВА) формирует двухлепестковую ДН fВА(θ), минимум которой совпадает с направлением ЛГ. Этой антенной излучается балансно-модулированный сигнал.

В системах посадки II и III категорий используются двухканальные ГРМ с «опорным нулем». Положение ЛГ задается в основном канале. Диаграмма канала клиренса формируется нижней и дополнительной верхней антеннами.

При вводе ГРМ в эксплуатацию ЛГ устанавливают под номинальным углом θ0. ГРМ должен допускать регулировку угла θ0 в пределах 2...4°.

Рис.5. Диаграмма направленности антенн ГРМ при равносигнальном (а) варианте и варианте с «опорным нулем» (б)

Зона действия ГРМ в горизонтальной плоскости ограничена сектором ±8° относительно оси ВПП и расстоянием 18,5 км, а в вертикальной плоскости углами 0,45θ0 и 1,75θ0. Допустимое отклонение угла глиссады от номинального (в долях θ0) составляет:

СП I категории…………………………………………….   ± 0,075

СП II категории……………………………………………   ± 0,075

СП III категории………………………………………………±0,040

Маркерный канал работает на частоте 75 МГц и предназначен для фиксации прохождения самолетом определенных точек траектории снижения.

Антенна МРМ формирует ДН в виде направленной вверх воронки. Излучаемый сигнал является амплитудно-модулированным с частотой модуляции 400 (дальний), 1 300 (средний) или 3 000 Гц (ближний МРМ). Для идентификации МРМ используется дополнительная манипуляция сигналов последовательностью точек или тире.

В некоторых модификациях СП используют два маркерных радиомаяка, располагаемые на удалении от начала ВПП 4 км (дальний) и 1 км (ближний).

В бортовом маркерном приемнике (рис.6.) сигнал после детектирования поступает на три фильтра, настроенные на частоты модуляции сигналов МРМ.

Пройдя через соответствующий фильтр, сигнал запускает схему световой и звуковой сигнализации. Кроме того, экипаж самолета имеет возможность прослушивать в телефоне код манипуляции сигнала МРМ.

Современные модификации СП метрового диапазона наряду с маркерным каналом используют дальномерную информацию. Даль-номерный маяк-ответчик устанавливается рядом с ГРМ. Система посадки ILS в этом случае использует дальномерную систему DME/P.

Системы посадки метрового диапазона имеют ряд недостатков:

·    узкий сектор относительно единственных линий курса и глиссады, где сохраняется линейная зависимость сигнала от угла отклонения от этих линий;

·        искривления линий курса и глиссады из-за влияния рельефа местности и параметров подстилающей поверхности в зонах, примыкающих к радиомаякам;

·        значительные габаритные размеры антенных устройств радиомаяков;

·        невозможность использования глиссады ниже высоты порядка 15 м, что требует выполнения посадки на этапе выравнивания по другим радиосредствам или визуально.

2.3 Системы посадки дециметрового диапазона

Наряду с задачами навигации задачу инструментальной посадки самолетов решает отечественная радиосистема ближней навигации (РСБН), которая изначально строилась как многофункциональная система. Одним из необходимых условий при разработке системы было использование единых бортовых приемных устройств для целей навигации и посадки, а следовательно, и единый частотный диапазон.

Наземное оборудование дециметровых систем посадки состоит из курсового и глиссадного радиомаяков и ретранслятора дальномера - посадочная радиомаячная группа (ПРМГ).

Курсовые и глиссадные радиомаяки используемых в настоящее время систем ПРМГ являются равносигнальными. Антенная система формирует ДН в виде двух пересекающихся главных лепестков, равносигнальная зона которых совпадает с линией курса у КРМ и линией глиссады у ГРМ. При формировании курсового «правого» и глиссадного «верхнего» лепестков излучаются сигналы, модулированные по амплитуде сигналом типа меандр с частотой F1 = 1 300 Гц. При формировании курсового «левого» и глиссадного «нижнего» лепестков излучаются сигналы, модулированные по амплитуде сигналом типа меандр с частотой F2 = 2 100 Гц. «Правый» («верхний») и «левый» («нижний») лепестки ДН формируются поочередно с частотой коммутации 12,5 Гц. Длительность сигнала в каждом лепестке - 35 мс, пауза между ними - 10 мс.

Рис.6. Структурная схема бортового маркерного приемника

Бортовое оборудование строится по схеме, применяемой в системах посадки метрового диапазона. Основным параметром, характеризующим отклонение самолета от линии курса или глиссады, является коэффициентом разнослышимости (КРС)


где Um1 и Um2 - амплитуды сигналов, модулированных соответственно частотами F1 и F2.

Ответные дальномерные сигналы ретранслятора дальномерного канала системы посадки ПРМГ аналогичны сигналам ретранслятора радиомаяка РСБН, работающего во всенаправленном режиме.

Глиссадный РМ и ретранслятор дальномерного канала работают на единой несущей частоте дальномерного канала РСБН. Курсовой РМ работает на частоте азимутального канала РСБН.

Системы посадки дециметрового диапазона имеют ряд преимуществ по сравнению с СП метрового диапазона:

•        меньшие габаритные размеры антенных систем и бортовой аппаратуры;

•        большая мобильность и меньшее время для развертывания.

Вместе с тем, основные недостатки, свойственные системам посадки метрового диапазона, присущи и дециметровым системам.

2.4 Системы посадки сантиметрового диапазона

Системы посадки сантиметрового диапазона разрабатывались с целью замены существующих СП метрового и дециметрового диапазонов. Они отличаются большими размерами секторов пропорционального наведения (СПН) (объем воздушного пространства, в котором измеренная угловая координата прямо пропорциональна угловому отклонению бортовой антенны от линии нулевого значения угла), возможностью формирования оптимальных траекторий захода на посадку. Эти системы могут одновременно обслуживать несколько ВС, следующих по различным траекториям, на этапах захода на посадку, выравнивания, посадки, руления, а также при взлете и заходе на второй круг.

Принципиальным отличием СП сантиметрового диапазона является обеспечение посадки по траектории, оптимальной для данного типа ВС. Линия курса и глиссады определяется на борту ВС на основе сравнения измеренных значений углов в горизонтальной и вертикальной плоскостях с заданными.

Международной организацией гражданской авиации (ICAO) стандартизована система посадки MLS (Microwave Landing System - микроволновая система посадки).

Полный комплект наземного оборудования MLS (рис.7.) состоит из дальномерной и угломерной подсистем.

Рис.7. Пример размещения радиомаяков систем MLS

В состав дальномерной подсистемы входит дальномерный радиомаяк ДРМ (ретранслятор дальномера). В системе MLS используются радиомаяк и бортовая аппаратура DME/P.

Угломерная подсистема использует диапазон частот 5 031... 5 090,7 МГц и состоит из четырех каналов - по два канала для измерения углов в горизонтальной и вертикальной плоскостях:

·        азимутальный радиомаяк РМА-1, обеспечивающий определение углового положения самолета относительно линии курса. Построение системы предусматривает два режима: с низкой (функция Аз-1) и высокой (функция АзС-1) частотой повторения (табл. 1);

·        азимутальный радиомаяк РМА-2, предназначенный для определения углового положения самолета относительно курса посадки при уходе на второй круг (функция Аз-2);

·        угломестный радиомаяк РМУМ-1, обеспечивающий определение угла в вертикальной плоскости при снижении самолета (функция УМ-1);

·        угломестный радиомаяк РМУМ-2, обеспечивающий определение угла в вертикальной плоскости при выравнивании самолета (функция УМ-2).

Кроме угловых параметров в угломерной подсистеме передаются основные и вспомогательные посадочные данные, а также сигналы клиренса, указывающие направление выхода в сектор пропорционального наведения при большом отклонении самолета от линии курса.

Угломерные маяки работают поочередно в соответствии с регламентированной последовательностью передачи угломерных функций. Синхронизация функций позволяет исключить интерференцию сигналов различных функций, передаваемых на единой несущей частоте.

Угломерные функции имеют различные периоды повторения. В табл. 1 приведены основные параметры угломерных функций: зона действия по измеряемому углу, скорость сканирования ωск, длительность передачи функции Тф и средняя частота повторения функции Fcp.

Таблица 2.4.1

Функция

Зона действия, º

ωск, º/мкс

Тф, мс

Fcp, Гц

Аз-1

-62…+62

0,02

15,9

13

АзС-1

-42…+42

0,02

11,9

39

Аз-2

-42…+42

0,02

11,9

6,5

УМ-1

-1,5…+29,5

0,02

5,6

39

УМ-2

-2…+10

0,01

5,3

39


Угловое положение φ определяется на борту ВС по временному интервалу tφ между сигналами C1 и С2, принятыми при сканировании ДН «туда» и «обратно» (рис.8.).

При ширине ДН антенны РМ 1...4º и скорости сканирования 0,02 °/с длительность сигналов составляет 50...200 мкс. Сигналы должны быть симметричны относительно центра сканирования.

Кроме сигналов, непосредственно несущих угловую информацию, на борту ВС принимаются и другие сигналы, необходимые для работы бортового оборудования. На рис.9. для примера показано содержание угломерной функции Аз-1.

Преамбула (Прб) содержит:

·    посылку несущей частоты (1), обеспечивающую подстройку частоты в бортовом приемнике;

·        код опорного времени (2), определяющий момент начала отсчета;

·        код опознавания функции (3), обеспечивающий необходимые переключения в бортовой аппаратуре при переходе от одной функции к другой.

Секторные сигналы (СС) содержат:

·    сигнал опознавания места установки АРМ (4);

·        сигнал выбора бортовой антенны (5), обеспечивающий выбор на борту ВС антенны, принимающей максимальный сигнал;

·        сигналы внезонной индикации и клиренса (6), используемые для исключения ложных измерений при полете ВС вне СПН или сектора клиренса;

·        тест-сигнал (7) для проверки бортовой аппаратуры.

Аналогичный тест-сигнал излучается также в конце периода

сканирования, перед импульсом конца сканирования (КСк).

Во время сканирования антенны «туда» и «обратно» РМ излучает немодулированные колебания несущей частоты. Временной интервал tφ между сигналами С1, и С2 линейно зависит от измеряемого угла φ.

Рис.8. Измерение угловой координаты в системе MLS

Принцип получения информации об угловом отклонении ВС от заданной траектории захода на посадку один и тот же в азимутальном и угломестном каналах. При этом в бортовой аппаратуре канала угла места имеется возможность установки оптимального для данного класса ВС угла глиссады. Обеспечение захода на посадку по оптимальной для данного типа ВС траектории является большим достоинством СП сантиметрового диапазона. Однако система существенно сложнее, чем СП метрового и дециметрового диапазонов, а реализация ее потенциальных возможностей требует решения многих технических проблем. В частности, качественные показатели системы существенно ухудшаются при воздействии переотраженных сигналов.

В то же время интенсивно проводятся работы по использованию дифференциального режима (ДР) СРНС (прежде всего, системы GPS) для обеспечения посадки ВС по категориям ICAO. Многократно показана пригодность ДР СРНС применительно к I категории, что позволило Федеральному авиационному агентству (FAA) США отказаться от продолжения работ по системе MLS, считая возможным продолжать использовать систему ILS.

Рис.9. Содержание угломерной функции Аз-1: Прб-преамбула; СС-секторные сигналы; КСк-конец сканирования; 1-посылка несущей частоты; 2-код опорного времени; 3-код опознавания функции; 4-сигнал опознавания места установки АРМ; 5-сигнал выбора бортовой антенны; 6-сигналы внезонной индикации и клиренса; 7-тест-сигнал

Проводятся исследования возможностей создания специальных ДР СРНС, позволяющих обеспечивать посадку в условиях II и даже III категорий ICAO. Перспективным направлением при этом является использование стационарных «псевдоспутников», располагаемых на поверхности Земли и излучающих сигналы, эквивалентные сигналам навигационных спутников. Ограничивающим фактором для использования СРНС для целей обеспечения посадки в настоящее время является недостаточная помехозащищенность СРНС. Однако в будущем, если эта проблема будет решена, СРНС может стать основным средством инструментальной посадки самолетов.

В настоящее время в эксплуатации находятся все рассмотренные системы посадки (метрового, дециметрового и сантиметрового диапазонов волн).

радиомаячный система посадка самолет

3. ПРОГРАМММА СХЕМОТЕХНИЧЕСКОГО МОДЕЛИРОВАНИЯ Micro-Cap

3.1 Общая характеристика

Для решения поставленной задачи была выбрана одна из программ семейства Micro-Cap (Microcomputer Circuit Analysis Program) фирмы Spectrum Software. Первый вариант Micro-Cap появился в 1981г. и быстро завоевал популярность в нашей стране, потому что не предъявлял высоких требований к компьютерам. Приведем краткую характеристику последних версий.

Micro-Cap IV (февраль 1992 г.). В Micro-Cap IV применены надежные вычислительные алгоритмы SPICE 2G.6 и исправлены замеченные в Micro-Cap III ошибки, при этом расширены функциональные возможности программы. Характерная особенность Micro-Cap IV - полная совместимость с пакетом PSpice как по принятым моделям компонентов, так и по текстовому описанию схемы.

Micro-Cap V версия 1.0 (август 1995г.). Программа Micro-CapV претерпела радикальные изменения. Во-первых, она переведена на платформу Windows, имеет удобный интерфейс, в текстовых надписях на схемах и графиках поддерживает кириллицу. Во-вторых, она теперь позволяет моделировать не только аналоговые, но и цифровые и аналого-цифровые электронные устройства. В-третьих, как для аналоговых, так и для цифровых компонентов, используются математические модели, принятые в известной программе PSpice. Для моделирования аналоговых компонентов оставлен алгоритм SPICE 2G.6, а для моделирования цифровых компонентов разработан собственный [15].

Micro-Cap V версия 2.0 (июнь 1997г.). Основные изменения связаны с развитием многовариантного анализа. Допускается одновременно варьировать до 10 переменных и строить графики зависимостей характеристик схемы от варьируемых параметров. Введен режим построения 3-мерных графиков. Значительно расширена библиотека компонентов.

Micro-Cap 6 (июль 1999г.). В этой версии введены следующие нововведения:

·   созданы средства синтеза аналоговых пассивных и активных фильтров;

·   усовершенствованы алгоритмы моделирования, повышена их точность и быстродействие;

·   введен отдельный режим анализа нелинейных схем в стационарном режиме по постоянному току и обеспечена визуализация непосредственно на схеме значений узловых потенциалов, токов ветвей и рассеиваемой мощности; введен анализ чувствительности и передаточных функций по постоянному току;

·   расширен перечень варьируемых параметров;

·   расширен перечень макрокоманд и математических функций, введены функции комплексных переменных, в частности, помимо преобразования Лапласа введено z-преобразование, введен встроенный датчик случайных чисел, расширен состав библиотек компонентов;

·   введен режим анимации при анализе цифровых устройств.

Приведем перечень основных характеристик Micro-Cap 6:

·   многостраничный графический редактор принципиальных схем, поддерживающий иерархические структуры;

·   поведенческое моделирование аналоговых и цифровых компонентов с помощью логических выражений;

·   большая библиотека компонентов, включающая в себя наиболее популярные цифровые интегральные схемы дискретной логики и аналоговые компоненты типа диодов, биполярных, полевых и МОП - транзисторов, магнитных сердечников, линий передачи с потерями, макромодели и т.п. Все эти модели написаны в стандартном формате SPICE;

·   макромодели компонентов могут быть представлены в виде электрических схем или в текстовом виде;

·   графики результатов выводятся в процессе моделирования или после его окончания по выбору пользователя, имеются сервисные возможности обработки графиков;

·   многовариантный анализ при вариации параметров и статистический анализ по методу Монте-Карло;

·   при наличии ошибок информация о них появляется на экране; имеются встроенные средства помощи;

·   имеется электронная документация и контекстно-ориентированные средства помощи.

 

3.2 Макромоделирование и его использование в учебном процессе

 

Макромоделирование является одним из достоинств программы Micro-Cap (МС). Оно позволяет представить моделируемое устройство в виде отдельных функциональных узлов, выполняющих определенные операции преобразования сигнала. Программа МС поставляется с достаточно обширной библиотекой компонентов. Однако с течением времени возникает необходимость ее пополнения. Так для изучения свойств и характеристик сложных сигналов необходимо создать макромодели функциональных узлов устройств их формирования и обработки.

В программе МС имеются макромодели двух типов. Макромодели типа Macro задаются схемой замещения, Subckt - текстовым описанием.

Макромодель типа Macro. Схема замещения помещается в файл схемы, имеющее расширение имени .CIR. Имя макромодели должно совпадать с именем файла этой схемы. По команде Options>Mode/Text присваиваются имена узлам схемы, которые должны быть выводами схемы. Если необходимо передавать в макромодель численные значения параметров, в списке параметров атрибута VALUE вместо численных значений помещают имена параметров и имена этих параметров декларируются в директиве .PARAMETERS.

Макромодель типа Subckt. Текстовое описание макромодели задается с помощью директивы .Subckt, размещаемой непосредственно на схеме или, что более удобно в текстовом файле математических библиотек (расширение имени .lib или lbr). Имя такого компонента должно совпадать и именем макромодели, что обеспечивается с помощью опции Model = Component Name. Имена выводов символа должны совпадать с именами соответствующих выводов в текстовом описании.

На рис.10 приведено окно редактора компонентов при создании макромодели усилителя (макромодель типа Macro).

Рис.10. Окно редактора компонентов Component Editor

Создание и редактирование условных графических обозначений макромоделей осуществляется с помощью графического редактора, вызываемого в меню Windows по команде Shape Editor.

Для подробного знакомства с макромоделированием следует обратиться к [17].

4. экспериментальные исследования

.1 Разработка схем замещения равносигнального радиомаяка

Для создания моделей функциональных узлов будем использовать макромодели, задаваемые схемой замещения (типа Macro).

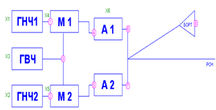
Для построения макромодели равносигнального радиомаяка выделим его основные части, такие как: генератор низких частот с частотой модуляции F1=90 Гц (ГНЧ1); генератор низких частот с частотой модуляции F2=150 Гц (ГНЧ2); генератор высокой частоты с частотой несущей fн=3 кГц (ГВЧ); модулятор с частотой F1 (М1); модулятор с частотой F2 (М2); антенная система КРМ, которая состоит из 2 симметрично разнесенных относительно заданного направления антенн (А1 и А2), к которым подведены синфазные амплитудно-модулированные колебания передатчика с частотами F1 и F2, а также точка приема сигнала, т.е. борт воздушного судна.

Приведем описание каждой из этих частей схемами замещения в соответствии с методикой программы Micro-Cap.

Генератор низкой частоты с частотой модуляции F1=90 Гц можно получить, используя функциональный источник напряжения (NFV), который находится в подменю «Function sources»

Рис.11. Схема замещения ГНЧ1

Зададим его алгебраическим выражением

E1=cos(2*π*F1*t)=cos(2*π*90Гц*t)

Генератор низкой частоты с частотой модуляции F1=150 Гц получаем также с помощью функционального источника напряжения

Рис.12. Схема замещения ГНЧ2

Зададим его алгебраическим выражением

E1=cos(2*π*F2*t)=cos(2*π*150Гц*t)

Для получения гармонического сигнала высокой частоты (ГВЧ) с частотой несущей fн=3 кГц функциональный источник Е3 зададим следующим выражением

E3=cos(2*π*fн*t)=cos(2*π*3кГц*t)

Частота несущей fн с точки зрения рассматриваемой задачи не существенна, поэтому может быть выбрана произвольно. Исходя из удобства наблюдений на экране АМ-колебаний в различных точках модели примем fн=3 кГц. Модулятор М1 также представляем функциональным источником Е4, задав его алгебраическим выражением:

Е4=Е3*(1+m*E1)

где Е3-это генератор высокой частоты (ГВЧ);

m-индекс модуляции (управляемый параметр);

Е1-генератор низкой частоты (ГНЧ1).

Соответственно модулятор М2 задаем выражением:

Е5=Е3*(1+m*E2)

Е2-генератор низкой частоты (ГНЧ2).

Радиолинию, включающую антенную систему курсового радиомаяка вместе с точкой приема сигнала, т.е. бортом воздушного судна представим как совокупность из трех функциональных источников напряжения

Рис.13. Схема замещения радиолинии

Функциональные источники Е6 и Е7 имитируют парциальные диаграммы направленности (ДН) g1(φ) и g2(φ) радиомаяка, где φ-угловое отклонение направления на точку приема относительно равносигнального направления (РСН), т.е. относительно оси ВПП.

Источник Е8- борт воздушного судна, где суммируются сигналы с антенн А1 и А2.

Диаграммы направленности g1(φ) и g2(φ) удобно аппроксимировать гауссовскими зависимостями вида:

gi(φ) =e-1,38(αi/∆φ) ² , i=1, 2

где α1=φ+ β; α2=φ-β;

∆φ- ширина парциальной ДН по уровню 0,7;

β- угол скоса ДН, т.е. угловое смещение оси парциальной ДН относительно РСН.

Полагая, что ДН1 и ДН2 пересекаются на уровне 0,7 по напряженности, т.е. β=∆φ/2, можно записать:

g1(φ)=e-1,38(φ/∆φ+0,5)²;

g2(φ)=e-1,38(φ/∆φ-0,5)².

Введем в (3) безразмерную переменную, произведя замену θ=φ/∆φ:

g1(θ)=e-1,38(θ+0,5)²;

g2(θ)=e-1,38(θ-0,5)².

Т.о. модели сигналов, излучаемых антеннами КРМ (Е6 и Е7) описываются с учетом (7)

Е6=Е4*g1(θ)=Е4*(e-1,38(θ+0,5)²);

Е7=Е5*g2(θ)=Е5*(e-1,38(θ-0,5)²);

где Е4-сигнал с выхода модулятора М1,

Е5-сигнал с выхода модулятора М2.

Модель сигнала в точке приема (на борту воздушного судна) получается в результате суммирования сигналов от антенн КРМ:

Е8=Е6+Е7= Е4*g1(θ)+ Е5*g2(θ)=Е4*(e-1,38(θ+0,5)²)+ Е5*(e-1,38(θ-0,5)²).

Макромодель радиолинии имеет символьные (управляемые) параметры, значение которых надо передать в макромодель из основной схемы. Перечислим их с помощью директивы PARAMETERS. При этом на схеме замещения в списке параметров атрибута Value вместо численных значений укажем имена (символы) этих параметров (такие же, как и в директиве .PARAMETERS): PARAMETERS (m, θ)

4.2 Разработка макромоделей функциональных узлов равносигнального радиомаяка

Для создания модели равносигнального курсового радиомаяка необходимо создать макромодели его основных частей, описание которых приведены схемами замещения в предыдущем пункте.

Здесь первым этапом будет создание условного графического обозначения (УГО) макромодели (ММ). Создание символа (условного графического обозначения) ММ производится с помощью графического редактора Shape editor из меню Windows. После загрузки редактора на экране появляется окно редактирования, в левой части которого размещена панель инструментов, а справа - поле для рисования. В средней левой части экрана также приведен список графических символов, содержащихся в текущей библиотеке символов.

Для создания нового УГО необходимо нажать кнопку команды Add (добавление в библиотеку нового символа) в левой нижней части окна. При этом появится маленькое окошко, где будет предложено ввести имя, под которым созданный символ (УГО ММ) добавляется в существующую библиотеку символов компонентов. Ввод заканчивается нажатием на кнопку ОК.

Создание и редактирование графики символов производится с помощью команд, пиктограммы которых размещены на панели инструментов. Работа с редактором символов завершается нажатием на кнопку Close, после чего в ответ на запрос о необходимости сохранения - нажать на кнопку ОК.

Вторым этапом создания ММ является занесение информации в редактор компонентов. Редактор компонентов вызывается по команде Component Editor из меню Windows. В развернувшемся окне редактора компонентов (в правой его части) расположен список всех компонентов, входящих в библиотеку. Библиотека разбита на группы однотипных компонентов. Для макромоделей имя группы - Macros.

Для внесения информации о вновь созданной ММ выделим группу Macros, затем нажатием на кнопку Add Component (в верхней части окна). Новый компонент автоматически получит имя new 1 (в графе Name). Будет необходимо заменить его на имя, под которым этот компонент будет вызываться (имя файла, под которым сохранена схема замещения ММ).

Затем в графе Shape укажем имя УГО макромодели (символа), которое присвоено на первом этапе. Имена символов выбираются из списка символов УГО ММ. В графе Definitions необходимо указать имя модели, в качестве которого всем макромоделям, задаваемым схемой замещения, присваивается имя Macro.

Для присвоения имен выводам ММ необходимо воспользоваться левой частью окна, где изображается графика выбранного символа. Двойной щелчок на точке вывода открывает диалоговое окно для записи имени вывода и дополнительного указания его типа: аналогового или цифрового. Имена выводов PIN1, PIN2 и т.д. в схеме замещения и символе (УГО) ММ должны совпадать.

В заключение этапа необходимо нажать на панель «Close» - завершение работы с редактором символов Shape editor и сохранение всех внесенных изменений в файл библиотеки.

В соответствии с изложенной выше методикой проведем моделирование курсового радиомаяка и получим макромодели его основных частей, описанных схемами замещения.

Макромодели ГНЧ1, ГНЧ2, ГВЧ, М1 и М2 для удобства наблюдения переходных процессов представим как отдельные блоки, а макромодель радиолинии, включающую в себя антенную систему А1 и А2 и точку приема сигнала, т.е. борт воздушного судна представим следующим образом

Рис. 14. Макромодель радиолинии

Данная макромодель имеет символьные (управляемые) параметры, значения которых нами было передано из основной схемы замещения. После размещения макромодели на схеме в открывшемся окне значений атрибута Value указываются численные значения управляемых параметров, которые обозначены символами в директиве .PARAMETERS на схеме замещения ММ, причем они перечисляются в той же последовательности, что и в директиве .PARAMETERS.

Собрав полученные макромодели последовательно, получим модель равносигнального курсового радиомаяка (рис.15.)

Рис.15. Модель равносигнального курсового радиомаяка

4.3 Экспериментальные исследования модели равносигнального радиомаяка

.3.1 Обоснование методики экспериментальных исследований

После того, как составлена модель равносигнального курсового радиомаяка перейдем к расчету его характеристик. Для этой цели используем имеющийся в программе схемотехнического моделирования Micro-Cap анализ типа Transient - расчет переходных процессов. С его помощью можно вывести на экран сам сигнал и рассчитать его характеристики:

·   гармоники сигнала - HARM(u);

·   сопряженный комплексный спектр - CONJ(s);

·   собственный спектр сигнала - AS(s);

·   взаимную корреляционную функцию сигналов - CC(u, v);

·   автокорреляционную функцию сигнала - AC(u) и другие.

После перехода в режим анализа переходных процессов программа Micro-Cap проверяет правильность составления схемы. При наличии ошибок выводится информационное сообщение. При отсутствии ошибок в схеме программа составляет ее топологическое описание, выполняет подготовку к численному расчету переходных процессов и открывает окно задания параметров моделирования Transient Analysis Limits.

В окне задания параметров расчета переходных процессов, показанном на рис.16, имеются следующие разделы.

Команды:

Run - начало моделирование;

Add - добавление еще одной строки спецификации вывода результатов после строки, отмеченной курсором. На этой строке устанавливается способ отображения результатов и аналитические выражения для построения графиков. При наличии большого количества строк, не умещающихся на экране, появляется линейка прокрутки;

Delete - удаление строки спецификации вывода результатов, отмеченной курсором;

Expand - открытие дополнительного окна для ввода текста большого размера при расположении курсора в одной из граф, содержащих выражения, например Y Expression;

Properties - открытие диалогового окна, имеющего 6 закладок:

Plot - управление выводом графиков на экран и на принтер, Scales and Formats - выбор масштабов по осям координат, Colors. Fonts and Lines - выбор цвета объектов, параметров шрифта и типа линий, Header - нанесение заголовков в выходных числовых данных, Save Waveforms - выбор одной или нескольких переменных для сохранения в файлах User source, Tool Bar - нанесение пиктограмм команд на панель инструментов;

Help - вызов раздела Transient Analysis системы помощи.

Числовые параметры:

Time Range - спецификация конечного и начального времени расчета переходных процессов по формату Tmax[,Tmin]; по умолчанию назначается Tmin=0 (отрицательные значения моментов времени недопустимы).

Maximum Time Step - максимальный шаг интегрирования. Расчет переходных процессов ведется с выбираемым автоматически переменным шагом, величина которого определяется допустимой относительной ошибкой RELTOL; максимальная величина шага равна заданному значению. Если этот шаг не задан (или задан равным нулю), то максимальный шаг интегрирования полагается равным (Ттах - Tmin)/50;

Number of Points - количество точек, выводимых в таблицы, т.е. количество строк в таблице вывода результатов, по умолчанию принимается 51, минимальное значение 6.

Рис.16. Задание параметров расчета переходных процессов

Temperature - диапазон изменения температуры в градусах Цельсия; при выборе параметра Linear имеет формат High[,Low[,Step]}; если параметр Step (шаг) опущен, то выполняется анализ при двух значениях температуры Low (минимальной) и High (максимальной), если опущены оба параметра Low и Step, то расчет проводится при единственной температуре, равной High; при выборе параметра List указывается список температур, разделяемых запятыми. При изменении температуры изменяются параметры компонентов, имеющие ненулевые температурные коэффициенты ТС, а также ряд параметров полупроводниковых приборов. Значение установленной здесь температуры может использоваться в различных выражениях, она обозначается как переменная TEMP.

Вывод результатов моделирования:

Ниже раздела "Числовые параметры" и слева от раздела "Выражения"

расположена группа пиктограмм. Нажатие каждой пиктограммы определяет характер вывода данных, задаваемых в той же строке. Имеются следующие возможности:

Х Log/Linear Scale - переключение между логарифмической и линейной шкалой по оси X. При выборе логарифмической шкалы диапазон изменения переменной должен быть положительным;

Y Log/Linear Scale - переключение между логарифмической и линейной шкалой по оси Y. При выборе логарифмической шкалы диапазон изменения переменной должен быть положительным;

Color - вызов меню для выбора одного из 16 цветов для окрашивания графиков. Кнопка окрашивается в выбранный цвет;

Numeric Output - при нажатии этой кнопки в текстовый выходной файл заносится таблица отсчетов функции, заданной в графе Y Expression;

Plot Group - в графе Р числом от 1 до 9 указывается номер графического окна, в котором должна быть построена данная функция. Все функции, помеченные одним и тем же номером, выводятся в одном окне. Если это поле пусто, график функции не строится.

Выражения:

Х Expression - имя переменной, откладываемой по оси X. Обычно при анализе переходных процессов по этой оси откладывается время (переменная Т), однако, это не всегда так. Так при расчете спектра сигнала с помощью преобразования Фурье по оси Х откладывается частота (переменная F), а при расчете петли гистерезиса ферромагнетика - напряжённость магнитного поля;

Y Expression - математическое выражение для переменной, откладываемой по оси Y. Это может быть простая переменная типа напряжения в узле V(5), падения напряжения на двухполюсном компоненте V(L1) или тока ветви I(2,3), I(L1) или математическое выражение. После щелчка правой копки мыши при расположении курсора в любой графе Y Expression, открывается всплывающее меню, позволяющее выбрать из предлагаемых списков переменные и константы, размещаемые в этих графах;

Х Range - максимальное и минимальное значение переменной Х на графике по формату High[Low]. Если минимальное значение Low равно нулю, его можно не указывать. Для автоматического выбора диапазона переменных в этой графе указывается Auto. В этом случае сначала выполняется моделирование, в процессе которого графики строятся в стандартном масштабе и затем автоматически перестраиваются;

Y Range - максимальное и минимальное значение переменной Y на графике; если минимальное значение равно нулю, его можно не указывать. Для автоматического выбора диапазона переменных в этой графе указывается Auto.

Опции:

Run Options - управление выдачей результатов расчетов:

Normal - результаты расчетов не сохраняются, Save - сохранение результатов расчетов в бинарном дисковом файле, Retrieve - считывание последних результатов расчета из дискового файла.

State Variables - установка начальных условий:

Zero - установка нулевых начальных условий для потенциалов всех аналоговых узлов и токов через индуктивности и неопределённых логических состояний "X" для цифровых узлов, Read - чтение начальных условий из бинарного дискового файла,

Leave - установка в качестве начальных условий значений, полученных при окончании расчета предыдущего варианта.

Operation Point -включение режима расчета по постоянному току перед началом каждого расчета переходных процессов. Данные этого режима заменяют значения всех начальных условий, если они были установлены;

Operation Point Only - расчет только режима по постоянному току (расчет переходных процессов не производится);

Auto Scale Ranges - присвоение признака автоматического масштабирования "Auto" по осям X, Y для каждого нового варианта расчетов. Если эта опция выключена, то принимаются во внимание масштабы, указанные в графах Х Range, Y Range.

Для расчета частотных характеристик сигналов можно использовать анализ типа АС. В режиме АС сначала рассчитывается режим схемы по постоянному току, затем линеаризуются все нелинейные компоненты и выполняется расчет комплексных амплитуд узловых потенциалов и токов ветвей. При линеаризации цифровые компоненты заменяются их входными и выходными комплексными сопротивлениями, передача сигналов через них не рассматривается. Для подробного знакомства с имеющимися в программе Micro-Cap видами анализов следует обратиться к [17].

По завершении моделирования в графическом окне выводятся графики характеристик. Дальнейшая обработка графиков может выполняться в нескольких режимах.

Cursor - режим электронного курсора для считывания координат одной или двух точек на графике, имя переменной которой подчеркнуто.

Point Tag - нанесение на график значений координат выбранной точки.

Horizontal Tag - нанесение расстояния по горизонтали между двумя выбранными точками графика.

Vertical Tag - нанесение расстояния по вертикали между двумя выбранными точками графика.

Peak - перемещение курсора к следующему пику, расположенному слева или справа от текущего положения курсора.

Valley - перемещение курсора к следующей впадине, расположенной слева или справа от текущего положения курсора.

High - перемещение курсора нажатием клавиш к наиболее высокой точке.

Low - перемещение курсора нажатием клавиш к наиболее низкой точке.

Для расчета характеристик курсового радиомаяка в окне задания параметров моделирования Transient Analysis Limits задаются следующие параметры:

В строке Time Range указывается длительность интервала времени, в течение которого будет проводиться анализ переходных процессов - 20 мс. В графе Operating Point указывается на необходимость перед расчетом переходных процессов выполнить расчет режима по постоянному току. В строке Maximum Time Step указывается максимальный шаг интегрирования - 0,1 мкс. В нижней части окна указываются имена переменных, графики которых нужно построить. Имена переменных, откладываемых по оси Y графиков, указывается в графе Y Expression.

После выполнения команды Run начинается расчет характеристик, и в процессе получения результатов на экран выводятся графики.

4.3.2 Исследование идеальной модели равносигнального радиомаяка

После создания модели равносигнального курсового радиомаяка проверяется ее работоспособность. Для изучения свойств работы радиомаяка необходимо снять следующие эпюры:

·   напряжения в контрольных точках;

·   спектров сигналов.

Для получения характеристик зададим значения управляемых параметров. Первым управляемым параметром является коэффициент (индекс) амплитудной модуляции.

АМ-сигналы с малой глубиной модуляции в радиоканалах нецелесообразны ввиду неполного использования мощности передатчика. В то же время 100 %-ная модуляция вверх (mв=1) в два раза повышает амплитуду колебаний при пиковых значениях модулирующего сообщения. Дальнейший рост этой амплитуды, как правило, приводит к нежелательным искажениям из-за перегрузки выходных каскадов передатчика.

Не менее опасна слишком глубокая амплитудная модуляция вниз (mв>1). В этом случае возникает так называемая перемодуляция, при которой форма огибающей перестает повторять форму модулирующего сигнала.

Для исследований примем индекс модуляции равный 80% (m=0,8).

Угловое отклонение направления на точку приема относительно равносигнального направления θ примем равным нулю, что соответствует заданной линии курса.

Проведем анализ переходных процессов и получим эпюры напряжений в контрольных точках 6 и 7, т.е. с выхода парциальных диаграмм направленностей g1(θ) и g2(θ) (рис.17.).

Рис.17. Эпюры напряжений парциальных диаграмм направленности ДН1 (v(6)) и ДН2 (v(7))

На приведенных графиках можно наблюдать однотональные АМ-колебания. На графике v(6), который соответствует значению ДН1, частота модуляции равна 90 Гц, а на графике v(7), соответствующий парциальной диаграмме направленности g2(θ), частота модуляции равна 150 Гц.

Далее, снимем характеристики сигнала (эпюр напряжения и спектральный состав) в контрольной точке 8, т.е. на борту воздушного судна (рис.18.).

Рис. 18. Эпюр напряжения (v(8)) и спектр (harm(v(8)) сигнала в точке приема (на борту воздушного судна)

На графике v(8) изображен сложномодулированный (многотональный) АМ-сигнал. Характер полученного сигнала объясняется тем, что на борту воздушного судна суммируются сигналы от антенн радиомаяка, которые имеют разные частоты модуляции. График спектра данного сигнала как раз показывает нам боковые гармоники, соответствующие частотам модуляции 90 и 150 Гц.

Изменяя угловое отклонение направления на точку приема относительно равносигнального направления θ можно наблюдать изменения, которые претерпевает исходный сигнал на борту воздушного судна. При отклонении на θ=0,3 от равносигнального направления, получаем:

Рис. 19. Эпюр напряжения (v(8)) и спектр (harm(v(8)) сигнала в точке приема (на борту воздушного судна) при θ=0,3

Из полученного графика видно, что при отклонении от линии курса (равносигнального направления) на θ=0,3 возникает разность между боковыми гармониками в спектре сигнала. Величина по амплмтуде левой боковой гармоники, которая соответствует частоте модуляции 150 Гц, равна 0,395, а велина правой боковой гармоники, соответствующей частоте модуляции 90 Гц, равна 0,164. Вычисляем разность:

, 395 - 0,164 = 0,231.

Значения разности, т.е. ошибок, нам необходимо для того, чтобы построить пеленгационную характеристику равносигнального радиомаяка. Такую операцию проведем для нескольких значений углового отклонения θ.

При отклонении на θ=0,5 от равносигнального направления эта разность растет

Рис. 20. Эпюр напряжения (v(8)) и спектр (harm(v(8)) сигнала в точке приема (на борту воздушного судна) при θ=0,5

Здесь, величина левой боковой гармоники 0,410, а величина правой - 0,108, получим разность:

,410 - 0,108 = 0,302.

При отклонении на θ=0,7 от линии курса, разность между боковыми гармониками достигает максимума

Рис. 21. Эпюр напряжения (v(8)) и спектр (harm(v(8)) сигнала в точке приема (на борту воздушного судна) при θ=0,7

Величина левой боковой гармоники равна 0,384, величина правой боковой гармоники - 0,066, их разность:

,384 - 0,066 = 0,318.

В случае отклонения от линии курса в обратном направлении (отрицательном) можно увидеть, что как и предыдущем случае возникает разность между боковыми гармониками сигнала, но в этом случае преобладают гармоники частоты модуляции 90 Гц над гармониками частоты модуляции 150 Гц.

Для наглядного представления проведем анализ переходных процессов для нескольких значениях θ.

При отклонении на θ= -0,3 от равносигнального направления, получим:

Рис. 22. Эпюр напряжения (v(8)) и спектр (harm(v(8)) сигнала в точке приема (на борту воздушного судна) при θ= -0,3

Рассчитаем разность между боковыми гармониками. Здесь, величина левой боковой гармоники 0,164, а величина правой равна 0,395, их разность:

,164 - 0,395 = - 0,231.

При отклонении на θ= -0,5 от равносигнального направления, получим

Рис. 23. Эпюр напряжения (v(8)) и спектр (harm(v(8)) сигнала в точке приема (на борту воздушного судна) при θ= -0,5

Здесь, значение левой боковой гармонки равно 0,108, значение правой боковой гармоники равно 0,410, их разность будет равна:

,108 - 0,410 = - 0,302.

При отклонении на θ= -0,7 от равносигнального направления, получим

Рис. 24. Эпюр напряжения (v(8)) и спектр (harm(v(8)) сигнала в точке приема (на борту воздушного судна) при θ= -0,7

Как и предыдущих испытаниях при отклонении θ= -0,7 разность между боковыми гармониками достигает максимального значения. А именно, левая боковая гармоника имеет амлитуду равную 0,066, а правая - 0,384, соответственно разность:

,066 - 0,384 = 0,318.

По полученным результатам построим график пеленгационной характеристики равносигнального радиомаяка. По оси абсцисс откладываем значения углового отклонения от линии курса θ, а по оси ординат откладываются значения полученных разностей между боковыми гармониками в спектре сигнала в точке приема. Пересечение значения разности боковых гармоник со значением углового отклонения от линии курса соответствующей данному значению разности, дает нам точку пеленгационной характеристики. Для удобства построения графика пеленгационной характеристики можно снять еще больше значений разности боковых частот, уменьшая шаг углового отклонения.

График пеленгационной характеристики равносигнального радиомаяка (рис.25.) проходит через нулевое значение системы координат, что соответствует нулевому значению углового отклонения, и симметричен относительно нулевого значения в положительной и отрицательной областях.

4.3.3 Исследование влияние помех на модель равносигнального радиомаяка

Как известно, недостатком системы посадки метрового диапазона является влияние на положение линии курса сигналов, отраженных от местных сигналов. Такие сигналы принято называть помехами.

По характеру взаимодействия с сигналом все помехи можно разделить на два вида:

аддитивные, т.е. суммирующиеся с полезным сигналом. Они присутствуют независимо от полезного сигнала, а в результате их взаимодействия с сигналом можно представить в виде алгебраической суммы

y(t) = s(t) + x(t)

s(t) - полезный сигнал,

x(t) - помеха;

мультипликативные (модулирующие), действие которых проявляется в виде случайных изменений параметров полезного радиосигнала. Результат их взаимодействия с сигналом в простейшем случае можно представить в виде произведения y(t) = s(t) * x(t).

Помеха за счет переотражения от местных объектов относится к классу аддитивных помех.

Для исследований создадим иммитацию помехи путем добавления к схеме замещения радиолинии функционального источника напряжения, описав его алгебраическим выражением:

Е9=Е8+(Е4*(e-1,38(θп+ 0,5)²)+ Е5*(e-1,38(θп- 0,5)²))

Исследования проведем при нескольких значениях θп (0,1; 0,3;), при этом угловое отклонение самих диаграмм направленности будет равно нулю, что соответствует равносигнальному направлению

Рис. 26. Эпюр напряжения (v(9)) и спектр (harm(v(9)) сигнала в точке приема при подаче помехи за счет переотражений (при значении θп= 0,1)

На приведенном выше графике можно наблюдать при воздействии помехи за счет переотражений от местных объектов происходит рост амплитуды сигнала, что является нежелательным. Подавление влияния помех происходит на борту воздушного судна, а именно бортовыми приемниками.

Для того, чтобы исследовать влияние помехи на отклонение от линии курса необходимо найти разность между боковыми гармониками в спектре сигнала в точке приема, и полученную разность отложить на графике пеленгационной характеристики, где в точке пересечения значения разности с характеристикой можно найти значение угла отклонения от линии курса, а затем перевести полученный результат в градусы.

На рис.26 значение левой боковой гармоники спектра сигнала равно 0,657, а значение правой боковой гармоники равно 0,493, следовательно, их разность:

,657 - 0,493 = 0,164.

На графике пеленгационной характеристике значению 0,164 соответствует угловое отклонение 0,2. Переведя полученное угловое отклонение в градусы получим, что при воздействии помехи за счет переотражения от местных объектов положение самолета отклоняется от линии курса на 4º.

При угловом отклонении помехи θп= 0,3 получим следующий график

Рис. 27. Эпюр напряжения (v(9)) и спектр (harm(v(9)) сигнала в точке приема при подаче помехи за счет переотражений (при значении θп= 0,3)

Найдем разность между боковыми гармониками спектра сигнала. Значение левой гармоники равно 0,707, а значение правой боковой гармоники равно 0,427. Следовательно, имеем разность:

,707 - 0,427 = 0,28.

Откладываем полученное значение на графике пеленгационной характеристики и в точке пересечения получили значение углового значения равное 0,45. Переведем полученное значение углового отклонения от линии курса в градусы и видим, что самолет отклонится от линии курса на 9º.

Из проведенных исследований следует, что помехи за счет переотражений от местных объектов сильно влияют на положение линии курса. Если ширина диаграммы направленности равна 20º, то отклонение от линии курса на 9º может почти в два раза отклонить идущий на посадку самолет от равносигнального направления, что может иметь плачевные последствия.

4.4 Анализ полученных результатов и их использование в учебном процессе

В данном разделе было проведено моделирование радиомаячной системы посадки, в результате которого получены:

схемы замещения основных функциональных узлов равносигнального радиомаяка;

макромодели основных узлов радиомаяка;

модель равносигнального радиомаяка;

В последствии выполнено моделирование равносигнального радиомаяка на основании созданной его модели. В результате моделирования получены:

графики характеристик напряжений сигналов с выходов антенн А1 и А2;

графики характеристик напряжения и спектрального состава сигнала с выхода точки приема сигнала, т.е. борта воздушного судна;

графики характеристик напряжения и спектра сигнала с выхода борта воздушного судна при различных значениях углового отклонения θ от линии курса (равносигнального направления);

графики характеристик напряжения и спектра сигнала с выхода борта воздушного судна при подаче помехи за счет переотражений от местных объектов (при нескольких значениях углового отклонения θп помехи).

Проведенные исследования предполагается использовать в учебном процессе для постановки лабораторных работ по изучению принципов работы радиомаячной системы посадки метрового диапазона.

В лабораторной работе предполагается использовать для исследований принципов формирования и обработки сигналов созданную модель равносигнального радиомаяка. Также студентами должна быть исследованы схемы замещения модели и характеристики сигналов в контрольных точках, соответствующих выходам основных функциональных узлов радиомаяка. А также исследовать:

влияние изменений управляемых параметров на форму выходного сигнала на борту воздушного судна;

влияние помех за счет переотражений от местных объектов на характеристики выходного сигнала.

Данная работа имеет перспективу для развития. По такой же методике можно построить радиомаяк с «опорным нулем». В принципе, такая работа уже проводится, но из-за своей незавершенности не вошла в настоящую дипломную работу.

Существенным отличием в разработке модели радиомаяка с «опорным нулем» от равносигнального радиомаяка является способ описания диаграмм направленности радиомаяка с «опорным нулем», которые не пересекаются на оси ВПП, а одна диаграмма направленности имеет максимум в направлении ВПП, а другая - минимум (нуль) в этом направлении (отсюда и название радиомаяка - с «опорным нулем»).

Помимо этого, настоящая работа является отличной перспективой для более подробного исследования систем посадки дециметрового и сантиметрового диапазонов. Как известно, данные системы посадки широко применяются в настоящее время в авиации и обладают рядом преимуществ, не уступающих системе посадки метрового диапазона, а где-то и преобладающих над ней. В следствии чего, их изучение будет не только познавательным, но и интересным для студентов.

5. Технико-экономическая часть

.1 Сетевое планирование

Быстрый прогресс науки и техники, новизна и сложность научно-технических разработок требуют непрерывного совершенствования существующих, а также разработки новых методов и систем планирования и управления. Значительным достижением в этой области является создание систем сетевого планирования, основанных на использовании сетевых комплексов работ. В этом разделе рассматривается сетевое планирование комплекса работ по разработке макромоделей устройств формирования и обработки сигналов равносигнального радиомаяка.

Система сетевого планирования (СП) - это система, предназначенная для управления комплексами работ на основе построения, анализа, оптимизации и обновления их сетевых моделей [11].

Наиболее целесообразными областями применения СП в радиопромышленности являются:

1. комплексные целевые научно-технические программы, включающие научно-исследовательские работы (НИР), опытно-конструкторские работы (ОКР), проектирование, опытное производство, испытание сложных систем, в которых участвуют различные научно-исследовательские институты (НИИ), конструкторские бюро (КБ) и предприятия;

2. основная деятельность НИИ и КБ, проектных институтов, предприятий опытного, единичного и мелкосерийного производства;

3. подготовка и освоение выпуска новых видов продукции.

Комплекс работ (КР) - это конечная совокупность взаимосвязанных работ, направленных на достижение одной или нескольких конечных целей. Основным элементом КР является работа. Под термином "работа" понимается:

1. действительная работа - трудовой процесс, требующий затрат времени и ресурсов;

2. ожидание - процесс, требующий затрат только времени;

3. фиктивная работа - чисто логическая связь между работами, не требующие затрат времени и ресурсов, но обусловливающая возможность начала одной работы только после непосредственного получения результата другой работы.

Каждая работа характеризуется определенными количественными показателями: продолжительностью, трудоемкостью, стоимостью, необходимыми материальными ресурсами. Однако часто в качестве основной характеристики работы выбирается ее продолжительность, измеряемая в часах, днях, неделях и т.д.

Другим важнейшим элементом КР является событие, под которым понимается:

·   факт наступления условий, позволяющих начать одну или несколько работ. Эти работы называются непосредственно следующими за данным событием, а событие называется начальным;

·   факт окончания одной или нескольких работ. Эти работы называются непосредственно предшествующими данному событию, а событие называется конечным.

Событие в отличие от работы не является процессом и не имеет продолжительность. Оно не может наступить, пока не закончатся все предшествующие ему работы. Поэтому момент наступления события соответствует моменту окончания последней из непосредственно предшествующих ему работ.

КР имеет следующие виды событий:

·   исходное событие - оно не имеет непосредственно предшествующих ему работ и представляет собой факт наступления условий для начала выполнения КР;

·   завершающее событие - оно не имеет непосредственно следующих за ним работ и представляет собой факт завершения всего КР;

·   промежуточное событие - не является ни исходным, ни завершающим и представляет собой факт окончания непосредственно предшествующих ему работ и наступление условий для начала непосредственно следующих за ним работ.

Функционирование всех систем СП основано на использовании сетевых моделей, главной составной частью которых является сеть комплекса работ. Сеть комплекса работ - это ориентированный граф, отображающий состав и порядок выполнения работ комплекса.

Существуют различные формы представления сети комплекса: списочная, матричная, графическая в виде сетевого графика. Наиболее распространенной формой представления сети комплекса является сетевой график. Сетевой график - это графическое изображение комплекса, отражающее состав, взаимосвязи и порядок выполнения всех его работ.

Элементы КР изображаются на сетевом графике стрелками и кружками. Наибольшее распространение получил способ, при котором действительная работа изображается сплошной стрелкой, фиктивная работа - пунктирной стрелкой, а событие - кружком с соответствующим номером. При этом каждая работа на сетевом графике кодируется упорядоченной парой номеров (i,j) так, чтобы выполнялось условие i<j, где i - номер начального, а j - номер конечного события этой работы. Над стрелкой, изображающей работу, проставляется ее продолжительность.

Путем сетевого графика называется любая упорядоченная последовательность работ, в которой конечное событие каждой работы совпадает с начальным событием непосредственно следующей за ней работы.

По своей структуре пути сетевого графика делятся на следующие виды:

·   полный путь, т.е. путь, начало которого совпадает с исходным, а конец - с завершающим событием сетевого графика. Продолжительностью пути сетевого графика называется сумма продолжительностей всех принадлежащих ему работ;

·   полный путь, имеющий максимальную продолжительность - критический.

Построим сетевой график, который представляет собой наглядную логико-математическую модель, отражающую логическую последовательность, взаимосвязь и длительность выполнения комплекса работ по разработке макромоделей устройств формирования и обработки сигналов равносигнального радиомаяка (рис.28.). График строится с учетом последовательности выполнения работ, указанных в таблице 5.1.1.

Таблица 5.1.1 Перечень работ по разработке макромоделей устройств формирования и обработки сложных сигналов

Код работ

Перечень работ

Время выполнения работы количество исполнителей

0-1

Постановка задачи

1/2

1-2

Обзор литературы

30/1

2-3

Изучение возможностей программы Micro-Cap

20/2

3-4

Разработка функциональных схем

5/2

4-5

Синтез схем замещения ГНЧ1 и ГНЧ2

3/1

4-6

Синтез схемы замещения генератора высоких частот

4/1

5-7

Синтез схем замещения модуляторов М1 и М2

5/1

6-7

Синтез схемы замещения радиолинии

5/1

7-8

Анализ переходных процессов

2/2

8-9

Составление списка варьируемых параметров

1/1

9-10

Создание условно графических обозначений функциональных узлов

1/2

10-11

Добавление в библиотеку макромоделей основных узлов (ГНЧ1, ГНЧ2 и ГВЧ)

1/1

10-12

Добавление в библиотеку макромоделей основных узлов (модуляторы М1, М2 и радиолиния)

1/1

11-13

Указание списка управляемых параметров с помощью директивы .PARAMETERS

3/1

12-13

Моделирование равносигнального радиомаяка

2/1

13-14

Анализ результатов моделирования

3/2

14-15

Разработка методики выполнения лабораторных работ

14/2

5.2 Расчет параметров сетевого графика

Расчет параметров сетевого графика можно осуществить табличным или графическим способом. Табличный способ заключается в последовательном заполнении таблицы 5.2.2. по определенным правилам.

Графы 1 и 2 заполняются на основе исходных данных (перечня работ и их продолжительности).

Ранние сроки начала и окончания работ (гр. 3 и 4) определяются для каждой работы последовательно от исходного до завершающего события. Раннее начало работ, выходящих из исходного события равно нулю, а раннее окончание этих работ равно их продолжительности, так:

t0-1рн = 0, а t0-1ро = t0-1рн +tож0-1

Раннее начало работ, выходящих из любого события равно раннему окончанию работ, заканчивающихся этим событием, т.е.

t1-2рн = t0-1ро, и далее t1-2ро = t1-2рн +tож1-2    

Таким способом и в соответствующей последовательности рассчитывают все ранние параметры работ до завершающего события. Если несколько работ завершаются каким-либо одним событием, то раннее начало последующих работ определяется путем выбора максимального из сроков раннего окончания предшествующих работ:

ti-kрн = max tc-iро

Количество сравниваемых сроков окончания работ равно количеству предшествующих работ.

При выполнении расчетов необходимо учесть, что нельзя определить раннее начало последующих работ не найдя раннего окончания предшествующих. Полученные данные ранних параметров заносятся в соответствующие графы таблицы 5.2.2.

Нахождение поздних параметров работ (гр. 5 и 6). Расчет ведется от завершающего события к начальному (исходному), т.е. по таблице снизу вверх. Позднее начало любой работы определяется как разность между поздним окончанием работы и ее продолжительностью.

ti-kпн = ti-kпо - tожi-k

Максимальное значение раннего окончания какой-либо из работ, входящих в завершающее событие, является одновременно и поздним окончанием данной работы.

Если из какого-либо события выходит несколько работ, то позднее окончание предшествующей данному событию работы будет равно минимальному значению позднего начала из числа работ, выходящих из данного события.

ti-kпо = min tk-qпн

Определение остальных поздних параметров проводится аналогичным способом до исходного события. При этом поздние начала последующих работ определяют поздние окончания предшествующих. Найденные поздние параметры заносятся в соответствующие графы таблицы 5.2.2.

После определения ранних и поздних параметров работ находят величину продолжительности критического пути (tкр). На критическом пути находятся работы, у которых раннее начало равно позднему началу и раннее окончание равно позднему окончанию.

ti-kрн = ti-kпн и ti-kро = ti-kпо

Определяется полный (общий) резерв времени работы Rп (гр. 7), который представляет собой максимальное количество времени, на которое можно увеличить продолжительность данной работы или перенести срок ее начала, не изменив позднего срока последующих работ и не изменив при этом продолжительности критического пути. Он определяется:

Ri-kп = ti-kпо - ti-kро или Ri-kп = ti-kпн - ti-kрн     

Свободный (частный) резерв времени работы ri-k (гр. 8) представляет собой максимальное количество времени, на которое можно увеличить продолжительность работы или сместить срок ее начала, не изменяя при этом ранних сроков начала последующих работ.

ri-k = tk-qрн - ti-kро

Резервами времени располагают работы, лежащие на некритическом пути.

Резерв времени события Ri (гр. 9) представляет собой такой промежуток времени, на который может быть отсрочено наступление этого события без нарушения сроков завершения разработки в целом:

Ri = ti-jпо - tj-kрн

События с нулевым резервом времени лежат на критическом пути.

Таблица 5.2.2 Расчет временных параметров

Код работ

Продолжительность выполнения работ, tож

Раннее начало работ, tрн

Раннее окончание работ, tро

Позднее начало работ, tпн

Позднее окончание работ, tпо

Полный резерв времени работы, Rп

Свободный резерв времени работы, ri-j

Резерв времени события, Ri

0-1

1

0

1

0

1

0

0

0

1-2

30

1

31

1

31

0

0

0

2-3

20

31

51

31

51

0

0

0

3-4

5

51

56

51

56

0

0

0

4-5

3

56

59

57

60

1

0

1

4-6

4

56

60

56

60

0

0

0

5-7

5

59

64

60

65

1

1

0

6-7

5

60

65

60

65

0

0

0

7-8

2

65

67

65

67

0

0

0

8-9

1

67

68

67

68

0

0

0

1

68

69

68

69

0

0

0

10-11

1

69

70

69

70

0

0

0

10-12

1

69

70

70

71

1

0

1

11-13

3

70

73

70

73

0

0

0

12-13

2

70

72

71

73

1

1

0

13-14

3

73

76

73

76

0

0

0

14-15

14

76

90

76

90

0

0

0


Распределение ресурсов (исполнителей) по времени выполнения работ осуществляется на основе построения линейной диаграммы проекта (ЛДП) и графика потребности ресурсов для соответствующих работ. Построение ЛДП и графика ресурсов осуществляется следующим образом. На ось абсцисс наносится равномерная шкала времени Т. Каждая работа изображается линией, параллельной оси абсцисс длиной равной продолжительности работы из табл. 5.2.2., гр. 2. Работы наносятся снизу вверх одна над другой, в порядке возрастания индекса работ по ранним срокам свершения. Для наглядности под линейной диаграммой располагается график потребности ресурсов, который строится следующим образом. На оси абсцисс наносится шкала времени аналогичная шкале времени линейной диаграммы, а по оси ординат наносится количество исполнителей. Суммируя число исполнителей на работах по отдельным интервалам времени линейной диаграммы, получим их потребное количество. Эти величины отложим по оси ординат графика потребности ресурсов в соответствующих интервалах времени. Получим график потребности ресурсов (исполнителей) по определенным интервалам времени. Определим коэффициент использования ресурсов по формуле


где m - количество работ, на которые необходимо распределить ресурс;

tожi-k - продолжительность каждой работы; Pi-k - количество ресурса (исполнителей) соответственно по каждой работе; Pmax - максимальная суммарная величина ресурса в каком-либо интервале времени.

На рис.29. приведены ЛДП и график потребности ресурсов при коэффициенте использования ресурсов Кир = 0,82.

5.3 Социально-экономический эффект мероприятий по совершенствованию организации труда

В результате осуществления мероприятий по совершенствованию организации труда создается определённый социально-экономический эффект. В общем значении понятие «эффект» - это следствие, или результат, каких-либо действий либо причин. В данном случае под эффектом от реализации мероприятий в области организации труда подразумеваются любые изменения, как в социальной, так и в экономической сфере.

Следует отметить, что эффект как результат изменений в организации труда может быть позитивным или негативным. Это особенно важно учитывать в такой сложнейшей области деятельности, как организация труда. То же можно сказать и о собственно организации учебного процесса со всеми ее требованиями к организации и оснащению рабочих мест студентов, их планировке, обслуживанию, режимам рабочего времени, а также к санитарно-гигиеническим и психофизиологическим условиям труда. На материально-техническую сферу организации труда накладываются еще и социальные проблемы: отношение студентов к учебному процессу, удовлетворенность или неудовлетворенность учебным процессом и его содержанием, взаимоотношения студентов в процессе обучения и сложившийся в данном коллективе «социальный климат», возможные изменения которого также необходимо учитывать при всесторонней оценке эффективности любого мероприятия.

Практика организации учебного процесса свидетельствует о том, что наряду с позитивными результатами в одном направлении могут проявляться и негативные последствия - в другом. Поэтому судить об общей социально-экономической эффективности сложного комплекса организационно-технических мероприятий по одному или даже по нескольким отдельным показателям нельзя. Наряду с производственными и экономическими результатами того или иного мероприятия уже на стадии проектирования необходимо предвидеть и социальные последствия его внедрения. Это тем более важно, что любой экономический эффект создается в конечном итоге за счет реализации эффекта социального.

Социальная цель труда определяется его содержанием, условиями трудовой деятельности, возможностями профессионального совершенствования и повышения квалификации, межличностными, социальными взаимоотношениями в трудовых коллективах.

Социальная эффективность различных мероприятий в области совершенствования организации труда определяется с помощью следующих укрупненных показателей:

·   содержательность труда, характеризующаяся уровнем сложности и разнообразия трудовых функций, производственной самостоятельностью и насыщенностью умственной, творческой деятельностью;

·   профессиональный, культурно-технический уровень студентов;

·   санитарно-гигиенические условия труда и условия безопасности труда;

·   социально-психологический климат;

·   общий жизненный уровень студентов;

·   отношение к труду как обобщающий показатель, отражающий связь между студентами и учебным процессом.

Сущность названных социальных показателей, позволяющая оценить их эффективность с социальных позиций, заключается в следующем.

. Содержательность труда. Мероприятия в области совершенствования организации труда не всегда однозначно приводят к повышению его содержательности. Основным направлением, обеспечивающим повышение содержательности учебного процесса и всестороннее развитие студентов, является преобразование технической и методической основы учебного процесса - его автоматизация. За счет чего у студентов простые исполнительские, энергетические трудовые функции заменяются более содержательными интеллектуальными - контрольными, наладочными, регулирующими и управленческими.

. Повышение профессионального и культурно-технического уровня студентов. Совершенствование и развитие материально-вещественных факторов учебного процесса и, прежде всего разработка, внедрение и освоение новых технологий требуют систематического повышения как общего культурно-технического и профессионального уровня работников, так и повышения квалификации в пределах конкретных трудовых функций, которые насыщаются все более сложными техническими элементами. В таком повышении заинтересованы и преподаватели, и сами студенты, поскольку требования к качеству образования постоянно повышаются.

. Санитарно-гигиенические условия и условия безопасности труда. Улучшение, санитарно-гигиенических условий труда - важное направление организационной работы. Оно имеет не только экономическое (повышение производительности труда, лучшее использование рабочего времени и т.п.), но и огромное социальное значение. Обеспечение благоприятных условий труда создает почву для сохранения здоровья студентов, сокращения общих и профессиональных заболеваний, увеличения периода активной трудоспособности учащихся. Одновременно у студентов в лучшую сторону меняется отношение к учебному процессу, так как повышается его привлекательность, формируется чувство удовлетворенности трудом, его содержанием и результатами.

При оценке организационных мероприятий, направленных на повышение производительности труда, нередко упускаются из виду факторы, ухудшающие условия труда. Например, с внедрением новой и более мощной техники могут усиливаться шумы, возникать ультразвуковые волны и т.д., что может отрицательно отражаться на здоровье студентов, если своевременно не принять меры по защите организма человека от этих вредных влияний. Помимо сохранения здоровья и жизни студентов улучшение санитарно-гигиенических условий труда и обеспечение его безопасности позволяет устанавливать нормальный режим рабочего времени. Здесь социальная эффективность мер по оздоровлению условий труда соединяется уже с экономической эффективностью.

. Социально-психологический климат в трудовых коллективах. При оценке социальной эффективности организационных мероприятий важно определить как они повлияют на социально-психологический климат в трудовых коллективах, в первую очередь в контактных, т.е. постоянно работающих совместно.

Под психологическим климатом в трудовых коллективах понимается общее, характерное для всей группы совместно работающих, психологическое, эмоциональное состояние, преобладающее во всех взаимоотношениях и взаимодействиях студентов.

Хотя социально-психологический климат носит субъективный характер, его влияние на деятельность коллектива довольно существенно и включает три важных аспекта:

·   деятельностный (характер взаимодействия студентов друг с другом в процессе совместного труда, степень сработанности и взаимопомощи);

·   эмоциональный (отношения между членами трудового коллектива, выражающиеся в формах симпатий или антипатий и интенсивности общения между членами коллектива, как во время совместного труда, так и в быту);

·   моральный (наличие или отсутствие общих моральных норм, ценностей и установок, влияющих на характер совместной трудовой деятельности и на конечные результаты труда).

Социально-психологический климат в каждом первичном трудовом коллективе, включая учебную группу, складывается по-разному. Это зависит и от состава его членов, и от свойств их характеров, и от внешней обстановки, и от особенностей трудовых процессов.

Формированию позитивного социально-психологического климата в первичных трудовых коллективах содействует развитие социального планирования: в планах социального развития предусматриваются мероприятия, направленные на сплочение и развитие трудовых коллективов.

. Экономическая эффективность организации труда. Показателями экономической эффективности мероприятий по совершенствованию организации труда являются:

·   изменения (повышение или снижение) производительности труда;

·   относительное сокращение или увеличение численности работающих либо уменьшение или увеличение трудоемкости сравнимого объема работ;

·   повышение или снижение качества продукции (образования);

·   изменения удельного веса брака продукции или работ;

Рассчитаем снижения трудоемкости учебного процесса в связи с реализацией организационного мероприятия. Расчет ведется непосредственно по показателю снижения трудоемкости в нормо-часах по каждому мероприятию. Расчет выполняется по формуле


где ТБ и ТП - базовая и планируемая (после осуществления мероприятия) трудоемкость работы, нормо-часы;

ФРВ - плановый фонд рабочего времени на одного студента, человеко-часы;

JВНВ - индекс планового или ожидаемого выполнения норм выработки.

Рассчитаем плановый фонд рабочего времени на одного студента:

ФРВ = (4 ч. • 4 л/р. + 8 ч.) • 45 мин. = 1080 мин.

 

Рассчитаем базовую и планируемую трудоемкость работы:


ТБ = (4 ч. • 4 л/р.) • 45 мин. = 720 мин.

ТП = (3 ч. • 4 л/р.) • 45 мин. = 540 мин.

Следовательно:

Таким образом, в результате осуществления мероприятий по совершенствованию организации учебного процесса происходит снижение трудоемкости на 13%.

6. Техника безопасности и гигиена труда при работе с компьютером

При работе с компьютером необходимо соблюдать ряд правил техники безопасности.

Проверка напряжения сети. Перед первым включением компьютера следует проверить, соответствует ли напряжение в сети тому, на которое рассчитан компьютер (многие компьютеры могут работать при нескольких значениях входного напряжения, например при 220 и 110В). При необходимости надо установить переключатель напряжения на компьютере в правильное положение. Во многих населенных пунктах нашей страны напряжение в сети может сильно колебаться. Для компьютера такие изменения напряжения являются нежелательными (особенно вредны резкие понижения напряжения), поэтому лучше включать компьютеры через стабилизаторы. Наиболее надежную защиту от неприятностей, связанных с нестабильностью электропитания осуществляют специальные устройства непрерывного питания (UPS), которые не только обеспечивают строго постоянное напряжение питания, но и дают возможность работы компьютеров при полном выключении электропитания в течение от 5 мин до нескольких часов (в зависимости от мощности устройства). За это время можно, во всяком случае, полностью завершить ведущиеся на компьютере работы, чтобы при его выключении не произошло потери информации.

Включение компьютера. Для включения компьютера необходимо:

·   включить стабилизатор напряжения, если компьютер подключен, через стабилизатор напряжения;

·   включить монитор компьютера;

·   включить компьютер (переключателем на корпусе компьютера).

Системный блок компьютера желательно поставить в таком месте, чтобы он не подвергался толчкам и вибрациям. Все кабели, соединяющие системный блок компьютера с другими устройствами, следует вставлять и вынимать только при выключенном компьютере. В помещении, где стоят компьютеры, не следует курить. Один раз в несколько месяцев следует открывать системный блок компьютера и удалять пылесосом накопившуюся там пыль и грязь.

Использование монитора. Важнейшее значение для эффективной работы с компьютером имеет правильное использование монитора. Ниже даются некоторые рекомендации по этому поводу.

. Учтите, что монитор - это хрупкий прибор, и если вы уроните его со стола, то Вам потребуется покупать новый. Так что монитор надо поставить так, чтобы он стоял надежно, не на край стола.

. Надо установить монитор так, чтобы на него было удобно смотреть. Поверните монитор, таким образом, чтобы вы смотрели на экран под прямым углом, а не сбоку. Лучше, чтобы вы смотрели на экран немножко сверху вниз, так что экран должен быть слегка наклонен. Нижний его край должен быть ближе к вам.

. Надо правильно задать регулировки изображения. Ведь на экран монитора вы, может быть, будете смотреть много часов подряд, и если он неправильно отрегулирован, вы скоро испортите глаза. Сначала надо отрегулировать яркость и контрастность монитора. Не следует делать изображение слишком ярким, от этого у вас быстро устанут глаза. Проверьте это так: черный цвет на экране должен быть действительно черным, а не белесым. Если на вашем мониторе есть ручки фокусировки, подкрутите ее так, чтобы изображение было максимально четким.

. Монитор всегда быстро загрязняется пылью. Надо регулярно стирать эту пыль с экрана мягкой тряпочкой. Рекомендуется иметь специальное протирочное средство для мониторов, которое не только очищает экран от грязи и пыли, но и покрывает его антистатическим слоем.

. Если монитор установлен так, что от экрана отсвечивают блики, не портите глаза. Либо установите монитор так, чтобы бликов не было, либо приобретите фильтр для монитора. Фильтры из металлической или нейлоновой сетки использовать нежелательно, так как сетка приводит к искажениям (интерференции) изображения. Фильтры из обычного тонированного стекла не устраняют блики, хотя и несколько повышают контрастность изображения. Наилучшее качество изображения обеспечивают стеклянные поляризационные фильтры. Они устраняют практически все блики, делают изображение более четким и контрастным.

. Кинескоп, находящийся внутри монитора, использует очень высокое напряжение, поэтому ни в коем случае не следует открывать крышку монитора и тем более трогать находящиеся под этой крышкой детали. Это должны делать только обученные специалисты по ремонту мониторов.

Использование клавиатуры. Хотя клавиатура является достаточно надежным и неприхотливым устройством, всё же этим не следует злоупотреблять. В частности, не следует класть на клавиатуру бутерброды и ставить рядом с ней чай. Крошки и жидкости могут вывести ее из строя. Заканчивая работу с компьютером, закройте клавиатуру крышкой. Это предотвратит попадание туда пыли.

Использование дискет. Дискеты требуют бережного обращения: их надо аккуратно вставлять в дисковод, нельзя их гнуть, сдавливать, трогать руками открытые участки магнитного покрытия. Следует не допускать попадания пыли и жидкостей на дискету. Желательно хранить дискеты в вертикальном положении в специальных закрытых коробках.

Организация рабочего места. При выполнении любой работы немалую роль играет комфортная обстановка, которая создается из факторов и деталей, на первый взгляд не имеющих большого значения. В этом смысле работа за компьютером не является исключением. Эргономичная мебель, различные приспособления, средства коммуникаций (переключатели, кабели, адаптеры) и многое другое не только создают условия для высокопродуктивной работы, но и в ряде случаев могут предотвратить профессиональные заболевания тех, кто много и часто пользуется компьютером.

С точки зрения эргономических требований для работы с компьютером необходим стол с регулировкой высоты рабочей поверхности и выдвижной подставкой для клавиатуры. Такой стол, как правило, установлен на роликах, а его полые ножки приспособлены для прокладки кабелей. Наращивать рабочую поверхность стола можно как слева, так и справа. Так же с любой из сторон можно закрепить кронштейн для установки системного блока, а между ножками стола - выдвижную платформу для принтера, которая оборудована приемным и подающим лотками для бумаги.

Заметим, что монитор должен размещаться выше поверхности, на которой установлена клавиатура. Специальные кронштейны для мониторов (вместе с подставками для системных блоков) позволяют использовать обычный письменный стол как для работы с компьютером, так и по его прямому назначению.

Корпус типа desktop может занимать на столе меньше места, если использовать специальную стойку для вертикального расположения системного блока. Заметим, что поскольку толщина корпусов может быть различной, то именно этот размер стойки обычно и регулируется.

Планшет под мышку должен удовлетворять нескольким критериям. Во-первых, он должен хорошо держаться на поверхности стола, ведь не дело, если планшет будет "кататься" вместе с мышкой. Во-вторых, материал верхней поверхности планшета должен обеспечивать хорошее сцепление с шариком и позволять самой мышке легко по нему двигаться. Дешевые планшеты, сделанные из синтетических материалов и различных отходов, как правило, не удовлетворяют этим требованиям. Стоит отметить, что высококачественные планшеты имеют обычно каучуковую основу и покрыты специальной тканью. Подкладка под запястья при работе с клавиатурой позволит избежать болезни кистей.

Таким образом, соблюдение правил техники безопасности и норм гигиены труда позволяет довольно успешно использовать компьютер для решения поставленной задачи без вреда для здоровья.

Заключение

Дипломная работа посвящена вопросам моделирования на ЭВМ радиомаячной системы посадки метрового диапазона. В соответствии с техническим заданием целью дипломной работы являлось разработка имитационной модели радиомаячной системы посадки, позволяющей исследовать в учебном процессе принципы работы и основные характеристики таких систем.

Для достижения цели дипломной работы необходимо было решить ряд поставленных задач.

В настоящее время в эксплуатации находятся системы посадки метрового, дециметрового и сантиметрового диапазонов волн. Каждая из них имеет ряд преимуществ и недостатков. В дипломной работе выбираем для исследования систему посадки метрового диапазона, т.к. она наиболее широко применяется в настоящее время в гражданской авиации.

Во-вторых, был проведен анализ принципов формирования и обработки сигналов, создаваемых радиомаяками в точке приема сигналов, т.е. на борту воздушного судна и создана модель равносигнального радиомаяка.

В качестве программного обеспечения была выбрана программа схемотехнического моделирования Micro-Cap. В соответствии с методикой этой программы были разработаны схемы замещения макромоделей, таких как генераторы низких частот с частотами модуляции 90 и 150 Гц, генератор высокой частоты с частотой несущей 3 кГц, модуляторы и схема замещения радиолинии, включающую антенную систему равносигнального радиомаяка вместе с точкой приема сигнала, т.е. бортом воздушного судна. Затем были созданы их условно графические обозначения и выбраны переменные параметры, обеспечивающие удобство моделирования.

После создания модели радиомаяка было проведено его моделирование с помощью анализа типа Analysis Transient.

Результаты моделирования свидетельствуют об его нормальной работоспособности и возможности использования для изучения свойств принимаемых сигналов.

Результаты настоящей работы предполагается использовать в лабораторном практикуме, а именно для постановки лабораторных работ по изучению радиомаячных систем посадки, исследованию формы сигнала в точке приема и его характеристики (спектральный состав, парциальные коэффициенты модуляции и т.д.).

Подготовка современного инженера немыслима без широкого использования в учебном процессе ЭВМ. Применение ЭВМ в ВУЗе - не дань моде. А объективная необходимость, вызванная возрастающей ролью ЭВМ в учебной и научной работе. Программа схемотехнического моделирования Micro-Cap получила широкое распространение при обучении студентов, т.к. очень удобна для первоначального освоения схемотехнического моделирования электронных схем и не предъявляет высоких требований к компьютеру. Студенты факультета РТ и МТ ДГТУ начинают знакомство с этой программой на начальных курсах и успешно осваивают ее в течение всего обучения в ВУЗе. Программа схемотехнического моделирования Micro-Cap включена в программу обучения многих дисциплин. Проведенная оценка социально-экономической эффективности свидетельствует о снижении трудоемкости выполнения лабораторной работы на 13%.

Рассмотренная в настоящей дипломной работе проблема имеет в своей перспективе дальнейшее развитие, а полученные результаты предполагается использовать в лабораторном практикуме, курсовом и дипломном проектировании, а также при исследовании отдельных вопросов научного и проектного характера.

Литература

1. Авиационная радионавигация: справочник / А.А.Сосновский, И.А.Хаймович, Э.А.Лутин и др.; под ред. А.А.Сосновского. - М.: Транспорт, 1990.

2. Автоматизированное управление полетом воздушных судов / С.М. Федоров, В.М. Кейн, Н.Н. Сухих; под ред. С.М. Федорова. - М.: Транспорт, 1992. - 264 с.

. Бакулев П.А. Радиолокационные и радионавигационные системы / П.А.Бакулев, А.А.Сосновский. - М.: Радио и связь, 1994. - 296 с.

. ГЛОНАСС. Принцип построения и функционирования / под. Ред. А.И.Перова, В.И.Харисова. - 3-у изд., перераб. - М.: Радиотехника, 2005.

. Зулькарняев Ю.Д. Аэрометрические навигационные системы летательных аппаратов. - Уфа: УАИ, 1986. - 60 с.

. Информационные технологии в радиотехнических системах / В.А.Васин, И.Б.Власов, Ю.М.Егоров и др.; под ред. И.Б.Федорова. - М.: Изд. МГТУ им. Н.Э.Баумана,2003.

. Мамаев В.Я., Синяков А.Н., Петров К.К., Горбунов Д.А. Воздушная навигация и элементы самолетовождения. - СПб: СПбГУАП, 2002. - 256 с.

. Орлов В.К., Чернявский А.Г. Радиотехнические системы ближней навигации и посадки самолетов: Учеб. пособие. Спб.: Изд-во СПБГЭТУ «ЛЭТИ», 2004. - 80с.

. Помыкаев И.И., Селезнев В.П., Дмитроченко Л.А. Навигационные приборы и системы. - М.: Машиностроение, 1983.

. Перов А.И. Статистическая теория радиотехнических систем / А.И.Перов. М.: Радиотехника, 2003.

. Петров В.А. и др. Организация, планирование приборостроительного производства и управление предприятием. - Ленинград, 1987.

. Радионавигационные системы летательных аппаратов: Учебник для вузов гражданской авиации / П.С.Давыдов, В.В.Криницин, И.Н.Хресин, Г.В.Кащеев, В.С.Уваров; под ред. П.С. Давыдова. - М.: Транспорт, 1980. - 448с.

. Радиотехнические системы / Ю.П.Гришин, В.П.Ипатов, Ю.М.Казаринов и др.; под ред. Ю.М.Казаринова. - М.: Высш.шк.,1990.

. Радиотехнические системы: учебник для студ. высш. учеб. заведений / Ю.М.Казаринов и др.; под ред. Ю.М.Казаринова. - М.: Издательский центр «Академия», 2008.

. Разевиг В.Д. Система схемотехнического моделирования Micro-Cap V. - М.: «Солон», 1997.

. Разевиг В.Д. Система сквозного проектирования электронных устройств Design Lab 8.0. - М.: «Солон», 1999.

. Разевиг В.Д. Система схемотехнического моделирования Micro-Cap 6. - М.: Горячая линия - Телеком, 2001.

. Сетевые спутниковые радионавигационные системы / В.С.Шебшаевич, П.П.Дмитриев, и др.; под ред. В.С.Шебшаевича. - М.: Радио и связь, 1993.

. Соловьев Ю.А. Системы спутниковой навигации. - М.: Эко-Трендз, 2000. 268 с.

. Флеров А.Г., Тимофеев В.Т. Доплеровские устройства и системы навигации. - М.: Транспорт, 1987. - 191 с.

. Черный М.А., Кораблин В.И. Воздушная навигация. - М.: Транспорт, 1983.

. Яценков В.С. Основы спутниковой навигации. Системы GPS NAVSTAR и ГЛОНАСС. - М.: Горячая линия - Телеком, 2005. - 272 с.

ПРИЛОЖЕНИЕ

Лабораторная работа № 1

Изучение принципов работы радиомаячной системы посадки метрового диапазона с помощью программы Micro-Cap

Цель работы:

·    изучение принципов работы радиомаячной системы

·        исследование процесса формирования сигнала в точке приема (на борту воздушного судна) и его характеристики.

Краткие теоретические сведения

Системы посадки метрового диапазона наиболее широко используются в гражданской авиации.

В качестве международной системы посадки стандартизована система ILS (Instrument Landing System). Международным стандартам соответствуют отечественные системы СП-70, -75, -80.Наземное оборудование системысодержит пять РМ: курсовой (КРМ), глиссадный (ГРМ) и три маркерных - дальний (ДМРМ), средний (СМРМ), ближний (БМРМ).

На рис.1 показан пример расположения радиомаяков системы ILS относительно ВПП.

Рис.1. Пример расположения радиомаяков системы ILS

Заданная траектория захода на посадку определяется положениями линий курса и глиссады, формируемых антенными системами курсового и глиссадного радиомаяков.

Информативный параметр сигнала в каналах курса и глиссады - разность глубин модуляции радиосигналов.

Канал курса использует частотный диапазон 108... 112 МГц. КРМ расположен на оси ВПП. Антенная система КРМ формирует в различных модификациях системы либо две ДН, пересекающиеся на оси ВПП («равносигнальный» КРМ, рис. 2, а), либо две ДН, одна из которых имеет максимум в направлении оси ВПП, а другая минимум (нуль) в этом направлении (КРМ с «опорным нулем», рис. 2, б).

Рис.2. Диаграмма направленности антенн КРМ при равносигнальном (а) варианте и варианте с «опорным нулем» (б)

В равносигнальном варианте антенная система КРМ излучает синфазные AM сигналы с частотами модуляции F1 = 90 Гц и F2 = 150 Гц:

е1,2=Еm1,2f1,2(φ)(1+m1,2sin2πF1,2t)sin ωt

где Еm1,2- амплитуды напряженностей полей в максимумах ДН;

f1,2(φ)- нормированные ДН в горизонтальной плоскости;

m1,2- коэффициенты амплитудной модуляции.

В дальней зоне при Еm1= Еm2= Еm результирующее поле равно

ер=е1+е2=Еm[f1(φ)+ f2(φ)][1+M1sin2πF1t+ M2sin2πF2t] sin ωt,

где М1, М2- коэффициенты глубины пространственной модуляции.

Заданной линии курса (ЛК) соответствует направление, при котором М1 = М2 или разность глубин модуляции (РГМ) ∆M = М2 - М1 = 0. Если две ДН пересекаются по оси ВПП, то необходимо выдерживать равенство m1 = m2.

В бортовой аппаратуре (рис. 3) принимаемый сигнал после детектора разделяется фильтрами Ф1, Ф2, настроенными на частоты F1 и F2. Полученные напряжения, пропорциональные коэффициентам модуляции, после детекторов Д1, Д2 подаются на схему сравнения СС. Сигнал с выхода последней пропорционален величине ∆M, а следовательно, угловому отклонению точки приема от оси ВПП.

Рис.3. Структурная схема бортового оборудования курсового канала

В варианте КРМ с «опорным нулем» антенная система формирует в ДН f1(φ) AM-сигнал с частотами модуляции F1 и F2. В ДН f2(φ) формируется балансно-модулированный (БМ) сигнал с теми же частотами модуляции, фазы которых в двух лепестках отличаются на π:

е1=Еm1f1(φ)[(1+m1sin2πF1t)+(1+m2sin2πF2t)]sin ωt,

е2=Еm2f2(φ)[(1+m1sin2πF1t)-(1+m2sin2πF2t)]sin ωt.

При m1=m2=m амплитуда результирующего поля в дальней зоне

Ер=2Еm1f1(φ){1+M1sin2πF1t+M2sin2πF2t}.

Заданной линии курса соответствует направление, при котором ∆M =0.

Для обработки сигналов на борту самолета в обоих вариантах построения КРМ используется одна и та же аппаратура.

Рассмотренные варианты КРМ используются в системах посадки I категории. Их недостатком является сильное влияние на положение линии курса сигналов, отраженных от местных предметов.

Канал глиссады использует частотный диапазон 328,6... 335,4 МГц. Глиссадные радиомаяки практически полностью аналогичны соответствующим КРМ. Бортовая аппаратура канала глиссады практически не отличается от бортовой аппаратуры канала курса.

В равносигнальных ГРМ (рис.5, а) антенная система состоит из двух антенн, ДН которых пересекаются по линии глиссады (ЛГ). В нижней антенне используется частота модуляции F1= 150 Гц, в верхней антенне - F2 = 90 Гц. Заданной линии глиссады соответствует направление, при котором разность глубин модуляции ∆М= 0.

В канале глиссады с «опорным нулем» (рис.5, б) нижняя антенна (НА) формирует ДН fна(θ), которая соответствует излучению AM сигнала с частотами модуляции F1 и F2. Верхняя антенна (ВА) формирует двухлепестковую ДН fВА(θ), минимум которой совпадает с направлением ЛГ. Этой антенной излучается балансно-модулированный сигнал.

Рис.4. Диаграмма направленности антенн ГРМ при равносигнальном (а) варианте и варианте с «опорным нулем» (б)

Маркерный канал работает на частоте 75 МГц и предназначен для фиксации прохождения самолетом определенных точек траектории снижения.

Антенна МРМ формирует ДН в виде направленной вверх воронки. Излучаемый сигнал является амплитудно-модулированным с частотой модуляции 400 (дальний), 1 300 (средний) или 3 000 Гц (ближний МРМ). Для идентификации МРМ используется дополнительная манипуляция сигналов последовательностью точек или тире.

В некоторых модификациях СП используют два маркерных радиомаяка, располагаемые на удалении от начала ВПП 4 км (дальний) и 1 км (ближний).

Пройдя через соответствующий фильтр, сигнал запускает схему световой и звуковой сигнализации. Кроме того, экипаж самолета имеет возможность прослушивать в телефоне код манипуляции сигнала МРМ.

Системы посадки метрового диапазона имеют ряд недостатков:

·  узкий сектор относительно единственных линий курса и глиссады, где сохраняется линейная зависимость сигнала от угла отклонения от этих линий;

·        искривления линий курса и глиссады из-за влияния рельефа местности и параметров подстилающей поверхности в зонах, примыкающих к радиомаякам;

·        значительные габаритные размеры антенных устройств радиомаяков;

·        невозможность использования глиссады ниже высоты порядка 15 м, что требует выполнения посадки на этапе выравнивания по другим радиосредствам или визуально.

Описание лабораторной установки и методика исследования

Лабораторная работа выполняется на персональной ЭВМ с использованием программы схемотехнического моделирования Micro-Cap 8 (MC8).

Модель равносигнального радиомаяка составлена на функциональном уровне из схемы замещения, выполняющей определенные операции преобразования сигнала.

Лабораторное задание

. В библиотеке компонентов выбрать модель равносигнального радиомаяка (имя модели - MODEL. Mac) и щелчком курсора разместить модель на схеме.

. В открывшемся окне заполнения значений атрибута Value указать численные значения управляемых параметров, которые были обозначены символами в директиве .PARAMETERS на схеме замещения модели, причем они перечисляются в той же последовательности, что и в директиве .PARAMETERS.

·    для выполнения данного пункта необходимо открыть схему замещения, имя которой RRM.Mac и ознакомиться со списком управляемых параметров.

. Выполнить моделирование в режиме «Анализ переходных процессов» («Transient Analysis»), вывести на экран и зарисовать с соблюдением масштабов следующие эпюры:

·   напряжения (в контрольных точках 6 и 7) V;

·   их спектр сигнала HARM(V).

1. Меняя значения управляемых параметров в соответствии со значениями приведенными в таблице 1 выполнить моделирование и зарисовать эпюры напряжения и спектра сигнала в контрольной точке 8 (т.е. на борту воздушного судна)

Таблица П1 Значения управляемых параметров

m

0,3

0,6

0,8

0,9

1

θ

0

0,3

0,5

-0,3

-0,5


где m - глубина модуляции;

θ - угловое отклонение направления на точку приема относительно равносигнального направления.

. Исследовать изменение характеристик выходного сигнала при подаче помехи за счет переотражений от местных объектов.

·          Значение помехи также указано в списке управляемых параметров как θ1. Необходимо задать пару его значений ( 0,3; 0,5; 0,7) и исследовать они повлияют на характеристики выходного сигнала в контрольной точке 9.

ЗАМЕЧАНИЕ. При выполнении данного пункта значение угловое отклонение направления θ=0.

Содержание отчета

·   Модель исследуемого в работе равносигнального радиомаяка;

·   Результаты лабораторных исследований (эпюры, характеристики, зависимости) с указанием параметров и условий моделирования;

·   Краткие выводы по отдельным пунктам и работе в целом.

Контрольные вопросы

1.      Объясните принцип построения системы посадки метрового диапазона.

2.      Поясните принцип работы данной системы.

.        Изобразите диаграмму направленности антенны курсового радиомаяка при равносигнальном варианте и объясните принцип ее работы.

.        Изобразите диаграмму направленности антенны курсового радиомаяка при варианте с «опорным нулем» и объясните принцип ее работы.

.        Что собой представляет маркерный канал и как он работает?

.        Перечислите недостатки системы посадки метрового диапазона.

Похожие работы на - Моделирование радиомаячной системы посадки метрового диапазона с помощью программы Micro-Cap

 

Не нашли материал для своей работы?
Поможем написать уникальную работу
Без плагиата!
Без нейросетей!