Моделирование работы психиатрической больницы

  • Вид работы:
    Курсовая работа (т)
  • Предмет:
    Информационное обеспечение, программирование
  • Язык:
    Русский
    ,
    Формат файла:
    MS Word
    398,68 Кб
  • Опубликовано:
    2013-10-28
Вы можете узнать стоимость помощи в написании студенческой работы.
Помощь в написании работы, которую точно примут!

Моделирование работы психиатрической больницы

Содержание

 

1. Задание

2. Концептуальная модель

3. Основные функциональные блоки для построения модели Психиатрической больницы

4. Вспомогательные функциональные блоки для построения основных функциональных блоков модели Психиатрической Больницы

5. Структурная модель системы

6. Разработка плана экспериментов

7. Расчет характеристик системы

Выводы

1. Задание

В среднем за день в палату психиатрической больницы поступает двое больных. Каждый больной проходит тест, результаты которого распределены равномерно на интервале от 30 до 44 баллов. Когда в палате нет мест, больные с оценкой свыше 41 баллов не принимаются на лечение. Всего в палате 25 мест. Больной выписывается из палаты, когда его оценка больше 49 баллов. Оценка больного меняется в течении суток на величину, равномерно распределенную на интервале от - 0.2 до 1.2 балла. Когда потенциальный больной поступает в палату, в которой нет свободных мест, из нее выписывается больной, оценка которого равна или выше 47 баллов. Первоначально в палату помещены 18 больных с оценками от 30 до 40 баллами. Имитация работы палаты больницы в течение 1000 суток., числа досрочно выписанных больных.

Цель моделирования - определить следующее:

.        Среднего времени пребывания в палате больных

2.      Загрузки палаты

.        Числа больных, которым отказано в лечении

.        Числа досрочно выписанных больных

 

2. Концептуальная модель


Рассматриваемая система включает в себя следующие объекты:

1.      клиент - человек, обратившийся в больницу с целью поправить свое пошатнувшееся здоровье;

2.      Место больного (койка) - больничная койка, где больной проходит курс лечения, отдыхает.

Объект

Атрибуты

Клиент

Факт обращения в больницу - наступление события прихода потенциального больного (приход клиента подчиняется равномерному закону распределения) Время лечения - время, равное сумме времени прихода в больницу, времени лечения Оценка больного - результаты прохождения больным теста, по которым судят о состоянии больного

Койка

Признак занятости - отражает тот факт, что данный койка уже занята одним из больных и еще не освобождена им Число поступивших больных - количество принятых на лечение клиентов Количество досрочно выписанных больных - количество больных, которых пришлось выписать раньше Улучшение состояния больного - случайная величина, определяющая изменение оценки больного в результате лечения


Диаграмма связей
 
 
Концептуальная модель системы

Библиотека блоков

функциональный блок модель структурная

3. Основные функциональные блоки для построения модели Психиатрической больницы


Наименование: Подсистема формирования потока заявок.

Назначение: Создает (генерирует) поток событий с заданной интенсивностью. Используется для имитации потока клиентов в больницу.

Изображение:

 

Описание входов: отсутствуют

Описание выходов:

·        Единственный выход представляет собой количество клиентов, обратившихся в психиатрическую больницу на текущем шаге интегрирования модели.

Состояния элемента: Элемент может находиться в состоянии индикации события (генерация выходного импульса).

События, на которые реагирует элемент: Элемент не реагирует на внешние события. Единственное внутренне событие, вызывающее его реакцию - наступление времени свершения очередного события (приход клиента).

Алгоритм функционирования: На каждом интервале времени на выход подается импульс о количестве клиентов, обратившихся в больницу.

 

Блок-схема модели:

 

Параметры, устанавливаемые пользователем:

·        Lambda - интенсивность входного потока.

 

Окно установки параметров:


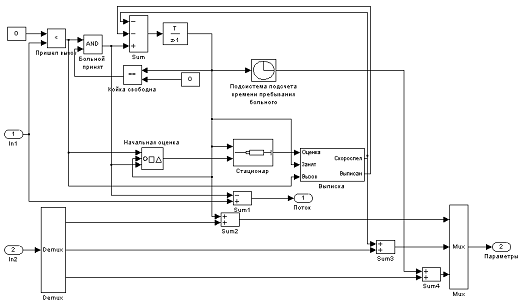
Наименование: Койка.

Назначение: Предназначен для организации лечения клиентов.

 

Изображение:

 

Описание входов:

·        Поступающие заявки, то есть импульсы, генерируемые блоком "Формирования заявок".

·        Параметры модели, передаваемые от "койки" к "койке" с целью расчета требуемых величин.

Описание выходов:

·        Поток заявок после прохождения данной "койки".

·        Параметры модели.

Состояния элемента: Элемент находится в стационарном состоянии обработки поступающих заявок (клиентов).

События, на которые реагирует элемент: Элемент реагирует на поступление новой заявки (клиента).

Алгоритм функционирования: На первый вход поступает количество клиентов, обратившихся в больницу на данном шаге интегрирования. Если "койка" свободна, то из потока заявок вычитается один клиент. Иначе поступают если "койка" занята. Очередной клиент проходит тест, его результаты оцениваются и если они больше 41, то клиенту отказывается в лечении, иначе оцениваются результаты лечащегося больного. Если его оценка 47 и выше, то он выписывается из больницы и на его место поступает очередной больной.

 

Блок-схема модели:

 

Параметры, устанавливаемые пользователем:

·        be - наличие больного в палате на начальный момент времени (либо 0, либо 1).

·        Start - начальная оценка больного от 30 до 40

Окно установки параметров:


Наименование: Статистика.

Назначение: Вычисляет средние статистические характеристики системы.

 

Изображение:

 

Описание входов:

·        Отказ в бослуживании.

·        Вектор статистики, полученный с первого выхода последнего "койки" в цепочке.

·        Поступающие на обслуживание заявки.

Описание выходов:

·        Вероятность отказа в обслуживании.

·        Среднее количество занятых "коек".

·        Среднее время обслуживания клиентов.

·        Среднее количество досрочно выписанных больных с каждой "койки".

·        Вероятность досрочного освобождения.

·        Количество пришедших клиентов.

Состояния элемента: Элемент постоянно находится в одном состоянии - в состоянии вычисления средних статистических характеристик.

События, на которые реагирует элемент: Элемент реагирует на отказ в обслуживании, изменение входного статистического вектора и на изменение потока клиентов.

Алгоритм функционирования: Элемент демультиплексирует входной вектор статистики и вычисляет усредненные характеристики, записанные в элементах этого вектора.

 

Блок-схема модели:

 

Параметры, устанавливаемые пользователем: отсутствуют

 

Окно установки параметров:

 

Наименование: Начальная статистика.

Назначение: Начальный вектор для вычисления статистики.

 

Изображение:

 

Описание входов: отсутствуют

Описание выходов:

·        Начальный (нулевой) вектор статистики.

Состояния элемента: отсутствуют

События, на которые реагирует элемент: отсутствуют

Алгоритм функционирования: Мультиплексирование нулевых значений в единый вектор.

 

Блок-схема модели:

 

Параметры, устанавливаемые пользователем: отсутствуют

 

Окно установки параметров:



4. Вспомогательные функциональные блоки для построения основных функциональных блоков модели Психиатрической Больницы


Наименование: Начальная оценка.

Назначение: Тестирование поступившего больного и анализ результатов.

Изображение:

 

Описание входов:

·        Первый вход - сообщение о поступлении больного.

·        Второй вход - занятость "койки"

·        Третий вход - решение о принятии больного в палату

Описание выходов:

·        Результат тестирования.

Состояния элемента: Элемент находится в состоянии оценки вновь пришедшего больного.

События, на которые реагирует элемент: Приход клиента, освобождение "койки".

Алгоритм функционирования: При обращении клиента в больницу осуществляется его начальная оценка и если "койка" занята и оценка клиента больше 41, то ему отказывается в обслуживании. Если же "койка" свободна или больной досрочно выписан, клиента принимают на лечение.

Блок-схема модели:

 

Параметры, устанавливаемые пользователем: отсутствуют

 


Наименование: Лечение больного.

Назначение: Процесс улучшения состояния боьного.

 

Изображение:

 

Описание входов:

·        Сигнал наличия больного в палате.

·        Сигнал принятия нового больного и его оценка.

Описание выходов:

·        Результат лечения.

Состояния элемента: Элемент находится в состоянии улучшения оценки больного на протяжении определенного времени.

События, на которые реагирует элемент: При поступлении сигнала наличия больного его оценка изменяется на определенную величину. Второй сигнал сбрасывает накопленное значение оценки и запоминает начальное значение его оценки.

Алгоритм функционирования: Если на лечении находиться больной, то его оценка изменяется на величину, равномерно распределенную на интервале от - 0.2 до 1.2 Если принят новый больной, то запоминается его начальная оценка и начинается лечение.

 

Блок-схема модели:

 

Параметры, устанавливаемые пользователем: отсутствуют

 

Окно установки параметров:


Наименование: Выписка.

Назначение: Решение о досрочной выписке больного или его полном выздоровлении.

Изображение:

 

Описание входов:

·        Оценка больного

·        Занятость "койки" - наличие больного в палате

·        Обращение клиента в больницу

Описание выходов:

·        Досрочно выписанный больной

·        Больной, прошедший полный курс лечения и полностью здоровый

Состояния элемента: Элемент находится в состоянии анализа оценки больного и принятии решения о его выписке

События, на которые реагирует элемент: Приход нового клиента, изменение оценки лечащегося больного.

Алгоритм функционирования: Если нет новых клиентов, то решается вопрос о том, здоров ли больной. Если его оценка больше 49, то его выписывают как полностью здорового, иначе его оставляют еще. Если обратился новый клиент, то решается вопрос о досрочной выписке больного, если его оценка больше 47.

 

Блок-схема модели:

 

Параметры, устанавливаемые пользователем: отсутствуют

 

Окно установки параметров:


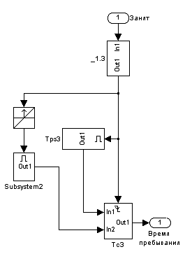
Наименование: Время лечения больного.

Назначение: Производит подсчет времени лечения больного в палате.

 

Изображение:

 

Описание входов:

·        Занятость "койки".

Описание выходов:

·        Время лечения.

Состояния элемента: Подсчет времени пребывания больного в палате.

События, на которые реагирует элемент: Сигнал наличия больного в палате.

Алгоритм функционирования: Рассчитывается время нахождения больного в палате.

 

Блок-схема модели:

 

Параметры, устанавливаемые пользователем: отсутствуют

 

Окно установки параметров:


Наименование: Среднее количество больных, выписанных досрочно.

Назначение: Вычисление средней величины больны, выписанных досрочно.

Изображение:

 

Описание входов:

·        Сигнал о досрочном освобождении больного из палаты.

Описание выходов:

·        Среднее значение входной величины.

Состояния элемента: Расчет средней величины досрочно выписанных больных

События, на которые реагирует элемент: Импульс о досрочной выписке.

Алгоритм функционирования: Суммирование входной величины и ее последующее деление

 

Блок-схема модели:

Параметры, устанавливаемые пользователем:

·        Count - число мест в палате.

 

Окно установки параметров:


Наименование: Вероятность досрочной выписки.

Назначение: Вычисление вероятности.

 

Изображение:

 

Описание входов:

·        Досрочно выписанный больной.

·        Поток больных, принятых на лечение.

Описание выходов:

·        Вероятность.

Состояния элемента: Расчет вероятности

События, на которые реагирует элемент: Импульс досрочного освобождения, принятие нового больного.

Алгоритм функционирования: Суммирование больных, выписанных досрочно, суммирование поступивших больных в палату, расчет вероятности.

 

Блок-схема модели:

 

Параметры, устанавливаемые пользователем: отсутствуют

 

Окно установки параметров:


Наименование: Вероятность отказа в обслуживании.

Назначение: Вычисление вероятности.

 

Изображение:

 

Описание входов:

·        Отказ в обслуживании.

·        Поток заявок.

Описание выходов:

·        Вероятность отказа.

Состояния элемента: Расчет вероятности

События, на которые реагирует элемент: отказ больному в обслуживании, поток заявок.

Алгоритм функционирования: Производит накапливание отказанных больных и сравнение с потоком заявок.

 

Блок-схема модели:

Параметры, устанавливаемые пользователем: отсутствуют

Окно установки параметров:


Наименование: Средняя занятость палаты.

Назначение: Расчет среднего количества занятых "коек".

 

Изображение:

 

Описание входов:

·        Время работы.

Описание выходов:

·        Занятость палаты.

Состояния элемента: Расчет занятости

События, на которые реагирует элемент: время работы.

 

Блок-схема модели:

 

Параметры, устанавливаемые пользователем: отсутствуют

 

Окно установки параметров:



5. Структурная модель системы


Блок-схема модели

 
Блок-схема подсистемы палата


Описание модели

Модель работы Психиатрической больницы состоит из "Потока заявок" и "Палаты", которая состоит из 25 "коек". Сигналы, символизирующие клиентов, поступают в "палату". Далее они поступают к "койкам". Если "койка" занята, то она передает следующей в цепочке "койке" то же значение количества заявок, что принял сам. В противном случае (когда "койка" свободна), "койка" вычитает (принимает на лечение, иначе говоря, начинает обслуживать) из потока заявок одного клиента и переходит в состояние "занята". Таким образом поток заявок проходит все "койки". Если в нем остались клиенты, значит им отказано в обслуживании. Второй вход это параметры системы, которые передаются от одной "койки" к другой в течении всей работы модели. От последней "койки" в палате параметры передаются в подсистему "Статистической обработки".

 

6. Разработка плана экспериментов


Для получения интегральных характеристик системы (см. Задание), принимая во внимание широкое использование случайных величин, необходимо провести целый ряд экспериментов (имитационных прогонов) и усреднение результатов при параметрах модели, указанных в задании.

При проведении экспериментов будут установлены следующие параметры:

Время интегрирования (мин)

1000

Метод интегрирования

Discrete (no continuous states)

Шаг интегрирования

Fixed-step; size - 1

Интенсивность потока клиентов

2

Число мест в палате

25

Количество больных в палате на начальный момент времени

18

Начальная оценка больного

30 - 40

Изменение оценки больного

-0.2 - 1.2


В ходе имитации будут определены следующие измеряемые величины:

.        Среднего времени пребывания в палате больных

2.      Загрузки палаты

.        Вероятность отказа в лечении

.        Числа досрочно выписанных больных

.        Вероятность досрочного освобождения

.        Число пришедших больных

 


Результаты имитационных экспериментов

№ п/п

Средняя занятость палаты

Среднее время пребывания в палате

Вероятность отказа

Вероятность досрочной выписки

Число досрочно выписанных

Число пришедших клиентов

1

23.22

22.52

0.4797

0.9517

40.16

2016

 

2

23.43

22.89

0.4937

0.9702

40.4

2056

3

23.31

22.77

0.4695

0.9493

39.68

1970

 

4

23.27

22.88

0.4715

39.04

1966

 

5

23.39

22.57

0.4677

0.945

39.88

1982

 

 

7. Расчет характеристик системы


Графики процессов

Вероятность отказа в обслуживании


Средняя занятость Время обслуживания

 


Выводы


В ходе курсовой работы была проанализирована и смоделирована в среде simulink работа психиатрической больницы. Были изучены и применены на практике приемы работы со средой моделирования и с программным комплексом Mat LAB в целом. Так же были рассчитаны заданные параметры системы.

Полученные результаты показывают, что около половины обратившихся в больницу клиентов было отказано в лечении, вероятность быть выписанным досрочно практически 1. Занятость палаты очень большая. Руководству больницы следует принять меры к расширению больницы, привлечению нового персонала.

Похожие работы на - Моделирование работы психиатрической больницы

 

Не нашли материал для своей работы?
Поможем написать уникальную работу
Без плагиата!
Без нейросетей!