|
Технологические
переходы обработки
|
Rz
|
Н
|

|
|
|
Подрезать
торец А
|
100
|
200
|
550
|
500
|
|
Сверлить
отв-ие ø 10
|
40
|
60
|
230
|
100
|
|
Развернуть
отв-ие ø 10
|
10
|
25
|
-
|
-
|
|
Протянуть
шпоночный паз
|
5
|
10
|
10
|
10
|
|
Подрезать
торец Б
|
100
|
200
|
550
|
500
|
|
Обточить
поверхность В
|
50
|
50
|
150
|
500
|
.4 Выбор оборудования и
приспособлений
шестерня заготовка отливка
Принимаем для токарной операции 005
токарно-винторезный станок 1А64. Продольная подача:
0,2;0,25;0,3;0,36;0,4;0,45;0,5;0,55;0,6;0,65;0,7;0,75;0,8;0,85;0,9;
1,0;1,1;1,2;1,31,4;1,5;1,6;1,71,8;1,9;2,0;2,12,2;2,4;2,6;2,83,0.. Обороты:
7,1;10;14 ;17; 20;24;29;33; 40;48;57;67; 82;94;114;134 160;190;230;267;321;375;
530;750. Привод: 3-х кулачковый патрон. Мерительный инструмент штангенциркуль
ШЦ - I - 125 - 0,05 ГОСТ
166 - 80.
Принимаем для протяжной операции 010
горизонтально - протяжной станок 7Б510. Способ установки: в специальном
приспособлении. Режущий инструмент: протяжка. Мерительный инструмент
штангенциркуль ШЦ - I - 125 - 0,05 ГОСТ 166 - 80.
Примем для зубофрезерной операции 020
зубофрезерный станок 5В312. Работа с охлаждением. Червячная модульная фреза из
стали 45, m = 2мм, Du
= 40 мм.
Принимаем для шевинговальной операции 025
зубошевинговальный станок 5702В. Частота вращения шпинделя шевера: 50, 63, 80,
100, 125, 160, 200, 250, 315, 400 мин-1. Продольная подача: 18, 22,4, 28, 35,5,
45, 56, 71, 90, 118, 150, 190, 236, 300 мм/мин. Радиальная подача: 0,02…0,1
мм/ход стола.
.5 Расчет режимов резания
.5.1 Выбор режущего инструмента, его
материала, геометрии и стойкости
Токарная обработка выполняется резцами с
пластинками твердого сплава Т15К6 с главным углом в плане 45o
и 90o.
.5.2 Определение режимов резания,
составляющих усилия резания и необходимой мощности станка
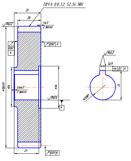
Операция 005 - токарная
Выбираем токарно-винторезный станок модели 1А64.
Установ А. 1.Подрезать
торец Б с Æ110 мм. на t=3
мм.
По формуле (2.10)[5] определяем скорость
резания:
=240; T=120 мин; m=0,2; х=0,2;
у=0,3; t=3 мм; s=1,2мм/об
Частота вращения шпинделя по формуле
(2.11)[5]:
мин-1
где v - скорость
резания, d - диаметр
обрабатываемой детали.
Тогда:
(2.1)
Принимаем по паспорту станка 1А64 n= 230 мин-1
Тогда действительная скорость
резания по формуле (2.10)[5]:
(2.2)
Усилия, действующие на резец
определяем по формулам (2.15)[5]:
где Fz
, Fy
, Fx
- проекции силы резания на ось Z
(окружная составляющая), Y
(нормальная), X
(осевая), Н;
CFz
, CFy
, CFx
- коэффициенты силы резания (таблица 2.9) [5];
t
- глубина резания, мм (при отрезке и фасонном точении - ширина лезвия резца); s
- подача, мм/об;
v
- скорость резания, м/мин;
xi
, yi
, ni
- показатели степеней (таблицу 2.9) [5].
, Н (2.3)
Крутящий момент при резании
определяем по формуле (2.16)[5]:
Mк
= Fz
D / 2000,
где D
- обрабатываемый диаметр.
(2.4)
Мощность резания определяем по
формуле (2.17)[5]:
,
где n - частота
вращения шпинделя станка, об/мин.
(2.5)
Основное время обработки определяем по формуле
(2.21)[5]:
где l
- длина обработки в направлении подачи, мм;
lвр
- величина перебега;
n
- частота вращения шпинделя станка (об/мин) или число двойных ходов в минуту
для станков с прямолинейным главным движением;
s
- подача, мм/об.
(2.6)
Переход 2.
Сверлить сквозное отверстие Æ 10 мм.
По карте 1[1] находим подачу s=1,2
мм/об. По карте 6[1] находим скорость резания 20 м/мин.
Находим частоту вращения по формуле
(2.11)[5]:
;
По паспорту станка принимаем частоту
вращения n =750 мин-1.
Уточняем скорость резания:
Основное время определяется по
формуле (2.21)[5]:
; (2.7)
Переход 3.
Рассверлить отверстие Æ 10 мм. до Æ 21,5 мм.
По карте 1[1] находим подачу s=0,8
мм/об. По карте 6[1] находим скорость резания 20 м/мин.
Находим частоту вращения по формуле
(2.11)[3]:
;
По паспорту станка принимаем частоту
вращения n =321 мин-1.
Уточняем скорость резания:
(2.8)
Основное время определяется по
формуле (2.21)[5]:
; (2.9)
Переход 4.
Развернуть отверстие Æ 21,5 мм. до
Æ 22Н7 мм.
По карте 1[1] находим подачу s=0,8
мм/об. По карте 6[1] находим скорость резания 20 м/мин.
Находим частоту вращения по формуле
(2.11)[5]:
;
По паспорту станка принимаем частоту
вращения n =321 мин-1.
Уточняем скорость резания:
(2.10)
Основное время определяется по
формуле (2.21)[5]:
; (2.11)
Переход 5.
Рассверлить отверстие Æ 22Н7 мм. до
Æ 36 мм. на
длине L = 2 мм.
По карте 1[1] находим подачу s=1,5
мм/об. По карте 6[1] находим скорость резания 20 м/мин.
Находим частоту вращения по формуле
(2.11)[5]:
;
По паспорту станка принимаем частоту
вращения n =190 мин-1.
Уточняем скорость резания:
(2.12)
Основное время определяется по
формуле (2.21)[3]:
; (2.13)
Переход 6.
Точить фаски 1,6×45◦
на диаметре 36 мм.
Принимаем to = 0,3 мин.
Операция 010 - Протяжная
1.Протянуть шпоночный паз по Æ
22Н7 мм . шириной 5js9
мм. в размер L = 25 мм.
По карте 3.19[3] находим скорость резания V=3,5
м/мин
По карте 3.20[3] находим подачу на зуб Sz=0,1
мм/зуб.
Сила протягивания, кг определяется по формуле
(3.100)[4]:
где F - сила резания на 1 мм режущей кромки
кг/мм в зависимости от подачи на зуб и материала.
åв
- наибольшая суммарная длина режущей кромки всех одновременно работающих зубьев
в мм.
Сила резания на зуб ориентировочно определяется
по формуле (3.101)[4]:
F=1,8 +197∙Sz
,
F=1,8 +197∙0,1
=21,5кг/мм. (2.14)
Наибольшая суммарная длина режущей кромки всех
одновременно работающих зубьев åв определяется
по формуле (3.103)[4]:
где z1 - наибольшее число
одновременно работающих зубьев,
bи - ширина протягиваемой
поверхности, мм; bи = 5 мм.- число шлицев или шпонок; n
= 1.С - число зубьев в секции (для непрогрессивных протяжек zc
= 1)
Количество зубьев, работающих одновременно по
формуле(3.103)[4]:
z1=L/h+1,
где:
h- шаг зубьев
протяжки, мм;
L- длина нарезаемой
поверхности, мм
z1=26/10+1=2,6+1=3,6≈3.
(2.15)
Тогда:
(2.16)
Тогда сила протягивания:
(2.17)
Что меньше максимального усилия, развиваемого
станком.
Следовательно, станок подходит для выполнения
данной работы.
Основное время определяется по формуле
(3.104)[4]:
где: lpx-длина
рабочего хода протяжки
lpx=lП+lРЧ+lДОП;
где: lП
-
длина протягиваемой поверхности, мм; lП
=
26 мм.
lРЧ -
длина рабочей части протяжки, lРЧ
=250 мм;
lДОП -
длина перебега, lДОП
=30..50
мм;
k - коэффициент,
определяемый по формуле:
k=1+ 
;
где: Vpx
-
скорость рабочего хода протяжки, Vpx=3..3,5
м/мин;
Vox
-
скорость обратного хода протяжки, Vox=20
м/мин;
q - количество
одновременно обрабатываемых деталей, q=8.
Тогда:
k=1+3,5/20=1,18;
(2.18)
Длина рабочего хода:
lpx=26+250+50=326
мм; (2.19)
Основное время:
(2.20)
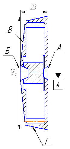
Операция 015 - Токарная
Переход 1
Подрезать торец Б Æ110
мм. на t = 3мм.
По карте 1[1] находим подачу s=0,8 мм/об. По
карте 6[1] находим скорость резания 92 м/мин.
Находим частоту вращения по формуле (2.11)[5]:
;
По паспорту станка принимаем частоту
вращения n =267 мин-1.
Уточняем скорость резания:
Основное время определяется по
формуле (2.21)[5]:
; (2.21)
Переход 2
Обточить поверхность В с Æ
110 мм. до Æ 34 мм. на L
= 3 мм.
По карте 1[1] находим подачу s=1,5 мм/об. По
карте 6[1] находим скорость резания 72 м/мин.
Находим частоту вращения по формуле (2.11)[5]:
;
По паспорту станка принимаем частоту
вращения n=750 мин-1.
Уточняем скорость резания:
Основное время определяется по
формуле (2.21)[5]:
;
Переход 3
Обточить поверхность В с Æ
110 мм. до Æ 104 мм. на L
= 20 мм.
По карте 1[1] находим подачу s=0,8 мм/об. По
карте 6[1] находим скорость резания 92 м/мин.
Находим частоту вращения по формуле (2.13)[5]:
;
По паспорту станка принимаем частоту
вращения n=321 мин-1.
Уточняем скорость резания:
Основное время определяется по
формуле (2.21)[5]:
;
Операция 020 - Зубофрезерная
Фрезеруем зубья червячной однозаходной
модульнойой фрезой на диаметре 104 мм по длине 20 мм, количество
нарезаемых зубьев z=50, с
модулем м=2 мм и делительным диаметром, равным 98 мм.
По карте 8[2] находим поправочный коэффициент на
подачу , в зависимости от материала Кмs
=1,0 и угла наклона Кβs
= 0,8. Табличная подача S=2,4
мм/об. Тогда нормативная подача: SН=2,4х
1,0 х 0,8=1,92 мм/об
По паспорту станка принимаем ближайшее значение
подачи Sтаб
= 2 мм/об.
По карте 3[2] находим скорость резания V=30,5
м/мин. По карте 2[2] находим допускаемое число осевых перемещений фрезы за
время её работы до переточки. При обработке зубчатого колеса m=2мм,
z=50, Sо=2
мм/об допускаемое число осевых перемещений равно 1. По карте 7[5]
принимаем поправочный коэффициент на нормативную скорость в зависимости от
материала Кмv
=1,0; от принятого количества осевых перемещений Кωv
=
1, угла наклона зубьев колеса Кβv=0,85.
Тогда:
По установленной скорости определяем
число оборотов фрезы:
(2.22)
Основное время определяется по
формуле:
(2.23)
где n - частота вращения
шпинделя станка, равная 97,9 мин-1;
- ширина нарезаемого зубчатого венца
в мм, равная 20 мм;
- длина врезания и перебега, равная
4 мм;
i- число
проходов, равное 1;- осевая подача на один оборот шпинделя в мм/об.
z- число
зубьев нарезаемого венца
m- число
одновременно нарезаемых зубьев, равное 8.
k - число
заходов фрезы, равное 1.
(2.24)
Операция 025 - Шевинговальная
Основное время на шевингование определяется по
формуле (3.51)[4]:
где d - припуск на шевингование, мм; d = 1,5 мм.;
Sр - радиальная подача станка, мм; Sр
= 0,1 мм./ход стола;х - количество проходов после выключения подачи;
nх = 3,
n
-
частота вращения шпинделя станка; n=50
мин-1,- ширина венца, мм; l = 20 мм.,- подача вдоль оси детали за 1
оборот; S = 18 мм/мин.
Операция 030 Термическая
Обычно детали из конструкционных сталей
нагревают до 880-900°С (цвет каления светло-красный). Нагревают детали вначале
медленно (примерно до 500°С), а затем быстро. Это необходимо для того, чтобы в
детали не возникли внутренние напряжения, что может привести к появлению трещин
и деформации материала. В ремонтной практике применяют в основном охлаждение в
одной среде (масле или воде), оставляя в ней деталь до полного остывания.
Однако этот способ охлаждения непригоден для деталей сложной формы, в которых
при таком охлаждении возникают большие внутренние напряжения. Детали сложной
формы сначала охлаждают в воде до 300-400°С, а затем быстро переносят в масло,
где и оставляют до полного охлаждения. Время пребывания детали в воде
определяют из расчета: 1 с на каждые 5-6 мм сечения детали. В каждом отдельном
случае это время подбирают опытным путем в зависимости от формы и массы детали.
Качество закалки в значительной степени зависит от количества охлаждающей
жидкости. Важно, чтобы в процессе охлаждения детали температура охлаждающей
жидкости оставалась почти неизменной, а для этого масса ее должна быть в 30-50
раз больше массы закаливаемой детали. Кроме того, перед погружением раскаленной
детали жидкость необходимо тщательно перемешать, чтобы выровнять ее температуру
по всему объему. В процессе охлаждения вокруг детали образуется слой газов,
который затрудняет теплообмен между деталью и охлаждающей жидкостью. Для более
интенсивного охлаждения деталь необходимо постоянно перемещать в жидкости во
всех направлениях. Небольшие детали из легированной сталей (марки 45) слегка
разогревают, посыпают железосинеродистым калием (желтая кровяная соль) и вновь
помещают в огонь. Как только обсыпка расплавится, деталь опускают в масло.
Железосинеродистый калий расплавляется при температуре около 850° С, что
соответствует температуре закалки этих марок стали.
Время на закаливание детали определяется по
формуле:
(2.25)
где Т - время нагрева;
D - диаметр
заготовки;
b -
коэффициент расположения заготовки на поду (b=1);
k -
коэффициент учитывающий теплофизические свойства сталей(k=10).
Время на охлаждение детали определим
из соотношения:
(2.26)
D - диаметр
заготовки;
r -
расстояние, которое охлаждается за одну секунду в воде;
h -
расстояние, которое охлаждается за одну секунду в масле.
3. Расчет норм времени
Норма штучно-калькуляционного времени для каждой
операции вычисляется по формуле:
где
- основное время,
- вспомогательное время,
определяемое по формуле:
- время на физические надобности
рабочего, определяемое по формуле:
- время обслуживания станка,
определяемое по формуле:
Норма времени для изготовления
партии деталей:
где n -
количество деталей в партии.
Остальные расчёты нормы
штучно-калькуляционного времени для остальных операций представлены в таблице
2.
Таблица 2 - Штучно-калькуляционное
время для всех операций техпроцесса
|
N
|
Установ
|
Номер
перехода
|
Tо,
мин
|
Tв,
мин
|
Tф,
мин
|
Tоб,
мин
|
Tшт,
мин
|
Tпз, мин
|
Tшк, мин
|
|
|
005
|
А
|
1
|
0,4
|
0,08
|
0,038
|
0,013
|
0,53
|
6
|
1,11
|
|
|
|
2
|
0,03
|
0,006
|
0,00288
|
0,0018
|
0,04068
|
|
|
|
|
|
3
|
0,1
|
0,02
|
0,0096
|
0,006
|
0,1356
|
|
|
|
|
|
4
|
0,1
|
0,02
|
0,0096
|
0,006
|
0,1356
|
|
|
|
|
|
5
|
0,2
|
0,04
|
0,0192
|
0,012
|
0,2712
|
|
|
|
|
010
|
А
|
1
|
0,02
|
0,004
|
0,00192
|
0,0012
|
0,02712
|
4
|
0,03
|
|
|
015
|
А
|
1
|
0,025
|
0,005
|
0,0024
|
0,0015
|
0,0339
|
6
|
1,4
|
|
|
|
2
|
0,073
|
0,0146
|
0,007008
|
0,00438
|
0,098988
|
|
|
|
|
|
3
|
0,08
|
0,016
|
0,00768
|
0,0048
|
0,10848
|
|
|
|
|
|
4
|
-
|
-
|
-
|
-
|
0,3
|
|
|
|
|
|
5
|
-
|
-
|
-
|
-
|
0,3
|
|
|
|
|
|
5
|
-
|
-
|
-
|
-
|
0,3
|
|
|
|
|
020
|
А
|
1
|
41,88
|
8,376
|
4,02048
|
2,5128
|
56,78928
|
5
|
56,8
|
|
|
025
|
А
|
1
|
0,4
|
0,08
|
0,038
|
0,013
|
0,53
|
4
|
0,54
|
|
|
Итого
по техпроцессу
|
43,308
|
|
|
59,60085
|
|
59,88
|
|
|
|
|
|
|
|
|
|
|
|
|
|
|
|
|
4. Технологический процесс ремонта
.1 Анализ возможных дефектов
Шестерня низшей передачи может иметь следующие
дефекты:
износ зубьев по толщине и длине;
поломка зубьев;
усталостное разрушение в виде раковин по
поверхности;
износ шпоночного паза
.2 Восстановление изношенных зубьев
вибродуговой наплавкой
Применяемые материалы: проволока НП-65Г.
Оборудование: при восстановлении деталей,
имеющих форму тел вращения, применяется токарный станок с понижающим
редуктором.
Параметры и режимы восстановления:
частота вращения детали n
= 3мин-1.
шаг наплавки t
= 2 мм.
скорость подачи электродной проволоки v
= 2м/мин.
напряжение 24 В.
сила тока 180 А.
Таблица 3 - Маршрут восстановления изношенных
зубьев.
|
N опер.
|
Наименование
операции и перехода
|
Оборудование
|
|
005
|
Наплавочная 1. Наплавить зубья до Æ 105,5 мм.
|
Полуавтомат
А-580
|
|
010
|
Термическая 1.Цементировать поверхность
зубьев 2.Закалить поверхность зубьев до твердости 50…54 HRC
h = 0.8…1.2
мм.
|
Закалочная
печь.
|
|
015
|
Шевинговальная 1.Шевинговать
зубья на Æ 105,5 мм
по длине 20 мм с модулем m = 2 мм и z = 50. мм.
на L = 20 мм.
|
Зубошевинговальный
станок 5702В
|
Протягивание нового шпоночного паза
вместо изношенного
Оборудование: горизонтально - протяжной станок
7Б510.
Протягивают новый шпоночный паз под углом 90 -
120◦ к поврежденному, а старый заваривают.
4.3 Восстановление изношенных зубьев
методами пластического деформирования
Осадка позволяет восстанавливать изношенные
зубья до 0,5 мм по толщине. Она ведется в штампах под прессом при
предварительном нагреве деталей.
Оборудование:
Необходимое давление рассчитывается по формуле:
где σТ - предел
текучести материала шестерни; σТ = 250 МПа.
D - диаметр
шестерни;
l - длина
шестерни.
Таблица 4 - Маршрут восстановления
изношенных зубьев.
|
N опер.
|
Наименование
операции и перехода
|
Оборудование
|
|
005
|
Термическая 1. Нагреть шестерню до
900…950◦С
|
Индукционная
печь
|
|
010
|
Осадка 1.Осадить шестерню до Æ 104 мм.
|
Закалочная
печь.
|
4.4 Восстановление изношенных
поверхностей шестерни осталиванием
Параметры и режимы восстановления:
скорость осаждения металла 0,4 мм/ч
выход по току 85 %
плотность тока 30 А/дм2
Технологический процесс осталивания включает в
себя следующие операции:
очистка детали от грязи и масла
механическая обработка
промывка бензином
сушка
изоляция непокрываемых поверхностей
осталивание
промывка горячей водой
нейтрализация
механическая обработка
Заключение
В результате проведенной работы был разработан
технологический процесс изготовления и ремонта шестерни.
На основании расчётов курсового проекта были
выбраны: оптимальный способ получения заготовки, который учитывает все
существующие рекомендации, способствующие наименьшей себестоимости изготовления
детали и типы станков, которые необходимы для производства деталей в
соответствии с данным вариантом. Для всех типов станков рассчитана подача,
скорость резания, частота вращения шпинделя и основное время. И приведён
технологический процесс ремонт.
В процессе работы получены практические навыки
выбора оптимального варианта процесса изготовления, а также приобретены навыки
необходимые в области конструирования.
Список использованных источников
1. Режимы резания металлов.
Справочник под редакцией Ю.В. Барановского. М.:Машиностроение, 1972- 407с.
. Общемашиностроительные нормативы
режимов резания для технического нормирования работ на металлорежущих станках.
Часть 1. М.:Машиностроение, 1974.- 417с.
. Общемашиностроительные нормативы
режимов резания для технического нормирования работ на металлорежущих станках.
Часть 2, М.:Машиностроение, 1974.- 200с.
. Горбацевич А.Ф., Шкред В.А..
Курсовое проектирование по технологии машиностроения: - 4-ое изд., перераб. и
доп. - Мн.: Выш. Школа, 1983. - 256с.
. Методические указания к выполнению
курсовой работы по ремонту машин. Могилев. ГУ ВПО «Белорусско-Российский
университет», 2007г.-31 с.