Проект автоматизированного участка по изготовлению деталей ходовой части транспортной машины
Аннотация
В дипломном проекте проектируется автоматизированный участок по
изготовлению деталей ходовой части транспортной машины. Проводится анализ
конструкции детали, на основании которого; выбирается вид и экономически
целесообразный способ получения заготовки, разрабатывается прогрессивный
технологический процесс с использованием современного оборудования и режущего
инструмента.
Разрабатывается операционный технологический процесс детали
представителя; а именно выбираются базы и средства технологического оснащения,
определяется содержание и последовательность выполнения технологических
переходов, рассчитываются припуски и межоперационные размеры, режимы резания.
Определяются нормы технологического времени. Проектируются инструментальные
наладки на комбинированные операции, разрабатывается управляющая программа.
В конструкторском разделе проектируется и рассчитывается установочное
приспособление на комбинированную операцию, проектируется режущий инструмент
(протяжка).
Проводится разработка и расчёт автоматизированной транспортно складской
системы и автоматизированной системы инструментального обеспечения.
Проектируется автоматизированный склад.
Описываются мероприятия по автоматизации подготовки производственного
процесса, автоматизации конструкторско-технологической подготовке производства.
Проводится сетевое планирование подготовки производства, рассчитывается и
составляется график подготовки.
Рассчитывается количество необходимого оборудования для приведённой
программы выпуска деталей. На основании расчёта количества стружки выбирается
подсистема её удаления и переработки. Рассчитывается количество основных
рабочих.
Проводится оценка безопасности и экологичности проектируемого участка.
Описываются мероприятия по уменьшению вредного воздействия на персонал
производства.
Рассматриваются все возможные пути сокращения производственного цикла,
производятся расчёты.
В экономической части проекта, производится оценка спроектированного
участка и сравнение его с базовым. Рассчитывается необходимые инвестиции и срок
окупаемости проекта в условиях современных рыночных отношений.
СОДЕРЖАНИЕ
Аннотация
Содержание
Введение
. Характеристика объектов производства
. Технологический раздел
.1 Определение типа производства
.2 Анализ технологичности детали
.3 Анализ базового технологического процесса
.4 Выбор заготовки
2.5 Разработка маршрутных и операционного технологических
процессов
.6 Выбор технологических баз и последовательности
технологических переходов
2.7 выбор и проектирование технических средств оснащения
.8 Расчет припусков и операционных размеров
.9 Расчет режимов резания
.10 Техническое нормирование операции
.11 Технико-экономическое обоснование проектного
технологического процесса
.12 Описание и расчёт инструментальных наладок
.13 Разработка управляющей программы
. Конструкторский раздел
.1 Проектирование станочных приспособлений
.2 Проектирование режущих инструментов
. Автоматизация производственных процессов
.1. Проектирование технических средств автоматизации
технических процессов:«Автоматизация транспортно складской системы»
.2 Мероприятии по автоматизации производственного процесса
«автоматизация конструкторско-технологической подготовки производства
. Исследовательский раздел «Сетевое планирование в подготовке
производства»
. Производственные расчёты и разработка планировки
. Безопасность и экологичность проекта
. Организация производства
. Экономическая оценка проекта
Заключение
Список использованных источников
Приложения
Введение
Технический прогресс в машиностроении характеризуется не только улучшением
конструкций изделий
, но и непрерывным совершенствованием технологии их
производства. В настоящее время важно качественно, при минимальных затратах и в
заданные сроки, изготовить изделие, применив современное высокопроизводительное
оборудование, технологическую оснастку, средства механизации и автоматизации
производственных процессов. От принятой технологии производства во многом
зависят долговечность и надежность выпускаемых изделий , а также затраты при их
эксплуатации [10].
В настоящее время примерно 75% от общего объема машиностроительных
изделий приходится на долю мелко- и среднесерийного производства. Такое
положение обусловлено как непрерывным расширением области деятельности
человека, так и быстрым изменением спроса разных групп потребителей.
Создаваемые машины характеризуются повышением их производительности,
быстроходности, удельной мощности и надёжности, при снижении весовых и
габаритных показателей. Это влечёт за собой использование новых высокопрочных,
имеющих специальные свойства, конструкционных материалов, которые в большинстве
случаев являются труднообрабатываемыми. Однако технический прогресс
определяется не только улучшением конструкций машин, но и непрерывным
совершенствованием технологии их производства. Разработка технологических
процессов изготовления деталей представляет собой один из ответственных этапов
подготовки производства. Технологические процессы должны обеспечивать высокое
качество изделий в соответствии с техническими условиями эксплуатации при
минимальных затратах времени и средств.
На современном этапе развития машиностроения решающими средствами
существенного повышения эффективности производства является автоматизация
производственного процесса, которая освобождает человека от ряда функций
управления и одновременно повышает его роль как организатора и руководителя
производства. Автоматизация означает применение качественно новых систем машин,
при которых без содействия человека, но под его контролем, выполняются функции
обработки, транспортирования обрабатываемых заготовок или инструментов,
контроля качества, регулирования и управления производственным процессом.
Необходимость автоматизации обусловлена прежде всего, участием в современном
производстве большого количества механизмов, протеканием производственных
процессов с большой скоростью и трудностью их регулирования человеком, ввиду
его ограниченных физиологических возможностей. Кроме того жёсткие требования к
качеству продукции обуславливают повышение точностных параметров технологических
процессов, которые невозможно обеспечить без использования средств
автоматизации.
В машиностроении автоматизация уже много лет является реальностью для
крупносерийного и массового производства, где широко используются полуавтоматы,
автоматы, специальные и агрегатные станки, автоматические и роторные линии, а
также другие средства жёсткой автоматизации производственных процессов. Однако,
увеличение номенклатуры выпускаемых изделий, смещение производства в сторону
мелко- и среднесерийного, частые перестройки действующего производства,
связанные с переходом от одного вида продукции к другому не могут быть
обеспечены традиционными средствами автоматизации.
Решение этой проблемы возможно через широкое внедрение в производство
гибких автоматизированных систем, представляющих качественно новый этап в
комплексной автоматизации производственного процесса, вследствие их создания на
основе широкого применения программно управляемого технологического
оборудования, микропроцессорных устройств, средств автоматизации проектно-конструкторских,
технологических и производственных работ. Основу автоматизации гибких
автоматизированных производственных систем составляют программируемое
технологическое оборудование, управляющие вычислительные комплексы и методы
групповой технологии, что позволяет обеспечить переход на безлюдную или
малолюдную технологию в условиях многономенклатурного производства.
Вопросы обеспечения высокого качества выпускаемой продукции и внедрения
гибких автоматизированных производств тесно связаны между собой. Известно, что
изделия, изготовленные на гибких производственных системах (ГПС), более
качественны в силу многочисленных контрольных и диагностических устройств и
машин, управляющих процессом изготовления деталей.
Преобладающей тенденцией развития технологии в автоматизированном
производстве является внедрение малоотходной и малооперационной технологии,
использование точных заготовок, близких по форме и размерам к готовым изделиям,
что способствует экономии металла, уменьшению объема механической обработки,
сокращению производственного цикла изготовления деталей и снижению
себестоимости продукции в целом[45].
1.
ХАРАКТЕРИСТИКА ОБЪЕКТОВ ПРОИЗВОДСТВА
Деталь представитель «Кронштейн» является корпусной деталью. Выполняет
функцию дополнительной опоры, для обеспечения требуемой точности относительного
расположения отдельных механизмов. Прочность является основным критерием
работоспособности для корпусных деталей, подвергаемых большим нагрузкам,
главным образом ударным и переменным. Для большинства корпусных деталей весьма
существенным является критерий жесткости. Повышенные упругие перемещения в
корпусах обычно приводят к неправильной работе механизмов, понижению точности
работы машин, способствуют возникновению колебаний. Герметичность характеризует
непроницаемость стенок и соединений корпусов для сохранения смазки, жидких и
газообразных состояний рабочей среды; она является важным требованием,
обеспечивающим работоспособность изделий. Долговечность по износу имеет большее
значение для корпусных деталей с направляющими или цилиндрами, выполненными за
одно целое без накладок или гильз.
В соответствии с целевыми назначениями деталь должна обладать следующими
свойствами: прочностью, жесткостью, виброустойчивостью, долговечностью. При
изготовлении детали должны быть обеспечены в установленных пределах
параллельность, перпендикулярность осей относительно друг друга и плоских
поверхностей, заданные межосевые расстояния, точность диаметральных размеров и
геометрической формы отверстий. Перпендикулярность торцов осям, прямолинейность
плоских поверхностей.
Деталь кронштейн входит в блок подвески ходовой части машины. Оно служит
для фиксации торсиона, и креплении корпуса блока подвески в машине. Материал
кронштейна - сталь 38ХС. Химический состав механические и технологические
свойства предоставлены в таблицах 1.1, 1.2, 1.3.
Таблица 1.1.
Химический состав материала детали
|
Химический элемент
|
Содержание элемента в
процентах
|
|
Кремний (Si)
|
1.00-1.40
|
|
Марганец (Mn)
|
0.30-0.60
|
|
Медь (Cu), не более
|
0.30
|
|
Никель (Ni), не более
|
0.30
|
|
Сера (S), не более
|
0.035
|
|
Углерод (C)
|
0.34-0.42
|
|
Фосфор (P), не более
|
0.035
|
|
Хром (Cr)
|
1.30-1.60
|
Таблица 1.2.
Механические свойства стали
|
σ0,2,
МПа
|
σ
B, МПа
|
σ
5, %
|
ψ,
%
|
KCU, Дж/м2
|
HB
|
|
В состоянии поставки
(Поковка)
|
590
|
735
|
14
|
45
|
59
|
235-277
|
|
После термической обработки
|
1080
|
1270
|
12
|
50
|
69
|
380
|
Таблица 1.3.
Технологические свойства стали
|
Температура ковки
|
Начала 1220, конца 800.
Сечения до 250 мм охлаждаются на воздухе, 251-350 мм - в яме.
|
|
Свариваемость
|
трудносвариваемая. Способы
сварки: РДС - необходимы подогрев и последующая термообработка. КТС -
необходима последующая термообработка.
|
|
Обрабатываемость резанием
|
при НВ 250-300 [100] B
= 780-880 МПа K тв.спл. = 0.8, K б.ст.
= 0.72.
|
|
Склонность к отпускной
способности
|
Склонна
|
|
Флокеночувствительность
|
не чувствительна
|
2. ТЕХНОЛОГИЧЕСКИЙ РАЗДЕЛ
2.1 Определение типа производства
В зависимости от широты номенклатуры, регулярности, стабильности, и
объёма выпуска продукции различают следующие типы производства: единичное,
серийное, массовое. В соответствии с ГОСТ 31121-84 тип производства
характеризуется коэффициентом закрепления операций (Кзо):
(2.1)
где
О - суммарное число различных операций, выполняемых на производствен ном
участке;
Р
- суммарное число рабочих мест, на которых выполняются данные операции.
Расчетное количество станков, необходимых для выполнения каждой операции:
(2.2)
где N- объем годового выпуска деталей, шт.
tш-к- штучно-калькуляционное время i-ой операции, мин.
Fo- эффективный годовой фонд времени работы станка, ч.
КВ- средний коэффициент выполнения норм времени.
Коэффициент загрузки рабочего места:
(2.3)
Число операций, закрепленных за рабочим местом:
(2.4)
Определим
объём партии запуска деталей
n=
, (2.5)
где
К=12-число запусков в год при среднесерийном производстве
n=
=166
Расчет
типа производства для технологического процесса изготовления детали кронштейн
на партию деталей 2000 шт. в год приведен в таблице 2.1.
Таблица
2.1.
Расчёт
коэффициента закрепления операции
|
№ и наименование операции
|
Модель станка
|
Тш-к мин.
|
Fo, час
|
Кв
|
Ср
|
S
|
hз
|
Орм
|
|
005 Комбинированная с ЧПУ
|
ПУ65А80Д4
|
83,2
|
4055
|
1
|
0,72
|
1
|
0,7
|
1,04
|
|
010 Сверлильная
|
2170
|
5,54
|
4055
|
1,2
|
0,04
|
1
|
0,0
|
18,77
|
|
015 Токарная
|
1К62
|
7,99
|
4055
|
1,2
|
0,06
|
1
|
0,1
|
13,02
|
|
020 Фрезерная с ЧПУ
|
ПУ65А80Д4
|
81,7
|
4055
|
1
|
0,71
|
1
|
0,7
|
1,06
|
|
025 Токарная с ЧПУ
|
1П756ДФ3
|
5,72
|
4055
|
1
|
0,05
|
1
|
0,0
|
15,15
|
|
030 Токарная с ЧПУ
|
1П756ДФ3
|
30,8
|
4055
|
1
|
0,27
|
1
|
0,3
|
2,81
|
|
035 Токарная с ЧПУ
|
1П765ДФ3
|
8,16
|
4055
|
1
|
0,07
|
1
|
0,1
|
10,62
|
|
040 Протяжная
|
7Б56У
|
1,41
|
4055
|
1,2
|
0,01
|
1
|
0,0
|
73,77
|
|
065 Расточная
|
2Е78П
|
6,87
|
4055
|
1,2
|
0,05
|
1
|
0,0
|
15,14
|
|
|
|
|
|
|
|
Opi=
|
151,3
|
|
|
|
|
n=
|
166
|
|
S=
|
9,00
|
|
|
|
|
|
|
|
Кзо=
|
16,82
|
Т.к. 10<Кзо<20 то среднесерийное производство.
Серийное производство является основным типом машиностроительного
производства, Примерно 80% всей продукции машиностроения страны изготовляется
на заводах серийного производства (производства станков, прессов,
деревообрабатывающих станков, текстильных машин, насосов, вентиляторов и т.д.).
В серийном производстве заготовки изготавливают сериями, а заготовки
обрабатывают партиями.
В серийном производстве процесс изготовления деталей построен по принципу
дифференциации операций. Отельные операции закреплены за определённым рабочим
местом. Поэтому производство этого типа характеризуется необходимостью
переналадки технологического оборудования при переходе на изготовление другой
партии деталей. Довольно широко используют станки с числовым программным
управлением в том числе и многоцелевые; получают распространение гибкие
производственные системы. Целесообразно применение специального режущего
инструмента, а также применение специальных мер и измерительных приборов.
Выбор технологического оборудования и оснастки должен быть обоснован
соответствующими технико-экономическими расчётами.
Оборудование может быть расположено по групповому признаку или по потоку.
2.2 Анализ конструкции детали на технологичность
Качественная оценка технологичности конструкции детали
Одним из основных требований к машине, а,
следовательно, и к ее деталям является технологичность конструкции, под которой
понимают степень их соответствия производственным условиям, позволяющим
применять технологические процессы, обеспечивающие изготовление деталей с наибольшей
производительностью и наименьшей себестоимостью для данного масштаба
производства. Технологичной конструкцией считается та, которая в большей
степени отвечает требованиям прогрессивной технологии.
Это в равной степени относится к выбранному материалу
детали и ее термической обработке, к геометрической форме, точности
механической обработки и шероховатости поверхности.
Для объективного суждения о технологичности детали необходимо учитывать
ряд факторов, которые определяют технологичность конструкции:
а) Деталь имеет формы, которые обеспечивают возможность изготовления
заготовок с наименьшими припусками и наименьшим количеством обрабатываемых
поверхностей с применением наиболее прогрессивных методов обработки;
б) Небольшая масса детали составляет 6,6кг.;
в) повышенная жесткость конструкции, обеспечивающая назначение
увеличенных режимов резания;
г) доступность обрабатываемых поверхностей для режущего инструмента, а
также для наблюдения и контроля в процессе обработки;
д) наличие у детали поверхностей, которые могут служить удобными и
надежными технологическими базами;
е) целесообразная степень точности и шероховатости обрабатываемых
поверхностей, отвечающая требованиям эксплуатации;
ж) максимальная унификация отдельных элементов детали (радиусов, фасок,
канавок);
З) деталь обладает большой твёрдостью для обработки шлицевого отверстия
протягиванием, необходимость ввода промежуточной термообработки.
г) материал детали сталь 38ХС полностью отвечает всем требованиям,
предъявляемым к детали. Она способна выдержать силовые нагрузки, которые
испытывает обойма. Сталь обладает однородной структурой, которая способствует
стабильности размеров после термической обработки.
Количественная оценка технологичности конструкции детали
Количественная оценка технологичности детали определяется по ГОСТ 14.201
- 83 в соответствии с МР 186 - 85, при которой на первоначальной стадии
используются некоторые дополнительные показатели: коэффициент использования
материала, точности обработки, шероховатости поверхности. Отработка детали на
технологичность предоставлена в таблице 2.2. эскиз детали на рис. 2.1
Рис. 2.1. Эскиз детали
Таблица 2.2.
Анализ рабочего чертежа детали
|
Наименование поверхности
|
Количество поверхностей
|
Квалитет точности
|
Шероховатость поверхности Ra мкм
|
|
Торцевые поверхности
|
4
|
14
|
12,5
|
|
Торцевая поверхность
|
1
|
14
|
3,2
|
|
Плоскости
|
2
|
14
|
12,5
|
|
Профиль шлицевого отверстия
|
1
|
9
|
3,2
|
|
Отверстие Ø117
|
1
|
8
|
2,5
|
|
Отверстие Ø125
|
1
|
11
|
6,3
|
|
Отверстие Ø55
|
1
|
11
|
3,2
|
|
Ступенчатое отверстие Ø60
|
1
|
14
|
6,3
|
|
Цилиндрическая поверхность
|
2
|
11
|
12,5
|
|
Вспомогательные отверстия
|
6
|
14
|
12,5
|
|
Канавки
|
2
|
14
|
6,3
|
|
Фаски
|
6
|
14
|
12,5
|
|
Радиусы
|
2
|
14
|
12,5
|
Коэффициент
использования материала
:
, (2.6)
где
- масса детали, кг;
- масса
заготовки, кг.
Коэффициент
точности обработки
:
, (2.7)
где
- средний квалитет точности обработки детали по всем
поверхностям.
·
Коэффициент
шероховатости поверхности:
, (2.8)
где
- среднее числовое значение параметра шероховатости
всех поверхностей детали.
Для
оценки технологичности конструкции детали по коэффициентам точности обработки и
шероховатости поверхности проведем анализ рабочего чертежа детали.
Массы
детали и заготовки в базовом технологическом процессе составляют 4,4 кг и 6,6
кг соответственно. По формуле (2.6) коэффициент использования материала
:
,
что
свидетельствует о вполне удовлетворительном использовании материала.
Определяем
Аср. и Бср.
Рассчитываем
коэффициент точности обработки Кт.ч по формуле (2.7):
Рассчитываем
коэффициент шероховатости поверхности по формуле (2.8):
Сравнив
рассчитанные показатели с нормативными значениями (
,
), можно
сделать вывод, что деталь по данным показателям можно считать технологичной.
2.3 Анализ базового технологического процесса
В результате проведения анализа базового технологического процесса для
кронштейна были выявлены следующие моменты:
общая последовательность обработки кронштейна, включая все операции
технологического процесса - механическая обработка, технический контроль,
термическая обработка, установлена обоснованно;
способ получения заготовки для заданного годового объема выпуска деталей
является не достаточно рациональным, так как есть возможность получения
заготовки на ГКМ, этот метод позволяющего снизить припуски на механическую
обработку, исключить штамповочные уклоны. В результате замены способа получения
заготовки снизится масса заготовки и затраты на механическую обработку детали,
повысится коэффициент использования материала.
метод упрочнения детали назначен в соответствии с ее функциональным
назначением и условием ее эксплуатации (термообработка)
одним из недостатков базового технологического процесса является
использование неавтоматизированных станочных и контрольных приспособлений,
приспособления, используются в базовом техпроцессе узкопереналаживаемые, что
затрудняет их использование в условиях среднесерийного производства с
достаточно широкой номенклатурой изделий
- в базовом технологическом процессе используются станки с ручным
управлением (1К62, 2Е78П, 7Б56У), а это не целесообразно в автоматизированном
производстве.
Оборудование ПУ65А80ДФ4, 1П765ДФ3 используется не рационально, габариты и
мощность станков значительно превышают необходимые для обработки изделия.
результаты приведенного анализа должны служить исходным материалом для
разработки нового варианта технологического процесса механической обработки
детали ориентированного на условия автоматизированного производства.
- обработка производится стандартным и специальным режущим инструментом,
из быстрорежущей стали Р6М5, и инструментом оснащённым напайными
твердосплавными пластинами Т15К6 на заниженных режимах резания.
контроль ведётся стандартным и специальным мерительным инструментом:
штангенинструментом, калибрами, пробками, скобами, микрометрами, нутромерами,
комплексными калибрами.
не эффективно используется станок 2Е78П для обработки отверстия Ø 117Н8
Результаты приведенного анализа должны служить исходным материалом для
разработки нового варианта технологического процесса механической обработки
детали ориентированного на условия автоматизированного производства.
2.4 Выбор заготовки
Выбор вида исходной заготовки является ответственным этапом разработки
технологического процесса, так как коренным образом влияет на технологию
механической обработки детали. Правильный выбор заготовки - установление метода
ее получения, формы и размеров весьма существенно влияет на расход металла,
число операций, трудоемкость и себестоимость изготовления детали.
Особенно важно правильно выбрать заготовку в автоматизированном
производстве, когда обработка ведется на станках с ЧПУ, робототехнических
комплексах, автоматах, автоматизированных гибких и автоматических линиях.
По техническим требованиям к детали заготовка может получатся только
методом давления существует ряд способов получения заготовок:
1. Штамповку на горизонтально-ковочных машинах (ГКМ)
выполняют в штампах с двумя плоскостями разъема: одна - перпендикулярна оси
заготовки между матрицей и пуансоном, вторая - вдоль оси, разделяет матрицу на
неподвижную и подвижную половины, обеспечивающие зажим штампуемой заготовки. На
ГКМ штампуют поковки типа стержней с утолщениями, с глухим отверстием,
трубчатые, с полым утолщением и стержнем. Благодаря осевому разъему матриц
уклон в участках зажатия на поковках не требуется.
. Штамповка в закрытых штампах на кривошипных
горячештамповочных прессах (КГШП) в неразъемных матрицах достигается
применением более точных заготовок, более точной дозировкой металла,
применением обычной заготовки и компенсирующего устройства в штампах для
размещения излишка металла (5 - 10 % объема заготовки). Точная дозировка
металла для штамповки связана с дополнительными затратами из-за более сложного
инструмента и меньшей производительности при отрезке. Штамповку в закрытых
штампах с разъемной матрицей выполняют обычно с компенсаторами для выхода
лишнего металла; матрицы имеют горизонтальный разъем.
Расчёт ориентировочной массы заготовки ведётся по формуле
(2.9)
Где
Мд - масса детали
Кр
- расчётный коэффициент устанавливаемый в соответствии с характеристикой
детали.
Расчёт
себестоимости заготовок
(2.10)
Где
- базовая стоимость одной тонны заготовок в руб.
коэффициенты
зависящие от класса точности, группы сложности, марки материала, объёма
производства заготовок.
- масса
заготовки
- масса
готовой детали
-
стоимость отходов
Расчёт
себестоимости заготовки получаемой на ГКМ
класс
точности Т2, группа сложности М1, степень сложности С3, конфигурация разъёма
штампа несимметрично изогнутая Ин
расчёт
массы заготовки по формуле (2.8) Кр =1,4
расчёт
себестоимости по формуле (2.10) Сi = 45000руб., Сотх.=7973руб.
Расчёт
себестоимости заготовки получаемой на КГШП
класс
точности Т2, группа сложности М2, степень сложности С3, конфигурация разъёма
штампа плоская П.
расчёт
массы заготовки по формуле (2.9) Кр =1,6
расчёт
себестоимости по формуле (2.9) Сi = 45000руб., Сотх.=7973руб.
Так
как себестоимость заготовки на ГКМ ниже, и масса заготовки меньше, выбираем
этот способ получения заготовки.
Коэффициент
использования материала:
, (2.11)
где
- масса детали;
- масса
поковки.
Значения
припусков выбираем из таблиц приведенных в технической литературе. Исходный
индекс 15. Величины припусков и допусков приведены в таблице 2.3.
Таблица2.3.
Припуски
и кузнечные напуски
|
Диаметр,толщина
|
Шероховатость
|
Припуск
|
Допуск на размер
|
|
83
|
12.5
|
3,6
|
|
|
51,4
|
3.2
|
3,6
|
|
|
26
|
12.5
|
3,3
|
|
|
135
|
12.5
|
3,7
|
|
|
117
|
2.5
|
3,6
|
|
|
98
|
12,5
|
3,6
|
|
Дополнительные припуски:
Смещение по поверхности разъема штампа - 1,2 мм;
Величина остаточного облоя - 1,6 мм.
Допускаемая величина заусенца - 1,8мм
Штамповочный уклон:
На наружной поверхности - не более 5°; принимаем 5°;
На внутренней - не более 7°; принимаем 7°.
Размеры поковки, мм:
Диаметр 83+(3,6×2)=90,2; принимаем 91,4 мм;
Диаметр 51.4 - (3,6×2)=44,2; принимаем 44,2 мм;
Толщина 26+(3,3×2)=32,6; принимаем 32,6 мм.
Диаметр 135+(3,7×2)=142,4; принимаем 142,4 мм.
Диаметр 117-(3,6×2)=109,8; принимаем 109,8 мм.
Толщина 98+3,6=101,6; принимаем 101,6 мм.
Радиус закругления наружных углов - 4,0 мм (минимальный) принимаем 4,0
мм. Допускаемые отклонения размеров:
Диаметры
91,4
мм, 44,2
мм,
142,4
мм;
Линейные
размеры 32,6
мм, 109,8
мм.
2.5 Разработка маршрутного технологического процесса
На основании анализа базового технологического процесса изготовления
детали и выбора метода получения заготовки разработаем проектный вариант
маршрутного технологического процесса, обеспечивающий требования рабочего
чертежа детали при одновременном снижении затрат на ее изготовление.
Маршрутный технологический процесс изготовления
корпусных деталей на станках с ЧПУ разрабатывают с учетом технологических
возможностей этих станков (в том числе точности и производительности) и их
стоимости. На станках с ЧПУ, которые значительно дороже универсальных станков с
ручным управлением, следует выполнять лишь те операции, которые позволяют при
обеспечении требуемой точности существенно повысить производительность
обработки и её эффективность.
При определении последовательности выполняемых
технологических процессов на станках с ЧПУ исходят из задачи достижения
требуемой точности при одновременном сокращении затрат вспомогательного времени
на замену инструмента и выполнение вспомогательных ходов.
Корпусная деталь подвергается промежуточной
термической обработке и имеет точные отверстия и плоскости, то маршрутный
технологический процесс ее изготовления на станках с ЧПУ рекомендуется строить
следующим образом:
. Первая черновая операция - обработка детали с
двух-трех сторон (плоскости и отверстия большого диаметра); в качестве технологических
баз используют поверхности, обеспечивающие надежное закрепление и возможность
производительного снятия припуска.
. Вторая черновая операция - обработка остальных
сторон детали с установкой по обработанным в предыдущей операции поверхностям,
создание технологических баз для последующей обработки. В каждой операции
следует стремиться обработать взаимосвязанные плоскости и отверстия для того,
чтобы обеспечить правильность их относительного расположения и минимальный
припуск на последующую обработку, удалить, по возможности, максимальное
количество материала для стабилизации внутренних напряжений.
. Термическая обработка.
. Чистовая операция - обработка основного отверстия .
Данный маршрутный технологический процесс был составлен на основе анализа
существующих типовых маршрутных технологических процессов. В соответствии с
чертежом детали разработаем технологический маршрут и оформлен в виде таблицы
2.4.
Таблица 2.4.
Маршрутный технологический процесс
|
№ опер.
|
Наименование и краткое
содержание операции
|
Оборудование
|
Технологические базы,
приспособление
|
|
000
|
Заготовительная - КГШП
|
|
|
|
005
|
Комбинированная с ЧПУ
Фрезеровать плоскость 10, сверлить 6-ть отверстий 17, фрезеровать поверхности
1,2,3,4 и расточить отверстие 5
|
500VS
|
Плоскость 13 и боковые поверхности
заготовки
|
|
010
|
Комбинированная с ЧПУ
Фрезеровать плоскость 16 Фрезеровать поверхности 11, 12, 13, 14, 15
|
500VS
|
Отверстие 18 и плоскость 10
одно из отверстий 17
|
|
015
|
Протяжная
|
7Б66
|
Отверстие, торец
|
|
020
|
Слесарная. Снять заусенцы,
притупить острые кромки.
|
Верстак
|
|
|
025
|
Моечная. Промыть деталь и
обдуть сжатым воздухом.
|
Моечная машина
|
|
|
030
|
Контрольная. Контроль
предыдущей обработки.
|
Стол контрольный
|
|
|
035
|
Термическая обработка.
|
Печь закалочная
|
|
|
040
|
Расточная с ЧПУ Расточить
отверстие 18 в размер Ø117 Н8
|
500VS
|
Поверхность 11 и плоскость
16
|
|
045
|
Слесарная. Снять заусенцы,
притупить острые кромки.
|
Верстак
|
Слесарная. Снять заусенцы,
притупить острые кромки.
|
|
050
|
Моечная. Промыть деталь и
обдуть сжатым воздухом.
|
Моечная машина
|
Моечная. Промыть деталь и
обдуть сжатым воздухом.
|
|
055
|
Контрольная. Контроль
предыдущей обработки.
|
Стол контрольный
|
Контрольная. Контроль
предыдущей обработки.
|
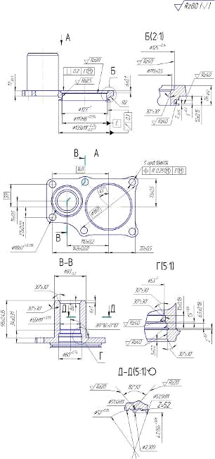
2.6 Выбор технологических баз и
последовательности технологических переходов
Выбор технологических баз и последовательности обработки поверхностей
детали является наиболее ответственным этапом разработки технологического
процесса, во многом определяющим достижение требуемой точности и экономичности
изготовления детали.
На 005 операции создаются надежные технологические базы, которые
используются на последующих операциях, заготовка базируется за плоскость и
торцевые поверхности, при этом базировании соблюдается требования по совпадению
технологических и конструкторских баз.
Структура операции:
1. фрезерование плоскости 10
. черновое фрезерование отверстия Ø123,6
. чистовое фрезерование отверстия Ø 125
. сверление 6-ти центровочных отверстий
. сверление 5-ти отверстий в размер Ø18 Н14
. сверление 1-го отверстия Ø17
. зенкерование отверстия 1-го
. Черновое развёртывание 1-го отверстия
. Чистовое развёртывание 1-го отверстия в размер Ø18 Н8
. черновое фрезерование отверстия 117
. чистовое фрезерование отверстия 117
. переустанов (поворот стола на 44минуты)
. подрезка торца, точение поверхности Ø83-0,2 , точение фоски.
. расточка отверстия Ø51,4Н11, расточка внутренней фаски.
На 010 операции заготовка базируется на плоскость 10 отверстие 18 и одно
из отверстия 17обработанное с высокой точностью.
Структура операции:
1. фрезерование плоскости 16
. фрезерование цилиндрической поверхности 11
. Фрезерование канавки 12
. черновое зенкерование поверхностей 7,8,13,14,15,16
. чистовое зенкерование поверхностей 7,8,13,14,15,16
. растачивание канавки 9
На 015 операции заготовка базируется на торец и отверстие, протягивается
шлицевое отверстие.
На 040 операции заготовка базируется на торец и цилиндрическую
поверхность 11.
Структура операции:
. получистовое растачивание отверстия 18
. чистовое растачивание отверстия 18
При выборе оборудования ориентируемся на автоматизированное производство,
то есть при данных условиях (серийное производство) это в первую очередь станки
с ЧПУ.
Обработка ведётся на сверлильно-фрезерно-расточном станке с ЧПУ модели
500VS и 400V. Режущий инструмента на фрезерных операциях применяем фрезы
с многогранными быстросменными пластинами, свёрла из быстрорежущей стали,
зенкера, и развёртки. На протяжной операции используем комбинированную
протяжку, из инструментальной стали ХВГ. Для чистовой расточки применяем
расточную головку с твёрдосплавной многогранной быстросменной пластиной. Для
базирования и закрепления детали проектируется оригинальная оснастка так как
форма детали не позволяет использовать универсальные приспособления.
2.7
Выбор и проектирование средств технологического оснащения
Выбор технологических баз и последовательности обработки поверхностей
детали является наиболее ответственным этапом разработки технологического
процесса, во многом определяющим достижение требуемой точности и экономичности
изготовления детали.
На первой операции создаются надежные технологические базы, которые
используются на последующих операциях - отверстия и плоскость.
На последующих операциях обрабатывается весь профиль детали,
протягивается шлицевое отверстие.
После термической обработки производим окончательную обработку кронштейна
(расточка отверстия).
При выборе оборудования ориентируемся на автоматизированное производство,
то есть при данных условиях (серийное производство) это в первую очередь станки
с ЧПУ.
Обработка ведётся на сверлильно-фрезерно-расточном станке с ЧПУ модели
500VS.
Режущий инструмента на фрезерных операциях применяем фрезы с
многогранными быстросменными пластинами, свёрла из быстрорежущей стали, зенкера
, и развёртки. На протяжной операции используем комбинированную протяжку, из
инструментальной стали. Для чистовой расточки применяем расточную головку с
твёрдосплавной многогранной быстросменной пластиной.
Для базирования и закрепления детали проектируется оригинальная оснастка
так как форма детали не позволяет использовать универсальные приспособления.
VS
Станок сверлильно-фрезерно-расточный с автоматической сменой инструмента (АСИ)
и числовым программным управлением (ЧПУ) модели 500VS предназначен для комплекс- ной обработки деталей из
различных конструкционных материалов в условиях единич- ного, мелкосерийного и
серийного производства. Имеет возможность токарной обработки. Выполняет
операции наружного и внутреннего точения, сверления, зенкерования,
развертывания, получистового и чистового растачивания отверстий, нарезания
резьбы метчиками и фрезами, фрезерования.
Возможность проведения сверлильных, фрезерных, расточных и токарных работ
на одном станке.
Краткие сведения о станках
Число одновременно управляемых координат - 5.
Горизонтальный шпиндель SK 40.
Размеры поверхности стола Ø 500мм
Емкость инструментального магазина 24
габариты (длина × ширина × высота), мм: 3500×2850×3200.
масса: 8000 кг.
Мощность 22,5 кВт
V
Станок сверлильно-фрезерно-расточный с автоматической сменой инструмента (АСИ)
и числовым программным управлением (ЧПУ) модели 400V предназначен для
комплексной обработки деталей из различных конструкционных материалов в
условиях единичного, мелкосерийного и серийного производства. Выполняет
операции сверления, зенкерования развертывания, получистового и чистового
растачивания отверстий, нарезания резьбы метчиками и фрезами, фрезерования.
Размеры поверхности стола 400 × 900 мм.
Емкость инструментального магазина 20
габариты (длина × ширина × высота), мм: 2400×2200×2640.
Мощность 7 кВт
2.8 Расчёт припусков и операционных размеров
Таблица 2.5.
Методика расчёта припусков
|
Для наружных поверхностей
|
Для внутренних поверхностей
|
|
1. Пользуясь рабочим
чертежом детали и картой технологического процесса механической обработки,
записать в расчетную карту обрабатываемые элементарные поверхности заготовки
и технологические переходы обработки в порядке последовательности их
выполнения по каждой элементарной поверхности отчерновой заготовки до
окончательной обработки 2. Записать значения Rz, T, р, и 6 3. Определить
расчетные минимальные припуски на обработку по всем технологическим переходам
|
|
4. Записать для конечного
перехода в графу «Расчетный размер» наименьший предельный размер детали по
чертежу 5. Для перехода, предшествующего конечному, определить расчетный
размер прибавлением к наименьшему предельному размеру по чертежу расчетного
припуска zmin 6. Последовательно определить расчетные размеры для
каждого предшествующего перехода прибавлением к расчетному размеру расчетного
припуска zmin следующего за ним смежного перехода 7. Записать
наименьшие предельные размеры по всем технологическим переходам, округляя их
увеличением расчетных размеров; округление производить до того же знака
десятичной дроби, с каким дан допуск па размер для каждого перехода 8.
Определить наибольшие предельные размеры Продолжение таблицы 2.5.
|
4. Записать для конечного
перехода в графу «Расчетный размер» наибольший предельный размер детали по
чертежу 5. Для перехода, предшествующего конечному, определить расчетный
размер вычитанием из наибольшего пре дельного размера по чертежу расчетного
припуска zmin 6. Последовательно определить рас четные размеры для
каждого предшествующего перехода вычитанием из расчетного размера расчетного
припуска zmin следующего за ним смежного перехода 7. Записать
наибольшие предельные размеры по всем технологическим переходам, округляя их
уменьшением расчетных размеров; округление про изводить до того же знака
десятичной дроби, с каким дан допуск на размер для каждого перехода
|
|
прибавлением допуска к
округленному наименьшему предельному размеру 9.Записать предельные значения
припусков zmaх как
разность наибольших предельных размеров и zmin как разность
наименьших предельных размеров предшествующего и выполняемого переходов
|
8. Определить наименьшие
предельные размеры путем вычитания допуска из округленного наибольшего пре
дельного размера 9. Записать предельные значения припусков zmax
как разность наименьших предельных размеров и zmin как разность
наибольших предельных размеров выполняемого и предшествующего переходов
|
|
10. определить общие
припуски Zo max и Zo min, суммируя промежуточные припуски на обработку
|
11.
Проверить правильность произведенных расчётов по формулам:
12.
определить номинальный припуск по формулам
12.
определить номинальный припуск по формулам
Расчёт отверстия Ø117Н8
Заготовка представляет собой поковку 2- го класса точности массой 6,6 кг.
Технологический маршрут обработки отверстия состоит из трёх операций: чернового
и получистового фрезерования, термической обработки, получистового и чистового
растачивания.
Фрезерование в операции 005, базирование за плоскость и торцы заготовки
Растачивание в операции 040, базирование за плоскость, точное отверстие Ø18 и цилиндрическую поверхность Ø135.
Значения всех показателей качества поверхностей по переходам
|
Поковка на ГКМ
|
150 Rz
|
250
|
|
Фрезерование черновое
|
50 Rz
|
50
|
|
Фрезерование получистовое
|
30 Rz
|
30
|
|
Термическая обработка
|
|
|
|
Растачивание получистовое
|
20 Rz
|
25
|
|
Растачивание чистовое
|
10 Rz
|
15
|
Суммарное значение пространственных отклонений для заготовки данного типа
определяется по формуле
(2.12)
смещение
поверхностей штампов = 0
эксцентричность
пришиваемого отверстия = 0,5
(2.13)
Остаточное
пространственное отклонение после чернового фрезерования рассчитывается по
формуле
(2.14)
коэффициент
уточнения формы = 0,05
Погрешность
установки при черновом фрезеровании определяется по формуле
(2.15)
погрешность
базирования при совмещении установочной и технологической баз равна = 0
погрешность
закрепления возникает в результате смешения обрабатываемой заготовки под
действием зажимных сил, стремится к нулю.
погрешность
положения заготовки следствие не точного изготовления и износа приспособления =
0,05мм
=0,05мм
Остаточное
пространственное отклонение после получистового фрезерования рассчитывается по
формуле (2.14)
коэффициент
уточнения формы = 0,04
т.к.
черновое и получистовое фрезерование производится за один установ то
погрешность установки, равна нулю
Остаточное
пространственное отклонение после получистового растачивания рассчитываются по
формуле (2.14)
коэффициент
уточнения формы = 0,005
Погрешность
установки при получистовом растачивании, базирование в самоцентрирующем
трёхкулчковом патроне
=0,02мм
Расчёт
минимальных значений промежуточных припусков производится по формуле
(2.16)
Минимальный
припуск под фрезерование черновое
Минимальный
припуск под фрезерование получистовое
Минимальный
припуск под получистовое растачивание
Минимальный
припуск под чистовое растачивание
Расчёт
расчётных размеров по переходам ведётся путём сложения расчётного размера и
припуска на обработку, получаем:
Для
получистового растачивания
dр = 117,054 - 0,095=116,96мм
Для
получистового фрезерования
dр = 116,96- 0,176=116,78мм
Для
чернового фрезерования
dр = 116,78 -0,25=116,532мм
Для
заготовки
dр = 116,532-1,807=114,727мм
Значения
допусков каждого перехода принимается в соответствии с квалитетом того или
иного вида обработки:
Для
заготовки 4200 мкм
Для
чернового фрезерования 870 мкм
Для
получистового фрезерования 140 мкм
Для
получистового растачивания 87 мкм
Для
чистового растачивания 54 мкм
Значения
размеров по переходам
Для
чистового растачивания Dmax = 117,054мм, Dmin =117 мм
Для
получистового растачивания Dmax = 116,96мм, Dmin =116,872мм
Для
получистового фрезерования Dmax = 116,78мм Dmin =116,642мм
Для
чернового фрезерования Dmax = 116,53мм Dmin =115,662мм
Для
заготовки Dmax = 114,73мм Dmin = 110,52 мм
Минимальные
предельные значения припусков
равны
разности наибольших предельных размеров выполняемого и предшествующего
переходов, а максимальные значения
соответственно
разности наименьших предельных размеров.
Тогда
для чистового растачивания
Для
получистового растачивания
Для
получистового фрезерования
Для
чернового фрезерования
Расчёт
общего припуска
Общий
припуск определяется путём сложения промежуточных припусков
Проверка
;
Таблица 2.6.
Расчёт припусков и предельных размеров на обработку отверстия
D=117H8(-0,054)
|
Расчёт припусков и
предельных размеров по технологическим переходам
|
|
Технологические переходы
обработки поверхности D=117H8(-0,054)
|
Элементы припуска, мкм
|
Расчётный припуск 2Zmin,
мкм
|
Расчётный размер Dp,мм
|
Допуск б, мкм
|
Предельный размер, мм
|
Предельные значения, мм
|
|
Rz
|
h
|
P
|
e
|
|
|
|
Dmax
|
Dmin
|
2Zпр.min
|
2Zпр.max
|
|
|
|
|
|
|
|
|
|
|
|
|
|
Заготовка
|
150
|
250
|
500
|
|
0
|
114,727
|
4200
|
114,73
|
110,5274
|
-
|
-
|
|
Фрезерование
|
50
|
50
|
25
|
50
|
1804,988
|
116,532
|
870
|
116,53
|
115,6624
|
5135
|
|
Фрезерование полу черновое
|
30
|
30
|
20
|
0
|
250
|
116,782
|
140
|
116,78
|
116,6424
|
250
|
980
|
|
Расчтачивание чистовое
|
20
|
25
|
2,5
|
20
|
176,5685
|
116,959
|
87
|
116,96
|
116,872
|
177
|
230
|
|
Растачивание тонкое
|
10
|
15
|
0
|
0
|
95
|
117,054
|
54
|
117,05
|
117
|
95
|
128
|
|
|
|
|
|
|
|
|
|
|
Сумма:
|
2327
|
6473
|
3848
|
7994
|
|
|
|
|
|
|
|
|
|
|
|
|
|
|
|
|
|
|
|
|
|
|
|
|
|
|
|
|
|
Проверка: Бmax-Бmin-S(2Zmax)+S(2Zmin)=
|
0
|
|
|
|
|
|
|
|
|
|
|
|
|
|
|
|
|
|
|
|
|
|
|
|
Размер на чертеже:
|
117,027
|
|
|
|
|
|
|
|
|
|
|
|
|
|
|
|
|
|
|
|
|
|
|
|
|
|
|
|
|
Расчёт
поверхности Ø
Технологический
маршрут обработки поверхности состоит из одной операций, и двух переходов:
чернового и чистового фрезерования базирование за торец и отверстие Ø
Значения
всех показателей качества поверхностей по переходам
|
Поковка на ГКМ
|
150 Rz
|
250
|
|
Фрезерование черновое
|
50 Rz
|
50
|
|
Фрезерование чистовое
|
30 Rz
|
30
|
Суммарное значение пространственных отклонений для заготовки данного типа
определяется по формуле
(2.17)
смещение
поверхностей штампов = 0
коробление
поверхности
(2.18)
удельная
кривизна заготовок на 1мм = 2мкм
Остаточное
пространственное отклонение после чернового фрезерования рассчитывается по
формуле 2.12.
коэффициент
уточнения формы = 0,05
Погрешность
установки при черновом фрезеровании
при
установке заготовки в цанговой оправке 30 мкм таблица 12. [Косилова том 1]
Остаточное
пространственное отклонение после чистового фрезерования рассчитывается по
формуле 2.14
коэффициент
уточнения формы = 0,03
т.к.
черновое и чистовое фрезерование производится за один установ то погрешность
установки, равна нулю
Расчёт
минимальных значений промежуточных припусков производится по формуле 2.16
Минимальный
припуск под фрезерование черновое
Минимальный
припуск под фрезерование получистовое
Расчёт
расчётных размеров по переходам ведётся путём сложения расчётного размера и припуска
на обработку, получаем:
Для
чернового фрезерования
dр = 134.49 + 0.277 =134,717мм
Для
заготовки
dр =134,717 + 1,343 =136,06мм
Значения
допусков каждого перехода принимается в соответствии с квалитетом того или
иного вида обработки:
Для
заготовки 4200 мкм
Для
чернового фрезерования 630 мкм
Для
получистового фрезерования 250 мкм
Значения
размеров по переходам
Для
чистового фрезерования Dmax = 134,74 мм Dmin =134,49 мм
Для
чернового фрезерования Dmax = 135,35 мм Dmin =134,717мм
Для
заготовки Dmax = 140,26 мм Dmin = 136,060 мм
Минимальные
предельные значения припусков
равны
разности наибольших предельных размеров выполняемого и предшествующего
переходов, а максимальные значения
соответственно
разности наименьших предельных размеров.
Тогда
для чистового фрезерования
Для
чернового фрезерования
Расчёт
общего припуска
Общий
припуск определяется путём сложения промежуточных припусков
Проверка
Таблица 2.7.
Расчёт
припусков и предельных размеров на обработку поверхности Ø
|
Расчёт припусков и
предельных размеров по технологическим переходам
|
|
Технологические переходы
обработки поверхности d=135b11
|
Элементы припуска, мкм
|
Расчётный припуск 2Zmin,
мкм
|
Расчётный размер Dp,мм
|
Допуск б, мкм
|
Предельный размер, мм
|
Предельные значения, мм
|
|
Rz
|
h
|
P
|
e
|
|
|
|
Dmax
|
Dmin
|
2Zпр.max
|
2Zпр.min
|
|
|
|
|
|
|
|
|
|
|
|
|
|
Заготовка
|
150
|
250
|
270
|
0
|
0
|
136,060
|
4200
|
140,26
|
136,060
|
-
|
-
|
|
Фрезерование черновое
|
50
|
50
|
13,5
|
30
|
1343,323
|
134,717
|
630
|
135,35
|
134,717
|
4913
|
1343
|
|
фрезерование полу черновое
|
30
|
|
8,1
|
0
|
227
|
134,490
|
250
|
134,74
|
134,490
|
607
|
227
|
|
|
|
|
|
|
|
|
|
|
Сумма:
|
5520
|
1570
|
|
|
|
|
|
|
|
|
|
|
|
|
|
|
|
|
|
|
|
|
|
|
|
|
|
|
|
|
|
|
|
Проверка: Бmax-Бmin-S(2Zmax)+S(2Zmin)=
|
0
|
|
|
|
|
|
|
|
|
|
|
|
|
|
|
|
|
|
|
|
|
|
|
|
Размер на чертеже:
|
134,615
|
|
|
|
|
|
|
|
|
|
|
|
|
|
|
|
|
|
|
|
|
|
|
|
|
|
|
|
|
|
2.9 Расчет режимов резания
Методика расчёта режимов резания:
1. определение глубины резания t
2. определение подачи S
3. определение скорости резания V
4. определение частоты вращения инструмента или заготовки, в зависимости
от метода обработки n
. корректировка частоты вращения в зависимости возможностей оборудования
. уточнение скорости резания по принятой частоте вращения
. расчёт силы резания P
. расчёт мощности резания N
. корректировка режимов резания в зависимости от расчётной мощности
резания и мощности оборудования.
Расчет режимов резания производим по методике изложенной в [46]
Исходными данными для определения режимов резания являются: материал
обрабатываемой заготовки и его физико-механические свойства; размеры и
геометрическая форма обрабатываемой поверхности; технические условия на
изготовление детали; материал, типоразмер и геометрические параметры режущей
части инструмента; тип и характеристика оборудования.
Режимы резания существенно влияют на точность и качество обрабатываемой
поверхности, производительность и стоимость обработки.
Рассмотрим подробно пример расчета режимов резания отдельных переходов,
параметры резания остальных переходов сведем в таблицу.
Расчет режимов резания для вертикально-фрезерной операции
(№005)
Оборудование: 500VS
Фрезерование плоскости
Из чертежа глубина резания t =
3.3 мм. Параметры фрезы: D=80
мм, Z=8. Скорость резания:
(2.19)
Здесь
коэффициент СV и показатели степеней m, y, u, p и x
зависят от вида обработки, материала режущей части, обрабатываемого материала и
величины подачи.
При
фрезеровании плоскостей торцевой фрезой из материала Т15К6 при Sz = 0,09 мм/об имеем:
CV =
332; m = 0,2, y = 0,4, q = 0,2, x = 0,1,u = 0,2, p = 0;
-
стойкость фрезы, Т = 180 мин;
(2.20)
где
КМV - учитывает влияние на скорость резания материала
заготовки;
(2.21)
-коэффициент характеризующий группу сложности по
обрабатываемости материала.
- 1,0; nv - 1,0;
- 735
КПV
- поправочный коэффициент, учитывающий влияние состояния поверхности заготовки
на скорость резания, КП = 0.8;
КИV
- учитывает материал инструмента, КИ = 1,0;
Тогда
скорость резания:
Частота
вращения шпинделя:
где D -
диаметр фрезы, D = 80 мм.
Принимаем
частоту вращения n=1050 мин
.
Уточняем
скорость резания в связи с принятой стандартной частотой вращения шпинделя:
Вычислим
величину силы резания:
Pz=
(2.22)
где CP=825; x=1,0; y=0,75; u=1,1;
q=1,3; w=0,2;
; (2.23)
Pz=
4267,3 Н.
Крутящий
момент на шпинделе:
(2.24)
Мощность
резания определяется по формуле:
Ne=
=
=18,4
кВт. (2.25)
Мощность,
которую должен обеспечить станок:
Nc=Nдв·η,
где
Nдв - мощность электродвигателя привода главного движения,
кВт; η
- механический КПД.
Nс=
=20.25 кВт.
Таким
образом, Ne < Nc.
Оборудование:
500VS сверление отверстия Ø 18
t = 9 мм.
Параметры сверла Ø=18,25 мм. Материал сверла Р6М5
Скорость
резания:
(2.26)
Здесь
коэффициент СV и показатели степеней m, y, g
зависят от вида обработки, материала режущей части, обрабатываемого материала и
величины подачи.
При
сверлении отверстия сверлом из материала Р6М5 при Sо= 0,33 мм/об имеем:
CV =
9,8; m = 0,2; y = 0,7; q = 0,4;
Т
- стойкость фрезы, Т = 45 мин;
(2.27)
где
КМV - учитывает влияние на скорость резания материала
заготовки;
(2.28)
-коэффициент характеризующий группу сложности по
обрабатываемости материала.
=1,0; nv = 0,9;
= 735
КПV
- поправочный коэффициент, учитывающий влияние состояния поверхности заготовки
на скорость резания, КП = 1,0;
КИV
- учитывает материал инструмента, КИ = 1,0;
Тогда
скорость резания:
Частота
вращения шпинделя:
(2.29)
где D -
диаметр сверла, D = 18,25 мм.
Принимаем
частоту вращения n=550 мин
.
Уточняем
скорость резания в связи с принятой стандартной частотой вращения шпинделя:
Оборудование:
500VS фрезерование отверстия Ø116,53
t = 2,57 мм.
Параметры фрезы Ø=60 мм, материал фрезы Т15К6
Скорость
резания: рассчитывается по формуле 2.17
(2.30)
Здесь
коэффициент СV и показатели степеней m, y, u, p и x
зависят от вида обработки, материала режущей части, обрабатываемого материала и
величины подачи.
При
фрезеровании плоскостей торцевой фрезой из материала Т15К6 при Sz = 0,09 мм/об имеем:
CV
=443; m = 0,33; y = 0,28; q =
0,17; x = 0,38,u = 0,05, p = 01;
Т
- стойкость фрезы, Т = 180 мин;
(2.31)
где
КМV - учитывает влияние на скорость резания материала
заготовки;
(2.32)
-коэффициент характеризующий группу сложности по
обрабатываемости материала.
- 1,0; nv - 1,0;
- 735
КПV
- поправочный коэффициент, учитывающий влияние состояния поверхности заготовки
на скорость резания, КП = 0.8;
КИV
- учитывает материал инструмента, КИ = 1,0;
Тогда
скорость резания:
Частота
вращения шпинделя:
где D -
диаметр фрезы, D = 60 мм.
Принимаем
частоту вращения n=870 мин -1.
Уточняем
скорость резания в связи с принятой стандартной частотой вращения шпинделя:
Оборудование:
500VS фрезерование отверстия Ø116,78
t = 0,49 мм.
Параметры фрезы Ø=60 мм, материал фрезы Т15К6
Скорость
резания:
(2.33)
Здесь
коэффициент СV и показатели степеней m, y, u, p и x
зависят от вида обработки, материала режущей части, обрабатываемого материала и
величины подачи.
При
фрезеровании плоскостей торцевой фрезой из материала Т15К6 при Sz = 0,09 мм/об имеем:
CV
=443; m = 0,33; y = 0,28; q =
0,17; x = 0,38,u = 0,05, p = 01;
Т
- стойкость фрезы, Т = 180 мин;
где
КМV - учитывает влияние на скорость резания материала
заготовки;
(2.34)
-коэффициент характеризующий группу сложности по
обрабатываемости материала.
- 1,0 ; nv - 1,0 ;
- 735
КПV
- поправочный коэффициент, учитывающий влияние состояния поверхности заготовки
на скорость резания, КП = 0.8;
КИV
- учитывает материал инструмента, КИ = 1,0;
Тогда
скорость резания:
Частота
вращения шпинделя:
где D -
диаметр фрезы, D = 60 мм.
Принимаем
частоту вращения n=1680 мин -1.
Уточняем
скорость резания в связи с принятой стандартной частотой вращения шпинделя:
Оборудование:
500VS растачивание отверстия Ø 116,96
t = 0,115мм.
Материал резца Т15К6
Скорость
резания:
(2.35)
Здесь
коэффициент СV и показатели степеней m, y, x
зависят от вида обработки, материала режущей части, обрабатываемого материала и
величины подачи.
При
растачивании резцом из материала Т15К6 при Sz =
0,23 мм/об имеем:
CV
=420; m = 0,2; y = 0,2; x = 0,15;
где
КМV - учитывает влияние на скорость резания материала
заготовки;
(2.36)
-коэффициент характеризующий группу сложности по
обрабатываемости материала.
- 1,0; nv - 1,0;
- 735
КПV
- поправочный коэффициент, учитывающий влияние состояния поверхности заготовки
на скорость резания, КП = 0.8;
КИV
- учитывает материал инструмента, КИ = 1,0;
Тогда
скорость резания:
Частота
вращения шпинделя:
где D -
диаметр отверстия, D = 116,96 мм.
Принимаем
частоту вращения n=910 мин -1.
Уточняем
скорость резания в связи с принятой стандартной частотой вращения шпинделя:
Оборудование:
500VS растачивание отверстия Ø 117 H8
t = 0,064мм.
Материал резца Т15К6
Скорость
резания:
(2.37)
Здесь
коэффициент СV и показатели степеней m, y, x
зависят от вида обработки, материала режущей части, обрабатываемого материала и
величины подачи.
При
растачивании резцом из материала Т15К6 при S = 0,16 мм/об
имеем:
CV
=420; m = 0,2; y = 0,20; x = 0,15;
(2.38)
где
КМV - учитывает влияние на скорость резания материала
заготовки;
(2.39)
-коэффициент характеризующий группу сложности по
обрабатываемости материала.
- 1,0; nv - 1,0;
- 735
КПV
- поправочный коэффициент, учитывающий влияние состояния поверхности заготовки
на скорость резания, КП = 0.8;
КИV
- учитывает материал инструмента, КИ = 1,0;
Тогда
скорость резания:
Частота
вращения шпинделя:
где D -
диаметр отверстия, D = 117 мм.
Принимаем
частоту вращения n=1075 мин -1.
Уточняем
скорость резания в связи с принятой стандартной частотой вращения шпинделя:
Таблица 2.8.
Режимы резания на операцию 005
|
Вид обработки, инструмент
|
Глубина резания t,
мм
|
Подача s,
мм /об
|
Скорость резания v,
м/мин
|
Число оборотов n,
об /мин
|
Движение подачи Sm,
мм /мин
|
|
|
|
|
|
|
|
|
|
|
|
|
|
|
|
|
|
|
|
|
|
|
|
|
|
1. Фрезерование плоскости
Фреза 80 РРN 4080 Р
|
3,3
|
0,09
|
263.89
|
1050
|
756
|
|
2. черновое фрезерование
отверстия Фреза 60 PAXCM5050NR-A
|
2,6
|
0,09
|
157
|
625
|
450
|
|
3. чистовое фрезерование
отверстия Фреза 60 PAXCM5050NR-A
|
0,7
|
0,072
|
169
|
672
|
386
|
|
4. Сверление центровочных
отверстий Ø3,15 .Сверло центровочное 3.15 Р6М5 ГОСТ14952-75
|
1,575
|
0,08
|
25,7
|
2600
|
208
|
|
5. Сверление отверстия Ø18 Сверло Ø18,25 P6M5 ГОСТ 12121-77
|
9
|
0,33
|
31,51
|
550
|
181,5
|
|
6. Сверление отверстия Ø17 Сверло Ø17,25 P6M5 ГОСТ 12121-77
|
8,6
|
0,33
|
21,1
|
391
|
129,03
|
|
7. Зенкерование отверстия Ø17,79 Зенкер Ø17,8 Р6М5 ГОСТ 12489-71
|
0,51
|
0,6
|
12,2
|
215
|
129
|
|
8. Черновое развёртывание
отверстия Ø17,95 развёртка Р6М5 ГОСТ 11172-80
|
0,08
|
1,0
|
8,71
|
154
|
154
|
|
9. Чистовое развёртывание
отверстия Ø18 Развёртка R6М5 ГОСТ
11172-80
|
0,025
|
0,7
|
6,53
|
115
|
80,5
|
|
10. Черновое фрезерование
отверстия Ø116,53 Фреза 60 PAXCM5050NR-A
|
2,57
|
0,09
|
164
|
876
|
315
|
|
Продолжение таблицым2.8
|
|
|
|
|
|
|
11. Чистовое фрезерование
отверстия 116.78 Фреза 60 PAXCM5050NR-A
|
0,49
|
0,09
|
315
|
1680
|
605
|
|
12. Фрезерование фаски фреза R215.39 -2020.3-09
|
2,1
|
0,06
|
154
|
613
|
294,2
|
|
13. Подрезка торца черновая
Резец A780 70
|
2,4
|
0,506
|
63,1
|
251
|
127,00
|
|
14.Подрезка торца чистовая
Резец A780 70
|
0,9
|
0,43
|
75
|
299
|
128,57
|
|
15. Черновое точение
поверхности Ø84,8 Резец A780 70
|
2,4
|
0,506
|
63,1
|
251
|
127
|
|
16. Чистовое точение
поверхности Ø83 Резец A780 70
|
0,9
|
0,43
|
75
|
299
|
128,57
|
|
17. Черновое растачивание
отверстия Ø49,8 Резец A795 007
|
2,8
|
0,5
|
61,7
|
394
|
197
|
|
18. Чистовое растачивание
отверстия Ø51,4 Резец A795 007
|
0,8
|
0,358
|
79,8
|
510
|
182,58
|
Таблица 2.9.
Режимы резания на операцию 010
|
Вид обработки, инструмент
|
Глубина резания t,
мм
|
Подача s,
мм /об
|
Скорость резания v,
м/мин
|
Число оборотов n,
об /мин
|
Движение подачи Sm,
мм /мин
|
|
|
|
|
|
|
|
|
|
|
|
|
|
|
|
|
|
|
|
|
|
|
|
|
|
1. Фрезерование плоскости
Фреза 80 РРN 4080 РСМП ТРСN 2204PDR
|
3,3
|
0,09
|
263.89
|
1050
|
756
|
|
2. черновое фрезерование
поверхности Ø134,7 Фреза 60 PAXCM5050NR-A
|
2,46
|
0,09
|
157
|
625
|
450
|
|
3. чистовое фрезерование
отверстия Ø135 Фреза 60 PAXCM5050NR-A
|
0,3035
|
0,072
|
169
|
672
|
386
|
|
4. фрезерование канавки Ø135 Фреза R335.19 -1650.RE-01.2
|
1,575
|
0,08
|
157
|
833
|
66.64
|
|
5. черновое растачивание
ступенчатого отверстия Резец A795 007
|
2.4
|
0,2
|
120
|
635
|
127
|
|
6. чистовое растачивание
ступенчатого отверстия Резец A795 007
|
1.2
|
0,16
|
160
|
850
|
136
|
|
7. растачивание внутренней
канавки Резец A16Q-CGER1303
|
0,51
|
0,06
|
126
|
1000
|
60
|
Таблица 2.10
Режимы резания на операцию 040
|
Вид обработки, инструмент
|
Глубина резания t,
мм
|
Подача s,
мм /об
|
Скорость резания v,
м/мин
|
Число оборотов n,
об /мин
|
Движение подачи Sm,
мм /мин
|
|
1. Растачивание отверстия Ø116,9 Расточная головка A780 60
|
0,115
|
0,23
|
334
|
912
|
209,76
|
|
1. Растачивание отверстия Ø117 Расточная головка A780 60
|
0,064
|
0,16
|
394,9
|
1075
|
172
|
2.10 Техническое нормирование операций
Методика расчёта норм времени для станков с ЧПУ:
1. определение основного времени to на все технологические переходы операции
2. определение вспомогательного времени, а именно суммы времени: на
установка и снятие, на смену инструмента, время на контроль, времени на
вспомогательные ходы.
. определение оперативного времени, как суммы основного и
вспомогательного времён
. определения штучного времени
. определения норм подготовительно заключительного времени
. определения штучно калькуляционного времени.
Нормирование вертикально-фрезерной операции (№005)
Основное время на каждый технологический переход определяем по известной
формуле:
(2.40)
где L -
длина обрабатываемой поверхности;
l - сумма длин
врезания и перебега;
S - подача;
n - число оборотов
шпинделя;
Таким образом, основное время операции будет
равным:
t0= t01+t02+ t03+ t04+ t05+ t06+ t07+ t08+ t09+t010+t011+t012+t013+t014+t015+t016+t017+t018
Фрезерование плоскости
Черновое фрезерование отверстия Ø123,6
Чистовое фрезерование отверстия Ø125
Сверление центровочных отверстий 6штук
Сверление отверстий Ø 18Н14 5штук
Сверление отверстия Ø 17Н14
Зенкерование отверстия Ø 17,79
Черновое развёртывание отверстия Ø 17,95
Чистовое развёртывание отверстия Ø18
Черновое фрезерование отверстия Ø116,53
Черновое фрезерование отверстия Ø117,28
Фрезерование фаски
Черновое точение торца
Чистовое точение торца
Черновое точение поверхности Ø83
Чистовое точение поверхности Ø83
Черновое растачивание отверстия Ø49,8
Чистовое растачивание отверстия Ø51,4
Вспомогательное
время:
(2.41)
где tВУ - время на установку и снятие заготовки; tВУ
= 0,68 мин;
tc - время на
смену инструмента; tc = 0,116мин, на 1 инструмент
tК - время на контроль, перекрывается машинным временем и
не учитывается
tМВ - время на вспомогательные ходы определяется по
формуле
(2.42)
где
- длинна холостых ходов = 14370мм
-
скорость быстрого перемещения холостых ходов 40 м/мин
Тогда
tВ =
0,68+0,36+(0,116×11)=2,316 мин.
Оперативное
время:
(2.43)
Время обслуживания рабочего места и время на личные потребности
составляет 10 % от оперативного времени. Тогда:
(2.44)
Норма
подготовительно-заключительного времени при обработке на станке 500VS: ТП-З
= 32 мин.
ТП-З
= ТП-З 1 + ТП-З 2 + ТП-З 3 , мин,
Где
ТП-З 1 - время на ознакомление с документами, осмотр заготовки,
инструктаж мастера, установление рабочих органов станка, установка перфоленты,
мин; ТП-З 1 =12 мин;
ТП-З
2 - время на получение наряда, получение инструмента, необходимого для
наладки; ТП-З 2 =17 мин;
ТП-З
3 - время на просмотр и проверку программы, допуск программы, пробная
обработка; ТП-З 3 =13 мин.
Партия
запуска:
(2.45)
где N -
годовой выпуск деталей, N = 2000;
Sn -
число запусков в год (принимаем Sn = 12).
Имеем:
В серийном производстве определяется норма штучно-калькуляционного
времени ТШ-К:
(2.46)
где ТШТ
- норма штучного времени;
ТП-З
- норма подготовительно-заключительного времени;
n - размер
партии запуска.
Тогда
штучно-калькуляционное время:
Нормирование
операций 010, и 040 проводится аналогичным способом.
Таблица
2.11.
Сводная
таблица технических норм времени по операциям
|
№ и наименование операции
|
tО
|
tВ
|
TШТ
|
ТП-З
|
n, шт.
|
ТШ-К
|
|
005 Вертикально-фрезерная с
ЧПУ
|
12,31
|
2,316
|
16,08
|
32
|
166
|
16,28
|
|
010 Вертикально-фрезерная с
ЧПУ
|
10,38
|
1,92
|
13,53
|
32
|
166
|
13,6
|
|
015 Протяжная операция
|
0,38
|
0,43
|
0,972
|
15
|
166
|
1,06
|
|
040 Вертикально фрезерная с ЧПУ
|
0,255
|
0,934
|
1,309
|
27
|
166
|
1,369
|
2.11
Технико-экономическое обоснование проектного технологического процесса
Целесообразность разработанного процесса механической обработки заготовки
определим на основе сравнительной экономической эффективности двух вариантов:
проектного и базового [9].
Экономическая эффективность рассчитывается по величине годовой экономии
на приведенных затратах:
Сп=Сп'-Сп" (2.47)
где Сп',Сп" - сумма годовых приведенных затрат базового и проектного
вариантов, руб.
Сп=(Ст+Eн·K) (2.48)
где Cт - годовая технологическая себестоимость операции, руб;- сумма годовых
капитальных затрат на операции, руб;
Ен - нормативный коэффициент эффективности капитальных вложений, Ен=0,15.
Капитальные затраты определяем по формуле:
К=Ср(Ко+Кзд+КСЛ+КЖ+КПУ) (2.49)
где Ср - расчетное количество станков, требуемых для обработки годового
выпуска деталей на операции ,шт;
Ко - вложение средств в оборудование ,руб;
Кзд - вложения в производственные помещения, руб;
КСЛ - вложения в служебно-бытовые помещения, руб:
КЖ - вложения в жилищное и культурно-бытовое строительство,
руб;
Кпу - вложения в комплект управляющих программ, руб.
Вложение средств в оборудование определяем по формуле:
Ко=Кто+Кпт+Кк, (2.50)
где Кто - вложения в технологическое оборудование, руб.
Кпт - вложения в подьемно-транспортное оборудование, руб;
Кк - вложения в средства контроля, руб.
Кто=Цто·Кт (2.51)
где Цто - оптовая цена станка, руб;
Кт - коэффициент, учитывающий расходы на транспортировку Кт=1,1.
Кпт=0.12·Кто (2.52)
Кк=0.012·Кто (2.53)
Вложения в производственные помещения определяем по формуле:
Kзд=Цпп (S+Sy) γ (2.54)
γ - коэффициент,учитывающий
дополнительную производственную площадь, приходящуюся на дополнительное
оборудование.
КСЛ=ЦСП*SCЛ(РСТ+РН+РДОП)
(2.55)
где ЦСП - стоимость 1 м2 служебно-бытовых
помещений, приходящейся на одного рабочего.
SСЛ - площадь служебно-бытовых
помещений, приходящейся на одного рабочего.
РСТ, РН, РДОП - соответственно
количество станочников, наладчиков и дополнительных рабочих, приходящихся на
один станок.
Рст=
(2.56)
машиностроение деталь технологический автоматизация
где Fр-
действительный годовой фонд времени рабочего.
d - количество
станков, обслуживаемых одним рабочим, шт.
КВ
- средний коэффициент выполнения норм времени. При обработке на станках с ЧПУ КВ=1.
Рн=
(2.57)
где tн -
время наладки станка. Для укрупненных приближенных расчетов можно принять tн=0,7tп-з
n - количество
станков, обслуживаемых одним станочником, шт.
Рдоп=
(2.58)
где
- коэффициент загрузки каждого рабочего места.
(2.59)
где S -
принятое количество оборудования на каждой станочной операции.
Расчет технологической себестоимости:
Основан на использовании нормативов себестоимости одного машино-часа
работы оборудования.
где Счс,Счн,Счэ - нормативы затрат по заработной плате станочников
наладчиков и электронщиков приходящихся на 1 час работы оборудования, со всеми
начислениями, к/ч;
Сча,Счр,Счэл - нормативы затрат на амортизацию оборудования, ремонт и
электроэнергию, приходящихся на 1 час работы станка, к/ч;
Счп,Счир - нормативы затрат на амортизацию и ремонт приспособлений и
инструментана 1 час работы, к/ч.
Собсл - годовые затраты на обслуживание и ремонт ЧПУ, руб.
Спу - годовые затраты на подготовку и возобновление управляющих программ,
руб.
Спп, Ссл - годовые затраты на амортизацию и содержание производственных и
помещений, руб.
, руб
(2.60)
где
Кпу - стоимость управляющей программы на операцию в зависимости от метода
программирования .
Кз=1,1
- коэффициент, учитывающий возобновление программы;
Z -
продолжительность выпуска детали одного наименования .
Спп=Нпп(S+Sy)*
,руб
(2.61)
где
Нпп - стоимость амортизации и содержания 1 м2 площади механического
цеха и служебно-бытовых помещений (затраты на освещение, отопление, вентиляцию,
ремонт и уборку).
Расчеты
приведены в таблицах
Сравнение
вариантов технологического процесса.
1. Исходные данные:
годовой объем выпуска: 2000 шт.;
Таблица 2.11.
Базовый технологический процесс
|
№ п/п
|
Модель станка
|
Цена, тыс.руб.
|
Штучное время, мин.
|
Капит. затраты, тыс. руб.
|
Технол. себестоимость, тыс.
руб.
|
Приведенные затраты, тыс.
руб. руб.
|
|
005
|
ПУ65А80Д4
|
583,177
|
83,2
|
583,177
|
3504,48
|
15487,38
|
|
010
|
2170
|
686,88
|
5,54
|
686,88
|
|
|
|
015
|
1К62
|
10,293
|
7,99
|
10,293
|
|
|
|
020
|
ПУ65А80Д4
|
583,177
|
81,7
|
583,177
|
|
|
|
025
|
1П756ДФ3
|
522,959
|
5,72
|
522,959
|
|
|
|
030
|
1П756ДФ3
|
522,959
|
30,8
|
522,959
|
|
|
|
035
|
1П765ДФ3
|
522,959
|
8,16
|
522,959
|
|
|
|
045
|
7Б56У
|
39,449
|
1,41
|
39,449
|
|
|
|
045
|
2Е78П
|
686,88
|
6,87
|
686,88
|
|
|
|
Итого
|
|
|
4158,733
|
|
|
Таблица 2.12.
Проектный технологический процесс
|
№ п/п
|
Модель станка
|
Цена, тыс.руб.
|
Штучное время, мин.
|
Капит. затраты, тыс. руб.
|
Технол. Себестоимость, тыс.
руб руб.
|
Приведенные затраты, руб.
|
|
005
|
500VS
|
1656
|
16,28
|
1656
|
342,43
|
10139,66
|
|
010
|
500VS
|
1656
|
13,6
|
1656
|
|
|
|
015
|
7Б56У
|
39,449
|
1,06
|
39,449
|
|
|
|
040
|
400V
|
1278
|
1,369
|
1280
|
|
|
|
Итого
|
|
|
|
3351,449
|
|
|
Результаты расчета:
Величина годовой экономии: 2966,48 тыс руб
2.12 Описание и расчёт инструментных наладок
На листах графической части представлены инструментальные наладки на 2
комбинированные операции проектного техпроцесса.
Инструментальная наладка дает наглядное представление о наладке станка на
проектируемую операцию. На ней показан эскиз обрабатываемой заготовки в рабочих
положениях. На эскизе выделены утолщенной линией обрабатываемые поверхности и
приведены их операционные размеры, шероховатости обрабатываемых поверхностей, а
также установочные базы . Обработка на каждой позиции ведется из исходной
точки. Так как на разрабатываемой операции наладка многоинструментальная, то
инструмент пронумерован в порядке обработки и расположения в инструментальном
магазине станка. На наладке изображены схемы движения инструмента с указанием
рабочих и вспомогательных ходов, опорные геометрические и технологические
точки.
На каждом листе помещена таблица с данными по оборудованию, режущему
инструменту, режимам обработки, нормам времени.
Обработка ведётся нормализованным и специальным режущими инструментами из
быстрорежущей стали и с сменными многогранными пластинами из твёрдого сплава.
На инструментальной наладке показаны основные размеры режущего инструмента.
Настройка инструмента осуществляется вне станка, на измерительной машине
производится замер основных размеров инструмента, полученная информация
поступает в ЧПУ станка.
Заготовка находится в паллете, смена которой осуществляется при помощи
робота. Между операциями заготовка перемещается по рельсовой тележке.
2.13 Разработка управляющей программы
Разработана программа на операцию 010
оборудование 500VS, система УЧПУ станка SIMENS SINUMERIK 840D
Текст управляющей программы
A0 F100
N10 T0101 M6GO G90 G54 X44 YO S 1070 M3
N30 G43 D1 Z4M8G1 Y-144F1000X80
N60 G3 X80 Y-144 I170 K-85GO Z20
N80 G91 G28 ZOG28 YOT0202 M6
N l10 GO G90 G54 X176.43 Y18.08 S870 M3
N120 G43 D2 Z4G1 Y12.08 F800G3 X176.43 Y12.08 I170 K-85G0
X170 Y12.3X176.43 Y18.08Z16G1 Y-21.91G2 X176.43 Y-21.91 I170 K-85G1 X170
Y-21.58G0 Z20G91 G28 ZOG28 YO
N240 T0303 M6GO G90 G54 X271.5 Y-85 S200 M3G43 D3 Z9G1 X261.5
F200G3 X261.5 Y-85 I170 K-85
N290 G0 X271.5G91 G28 Z0 M5G28 Y0A0.73 F100T0404 M6
N340 GO G90 G55 XO YO C350 M4
N350 G43 D4 Z2X27.8G1 Z-22 F200
N380 G0 X0 Y0 Z2X32.2G1 X29.4 Z-2.8
N410 Z-23.4X28X27 Z-25.3Z-32X24.6 Z-36
N460 GO XO YO Z2X32.8G1X30.15 Z-3 F100Z-24X28.145X27.595
Z-25.9Z-34X26.75X25.3 Z-36GO XO YO Z2
N56O G91 G28 ZOG28 YOO T0505 M6
N590 GO G90 G55 XO YO C350 M4
N600 G43 D5 Z2X28 Z-17.5G1 X31.6F60
N630 GO X28XO YO Z2 M9G91 G28 ZO M5G28 YOM30
3.
КОНСТРУКТОРСКИЙ
РАЗДЕЛ
3.1 Проектирование станочных приспособлений
Классификация приспособлений
Технологическая оснастка способствует повышению производительности труда
в машиностроении и ориентирует производство на интенсивные методы его ведения.
Применение технологической оснастки , особенно переналаживаемого типа не только
обеспечивает , но и расширяет технологические возможности как универсальных ,
так и станков с ЧПУ , гибких производственных модулей и робототехнических систем.
Технологическая оснастка классифицируется по нескольким признакам:
1. По целевому назначению приспособления делят на пять групп:
1.1. Станочные приспособления(токарные, сверлильные , фрезерные и т.д.);
1.2. Приспособления для крепления рабочих инструментов;
.3. Сборные приспособления;
.4. Контрольные приспособления;
.5. Приспособления для захвата, перемещения и перевертывания
обрабатываемых заготовок.
2. По степени специализации приспособления делят на универсальные ,
специализированные и специальные.
Универсальные приспособления (УП) применяются для установки и закрепления
заготовок разных по форме и габаритным размерам , обрабатываемых на различных
металлорежущих станках , в единичном и мелкосерийном производствах(патроны ,
машинные тиски и т.д.).
Универсальные безналадочные приспособления (УБП) используются для
закрепления широкой номенклатуры и различной конфигурации(универсальные
-фрезерные и слесарные тиски).
Универсально-наладочные приспособления (УНП) применяются для установки и
закрепления определенной группы схожих по форме заготовок деталей,
обрабатываемых на токарных , фрезерных и других станках. Состоят из
универсально-базового и сменных наладочных элементов(мелкосерийное и серийное
производство).
Специализированные безналадочные приспособления (СБП) используют для
закрепления заготовок , близких по конструктивно-технологическим признакам , с
одинаковыми базовыми поверхностями , требующих одинаковой обработки .
Приспособления для групповой обработки деталей типа валиков , втулок, фланцев ,
дисков и т.д.
Специализированные наладочные приспособления (СНП) состоят из двух частей
. Первая часть - базовый агрегат и, вторая часть - специальная сменная наладка
. Базовый агрегат несет основную базовую поверхность , на которую
устанавливаются специальные сменные наладки под обрабатываемую заготовку. Применяются детали близких по конфигурации , но отличающимися
размерами , с целью увеличения производительности обработки ( серийное
производство в условиях групповой обработки заготовок ).
Универсально-сборные приспособления (УСП) собирают из нормализованнных
деталей и узлов, входящих в комплект УСП . Этот
комплект состоит из базовых , корпусных , прижимных и других деталей . Имеется возможность быстрой сборки различных вариантов , что
делает УСП экономически выгодно. В УСП используют гидро-, пневмо и магнитные
устройства. УСП применяют в опытном , единичном ,
мелкосерийном , частично среднесерийном типах производствах . На их типе разработаны универсально-сборные механизированные
приспособления (УСМП).
Сборно-разборные приспособления(СРП). Компановки СРП собираются из
стандартных деталей и сборочных единиц. Широко
применяются на токарно-фрезерных станках и станках с ЧПУ(серийное и
крупносерийное производство).
Специальные приспособления(СП) используются для выполнения
определенной операции при обработке конкретной детали , они являются
одноцелевыми .[48]
Проектирование станочного приспособления
Методика расчета взята из [2].
В условиях групповой обработки заготовок в серийном производстве, с целью
увеличения производительности обработки применяют СНП.
Приспособление спроектировано на 010 Комбинированную операцию. Деталь
базируется на плоскость и отверстия. Также присутствуют силовые зажимы, которые
фиксируют заготовку в отверстии.
Заготовка устанавливается на три установочные пластины, при помощи
оправки и ромбического пальца базируется и зажимается оправкой.
Вычислим необходимую силу зажима, обеспечивающую надежное закрепление
заготовки и не допускающую сдвиг, поворот или вибрацию заготовки при обработке.
В процессе резания на заготовку действует сила Pz, она образует момент, плечом является расстояние от центра
цанги до наиболее отдалённого края детали сила рассчитана в пункте расчёт
режимов резания, а плечё равняется 158 мм.
Запишем условие надёжного закрепления, заготовка будет закреплена в том
случае когда момент образованный силой резания и плечом, будет меньше момента
трения на цанге.
(3.1)
(3.2)
(3.3)
(3.4)
Где
W - усилие развиваемое цангой
Ph -
горизонтальная сила, (сила подачи)
KТР -
коэффициент трения 0,15
Rц - радиус
цанги
,8
- коэффициент соотношения силы Рh к Рz
Для
надёжного закрепления сила зажима должна быть в полтора раза больше сылы
смещения заготовки
Н
Рассчитаем
силу зажима лепестков цанги из условия отсутствия сдвига по формуле (3.4)
61467,8 Н
= 6269,7 кг/с
Рассчитываем
осевую силу для затягивания цанги
(3.5)
Где Р2 - сила сжимающая лепестки до их
соприкосновения с поверхностью заготовки.
W-
сила сжимающая заготовку всеми лепестками цанги
(3.6)
Где
Е модель упругости стали Е=2,1×106
J - момент
инерции в сечении заделанной части лепестка
f - коэффициент
трения конусной поверхности f = 0,98
z - число
лепестков цанги z = 10
l - расстояние
от плоскости задела цанги до середины зажимающего конуса цанги l =
67мм
=2294,7
кг/с
Рассчитаем
винтовой механизм
(3.7)
Rср -
средний радиус резьбы, мм; rср=
7,35 мм
L -
длина рукоятки, мм ;l= 250 мм
a - угол подъема резьбы; 2˚30’
- угол
трения профиля резьбы
Q - сила
приложенная на ключе 7 кг.
W=
2355,5кгс
Расчеты
показали, что винтовой зажим может обеспечить ту необходимую силу, которая
требуется для надежного закрепления заготовки при длине ключа в 250мм и
приложенной к мену силе в 10 кг.
3.2 Проектирование режущих инструментов
Расчёт протяжки [43]
Исходные данные
1. Протягиваемая заготовка:
а) материал: Сталь 38 ХС
б) твёрдость по Бринеллю 277 НВ
в) поверхность под протягивание поверхность Ø51,4Н11
г) наружный диаметр шлицевого отверстия Ø51,4 Н11
д) внутренний диаметр шлицевого отверстия Ø53,5 Н11
е) угол треугольного шлица 82˚30’
ж) число зубьев шлицевого отверстия Z=52 шт.
з) шероховатость профиля отверстия Rz20
. Станок: горизонтально протяжной, мод. 67Б56У; тяговая сила 1п Н;
максимальная длинна хода штока Lmax =
1600 мм; диапазон скольстей 1,5…11,15 м/мин; состояние хорошее.
. производство - крупносерийное
. Длинна протяжки допустимая возможностям инструментального производства
и заточного отделения, Lmax =
1500 мм
Порядок расчёта
1. Группу обрабатываемости устанавливаем по табл. П1 приложения. Сталь
38ХС НВ ≤277 относится к IV
группе обрабатываемости .
. Группа качества устанавливается для каждой поверхности шлицевого
отверстия отдельно по таблице П2. центрирование производится внутренний диаметр
Ø51,4 Н11 параметр шероховатости Rz 20 группа качества 3. средний
диаметр Ø52 +0,06 шероховатость
боковых сторон Rz 20. то Группа
качества 2-я
. Материал рабочей части протяжки принимаю сталь Р6АМ5 по П3.
. конструкцию протяжки принимаю с приваренным хвостовиком материал
хвостовика сталь - сталь 40 Х. Конструкция хвостовика и размеры по ГОСТ
4044-70. Диаметр переднего хвостовика Ø50мм, диаметр заднего хвостовика Ø40мм
расчёт силы допустимой прочности переднего хвостовика
(3.8)
Где
- напряжение при растяжении
-
площадь опасного сечения
=340230Н
.
Передние и задние углы протяжки выбираю по таблице П6. Предельный угол черновых
и переходных зубьев γ
=10˚, чистовых и калибрующих γ =10˚. Задний угол черновых и переходных зубьев α0 =3˚,
чистовых αЧ =2˚, αК =1˚.
Допуски на передние и задние углы по ГОСТ 9126-76.
.
Скорость резания устанавливаю по таблице П6. для круглой части V=
5мм/мин. Эта скорость входит в диапазон скоростей станка
.
Определяем подачу черновых зубьев по средней наработке между двумя отказами по
табл.10 сначала устанавливаем наработку чистовой части при Szч=0,02
мин и V=5м/мин: Т=45м. Для черновых зубьев при V=5 и
Т=45 Szс= 0,06 мм на зуб на сторону. Наработка с учётом
поправочных коэффициентов принятых по таблице П18 составляет Тм.н.=45∙1,2∙1∙1∙1∙1∙1=54
Определяю глубину стружечной канавки по формуле
(3.9.)
Где
К- коэффициент посещаемости
ls- суммарная
длинна протягиваемых участков
Szc - подъём
черновых зубьев
мм
По
П19 принимаю ближайшую большую глубину стружечной канавки h=4,5мм
.
Определяю шаг черновых зубьев и число одновременно работающих зубьев Zр.
Шаг черновых зубьев принимается по таблице П19 соответствующие данной глубине
стружечной канавки h=4,5мм; t=13мм остальные параметры профиля: r=2,3;
b=6; R=7
Число
одновременно работающих зубьев определяется по формуле
(3.10)
.
определяю максимально допустимую силу резания Pmax. Принимаю
наименьшее из трёх сил: Рст, Рхв и Ро.п.
Рст.=0,8∙20000∙9,81=156960
Н.
Рхв.=
340230Н
Величину
Ро.п. определяю по формуле
(3.11)
(3.12)
=1319,58
10.
Определяем число зубьев в секции.
Удельную
силу резания
по толщине среза 0,06 определяю по таблице 20.
Требуемое
число зубьев в секции определяю по формуле
(3.13)
Поправочные коэффициенты находим по таблице П21: Крм=1, Крр=1,0, Крк=1,1,
Кро=1,0.
Принимаю
1
11. Распределяю припуск между резными зубьями шлицевой части протяжки.
Полный припуск на шлицевые зубья
Припуск
на чистовые зубья определяю по таблице П22
, припуск
на переходные зубья определяю по таблице П23 
два зуба
с подачей 0,02мм
Припуск
на черновые зубья
.
определяю число групп черновых зубьев
,
остаточный припуск
и распределяю его:
(3.14)
Принимаю
=16. Тогда остаточный припуск
Добавляю
остаточный припуск на ещё один черновой зуб
=17
14. Число всех зубьев протяжки
(3.15)
=47
.
Подъёмы переходных зубьев:
, Подъёмы
чистовых зубьев
,
16. Находим длину режущей части протяжки Lр, шаг и размеры стружечной канавки чистовых и калибрующих
зубьев
(3.16)
Определяем
силу резания на шлицевой части протяжки
17. Дополнительные варианты не рассматриваю.
18. Находим диаметр калибрующих зубьев
19. Диаметр впадин шлицев
.
Рассчитываю число и радиус выкружек. Число выкружек принимаю равными числу
шлицев, т.е. N=z.
(3.17)
(3.18)
.
определяю длину передней направляющей. Диаметр передней направляющей принимаем
равный наименьшему диаметру отверстия до протягивания
.
Длину переднего направления как для сварного хвостовика принимаю по таблице П6
принимаю
.
Длину переднего конуса определяю по таблице П28
.
Расстояние от первого торца до первого зуба протяжки
.
Находим длину и диаметр задней направляющей
, по
таблице П29 длинна задней протяжки 40мм.
Для
работы протяжки в автоматическом режиме снабжаем её задним ввёртным
хвостовиком. Диаметр хвостовика 40мм по ГОСТ 4044-70. Длинна заднего хвостовика
125мм. Таблица П30.
.
Общая длинна протяжки
Таблица
3.1
Диаметры
зубьев протяжки
|
№
|
Диаметры зубьев
|
№
|
Диаметры зубьев
|
№
|
Диаметры зубьев
|
|
1
|
51,49
|
17
|
52,45
|
33
|
53,41
|
|
2
|
51,55
|
18
|
52,51
|
34
|
53,47
|
|
3
|
51,61
|
19
|
52,57
|
35
|
53,53
|
|
4
|
51,67
|
20
|
52,63
|
36
|
53,55
|
|
5
|
51,73
|
21
|
52,69
|
37
|
53,57
|
|
6
|
22
|
52,75
|
38
|
53,59
|
|
7
|
51,85
|
23
|
52,81
|
39
|
53,61
|
|
8
|
51,91
|
24
|
52,87
|
40
|
53,62
|
|
9
|
51,97
|
25
|
52,93
|
41
|
53,63
|
|
10
|
52,03
|
26
|
52,99
|
42
|
53,64
|
|
11
|
52,09
|
27
|
53,05
|
43
|
53,65
|
|
12
|
52,15
|
28
|
53,11
|
44
|
53,65
|
|
13
|
52,21
|
29
|
53,17
|
45
|
53,65
|
|
14
|
52,27
|
30
|
53,23
|
46
|
53,65
|
|
15
|
52,33
|
31
|
53,29
|
47
|
53,65
|
|
16
|
52,39
|
32
|
53,35
|
|
|
4. АВТОМАТИЗАЦИЯ ПРОИЗВОДСТВЕННЫХ
ПРОЦЕССОВ
4.1 Проектирование технических
средств автоматизации технологических процессов: «Автоматизированной
транспортно складской системы»
Назначение и функции АТСС
Автоматизированная транспортно-складская система (АТСС) - система
взаимосвязанных автоматизированных транспортных и складских устройств, для
укладки, хранения, вмененного накопления и доставки предметов труда,
теологической оснастки.
АТСС должна обеспечивать выполнение следующих основных функций: приём,
хранение, учёт и выдача объектов, транспортирование объектов к позициям
загрузки разгрузки, обработки, контроля, накопителям или складам. АТСС
обеспечивает также непрерывное получение информации о ходе производства
Характер транспортных связей оказывает решающее воздействие на компоновку
ГПС и определяет уровень гибкости системы.
В АТСС вводят: автоматические склады, накопители поворотные и подъёмные
столы, перегружатели, транспортно складская тара, транспортные средства,
устройства контроля и управление.
Основными факторами, влияющими на компоновочное решение и технологические
параметры изготовляемых деталей, программы выпуска, обоснованности
технологических процессов производства, структура и состав технологического
оборудования, расположение и характеристики производственных площадей.
Классификация и характеристика автоматических складов
Особенностями автоматических складов ГПС являются: сравнительно небольшие
сроки хранения грузов, возможность прибытия и отправления грузов небольшими
партиями, с небольшими интервалами по времени или даже непрерывным потоком,
зависимость грузопотоков не столько от особенностей работы транспорте, сколько
от производственной обстановки, ритмичность грузопотоков. Классификация складов
ГПС по способам складирования грузов и техническому оснащению приведена на
рис.4.1.
Рис. 4.1. классификация складов
Основные разновидности автоматических складов показаны на рис.4.2
Наибольшее распространение получили стеллажные склады с автоматическими
кранами-щтабелерами. Такие склады во многих - случаях оказываются наиболее
универсальным и эффективным типом оклада различного назначения: для накопления
запасов заготовок, хранения приспособлений и инструментов, готовых изделий,
отходов производства и т.д. Стеллажные склады, с автоматическими кранами-штабелерами
рекомендуется; применять при больших запасах хранения. Склады с мостовыми
кранами-штабелерами используются для более крупных грузов и меньших
грузопотоков. Автоматические склады с гравитационными стеллажами применяют при
небольшой номенклатуре грузов и больших запасах хранения. Преимуществом
гравитационных стеллажей является наиболее полное использование площадей к
объемов производственных помещений, направленность Перемещения грузов, а также
обеспечение важного придала "Первый поступил - первый выдан".
Подвесные автоматические склады используются в ГПС когда в виде
транспорта применяется подвесной толкающий конвейер автоматическим адресованием
грузов. Элеваторные автоматические, склады целесообразно применять при
небольших запасах хранения, небольших размерах грузов, особенно в тех случаях,
когда нет возможности разместить на участке стеллажный склад.
Технико-экономическая эффективность складов
На складах не создаются новые материальные ценности. Однако, принимая
участие в общем технологическом процессе производства промышленной продукции,
склады способствуют выпуску новых изделий, товаров, материальных ценностей,
продукции производственно-технического назначения и товаров широкого
потребление. При этом, поскольку затраты на складирование и переработку грузов
на складах входят в общую стоимость промышленной продукции, то эта стоимость
может быть более или менее велика в зависимости от того, насколько эффективно
выбраны технология и техническая оснащенность складов, через которые проходят
сырье, материалы по мере превращения в готовые изделия, продукцию промышленных
предприятий.
Себестоимость промышленной продукции это выраженные в денежной форме
текущие затраты предприятия на ее производство и сбыт. Затраты на производство
образуют производственную себестоимость, а суммарные текущее содержание,
рационализацию и изобретательство по технологическим складам, на охрану труда и
спецодежду для работников технологических производственных складов, износ тары,
малоценного и быстроизнашивающегося инвентаря; часть прочих цеховых расходов;
часть общезаводских расходов, приходящаяся на общезаводские и технологические
производственные склады основная и дополнительная заработная плата аппарата
управления; оплата служебных командировок, связанных с работой и совершенствованием
общезаводских и технологических цеховых складов; содержание пожарной и
сторожевой охраны; канцелярские, почтовые, типографские расходы; расходы на
диспетчерскую связь; расходы на содержание и текущий ремонт зданий
заводоуправления; отчисления на содержание вышестоящих организаций, прочего
общезаводского персонала; расходы на амортизацию, содержание и текущий ремонт
общезаводских зданий, сооружений, оборудования, инвентаря, общезаводских
складов, погрузочно-разгрузочных устройств, заводских дорог, оздоровительных,
учебных, культурно просветительных, спортивных учреждений, предприятий
общественного питания; расходы на освещение всех этих учреждений и самих
складов; основная и дополнительная заработная плата работников общезаводских
складов, включая надбавки к тарифу; отчисления на соцстрах; расходы на
материалы, топливо, освещение складов, их техническое совершенствование,
.изобретательство, исследования, охрану труда на погрузочно разгрузочных и
складских работах, на подготовку и переподготовку кадров; налоги, сборы и
прочие отчисления; стоимость потерь от простоев и порчи материалов и продукции
при хранении на складах или при отсутствии складов; стоимость недостачи
материалов и продукции в пределах норм естественной убыли, возврата неправильно
засланных грузов, арбитража, перерасхода лимитов энергии; стоимость потерь от
брака исправимого и неисправимого, внутреннего и внешнего, отнесенная к
объектам складского назначения; часть внепроизводственных расходов: расходы на
тару и упаковку изделий на складах готовой продукций, транспортировку готовой
продукции; транспортно - экспедиционные расходы, расходы на доставку грузов на
железнодорожную станцию, погрузку в вагоны; отчисления, уплачиваемые сбытовым
организациям в соответствии с нормами и договорами; прочие расходы по сбыту
готовой продукции.
Таким образом, расходы на складское хозяйство промышленного предприятия
имеются почти во всех статьях затрат, из которых складывается себестоимость
промышленной продукции [1,2].
Для различных видов изделий, технологии и характера производства расходы
по переработке и хранению различных материалов, сырья, полуфабрикатов,
комплектующих изделий, инструмента, приспособлении, готовой продукции
составляют от 10-12 до 20-25 % от общей себестоимости промышленной продукции предприятий.
Расчёт «Автоматизированной транспортно складской системы».
Исходные данные
Деталь - представитель - кронштейн.
Проведённая
программа выпуска деталей
шт.
Сведения
о детали - представителе:
а)
Годовой объем выпуска: 2000 шт.;
б)
Габаритные размеры детали: 272×124 мм;
в)
Масса заготовки:
кг;
г)
Масса детали:
кг;
д)
Деталь изготавливается в условиях среднесерийного производства
е)
Маршрутный технологический процесс изготовления:
Таблица
4.1
Оборудование
ГАУ
|
№ и наименование операции
|
Оборудование
|
ТШ-К
|
|
005 Вертикально-фрезерная с
ЧПУ
|
500VS
|
16,28
|
|
010 Вертикально-фрезерная с
ЧПУ
|
500VS
|
13,6
|
|
015 Протяжная операция
|
7Б56У
|
1,06
|
|
040 Вертикально фрезерная с ЧПУ
|
500VS
|
1,369
|
Количество станков на операции определяют по формуле:
(4.1)
где
- станкоемкость обработки деталей на i-ой
операции.
-
средний такт выпуска деталей (для трёхсменном режиме работы).
(4.2)
где
- эффективный годовой фонд работы оборудования, при
трехсменной работы на станках с ЧПУ принимаем равным 5715ч.
Определяем
расчетное количество станков на каждой операции
и
принятое количество станков
, которое
определяется путем округления расчетного количества станков до целого числа, а
также коэффициент загрузки оборудования
,
определяемый отношением расчетного значения количества станков к принятому
значению количества станков.
операция
005:
Принимаем
операции
010
Принимаем
операции
015
Принимаем
операции
040
Принимаем
Количество
станков - 4
Помимо
вышеперечисленного оборудования в состав ГПС входит моечно-сушильный агрегат
МСА - 031 с габаритами 4830×3375×2865 мм; координатно-измерительная машина с габаритами
400×340×250 мм.
Межстаночное
расстояние принимаем равным 1200 мм.
Расчёт
характеристик склада
Определим
число (
) наименований деталеустановок, изготовляемых в ГАУ в
течении месяца по формуле:
(4.3)
где
- месячный фонд времени работы станка, ч;
(4.4)
где
- фонд времени работы станка, ч. при трёхсменной
работе
- число
станков в ГАУ;
-
средняя станкоемкость изготовления одной деталеустановки, мин.
(4.5)
где
- станкоемкость изготовления детали-представителя на i-ой
операции;
- число
операций технологического процесса.
-
месячный объем выпуска детали представителя.
Полученное
число определяет минимальное число ячеек склада.
Поскольку
детали и заготовки в АТСС будут храниться и доставляться к станкам поштучно, и
обработка будет осуществляться партиями, то емкость склада определяем с учетом
количества штук в партии.
Емкость
склада определим по формуле:
(4.6)
где
- объем производственной партии, шт.;
Для
обслуживания склада выбираем кран-штабелер модели СА-ТСС-0,16 с размерами
ячейки 500×400, который обладает следующими техническими
характеристиками:
грузоподъемность
- 160 кг;
высота
стеллажа - 4000 мм;
скорость
передвижения крана штабелера (Х - 60 м/мин, Y - 12 м/мин).
Расположим
склад вдоль линии станков. Примем длину склада 25 метров
Тогда
в 1-ом ярусе располагается:
Посчитаем
количество ярусов:
,
тогда
вычисляем высоту стеллажа:
Высота
здания не позволяет разместить такой большой склад так как, высота здания 8,45
метров от пола.